Расчет источника вторичного электропитания
Федеральное государственное бюджетное
образовательное учреждение высшего профессионального образования «Оренбургский
государственный аграрный университет»
Инженерный факультет
Кафедра «Электротехнологии и
электрооборудование»
КУРСОВАЯ РАБОТА ПО ДИСЦИПЛИНЕ
Электроника
по теме: «Расчет источника вторичного
электропитания»
Вариант № 01
Выполнил:
студент 31а группы
профиль
подготовки:
«Электротехнологии
и
электрооборудование»
очной формы
обучения
Иманаев Э
Проверил:
Пугачев В.В
Оренбург 2014 г.
Введение
Источники вторичного электропитания являются преобразователями
электрической энергии, предназначенной для электропитания устройств,
выполняющих различные функциональные задачи. С помощью источников вторичного
электропитания, в общем случае, энергия от систем электроснабжения промышленной
частоты или автономных первичных источников питания преобразуется в необходимые
для работы радиоэлектронной аппаратуры питающие напряжения с требуемыми
параметрами. Несмотря на относительную простоту принципиальной реализации
источников вторичного питания, разработка устройств с высокими энергетической
эффективностью, удельными весогабаритными показателями, надежностью и
воспроизводимостью является сложной задачей.
Простейшие источники питания малой мощности (до 15-40 Вт), которые иногда
называют выпрямителями, содержат трансформатор (низкой частоты 50 Гц),
собственно выпрямитель и сглаживающий фильтр. В таких источниках питания
выходное выпрямленное или переменное напряжения изменяются при изменении
входного напряжения питания или тока нагрузки и потому они используются в
устройствах, некритичных по отношению к напряжению питания, что встречается
реже.
Более сложные источники вторичного электропитания включают в большинстве
практических случаев типичные устройства, которые перечислены ниже.
Одним из обязательных элементов источников питания является трансформатор
- статическое устройство, предназначенное для преобразования посредством
электромагнитной индукции напряжений переменного тока с одними параметрами в
напряжения с другими параметрами. С помощью силового трансформатора источника
вторичного электропитания осуществляется гальваническая развязка
высоковольтных, опасных для жизни цепей напряжения электросети и вторичных
цепей устройств потребителей. Низкочастотные (50 Гц) трансформаторы малой
мощности (до 1000 Вт) промышленного изготовления обладают высокой надежностью и
энергетической эффективностью.
Выпрямительное устройство источника питания предназначено для
преобразования электрической энергии переменного тока в энергию постоянного
тока. В источниках вторичного электропитания находят применение нерегулируемые
и реже регулируемые выпрямители, выполняемые на полупроводниковых приборах:
диодах, тиристорах или транзисторах. В регулируемых выпрямителях одновременно с
функцией выпрямления выполняется регулирование выходного напряжения.
Большинство источников вторичного электропитания содержат в своем составе
стабилизаторы напряжения и тока, как простейшие параметрические, так и более
сложные - компенсационные. Стабилизаторы предназначены для автоматического
поддержания напряжения (тока) на выходе с заданной степенью точности.
Источники вторичного электропитания содержат устройства управления и
вспомогательные цепи, которые не участвуют в непосредственном преобразовании и
передаче энергии от первичного источника в нагрузку. В современных источниках
широко используются устройства обеспечения перехода от одних режимов работы
источников питания к другим, которые в основных режимах не участвуют в передаче
энергии. К таким устройствам относятся, например пускорегулирующие устройства.
. Расчет
трансформатора
Задание № 1. Для приведенной электрической схемы трансформатора
произвести расчет его основных параметров при работе на заданную нагрузку.
Таблица 1-Исходные данные по расчету трансформатора
Первая цифра варианта
, ВСхема
трансформатора, рис. 1
, В
, В
, В
, А
, А
,
АТипоразмер
магнитопроводаМарка
|
стали
|
|
|
|
|
|
|
|
|
|
|
|
0
|
220
|
а
|
6
|
12
|
_
|
2
|
_
|
0,5
|
ШЛ
|
3411
|
Рис. 1- Электрическая схема трансформатора.
Частота
тока питающей сети равна
=50 Гц.
.1 Расчет мощности вторичных обмоток трансформатора
На основании схемы однофазного трансформатора(рис. 1) и значений выходных
напряжений и токов определяется максимальное значение габаритной мощности
вторичных обмоток:
где:
,
-
действующие значения напряжений (В) и токов (А) в отдельных вторичных обмотках;
,
- действующие значения напряжений и токов в обмотках
(вторичных) с выводом средней точки.
.2
Определение расчетной мощности трансформатора.
В
качестве расчетной мощности трансформатора принимается полусумма
электромагнитных мощностей первичной и вторичной обмоток трансформатора.
Для
определения расчетной мощности трансформатора необходимо найти приближенное
значение коэффициента полезного действия η.
где:
- частота питающей сети,
<5000 Гц; Р21, мощность вторичных обмоток
трансформатора, ВА.
Расчетную
мощность трансформатора с вторичными обмотками, работающими в течение одного
полупериода рассчитаем по формуле:
.3
Выбор конструкции трансформатора
Конструкция
трансформатора выбирается согласно исходным данным.
Таблица
2 - Конструкция ленточного сердечника.
|
Конструкция сердечника
|
Маркировка
|
Конструктивная характеристика сердечника
|
|
Броневая конструкция(БТ)
|
ШЛ
|
Ш-образные ленточные
|
1.4 Определение расчетного габаритного параметра трансформатора
Типоразмер магнитопровода (размеры сердечника) определяется мощностью
трансформатора и находится с помощью формулы:
здесь:
,
-
сечение соответственно сердечника и окна магнитопровода, см4; Ррас - расчетная
мощность трансформатора, ВА;
-
максимальное значение индукции в сердечнике, Тл; j - плотность
тока в проводах обмоток, А/мм2;
-
коэффициент заполнения сталью сердечника;
-
коэффициент заполнения окна проводом обмоток;
-
коэффициент формы, который для синусоидального напряжения равен 1,1.
Максимальное
значение индукции определим с помощью графика на рис. 1. (Bm=1.5
Тл при выходной мощности трансформатора P2=35.892 ВА).
Рис.1
-Зависимость магнитной индукции B=f(Pрасч) в магнитопроводе от выходной мощности
трансформатора; 1-для броневого трансформатора с магнитопроводом из стали 3411,
частотой напряжения fc=50Гц.
Значение
плотности тока в проводах j A/mm определим с
помощью графика на рис.2. (Выходной мощности трансформатора P2=
35.892 ВА соответствует плотность тока в обмотках j=2,5 А/мм2)

Коэффициент
заполнения
окна определим с помощью графика на рис. 3(
=0.25 при выходной мощности трансформатора равной
35,892 ВА)
Рис.
3 - Зависимость коэффициента заполнения окна ко=f(Pрасч)
от выходной мощности трансформатора; 2-для трансформаторов с броневым
сердечником с напряжением до 300 В, 50 Гц.
-
коэффициент заполнения сталью сердечника выписываем из таблицы 2.4 [1, c.
36]. (Коэффициент заполнения сталью сердечника кс= 0,93 соответствует толщине
пластины δс=0,35 мм).
.5
Выбор типоразмера магнитопровода.
трансформатор напряжение мощность обмотка
Конструктивные
данные выписываем из справочного материала
[3,
c. 113].
Табличное
значение произведение площадей сечений сердечника и окна магнитопровода 
выбираем
больше соответствующего расчетного.
.
Рис.
4 -Магнитопровод для трансформаторов
броневой (Ш-образной) конструкции.
Таблица
3. Конструктивный размер броневого ленточного магнитопровода.
|
Тип магнитопровода
|
ШЛ 20×20
|
|
а , мм
|
20
|
|
h, мм
|
50
|
|
c , мм
|
20
|
|
L , мм
|
80
|
|
b, мм
|
20
|
|
Н, мм
|
70
|
|
h1, мм
|
10
|
|
Средняя длина на магнитной силовой линии Lср.ст , см
|
17,1
|
|
Средняя длина витка Lсм.м ,см
|
13,7
|
|
Активная площадь сечения магнитопровода , см23,5
|
|
|
Площадь окна , см211,42
|
|
|
Площадь сечения стали умноженная на площадь окна , см 440
|
|
|
Масса магнитопровода G, г
|
460
|
1.6 Расчет количества витков трансформатора
Определим число витков трансформатора на один вольт:
Определим
число витков первичной обмотки трансформатора:
Определим
число витков вторичной обмотки трансформатора:
Определим
число витков вторичной обмотки трансформатора со средней точкой:
Относительное
падение напряжения (ориентировочное значение) в обмотках выбираем по графику на
рис. 5.
(UΔ=0,12 при Ррасч=35,892ВА)
Рисунок
5 Зависимость относительного падения напряжения UΔ= f(Pрасч) на выходе, соответствующее изменению тока от
нуля до номинального для трансформатора.: 1-броневые ленточные из стали 3411.
.7
Оценка потерь энергии в магнитопроводе
Определим
потери РС в магнитопроводе:
где
- масса магнитопровода в кг;
- удельные потери в магнитопроводе (массой 1 кг),
Вт/кг.
Приближенное
значение удельных потерь определим с помощью графика на рис. 5. ( Pуд=1.8Вт/кг
при максимальной индукции Вm=1.5 Тл.).
Рис. 5. Зависимость удельной мощности Руд потерь в сердечниках от
максимальной индукции Вm;
2-из стали 3411, δ=0,35мм.
.8 Расчет действующего значения тока холостого хода первичной обмотки
трансформатора
Рассчитаем активную составляющую тока холостого хода:
где
РС - потери в стали, Вт; U11 - напряжение первичной обмотки трансформатора
(действующее значение), В; UΔ - относительное падение напряжения.
Рассчитаем
реактивную составляющую тока холостого хода трансформатора:
·
· nз - число зазоров для броневого трансформатора nз=2,
· lз - длина немагнитного зазора, обусловленного не идеальностью
сопряжения поверхностей половинок разъемного магнитопровода, приблизительно lз=0,002 см
· lС - средняя длина магнитной силовой линии.
· Приближенное значение напряженности магнитного поля Нm (А/м) определим с помощью графика
рис. 6. (Максимальной магнитной индукции Вм=1.5 Тл, соответствует напряженность
магнитного поля Нm=300 А/м.)
Рис. 6. Зависимость индукции в сердечнике от напряженности поля: 1-для
стали 3411.
.9 Расчет действующих значений токов обмоток трансформатора и выбор марки
провода
Определим действующее значение тока первичной обмотки (полуобмотки
трансформатора):
где: р=1 - без вывода первичной обмотки трансформатора; l=1,2,…L - количество вторичных обмоток с выводом средней точки; k=1,2,…K - количество вторичных обмоток без выводов; w21, w3l, w11 - число витков обмоток.
.10 Выбираем обмоточные провода на основе полученного значения тока и
допустимой плотности тока с помощью соотношения
где
j - плотность тока, А/мм2,
- площадь поперечного сечения, мм2
Выберем
из таблицы № 2 (по значению поперечного сечения) провод эмалированный
термостойкий, влагостойкий, первой технологической модификации ПЭВ-1:
,
,
,ml=100м=31,9
г;
, d21=1.06
мм,
, ml=100м=798 г;
, d31=d32=0.53мм,
, ml=100м=200 г;
Уточняем
значение плотности тока в проводах обмоток:
;
;
Откуда
среднее значение плотности равно:
где
К=1 -кол-во вторичных обмоток без вывода средней точки,
L=2 -кол-во
вторичных обмоток c выводом средней точки.
.11
Рассчитываем конструкцию трансформатора
Конструктивный
расчет трансформатора начнем с согласования плана размещения обмоток в окне
магнитопровода, с указанием числа витков и диаметра провода с изоляцией для
каждой из обмоток.
Обмотки
броневого трансформатора выполним в виде катушек каркасной или бескаркасной
намотки, в обоих случаях используем рядовую многослойную намотку обмоток по
всей высоте окна магнитопровода.
Каркас
отличается от гильзы наличием боковых щек, имеющих обычно толщину, равную
толщине гильзы: δГ=δЩ.
Толщина гильзы (каркаса) составляет 1…3 мм. Зазор между гильзой и
магнитопроводом δЗ возьмем в пределах 0,5…1 мм.
На
рис.7 изображена конструкция броневого трансформатора с ленточным
магнитопроводом.
Рис.
7 Конструкция броневого трансформатора с ленточным магнитопроводом.
Высота
hоб11 одного слоя обмотки равна:
где
=1 мм - зазор между гильзой или между каркасом катушки
обмотки и сердечником, мм; δГ=δЩ=3мм - толщина стенки каркаса катушки, мм; h -
высота окна, мм.
Определим
количество витков в слое обмотки с учетом плотности намотки (с помощью
коэффициента укладки kУ) и округленим полученные значения до ближайшего
меньшего числа:
где
d11, d21 , d31(d32) - диаметр провода с изоляцией первого слоя
первичной обмотки и 2-го и 3-го слоя вторичной обмотки, мм; kУ11,
kУ21 , kУ31- коэффициенты укладки обмоток выберем из таблицы
2.6 [1. c. 42]
.12
Рассчитаем число слоев в каждой обмотке
где
m1 - число катушек, в трансформаторе броневого типа m1=1;
р=1 для обмотки в два провода с выводом средней точки или без вывода, р=2 в
противном случае.
.13
Произведем расчет размеров обмоток
Толщина
(сечение) первичной обмотки
и
вторичных обмоток
с коэффициентом не плотности намотки, равным 1,2:
В
результате общий радиальный размер всех обмоток катушки будет составлять
величину:
где
=0,25 - толщина прокладки между обмотками катушки, мм;
р=1 для обмотки в два провода с выводом средней точки или без вывода, р=2 в
противном случае.
Средняя
длина обмотки трансформатора кроме прочего определяется ее положением на
катушке, т.е. величиной условного радиуса rср закругления
витка, который определим с помощью соотношений:
Для
первичной обмотки:
Для
1-ой вторичной обмотки:
Для
2-ой вторичной обмотки :
Определим
среднюю длину витка обмотки трансформатора
где
а и b - размеры стержня магнитопровода в мм; rср -
условный радиус закругления витка.
Рассчитаем
активное сопротивление обмоток при максимальной температуре окружающей среды:
где
kt=1+0,004(TC+ΔT-20)=1,32 - температурный коэффициент удельного
сопротивления материала проводников; ТС =50 °С - максимальная температура
окружающей среды, °С; ΔТ=50 °С - максимальная температура перегрева обмоток,
°С; kf - коэффициент увеличения сопротивления провода в
зависимости от частоты преобразования напряжения, на частотах меньших 10 кГц, kf=1.
Определим
потери в меди первичной, вторичных обмоток:
Суммарные
потери в меди будут равны:
Коэффициент
полезного действия трансформатора:
где
- суммарная активная мощность в нагрузке, Вт.
. Расчет
выпрямительного устройства при работе на активно-емкостную нагрузку
Задание № 2 : Произвести расчет выпрямительного устройства при работе на
активно-емкостную нагрузку.
Таблица 4 Исходные данные по расчету выпрямителя.
|
Вторая цифра варианта
|
, ОмUo, ВIo,
АВm, Тл
|
|
|
|
|
1
|
1.1
|
2
|
1.5
|
Выберем для расчетов однофазную мостовую схему выпрямления(рис.8),
которая характеризуется высоким коэффициентом использования по мощности
трансформатора и поэтому позволяет добиться оптимальных характеристик
выпрямителя.
Рис. 8 Однофазная мостовая схема выпрямления емкостным фильтром.
Определяем фазность( пульсность) схемы выпрямления: m=2 - фазность для однофазной мостовой
схемы.
Определим параметры схемы выпрямления с активно-емкостной нагрузкой по
следующим выражениям:
Выпрямленное напряжение: Uо=6 В
Номинальное значение выпрямленного тока: Iо=2 А
Максимальное амплитудное значение обратного напряжения диода:
Среднее
значение тока диода:
Максимальное
значение тока диода:
Фазная(
пульстная) частота:
С=50Гц-
частота входного (переменного) напряжения.
Выбор
диода выпрямителя произведем на основании выполнения следующих условий:
максимальное
обратное напряжение диода UОбрmVD> UОбрm;
максимальный
прямой средний ток IПрСрVD> IПрСр;
максимальный
импульсный ток IПрИVD>IПрm.
Выберем
кремневый диод КД213Г из таблицы [4. c 53].
Параметры
выбранного диода:
ОбрmVD
=85 В> UОбрm
IПрСрVD
=10А> IПрСр
Uпр=1 В
Находится
сопротивление диода в открытом состоянии:
Находим
полное сопротивление фазы, т.е. обмоток трансформатора и диодов:
где
n - число последовательно включенных диодов (для
мостовой схемы n=2).
Определим
основной расчетный параметр:
Найдем
приближенное значение угла φ, характеризующего
сопротивление фазы выпрямителя:
где
LS - индуктивность рассеяния трансформатора, Гн.
где
kL - коэффициент, определяемый схемой выпрямителя (для
мостовой схемы равен 5.10-3); s-число стержней трансформатора, несущих обмотки: для
стержневой конструкции s=2; р - число чередующихся секций обмоток: в случае
размещения первичной обмотки между половинами вторичной р=3, в противном случае
р=2; Вm - максимальное значение индукции в магнитопроводе,
Тл; fС - частота первичной электросети, Гц; Uo, Io -
напряжение и ток на выходе выпрямителя.
С
помощью графиков на рис.8, рис.9, рис.10 и параметров А и φ определим вспомогательные расчетные параметры В, D , F.
Таблица 5 Вспомогательные расчетные параметры.
Рисунок 8 Зависимость параметра F от расчетного параметра А.
Рисунок 9 Зависимость параметра B от расчетного параметра А.
Рисунок 10 Зависимость параметра D от расчетного параметра А.
На основе параметров В, D, F и H рассчитаем параметры диода:
Действующие значения напряжения вторичной обмотки:
Действующее
значение тока диода:
Действующие
тока фазы вторичной обмотки:
Соотношение
произведения первичного тока на число витков первичной обмотки и выпрямленного
тока на число витков вторичной обмотки:
Габаритная
(расчетная) мощность трансформатора:
Мощность
вторичной обмотки трансформатора:
Мощность
первичной обмотки трансформатора:
Коэффициент
пульсаций это отношение амплитуды Uomk k-ой
гармоники выпрямленного напряжения к его среднему значению Uo:
ПК=Uomk/Uo
=0,05
Величину
емкости фильтра определим по формуле:
Выбираем
алюминиевый электролитический конденсатор К50-35 на номинальную емкость 1500
мкФ и на рабочее напряжение 10 В.
Значение
Н02 определяем из графика на рисунке 12.
А=
0,725 соответствует значение Н02=44000.
Рисунок
11 Зависимость параметра Н02 от расчетного параметра А для двухтактных схем
выпрямления.
. Расчет
компенсационного стабилизатора с непрерывным регулированием напряжения
Задание № 3 Произвести расчет компенсационного стабилизатора с
непрерывным регулированием напряжения.
Таблица 7. Исходные данные по расчету стабилизатора.
|
Первая цифра варианта
|
№
|
0
|
|
Напряжение (первичное) питания стабилизатора.
|
UВХ, В
|
25
|
|
Относительное отклонение напряжения питания в сторону
увеличения.
|
аMAX
|
0,1
|
|
Относительное отклонение напряжения питания в сторону
уменьшения.
|
аMIN
|
0,11
|
|
Номинальное значение выходного напряжения стабилизатора
|
UВЫХ, В
|
16
|
|
Максимальный токи нагрузки стабилизатора
|
IНMAX,
А
|
1
|
|
Минимальный ток нагрузки стабилизатора
|
IНMIN,
А
|
0,5
|
|
Коэффициент стабилизации по входному напряжению
|
KСТU
|
100
|
|
Амплитуда пульсации выходного напряжения стабилизатора
|
UВЫХM, В
|
0,1
|
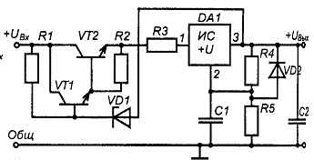
Выберем схему компенсационного стабилизатора с последовательным
включением регулирующего элемента. Схема позволяет получить выходное
напряжение, большее, чем допустимое напряжение интегрального стабилизатора.
Внешний регулирующий транзистор VT1
работает в активном режиме с изменяющимся напряжением коллектор-эмиттер UКЭVT1.
Рисунок 13 Компенсационный стабилизатор напряжения
Минимально возможное первичное напряжение на входе стабилизатора:
Минимально
возможное напряжение на входе интегрального стабилизатора DA1
равно:
где
- минимальное падение напряжения на регулирующем
транзисторе, обеспечивающее линейный режим работы, для биполярных транзисторов
1,5-2,5 В, для полевых транзисторов 1-2,5 В;
-
амплитуда пульсаций входного напряжения, В
;
- напряжение падения на резисторе схемы защиты от
перегрузки по току, принимаем равным 0,6 В;
-
величина просадки входного напряжения при максимальном токе нагрузки, В;
- внутреннее сопротивление первичного источника
напряжения, принимаем 2,5 Ом.
Максимально
возможное первичное напряжение на входе стабилизатора:
Полученные
значения минимальной
и максимальной
величин
входного напряжения не позволяют построить стабилизатор с выходным напряжением
25 В. Поэтому корректируем исходные данные для расчета, которые впоследствии
будут учтены при проектировании выпрямителя:
. В этом
случае:
В
данном случае имеем:
=20,77В>UВыхИС+∆UИСmin=16+2,5=18,5
В, что вполне приемлимо. Здесь минимальное падение напряжения на интегральном
стабилизаторе принимается равным: ∆UИСmin=2,5В
По
полученным значениям минимального и максимального входного напряжения
интегрального стабилизатора выбираем микросхему по справочнику [8].
Выбираем
микросхему К142ЕН8А с фиксированным выходным наприяжением Uвых=35В
, максимальным выходным током Iвых.мах=1,5А и максимальной мощностью Рмах=50Вт.
Определение
максимального значения тока коллектора регулирующего транзистора. Ток
регулирующего транзистора на начальном этапе расчета можно считать практически
равным току нагрузки:
где:
- максимальный ток нагрузки, А;
-ток, потребляемый схемой управления, равный 2-3 мА
для интегральных стабилизаторов.
Рассчитаем
максимального напряжения на транзисторе.
Максимальное
установившееся напряжение на транзисторе VT2 равно:
где
- минимальное падение напряжения на интегральном
стабилизаторе, В.
Рассчитаем
максимальную мощность регулирующего транзистора.
Максимальная
мощность Рис, выделяющаяся на регулирующем транзисторе равна:
На
основании полученных максимальных значений мощности
, напряжения
, тока
выбираем составной транзистор 2Т842Б. Параметры
транзистора: PKmax=50 Вт, UКЭmax= 150 В, IKmax=1,8 А. Рассчитанное
значение мощности предполагает применение радиатора соответствующей площади.
Производим
расчет остальных элементов схемы стабилизатора.
Находим
минимальную величину напряжения на стабилитроне VD1:
По
полученному значению напряжения выбираем из таблицы [4] стабилитрон КС407В с
напряжением стабилизации 4,7 В, допустимым диапазоном тока 1-68 мА и
максимальной мощностью рассеяния 0,5 Вт. Таким образом падение напряжения на
стабилизаторе ограничивается на уровне: ∆UCm=
Задаемся
минимальным значением тока стабилитрона
. При
этом входной ток регулирующего транзистора может достигать значения:
Рассчитываем
величину сопротивления R1:
Мощность
резистора R1 составляет величину:
По
результатам расчетов выбираем необходимый резистор R1 [6].
Выбираем
металлооксидный резистор С2-23 сопротивлением 3,3 кОм мощностью 1 Вт.
При
увеличении входного напряжения стабилизатора и уменьшении тока нагрузки ток
базы регулирующего транзистора уменьшается, а ток через стабилитрон возрастает
до значения:
Именно
такая величина является минимально допустимой для тока нагрузки. В противном
случае выходной ток интегрального стабилизатора DA1 меняет свое
направление (становится втекающим), что недопустимо.
Максимальная
мощность, выделяющаяся на стабилитроне, Вт:
=4,7*12,52=0,059Вт
Для
предотвращения изменения направления выходного тока интегрального стабилизатора
необходимо, чтобы выходной ток стабилизатора( или ток нагрузки) был
. На основании Приведенных доводов задаемся током
выходного( следящего ) делителя, равным
.
Общее
сопротивление делителя составляет величину, Ом:
Соответственно
величина сопротивления
равна
,
Мощность
резистора R4 равна, Вт:
Величина
сопротивления резистора защиты равна R3 равна:
Мощность
на этом резисторе, Вт:
Для
повышения коэффициента сглаживания пульсаций параллельно резистору R5
устанавливаем конденсатор С1. Расчет конденсатора проводится из условия
<<R5 на основной нижней частоте пульсаций, как правило
равной 100 Гц. Если задать
=0,1R5,
то
По
полученному результату выбираем конденсатор соответствующей емкости и на
определенное напряжение [7].
Напряжение
на конденсаторе равно 16 В. Выбираем алюминевый электролитический конденсатор
К50-35 имеющий номинальную емкость 33 мкФ и максимальное напряжение 50 В. С
целью подавления высоких частот параллельно электролитическому конденсатору
устанавливается керамический конденсатор К10-47Атемпературной группы М110,
емкостью 0,1 мкФ, с максимальным рабочим напряжением 100 В.
Для
предотвращения обратного тока через управляющий электрод интегрального
стабилизатора в результате разряда С1 при резком снятии входного напряжения или
замыкании выхода стабилизатора устанавливается диод марки КД106А, имеющий
максимальное обратное напряжение 100 В, импульсный ток до 3А и максимальную
частоту выпрямляемого напряжения до 30 кГц.
Заключение
В данной курсовой работе мы произвели расчет источника вторичного
электропитания по исходным данным.
Основной задачей расчета трансформатора является определение оптимальных
массогабаритных и энергетических характеристик при выполнении заданных
требований к его параметрам. Критериями расчета являются: температура нагрева
обмоток, падение напряжения на обмотках, коэффициент полезного действия
трансформатора и ток холостого хода.
Режимы работы выпрямителей в значительной мере зависят от характера
нагрузки, включенной на выходе выпрямителя и схемы сглаживающего фильтра. В
источниках питания электронной аппаратуры наиболее широко распространены
выпрямители с емкостной (активно-емкостной) нагрузкой и, следовательно,
емкостной реакцией. В таких выпрямителях (наиболее дешевых и компактных) для
сглаживания пульсаций параллельно нагрузке установлен конденсатор.
Трансформаторы таких выпрямителей имеют несколько большую габаритную мощность
по сравнению с выпрямителями с индуктивными фильтрами. К недостаткам
выпрямителей с емкостным фильтром относится большая амплитуда тока через диод.
Выпрямители с индуктивной нагрузкой содержат фильтр, включающий
достаточно большую по величине индуктивность. Такие выпрямители имеют меньшее
внутреннее сопротивление по сравнению с выпрямителями с емкостным фильтром, что
уменьшает зависимость выпрямленного напряжения от тока нагрузки. Применение
индуктивного фильтра позволяет ограничить импульсы тока через диод, но приводит
к перенапряжениям, возникающим на выходной емкости и на дросселе фильтра при
включении, выключении выпрямителя и при скачкообразных изменениях тока
нагрузки, что представляет опасность для элементов самого выпрямителя (диодов)
и его нагрузки.
Для питания электронных схем аппаратуры самого различного назначения
необходима электрическая энергия, удовлетворяющая определенным требованиям,
среди которых важнейшими являются стабильность напряжения питания (или тока),
весьма малый уровень пульсаций и др. Обеспечение таких требований
осуществляется с помощью стабилизаторов - устройств автоматически
поддерживающих напряжение или ток на стороне нагрузки с заданной степенью
точности.
Компенсационные стабилизаторы представляют собой систему автоматического
регулирования, содержащую регулирующий элемент и цепь отрицательной обратной
связи. Как правило, регулирующим элементом компенсационных стабилизаторов
напряжения является биполярный либо полевой транзистор (или группа
транзисторов). Если этот транзистор работает в непрерывном активном режиме, то
стабилизатор называют линейным (с непрерывным регулированием), а если
регулирующий транзистор работает в ключевом режиме - импульсным. Вместе с этим
в комбинированных стабилизаторах, которые называются непрерывно-импульсными,
используют оба принципа регулирования энергии.
В настоящее время стабилизаторы с непрерывным регулированием напряжения
или линейные строятся на основе интегральных стабилизаторов. Применимость
интегральных стабилизаторов не ограничивается предельными значениями выходных
токов и напряжений. В случаях необходимости обеспечения больших токов нагрузки
интегральные стабилизаторы дополняются навесными транзисторами. При этом
качественные параметры схем с интегральными стабилизаторами определяются, как
правило, характеристиками интегральных стабилизаторов.
Список
используемой литературы
1. Гейтенко
Е. Н. Источники вторичного электропитания. Схемотехника и расчет. - М.:
СОЛОН-ПРЕСС, 2008 г. - 448 с.
. Китаев В.Е.
Расчет источников электропитания устройств связи. - М.: Радио и связь, 1993. -
232 с.
. Сидоров
И.Н. Малогабаритные магнитопроводы и сердечники: справочник / И.Н. Сидоров,
А.А. Христинин, С.В. Скорняков. - М.: Радио и связь, 1989. - 384 с.
. Диоды:
справочник / О.П. Григорьев, В.Я. Замятин, Б.В.Кондратьев. - М.: Радио и связь,
1990. - 336 с.
.
Транзисторы: справочник / О.П. Григорьев, В.Я. Замятин, Б.В.Кондратьев. - М.:
Радио и связь, 1989. - 272 с.
. Резисторы:
справочник / В.В. Дубровский, Д.М. Иванов, Н.Я. Пратусевич. - М.: Радио и
связь, 1991 - 528 с.
. Справочник
по электрическим конденсаторам / М.Н. Дьяконов, В.И. Карабанов, В.И. Присняков.
- М.: Радио и связь, 1983. - 576 с.
. Нефедов
А.В. Интегральные микросхемы и их зарубежные аналоги. Справочник. Т.1. - М.: ИП
РадиоСофт, 2000. - 512 с.