Вторичный источник электропитания
МИНОБРНАУКИ
РОССИИ
Федеральное
государственное бюджетное образовательное учреждение
высшего
профессионального образования
"Тульский
государственный университет"
Институт
высокоточных систем им. В.П. Грязева
Кафедра
"Приборы управления"
Курсовой
проект
"Вторичный
источник электропитания"
Выполнил:
студент
группы 121111
Колкова
О.В.
Проверил:
проф. д.т.нкаф.ПУ
Иванов
Ю.В.
Тула
2014г.
ЗАДАНИЕ
Номинальное напряжение питающей сетиUc=40
В; частота напряжения питающей сетиfc=1000 Гц; пределы изменения
напряжения сети ac=10% и bс=10%;
номинальное выходное напряжение Uн=5 В; пределы регулировки
выходного напряжения Uн max=7 Ви Uн min=4
В; пределы изменения тока нагрузки Iн max=1 А и Iн
min=0.5 А;максимальная температура окружающей среды tокр max=+60°Cи
минимальная температура окружающей среды tокр min=
60°C; коэффициент стабилизации Kст>100;
внутреннее сопротивление rн<0.1 Ом; амплитуда пульсации на
выходестабилизатораUпул=10 мВ; температурный коэффициент
напряжения γн<15
мВ/°С.
Графическая часть представлена на
листах фората А1. Первый лист
схема электрическая принципиальная,
второй лист
плата печатная и третий лист
сборочный чертеж. В конце
пояснительной записки приведена спецификация на сборку.
СОДЕРЖАНИЕ
Введение
.
Выбор схемы
.1
Расчет источника опорного напряжения
.2
Расчет стабилизатора
.3
Выбор схемы и расчет выпрямителя
.4
Определение значения емкости фильтра
.5
Расчет регулирующего элемента
.6
Расчет выходного делителя
.
Расчет трансформатора
.1
Расчет габаритной мощности. Выбор типоразмера магнитопровода
.
Расчет теплоотвода
.
Печатная плата
Заключение
Список
используемой литературы
Приложение
1
Приложение
2.
Спецификация
ВВЕДЕНИЕ
Источники вторичного электропитания (ИВЭП)
предназначены для получения напряжения, необходимого для питания различных
электронных устройств. Для работы электронных приборов необходимо постоянное
напряжение, величина которого обычно не превышает нескольких вольт. Вторичные
источники получают энергию от первичных источников: сети переменного тока,
аккумуляторов и т. д.
Структурная схема ИВЭП, получающего энергию от
сети переменного тока, показана на (рис. 1). Трансформатор предназначен для
изменения уровня переменного напряжения и гальванической развязки выпрямителя и
питающей сети. Выпрямитель преобразует переменное напряжение синусоидальной
формы в пульсирующее напряжение одной полярности. Сглаживающий фильтр уменьшает
пульсации напряжения на выходе выпрямителя. Стабилизатор уменьшает колебания
напряжения на нагрузке.
Рис. 1. Структурная схема ИВЭП
Рассмотренный источник питания имеет большие вес
и габариты, определяемые, прежде всего размерами трансформатора и сглаживающего
фильтра. В настоящее время такие ИВЭП вытесняются преобразовательными
устройствами, работающими на частотах, составляющих десятки и сотни килогерц.
При этом удается значительно уменьшить размеры и вес устройства
. ВЫБОР СХЕМЫ
Для обеспечения заданных параметров выходного
тока и напряжения применим схему с коллекторной нагрузкой усилителяTу(рис.3).Регу-лирующийэлемент
будет состоять из каскада кремниевых транзисторов, соединённых по схеме
(рис.2).
Рис.2. Составной регулирующий транзистор
Рис.3.Схема транзисторного стабилизатора с
внутренним источником опорного напряжения.
Когда в качестве коллекторной нагрузки усилителя
Tу
используется токостабилизирующий двухполюсник ТД, то минимальное напряжение на T1при
трех кремниевых транзисторахT1,T2
и Т3 будет не меньше 3В.
1.1 Расчет источника опорного напряжения
В качестве источника опорного напряжения VD5применим
стабилитрон типа 2С133А (см. приложение 1 п.3.), исходя из того что:

, где

напряжение стабилизации
У стабилитрона 2С133А напряжение
стабилизации лежит в пределах от 3
3.6 В, температурный коэффициент
напряжения ТКН равен 
3.3 мВ/°С.
Определим ТКН для нашей схемы и
сравним его с заданным в исходных данных:
величина γу для
транзисторов имеет разброс от 
1.9 до 
2.5мВ/°С,
Получили: 
условие выполняется.
В качестве VD2 и VD4 примем
диоды Д223. (см. приложение 1 п.3.).
.2 Расчет стабилизатора
На основании вышесказанного
принимаем схему, показанную на рис.4
Принимаем минимальное коллекторное
напряжение транзистора VT1UКЭ2 min=3 В.
Зададимся амплитудой пульсации на
входе стабилизатора U0~=1 В и
определим минимальное напряжение на входе стабилизатора:
Рис.4.Схема транзисторного
стабилизатора напряжения
Минимальное потребление тока
стабилизатором Iomin при U0min
, Uн minиIн min
слагается из токов, которыми мы задаемся:
Ток через резистор R5: IR5=5м А;
Ток через резистор R1: IR1=12 мА;
Ток через резистор R2: IR2=2 мА;
Ток через резисторы R3 и R4: IR3=IR4=5м А;
Полагаем, то транзисторы VT1иVT2
кремниевые, для которых IКБ 0 max=5 мА:
Принимаем 
35 мА.
Максимальное потребление тока от
выпрямителя I’omaxпри Uсmin
, Uн minиIн maxопределим по формуле:
Более точное значение тока 
получим в конце расчета
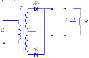
.3 Выбор схемы и расчет выпрямителя
Для наших исходных данных
целесообразно использовать двухполупериодную схему выпрямителя (рис.5). Такой
выпрямитель работает на фильтр с емкостной реакцией, при напряжении меньше 100
В и токе нагрузки до 1 А.
Рис.5. Двухполупериодная схема
однофазного выпрямителя
Данные для расчета:
Минимальное выпрямленное напряжение
(при минимальном напряжении сети):
Максимальный ток нагрузки
выпрямителя 
Минимальный ток нагрузки выпрямителя

;
Амплитуда пульсаций выпрямленного
напряжения U0~=1 В или кп=3%;
Напряжение питающей сети 
(ас=0.1 и bc=0.1);
Частота сети fc=1000
Гц
Определим средний ток нагрузки:
В качестве вентилей выбираем
кремневые диоды типа 2Д217А
(см. приложение 1 п.3.), у которых:
Найдем расчетное значение
минимального выпрямленного напряжения:

количество последовательно
включенных и одновременно работающих вентилей (в нашем случае 
).
Активное сопротивление
трансформатора

коэффициент, зависящий от схемы
выпрямления (
);

;

.
Рассчитаем параметр А:

;
Тогда
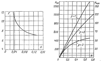
Определяем коэффициентыB,D,Fи H по графикам
(рис.6 ирис.7):
Рис.6. Графики зависимостей В=f(A) и D=f(A) для
выпрямителей с емкостным фильтром.
Рис.7. Графики зависимостей F=f(A) и H=f(A) для
выпрямителей с емкостным фильтром.
Полученные коэффициенты: B=0.84; D=2.8; F=11; H=6.5
Определим параметры трансформатора:
) Действующее напряжение вторичной
обмотки
при 
при 
при 
2) Коэффициент трансформации
) Ток
вторичной обмотки
4) Ток первичной обмотки
) Типовая
мощность трансформатора
По типовой мощности и току вторичной
обмотки выбирают трансформатор.
Определяем параметры вентилей:
Средний ток одного вентиля
Следовательно, вентили 2Д217А
выбраны правильно.
.4 Расчет емкости фильтра
Выбираем емкость конденсатора по
ГОСТу из стандартного ряда Е24 Сф=1000 мкФ, тип конденсатора К50-6
(см.приложение 1 п.1.):Сф=1000; 
.
Максимальное напряжение холостого
хода выпрямителя
Усредненная величина внутреннего
сопротивления выпрямителя при 
1.5 Расчет регулирующего элемента
Вернемся к расчету стабилизатора.
Полученные данные из расчета выпрямителя следующие:
Мощность рассеиваемая на транзисторе
VT1при 
, 
, 
и
Исходя из значений

выбираем транзистор 2Т903Б
(см.приложение 1 п.4.), у которого:
Температура окружающей среды от 213
до 398 К
При регулировке выходного напряжения

с помощью переменного резистора RP,
включенного по схеме на (рис.2), ток выходного делителя Iд не
изменяется. В качестве источника опорного напряжения был выбран стабилитрон
2С133А. Сопротивление резистора R5
Выбираем по ГОСТ из ряда Е24: R5=82 Ом
Максимальный ток через резистор R5
Максимальная мощность, рассеиваемая
на резистореR5
Выбираем резистор С2
23(см.приложение 1 п.2.) 82 Ом с
двойным запасом по мощности (
).
Ток через резистор R4 при 
принимаем равным

Выбираем по ГОСТ из стандартного
ряда E24: R4=820 Ом,
тогда
Максимальная мощность, рассеиваемая
на резисторе R4
Выбираем резистор С2
23(см. приложение 1 п.2.) 820 Ом с
двойным запасом по мощности (
).
Определяем максимальное значение
тока в цепи эмиттера, примерно равное току цепи коллектора транзистора VT2.
При 
При
Мощность, рассеиваемая на
транзисторе VT2при
и 
.
Где
В качествеVT2 выбираем
транзистор 2T602A(см.приложение
1 п.4.), у которого: 
.
Ток 
через резистор R3 должен
быть не менее 
.
Принимаем 
, тогда R3=R4=820Ом,следовательно

. Определяем максимальный ток,
протекающий в цепи эмиттера транзистора VT4.
Максимальная мощность, рассеиваемая
на транзисторе VT4
где 
Выбираем транзистор 2T312В
(см.приложение 1 п.4.), у которого:

.
Определяем максимальное значение
тока базы транзистора VT4:
Так как 
<0.5 мА, то количество
транзисторов принимаем равным 3 (VT1,VT2 и VT4).
Определяем ток коллектора
транзистора VT5:
принимаем 
Максимальное напряжение на
транзисторе VT5
где 
напряжение база
эмиттер составного транзистора.
Максимальная мощность, выделяемая на
транзисторе VT5
В качестве VT5 выбираем
транзистор КТ315Ж (см.приложение 1 п.4.), у которого:
Максимальное значение тока 
через транзистор VT3и резистор R2 равно
мА.Напряжение на R2

напряжение база-эмиттер транзистора VT3
В качестве VT3выбираем
транзистор p-n-p.
Сопротивление резистора R2
Выбираем по ГОСТ из стандартного
ряда E24: R2=680 Ом,
Мощность, рассеиваемая
на R2
Выбираем резистор С2
23(см.приложение 1 п.2.)680 Ом.
Максимальное напряжение на
транзисторе VT3
Максимальная мощность, рассеиваемая
на транзисторе VT3
В качествеVT3 выбираем
транзистор КT361Б(см.приложение
1 п.4.), у которого:

.
Минимальное напряжение на
транзисторе VT3
Сопротивление резистора R1найдем из
условия, чтобы минимальный ток через него
Выбираем по ГОСТ из стандартного
ряда E24: R1=1.5кОм,
Максимальный ток через него
Получим максимальную мощность через
резистор R1
Выбираем резистор R1=1.5 кОм
типа С2
33(см.приложение 1 п.2.)с двойным
запасом по мощности (
).
.6 Расчет выходного делителя
Определим общее сопротивление
выходного делителя.
В начале расчета мы задались током 
через делитель RP, R6иR7равным 5
мА.
Получим
Минимальный и максимальный
коэффициенты делителя были определены выше:
Сопротивление резистора R7 равно:
Выбираем по ГОСТ из стандартного
ряда E24: R7=620Ом,
Сопротивление резистора R6:
Выбираем по ГОСТ из стандартного
ряда E24: R6=68Ом
(допускается отклонение
).
Сопротивление переменного резистораRP равно:
Выбираем по ГОСТ из стандартного
ряда E24: RP=750 Ом
Уточняем ток делителя:
Мощности, рассеиваемые на резисторах
RP,R6,R7,
определяем по формуле

:
Выбираем проволочные резисторы R6, R7типа С5-25В
и переменный резистор RPтипа СП5-22.(см. приложение 1
п.2.).
Определяем коэффициент стабилизации.
Коэффициент 
Значения
и 
транзисторов берем из таблицы.1
Таблица 1
Внутреннее сопротивление
стабилизатора:

Принимая 
Уточним максимальное значение тока 
Определим к.п.д. стабилизатора при 
2. РАСЧЕТ ТРАНСФОРМАТОРА
Для нашего случая выбираем
трансформатор типа ТПП. Такой тип трансформаторов применяется в основном для
питания устройств на полупроводниковых приборах от сети переменного тока
напряжением 40,115 и 220 В и частотой от 400 Гц. Эта группа трансформаторов
отличается от других трансформаторов питания низкими значениями напряжений
вторичных обмоток.
Трансформаторы типа ТПП имеют
несколько вторичных обмоток, рассчитанных на различные токи и напряжения,
которые при последовательном и параллельном соединении позволяют получать
всевозможные сочетания токов и напряжений для питания устройств различного
функционального назначения.
Рис.8.Электрическая схема
трансформатора
.1 Расчет габаритной мощности. Выбор
типоразмера магнитопровода
Ранее при расчете выпрямителя нами
была определена суммарная выходная мощность трансформатора:
Определим КПД трансформатора по
графику(рис.9):
Рис.9.Зависимости КПД
трансформаторов от суммарной выходной мощности.
Получим 
По таблице 2 определим значения
коэффициентов приведения тока 
и 
коэффициента распределения мощности

и расчетныесоотноше-ниядля
габаритной мощности в зависимости от схемного выполнения обмоток.
Таблица 2.
Получили:
Габаритная мощность:
По найденному значению габаритной
мощности выберем типоразмер магнитопровода:
Нам подходит ШЛ
у которого:
Таблица 3.
Определяем число витков первичной и
вторичной обмоток:
Определяем сечение и диаметр провода
первичной и вторичной обмоток:
По полученным данным из справочника
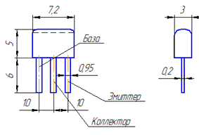
выбираем трансформатор ТПП 89-40-400(см. приложение 1 п.5.)
Таблица 4.
3. РАСЧЕТ ТЕПЛООТВОДА
Определим размеры радиатора для
транзистора 2Т903Б мощностью рассеяния P=11 Вт,
работающего при температуре окружающей среды Tc= 60°Cв условиях
естественной конвекции и нормальном давлении.
У данного транзистора температура
перехода Tп=150 °C, тепловое
сопротивление переход-корпус Rп.к.=3.33 K/Вт, Rк.р.= Rк.т.=0.4 К/Вт.
) Зададимся высотой пластины: D=0.1 м
) Определяем по графику коэффициент
неравномерности температуры радиатораg (рис.10):
Рис.10.
Для нашей длинны D=0.1 м
соответствует g=0.99
) Определим допустимую среднюю
поверхностную температуру радиатора и его перегрев:
4) Для вертикально ориентированной
поверхности высотой D=0.1 м рассчитаем коэффициент
теплообмена при естественной конвекции:
Где 
выбирается по таблице для средней
арифметической температуры:
Получим:
5) Вычислим коэффициент теплообмена
излучением:
) Определяем
суммарный коэффициент теплообмена:
7) Рассчитаем площадь теплоотдающей
поверхности радиатора:
8) На основе рекомендаций задаемся
толщиной пластины радиатора 
и вычислим ширину пластины:
Получили радиаторразмерами: 100
мм
На длинной стороне загнем ушки,
опираясь на рекомендации, примерно 15 мм, получим ребристый радиатор с
размерами основания 70
мм.
Вид радиатора приведен ниже на
(рис.11).

4. ПЕЧАТНАЯ ПЛАТА
В данном курсовом проекте
разрабатывалась односторонняя печатная плата. Трассировка проводников
производилась вручную с применением системы
автоматизированного проектирования Компас-3D.
Основанием платы служит
стеклотекстолитнагревостойкий, облицованный с одной стороны медной
электролитической гальваностойкой фольгой толщиной 35 мкм: СФ
1Н
35Г
2вс.
Изображение печатной
платы показано на (рис.12).
Рис.12. Односторонняя печатная
плата.
Таблица 5.
|
Параметры
элементов платы
|
Размеры,
мм, не менее
|
|
Ширина
проводников
|
1,0
|
|
Расстояние
между двумя проводниками
|
1,25
|
|
Расстояние
между двумя контактными площадками
|
5,0
|
ЗАКЛЮЧЕНИЕ
стабилизатор фильтр трансформатор
плата
В данном курсовом проекте приводится расчет
вторичного источника электропитания, который состоит из трансформатора,
выпрямительной диодной схемы (в нашем случае двухполупериодной), фильтра и
стабилизатора напряжения. По ходу расчета производился подбор элементов
электрической схемы по полученным характеристикам. Для этого использовались
справочники по радиоэлектронной аппаратуре.
Конструкторская документация состоит из трех
листов формата А1, на которых показана: схема электрическая принципиальная,
печатная плата и сборочный чертеж стабилизатора напряжения. В спецификации
указаны элементы, требуемые для создания сборки. Все чертежи выполнены по ГОСТ
с применением системы автоматизированного проектирования
Компас-3D.
По выполненным расчетам можно сделать вывод, что
стабилизатор напряжения на транзисторах имеет сравнительно небольшой КПД равный
53 %.Однако его выходное сопротивление не превышает 0.1 Ом, что позволяет
отдавать в нагрузку большой ток (по нашим исходным данным максимальный ток в
нагрузке равен 1 А). Несмотря на довольно низкий КПД, стабилизатор напряжения
на биполярных транзисторах обеспечивает необходимую нам пульсацию напряжения.
Положительным аспектом является и то, что расчет
источника вторичного электропитания производился под частоту питающей сети
равной 1000Гц. Это позволило получить в итоге небольшие габаритные размеры и
малый вес нашего преобразующего устройства (110×120 мм).
Учитывая ускорение темпов развития электроники в
России, разработка унифицированных источников вторичного электропитания типа
АС/DС и DC/DC
различной мощности, на основе прогрессивных технологий, в настоящее время
является одной из актуальных задач.
СПИСОК ИСПОЛЬЗУЕМОЙ ЛИТЕРАТУРЫ
1.Краус
Л.А. Проектирование стабилизированных источников П 79 электропитания
радиоэлектронной аппаратуры / Л.А. Краус, Г.В. Гейман, М.М.Лапиров-Скобло,
В.И.Тихонов - М.: Энергия,1980. - 288 с, ил.
.
Найвельт Г.С. Источники электропитания радиоэлектронной И 91 аппаратуры: Справочник
/ Г.С. Найвельт, К.Б. Мазель, Ч.И. Хусаинов и др.; под ред. Г.С. Найвельта.-
М.: Радио и связь, 1985.- 576с, ил.
.
Баюков А.В. Полупроводниковые приборы: Диоды, тиристоры, П 53 оптоэлектронные
приборы.Справочник / А.В.Баюков, А.Б. Гитцевич, А.А. зайцев и др.; Под общ.ред.
Н.Н. Горюнова.- М.: Энергоатомиздат,1983. - 744 с, ил.
.
Горячева Г.А. Конденсаторы: Справочник / Г.А.Горячева, Е.Р. Добромыслов.- М.:
Радио и связь, 1984.- 88 с, ил.-(Массовая радиобиблиотека.Вып. 1079).
.
Сидоров И.Н. Малогабаритные трансформаторы и дроссели: C34
Справочник / И.Н. Сидоров, В.В. Мукосеев, А.А. Христинин.- М.: Радио и связь,
1985.- 416 с, ил.
.
Дубровский В.В. Резисторы: Справочник /В.В. Дубровский, Р34 Д.М. Иванов, Н.Я.
Пратусевич и др.; Под ред. И.И. Четверткова и В.М. Терехова.-2-е изд., перераб.
и доп.- М.: Радио и связь, 1991.- 528 с,:ил.
.
Лярский В.Ф. Электрические соединители: Справочник /В.Ф.Лярский, О.Б. Мурадян.-
М.: Радио и связь, 1988.- 272 с.: ил.
.
Горюнов Н.Н. Полупроводниковые приборы: транзисторы П53: Справочник /Н.Н.
Горюнов, В.Л. Аронов и др.;Под общ.ред. Н.Н. Горюнова.- М.:
Энергоатомиздат,1985. - 904 с, ил.
.
ГОСТ 2.109-96. ЕСКД. Общие требования к чертежам // Сб. ГОСТов ЕСКД. Основные
положения.- М.: Изд-во стандартов, 1995.- 370с.
.
ГОСТ 2.702-75. ЕСКД. Правила выполнения электрических схем.- М.: Изд-во
стандартов, 2000.- 22 с.
.
ГОСТ 2.770-68. ЕСКД. Обозначения условные графические в схемах.- М.: Изд-во
стандартов, 1997.- 480 с.
.
ГОСТ 2.417-91. ЕСКД. Платы печатные. Правила выполнения чертежей.- М.: Изд-во
стандартов, 1991.- 4 с.
.
ГОСТ 29137-91. Формовка выводов и установка изделий электронной техники на
печатные платы.- М.: Изд-во стандартов, 2004.- 48 с.
.
ГОСТ 2.105-95. ЕСКД. Общие требования к текстовым документам // Сб. ГОСТов
ЕСКД. Основные положения.- М.: Изд-во стандартов, 1995.- 370с.
.
ГОСТ 2.307-68. ЕСКД. Нанесение размеров и предельных отклонений.- М.: Изд-во
стандартов, 2000.- 23 с.
ПРИЛОЖЕНИЕ 1
Графические изображения подобранных элементов
электрической схемы.
1. Конденсатор 
2. Резисторы R1:

, R3 иR4:

R5: 
6: 
Переменный резистор RP:

3. Диоды
, VD3: 
VD2, VD4: 
Стабилитрон VD5:

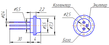
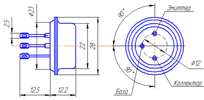
4. Транзисторы
: 
VT2:

VT3:


VT5:

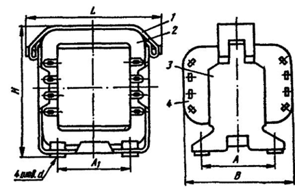
5.Трансформатор