Проектирование источника вторичного электропитания

  • Вид работы:
    Курсовая работа (т)
  • Предмет:
    Информатика, ВТ, телекоммуникации
  • Язык:
    Русский
    ,
    Формат файла:
    MS Word
    502,56 Кб
  • Опубликовано:
    2014-03-08
Вы можете узнать стоимость помощи в написании студенческой работы.
Помощь в написании работы, которую точно примут!

Проектирование источника вторичного электропитания

Донбасский государственный технический университет

Кафедра Автоматизированного управления технологическими процессами











КУРСОВОЙ ПРОЕКТ

По Электронике и микропроцессорной технике

на тему Проектирование источника вторичного электропитания

Вариант №15










г. Алчевск - 2013 год

Задание

Разработать двухканальный источник питания радиоэлектронной аппаратуры.

Параметры питающей сети:

сеть однофазная;

- номинальное напряжение сети, ;

частота напряжения сети, Гц.

Параметры первого канала:

компенсационный стабилизатор напряжения;

выходное напряжение, В;

диапазон изменения тока нагрузки, А;

схема выпрямления мостовая;

отклонение выходного напряжения, ;

защита от перегрузки по току нагрузки.

Параметры второго канала:

не стабилизированный;

выходное напряжение, В;

ток нагрузки, А;

амплитуда пульсаций основной гармоники, ;

схема выпрямления нулевая.

Реферат

Пояснительная записка: 45 с., 4 рис., 2 приложения, 12 источников.

Объектом проектирования является источник вторичного электропитания (ИВЭП).

Целью данного курсового проекта является разработка источника вторичного электропитания на основе полученных расчетных данных и предоставленной электросхемы, укрепление знаний из курса электросхемотехники, а также их применение на практике.

Он предназначен для получения напряжения, необходимого для питания различных электронных устройств. Значение напряжения сети переменного тока составляет 220 В. В то же время для работы электронных приборов необходимо постоянное напряжение, величина которого обычно не превышает нескольких вольт.

Характеристики источников вторичного питания позволяют обеспечить бесперебойное электроснабжение на объектах особой важности, где требуется постоянная подача электроэнергии, без перебоев, в целях обеспечения работы, например, любой системы безопасности, либо на других объектах особого значения.

Правильный выбор и оптимизация параметров, проектирование источника питания с учетом специфики его работы в значительной мере определяют эффективность и экономичность установки в целом.

ИСТОЧНИК ВТОРИЧНОГО ЭЛЕКТРОПИТАНИЯ, СТАБИЛИЗАТОР НАПРЯЖЕНИЯ, РЕГУЛИРУЮЩИЙ ЭЛЕМЕНТ, ИСТОЧНИК ОПОРНОГО НАПРЯЖЕНИЯ, ЗАЩИТА ОТ ПЕРЕГРУЗКИ

Оглавление

Введение

1. Обзор существующих схемных решений для построения источников питания

1.1 Функциональная схема источника электропитания

1.2 Структурная схема стабилизатора и ее обоснование

2.2 Схемы сравнения и усилители постоянного тока

2.3 Типовые схемы компенсационных стабилизаторов напряжения

3. Расчет компенсационного стабилизатора напряжения первого канала

3.1 Расчет регулирующего элемента

3.2 Источник опорного напряжения

3.3 Измерительный элемент

3.4 Расчёт усилителя сигнала рассогласования

3.5 Расчёт токостабилизирующего двухполюсника

3.6 Расчёт схемы защиты от перегрузки по току

3.7 Выходной фильтр

3.8 Расчёт КПД стабилизатора

4. Расчет выпрямителя первого и второго канала

4.1 Выпрямитель первого канала

4.2 Выпрямитель второго канала

5 Расчет понижающего трансформатора

5.1 Напряжения вторичных обмоток

6. Выбор вспомогательных устройств

6.1 Индикация сетевого напряжения

6.2 Индикация выходного напряжения

6.3 Выбор сетевого выключателя

6.4 Выбор предохранителя

Заключение

Перечень ссылок

Приложение А

Приложение Б

Введение

Научно технический прогресс в значительной мере связан с развитием радиотехники и электроники. В таких далёких от радиотехники областях, как медицина, транспорт, сельское хозяйство, строительство и другие, невозможно добиться новых достижений и дальнейшего повышения производительности труда без широкого внедрения радиоэлектроники, средств импульсной, вычислительной и измерительной техники. Этим определяется высокий интерес к полупроводниковой схемотехнике, особенно прикладной.

Актуальность данного проекта, обусловлена тем, что в современной технике невозможно выполнение многих трудоемких задач без средств автоматизации, которым, в свою очередь, необходимы для работы источники вторичного электропитания. Вторым фактором является то, что со временем появляется необходимость усовершенствования тех или иных источников электропитания, чтобы сделать их работу менее энергоемкой и более стабильной, а для этой цели необходимы базовые знания из области их проектирования и оптимизации характеристик, которые можно использовать в дальнейшем при их модификации.

Целью данного курсового проекта является разработка источника вторичного электропитания на основе полученных расчетных данных и предоставленной электросхемы, укрепление знаний из курса электросхемотехники, а также их применение на практике.

Поставленная цель потребовала решения задач:

·   обзора существующих схемных решений для построения источников питания;

·   анализа технического задания и разработки структурной схемы источника питания;

·   расчета параметров стабилизатора первого канала;

·   расчета параметров выпрямителей;

·   расчета параметров трансформатора;

·   расчета параметров узлов индикации;

·   выбора сетевого выключателя и предохранителя.

При решении задач использовались следующие методы:

·   метод наблюдения и сбора информации;

·   метод синтеза электронных схем;

·   метод анализа существующих решений;

·   метод обобщения.

Средства, которые использовались при решении задач:

- компьютер класса AMD E2-1800 APU with Radeon(tm) HD Graphics;

операционная система Windows 7;

текстовый редактор Microsoft Word;

программа для работы с электронными таблицами Microsoft Excel;

- калькулятор.

ток стабилизатор трансформатор предохранитель

1. Обзор существующих схемных решений для построения источников питания

.1 Функциональная схема источника электропитания

Для питания электронных устройств или систем управления необходима электрическая энергия с параметрами другого вида и качества чем у первичного источника. Функции преобразования параметров электрической энергии первичных источников к виду и качеству, требуемых для питания электронной аппаратуры или системы управления, выполняют вторичные источники электропитания, которые состоят из функциональных узлов.

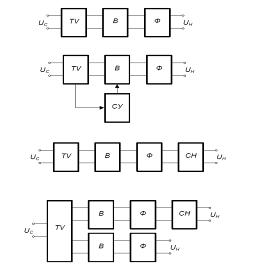
Функциональные узлы источников вторичного электропитания - это устройства, выполняющие одну или несколько определенных электрических функций (выпрямление, фильтрацию, стабилизацию и др.). На рисунке 1.1 представлены некоторые варианты функциональных схем вторичных источников электропитания.

Рисунок 1.1 - Функциональные схемы вторичных источников электропитания

1.2 Структурная схема стабилизатора и ее обоснование

Напряжение источников входной электроэнергии переменного тока, от которых питаются вторичные источники электропитания, в силу разных причин имеют широкие пределы изменения номинала: ± 20-30%. Кроме того, в процессе работы изменяется ток, потребляемый электронной аппаратурой или системой управления. Поэтому большинство источников вторичного электропитания содержат в своем составе стабилизаторы напряжения и тока как простейшие параметрические, так и более сложные - компенсационные.

Для рационального выбора типа стабилизатора необходимо сделать обзор электронных стабилизаторов напряжения (параметрических, компенсационных), дать их сравнительную характеристику по основным показателям: величинами коэффициента стабилизации, пределом регулировки выходного напряжения стабилизатора, значением тока нагрузки, нестабильностью выходного напряжения, коэффициенту стабилизации по напряжению, пульсациям напряжения, внутренним сопротивлением постоянному току, внутреннему динамическому сопротивлению, температурному коэффициенту напряжения, коэффициенту мощности, массе и габаритам, реакции на режимы холостого хода и короткого замыкания.

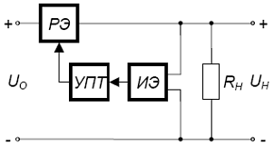
На основании анализа достоинств и недостатков стабилизаторов различных типов выбирается тип стабилизатора, максимально удовлетворяющий требованиям технического задания. Для выбранного стабилизатора необходимо начертить структурную схему. Примеры структурных схем приведены на рисунках 1.2-1.9.

-       Сокращения, принятые в структурных схемах:

-       РЭ - регулирующий элемент;

-       ИЭ - измерительный элемент;

-       УПТ- усилитель постоянного тока;

-       В - выпрямитель;

-       Ф - Фильтр;

Рисунок 1.2 - Структурная схема параметрического стабилизатора напряжения

Рисунок 1.3 - Структурная схема непрерывного последовательного стабилизатора напряжения

Рисунок 1.4 - Структурная схема непрерывного параллельного стабилизатора напряжения

-       СУ - система управления;

-       ЭС - элемент сравнения;

-       ИОН - источник опорного напряжения;

-       ДТ - датчик тока;

-       СЗ - схема защиты;

-       ТСД - токостабилизирующий двухполюсник;

-       RГ - гасящее сопротивление;

-       RН - сопротивление нагрузки.

Рисунок 1.5 - Структурная схема стабилизатора с регулированием на стороне переменного тока

Рисунок 1.6 - Структурная схема непрерывного последовательного стабилизатора напряжения с защитой от превышения по току нагрузки

Рисунок 1.7 - Структурная схема импульсного последовательного стабилизатора (понижающего типа)

Рисунок 1.8 - Структурная схема импульсного параллельного стабилизатора (повышающего типа)

Рисунок 1.9 - Структурная схема импульсного последовательного инвертирующего стабилизатора

2. Анализ технического задания и разработка структурной схемы источника питания

.1 Регулирующий элемент

После выбора и обоснования структурной схемы стабилизатора выбираем принципиальные схемы функциональных узлов, входящих в выбранную структурную схему стабилизатора. При этом необходимо решить, с помощью каких элементов выполнялись бы функции, возложенные на функциональные узлы, входящие в структурную схему стабилизатора.

Примеры выбора принципиальных схем и анализ их приведен ниже.

В состав компенсационного стабилизатора напряжения любого типа входят следующие основные функциональные узлы: регулирующий элемент, устройство сравнения (УС или ЭС), усилитель постоянного тока (УПТ).

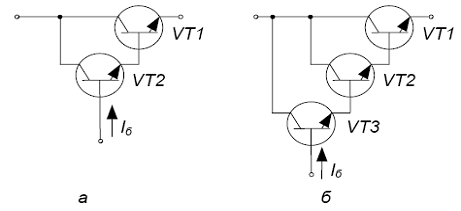
Регулирующий элемент в компенсационном стабилизаторе напряжения выполняется, как правило, на составных транзисторах, схемы которых приведены на рисунках 2.1.

Рисунок 2.1 - Регулирующие составные транзисторы

Число включаемых транзисторов зависит от их коэффициентов передачи тока и заданного тока нагрузки стабилизатора. Для схемы на рисунок 2.1, а состоящей из двух транзисторов, статический коэффициент передачи тока составного каскада равен

,       (2.1)

а напряжение насыщения

,      (2.2)

Для схемы из трех транзисторов (рис. 2.1, б):

,      (2.3)

.    (2.4)

В приведенных выше формулах индексами 1, 2, 3 обозначены соответствующие параметры транзисторов VТ1 VT2, VT3. При расчете коэффициента стабилизации компенсационного стабилизатора напряжения удобно пользоваться коэффициентом усиления по напряжению µТ (при постоянном коллекторном токе Ik - const), который определяется по входным и выходным характеристикам транзисторов, как показано на рисунках 2.2.

Рисунок 2.2 - Типовые вольтамперные характеристики транзистора

Статический коэффициент передачи напряжения или коэффициент усиления по напряжению транзистора:

       (2.5)

Тогда для оставного транзистора, состоящего из двух транзисторов (рис.2.1,а), коэффициент усиления по напряжению будет:

; (2.6)

для оставного транзистора из трех транзисторов (рис. 2.1, б);

.       (2.7)

Кроме коэффициентов усиления транзистора характеризуются входным h11Э, внутренним riT и коллекторным rK сопротивлениями, которые определяются следующим образом:

входное сопротивление транзистора h11Э определяется по входным характеристикам

,         (2.8)

- дифференциальное сопротивление коллекторного перехода:

,   (2.9)

где h22 - выходная проводимость транзистора,

внутреннее сопротивление транзистора:

.        (2.10)

Тогда входное внутреннее и коллекторное сопротивления для составного транзистора, состоящего из двух транзисторов (рисунок 2.1, a), будут равны

,     (2.11)

,          (2.12)

;   (2.13)

для составного транзистора, состоящего из трех транзисторов (рисунок 2.1, б)

, (2.14)

  (2.15)

             (2.16)

2.2 Схемы сравнения и усилители постоянного тока

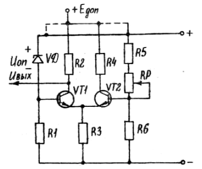
Схемы сравнениям усилители постоянного тока выполняются на транзисторах. Поэтому они одновременно с формированием сигнала рассогласования осуществляют его предварительное усиление. На рисунках 2.3, 2.4 приведены примеры схем сравнения, выполненные на одном транзисторе (рисунок 2.3) и на двух транзисторах (рисунок 2.4) - дифференциальная схема сравнения.

Рисунок 2.3 - Схема сравнения, выполненная на одном транзисторе

Каждая из приведенных схем сравнения (рисунках 2.3, 2.4) содержит делитель напряжения (RP, R3, R4 на рис. 2.3 и R5, R6, RP на рисунке 2.4), источник опорного (эталонного) напряжения UОП, который обычно выполняется на стабилитроне, и дополнительный источник напряжения ЕДОП, необходимый для обеспечения нормального режима работы транзистора. В некоторых случаях питание транзисторов осуществляют от выходного напряжения компенсационного стабилизатора напряжения, что позволяет исключить ЕДОП (такие соединения на рисунках 2.3, 2.4 показаны пунктирной линией).

В тех случаях, когда предварительного усиления недостаточно для получения заданного коэффициента стабилизации, включают дополнительные каскады усиления. На вход этих усилителей постоянного тока поступает усиленный сигнал рассогласования, а выход соединяется с базой регулирующего транзистора.

В тех случаях, когда требуется высокая температурная стабильность компенсационного стабилизатора напряжения и малый временной дрейф (особенно при низких выходных напряжениях), применяют более сложные дифференциальные схемы сравнения (рисунок 2.4).

Рисунок 2.4 - Дифференциальная схема сравнения

2.3 Типовые схемы компенсационных стабилизаторов напряжения

Имея принципиальные схемы функциональных узлов стабилизатора, можно составить принципиальную схему стабилизатора напряжения в целом.

Типовая схема стабилизатора напряжения с последовательным включением регулирующего элемента приведена на рисунке 2.5. В этой схеме конденсатор СОС предназначен для повышения устойчивой работы компенсационного стабилизатора напряжения за счет уменьшения коэффициента усиления усилителя постоянного тока по переменному напряжению, а конденсатор СН - для улучшения переходных характеристик и повышения степени устойчивости компенсационного стабилизатора напряжения. Резисторы, соединяющие минусовую шину источника питания UП с базами регулирующих составных транзисторов, предназначаются для компенсации обратных токов транзисторов (R3 на рисунке 2.5).

С целью повышения коэффициента стабилизации компенсационного стабилизатора напряжения часто применяют вместо ЕДОП токостабилизирующий двухполюсник (ТСД), выполненный на транзисторе VT1, резисторах R1, R2 и стабилитроне VD1 (рисунок 2.5). Иногда в стабилизаторах вместо VD1 включают один или два диода в прямом направлении. Применение ТСД вместо ЕДОП приводит к небольшому

увеличению минимально допустимого входного напряжения на компенсационный стабилизатор напряжения.

Для повышения качества выходного напряжения в усилителях постоянного тока стабилизатора применяются операционные усилители, которые обладают большим коэффициентом усиления и малым температурным уходом. Питание операционного усилителя может осуществляться непосредственно от выходного напряжения стабилизатора.

Рисунок 2.5 - Типова схема стабилизатора постоянного напряжения с последовательным включением регулирующего транзистора

Основными показателями качества выходного напряжения компенсационного стабилизатора напряжения являются коэффициент стабилизации KСТ по изменению напряжения питания UП, внутреннее сопротивление rн нестабильности от изменения напряжения дополнительного источника ∆UП.ДОП. и температуры ∆UН.Т. Величины KСТ и rН для стабилизаторов, представленных на рисунке 2.5, равны

,       (2.17)

,   (2.18)

где rН.Т =0;

h11э, riT, µТ - входное и внутреннее сопротивление, а также коэффициент усиления по напряжению составного транзистора;0, rТ.Д, r - внутреннее сопротивление источника питания UП, токостабилизирующего двухполюсника (ТСД) и транзистора УПТ;Н - коэффициент передачи цепи обратной связи, равный произведению коэффициентов передачи УПТ и делителя выходного напряжения.

Нестабильность выходного напряжения компенсационного стабилизатора напряжения при изменениях напряжения дополнительного источника, питающего коллекторную цепь транзистора, равна

.       (2.19)

Величина температурной нестабильности ∆Uh.t определяется в основном температурным уходом напряжения эмиттер-база транзистора первого каскада УПТ, источника опорного напряжения и делителя выходного напряжения. Для получения минимального значения ∆Uh.t необходимо:

в делитель выходного напряжения применять термостабильные резисторы (ПТМН, С5-22, C2-3I);

первый каскад УПТ выполнять на дифференциальном усилителе с использованием двух транзисторов, выполненных на одном кристалле (KIHT591) или операционном усилителе;

применять термокомпенсированные стабилитроны типа Д818E, КС 196Г. Обеспечить малое значение ∆Uh.t можно также применением термочувствительных резисторов в делителе выходного напряжения или р-п переходов. Недостатком данного метода является то, что требуется многократная регулировкам иногда и подбор элементов, что значительно увеличивает трудоемкость регулировки стабилизаторов и поэтому такой метод термокомпенсации применяется редко.

В результате исследования существующих схемотехнических решений для построения источников питания, выбрана структурная схема, которая приведена на рисунке 2.6.

Рисунок 2.6 - Структурная схема непрерывного последовательного стабилизатора напряжения

Перечень элементов структурной схемы:

- РЭ - регулирующий элемент;

 ИЭ - измерительный элемент;

УПТ - усилитель постоянного тока;

-  - сопротивление нагрузки;

- - номинальное напряжение.

3. Расчет компенсационного стабилизатора напряжения первого канала

.1 Расчет регулирующего элемента

В качестве регулирующего элемента предварительно выбираем схему составного транзистора, состоящего из двух транзисторов.

Определим величину минимально допустимого входного напряжения:

где UВЫХ.МАКС - напряжение на нагрузке; UКЭ - напряжение насыщения регулирующего транзистора (обычно принимается 3…5В для кремневых транзисторов); UВХ~ - максимальный уровень пульсаций входного напряжения стабилизатора.

В (3.2)

 В               (3.3)

Номинальное и максимальное значения напряжения на входе стабилизатора с учетом колебания питающей сети ±20%

В     (3.4)

Максимальное падение напряжения на регулирующем транзисторе при условии срабатывания защиты от перегрузки по току равно максимальному значению входного напряжения

В     (3.5)

Максимальный ток через регулирующий транзистор принимаем равным току срабатывания защиты от перегрузки

                  (3.6)

Максимальная мощность рассеяния на транзисторе VT1

Вт      (3.7)

В качестве регулирующего элемента принимаем схему составного транзистора, в которой VT1 транзистор типа КТ503А со следующими параметрами:

коэффициент передачи тока h21Э = 120;

максимально допустимое постоянное напряжение коллектор-эмиттер UКЭ.МАКС =0,6 В;

максимально допустимый постоянный ток коллектора IК.МАКС=150А;

максимально допустимая рассеиваемая мощность с теплоотводом PМАКС = 200 Вт;

тепловой ток IКЭ0=10 мА.типа 2Т947А со следующими параметрами:

коэффициент передачи тока h21Э = 65

максимально допустимое постоянное напряжение коллектор-эмиттер UКЭ.МАКС =10 В;

максимально допустимый постоянный ток коллектора IК.МАКС = 1,5 А;

максимально допустимая рассеиваемая мощность с теплоотводом PМАКС = 10 Вт;

тепловой ток IКЭ0=50 мкА.

Базовый ток транзистора VT1

А               (3.8)

Базовый ток транзистора VT2

.        (3.9)

Для обеспечения нормальной работы стабилизатора без нагрузки переход база-эмиттер транзистора VT1 зашунтируем резистором сопротивлением

,             (3.10)

мощность этого резистора

,                 (3.11)

а VT2

,    (3.12)

мощность этого резистора

.                   (3.14)

Выбираем шунтирующие резисторы типа МЛТ-0,125-68 Ом и МЛТ-0,125-1,3кОм

3.2 Источник опорного напряжения

Источник опорного напряжения построим по схеме параметрического стабилизатора, питающегося от выходного напряжения. Схема источника опорного напряжения вместе с измерительным элементом, элементом сравнения и усилителем постоянного тока приведена на рис. 2.3. Он выполнен на стабилитроне VD1 и балластном резисторе RБ.

Выбираем стабилитрон типа КС133A со следующими параметрами:

напряжение стабилизации UСТ = 3,2 В;

разброс напряжения стабилизации ±0,5%;

минимальный ток стабилизации IСТ.МИН =3 мА;

максимальный ток стабилизации IСТ.МАКС = 81 мА

дифференциальное сопротивление RД = 65 Ом;

температурный коэффициент напряжения стабилизации αТКН = 0,11 %°С;

максимально допустимая рассеиваемая мощность PСТ = 0,3 Вт.

Величина балластного резистора при токе стабилизации IСТ = 10 мА

.   (3.15)

Мощность, выделяемая на балластном резисторе

.        (3.16)

Выбираем резистор типа МЛТ-0,1-5,2 кОм.

3.3 Измерительный элемент

В качестве измерительного элемента используем делитель напряжения на резисторах RД1, RД2 и RД3 (рис. 2.3). Задаемся током делителя IД = 4,9 мА. Коэффициенты передачи делителя при возможности подстройки напряжения в пределах ±5 В

,                (3.17)

.                (3.18)

Суммарное сопротивление делителя

.          (3.19)

Сопротивление нижнего плеча делителя

.     (3.20)

Сопротивление верхнего плеча делителя

. (3.21)

Переменное сопротивление

.     (3.22)

Определяем мощности резисторов делителя напряжения

,      (3.25)

,      (3.26)

.     (3.27)

Выбираем резисторы для делителя:

RД1 типа МЛТ-0,125-4,7 кОм;Д2 типа СП3-23-0,125-390 Ом;Д3 типа МЛТ-0,125-1 кОм.

3.4 Расчёт усилителя сигнала рассогласования

Элемент сравнения и усилитель постоянного тока выполним на транзисторе VT1 (рис.2.3).

Задаемся максимальным коллекторным током усилительного транзистора IК.МАКС = 10 мА. Определяем напряжение коллектор-эмиттер усилительного транзистора

.        (3.28)

Максимальная мощность, рассеиваемая на транзисторе

.        (3.29)

В качестве усилительного транзистора VT1 выбираем транзистор типа КТ503Б со следующими параметрами:

коэффициент передачи тока h21Э = 80

максимально допустимое постоянное напряжение коллектор-эмиттер UКЭ.МАКС = 60 В;

максимально допустимый постоянный ток коллектора IК.МАКС =150 мА;

максимально допустимая рассеиваемая мощность с теплоотводом PМАКС = 350 мВт.

Для повышения устойчивости работы стабилизатора переход база коллектор усилительного транзистора шунтируем керамическим конденсатором емкостью 0,1 мкФ типа КМ-5.

.5 Расчёт токостабилизирующего двухполюсника

Для улучшения характеристик стабилизатора в схему введем токостабилизирующий двухполюсник на элементах VT2, VD2, VD3 RЭ и RБ (рис.2,5, б).

Выходной ток токостабилизирующего двухполюсника

.      (3.30)

Напряжение коллектор-эмиттер транзистора VT1 не превышает максимального входного напряжения стабилизатора UКЭVT1 = UВХ.МАКС= =37,64 В.

Максимальная мощность рассеяния транзистора VT1

.   (3.31)

Для токостабилизирующего двухполюсника выбираем транзистор типа КТ502Г со следующими параметрами:

коэффициент передачи тока h21Э ≥ 30;

максимально допустимое постоянное напряжение коллектор-эмиттер КЭ.МАКС =15 В;

максимально допустимый постоянный ток коллектора IК.МАКС = 0,01 А;

максимально допустимая рассеиваемая мощность PМАКС = 1 Вт.

Ток базы транзистора VT1

.           (3.32)

Задаемся током по цепи VD5-VD6-RБ

.     (3.33)

Принимаем IVD5 = 10 мА.

Выбираем диоды VD5 и VD6 типа КД521В со следующими параметрами:

максимально допустимый средний прямой ток IПР.СР = 50 мА;

максимально допустимое постоянное обратное напряжение ОБР.МАКС = 50 В.

Сопротивление резистора

.(3.34)

Мощность, рассеиваемая на резисторе RБ

.       (3.35)

Выбираем резистор RБ типа МЛТ-0,5-4,3 кОм.

Напряжение на резисторе RЭ

.      (3.36)

Ток через резистор RЭ

.          (3.37)

Сопротивление резистора RЭ

.          (3.38)

Мощность, рассеиваемая на резисторе RЭ

. (3.39)

Выбираем резистор RЭ типа МЛТ-0,125-30 Ом.

3.6 Расчёт схемы защиты от перегрузки по току

Схема защиты от перегрузки по току приведена на рис.3.1.

Рисунок 3.1 - Схема защиты от перегрузки по току

Ток срабатывания защиты

.

Напряжение на шунте при токе IМАКС принимаем равным

.

Сопротивление шунта

.           (3.40)

Мощность шунта

.          (3.41)

Переменный резистор RШ2 предназначен для возможности подстройки тока срабатывания защиты. Сопротивление этого резистора должно быть во много раз большим, чем сопротивление шунта RШ1, чтобы ток, протекающий по нему, не влиял на ток протекающий по шунту.

Принимаем RШ2 = 120 Ом.

Выбираем резисторы:

для шунта RШ1 соединяем параллельно два прецизионных резистора

С5-16МВ-5-0,7 Ом; RШ2 - СП5-2 - 120 Ом.

3.7 Выходной фильтр

Емкость конденсатора С на выходе стабилизатора определяется по формуле

,(3.42)

где fh21БРЭ − предельная частота коэффициента передачи тока регулирующего транзистора.

3.8 Расчёт КПД стабилизатора

Номинальный и минимальный КПД стабилизатора находим из выражений

, (3.43)

.  (3.44)

4. Расчет выпрямителя первого и второго канала

.1 Выпрямитель первого канала

Обратное напряжение вентилей

.             (4.1)

Среднее значение тока вентиля

.              (4.2)

Выбираем диоды типа КД202Г со следующими параметрами:

максимальный прямой ток Iпр=3,5 А;

напряжение переключения Um=100 В;

прямое падение напряжения 1 В.

Рассчитаем фильтр выпрямителя первого канала. Используем однозвенный LC-фильтр. Для выпрямленного напряжения U=5 В и амплитуды пульсаций 0,2 В коэффициент пульсаций определяется так

.              (4.3)

Коэффициент фильтрации фильтра определяется по выражению

. (4.4)

Определяем величину LC.

. (4.5)

Эквивалентное сопротивление нагрузки канала

.               (4.6)

Индуктивность дросселя фильтра

. (4.7)

Выбираем дроссель типа Д255Т со следующими параметрами:

индуктивность L=0,05 Гн;

номинальный ток подмагничивания IН=6,3 А.

Емкость конденсатора фильтра

.             (4.8)

Выбираем конденсатор типа К50-18 со следующими параметрами:

номинальное напряжение U=100 В;

допустимая амплитуда переменного напряжения Um=5%;

номинальная емкость 15000 мкФ -20 +50%.

4.2 Выпрямитель второго канала

Выпрямитель второго канала выполняем по нулевой схеме с LC-фильтром. Расчет производим по выражениям, приведенным в [6]. Значение выходного напряжения выпрямителя Ud=250 B. Ток нагрузки Id=0,05А.

Обратное напряжение вентилей

.             (4.9)

Среднее значение тока вентиля

.                  (4.10)

Выбираем диоды типа КД105Б со следующими параметрами:

максимальный прямой ток Iпр=0,3 А;

напряжение переключения Um=400 В;

прямое падение напряжения 1 В.

Рассчитаем фильтр выпрямителя второго канала. Используем однозвенный LC-фильтр. Для выпрямленного напряжения U=250 В и амплитуды пульсаций 25В коэффициент пульсаций определяется так

.               (4.11)

Коэффициент фильтрации фильтра определяется по выражению

. (4.11)

Определяем величину LC.

.       (4.12)

Эквивалентное сопротивление нагрузки канала

.            (4.13)

Индуктивность дросселя фильтра

.      (4.14)

Выбираем дроссель типа Д-5-0,08со следующими параметрами:

индуктивность L=5,0 Гн;

номинальный ток подмагничивания IН=0,08 А.

Емкость конденсатора фильтра

.            (4.15)

Выбираем конденсатор типа К50-27 со следующими параметрами:

номинальное напряжение U=300 В;

допустимая амплитуда переменного напряжения Um=5%;

номинальная емкость 2…20 мкФ +50 -20%.

5. Расчет понижающего трансформатора

.1 Напряжения вторичных обмоток

                 (5.1)

        (5.2)

.2 Действующее значение тока вторичных обмоток

        (5.3)

            (5.4)

.3 Коэффициент трансформации силового трансформатора

                 (5.5)

                (5.6)

.4 Действующее значение тока первичной обмотки

.(5.7)

.5 Типовая мощность трансформатора

  (5.8)

Определяем произведение SСТSОК

,       (5.9)

где SСТ - средняя площадь сечения магнитной цепи, см2; ОК - площадь окна магнитопровода, см2 ;С - частота сети, Гц; - амплитуда магнитной индукции, Тл; - плотность тока в проводах обмоток, А/мм2;М - коэффициент заполнения медью окна магнитопровода; С - коэффициент заполнения сталью площади поперечного сечения стержня магнитопровода;

η - к. п. д.=50 Гц; для броневых и стержневых трансформаторов, выполненных на пластинчатых магнитопроводах из горячекатаной стали, индукция в стержне магнитопровода B=1,3 Тл; плотность тока 2,5 А/мм2; kМ = 0,38; kC = 0,89.

.

Выбираем магнитопровод типа ШЛ25×50 сечением, для которого SСТSОК=195см2.

.6 Число витков первичной обмотки

.    (5.10)

5.7 Число витков для вторичной обмотки первого канала

. (5.11)

.8 Число витков для вторичной обмотки второго канала

(5.12)

Так как второй канал выполняется по двухполупериодной схеме с нулевой точкой, то таких обмоток две.

.9 Выбор проводов для обмоток трансформатора

Токи, протекающие по первичным и вторичным обмоткам первого канала, второго канала имеют соответственно следующие значения:

Диаметр проводов обмоток трансформатора определяем по выражению

.               (5.13)

Диаметр провода для обмотки первого канала

.

Диаметр провода для обмотки второго канала

.

Диаметр провода первичной обмотки

.

Для намотки обмоток трансформатора выбираем провод типа ПЭВ-2. Диаметр провода с изоляцией для вторичных обмоток:

w21 - 3 мм;22 - 0,2 мм;1 -0,45 мм.

6. Выбор вспомогательных устройств

.1 Индикация сетевого напряжения

Индикация сетевого напряжения осуществляется с помощью неоновой лампы HL1. Последовательно лампе HL1 включаем балластный резистор типа МЛТ-1 сопротивлением 150 кОм.

6.2 Индикация выходного напряжения

Для индикации выходного напряжения используется светодиод типа АЛ307В зеленого свечения и максимальным током 20 мА. Для задания тока через светодиод включен балластный резистор, который обеспечивает ток через светодиод 10 мА. Сопротивление резистора

.       (6.1)

Мощность, рассеиваемая на резисторе RЭ

. (6.2)

Выбираем резистор RЭ типа МЛТ-0,25-1,3 кОм.

6.3 Выбор сетевого выключателя

Выбираем сетевой выключатель типа ТВ1-1 со следующими параметрами:

коммутируемый ток 0,001… 20 А;

коммутируемое переменное напряжение 1,6…250 В;

6.4 Выбор предохранителя

Выбираем предохранитель FU1 типа ВП на ток 20 А.

Заключение

В процессе курсового проектирования были достигнуты такие цели по разработке двухканального источника питания постоянного тока:

выбрано схемное решение для построения ИВЭП,

разработана структурная схема (приложение А),

рассчитан стабилизатор первого канала с такими параметрами:

а) Uвых = 5 В, Iвых = 20 A;

б) коэффициент полезного действия η = 0,47;

рассчитан выпрямитель первого канала на диодах типа КД202Г;

рассчитан выпрямитель второго канала на диодах типа КД105Б;

рассчитаны параметры трансформатора;

индикация сетевого напряжения осуществляется с помощью неоновой лампы HL1 типа TH-0,3;

сетевой предохранитель типа ВП.

Полученные в ходе выполнения курсового проектирования знания и навыки будут использованы в дальнейшем для выполнения других курсовых проектов и лабораторных работ, а также для будущей инженерной и научной деятельности.

Перечень ссылок

1. Методические указания к курсовой работе по электротехнике и микросхемотехнике на тему «Источники электропитания» (для студентов специальности 6.092501) / Сост. А.Н. Баранов, Д.В. Кобец, А.С. Садовский. - Алчевск, ДонГТУ, 2012. - 64 с.

. Назаров С.В. Транзисторные стабилизаторы напряжения. - М.: Энергия, 1980. - 96с.

. Полупроводниковые приборы: Транзисторы. Справочник/ В.А. Аронов, А.В. Баюнов, А.А. Зайцев и др. Под общ. ред. Н.Н. Горюнова. - М.: Энергоиздат, 1982. - 904с.

. Резисторы: (справочник) Ю.Н. Андреев, А.И. Антонян, Д.М. Иванов и др. Под общ. ред. И.И. Четверткова. - М.: Энергоатомиздат, 1981. - 352с.

. Полупроводниковые приборы: Диоды, тиристоры, онтоэлектронные приборы. Справочник / А.В. Баюнов, А.Б. Гитцевич, А.А. Зайцев и др.; под общ. ред. Н.Н. Горюнова. - М.: Энергоиздат, 1982. - 744с.

. Справочник по электрическим конденсаторам / М.Н. Дьяконов, В.И. Карабанов, В.И. Присняков и др. Под общ. ред. И.Н. Четверткова и В.Ф. Смирнова. - М.: Радио и связь, 1983. - 576с.

. Малогабаритные трансформаторы и дроссели: Справочник/ И.Н. Сидоров, В.В. Мукосеев, А.А. Христинин. - М.: Радио и связь, 1985. - 416с.

. Коммутационные устройства радиоэлектронной аппаратуры / Г.Я. Рыбин, Б.Ф. Ивакин, Н.В. Вьюков и др., Под общ. ред. Г.Я. Рыбина. - М.: Радио и связь, 1985. - 264с.

Приложение А

Рисунок А.1 - Принципиальная электрическая схема источника питания

Приложение Б

Таблица Б.1 - Перечень элементов

Поз. обозначение

Наименование

Кол

Примечание

A1

Стабилизатор напряжения

1



Конденсаторы



C1

КМ-5-0,1мкФ

1


C2

К50-32А-15000 мкФ-16В

1


C3

К50-20-2..20 мкФ-350В

1



Резисторы



R1

МЛТ-0.125-68 Ом

1


R2

МЛТ-0.125-1.3 кОм

1


R3

МЛТ-0.125-52 кОм

1


R4, R5

С5-16МВ-5-0,7 Ом

2


R6

МЛТ-0.125-47 Ом

1


R7

МЛТ-0.125-1кОм

1


R8

МЛТ-0. 5-4.3 кОм

1


R9

МЛТ-0,125-30 Ом

1


R10

СП3-23-0,125-390 Ом

1


R11

С5-2-120 Ом

1



Полупроводниковые приборы



VD1-VD3

КС168А

3


VD4,VD5

КД521В

2


VT1

ТК142-50

1


VT2

КТ815Б

1


VT3

КТ503Б

1


VT4

КТ604Б

1


L1

Дроссель Д269



A2

Выпрямитель второго канала



VD1,VD2

Диод КД205Г

2


L1

Дроссель Д-5-0,08

1


C1

Конденсатор К50-20

1


TV1

Трансформатор ПЭВ 220В -50Гц

1


R1

Резистор МЛТ-0,5-4,0 кОм

1


FU1

Предохранитель ВП-1,8 А

1


S1

Выключатель ПКН4-2

1


HL1

Лампа МН-5

1



Похожие работы на - Проектирование источника вторичного электропитания

 

Не нашли материал для своей работы?
Поможем написать уникальную работу
Без плагиата!
Без нейросетей!