Разработка системы электропитания на основе импульсного преобразователя напряжения

  • Вид работы:
    Дипломная (ВКР)
  • Предмет:
    Физика
  • Язык:
    Русский
    ,
    Формат файла:
    MS Word
    1,03 Mb
  • Опубликовано:
    2011-06-24
Вы можете узнать стоимость помощи в написании студенческой работы.
Помощь в написании работы, которую точно примут!

Разработка системы электропитания на основе импульсного преобразователя напряжения

1. Задание на курсовое проектирование

Задание

Разработать систему электропитания на основе импульсного преобразователя напряжения (ИПН)

Исходные данные

Параметры источника энергии постоянного тока

1.       ЕДС источника энергии и диапазон ее измерения (в% от значения Е)

=.

.        Внутреннее активное сопротивление источника энергии и диапазон его измерения (в% от значения): .

.        Длина кабельной сети: .

Выходные параметры

1.       Напряжение на выходе и диапазон его изменения (в% от значения):

.

.        Амплитуда переменной, составляющей напряжение на выходе (в% от значения ): .

.        Максимальная мощность нагрузки, подключаемой к выходу

.

4.       Минимальная мощность нагрузки, подключаемой к выходу

.

Внешние условия

Температура окружающей среды : t = -20 … +40

Особые требования

Проектирование вести из условия обеспечения минимума массы и габаритов.

2. Цели и задачи курсового проектирования

электропитание кабель напряжение силовой

Целью курсового проектирования является разработка системы электропитания на основе импульсного преобразователя напряжения (ИПН). Развитие таких преобразователей было обусловлено необходимостью повышения КПД, уменьшения массы и объема систем электропитания. ИПН сочетаются с различными типами первичных источников энергии: солнечными и аккумуляторными батареями, топливными элементами, дизель-генераторными установками и являются составной частью большинства систем бесперебойного электроснабжения. ИПН, работающие с частотами переключения от десятков до сотен килогерц, являются основой построения большинства источников вторичного электропитания для ЭВМ и систем связи. В ходе выполнения курсового проектирования находят практическое применение теоретические знания, полученные при изучении курса «Электроника и микросхемотехника», изучаются принципы построения, расчета и выбора элементов и функциональных узлов, разработки структурных, принципиальных схем, а также приобретаются навыки по использованию специальной и справочной литературы.

Структура систем электропитания с ИПН делится на непрерывную и импульсную части. В непрерывную часть входят силовой LC-фильтр, цепь отрицательной обратной связи, активные и пассивные частотно-зависимые цепи, трансформаторы. Исследование этих элементов и функциональных узлов и расчет их параметров проводится с учетом воздействия на них последовательности импульсов, формируемых силовым ключом. В импульсную часть входят элементы и функциональные узлы, обеспечивающие как процесс импульсного преобразования энергии, так и процесс формирования управляющего сигнала. Элементный состав этих функциональных узлов довольно разнороден. Расчет параметров и выбор элементов проводится с учетом внешних воздействий исходя из выполнения задания на курсовое проектирование.

3. Выбор структурной схемы системы электропитания (СЭП)

Структура системы электропитания в основном определяется требованиями ТЗ, а именно: видом и характеристиками первичного источника энергии, количеством выходов для подключения нагрузки, потребляемой мощностью и качеством напряжения на каждом выходе. Кроме того, на структуру СЭП влияют условия окружающей среды, а также требования по ТЗ по простоте и технологичности конструкции СЭП.

Согласно исходным данным количество выходов СЭП для подключения нагрузки равно одному, следовательно, выбираем СЭП, в состав которой входят:

1.       первичный источник энергии постоянного тока (ИП)

2.       кабельная сеть (КС)

.        входной фильтр (Фвх)

.        импульсный стабилизатор напряжения (ИСН)

Общий вид структурной схемы системы электропитания приведен на рис. 1.

Рисунок 1 - Структурная схема системы электропитания



4. Выбор марки кабеля и расчет параметров кабельной сети

Ориентировочное значение максимального тока:

                                                                                     (4.1)

где hориент = 0.8 - 0.9 - ориентировочный КПД для СЭП с источником постоянного тока

Pн.max - максимальная мощность нагрузки

Emin - минимальная ЭДС источника питания

                       

Ориентировочное сечение жилы кабеля:

                                                                                   (4.2)

где j - плотность тока

Iкс.ор.max - ориентировочное значение максимального тока

Рекомендуемое значение плотности тока для медной жилы: jм=5¸10 А/мм2

                                                                  

Выбранная марка кабеля: 2 x 1.5 ПВС (провод для бытовых электротехнических устройств)

Активное сопротивление кабельной сети при температуре t=20o:

= Ом                                             (4.3)

где Sкаб - сечение жилы кабеля

=0.01776 Ом мм2/м - удельное сопротивление медной жилы

Lкс - длинна кабельной сети

Зависимость сопротивления кабеля от температуры:

                                                                           (4.4)

где - температурный коэффициент (для меди м=0.004).

 Ом.

 Ом.

Индуктивность КС:

 

                                                                  (4.5)

где =1.05-1.02 - коэффициент, учитывающий взаимовлияние жил кабеля;

d - расстояние между осями жил кабеля;

- радиус жилы;

=1.25·10-6 Гн/м - магнитная постоянная провода.

 мм

 мм

=3.27·10-6 Гн.

5. Расчет минимального и максимального напряжений на входе исн

вх = E - Iвх (R вн+ Rкс),                                                                      (5.1)

где Uвх - напряжение на входе ИСН, Iвх - ток входа ИСН,

Е - ЭДС источника энергии,вн - внутреннее сопротивление,кс - сопротивление КС.

Внешней характеристике Uвх=f1(Iвх) соответствует мощностная характеристика Pвх=f2(Iвх), определяемая выражением:

вх=IвхUвх.                                                                                         (5.2)

КПД ИСН (Таблица 1): η=0.83÷0.88, η=0.83.

Таблица 1 - Ориентировочные значения КПД ИСН


Минимальная и максимальная входная мощность ИСН:

                                                                                            (5.3) 

где h - коэффициент полезного действия ИСН.


Для построения внешних характеристик СЭП с источником постоянно тока, используют следующие уравнения:

                   (5.4)


Для построения мощностной характеристики используют следующие уравнения:

                                                                          (5.5)


Построенные внешние и мощностные характеристики СЭП приведены на рис. 2.

Рисунок 2 - Внешние и мощностные характеристики СЭП


В соответствии с рис. 2 определяем:


6. Расчет величины индуктивности и выбор дросселя входного LC - фильтра

Выбор частоты и периода преобразования

Выбираем частоту преобразования из диапазона 50÷100 кГц: f=50 кГц. Тогда период преобразования:

 

Величина индуктивности дросселя, обеспечивающего режим непрерывного тока дросселя

 

                                                               (6.1)

где Uвых - выходное напряжение ИСН

Uвх.max - максимальное входное напряжение ИСН

Iн.min - минимальный ток нагрузки

 

 


Для выбора типономинала дросселя необходимо определить величину индуктивности , которую будет иметь дроссель с индуктивностью  при номинальном токе нагрузки. Для этого определяют кратность изменения  тока нагрузки (тока подмагничивания дросселя):

 

                                                                                     (6.2)

где Iн.max - максимальный ток на нагрузке

Iн.min - минимальный ток на нагрузке

По графической зависимости (рис. 3), исходя из , определяют кратность изменения индуктивности :

Рисунок 3 - графическая зависимость для определения KL


Значение индуктивности при номинальном токе подмагничивания:

 

                                                                                            (6.3)

где Lm - величина индуктивности дросселя, обеспечивающая режим непрерывного тока дросселя

KL - кратность изменения индуктивности       


Выбираем дроссель с учетом тока подмагничивания (Таблица 2)

Таблица 2 - Подбор дросселя серии Д13

(+) - параллельное соединение обмоток дросселя;

(-) - последовательное соединение обмоток дросселя.

Выберем один дроссель Д 13 - 22 (0.02 мГн)

Параметры дросселей серии Д13 приведены в табл. 3 (лист 12)

Таблица 3 - Параметры дросселей серии Д13


Условие обеспечения непрерывного тока дросселя:

                                                                (6.4)

где Uвых - выходное напряжение ИСН

Uвх.1 - максимально возможное напряжение на входе ИСН при максимальной мощности нагрузки.

Iн.max - максимальный ток нагрузки

T - период преобразования


Условие выполняется.

Максимальный коэффициент заполнения:

 

Минимальный коэффициент заполнения:

 

Наибольший коэффициент заполнения:



7. Выбор типономинала конденсатора и расчет их количества в батарее выходного фильтра ИСН

Конденсаторы выходного LC-фильтра ИСН (СП), объединенные в батарею, служат для сглаживания пульсаций напряжения на выходе ИСН до величины, заданной в техническом задании. При работе ИСН (СП) конденсаторы выходного фильтра находятся под воздействием постоянного напряжения, равного выходному, и переменного тока. При выборе типа конденсатора выходного фильтра необходимо учитывать, что его рабочее напряжение Ucдолжно быть больше напряжения на выходе Uвых:

Расчет фильтра:

 В                            (7.1)

Выбираем 3 модели конденсаторов, удовлетворяющих данному условию:

1.       К 50 - 3

U=25 B; C=500 мкФ; г;  мкс;  мкФ;

2.       К 50 - 12

U=25 B; C=500 мкФ; г; ;  мкФ;

3.       К 50 - 35

U=16 B; C=100 мкФ; г; ;  мкФ;

                                             (7.2)

Находим емкость батареи конденсаторов:

                                                                  (7.3)

                                  (7.4)


Выбираем один конденсатор К 50 - 35

8. Выбор типономинала конденсатора и расчет их количества в батарее входного фильтра ИСН

По таблице 4 и  В, определим

Таблица 4 - Допустимые значения амплитуды пульсации входного напряжения

Uвх.max, В

10 - 50

50 - 200

200 - 600

Uвх~, В

0.15 - 0.3

0.3 - 0.7

0.7 - 1.5


,                                                       (8.1)

Выбираем 3 конденсатора, удовлетворяющих данному условию:

1.       К 50 - 3

U=25 B; C=500 мкФ; г;  мкс;  мкФ;

2.       К 50 - 12

U=25 B; C=500 мкФ; г; ;  мкФ;

3.       К 50 - 35

U=16 B; C=100 мкФ; г; ;  мкФ;

 


Выбираем один конденсатор К 50 - 35

9. Расчет силового ключа ИСН

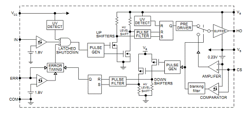
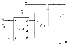
В ИСН был применен бутстрепный способ управления силовыми транзисторными ключами на основе драйверной микросхемы IR2125, выпускаемой фирмой International Rectifier (рис. 4, 5 (лист 16), рис. 6 (лист 17)). Драйвер представляет собой микросхему в стандартном корпусе (например, DIP-14). Входным сигналом служит сигнал микросхемы управления стандартной амплитуды логического уровня. На выходе драйвера имеются напряжения управления верхним силовыми транзистором. В драйвере приняты меры по обеспечению необходимых управляющих уровней, создан эквивалент гальванической развязки, имеются дополнительные функции - вход отключения, защита от пониженного напряжения питания, фильтр коротких управляющих импульсов.

Рисунок 4. Расположение выводов драйверной микросхемы IR2125

Рисунок 5. Функциональная схема драйверной микросхемы IR2125

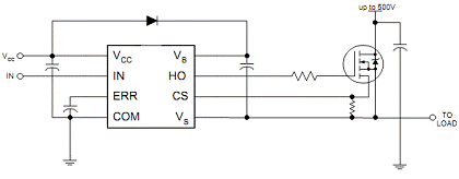
Рисунок 6. Типовая схема включения драйверной микросхемы IR2125


Краткие технические характеристики драйверной микросхемы IR2125:

·        Выходные каналы разработаны для нагруженного функционирования

·        Работоспособность до +600В

·        Нечувствительность к отрицательному переходному напряжению

·        Нечувствительность к dV/dt

·        Блокировка при снижении напряжения

·        5В КМОП триггеры Шмита на входах с привязочными резисторами к общему проводу

·        Обратная связь по контролю и ограничению тока для управления токопотреблением силового транзистора

·        Вывод Error сигнализирует об аварийном выключении и программирует время выявления отказа

·        Выход в фазе с входом

·        VOFFSET не более 600В

·        IO± 1 А / 2 А

·        VOUT 12 - 18В

·        VCS 230 мВ

·        ton/off (тип.) 150 / 150 нс

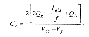
Величина бутстрепной емкости должна быть выбрана расчетным путем. Слишком маленькая емкость может разрядиться раньше времени и закрыть транзистор верхнего плеча. Слишком большая может не успевать заряжаться. При выборе СБ руководствуются следующими рекомендациями.

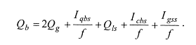
Основные факторы, влияющие на разряд бутстрепной емкости:

·        величина заряда затвора Qg;

·        ток потребления выходного каскада микросхемы в статическом режиме Iqbs;

·        циклическое изменение заряда драйвера Qls (5 нКл для 500/600-вольтовых драйверов и 20 нКл для 1200-вольтовых);

·        ток утечки затвора Igss;

·        ток утечки бутстрепного конденсатора Сь.

Минимальный заряд бутстрепного конденсатора определяется из выражения:

(9.1)


Разработчики рекомендуют применять в бутстрепных схемах конденсаторы с возможно малым током утечки (в идеале - танталовые). Кроме того, величина тока утечки затвора мала, поэтому перечисленные факторы учитывать нет смысла.

(9.2)

где Vcc - напряжение питания схемы управления;

Vf - падение напряжения на бутстрепном диоде (0,8… 1,0 В).

Полученное значение бутстрепной емкости является минимальным. Чтобы минимизировать риск от ненадежной работы схемы, разработчики рекомендуют умножить полученный результат на коэффициент 15.

Бутстрепный диод должен выдерживать обратное напряжение не менее, чем (UH + Vcc). Кроме того, он должен иметь возможно малый обратный ток и хорошие характеристики обратного восстановления. Рекомендуемое время обратного восстановления не должно превышать 100 нсек.

Вид итоговой схемы силового ключа на полевом транзисторе со схемой управления, основанной на драйверной микросхеме IR2125 представлен на рис. 7 (лист 19)

Рисунок 7. Схема силового ключа ИСН

Выбраны следующие элементы:

·        В качестве транзистора силового ключа (VT1): сильноточный полевой MOSFET транзистор IRFP 260 (International Rectifier)

·        В качестве бутстрепного диода (VD2): кремниевый импульсный диод КД522

·        В качестве бутстрепного конденсатора (C1): конденсатор электролитический танталовый серии СА-42с - 15 мкФ ± 5%

·        В качестве резистора R1: резистор P1-12 - 0.062 Вт - 24 Ом ± 5%

·        В качестве замыкающего диода: эпитаксиально-диффузионный кремниевый диод КД2999А

10. Структура схемы управления исн

Структура схемы управления (СУ) большинства ИСН, работающих в режиме ШИМ, соответствует приведенной на рис. 8. В ее состав входят источник опорного напряжения (ИОН), делитель напряжения (ДН), усилитель сигнала рассогласования по напряжению (УР), широтно-импульсный модулятор (ШИМ). Кроме того, на рис. 8 показано устройство питания схемы управления (УПСУ). С выхода схемы управления сигнал поступает на вход усилителя сигнала управления (УСУ) силовым ключом.

При общей структуре СУ схемотехнические решения отдельных устройств, входящих в СУ, очень разнообразны. Это зависит от критериев (минимизация собственного энергопотребления или количества электронных компонентов, повышение надежности и т.п.), выбранных разработчиком при проектировании СУ, элементной базы, использованной в СУ, а также опыта и квалификации разработчика.


Рисунок 8. Структура схемы управления ИСН


11. Устройство питания схемы управления

Наиболее часто в УПСУ применяют структуры с подключением через гасящее устройство и с предварительным накоплением энергии. Функциональная схема УПСУ с подключением через гасящее устройство (ГУ) к питающей сети приведена на рис. 9.

Рисунок 9. Функциональная схема УПСУ с подключением через гасящее устройство (ГУ)


В данной схеме роль ГУ выполняет параметрический стабилизатор напряжения выполненный на балластном резисторе Rб, конденсаторе С и стабилитроне VD. В ряде случаев, при незначительном диапазоне изменения входного напряжения, стабилитрон VD может быть исключен. Применение ГУ позволяет снизить уровень напряжения на входе непрерывного копменсационного стабилизатора напряжения (НКСН) до допустимого уровня.

Задаемся напряжением питания схемы Uп=5 ¸ 6В. Задаются током потребления схемы управления 20мА.

В качестве НКСН в данном проекте используется специализированная микросхема К142ЕН5Г с напряжением питания СУ: Uп ±DUп =6±0,21 В и Iпот=10мА (рис. 10).

Рисунок 10. Интегральный стабилизатор напряжения К142ЕН5Г


12. Широтно-импульсный модулятор (ШИМ)

Широтно-импульсный модулятор (рис. 11) включает в себя задающий генератор (ЗГ), генератор линейно-изменяющегося напряжения (ГЛИН), компаратор (К) и ограничитель длительности импульса (ОД) сигнала управления СК. Причем ОД применяется только в ШИМ схем управления однотактных СП для гарантированного запирания СК с целью размагничивания трансформатора, работающего в режиме одностороннего намагничивания.

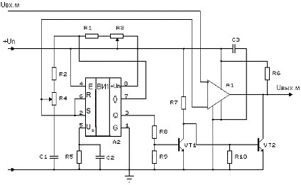
Рисунок 11. Широтно-импульсный модулятор



Основным элементом этого устройства является таймер КР1006ВИ1, который позволяет при малом количестве дополнительных элементов (резисторов, конденсаторов) реализовать мультивибратор с высокой стабильностью частоты работы. При этом схемотехническими приемами может быть обеспечена пилообразная форма напряжения Uc1 на времязадающем конденсаторе С1, что позволяет использовать это напряжение в качестве опорного напряжения компаратора ШИМ. Напряжение с выхода таймера (вывод 3) или открытый коллектор разрядного транзистора (вывод 7) могут использоваться для управления ОД. Работа такого мультивибратора и основные расчетные соотношения известны и подробно описаны.

Особенностью предлагаемого решения (рис. 12, лист 23) является включение в схему резистора R5. За счет этого резистора уменьшается «верхний» (Uв) и «нижний» (Uн) пороги переключения компараторов таймера. При этом уменьшается амплитуда пилообразного напряжения Uл на времязадающем конденсаторе С1 и его коэффициент нелинейности. Так, при амплитуде пилообразного напряжения Uл=1В и напряжении питания схемы управления Uп ³ 10В, коэффициент нелинейности пилообразного напряжения не превышает 10%, что приемлемо для большинства ШИМ.

Рисунок 12. Принципиальная схема ШИМ


13. Источник опорного напряжения

Источник опорного напряжения является важным элементом СУ. От стабильности напряжения Uоп на выходе ИОН в значительной мере зависит стабильность напряжения на выходе ИСН (СП). ИОН обычно выполняют по схеме параметрического стабилизатора напряжения (рис. 13).

Рисунок 13. Источник опорного напряжения


Выбираем стабилитрон 2С139Б

;   ; ;      TKU=0.0001%/C;

; ;

;

Сопротивление балластного резистора:

                                   (13.1)

Ближайшее сопротивление из стандартного ряда:

. - резистор P1-12 - 0.062 Вт - 360 Ом ± 5%


                                      (13.2)

                                 (13.3)

При этом должно выполняться условие:,  - условие выполняется.

                                               (13.4)

                                                             (13.5)

Находим изменение напряжения на стабилитроне:

Вызванное изменением тока через стабилитрон

                 (13.6)

Вызванное приращением температуры

                          (13.7)

Вызванное изменением тока через стабилитрон и его температуры

                               (13.8)

Для расчета делителя напряжения необходимы следующие значения напряжений:

;

14. Делитель напряжения

Делитель напряжения (ДН) (рис. 14) выполняет две функции. Во-первых, ДН уменьшает уровень информационного сигнала о величине напряжения на выходе ИСН (СП) до уровня напряжения ИОН. Во-вторых, ДН позволяет осуществить настройку уровня выходного напряжения ИСН (СП), т.е. обеспечить на выходе ИСН уровень напряжения, заданный в ТЗ. Это достигается путем изменения коэффициента передачи делителя напряжения Кд.

Рисунок 14. Делитель напряжения


15. Усилитель сигнала рассогласования

Усилитель сигнала рассогласования (УСР, рис. 15) выполняет функцию формирования и усиления сигнала рассогласования по напряжению. Величина коэффициента усиления УСР определяется из условия обеспечения статической ошибки стабилизации выходного напряжения ИСН, не превышающей заданную в ТЗ.

Рисунок 15. Усилитель сигнала рассогласования



; ; ; ;

Коэффициент передачи ДН находим следующим образом:

                                                                         (15.1)

Амплитуда пилообразного напряжения ШИМ:

                                                               (15.2)


Находим сопротивления :

задаём ток

;                                                (15.3)

Задаём ёмкость конденсаторов:

Конденсатор К10 - 17а - Н50 - 1мкФ ± 20%

Определяем общий коэффициент передачи:

                                                        (15.6)

                       (15.7)

                                                  (15.8)

Находим сопротивления :

; ;

; ;                      (15.9)

Резисторы:

P1-12 - 0.062 Вт - 3 кОм ± 5%

P1-12 - 0.062 Вт - 3,6 кОм ± 5%

P1-12 - 0.062 Вт - 7,5 кОм ± 5%

Находим сопротивления :

                                                                               (15.10)


Резистор: P1-12 - 0.062 Вт - 11 кОм ± 5%

Конденсатор: К10-17а - П33 - 2400пФ ± 20%

Принимаем в качестве усилителя А3, операционный усилитель 1401УД2.


Литература

1. Краснобаев, Ю.В. Проектирование систем электропитания: Учебное пособие по курсовому и дипломному проектированию для студентов электротехнических специальностей / Ю.В. Краснобаев, Е.Е. Носкова - Красноярск: ИПЦ КГТУ, 2000. - 100 с.

. Москатов, Е.А. Справочник по полупроводниковым приборам / Е.А. Москатов - 2-е изд., перераб. и доп. - Таганрог. - 219 с. http://www.moskatov.narod.ru/Reference_book.html

. Семенов, Б.Ю. Силовая электроника для любителей и профессионалов / Б.Ю. Семенов - М.: изд-во СОЛОН-Р, 2001. - 333 с.

. Электрические кабели, провода и шнуры: Справочник / Н.И. Белоруссов, А.Е. Саакян, А.И. Яковлева; Под ред. Н.И. Белоруссова. - 5-е изд., перераб. и доп. - М.: Энергоатомиздат, 1988. - 536 с.

Похожие работы на - Разработка системы электропитания на основе импульсного преобразователя напряжения

 

Не нашли материал для своей работы?
Поможем написать уникальную работу
Без плагиата!
Без нейросетей!