Вторичный источник электропитания ВИП–24В–3,5А

  • Вид работы:
    Курсовая работа (т)
  • Предмет:
    Информатика, ВТ, телекоммуникации
  • Язык:
    Русский
    ,
    Формат файла:
    MS Word
    64,17 Кб
  • Опубликовано:
    2012-09-29
Вы можете узнать стоимость помощи в написании студенческой работы.
Помощь в написании работы, которую точно примут!

Вторичный источник электропитания ВИП–24В–3,5А

Министерство образования и науки Российской Федерации

Федеральное государственное бюджетное образовательное учреждение

высшего профессионального образования

«ТОМСКИЙ ГОСУДАРСТВЕННЫЙ УНИВЕРСИТЕТ

СИСТЕМ УПРАВЛЕНИЯ И РАДИОЭЛЕКТРОНИКИ» (ТУСУР)

Кафедра комплексной информационной безопасности

электронных вычислительных систем (КИБЭВС)





ВТОРИЧНЫЙ ИСТОЧНИК ЭЛЕКТРОПИТАНИЯ

ВИП - 24В - 3,5А

Пояснительная записка к курсовому проекту

по дисциплине “Основы проектирования электронных средств”

ФВС КП 4.508.001 ПЗ

Студентка гр: 578

_________ Т.Н.Шуклина

“ __ ” __________ 2012 г.

Руководитель

Доцент каф.КИБЭВС

_________ В.А. Илюшкин

“ __ ” __________ 2012 г.


2012

РЕФЕРАТ

Курсовой проект 39 стр., 8 рис., 4 табл., 10 источников, 8 л. графич. материала.

ВТОРИЧНЫЙ ИСТОЧНИК ЭЛЕКТРОПИТАНИЯ (ВИП), ВХОДНОЙ ВЫПРЯМИТЕЛЬ, ВЫХОДНОЙ ВЫПРЯМИТЕЛЬ, МОСТОВОЙ.

Объектом проектирования является вторичный источник электропитания.

Цель работы - получение практических навыков конструирования вторичных источников электропитания.

В процессе работы использовались знания, приобретенные в период обучения по дисциплинам: конструирование электронно-вычислительных средств, основы начертальной геометрии, прикладная механика и по ряду других дисциплин.

В результате работы была разработана конструкция вторичного источника питания на базе модуля КАМАК и приобретены навыки по разработке конкретной инженерной задачи согласно техническому заданию.

Курсовой проект выполнен в текстовом редакторе Microsoft Word 2007, рисунки - в графическом редакторе Corel Draw v.13.

Министерство образования и науки Российской Федерации

Федеральное государственное бюджетное образовательное учреждение

высшего профессионального образования

«ТОМСКИЙ ГОСУДАРСТВЕННЫЙ УНИВЕРСИТЕТ

СИСТЕМ УПРАВЛЕНИЯ И РАДИОЭЛЕКТРОНИКИ» (ТУСУР)

Кафедра комплексной информационной безопасности

электронных вычислительных систем (КИБЭВС)

‘УТВЕРЖДАЮ’

Зав. кафедрой КИБЭВС

А. А. Шелупанов

«__»__________2012 г.

ЗАДАНИЕ

к курсовому проектированию по дисциплине

“Основы проектирования электронных средств”

Студентке Шуклиной Татьяне Николаевне

группы 578 факультета ВС

1 Тема проекта Вторичный источник электропитания ВИП- 24В - 3,5А

Срок сдачи студентом законченной работы: _______2012 г.

Исходные данные к проекту:

.1 Схема электрическая принципиальная

.2 Данные питающей сети и нагрузки:

·   напряжение сети, В -                                            220

·   предельное отклонение от номинального напряжения, % -    +10; -15

·   число фаз напряжения -                                       3

·   частота питающей сети, fc, Гц -                             50

·   номинальное значение выходного напряжения Ен, В -  24

·   номинальное значение тока нагрузки Iн, А -       3,5

·   пульсация выходного напряжения, kп, % -         1

·   частота преобразования f, кГц -                            20

3.3 Условия эксплуатации:

·   температура окружающей среды,t, 0С -               20 ± 5

·   атмосферное давление, кПа -                                 84,0 - 106,7

·   частота вибрации при ускорении до 2 g, Гц -      10 - 55

3.4 В качестве несущей конструкции использовать сменный блок КАМАК (ГОСТ 26.201-80).

4        Содержание пояснительной записки (перечень подлежащих разработке вопросов): должно соответствовать методическим указаниям к курсовому проектированию по дисциплине «Основы проектирования электронных средств» / Илюшкин В.А.: - Томск: Методические указания к курсовому проектированию. - Томск: ТМЦДО, 2005 (7). - 155 с.

Расчёты провести в соответствии с п.п. 1), 3), 4), 5) подраздела 6.3.8 методических указаний.

5        Перечень графического материала:

5.1 схема электрическая принципиальная ВИП - 1 л. ф. А4;

.2 сборочный чертёж ВИП - 1 л., ф. А3 (А4);

.3 сборочный чертёж платы - 1 л., ф. А3(А4);

.4 деталировка (чертежи: направляющей, передней и задней панели крышки) - 1л., ф. А2;

Дата выдачи задания: ________________________________________

Доцент кафедры КИБЭВС ТУСУРа Илюшкин Виктор Алексеевич

(должность, место работы, фамилия, имя, отчество)

Задание к исполнению принял:___________________ _______________

(дата)

_______________________________________________________

Содержание

1.       Введение

. Анализ схемы электрической принципиальной

.1 Описание устройства

.2 Расчет и выбор элементов выходного выпрямителя и сглаживающего фильтра

.3 Расчет выпрямителя без фильтра

.4 Расчет мостового преобразователя с самовозбуждением

. Элементы коммутации, сигнализации и защиты

.1 Выбор тумблера

.2 Выбор элемента индикации

.3 Выбор предохранителя

. Разбиение схемы на функциональные узлы

. Компоновка изделия

. Электрические и механические связи

.1 Электрические связи

.2 Механические связи

. Материалы конструкции

.1 Материалы печатной платы

.2 Материалы несущей конструкции

. Защита от температурных, механических воздействий и воздействий влаги

.1 Защита от тепловых воздействий

.2 Защита от механических воздействий

.3 Защита от воздействий влаги

. Расчеты

.1 Массогабаритный расчет

.2 Тепловой расчет

.3 Расчет надежности

.3.1 Общие сведения

.3.2 Ориентировочная оценка надежности

.3.3 Оценка надежности с учетом режимов работы системы

9.4 Оценочный расчет вибропрочности конструкции

9.5 Экранирование

. Стандартизация

. Заключение

Список использованных источников

1. Введение

Целью данной работы является получение практических навыков конструирования вторичных источников электропитания (ВИП).

К качеству питающего напряжения предъявляются разнообразные требования. Существует большое число типов источников вторичного электропитания. Выбор оптимального варианта, удовлетворяющего всем заданным техническим требованиям, предъявляемым к ЭВС, является одной из наиболее сложных задач при проектировании. От правильного выбора и расчета источников вторичного электропитания зависят надежность, массогабаритные показатели, стоимость и к. п. д. комплекса ЭВС.

Выбор той или иной схемы ВИП обусловлен параметрами питающей сети, требованиями к выходным электрическим параметрам, конструктивными особенностями устройства, температурным диапазоном работы, сроком службы, гарантированной надежностью и перечнем разрешенных к применению или имеющихся в распоряжении разработчика элементов.

Выбор схемы, удовлетворяющей поставленным требованиям, является задачей, имеющей множество решений. Оптимальной же по заданному критерию может быть только одна схема.

Основными критериями при выборе и расчете схем, по которым может производиться оптимизация ВИП, являются: масса, габариты, к. п. д., надежность, стоимость. В некоторых случаях бывает необходимо искать оптимальное схемное решение по двум или более критериям.

Основной задачей проектирования ВИП является получение максимальной энергетической плотности, т.е. максимальной выходной мощности на единицу объема ВИП. При заданной мощности в нагрузке это означает достижение минимального объема источника, т.е. его миниатюризацию.

Основным средством миниатюризации ВИП является их интегральное исполнение. Очевидно, что свойства и возможности ВИП в значительной степени определяются параметрами используемых приборов. Тем не менее, это не достаточное условие миниатюризации ВИП. Миниатюризация ВИП требует совместного решения, по крайней мере, пяти взаимосвязанных проблем: энергетической, структурной, конструкторско-технологической, системной и организационной.

Большие трудности возникают при преобразовании переменного напряжения промышленной частоты в низкое постоянное напряжение. Силовой трансформатор и сглаживающий фильтр имеют большие объем и массу даже при трехфазном двухполупериодном выпрямлении.

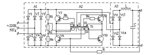
Наименьшие объем и массу имеют получившие в последние годы широкое распространение ВИПы с высокочастотными преобразователями (схемы электрические структурная и принципиальная ВИП с высокочастотным регулируемым преобразователем переменного напряжения в постоянное приведены на рисунках 2.1 и 2.2).

2. Анализ схемы электрической принципиальной

.1 Описание устройства

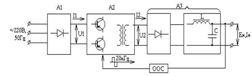
Схемы электрические структурная и принципиальная вторичного источника питания (ВИП) с высокочастотным регулируемым преобразователем переменного напряжения в постоянное напряжение приведены на рис. 2.1 и рис. 2.2 соответственно. Его можно рассматривать как состоящее из трех основных узлов устройство:

А1 - входной выпрямитель,

А2 - преобразователь,

А3 - выходной выпрямитель с фильтром.

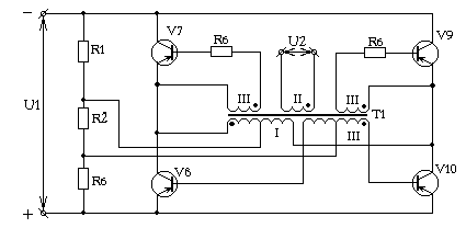
Рисунок 2.1 - Схема электрическая структурная ВИП

Рисунок 2.2 - Схема электрическая принципиальная ВИП

I, II, и III - соответственно первичная, вторичная и базовая обмотки трансформатора Т1

Входной выпрямитель выполнен по схеме Ларионова. Данная схема позволяет выпрямитель, работающий на активную нагрузку, использовать без сглаживающего фильтра, в виду малого коэффициента пульсации. Через входной выпрямитель осуществляется питание преобразователя от трехфазной сети переменного тока. В данном ВИП преобразователь выполнен по мостовой схеме с самовозбуждением. Достоинством данной схемы служит возможность работать от источника питания с большим напряжением, поскольку в этих схемах напряжение между эмиттером и коллектором запертого транзистора не превышает напряжение источника питания.

Таким образом, можно рассчитывать параметры каждого узла по отдельности.

2.2 Расчет и выбор элементов выходного выпрямителя и сглаживающего фильтра

Исходные данные для расчета:

·   выпрямленное напряжение Eн ;

·   выпрямленный ток Iн ;

·   коэффициент пульсации выпрямленного напряжения kп;

·   угол 2g между импульсами изменяется в пределах от 0 до 50° С;

·   частота преобразования f;

Схема выпрямителя и фильтра приведена на рисунке 2.3.

Рисунок 2.3 - Схема выходного выпрямителя с фильтром

Определим ориентировочное значение максимального напряжения Uобр.д на диоде :

Uобр.д » b ×Ен                               (2.1)

где b - скважность импульсов;

Ен- выпрямленное напряжение.

Примем скважность импульсов b = 1,4, а выпрямленное напряжение Ен= 24 В задано ТЗ, и определим Uобр.в:

Uобр.д »1,4* 24 » 3.36 В

Рассчитаем среднее значение тока Iср.д, протекающего через диод при выпрямляемом токе (Iн) равном 3,5 А, заданному в ТЗ, по следующему выражению:

Iср.д = Iн/2 = 3,5/2=1,75 А                        (2.2)

Рассчитаем эффективное значение тока Im, через диод:

 (2.3)

Пользуясь рассчитанными значениями из методического пособия [2, раздел 3,табл.3.1-3.2], выберем диод КД2999В аА0.336.646ТУ со следующими параметрами: максимальный выпрямляемый ток Iпр.ср= 20 А, импульсный прямой ток I пр.и= 100 A, максимальное обратное напряжение Uобр.max = 100 В, DЕд = 1,0 В. Габаритные размеры: высота - 4 мм, диаметр 14 мм. Масса 4 г.

Проведем определение ориентировочного сопротивления rтр обмоток трансформатора Т1, приведенное к фазе вторичной обмотки по выражению:

                   (2.4)

где Вm - максимальная индукция трансформатора T1.

Подставив значения, получим:

Для определения параметров сглаживающего фильтра, рассчитаем минимальную индуктивность дросселя фильтра по следующей формуле:

,                            (2.5)

где L - индуктивность дросселя, Гн; f - частота преобразования, Гц; Iн - ток, А.

Подставив данные в формулу (2.5) получим L = 37,7∙10-6 Гн. По заданному значению выпрямленного тока Iн и найденному значению индуктивности L, выберем дроссель Д201 [2, раздел 2, табл. Б.1] со следующими параметрами: ток подмагничивания Im = 3,2 А, индуктивностью при номинальном токе L = 150∙10-6 Гн и с сопротивлением обмоток rдр=0,017 Ом. Габаритные размеры: 29×25×27,5. Масса 40 г.

Найдем среднее значение э.д.с. U2 фазы вторичной обмотки трансформатора Т1:

          (2.6)

Подставив значения, получим:

Необходимо провести уточнение обратного напряжения U*обр.в на вентиле:

               (2.7)

где Uобр.max - максимальное напряжение на диоде.

Подставив в выражение (2.7) данные, получим U*обр.д =35 В. Максимальное обратное напряжение для выбранного диода составляет 100 В, т.е. условие (2.7) выполняется.

Определим максимальную мощность Рк, рассеиваемую диодом по формуле:

Рк = DЕд × Iср.д  (2.8)

Подставив в выражение (2.8) данные, получим Рк = 1,75 Вт

Эффективное значение тока I2 вторичной обмотки трансформатора Т1 рассчитывается по следующему выражению:

              (2.9)

Для определения емкости сглаживающего фильтра рассчитаем коэффициент сглаживания фильтра (qn):

 (2.10)

где kn¢ и kn - коэффициент пульсаций на входе и выходе фильтра соответственно;

 и  - соответственно амплитуды первой гармоники пульсаций на входе и выходе фильтра.

Коэффициент пульсации на входе фильтра для g = 250 равен 0,7, коэффициент пульсации на выходе фильтра по заданным условиям равен 0,01. После подстановки коэффициентов пульсации в (2.10) получим qn = 70.

Рассчитаем емкость сглаживающего фильтра по формуле:

    (2.11)

где    С - емкость сглаживающего фильтра, мкФ;

L - индуктивность, взятая из таблицы для выбранного типа дросселя;

f - частота преобразования.

Подставив в (2.8) значения величин, получим следующую величину емкости:

мкФ

Из ряда [2, раздел 3, табл. 4.6 и 4.7] выберем ближайшую к рассчитанной емкость конденсатора: ряд Е21, С=7,5 мкФ.

Рабочее напряжение Uc конденсатора должно быть не менее, чем

Uc = b×U2=1,4× 25= 35 В         (2.12)

Тогда, по справочнику [2, раздел 3, табл. 4.8-4.11] выбираем конденсатор для сглаживающего фильтра оксидно-электролитический конденсатор К50 - 6 - 10 - 51±20%, таким образом номинальная емкость 10 мкФ и номинальное напряжение 51 В. Габаритные размеры: длина - 20 мм, диаметр - 10 мм, масса 2 г.

Определим габаритную мощность трансформатора Т1, воспользовавшись следующей формулой:

                            (2.13)

Подставив в выражение (2.13) значения, получим, что Ргаб = 87,5 Вт.

Проведем выбор типа сердечника трансформатора Т1, пользуясь формулой:

                (2.14)

где Qст - площадь сечения магнитопровода, см2;

Q0 - площадь окна, см2;

f - частота преобразования, Гц;

Вм - максимальная индукция в сердечнике трансформатора, Тл;

d - плотность тока в обмотках трансформатора, А/мм2;

hтр - КПД трансформатора;

Кс - коэффициент заполнения сечения сердечника сталью;

Км - коэффициент заполнения окна медью обмотки.

Из методического пособия [2, раздел 2, табл. Б.2] выберем материал марки 34НКМП с толщиной 0,05 мм и индуктивностью 0,5 Тл при f = 20 кГц. Приняв для дальнейших расчетов d =3 А/мм2, Кс = 0.8, hтр = 0,9, Км= 0,3 рассчитаем произведение Qст×Q0 по формуле (2.15) и получим Qст×Q0 = 0,68 см4.

Воспользовавшись таблицей типов тороидальных сердечников нормализованного ряда для трансформаторов полупроводниковых преобразователей напряжения, приведенной в методическом пособии [2, раздел 2, табл. Б.3] выберем тороидальный сердечник ОЛ - 22/30 - 5 со следующими параметрами: Qст×Q0 = 0,765 см4, внутренний диаметр d = 22 мм, наружный диаметр D = 30 мм, ширина ленты b = 5 мм и площадью поперечного сечения Qст = 0,200 см2.

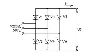
2.3 Расчет выпрямителя без фильтра А1

Напряжение трёхфазной питающей сети (линейное) Uп=220 В;

Верхний допуск напряжения питания вс, минус 15%;

Размах пульсаций δп от среднего значения выпрямленного напряжения ±5,7%;

Частота питающей сети fс = 50 Гц;

Рисунок 2.4 - Схема Ларионова

Выпрямители, работающие на активную нагрузку без фильтра, применяются сравнительно редко. Наименьшей пульсацией обладают многофазные схемы выпрямителей (например, схема Ларионова), которые в ряде случаев применяются без сглаживающего фильтра (см. рисунок 2.4).

Определение максимального значения напряжения Uамп с учётом верхнего допуска напряжения питания ас.

     (2.15)

Подставив все значения в формулу (2.15) получим Uамп=341 В.

Определение выпрямительного напряжения U1.

        (2.16)

Из выражения (2.16) получаем U1=322 В.

Определение выпрямленного тока I1:

,                     (2.17)

где I2 - ток вторичной обмотки трансформатора Т1, А;

U1,U2 - напряжения на входе и на выходе преобразователя соответственно, В;

hn - коэффициент полезного действия преобразователя.

Взяв коэффициент полезного действия равным 0,95, воспользуемся формулой (2.17) и получим значение выпрямленного тока

Значение среднего тока (Iср.д) протекающего через диод находится по следующей формуле

    (2.18)

Обратное напряжение на диоде (Uобр.д) определяется как:

           (2.19)

По определенным значениям Iср.д и Uобр.д из [2, раздел 3, табл. 3.1-3.3] выбираем диод КД209А со следующими параметрами:

Максимальный выпрямленный ток Iпр.ср = 0,7 А.

Импульсный прямой ток Iпр.и = 6,0 А;

Максимальное обратное напряжение Uобр.max = 400 В.

Прямое падение напряжения DЕд = 1,0 В.

Габаритные размеры: длина - 56 мм, ширина 5 мм.

Масса 0,5 г.

Определим максимальную мощность Рк , рассеиваемую диодом

Рк = DЕд×Iср.                                (2.20)

Подставляем значения, получим Рк = 0,08 Вт

2.4 Расчет мостового преобразователя с самовозбуждением

Величина напряжения питания U1;

Максимальное значение напряжения Uамп;

Величины выходных тока I2 и напряжения (U2);

Частота преобразования f=20000Гц;

Температура окружающей среды, °С-(20 5);

Преобразователями напряжения называются устройства, преобразующие напряжение постоянного тока одной величины в различные напряжения переменного тока или постоянного тока. Они делятся на два типа преобразователей с самовозбуждением (автогенераторы) и усилители мощности. Мостовой преобразователь напряжения с самовозбуждением представлен на рисунке 2.5

Рисунок 2.5 - Схема мостового преобразователя с самовозбуждением

Расчёт преобразователя производится в следующей последовательности:

Определение величины тока коллектора Iк открытого транзистора

        (2.21)

где - напряжение коллектор- эмиттер в режиме насыщения, расчёт ведётся для выбранного транзистора из [2, табл.2.1. и 2.2] 2Т506Б, выбор проводился исходя из ТЗ по параметрам устойчивости к механическим воздействиям.

= 0,6 В, = 0,95. Подставляя значения в (2.21), получаем:

Определим амплитудное значение тока коллектора:

 (2.22)

где =(1,3-1,5)минимальное значение коэффициента насыщения;

 и - соответственно наибольшее и наименьшее значения статического коэффициента передачи тока выбранного транзистора (=30, = 150);

К1- коэффициент учитывающий влияние инерционных свойств транзистора и величины коллекторного напряжения на амплитудное значение тока коллектора,

          (2.23)

Подставив в выражение (2.23) U1=322, получим К1=4,7;

Подставив в (2.22) все найденные и известные параметры получим =1,91 А.

Амплитуда напряжения Uкэ между коллектором и эмиттером транзисторов преобразователя определяется как:

                       (2.24)

Тогда по полученным значениям выбираем тип транзистора из справочника[2, раздел 3. табл. 2.1 и 2.2]. Для данного случая подходит транзистор 2Т506Б аАО.339.318ТУ со следующими параметрами, представленными в таблице 2.1.

Таблица 2.1 - Основные параметры транзистора 2Т506Б

Электрические параметры При t = (20±5)0С

Значение параметров

Наибольшее напряжение коллектор-эмиттер Uкэ max, В.

600

Наибольший ток коллектора Ik max, A.

2

Наибольшая мощность, рассеиваемая транзистором с теплоотводом Рк, Вт.

10

Коэффициент передачи тока базы h21э.

30 - 150


              (2.25)

Определение максимальной мощности Ркmax рассеиваемую одним транзистором преобразователя:

    (2.26)

Вычисляем тепловое сопротивление p-n переход - среда Rпер.-окр транзистора преобразователя.

,      (2.27)

где - тепловое сопротивление p-n переход- среда,°С/Вт;

- тепловое сопротивление p- n переход - корпус транзистора, °С/Вт;

-максимальная температура p-n перехода транзистора, °С;

- температура окружающей среды, °С (в расчетах принять =50°С).

Значения  и  приведены в [1] , для 2Т506Б

= +150 ˚C

RТ(n-k) = 2˚C/Вт

где тепловое сопротивление переход-среда;

°С/Вт

Определим максимальную мощность , рассеиваемую транзистором преобразователя без радиатора

                          (2.28)

Проверяем условие

,                                  (2.29)

==, т. к. условие выполняется.

Определим полное число витков w1 первичной обмотки трансформатора Т1 преобразователя:

   (2.30)

Таким образом, полное число витков первичной обмотки примем равным 311.

Вычисляем число витков  базовой обмотки

                    (2.31)

где Uбу - напряжение обратной связи.

Зададимся величиной напряжение обратной связи Uбу=3В и получим:

Определяем число витков w2 вторичной обмотки трансформатора Т1:

                   (2.32)

Действующее значение токов обмоток трансформатора Т1 определяется по выражениям приведенным ниже.

Коллекторный ток:

                                       (2.33)

Базовый ток:

                           (2.34)

Ток вторичной обмотки:

             (2.35)

Диаметр провода первичной обмотки d1 определим из формулы (2.36):

,                                  (2.36)

где d - плотность тока в обмотке.

Примем для всех обмоток плотность тока равную 3А/мм2, тогда

Аналогично находится диаметры вторичной d2 и базовой dб обмотки:

мм              (2.37)

мм              (2.38)

Из таблицы данных обмоточных проводов круглого поперечного сечения [2, раздел 2, таблица Ж.1] выберем провода следующих диаметров:

= 0,0288 мм, mудб =0,006 г/м;

= 0,158 мм, mудб =0,17 г/м;

= 1,12 мм, mудб =8,76 г/м.

где m - масса одного метра провода, г/м.

Определение номиналов делителя производится по следующим формулам:

,                                         (2.39)

где Uкбн - напряжение между коллектором и базой транзистора в режиме насыщения.

Примем для расчетов Uкбн = 0,6 В и получим:

где URб - величина напряжения смещения от тока делителя на Rб.

Приняв в расчетах URб = 0,3 В, получим:

    (2.40)

 (2.41)

Из ряда [2, раздел 3, табл.5.2] выберем ближайшее к рассчитанным значения сопротивлений резисторов R1-R5:

R1=13000 Ом;

R2=13 Ом;

R3=R4=R5=Rб=910 Ом.

Рассчитаем мощность рассеивания резисторов по формуле

,                              (2.42)

где Iд - ток, протекающий через делитель.

Длительность импульса определяется из следующего выражения:

           (2.43)

Определяем ток, протекающий через делитель

             (2.44)

Пользуясь соотношением (2.42) определим:

Из справочника [2, раздел 3, табл.5.3-5.7] выберем резисторы следующих типов:

Rб - С2-33Н - 0,125 (85) 910 Ом ± 10 % ОЖО.467.093 ТУ;

R1 - С2-33Н - 0,125 (85) 13 кОм ± 10 % ОЖО.467.093 ТУ;

R2 - С2-33Н - 0,125 (85) 13 Ом ± 10 % ОЖО.467.093 ТУ.

3. Элементы коммутации, сигнализации и защиты

.1 Выбор тумблера

Элемент коммутации применяется для включения или отключения ВИП. Данный элемент должен удовлетворять следующим основным требованиям: высокая надежность и долговечность, стабильность электрических и механических характеристик, малое сопротивление замкнутых контактов, незначительное усилие переключения. Выберем переключатель типа тумблер ТВ2- 1УСО.360.042ТУ. Рабочее напряжение Uраб=1,6-220 В; ток I = 0,01- 1 А; мощность коммутации Рк = 60 Вт; усилие переключения Нп= 3,9 - 14,7 Н, максимальное число коммутаций 104 переключений. Тумблер разместим на лицевой панели ВИП под элементом индикации. Тумблер соединяется с печатной платой посредством монтажных проводов.

.2 Выбор элемента индикации

Для определения наличия напряжения на выходе ВИПа воспользуемся световой индикацией. В качестве светового индикатора выберем светодиод АЛ307В зеленого свечения со следующими параметрами: Iд = 0,01А, Uд=2 В.

Определим сопротивление резистора R6 и его мощности. Для этого найдем падение напряжения на резисторе R6:

=Eн - Uд = 5 - 2 = 3 В


Мощность резистора выбираем из следующего условия


Выбираем резистор С2-33Н - 0,125 (85) 300 ± 10 % ОЖО.467.093 ТУ. Светодиод крепится на лицевой панели при помощи клея БФ-2 ГОСТ 12172-74.

3.3 Выбор предохранителя

Предохранители выбираются исходя из предельно допустимого тока, протекающего через элементы источника питания, при этом учитывается средний протекающий ток через предохранители. Среднее значение тока через предохранители равно току, протекающему через вентиль выпрямителя А1, и составляет 0,242 А. Наименьший предельный допустимый ток у диодов КД2999В, он равен 20 А. Значит предохранители должны быть взяты с током больше, чем 0,242 А и меньше 20 А и обладать наименьшей массой. Исходя из этого, выбираем предохранители ВП1 - 1 - 4 А для установки на плату используем держатели предохранителей ДП 1 - 1 ОЮ.4.810.009 ТУ.

4. Разбиение схемы на функциональные узлы

Согласно заданию вторичный источник питания выполняется в стандартном сменном блоке КАМАК ГОСТ 26.201 - 80 и дополнительного разбиения на модули не производится.

5. Компоновка изделия

входной выпрямитель фильтр индикация

В качестве несущей конструкцией ВИП используется сменный блок стандарта КАМАК. Система КАМАК регламентирует способы механического и электрического соединения отдельных модулей, установленных в каркасе и блоках управления [7]. Электрические схемы монтируют на печатных платах.

Платы крепят внутри металлических каркасов стандартных блоков. Минимальная ширина блока 17,2 мм, высота 221,5 мм, глубина 306 мм, высота и глубина постоянны, а ширина передней панели меняется по модулю 17,2 мм. Блоки, выполняющие различные функции, устанавливаются в отсеке общего стандартного механического каркаса (крейта), внутренняя ширина которого 430 мм, высота 200 мм, глубина 360…525 мм.

Эскиз каркаса проектируемого вторичного источника питания представлена на рисунке 5.1, внутри которого помещается печатная плата с электрорадиоэлементами. Каркас закрывается сверху и снизу крышками. Крышки дополнительно несут функцию экранов т.к. ВИП является источником электрических и магнитных полей. Высота любого модуля, выполняемого в стандарте КАМАК, должна выполняться кратной 7,2 мм. Для данного преобразователя самую большую высоту имеет дроссель Д201 равную 27,5 мм. В виду этого необходимо использовать модуль двукратной высоты - 34,4 мм.

Каркас сборный, состоящий из двух боковых планок, передней и задней стенки. На передней (лицевой) стенки расположен фиксатор, служащий для крепления модуля в блоке. В боковых планках имеются пазы для закрепления в модуле печатной платы и нижней крышки (экрана).

Похожие работы на - Вторичный источник электропитания ВИП–24В–3,5А

 

Не нашли материал для своей работы?
Поможем написать уникальную работу
Без плагиата!
Без нейросетей!