Определение усилий в железобетонном каркасе одноэтажного производственного здания
Министерство
образования и науки Республики Казахстан
Международная
образовательная корпорация
Контрольная
работа
по
дисциплине: Расчет сейсмостойких сооружений
на
тему: «Определение усилий в железобетонном каркасе одноэтажного
производственного здания»
Алматы 2014
1. Определение усилий в
железобетонном каркасе одноэтажного производственного здания
Исходные данные.
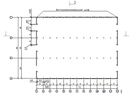
Одноэтажное трехпролетное бескрановое здание
размерами в плане 72х54 м и высотой до несущих конструкций покрытия 7,2 м (рис.1).
Колонны железобетонные с поперечным сечением 400х500 мм из бетона класса В20,
расположены с шагом 6 м, жестко защемлены в столбчатые стаканные фундаменты и
на них шарнирно опираются стропильные балки. Двухскатные предварительно
напряженные железобетонные стропильные балки двутаврового сечения пролетом 18 м
по серии 1.462.1-16 несут сборные железобетонные ребристые плиты покрытия
размерами 3х6 м по СТ РК 938-92. Кровля рулонная с утеплителем из ячеистого
бетона. Наружные стены в виде навесных стеновых панелей из ячеистого бетона по
СТ РК 957-93. Железобетонная часть фахверковых стоек имеет сечение 600х400 мм,
а верхняя часть выполнена в виде сварного металлического двутавра полками
200х10 мм и стенкой 240х6 мм.
Сейсмичность площадки строительства - 8 баллов.
Снеговой район - 2.
Грунты 3 категории по сейсмическим свойствам.
В табл. 1 приведены значения нормативных и
расчетных вертикальных нагрузок.
Таблица 1
|
Нагрузки
|
Ед.
измерения
|
Нормативная
нагрузка
|
Коэффициент
|
Расчетная
нагрузка
|
|
|
|
Надежности
по нагр.
|
Сочетания
нагр.
|
|
|
1.Вес
колонны
|
кН
|
30
|
1.1
|
0.9
|
29.7
|
|
2.Вес
фахверк. стойки
|
кН
|
24
|
1.1
|
0.9
|
23.76
|
|
3.Вес
стеновой панели (1.2х6м)
|
кН
|
12
|
1.1
|
0.9
|
11.88
|
|
4.Вес
оконного остеклен.
|
кПа
|
0.5
|
1.1
|
0.9
|
0.495
|
|
5.Вес
ворот, включ. вес рам
|
кПа
|
3.8
|
1.1
|
0.9
|
3.762
|
|
6.Вес
стропильн. балки
|
кН
|
56
|
1.1
|
0.9
|
55.44
|
|
7.Вес
плит покрытия с замоноличенными швами
|
кПа
|
1.45
|
1.1
|
0.9
|
1.436
|
|
8.Вес
утеплителя
|
кПа
|
0.6
|
1.2
|
0.9
|
0.648
|
|
9.Вес
кровли
|
0.47
|
1.1
|
0.9
|
0.465
|
|
10.Вес
снега
|
кПа
|
0.7
|
1.4
|
0.5
|
0.49
|
Рис. 1 - План и разрезы здания
Рис. 2 - План здания в повороте (1-центр масс,
2-центр жесткостей)
2. Расчет каркаса в поперечном
направлении здания
. Определяем перемещения колонн от действия
единичных горизонтальных сил, приложенных в уровнях верха колонн. Момент
инерции поперечного сечения колонн каркаса и железобетонной части колонны
торцевого фахверка
к =Jф.б = bh3/12 = 0.4*0.53/12 = 41,7*10-4м4;
то же, поперечного сечения металлической части
фахверковой колонны
фмб = 2(0,1*0,23/12) + (0,24*0,0063/12) =
0,133*10-4 м4;
Жесткость железобетонных колонн:
по осям А и ГEб Jк = 2,15*1010*41,7*10-4 =
89,655*106 Па*м4.
по осям Б и В Eб Jк = 2,6*1010*41,7*10-4 =
100,08*106 Па*м4.
Жесткость фахверковой колонны:
железобетонная часть Eб Jф.б = Eб Jк =
89,655*106 Па*м4
металлическая часть Eст Jф.м =
2,06*1011*0,133*10-4 = 2,7*106 Па*м4
Перемещения колонн каркаса по осям А и Г
определяются с учетом жесткости прилегающих к ним участков самонесущей стены.
Модуль деформации кладки в соответствии с СНиП
II-22-81 (Каменные и армокаменные конструкции)
Е=0,8 Е0=0,8α1*2R=1.6α1R=1.6*1000*1.3=2080
МПа,
где α1 = упругая
характеристика кладки; R - расчетное сопротивление сжатию кладки.
Перемещения на уровне верха колонн:
для колонн по осям 1-А, 1-Г, 13-А, 13-Г с учетом
жесткости продольной стены длиной l = 0.5+(5.5/2) = 3.25 м
= 3,25*0,383/12 = 14,85*10-3 м4;=
2080*106*14.85*10-3 = 30.9*106 Па*м4;б Jк + EJc = 89,655*106 + 30.9*106 =
120,55*106 Па*м4;б Jк + 0,4*EJc = 89,655*106 + 0,4*30.9*106 = 102,015*106
Па*м4;
для колонн по осям 2-А, 2-Г, 12-Г и
12-А с учетом жесткости участка продольной стены длиной l = (5,5/2) + 1,5 =
4,25 м
= 4.25*0.383/12 = 19.4*10-3 м4;=
2080*106*19.4*10-3 = 40.4*106 Па*м4;б Jк + EJc = 89,655*106 + 40.4*106 =
130,05*106 Па*м4;б Jк + 0,4*EJc = 89,655*106 + 0,4*40.4*106 = 105,855*106
Па*м4;

для колонн по осям 3-А - 11-А и 3-Г
- 11-Г с учетом жесткости продольной стены длиной 3м:
= 3*0.383/12 = 13.72*10-3 м4;=
2080*106*13.72*10-3 = 28.5*106 Па*м4;б Jк + EJc = 89,655*106 + 28.5*106 =
118,155*106 Па*м4;б Jк + 0,4*EJc = 89,655*106 + 0,4*28.5*106 = 101,055*106
Па*м4;
для колонн по осям Б и В
для фахверковой колонны
Определение жесткости каркаса здания
на уровне верха колонн
Нахождение расчетных вертикальных
нагрузок.
Вес здания принимаем сосредоточенным
в уровне верха колонн.
|
Нагрузка
|
Нормативная
нагрузка на единицу
|
Коэффициент
|
Расчетная
нагрузка на единицу
|
Вычисления
|
Расчетная
нагрузка Qп, кН
|
|
|
Надежности
по нагрузке
|
Сочетания
нагрузок
|
|
|
|
|
От
веса: снега, кПа кровли с утеплителем, кПа плит покрытия, кН железобетонных
балок, кН связей и распорок, кН участков стен, расположенных выше уровня
колонн, кПа
|
1
1,01 1,6 104 4,2 6,85
|
1,4
1,2 1,1 1,1 1,05 1,1
|
0,5
0,9 0,9 0,9 0,9 0,9
|
0,7
1,1 1,58 103 3,97 7,0
|
0,7*54*72
1,1*54*72 1,58*54*72 103*33 3,97*12 7*1,5*72*2
|
2721,6
4276,8 6143,04 3399 48 1512
|
|
От
¼
веса:
Участков стен, расположенных в пределах высоты колонны, кПа колонн
|
6,85
28
|
1,1
1,1
|
0,9
0,9
|
7,0
30,0
|
0,25*7*2*[(7,8-4,2)*3*8+4,2*3*8]0.25*30,0*64
|
|
Итого
|
|
|
|
|
|
19235,7
|
Вычисляем период собственных колебаний каркаса в
поперечном направлении здания
Определяем коэффициент динамичности
для каркаса здания. Для грунтов категории II по сейсмическим свойствам (см. п.
5.12 СНиП и формулу 5.5 там же)
1<β = 1,8 / Тi <2,5 β = 2,4 /
1,28 = 1.87> 1,0
Вычисляем значения членов, входящих
в формулы определения расчетной сейсмической силы Sik (5.1) и (5.2) СНиП K1,
K2, K3, A и ηik:
K1=1 коэффициент
учитывающий ответственность зданий по таблице 5.2 СНиП (для производственных
зданий равен 1). K2=0,25 по табл. 5.3 СНиП РК 2.03-30-2006;
=1,0 +0,06(1-5) = 0,76 принимаем K3=1,0; p -
количество этажей здания; A=0,25 по табл. 5.5 СНиП
Коэффициент Ко=1,4 по табл.5.6 для сейсмичности
8 баллов и грунтах III категории.
Коэффициент Кψ = 1 по
табл. 5.7 учитывающий способность здания к рассеиванию энергии колебаний.
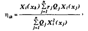
ηik - коэффициент формы
колебаний, зависящий от формы деформации здания при его собственных колебаниях
по i-й форме и от места расположения нагрузки определяется по формуле (5.8)
СНиП
где Xi(xk), Xi(xj) - смещения здания при
собственных колебаниях по i-й форме в рассматриваемой точке k и во всех точках
j, где в соответствии с расчетной схемой его вес принят сосредоточенным.
Для системы с одной степенью свободы, как в
нашем случае, коэффициент ηik = 1
Находим расчетные значения сейсмических
нагрузок, действующих на поперечные рамы каркаса:
а) в уровне верха колонн - от покрытия, участков
продольных стен, расположенных выше верха колонн и снега. По формулам (5.1) и
(5.2) СНиП

ik =
18100,5*0.25*1.87*1,4*1=11846,7кНп=Sik= 1*0.25*1*11846,7 = 2961,7 кН
Сейсмическую нагрузку распределяем между
поперечными рамами пропорционально их жесткостям и с учетом коэффициента
условий работы бетона γbr в
соответствии с табл. 6.2 СНиП:
на рамы по осям 1 и 11
на рамы по осям 2 и 10
на рамы по осям 3-9
б) по длине колонны от веса колонн с
учетом коэффициента условий работы бетона по осям 1 и 11
к=1* 1*0.25*1*30(1/7,35)*0.25*1.87*1*1=
0,47кН/м
То же по осям 2-10
к=0,975*
1*0.25*1*30(1/7,35)*0.25*1.87*1*1= 0,465 кН/м
в) по длине колонн по осям А и Г от участка
стены, расположенных в пределах высоты колонн с учетом коэффициента условий
работы бетона на рамы по осям 1 и 13
Qc =1* 7*3.25*7,35 = 167,21 кН;к=1*
1*0.25*1*167,21 (1/7,35)*0.25*1.87*1*1= 2,66 кН/м
на рамы по осям 2 и 12
=0,975*[7*5.75*(7,35- 4,2) + 7*4,2*4,25] =
245,43 кН;к=1* 1*0.25*1*245,43 (1/7,35)*0.25*1.87*1*1= 3,9 кН/м
на рамы по осям 3-11
=1*[7*6*(7,35 - 4,2) + 7*4,2*3] = 220,5 кН;к=1*
1*0.25*1*220,5 (1/7,35)*0.25*1.87*1*1= 3,5 кН/м
3. Расчет каркаса в продольном
направлении
Определяем перемещения колонн от действия
единичных горизонтальных сил, приложенных в уровнях верха колонн. Для колонн по
осям 1-А, 1-Г и, 11-А и 11-Г с учетом жесткости участка торцевой стены длиной l
= 0.4 +(6/2) = 3.4 м
с = 3,4*0,383/12) = 15,6*10-3 м4=
2080*106*15.6*10-3 = 32.4*106 Па*м4;бJк + EJс =89,655*106 + 32,4*106 =
122,055*106 Па*м4;+ 0.4EJ =89,655*106 + 0,4*32,4*106 = 102,615*106 Па*м4;
Для колонн по осям 1-Б, 1-В, 11-Б,
11-В с учетом жесткости участка торцевой стены длиной 6 м:
Jс = 6*0,383/12) = 27,4*10-3 м4=
2080*106*27,4*10-3 = 57,1*106 Па*м4;бJк + EJс =100,08*106 + 57,1*106 =
157,18*106 Па*м4;+ 0.4EJ =100,08*106 + 0,4*57,1*106 = 122,92*106 Па*м4;
для колонн по осям от 2-А до 10-А и
от 2-Г до 10-Г:
для колонн по осям от 2-Б до 10-Б и
от 2-В до 10-В:
для фахверковой колонны с учетом
жесткости участка торцовой стены длиной l=6/2+0.5=3.5 м
с = 3,5*0,383/12) = 16*10-3 м4=
2080*106*16*10-3 = 33.3*106 Па*м4;ст Jфм = 2,06*1011*6,94*10-5 = 14.3*106
Па*м4;стJфм + EJс =14,3*106 + 33,3*106 = 47,6*106 Па*м4;бJфб + EJс =89,655*106
+ 33,3*106 = 122,95*106 Па*м4;бJфб + 0.4EJс =89,655*106 + 0,4*33,3*106 =
102,975*106 Па*м4;
Определяем жесткость каркаса здания в уровне
верха колонн:
Находим вес здания от расчетных
вертикальных нагрузок, от собственного веса конструкций и снега. Значения
расчетной нагрузки м вес конструкций отличатся от подсчитанной в таблице только
в части участков торцевых стен.
Нагрузка от веса участков торцевых
стен, расположенных выше верха колонн: 7*1,8*54,8*2=1381 кН и от ¼ веса
участков, расположенных в пределах высоты колонн: 0,25*7*2(7,35*54,8 - 3,6*5*3)
= 1220,73 кН и с учетом приведенных в таблице значений суммарная расчетная
нагрузка составит 19235,7 кН, а приведенная к верху колонн 15 733 кН.
Определяем период собственных
колебаний каркаса в продольном направлении
Вычисляем коэффициент динамичности
для каркаса здания
1<β = 2,4 / Тi <2,5 β = 2,4 /
1,21 = 1.98 > 1,0
Определяем расчетные значения
сейсмических нагрузок, действующих на продольные рамы каркаса:
а) в уровне верха колонн - от покрытия,
торцовых стен и снега
Sк=К1*К2*К3*Qk*A*βi*K0*Kψ
ηik = 1*0.25*1* 18100*0.25*1.87*1,4*1 = 2961,61 кН
Сейсмическую нагрузку распределяем между
продольными рамами каркаса пропорционально их жесткости:
на рамы по осям А и Г при
на рамы по осям Б и В при
б) по длине колонн - от собственного
веса колонн с учетом коэффициента условий работы бетона
осям 1 и 13
к=1*
1*0.25*1*30(1/7,35)*0.25*1.87*1*1= 0,47 кН/м
То же по осям 2-12
к=0,975*
1*0.25*1*30(1/7,35)*0.25*1.87*1*1= 0,46 кН/м
=1* 7*3,4*7,35= 174,93 кН;к=1*
1*0.25*1*(174,93/7,35)*0.25*1.87*1*1= 2,78 кН/м
То же по осям Б и В
=1* 7*6*7,35 = 308,7 кНк=0,975*
1*0.25*1*(308,7/7,35)*0.25*1.87*1*1= 4,786 кН/м
здание каркас расчет разрез
Определяем значения дополнительных сейсмических
нагрузок в уровне верха колонн, вызванных кручением здания при сейсмическом
воздействии.
Рис. 3 - Поворот здания в плане: 1 - центр масс,
2 - центр жесткости
При расчете зданий длиной или шириной более 30м,
кроме расчетной сейсмической нагрузки, учитывается крутящий момент относительно
вертикальной оси здания, проходящей через его центр жесткости. Значение
расчетного эксцентриситета dkj между центрами жесткостей и веса здания
принимаем 0,02В, где В - размер здания в плане в направлении, перпендикулярном
действию силы Sik. При расчете здания в поперечном направлении В=60м, dxkj=
0.02*72 = 1.44м; при расчете в продольном направлении В= 54м, dk j= 0.02*54 =
1.08м.
Так как здание симметрично в плане, то центр его
тяжести совпадает с точкой пересечения осей симметрии здания.
Сейсмическую нагрузку распределяем между
поперечными рамами каркаса пропорционально их жесткостям:
на раму по осям I и II, при ее жесткости
Ср=2/1,88+2/1,32=2,57
на рамы по осям 2 и 10, при
Ср=2/1,12+2/1,32=3,3
на рамы по осям 3 - 9, при
Ср=2/1,17+2/1,32=3,21
Ср=11/1,476+2/1,18=9,144
На рамы по осям Б и В при
Ср=11/1,32+2/0,94=3,21
Угловая жесткость рам здания Ккφ
в
уровне покрытия
где
,
- жесткость вертикальных
конструкций в соответствующих направлениях;
,
- расстояние конструкций до
продольной и поперечной осей здания; (без учета жесткости фахверковых колонн)
Полная горизонтальная нагрузка на
рамы каркаса в уровне верха колонн:
а) для поперечного направления:
рама по оси 1:
где
- горизонтальная нагрузка на рамы
каркаса без учета кручения;
- расстояние от соответствующей
конструкции до центра массы;
-расстояние между центром жесткости
здания и центром масс.
=203,8 + (2,57*35,5 /
34000)*2961,7*1,44 =215,24 кН;
рама по оси 2
=204,82 + (3,3*30
/34000)*2961,7*1,44 = 217,24 кН;
рама по оси 3
=199,8 + (3,21*24
/34000)*2961,7*1,44 = 209,46 кН;
рама по оси 4
=199,8 + (3,21*18 /
34000)*2961,7*1,44 = 207,04 кН;
рама по оси 5
=199,8 + (3,21*12 /
34000)*2961,7*1,44 = 204,63 кН;
рама по оси 6
=199,8 + (3,21*6 /
34000)*2961,7*1,44 = 202,21 кН;
рама по оси 7
=
=199,8 кН;
рама по оси 8
=199,8 - (3,21*6 /
34000)*2961,7*1,44= 197,38 кН;
рама по оси 8
=199,8 - (3,21*12 /
34000)*2961,7*1,44 = 194,97 кН;
рама по оси 9
=199,8 - (3,21*18 /
34000)*2961,7*1,44 = 192,56 кН;
рама по оси 10
=199,8 - (3,21*24
/34000)*2961,7*1,44 = 190,14 кН;
рама по оси 11
=199,8 - (3,21*30 /
34000)*2961,7*1,44= 187,72 кН;
рама по оси 12
=204,82 - (3,3*30
/34000)*2961,7*1,44 = 192,4 кН;
рама по оси 11
=199,8 - (3,21*30 /
34000)*2961,7*1,44= 192,36 кН;
б) для продольного направления
рама по оси А
=566,57 + (9,14*26,75 / 34000)*2961,7*1,08
= 589,6 кН;
рама по оси Б
=591 + (10,46*9/ 34000)*2961,7*1,08
= 599,85 кН;
рама по оси В
=591 - (10,46*9/ 34000)*2961,7*1,08
= 582,143 кН;
рама по оси Г
=591,57 - (10,46*9 /
34000)*2961,7*1,08 = 543,,54 кН;
Определяем расчетные усилия M и Q в сечения
колонн по полученным усилиям на уровне верха колонн.