Анализ инженерно-геологических условий строительства сварочного цеха
Содержание
Реферат
Введение
. Анализ исходных данных
.1 Анализ исходных данных по
надфундаментным конструкциям
1.2 Анализ
инженерно-геологических и гидрогеологических условий
2 Определение расчётного
сопротивления грунта основания
3 Расчёт оснований по деформациям
3.1. Расчёт осадок методом
послойного суммирования
4. Расчёт просадок
Заключение
Список литературы
Приложения
Реферат
Структура курсовой работы: 35
страниц, 5 рисунков, 6 приложений.
ГРУНТ, ИНЖЕНЕРНО-ГЕОЛОГИЧЕСКИЕ
УСЛОВИЯ, ИНЖЕНЕРНО-ГЕОЛОГИЧЕСКИЙ РАЗРЕЗ, ФИЗИКО-МЕХАНИЧЕСКИЕ СВОЙСТВА ГРУНТОВ,
ФУНДАМЕНТ, ОСАДКА, ПРОСАДКА, ИНЖЕНЕРНОЕ СООРУЖЕНИЕ.
В результате изучения
инженерно-геологических условий площадки под строительство сварочного цеха и
определения физико-механических свойств грунтов был построен
инженерно-геологический разрез, дано послойное описание грунтов и был
осуществлен расчёт предельно допустимых деформаций основания фундамента.
Введение
Обязательным элементом
подготовки студентов высших учебных заведений является выполнение курсовых
работ по итогам изучения соответствующих дисциплин учебного плана. В целях
обеспечения необходимых условий для эффективной работы студентов над курсовой
работой по дисциплине «Механика горных пород и грунтов» кафедра прикладной
геологии и горного дела приводит индивидуальные задания по
инженерно-геологическим условиям и характеристикам проектируемого здания, даст
свои рекомендации и примеры по написанию, оформлению.
Основной целью выполнения
курсовой работы является развитие мышления, творческих способностей студента,
привитие первичных навыков самостоятельной работы, связанной с поиском,
систематизацией и обобщением существующих материалов по теме исследования, а
также имеющейся научной и учебной литературы, формирование умений анализировать
и критически оценивать исследуемый научный и практический материал.
В методических указаниях
подробно описаны этапы подготовки курсовой работы, даны индивидуальные задания
по инженерно-геологическим условиям и характеристикам проектируемого здания
(приложения 1 и 2), отражены требования к оформлению и содержанию курсовой
работы.
1.
Анализ исходных данных
.1 Анализ исходных
данных по надфундаментным конструкциям
инженерный строительство грунт
фундамент
Целевое назначение данного сооружения -
сварочный цех. Высота цеха = 15м, длина в плане = 48м, ширина = 29.5м;
Присутствует наличие подвального помещения глубиной = 2м;
Задние состоит из железобетонных опор, на
которые опираются железо-бетонные ригели. Количество пролётов между опорами -
7.
Данное сооружение менее чувствительно к
неравномерным осадкам, однако для данных типов зданий и сооружений существует
предельная величина полной осадки конструкции. Согласно Таблице предельных
деформаций оснований (см. Приложение 5), данный тип инженерного сооружения -
сварочный цех - относится к производственным и гражданским одноэтажным и
многоэтажным зданиям с полным каркасом с устройством железобетонных поясов или
монолитных перекрытий. И максимальная осадка данных сооружений SU
равна 18см;
Расчётные указания усилий на верхний обрез
фундамента определяем из Табл. (см. Приложение 1).
Из двух сочетаний для дальнейшего расчёта
выбираем комбинацию усилий с максимальной продольной силой, т.е:
FV,II
= 1270 кН; МII
= 120 кН·м; Fn,II
= 26 кН;
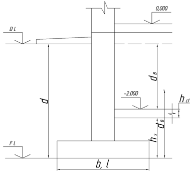
Исходя из конструктивных особенностей здания и
инженерно-геологических условий под строительство, глубина заложения фундамента
будет равняться 2.5м. (см. Рис. 1а). Сезонная глубина промерзания песчаных
грунтов для района строительства ~1.3м, глинистых грунтов ~1.15м.
Почвенно-растительный грунт и чернозём, находящийся выше основания фундамента,
необходимо будет произвести его выемку.
Рис. 1а. Определение глубины заложения
ленточного фундамента под стену подвала.
1.2 Анализ
инженерно-геологических и гидрогеологических условий площадки под строительство
На основании полученных исходных данных (см.
Приложение 2), составляем инженерно-геологический разрез I-I
(см. Рис. 1).
Вертикальный масштаб разреза Мв 1:100 (в 1см
1м), горизонтальный масштаб Мг 1:250 (в 1см 2.5м).
На разрезе необходимо указать следующие данные:
а). Номера инженерно-геологических элементов
(ИГЭ).
б). Возраст и генезис.
в). Относительные отметки подошвы каждого слоя.
г). Уровень грунтовых вод.
д). Места отбора образцов грунтов.
е). Контур здания.
ж). Вертикальные оси фундаментов.
з). Отметку планировки.
Инженерно-геологический разрез представлен на
рисунке (см. Рис. 2).
Далее, после нанесения контура здания на
план-схему М 1:1000 и построение инженерно-геологического разреза по линии I-I
производим расчёт физико-механических и деформационных показателей грунтов, и
заносим их в специальную сводную Таблицу 1.
1) определяем производные
характеристики для пробы №3:
Плотность сухого грунта:
Коэффициент пористости:
Коэффициент водонасыщения:
Плотность грунта, насыщенного водой:
Для песчаных грунтов Ip и IL не
определяются.
2) определяем производные
характеристики для пробы №4:
Плотность сухого грунта:
Коэффициент пористости:
Коэффициент водонасыщения:
Плотность грунта, насыщенного водой:
Число пластичности: Показатель
текучести:
3) определяем производные
характеристики для пробы №5:
Плотность сухого грунта:
Коэффициент пористости:
Коэффициент водонасыщения:
Плотность грунта, насыщенного водой:
Число пластичности: Показатель
текучести:
4) определяем производные
характеристики для пробы №6:
Плотность сухого грунта:
Коэффициент пористости:
Коэффициент водонасыщения:
Плотность грунта, насыщенного водой:
Для песчаных грунтов Ip и IL не
определяются.
5) определяем производные
характеристики для пробы №7:
Плотность сухого грунта:
Коэффициент пористости:
Коэффициент водонасыщения:
Плотность грунта, насыщенного водой:
Число пластичности: Показатель
текучести:
На основании полученных данных
определяем прочностные и деформационные свойства грунтов по Таблицам (см.
Приложение 5) и разновидности грунтов согласно Таблиц (см. Приложение 4).
В результате определения
разновидностей песчаных и глинистых грунтов, можно сделать вывод, что в
качестве основания для заложения фундамента следует использовать песок
пылеватый, средней плотности сложения, средней степени водонасыщения (ИГЭ-2, QIIalit). Однако
данный инженерно-геологический элемент подстилается Просадочными суглинками
(ИГЭ-3, QIIalit), что
необходимо будет учесть при расчёте осадок и просадок сооружения.
Таблица 1
Сводная таблица характеристик
грунтов
|
№№ образцов
|
Глубина,
м
|
Разновидности
грунтов (по
ГОСТ 25100-95)
|
Основные
физические
|
Дополнительные
|
Производные
|
Классификационные
|
Механические
|
|
|
|
rs, г/см3
|
r, г/см3
|
W,
д.ед.
|
WL
|
WР
|
rd,
г/см3
|
e
|
rsb,
г/см3
|
IР
|
IL
|
Sr
|
Е0,
МПа
|
С,
Кпа
|
j, град
|
|
1
|
0.2
|
Культурный
слой.
|
|
1.64
|
|
|
|
|
|
|
|
|
|
|
|
|
|
2
|
1.0
|
Чернозём
с песком.
|
|
1.65
|
|
|
|
|
|
|
|
|
|
|
|
|
|
3
|
2.0
|
Песок
пылеватый, средней плотности сложения, средней степени водонасыщения
|
2.66
|
1.90
|
0.140
|
-
|
-
|
1.60
|
0.663
|
1.00
|
-
|
-
|
0.56
|
18
|
4
|
30°
|
|
4
|
4.5
|
Суглинок
тугопластичный
|
2.69
|
1.82
|
0.240
|
0.33
|
0.19
|
1.77
|
0.520
|
1.11
|
0.14
|
0.36
|
1.24
|
25
|
34
|
25°
|
|
5
|
6.0
|
Суглинок
тугопластичный
|
2.69
|
1.84
|
0.26
|
0.35
|
0.20
|
1.46
|
0.842
|
0.92
|
0.15
|
0.40
|
0.83
|
11
|
18
|
22°
|
|
6
|
7.8
|
Песок
мелкий, средней плотности сложения, насыщенный водой.
|
2.65
|
2.00
|
0.25
|
-
|
-
|
1.60
|
0.656
|
1.00
|
-
|
-
|
1.00
|
28
|
2
|
32°
|
|
7
|
9.5
|
Суглинок
тугопластичный.
|
2.69
|
1.98
|
0.28
|
0.39
|
0.23
|
1.55
|
0.735
|
0.97
|
0.16
|
0.31
|
1.03
|
17
|
23
|
21°
|
2. Определение расчётного
сопротивления грунта основания
Таблица 2
Расчётное сопротивление грунта - это допускаемое
давление на несущий слой основания. Оно необходимо для определения размера
подошвы фундаментов. При этом должно выполнятся условие: P
≤
R;
т.е.
среднее давление под подошвой фундамента Р не должно превышать расчётного
сопротивления грунта основания R,
кПа (тс/м2), определяемого по формуле:
где
и
- коэффициенты условий работы,
принимаемые по Таблице . k - коэффициент принимаемый равным: k=1, если
прочностные характеристики грунта (C и φ) определялись
непосредственными испытаниями; k=1.1, если они приняты по Таблицам
(см. Приложение 5).
К сооружениям с жёсткой конструктивной
схемой относятся сооружения, конструкции которых специально приспособлены к
восприятию усилий от деформации оснований.
Для зданий с гибкой конструктивной
схемой значение коэффициента
=1. При промежуточных значениях L/H = 3.2,
значит
=1.1 (см.
Таблицу 2).
Значения Mγ, Mg и Mc определяем
по Таблице 3. В данном случае они равны: Mγ = 1.15; Mg = 5.59; Mc = 7.95;
Таблица 3
Kz -
коэффициент, принимаемый при b<10м, Kz = 1.
b - ширина
подошвы фундамента, b=2.5м.
- осреднённое расчётное значение
удельного веса грунтов, залегающих ниже подошвы фундамента (при наличии
подземных вод учитывается взвешивающее воздействие воды:
- то же самое, но залегающих выше
подошвы фундамента:
СII - расчётное
значение удельного сцепления, залегающего непосредственно под подошвой
фундамента. СII = 4кПа;
d1 -
приведённая глубина заложения наружных и внутренних фундаментов от пола
подвала, определяемых по формуле:
Где hS=0.4м - толщина
слоя грунта выше подошвы фундамента со стороны подвала;
hCf =0.1м -
толщина конструкции пола подвала;
=25 кН/м3 - удельный вес
конструкции подвала;
dB = 2.0м -
глубина подвала;
На основании полученных данных производим
расчёт условного расчётного сопротивления грунта R:
3. Расчёт оснований по деформациям
Расчёт оснований по деформациям выполняется,
исходя из условия: расчётная осадка меньше допускаемой:
;
Где S - суммарные
вертикальные деформации (осадка + просадка).
Существует два основных метода
расчёта осадок:
1. Метод послойного суммирования.
2. Метод линейно-деформируемого слоя
конечной толщины.
Так как в нашем случае модуль деформации
просадочного грунта Е0 = 100 кПа < 100000 кПа, то для расчёта
осадок применяем метод послойного суммирования.
Расчёт осадок
методом послойного суммирования.
1. Для расчёта осадок по данному методу
требуются следующие исходные данные:
а). Таблица физико-механических свойств грунтов
(см. Таблица 1).
б). Инженерно-геологический разрез (см. Рис. 2)
в). Нагрузка на верхний обвес фундамента (см.
Приложение 1).
2. Определить осадку
фундамента в данном случае можно, построив эпюры
- вертикальных нормальных
напряжений, 0.2
и
- эпюра
вертикального напряжения от собственного веса грунта (природное). Для этих
построений вычерчивается специальная расчётная схема (см. Рис. 3), на которой
слева располагают эпюру
, а справа
эпюры 0.2
и
. Масштаб
построения - в 1см 25 кПа.
Для эпюры вертикального нормального
напряжения
необходимо
вычислить напряжения от собственного веса грунта на границе каждого
инженерно-геологического элемента (ИГЭ), по формуле:
;
Где
- удельный вес грунта в данном
слое, кН;
hi - глубина
залегания подошвы слоя, м.
d -
расстояние от уровня планировки до подошвы фундамента, м.
. Для суммарной мощности
ИГЭ(1+2) определяем вертикальное нормальное напряжение
:
2. На уровне подошвы фундамента:
3. Для ИГЭ-3:
4. Для ИГЭ-4:
5. Для ИГЭ-5-сухой части:
6. Для ИГЭ-5-обводнённой, учитывая
взвешивающее воздействие воды:
7. Для ИГЭ-5- общей толщи:
8. Для ИГЭ-6.
После построения эпюры
, справа
строим эпюру 0.2
в том
масштабе, в котором строили эпюру
(в 1см 25 кПа).
3. Далее определяем величину дополнительного
(осадочного) давления на грунт под подошвой фундамента:
;
Где P = (FV,II + Gm,II + Guh,II)/А -
среднее давление под подошвой фундамента;
- вертикальное нормальное
напряжение на подошве фундамента, =43кПа;
FV,II -
вертикальная нагрузка на фундамент = 1270 кН;
Gm,II - вес
фундамента, кН;
А - b·l -площадь
подошвы фундамента, м2;
Guh,II - вес
грунта на обрезах фундамента, кН;
Отсюда
Следовательно осадочное давление
. Разбиваем грунты основания
на элементарные слои толщиной hi, исходя из
условия
. В данном
случае hi = 0,2 · 2.5
= 0.5м; Граница элементарных слоёв совпадает с границей естественного напластования.
Расчёт ведем от вертикальной координаты (z=0) которая
находится на подошве фундамента. Все расчёты сводятся в Таблицу 4.
Таблица 4
Таблица расчета осадки фундамента Ф3
методом послойного суммирования.
Номер точек z , м 2 z/b 
кПаНомер слоя
кПаhi,
м
Ei
,
|
кПа м
|
|
|
|
|
|
|
|
|
|
0
1 2 3 4 5 6 7 8 9 10 11 12
|
0
0.3 0.8 1.3 1.8 2.3 2.8 3.3 3.8 4.2 4.7 4.9 5.2
|
0
0.24 0.64 1.04 1.44 1.84 2.24 2.64 3.04 3.36 3.76 3.92 4.16
|
1.00
0.983 0.898 0.745 0.592 0.461 0.361 0.286 0.230 0.195 0.162 0.151
0.107
|
160
157 144 120 95 74 58 46 37 31 26 24 17
|
1
2 3 4 5 6 7 8 9 10 11 12
|
159
151 132 108 85 66 52 42 34 29 25 21
|
0,30
0,50 0,50 0,50 0,50 0,50 0,50 0,50 0.40 0.50 0.20 0.30
|
0,74
0,74 0,74 0,62 0,62 0,62 0,62 0,62 0.62 0.40 0.40 0.40
|
18000
18000 18000 11000 11000 11000 11000 11000 11000 28000 28000 28000
|
0,0020
0,0031 0,0027 0,0030 0,0024 0,0074 0,0015 0,0012 0,0008 0,0002
0,00007 0,00009
|
. Производим расчёт вертикальных
напряжений от осадочного давления на границах элементарных слоёв грунта по
формуле:

где
- коэффициент рассеивания
напряжений, принимаемый по Таблице (см. Приложение 3).
По результатам расчёта с правой
стороны оси строится эпюра
. Точка пересечения эпюр
и 0.2
-
соответствует нижней границе сжимаемой толщи. Эта точка находится на глубине
5.05м от подошвы фундамента. Расчёт осадок ведем в пределах этой границы,
считая, что ниже осадки незначительны (в пределах точности чертежа).
6. Определяем величину средних напряжений
в каждом из элементарных слоёв по формуле:
;
Все полученные значения среднего
напряжения
заносим в
Таблицу 4.
7. В итоге находим величины осадок каждого
элементарного слоя по формуле:
где
- коэффициент, учитывающий
отсутствие поперечного расширения при деформировании грунтов в условиях
компрессии (Табл. 5).
Таблица 5
|
Грунт
|
|
|
Песок
и супесь
|
0.74
|
|
Суглинок
|
0.62
|
|
Глина
|
0.40
|
- среднее вертикальное напряжение в
элементарном слое, кПа;
hi - глубина
подошвы элементарного слоя, м;
Е - модуль деформации грунтов, кПа;
8. Суммарная осадка всех элементарных
слоёв составляет расчётную величину осадки основания:
3. Расчёт просадок
Деформация - вертикальная деформация грунтов
основания при её увлажнении. Свойством просадочности обладают лёссы и
лёссовидные суглинки.
Просадку грунтов основания (SSL,
см) при увеличении их влажности вследствие замачивания сверху или снизу при
подъёме УГВ определяют по формуле:
где
- относительная просадочность;
- табличный коэффициент;
Схема к расчёту просадок приведена
на Рис 4.
Рис. 4. Схема к расчёту просадок.
Из данной схемы видно, что суммарная
эпюра
+
пересекает
границу вертикального просадочного давления Psl = 100кПа.
Следовательно толща зоны просадки грунта hSL равна 1.5м
(см. Рис. 4).
Согласно заданию на расчёт
деформаций основания, относительная просадочность
=0.05.
Коэффициент
для данного
случая (b<3м)
вычисляем по формуле:
где р - среднее давление под
подошвой фундамента, кПа;
pSL - начальное
просадочное давление грунта, кПа;
p0
- давление,
равное 100 кПа;
Исходные данные для расчёта
просадки:
=0.05; hSL=1.5м; n=1; PSL = 150 кПа;
Производим расчёт по формуле:
Производим расчёт суммы фактической
осадки: S + SSL = 0.0245м +
0.097м = 0.12м = 12см;
Согласно Таблице предельных
деформаций оснований (см. Приложение 6), данный тип инженерного сооружения -
сварочный цех - относится к производственным и гражданским одноэтажным и
многоэтажным зданиям с полным каркасом с устройством железобетонных поясов или
монолитных перекрытий. И максимальная осадка данных сооружений SU равна 18см;
Требование S ≤SU выполняется
в полной мере, т.к. S = 12см < SU = 18см.
Заключение
Основной целью выполнения
курсовой работы являлось определение предельно допустимых деформаций основания
фундамента. На основании полученного задания (данных по геологии и
проектируемому инженерному сооружению) были произведены необходимые расчёты,
составлены графические материалы, которые позволили точно выполнить
поставленную задачу. Основной проблемой являлось то, что основание фундамента
закладывалось на непросадочном песчаном основании, однако данный инженерно-геологический
элемент подстилается просадочным грунтом (суглинком), следовательно необходимо
было определить более подходящий тип фундамента, и как можно точнее определить
его размеры и глубину заложения.
После обработки всех
результатов и получения необходимых данных посредством расчёта их по
определённым формулам и таблицам, стало ясно, что все расчёты выполнены верно,
все условия, заданные нормативными документами - соблюдаются.
Список литературы
Приложение 1
Приложение 2
Приложение 3
Приложение 4
Классификация природных дисперсных
грунтов (по ГОСТ 25100 - 95)
. По
гранулометрическому составу крупнообломочные грунты и пески подразделяют
согласно табл. 2.
Таблица 7
|
Разновидность
грунтов
|
Размер
зерен, частиц, мм
|
Содержание
зерен, частиц, % по массе
|
|
Крупнообломочные:
валунный галечниковый гравийный
|
св.200
св.10 св.2
|
св.50
св.50 св.50
|
|
Пески:
гравелистый крупный средней крупности мелкий пылеватый
|
св.2,00
св.0,50 вс.0,25 св.0,10 св.0,10
|
св.25
св.50 св.50 75 и св. менее 75
|
. По степени
неоднородности гранулометрического состава C:
однородный грунт Cu£3;
неоднородный грунт Cu>3.
3. По
числу пластичности грунты подразделяют согласно табл 3.
Таблица 8
|
Разновидность
глинистых грунтов
|
Число
пластичности IР
|
|
Супесь
Суглинок Глина
|
от
1 до 7 включительно от 7 до 17 включительно свыше 17
|
4. По
показателю текучести IL
глинистые грунты подразделяют согласно табл. 4.
Таблица 9
|
Разновидность
глинистых грунтов
|
Показатель
текучести IL
|
|
Супесь
твердая
пластичная текучая
|
менее
0 от 0 до 1 включительно св.1
|
|
Суглинки
и глины твердые полутвердые тугопластичные мягкопластичные текучепластичные
текучие
|
менее
0 от 0 до 0,25 включительно св. 0,25 до 0,50 включит. св.0,50 до 0,75
включит. св.0,75 до 1 включительно св. 1
|
. По
коэффициенту водонасыщения Sr
крупнообломочные грунты и пески подразделяют согласно табл. 5.
Таблица 10
|
Разновидность
грунтов
|
Коэффициент
водонасыщения Sr
|
|
Малой
степени водонасыщения Средней степени водонасыщения Насыщенные водой
|
от
0 до 0,50 включительно св. 0,50 до 0,80 включительно св. 0,80 до 1
|
. По
коэффициенту пористости e
пески подразделяют согласно табл. 6.
Таблица 11
|
Разновидность
песков
|
Коэффициент
пористости e
|
|
пески
гравелистые крупные и средней крупности
|
пески
мелкие
|
пески
пылеватые
|
|
плотный
средней плотности рыхлый
|
менее
0,55 от 0,55 до 0,70 св.0,70
|
менее
0,60 от 0,60 до 0,75 св. 0,75
|
менее
0,60 от 0,60 до 0,80 св. 0,80
|
Приложение 5
Нормативные значения механических
характеристик
(согласно своду правил СП-50-101)
Таблица 12
Нормативные значения характеристик С, кПа, и φ,
град,
Е, МПа для песчаных грунтов четвертичных отложений
|
Пески
|
Характеристика
грунта
|
Характеристики
грунта при коэффициенте пористости (е)
|
|
|
0,45
|
0,55
|
0,65
|
0,75
|
|
Гравелистые
и крупные Средней крупности Мелкие Пылеватые
|
Cn jn En
Cn jn En Cn
jn
En
Cn jn
En
|
2
43 50 3 40 50 6 38 48 8 36 39
|
1
40 40 2 38 40 4 36 38 6 34 28
|
-
38 30 1 35 30 2 32 28 4 30 18
|
-
- - - - - - 28 18 2 26 11
|
Таблица 13
Нормативные значения модулей деформации
пылевато-глинистых нелессовых грунтов
|
Происхождение
и возраст грунтов
|
Разновидность
грунтов и пределы нормативных значений показателя текучести IL
|
Модуль
деформации Е, МПа, при коэффициенте пористости (e)
|
|
|
0,35
|
0,45
|
0,55
|
0,65
|
0,75
|
0,85
|
0,95
|
1,05
|
1,2
|
1,4
|
1,6
|
|
1
|
2
|
3
|
4
|
5
|
6
|
7
|
8
|
9
|
10
|
11
|
12
|
13
|
Аллювиальные
Делювиальные Озерные Супеси 0
IL
0,75
Суглинки
IL
0,25
,25
IL
0,50
0,50
IL
0,75
Глины
IL
0,25
,25<IL
0,50
,50<IL
0,75
-
Флювиогляциаль-ные Супеси
0
IL
0,25
Суглинки
IL
0,25
,25<IL
0,50
,50<IL
0,75
|
-
|
|
|
|
|
|
|
|
|
|
|
|
|
|
Мореные
|
Супеси,
Суглинки IL
<0,5
|
75
|
55
|
45
|
-
|
-
|
-
|
-
|
-
|
-
|
-
|
-
|
Юрские
отложения оксфордского яруса Глины -0,20<IL
0
<IL
0,25
,25<IL
0,50
-
Таблица 14
Нормативные значения характеристик С, кПа, и φ,
град,
для пылевато-глинистых грунтов четвертичных отложений
|
Глинистые
грунты и пределы нормативных значений их показателя текучести
|
Характеристика
грунта
|
Характеристика
грунта при коэффициенте пористости (e)
|
|
|
0,45
|
0,55
|
0,65
|
0,75
|
0,85
|
0,95
|
1,05
|
Супеси 0
IL
0,25
,25<IL
0,75n
jn
Cn
jn
21
Суглинки 0
IL
0,25
,25<IL
0,50
0,50
IL
0,75n
jn
Cn
jn
Cn
jn
Глины 0
IL
0,25
,25<IL
0,50
,50
IL
0,75n
jn
Cn
jn
Cn
jn
Приложение 6
(рекомендуемое)
Предельные деформации оснований
Таблица 15
|
Предельные
деформации оснований
|
|
Сооружения
|
Относительная
разность осадок
|
Крен
|
Средняя
(в
скобках максимальная ) осадка,
см
|
|
1
Производственные и гражданские одноэтажные и многоэтажные здания с полным
каркасом:
|
|
|
|
|
железобетонным
|
0,002
|
-
|
(10)
|
|
то
же, с устройством железобетонных поясов или монолитных перекрытий, а также
здания монолитной конструкции
|
0,003
|
-
|
(15)
|
|
стальным
|
0,004
|
-
|
(15)
|
|
то
же, с устройством железобетонных поясов или монолитных перекрытий
|
0,005
|
-
|
(18)
|
|
2
Здания и сооружения, в конструкциях которых не возникают усилия от
неравномерных осадок
|
0,006
|
-
|
20
|
|
3
Многоэтажные бескаркасные здания с несущими стенами из:
|
|
|
|
|
крупных
панелей
|
0,0016
|
0,005
|
12
|
|
крупных
блоков или кирпичной кладки без армирования
|
0,0020
|
0,005
|
12
|
|
то
же, с армированием, в том числе с устройством железобетонных поясов или
монолитных перекрытий, а также здания монолитной конструкции
|
0,0024
|
0,005
|
18
|
|
4
Сооружения элеваторов из железобетонных конструкций:
|
|
|
|
|
рабочее
здание и силосный корпус монолитной конструкции на одной фундаментной плите
|
-
|
0,003
|
40
|
|
то
же, сборной конструкции
|
-
|
0,003
|
30
|
|
отдельно
стоящий силосный корпус монолитной конструкции
|
-
|
0,004
|
40
|
|
то
же, сборной конструкции
|
-
|
0,004
|
30
|
|
отдельно
стоящее рабочее здание
|
-
|
0,004
|
25
|
|
5
Дымовые трубы высотой , м:
|
|
|
|
|
100
|
-
|
0,005
|
40
|
|
100 200
|
-
|
|
30
|
|
200 300
|
-
|
|
20
|
|
300
|
|
|
10
|
|
6
Жесткие сооружения высотой до 100 м, кроме указанных в поз.4 и 5
|
-
|
0,004
|
20
|
|
7
Антенные сооружения связи:
|
|
|
|
|
стволы
мачт заземленные
|
-
|
0,002
|
20
|
|
то
же, электрически изолированные
|
-
|
0,001
|
10
|
|
башни
радио
|
0,002
|
-
|
-
|
|
башни
коротковолновых радиостанций
|
0,0025
|
-
|
-
|
|
башни
(отдельные блоки)
|
0,001
|
-
|
-
|
|
8
Опоры воздушных линий электропередачи:
|
|
|
|
|
промежуточные
прямые
|
0,003
|
0,003
|
-
|
|
анкерные
и анкерно-угловые, промежуточные угловые, концевые, порталы открытых
распределительных устройств
|
0,0025
|
0,0025
|
-
|
|
специальные
переходные
|
0,002
|
0,002
|
-
|
|
Примечания
1 Предельные значения относительного прогиба зданий, указанных в поз.3,
принимают равными 0,5 , а
относительного выгиба - 0,25 . 2 При определении относительной
разности осадок в поз.8
настоящего приложения за принимают расстояние между осями
блоков фундаментов в направлении горизонтальных нагрузок, а в опорах с
оттяжками - расстояние между осями сжатого фундамента и анкера. 3 Если
основание сложено горизонтальными (с уклоном не более 0,1), выдержанными по толщине
слоями грунтов, предельные значения максимальных и средних осадок допускается
увеличивать на 20%. 4 Предельные значения подъема основания, сложенного
набухающими грунтами, допускается принимать: максимальный и средний подъем в
размере 25% и относительную разность осадок в размере 50% соответствующих
предельных значений деформаций, приведенных в настоящем приложении, а
относительный выгиб - в размере 0,25 . 5 Для сооружений, перечисленных
в поз.1-3, с фундаментами в виде сплошных плит предельные значения средних
осадок допускается увеличивать в 1,5 раза. 6 На основе обобщения опыта
проектирования, строительства и эксплуатации отдельных видов сооружений
допускается принимать предельные значения деформаций основания, отличающиеся
от указанных в настоящем приложении.
|