Пункт технического обслуживания и ремонта машин

  • Вид работы:
    Дипломная (ВКР)
  • Предмет:
    Строительство
  • Язык:
    Русский
    ,
    Формат файла:
    MS Word
    532,68 Кб
  • Опубликовано:
    2015-06-23
Вы можете узнать стоимость помощи в написании студенческой работы.
Помощь в написании работы, которую точно примут!

Пункт технического обслуживания и ремонта машин

СОДЕРЖАНИЕ

Введение

. Архитектурно-строительная часть

.1 Объемно-планировочные решения здания

.2 Конструктивные решения здания

.2.1 Фундаменты

.2.2 Каркас

.2.3 Стены

1.2.4 Перекрытия

1.2.5 Лестницы

.2.6 Перегородки

1.2.7 Крыша

1.2.8 Полы

.2.9 Окна, двери и ворота

1.2.10 Наружная и внутренняя отделка

.3 Спецификация и ведомости

.3.1 Спецификация элементов перемычек

.3.2 Спецификация элементов заполнения проёмов

.3.3 Спецификация сборных и железобетонных конструкций

.4 Генеральный план

.5 Технико-экономические показатели объёмно-планировочного решения зданий и генерального плана

.5.1 Технико-экономические показатели объёмно-планировочного решения здания

1.5.2 Технико-экономические показатели генерального плана

1.6 Экология

1.7 Энергосбережение

. Расчётно-конструктивная часть

2.1 Определение нагрузок и усилий

2.2 Определение расчетного пролета и конструктивной длины плиты

.3 Определение начального напряжения арматуры

.4 Расчет прочности продольных рёбер по нормальным сечениям

2.5 Расчет прочности продольных рёбер по наклонным сечениям на действия поперечной силы

2.6 Расчет полки ребристой плиты

2.7 Расчет прочности поперечных ребер

2.8 Расчет площади сечения рабочей арматуры поперечного ребра

2.9 Расчет на монтажные и транспортные усилия

3. Организационно-строительная часть

.1 Подсчет объемов работ

.2 Выбор монтажных механизмов

.3 Технологическая карта

.3.1 Область применения

.3.2 Организация и технология строительного процесса

.3.3 Требования качества и приемки работ

.3.4 Численный и квалификационный состав бригады рабочих

.3.5 Производство работ в зимнее время

.3.6 Указания по техники безопасности

.4 Календарный план

3.4.1 Выбор методов производства основных СМР и их технико-экономическое обоснование

.4.2 Определение технико-экономических показателей календарного плана

3.4.3 Описание календарного плана

.5 Строительный генеральный план

.5.1 Краткое описание строительного генерального плана

3.5.2 Организация складского хозяйства и расчет площадей открытых складов

3.5.3 Определение потребности во временных зданиях и сооружениях

.5.4 Организация временного водоснабжения

.5.5 Расчет временного электроснабжения

3.6 Основные указания по охране труда, технике безопасности, противопожарной и электробезопасности, энергосберегающим технологиям

4. Технико-экономическая часть

.1 Локальная смета

.2 Объектная смета

.3 Сводный сметный расчет строительства

.4 Расчет цены объекта на текущий период

.5 Технико-экономические показатели

.6 Расчет экономической эффективности

. Список используемой литературы

Введение

Строительная деятельность является одной из важнейших отраслей материального производства, обеспечивающей формирование среды обитания и деятельности людей, улучшение условий их жизни. Строительная деятельность включает работы по возведению и конструктивным изменениям зданий и сооружений, капитальный и текущий ремонт, а также изготовление сборных элементов на строительной площадке. При этом должно обеспечиваться качество работ, безопасность объектов строительства для жизни и здоровья граждан, сохранность имущества и окружающей среды.

За счет прогрессивной организации труда, умелого применения рациональных приспособлений и инвентаря, а также средства механизации можно добиться высокого качества работ, сокращения продолжительности и улучшения качества строительства, снижения затрат труда, полностью исключить потери раствора, кирпича, камней и других материалов. В конечном счете, это обеспечит повышение конкурентоспособности на рынке труда.

Были сокращены сроки строительства объекта на 2 дня.

При разработке проекта были применены современные строительные материалы. Тема проекта “ Пункт технического обслуживания и ремонта машин”.

1. АРХИТЕКТУРНО-СТРОИТЕЛЬНАЯ ЧАСТЬ

1.1 Объёмно-планировочное решение здания

Здание промышленное - Пункт технического обслуживания и ремонта машин, прямоугольной формы с размерами в плане 36х18м. Здание одноэтажное . В осях 1-7 и А-Г , высота этажа 4,2 м;. Здание без подвальное. При пожаре эвакуация людей будет осуществляться через двери расположенные в осях 1-2 , 5-6 , 6-7,Б-А,6-5 и , ворота в осях Г-В,В-Б . Здание каркасное. Пространственная жесткость и устойчивость здания обеспечивается совместной работой элементов каркаса, стропильной балкой и плит покрытия. По долговечности здание относится ко II степени, т.к. его конструктивные элементы рассчитаны на срок службы от 50 до 100 лет. По огнестойкости здание относится ко II степени, т.к. в нем запроектированы стены из железобетонных стеновых панелей, перегородки - из кирпича, перекрытие и покрытие - железобетонных ребристых плит, т.е. из несгораемых материалов. Класс ответственности здания - II.

Инженерное оборудование.

Водопровод - объединенный: хозяйственно-питьевой и производственно-противопожарный от внешней сети. Напор на вводе 20,0 м.

Канализация - раздельная, хозяйственно-бытовая и производственная в наружную сеть.

Отопление - центральное водяное с параметрами теплоносителя 150°+70°С.

Вентиляция - приточно-вытяжная с механическим побуждением и естественная.

Горячее водоснабжение - централизованное от наружной сети. Напор на воде 8 м.

Электроснабжение - от низковольтных сетей напряжением 380/220 В.

Освещение - лампами накаливания и люминесцентное.

Устройство связи - телефонная связь, пожарная сигнализация, радиотрансляционная связь.

1.2 Конструктивное решение здания

1.2.1 Фундаменты

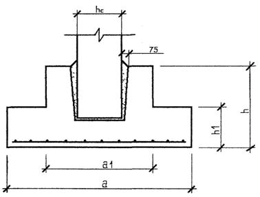
Фундаменты в здании запроектированы сборные железобетонные, стаканного типа ФА2-1, глубина заложения фундамента -1,500 м, отметка подошвы фундамента -1,650 м. Размеры фундамента стаканного типа назначены конструктивно: 1800х1800. На фундаменты устанавливаются бетонные столбики размерами 300х300х1000, на которые укладываются фундаментные балка размером 5050х200х300х300 под панельные стены, на фундаментные балки выполняют горизонтальную гидроизоляцию - 2 слоя рубероида.

Для защиты фундаментов от поверхностных вод по периметру здания выполнена бетонная отмостка шириной 0,8 м по щебеночному основанию толщиной 150 мм с уклоном 3 %.

Эскиз фундамента стаканного типа

1.2.2 Каркас

Проектируемое здание каркасное. Каркас состоит из колонн крайнего ряда марки К42-13 сечением 400*400 мм и высотой 5,1 м.

На оголовок колонны укладываются стропильные двухскатные балки марки 1БДР 12-1К7Т 17960*1480*280 мм, соединяются при помощи болтовых соединений.

Эскиз колонны


1.2.3 Стены

В здании запроектированы стены из стеновых железобетонных панелей толщиной 300 мм, которые крепятся к колоннам с помощью закладных деталей с последующей сваркой друг с другом, швы между панелями заполняются бетоном класса В. Привязка наружных стен нулевая 2-6, Б-В, и 500 в осях колонны 1,7 и А,Г

1.2.4 Перекрытие

В здании запроектированы сборные железобетонные покрытия из ребристых плит толщиной 300 мм. В местах вентиляции , над вент камерой плиты с отверстием ø 700мм. Плиты покрытия опираются на стропильную систему по слою цементного раствора М100. Анкеруются плиты между собой по двум сторонам через одну, кроме крайних. Анкера свариваются между собой путем наплавки арматуры на закладные детали.

Всего запроектировано два типа плит с размерами: 5970х1480х300 и, 5970х1480х300 с отверстием ø 700 мм под вентиляцию и под вент камеру.

Эскиз ребристой плиты


1.2.6 Перегородки

Перегородки в здании запроектированы из керамического одинарного кирпича толщиной 120 мм. Перегородки устраиваются по грунту на первом этаже . Кирпичи укладываются на раствор марки М150 с перевязкой швов. Над проемами в перегородках следует уложить брусковую перемычку сечением 120*140 мм длинной 1290 мм на слой цементного раствора. Армирование перегородок осуществляется проволокой Ø 3 ВрI. Перегородки не доходят до потолка на 20 мм, шов заделать монтажной пеной и заделывается раствором.

1.2.7 Крыша

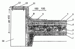
В проектируемом здании крыша скатная невентилируемая, с не организованным водоотводом. Сборное железобетонное покрытие, состоящее из ребристых плит, размерами 5980х1480х300мм, которые уложены на стропильные балки размерами в плане 17960х1480х280мм. Швы между плитами заделывают цементным раствором М-100. Анкеровку плит производить стальными анкерами АI Ø 10мм. Крыша утеплённая, по плитам выполнена пароизоляция - слой изолировочного материала “Элакром’ толщиной 5 мм, утеплитель (плит. “Теплоизоплит”) - 80 мм, выравнивающая стяжка (цементный раствор М-100) - 20 мм, рулонный ковер - “ Бироликрин ”. Уклон крыши составляет 16%. Для защиты стен используют парапетные плиты.

1.2.8 Полы

В проектируемом здании запроектировано 3 типа полов: по грунту. Конструкции полов (см . графическую часть, лист №1).

1.2.9 Окна, двери и ворота

В здании запроектированы 2 типа размеров дверей,2 типов окон и 1 тип ворот. Ведомость проемов(см. графическую часть, лист №1)

1.2.10 Наружная и внутренняя отделка

Наружная отделка.

Стеновые панели привозят полной заводской готовности, металлические ворота окрашиваются антикоррозийными красками по металлу. Двери окрашены атмосферостойкими красками светлого цвета.

Внутренняя отделка.

Внутренняя отделка здания: потолки в здании окрашиваются водоэмульсионными составами. Кирпичные стены оштукатуриваются и окрашиваются. В душевых кабинах и санузлах стены облицованы керамической плиткой на плиточном растворе. Установлены выключатели, розетки, подключено освещение.

1.3 Спецификации и ведомости

.3.1 Спецификация элементов перемычек

Таблица № 1.1

Позиция

Обоснование

Наименование

Всего

Масса

Прим.

1

2

3

4

5

6

1

Б1.0.38.1 вып. 1

1ПР1-12.12.14

22

54

-


1.3.2 Спецификация элементов заполнения проемов

Таблица № 1.2

Поз.

Обозначение

Наименование

Количество по фасадам

Масса, кг

Примечание




1-7

7-1

А-Г

Г-А

Всего



1

2

3

4

5

6

7

8

9

10

ОК1

СТБ 939-93

ОС 9-18

  3

  2

  3

--

 8


-

ОК2

СТБ 939-93

ОС 18-24

-

-

-

5



1

СТБ 1138-98

ДНДГ 9.24.Ф А

4

1

-

1

6


-

2

СТБ 1138-98

ДВМГ 8.21 В

12

-

5

5

22


-

ВР-1

СТБ 1138-98

ВМГ 48.30

-

-

-

2

2


-


1.3.3 Спецификация основных сборных железобетонных конструкций

Таблица № 1.3

Поз.

Обозначение

Наименование

Кол.

Масса ед.кг.

Прим.

1

2

3

4

5

6

Столбчатый фундамент

Ф-1

Серия 1.412.1/77

ФА 2-1 (1800×1500×1500)

18

1500

-

Фундаментные балки

ФБ-1

Серия 1.415-1в.1

ФБ 6-46 (5050×300/200×300)

17

900

-

Колонны

К-1

Серия 1.423-3 в. 0-1

К 72-13 (5100×400×400)

18

3300

-

Стропильные балки

БС-1

Серия 1.462.1-3/80

1 БДР 12-1К7Т (17960×890×290)

7

6900

-

Стеновые панели

ПС-1

ПС600.9.30-II-I

5980

300

880

1,58

18

 

ПС-2

ПС600.18.30-II-I

5980

300

1780

3,29

4

 

ПС-3

ПС600.12.30-II-I

5980

300

1180

2,12

11

 

ПС-4

ПС145.12.30-II

1450

300

1180

0,51

26

 

ПС-5

ПС55.12.30-II

550

300

1180

0,19

14

 

ПС-6

ПС295.12.30-II-I

2950

300

1180

1,04

8

 

ПС-7

ПС145.18.30-II-А

1450

300

1780

0,77

7

 

Плиты покрытия

П-1

Серия 1.465.1-7/84

2ПГ6-3АтУГЛ-1 (5980×1480×300)

68

2400

-

П-2

Серия 1.465.1-7/84

2ПГ6-3АтУГЛ-1 (5980×1480×300)

    4

        2200


Парапетные плиты

ПП-1

Серия 1.138 1-20 Выпуск 1

АП-30,4  2280-400


14

0,12

-

 

ПП-2

Серия 1.138 1-20 Выпуск 1

АП-14,4  1200-400


2

0,06

-

 

ПП-3

Серия 1.138 1-20 Выпуск 1

АП-10,4  800-400


2

0,04

-

 


1.4 Генеральный план

Здание размещается на участке со спокойным рельефом. Участок прямоугольной формы размером 36000*18000 м. Кроме проектируемого здания на участке расположены: склад запчастей, курилка. Разрывы между названными зданиями запроектированы с учетом санитарных и противопожарных норм по СНиП 2-60-75.

Между мастерской и курилкой - 4 м.

Мастерской и складом запчастей - 10м.

Ширина дорог - 6 м, тротуаров - 2 м.

Выполнена координационная привязка здания к осям строительной геодезической сетки. Абсолютная отметка, соответствующая нулевой 175,5 м.

1.5 Технико-экономические показатели объёмно-планировочного решения здания и генерального плана

.5.1 Технико-экономические показатели объёмно-планировочного решения здания

а) Площадь застройки - 6480 м2

б) Строительный объём - 4082,4 м3

в) Общая площадь - 648 м2

г) Рабочая площадь - 413 м2

д) К1 = 0,88

е) К2 = 1,59

1.5.2 Технико-экономические показатели генерального плана

а) Площадь участка - 2,16 га

б) Площадь застройки - 0,648 га

в) Площадь дорог - 0,192 га

г) Площадь озеленения - 1,32 га

д) К3 = 0,713

е) К4 = 0,628

1.6 Экология

Проектируемый объект вредных выбросов в атмосферу не дает. Проектом предусмотрен сбор бытового мусора и твердых бытовых отходов на основании

«Санитарные правила содержания территории населенных мест»

Для обеспечения должного санитарного уровня населенных мест и более эффективного использования парка специальных машин, заказчиком заключается договор с ЖКХ по удалению мусора по единой централизованной системе специализированным транспортом коммунальным предприятиям исполкома.

Мероприятия по охране окружающей среды:

при выполнении планировочных работ почвенный слой, пригодный для последующего использования, необходимо предварительно снять и складировать в специально отведенных местах;

не допускается при уборке отходов и мусора сбрасывать их с этажей зданий и сооружений без применения закрытых люков и бункеров наполнителей. Собрать мусор без желобов или других приспособлений разрешается с высоты не более 3 метров;

запрещается хранить строительный мусор на строительной площадке, его необходимо вывозить на свалку;

материалы, содержащие вредные или взрывоопасные растворители необходимо хранить в герметически закрытой таре;

все механизмы, работающие от двигателей внутреннего сгорания проверить на токсичность выхлопных газов;

применения строительных машин с электроприводом и использования для нужд строительства, электроэнергии взамен твердого или жидкого топлива.

При нарушении правил электробезопасности возможно поражение людей током. Безопасным можно считать напряжение 12 и 36 В.

Для предотвращения несчастных случаев все доступные для случайного прикосновения токоведущие части ограждают сетками или щитами. Оголенные места токоведущих частей изолируют, а токоприемные устройства заземляют.

Работа монтажных механизмов непосредственно под действующей линией электропередачи не допускаются, а вблизи линий электропередачи возможна лишь по особому наряду - допуску, выдаваемому ответственному инженерно - техническому работнику.

При поражении человека электрическим током необходимо быстро освободить его от действия тока и немедленно оказать медицинскую помощь.

2. Расчетно-конструктивная часть

.1 Расчет колонны первого этажа

Рассчитать и сконструировать колонну среднего ряда двухэтажного здания с плоской кровлей при случайных эксцентриситетов (еo=еa). Высота этажа H=4,2 м. Сетка колонн 6x3м. Здание возводится во III климатическом районе. Членение колонн поэтажное. Ригели опираются на консоли колонн. Класс бетона по прочности C25/30, продольная арматура S500. Коэффициент назначению γn=0,95.

2.1.1 Определение нагрузок и усилий

Грузовая площадь от перекрытия и покрытия при сетке колонн 6x3м, равна 18м². Подсчет нагрузок сведен в табл. 2.1. При массе ригеля на 1м длины составит h×b×p=0,6·0,4·2500=600кг, на 1м² 600/6=100кг=1000Н.

Таблица 2.1 Нормативная и расчетная нагрузка

Вид нагрузки

Нормативная  нагрузка Н/м

Коэф-т надежности

Расчетная нагрузка Н/м

1

2

3

4

От покрытия:

-от 2-х слоев рубероида

80

1,35

108

-от цементного выравнивающего слоя: t=0,05м; р=1600кг/м.

800

1,35

1080

-от пароизоляции в 1 слой

40

1,35

54

-от сборной ж/б плиты

2500

1,35

3375

-от ригеля

1000

1,35

1350

Итого:

4420


          5967

Кратковременная 

700

1,5

1050

Длительная 

300

1,5

450

Постоянная + длительная

1000


1500

Всего от покрытия

5420


7467


Сечение колонны bcxhc=40x40см. Расчетная длина колонны первого этажа с учетом некоторого защемления. Учет защемления предполагает тщательную заделку колонны в стакане фундамента:

=0,7Н1=0,7·4,2=2,94м;

Собственный расчетный вес колонны на один этаж:

в первом этаже:

=bc·hc·Hf1·p· γf=0,4·0,4·4,2·25·1,1=9,4кН;

2.1.2 Подсчет расчетных нагрузок

Длительно действующая нагрузка определяется:

´ld=Nld,пок·Ac+(n-l)·Nld,пер·Ac+(n-l)·Gc+Gcl= =6417·36+22,680=253,7кН

Полная определяется:

´=N·Ac+(n-l)·Nпер·Ac+(n-l)·Gc+Gcl =74670·36+22,680= 291,5кН

2.1.3 Расчет продольной арматуры колонны

(алгоритм 8)

Усилия действующие на колонну с учетом γη=1 будет равно:

Nsd=N´·γn=291,5 *1=291,5 кН, Nsd,ld=253,7 кН

Вычисляем эксцентриситет:

еа=hc/30=40/30=1,33 см;

еа=lo/600=294/600=0,49см;

еа=2см.

) Принимаем еа=2см;

) Nsd=291,5 кН; Nsd,ld=253,7 кН; fcd=16,6МПа; a=1; fyd=450МПа; l0=2,94м.

) Задаемся φ = 1; принимаем рl= pl,opt-0,01;

) Ас =1600 см²;

5) KLt=1+Nsd,ld/Nsd=1+253,7/291,5 кН =1,87;

) leff =l·√KLt=294·1,87=402,04 cм;

8) λi=leff/h=402,04/40=10,05

9) еа /h=2/30=0,005; По таблице 7.2 принимаем φ=0,8;

10) As1,tot=(Nsd/φ-α·fcd·Ac))/fyd=(253,7 /0,8-1·1,66·1600)/36,5=-64,08cм2;

Принимаем 8Ø16, S400 с As=16,08см2;

Определяем ρl=As,tot/Ac=0,03; Сравниваем получившееся значение ρl с допустимым:

,003<0,03=0,03; условие удовлетворяется;

11) NRd=φ(a·fcd·Ac+fyd-As,tot)=0,8·(1,66·1600+36,5·16,08)=2594,3кН.

12) Nsd<NRd; 253,7 < 2594,3; Несущая способность обеспечена.

2.1.4 Расчет поперечной арматуры колонны

Назначаю поперечную арматуру по конструктивным требованиям: ØW= Ø \3,5=16\3,5=5 мм, класс S500; Шаг S=250мм < 20· Ø =20*16=320 мм;

2.1.5 Расчёт консоли колонны

Расчёт размеров консоли:

L=Vsd,риг/(Ψ·fcd·bриг ·sinӨ),

где ψ= 0,75- коэффициент, учитывающий неравномерное давление ригеля на опорную консоль, fcd - расчетное сопротивление местному сжатию. Поперечная сила на опоре ригеля равна

,риг=qриг·lср/2=21,45·8,8/2=94,7кН,

откуда

риг=(q´+p´)·Bp+hp·bp·ρo·γf=7467·6+0,6·0,3·25·1,35=44,80+6,075=50,875кН/м,

где hp и bp - размеры поперечного сечения ригеля,

Bp - шаг ригеля.

lср=l-2·h/2-2·t=6-2·0,4/2-2·0,002=5,6м - расчетная длина ригеля, t - зазор между торцом ригеля и гранью колонны (принимается от 15 до 20 мм). α=13,5fctd/fcdl для бетонов класса С25/30 и выше.

Отсюда L=Vsd,риг/(Ψ·fcd·bриг ·sinӨ)=142,45/(0,75·1,66·30·0,707)=5,39см.

Наименьший вылет консоли с учетом зазора составляет l1=L+t=6+2=8см, но не менее 20 см при этом расстояние а= ℓ1- L/2=22-20/2=12 см

Высота консоли в сечении у грани h=0,7·0,6=42cм. d=h-c=42-3=39cм. У коротких консолей (ℓ1<0,9d)угол у сжатой грани с горизонталью не должен превышать 45.Высота консоли в сечении у грани h=(0,7-0,8) hр, при этом h1=22> h/2=30/2=15см. Поскольку ℓ1=22 см <0,9d=0,9х39=35, консоль короткая

Расчёт прочности наклонного сечения

,риг=94,7кH < 0,8·φwx ·fcd ·l·b·sinӨ=0,8·1,02·1,66·12·60·0,707=689,7кН;=Es/Еc=200/29,5=6,77; ηw1 = 1 + 5 .αЕ . ρsw = 1 + 5 . 6,77 . 0,0006 = 1,02.

psw=Asw/(b·S)=2·0,198\(60·10)=0,00066; Консоль армируют горизонтальными каркасами ØW=6мм; S240; S=100мм

Расчёт площади сечения рабочей арматуры

=Vsd ·a=142,45*12=1709,4кН·см

Площадь сечения продольной арматуры:

=1,25·Mk/(fyd ·d·φ)=1,25·1709,4/(36,5·39·0,7)=2,14см².

Принимаем 2Ø12, S400 с AS1=2,26см2;

.1.6 Расчет колонны на монтажные и транспортные усилия

При перевозке и монтаже изменяется характер работы колонны.Она начинает работать на изгиб. Ее расчетная схема при перевозке принимает вид

≈ 0,2 lcol; lcol = lo + hзад; hзад ≈ 700 мм;= 3,8 ; l1 = 0,2 . 4,2 ≈ 0,84 м= lcol - 2 l1 = 4,2 - 2 . 0,8 = 2,52 м; q = b . h . γ. γf . γd = 0,4 . 0,4 . 25 . 1,1 . 1,6 = 6,43 кН/м; М1 = q . l12 / 2 = 6,43 . 0,82 / 2 = 2,28 кН . м

                                                                                q

 

 

              l1                         l2                           l1   

 

                                      lcol

 

                                   M1                                      M1

 

 

 

 

М2 = q . l22 / 8 - М1 = 6,43. 2,522 / 8 =5,1-2,28=2,82 кН . м;

При монтаже расчетная схема колонны принимает вид:

                                                                                q

 

 

 

                                   l3                              l1

 

                                                  М1

 

 

 

                                                      М3

l3 = lcol - l1= 4,2 - 0,84 = 3,36 м; М3 = 6,43 . 3,362 / 8 -2,82 / 2 = 7,66 кН . м;

Проверяем прочность колонны как изгибаемого элемента прямоугольного профиля на действие Мsd = max {M1; M2; M3} = 7,66 кН м. Мsd = 7,66 кН . м; fcd = 16,67 МПа; α = 1; fyd = 365 МПа; b = 0,4 м; h = 0,4 м; с = 4 см; Аs1 =16,08 см2; d = 0,36 м; ξlim = 0,601;

1)    ξ = fyd . Аs1 /α . fcd .b .d = 36,5*16,08. /1 .1,66 . 40 .36 = 0,24;

3) ξ < ξlim; 0,26 < 0,601;

)α0 = ξ(1 - 0,5 ξ) = 0,24 (1 - 0,5 . 0,24) = 0,21;

4)    MRd = α . fcd .b .d2 . α0 = 1 . 1,66 . 40 . 362 . 0,23 = 18,071 кН . см;

5)      Msd ≤ MRd; 389 кН . см ≤ 18,071 кН . см;

Несущая способность обеспечена.

При подъеме вес колонны может передаваться на одну петлю. Усилие в ней составит

 = q . lcol = 6,43 . 4,2 = 27,006 кН.

Требуемая площадь сечения петли будет равна

1Тр = N / fyd = 15,05 /21,8 = 1,24 см2;

Принимаем ø12 S240 с Аs1 = 1,313 см2

2.2 Расчет монолитного центрально-нагруженного фундамента под колонну

Рассчитать и сконструировать ж/б фундамент под колонну среднего ряда. Бетон тяжелый класса С12/15, арматура класса S400, конструктивная арматура класса S240. Условное расчетное сопротивление основания R0=0,3МПа. Глубина заложения фундамента H1=-1,7. Средний удельный вес грунта на его уступах γср= 20 кН/м³.

2.2.1 Определение нагрузок на фундамент

Расчетная нагрузка колонны первого этажа с учетом γf =1,15; N1=291,5кН; fcd=8МПа.

Определяем нормативную нагрузку на фундамент: Nn=N1/γf =291,5/1,15=253,48кН.

2.2.2 Расчет тела фундамента

Требуемая площадь подошвы фундамента:

Аф=Nn/(Ro-γcp·H1)=253,48/(300-20·1,3)=1,27м2;

Размеры стороны в фундамента плане:

ф=√АфТр=√1,27=1,13м;

Принимаем размер подошвы фундамента 1,8×1,8м; Аф=3,24 м²

2.2.3 Определение высоты фундамента

Вычисляем наименьшую высоту фундамента

) Из условия продавливания его колонной по поверхности пирамиды продавливания при действий расчетной нагрузки:

Ргр=N1/Аф=291,5/3,24=89,97кПа

ho=-(hk+bk)/2+(√N1/(fcd+Ргр))/2=-(0,3+0,3)/2+(√291,5/(73,3+89,97))/2=0,97м.

=-(0,3+0,3)/2+(√291,5/(73,3+89,97))/2=0,97м.


Полная минимальная высота фундамента hф ≥ ho+c=73+3=76см, с - защитный слой.

2) Высота фундамента из условия заделки колонны в зависимости от размеров её сечения: h=1,5·hk+25=1,5·30+25=70см.

3) Из конструктивных соображений, учитывая необходимость надёжно закрепить стержни продольной арматуры при жёсткой заделке колонны в фундаменте, рекомендуется принимать равной не менее: h=30·ds+25=30*1,6+25=73см. Принимаем высоту фундамента h=90cм, кратно 15см. Число ступеней - 2. Высота нижней ступени - 45см. а=1,8м, а1=1900 мм

=0,125·ргр·(aф-hk)²·bф=0,125·89,97·(1,8-0,3)2·1,8=45,55кН·м;=0,125·ргр·(aф-a1)²·bф=0,125·89,97·(1,8-0,6)2·1,8=29,15кН·м;

Определяем рабочую высоту расчетных сечений:

1=h1-c=450-40=410 мм; а2=hф-с=900-40=860 мм.

2.2.4 Определение площади рабочей арматуры

Определяем требуемую площадь сечения арматуры рабочей сетки:

AsI=Msd1/(0,9·fyd· d)=4555/(0,9·36,5·86)=1,61см2;=Msd2/(0,9·fyd·d1)=2915/(0,9·36,5·41)=2,16см2;

As1, min1 = ρl, min . bф . d1 = 0,0015 . 180 . 41 = 0,000594 м2 =11,07 см2;

As1, min2= ρl, min . bобр . d2 = 0,0015 . 90 . 86 = 0,001296 м2 = 11,61 см2;

Требуемую площадь сечения арматуры рабочей сетки принимаем наибольшей из следующих величин:

Таблица 4.1

S

100

150

200

       1800 n= ---          S

18

12

9

        11,61 As= ---            n

0,645

0,97

1,29

Øтр

Ø10; 0,785

Ø12; 1,313

Ø12; 1,313

As1=n·Øтр

14,13

15,756

11,817


Проектируем рабочую сетку

Принимаем сетку из арматуры диаметром 12мм, класса S400, с шагом S - 200мм.

3. ОРГАНИЗАЦИОННО-СТРОИТЕЛЬНАЯ ЧАСТЬ

3.1 Подсчет объемов работ

Ведомость подсчета объемов работ

Таблица № 3.1

Наименование

Схемы и формулы подсчета

Ед. изм.

 Кол-во

1. Строительный объем здания     

 м34082,4



 

 2. Срезка растительного слоя грунта

Fср = (a + 20)*(b + 20) = (42,28+20)*(12+20)      

м2

2128

3. Объем фундамента для определение обратной засыпки пазух

Vфс=Vф*n= 2*21

м3

37,98

4.Обратная засыпка пазух фундаментов

м3194,23



5. Разработка грунта с погрузкой в транспортное средство

= Vк -Vоз = 291,9-238 м3

47,69


6. Доработка грунта вручную на 0,1м.

Vрд = Ак*Вк *0,1*n   Vрд = 2,2*2,2*0,1*21

м3

16,2

7. Разработка грунта под фундаментные балки.

V= 0,4*0,4*Lфб*n  V1 = 0,4*0,4*5,05*15 V2 = 0,4*0,4*2,05*5

м3

23,736

8.  Уплотнение грунта в пазухах фундамента при засыпке.

м2971,15



9. Вертикальная гидроизоля-ция по ленточным фундаментам

Fвг = Lф*Нвг Fвг = (4*0,9*1,2)*21

м2

77,76

10. Горизонтальная гидроизоляция

Fггл = Lфл*Bв                   Fггл =0,61*21

м2

10,98

11. Горизонтальная гидроизоляция по фундаментным балкам

Fггб = Lфб*Вфб*n Fггб = 86*0,3

м2

25,755

12. Площадь уплотнения грунта под полы

Fпу = (а-2п1)(в-2п2)-Lвс*Ввс-Ак*Вк*n Fпу = (30-2*0)*(18-2*0)-2,92-300*300*21

м2

507,7

13. Объем подсыпки грунта под полы

Vпп = Fпу*Нп Vпп = 520*0,1

м3

50,77

14. Устройство бетонной подготовки под полы

Vбп = Fпу*Нбп Vбп =535,19*0,08+65,7*0,04

м3

2,23

15. Длина горизонтальных швов между панелями

Lгш = Lсп*n

м

356,8

16. Длина вертикальных швов между панелями

Lвш = Нсп*n

м

      276

17. Устройство перегородок

Fпер = Lпер*Hпер-Fпр Fпер1 = 15,6*4,2-3,3 Fпер2 = 49,3*3-10,77

м2

712,32

 

18. Устройство вентшахт

Fвш = Авш*Ввш*n  Fвш = 1,7*1,2*2 м2-



 

19. Устройство кровли

Fк = Lк*Bс Fк = 19,8*30

м2

648

 

20. Площадь покрытия парапетов рулонными материалами

Fп = Lп*Вп Fп = (18,6*0,4)*2

м2

162

 

21. Устройство бетонных полов

По экспликации полов

м2

422,7

 

22. Устройство плиточных полов

По экспликации полов

м2

15,2

 

23. Объем работ по окраске фасада здания

Fфо = П*Нст Fфо = (18,6*9,6+8,5*30)*2

м2

-

 

24. Устройство отмостки

Fот = Вот*(П-Lк) Fот = 0,8*(98,4-1,4)

м2

76,8

 

25. Площадь крылец

Fк = Lк*Bк = 2,1*1

м2

14

 


Подсчет объема котлована

Таблица № 3.2

Длина по низу Ак, м

Ширина по низу Вк, м

Глубина, Нк, м

Показатель крутизны откоса, m

Длина по верху Ск, м

Ширина по верху Dк, м

Схемы и формулы подсчета

Объем котлована, м3

Количество котлованов, n

Общий объем, м3

1

2

3

4

5

6

7

8

9

10

29,2

13,2

1,3

0,25

22,85

13,85


402,18



49,2

25,2

1,3


49,85

25,85


1556,38



Итого:

1958,56


Подсчет объёмов сборных железобетонных конструкций.

Таблица № 3.3

Наименование

Размеры, мм

Объём элемен-тов, м3

Кол-во

Общий объём м3

Масса элемен-тов, кг

Эскиз



Дли-на

Ши-рина

Вы-сота






1

2

3

4

5

6

7

8

9

10

Столбчатый фундамент

Ф-1 ФА 2-1

1800

1800

1500

2

18

92

1500

Фундаментные балки

ФБ-1 ФБ 6-46

5050

300/ 200

300

0,378

17

11,72

900

Колонны

К-1 К 72-13

5100

400

400

0,729

18

31,35

3300

Стропильные балки

БС-1 1БДР 18-1К7Т

17960

200

1380/890

4,52

7

72,32

8400

Плиты перекрытия и покрытия

П-3 2ПФ6-2Ат-У1Л-1

5980

1490

300

0,67

68

16,08

1100



П-3 2ПФ6-2Ат-У1Л-1

5980

1490

300

0,67

4

6,08

1100


             Стеновые панели

ПС-1 ПС600.9.30-II-I

5980

300

880

1,58

18



         


ПС-2 ПС600.18.30-II-I

5980

300

1780

3,29

4





ПС-3 ПС600.12.30-II-I

5980

300

1180

2,12

11





ПС-4 ПС145.12.30-II

1450

300

1180

0,51

26





ПС-6 ПС55.12.30-II

550

300

1180

0,19

14





ПС-9 ПС295.12.30-II-I

2950

300

1180

1,04

8





ПС-10 ПС145.18.30-II-А

1450

300

1780

0,77

7




Перемычки

ПР-1 1ПР1-12.12.14

1290

120

140

0,022

22

1,52

54

Парапетные плиты

ПП-1 АП-24.4

2380

400

160/ 50

0,12

14

7,08

195


ПП-2 АП-33.4

1200

400

160/ 50

0,19

2

1,9

270



ПП-2 АП-33.4

800

400

160/ 50

0,19

2

1,9

270


Карнизная плита

         КП-1         АП-33.4

2400

  600

600

0,19

30

     2,1

    320



Подсчет площадей столярных изделий

Таблица № 3.4

Наименование изделия

Марка изделия

Размеры, мм

Площадь изделия

Коли-чество

Общая площадь м2

Переводной коэф. к окраске

Площадь окраски

 



Ширина

Высота






 

1

2

3

4

5

6

7

8

9

 

Окна

ОК-1 ОС 9.18

3020

3000

9,12

7

63,84

Заводская  готовность

-

 


ОК-2 ОС 24.18

1520

2710

4,13

5

20,65


-

 

Всего окна:

-

-

-

-

12

84,49


-

 

Двери

1 ДНДГ10.24Ф А

1010

2400

2,42

7

16,94


-

 


2 ДВДГ9.24.Ф Г

910

2400

2,18

22

47,96


-

 

Всего двери:

-

-

-

-

29

64,9


-

 

Ворота

ВР-1 ВМГ 48.30

3000

3000

9

2

18


-

 

Всего ворота:

-

-

-

-

2

18



Подсчет объемов отделочных работ

Таблица № 3.5

Наименование

Длина по периметру, м

Высота, м

Площадь, м2




Брутто с проемами

Проемов

Нетто без проемов

Штукатурки

Обработки стеновых панелей

Облицовки

Масляной окраски

Акриловой окраски

1

2

3

4

5

6

7

8

9

10

11

1

16.1

4,2

67,62

6,314

61,3

61,3




-

2

19

4,2

79,8

8,5

71,3

71,3




-

3

15,1

4,2

63,42

6,314

57,1

57,1




-

4

16,1

4,2

67,62

6,314

61,3

61,3




-

5

33,7

4,2

141,54

4,568

136,97

136,97




-

6

52

4,2

218,4

18,12

200,28

200,28




-

7

8,2

4,2

34,44

-

34,44

34,44




-

8

17,2

4,2

72,24

2,184

70,06

70,06




-

9

47

4,2

197,4

9

188,4

188,4




-

10

20

4,2

126,42

13,49

112,93




-

11

98,3

4,2

412,86

26,73

386,13

386,13




-

12

20,1

4,2

84,42

4,60

79,81

79,81




-

13

17,4

4,2

73,08

4,60

68,48

68,48




-

14

11

4,2

46,2

2,42

43,78

43,78




-

15

7

4,2

29,4

2,42

26,98

26,98




-

16

8,1

4,2

34,02

2,42

31,6

31,6




-

17

9

4,2

37,8

2,184

35,6

35,6




-

18

18

4,2

75,6

2,184

73,4

73,4


146,4


-

19

14,8

4,2

62,16

2,184

59,97

59,97




-

20

1,7

4,2

7,14

2,184

4,95

4,95




-

21

20

4,2

84

11,3

72,7

72,7




-

22

3,4

4,2

14,28

2,184

12,09

12,09




-

23

5,2

4,2

21,84

4,36

17,48

17,48




-

24

5,1

4,2

21,42

2,184

19,23

19,23




-

25

10,6

4,2

44,52

2,184

42,33

42,33




-

26

13,6

4,2

57,12

11,3

45,82

45,82


91,64


-

27

1,7

4,2

7,14

2,184

4,95

4,95




-

28

3,4

4,2

14,28

2,184

12,09

12,09




-






1978,1



238,04


-


3.2 Выбор монтажных механизмов

Таблица монтажных элементов

Таблица № 3.6

Наименование элемента

Марка

Размеры в мм.

Масса, т.

Приме-чание.




длина

ширина

высота



1

Фундаментная балка

ФБ 6-46

5050

300/200

300

0,9

-

2

Стропильная балка

1БДР 18-1К7Т

17960

200

1640/890

8,4

-

3

Стеновая панель

 ПС630.18.30-II-21

5980

300

1780

4,9

-


Рис. 1. Схема монтажа фундаментных балок

Расчет параметров крана

Таблица № 3.7

Наименование элемента.

Расчётные параметры конструкций и кранов.

Требуемые параметры кранов.



qэ, т

qт, т

h0, м

hз, м

hc, м

hэ, м

hn, м

d, м

Q, т

  Нкр, м

   Нст, м

lст, м

 Lст, м

1

Фундаментная балка

0,9

0,386

0,45

2,0

3,5

0,3

2,0

2,5

1,29

6,25

8,25

4,23

7,28

3

Стропильная балка

8,4

0,62

7,0

2,0

3,6

1,64

2,0

9,0

9,02

14,44

16,44

10,0

16,44

5

Стеновая панель

4,9

0,53

7,2

2,0

2,5

1,8

2,0

3,0

5,43

13,5

15,5

7,2

15,09


Рис. 2. Схема монтажа стропильных балок

Рис. 3. Схема монтажа стеновых панелей

По определенным требуемым параметрам кранов по справочному пособию «Строительные краны» подбираем для монтажа фундаментных балок 2 крана КС-4361 и МКП-16, для монтажа стропильных балок кран МКП-20 и КС-5361, для монтажа стеновых панелей кран МКП-16, КС-5361.

Для окончательного выбора монтажных кранов выполняем их сравнение по технико-экономическим показателям.

Технико-экономические показатели кранов (стреловых).

Таблица № 3.8

Показатель

Ед. изм.

Сравниваемые краны для




Фундаментная балка

Стропильная балка

Стеновая панель




КС-4361

МКП-16

МКП-20

КС-5361

МКП-16

КС-5361

1

Длина стрелы

м

20

18

18

20

15

20

2

Вылет стрелы

м

6,5-18,0

5,0-16,0

4,7-15,7

5,5-18,0

5,0-15,5

5,5-18,0

3

Грузоподъемность

т

5,5-1,30

9,0-1,6

15,0-1,8

17,0-1,85

11,5-2,0

17,0-1,85

4

Высота подъема крюка

м

18,3-9,8

18,0-13,0

22,0-17,0

18,0-10,2

15,0-10,0

18,0-10,2

5

Масса крана

т

24,3

24,0

33,0

31,9

24,0

31,9

6

Мощность мотора

кВт

55,2

55,2

73,6

88,3

55,2

88,3

7

Себестоимость маш.-см

руб.

32,2

34,4

36,5

42,3

35,3

42,3

перемычка железобетонный арматура сечение

Исходя из требуемых параметров и для удешевления СМР по справочному пособию «Строительные краны» принимаем краны: для монтажа фундаментных балок - КС-4361 с длиной стрелы 20 м; для монтажа стропильных балок КС-4361 с длиной стрелы 20 м; для стеновых панелей МКП-16 с длиной стрелы 15 м.

 

Грузовая характеристика крана МКП-20 Lст = 20 м

3.3 Технологическая карта

3.3.1 Область применения

1. Технологическая карта разработана на устройство кровельного покрытия из рулонного кровельного материала Биполикрин. Биполикрин представляет собой рулонный материал, состоящий из стекловолокнистой или полиэфирной основы, покрытой с двух сторон слоем битумно-полимерного вяжущего, состоящего из битума, модифицированного полимерами и наполнителями.

. Биполикрин выпускается следующих марок в зависимости от области применения:

Биполикрин -К - для устройства верхнего слоя кровельного ковра, а также его модификация Биполикрин «КХ» на основе стеклохолста;

Биполикрин -Н - для устройства нижнего слоя кровельного ковра (и оклеенной гидроизоляции), а также его модификация Биполикрин «НХ»;

Биполикрин -супер - для устройства однослойного кровельного ковра.

. В состав работ, рассматриваемых картой, входят наклейка двух- и трехслойного (из материалов Биполикрин -К и Биполикрин -Н) или однослойного кровельного ковра из материала Филизол-супер, а также устройство кровли с применением Биполикрин «КХ» и «НХ».



3.3.2 Организация и технология строительного производства

Подсчет объемов работ:

Таблица № 3.9

Наименование работ

Схемы и формулы подсчета

Ед.изм.

Количество

1. Площадь кровли

Fк =  L к х  Вк

м2

6,48

2. Устройство гидроизоляции

Fги =  (L к +1) х  (Вк + 1)

м2

6,48

3. Площадь пароизоляции прокладочной в один слой из полиэтиленовой пленки

Fпи = Fк х Нрп

м2

6,48

4. Площадь стяжки

Fст = Fк

м2

6,48

5. Площадь рулонного ковра

Fрк = (L к +0.2) х  (Вк + 0.2)

м2

6,48

6.  Устройство теплоизоляции

Vут = Fк х Нрут х В ут

м3

6,48

7.  Количество раствора на устройство стяжки

Vрс = Fст х Нрр

м3

13

8. Длина примыканий кровли к парапету

L пер.к. - по рабочим чертежам

м

36


. До начала устройства кровли должны быть выполнены и приняты: все строительно-монтажные работы на изолируемых участках, включая замоноличивание швов между сборными железобетонными плитами, установку и закрепление к несущим плитам или к стальным профилированным настилам водосточных воронок, компенсаторов деформационных швов, патрубков (или стаканов) для пропуска инженерного оборудования, анкерных болтов, антисептированных деревянных брусков (или реек) для закрепления изоляционных слоев и защитных фартуков;

слои паро- и теплоизоляции, стяжки и затем проведена контрольная проверка уклонов и ровности основания под кровлю на всех поверхностях, включая карнизные участки кровель и места примыканий к выступающим над кровлей конструктивным элементам.

Проверочные работы должны включать:

соблюдение проектных уклонов от водораздела и других высших отметок ската кровли до самых низших - водосточных воронок; для этого сначала следует устанавливать нивелир и с помощью рейки определить их отметки. Уклоны определяются отношением превышения отметок к расстоянию между замеряемыми точками. Если окажется, что уклон основания меньше проектного, необходимо исправить стяжку, доведя все отметки до проектных значений;

натянуть шнур между всеми высокими точками или на водоразделе и низкой точкой возле воронки с целью проверки соблюдения уклона по всей поверхности основания на скате и исправить места, где будут обнаружены контруклоны (обратные уклоны);

проверить ровности всей поверхности основания. Для этого приложить к поверхности стяжки вдоль и поперек ската трехметровую рейку; просвет между поверхностью основания и рейкой не должен превышать 10 мм .

Если все требования проекта к качеству основания соблюдены, можно поверхность стяжки огрунтовать.

. При устройстве кровель с применением наплавляемых рулонных материалов должны выполняться требования норм по технике безопасности в строительстве, действующих правил по охране труда и противопожарной безопасности.

. Для устройства кровельного ковра применяют следующие материалы:

наплавляемые рулонные материалы Биполикрин (ТУ 5770-008-05108038-97). Показатели физико-механических свойств материалов Биполикрин; герметизирующие мастики «Эластосил», УТ-32 и другие, удовлетворяющие требованиям ГОСТ 25621-83 для герметизации мест примыкания кровельного водоизоляционного ковра.

На эксплуатируемых кровлях (крышах-террасах) в качестве разделительного слоя рекомендуется применять холст из синтетических волокон по ТУ 6-19-290-83.

Для компенсаторов деформационных швов, элементов наружных водостоков и отделки свесов карнизов применяют материалы в соответствии с требованиями СНиП II-26-76 или серии 1.010-1.

. Работа по устройству кровли из Филизола в соответствии со схемой организации рабочего места должна быть включена в монтажный цикл с тем, чтобы использовать башенный кран для подъема рулонных материалов, а в случае отсутствия следует использовать крышевой кран .

. Работа по устройству кровли должна быть организована таким образом, чтобы до минимума сократить непроизводительные перестановки механизмов и переходы рабочих, а также перемещение и переноску Биполикрин .

. Для обеспечения качества кровли, ровности основания:

перед выполнением теплоизоляции производят нивелировку поверхности несущих плит для установки маяков, служащих основанием под рейки для укладки монолитной теплоизоляции полосами на необходимую высоту.

. Теплоизоляционные работы совмещают с работами по устройству пароизоляционного слоя (если он требуется по проекту), выполняя их «на себя». Это повышает сохранность теплоизоляции при транспортировании материалов.

. Теплоизоляционные плиты должны плотно прилегать друг к другу. Если ширина швов между плитами превышает 5 мм, то их заполняют теплоизоляционным материалом .

 <#"890552.files/image026.jpg"> <#"890552.files/image027.gif"> <#"890552.files/image028.gif"> <#"890552.files/image029.gif"> <#"890552.files/image030.gif">

Наклейка рулона без применения катка

Примыкание кровли к парапету высотой до 450 мм

 <#"890552.files/image032.gif">

А, Б, - для основного кровельного ковра; В, Г - для дополнительного кровельного ковра

- стена вентшахты; 2 - нижний слой основного кровельного ковра; 3 - верхний слой (с крупнозернистой посыпкой) основного ковра; 4 - наклонный бортик; 5 - основной кровельный ковер; 6 - нижний слой дополнительного ковра; 7 - верхний слой (с крупнозернистой посыпкой) дополнительного ковра

Рис. 14 Раскладка и раскрой полотнищ наплавляемого рулонного материала при устройстве кровельного ковра на поверхности внешнего угла

- сборная железобетонная плита покрытия; 2 - пароизоляция; 3 - теплоизоляция; 4 - выравнивающая стяжка; 5 - основной кровельный ковер; б - крупнозернистая посыпка; 7 - рамка из уголка; 8 - зонт; 9 - хомут; 10 - труба; 11 - патрубок с фланцем; 12 - герметизирующая мастика

Примыкание кровли к трубе

- сборная железобетонная плита покрытия; 2 - пароизоляция (по расчету); 3 - теплоизоляция; 4 - выравнивающая стяжка; 5 - основной кровельный ковер; 6 - крупнозернистая посыпка верхнего слоя наплавляемого рулонного материала; 7 - рамка из уголка; 8 - герметизирующая мастика; 9 - анкер

Пропуск анкера через кровельный ковер


<http://expertservice.ru/2006/07/13/tipovaja_tekhnologicheskaja_karta_na_ustrojjstvo_krovel_iz_naplavljaemogo_rulonnogo_materiala_filizol_mjagkaja_krovlja_chast_3.html>21. Работу по устройству кровли из Биполикрин выполняет бригада кровельщиков, состоящая из 2-х или 3-х человек:

один кровельщик работает с горелкой для расплавления наплавленного слоя, регулирует быстроту движения и контролирует качество работы;

второй кровельщик подносит рулоны Биполикрин в рабочей зоне, раскатывает каждый рулон на 2 м на участке приклейке с целью уточнения направления и нахлестки, затем скатывает полотно снова в рулон;

третий кровельщик выполняет работу по раскатыванию рулонов Биполикрин и уплотнению нахлесток, например, катком ИР-735.

Разогревая покровный (приклеивающийся) слой наплавляемого материала с одновременным подогревом основания или поверхности ранее наклеенного изоляционного слоя, рулон раскатывают, плотно прижимая к основанию.

Работы можно выполнять с применением дифференциального катка ИР-830

. При наклейке рулонного материала звеном из 2-х человек рабочий с горелкой размещается, как показано на Рис. 8.

. У мест примыкания к стенам, парапетам и т.п. кровельные рулонные материалы наклеивают полотнищами длиной до 2 м. Наклейку полотнищ из наплавляемых рулонных материалов на вертикальные поверхности производят снизу вверх при помощи ручной горелки.

. В местах примыкания кровли к парапетам высотой до 450 мм слои дополнительного ковра заводят на верхнюю грань парапета, затем примыкание обделывают оцинкованной кровельной сталью, которую закрепляют при помощи костылей. При пониженном расположении парапетных стеновых панелей (при высоте парапета не более 200 мм) наклонный переходной бортик устраивают из бетона до верха панелей.

При устройстве кровли с повышенным расположением верхней части парапетных панелей (более 450 мм) защитный фартук с кровельным ковром закрепляют пристрелкой дюбелями, а отделку верхней части парапета выполняют из кровельной стали, закрепляемой костылями или из парапетных плиток, швы между которыми герметизируют.

. Конек кровли (при уклоне 3 % и более) усиливают на ширину 150...250 мм с каждой стороны (Рис. 11), а ендову - на ширину 500...700 мм (от линии перегиба) одним слоем рулонного материала, приклеиваемого к основанию под кровельный ковер по продольным кромкам

. Раскладка и раскрой полотнищ наплавляемого рулонного материала при устройстве основного и дополнительного кровельного ковра в углу парапета и на поверхности внешнего угла приведены на

. Места пропуска через кровлю труб выполняют с применением стальных патрубков с фланцем (или железобетонных стаканов) и герметизацией кровли в этом месте Места пропуска анкеров также усиливают герметизирующей мастикой. Для этого устанавливают рамку из уголков (которая ограничивает растекание мастики), а пространство между рамкой и патрубком или анкером заполняют мастикой

. В деформационном шве с металлическим компенсатором перед устройством кровельного ковра на компенсатор наклеивают сжимаемый утеплитель из минеральной ваты и на него укладывают выкружку из оцинкованной кровельной стали, кромки которой опираются на бетонные бортики, затем на выкружку насухо укладывают стеклоткань и Биполикрин (Рис. 17).

. В местах пропуска через покрытие воронки внутреннего водостока слои кровельного ковра должны заходить на водоприемную чашу, которую крепят к плитам покрытия хомутом с уплотнителем из резины

3.3.3 Требования к качеству и приемке работ

1. В процессе подготовки и выполнения кровельных работ проверяют:

качество Биполикрин , которое должно соответствовать требованиям ТУ;

готовность отдельных конструктивных элементов покрытия для выполнения кровельных работ;

правильность выполнения всех примыканий к выступающим конструкциям;

соответствие числа слоев кровельного ковра указаниям проекта.

. Приемка кровли должна сопровождаться тщательным осмотром ее поверхности, особенно у воронок, водоотводящих лотков, в разжелобках и в местах примыканий к выступающим конструкциям над крышей.

. Выполненная рулонная кровля должна удовлетворять следующим требованиям:

иметь заданные уклоны;

не иметь местных обратных уклонов, где может задерживаться вода;

кровельный ковер должен быть надежно приклеен к основанию, не расслаиваться и не иметь пузырей, впадин.

. Обнаруженные при осмотре кровли производственные дефекты должны быть исправлены до сдачи зданий или сооружений в эксплуатацию.

. Приемка готовой кровли должна быть оформлена актом с оценкой качества работ.

. При приемке выполненных работ подлежит освидетельствованию актами скрытых работ:

примыкания кровли к водоприемным воронкам;

примыкание кровли к выступающим частям вентшахт, антенн, растяжек, стоек, парапетов;

устройство послойно двух слоев кровельного ковра.

. Требования к качеству кровель и предметы контроля приведены в Таблице.

. После окончания всех кровельных работ необходимо выполнить требования экологической чистоты:

все остатки битума, мастичных комьев, обрезков рулонных материалов должны быть тщательно упакованы, уложены в емкости, контейнеры и спущены с кровли с помощью механизированных средств (крышевые краны, подъемники, лебедки и т.д.), затем вывезены в специально отведенные зоны.

3.3.4 Численный и квалификационный состав бригады рабочих

Звено №1:                                     Звено №2:

Изолировщик 5р - 1чел. (бригадир) Изолировщик 5 р -1 чел. (звеньевой)

Изолировщик 3р - 3 чел                       Изолировщик 3р - 3 чел

Кровельщик 5р - 1чел. (бригадир)      Кровельщик 4р - 1чел. (звеньевой)

Кровельщик 4р - 2чел.                          Кровельщик 4р - 2чел.

Кровельщик 3р - 9 чел.                         Кровельщик 3р - 9чел.

Подсобный рабочий 2р - 2чел Подсобный рабочий 2р - 2чел.

Таблица № 3.10

№ строки

Профессия

Численность рабочих по разрядам

Итого



I

II

III

IV

V

VI


1

Кровельщик

-

-

18

5

1

-

24

2

Изолировщик

-

-

6

-

2

-

8

3

Подсобный рабочий

-

4

-

-

-

-

4










Итого

-

4

24

5

3

-

36


Средний разряд рабочих в бригаде: 3,2

3.3.5 Производство работ в зимнее время при устройстве рулонных кровель

1 Максимально возможное удаление влаги из конструкций кровли.

Утеплитель должен соответствовать по влажности установленным требованиям. Уложенный утеплитель необходимо сразу укрывать от возможных осадков. При устройстве цементно-песчаной стяжки (впрочем, как и летом) на утеплитель уложить защитную пленку. Стяжку, по-возможности, просушить.

При ремонтных работах требуется просушить и выровнять поверхность существующей кровли (если утеплитель не меняется). В данном случае (ремонт кровли, наличие протечек) влага имеется и в утеплителе. Наиболее эффективно вести просушку старой кровли электрическим оборудованием. Отсутствие открытого огня позволяет не разрушать поверхность существующей кровли и дает возможность прогревать сразу несколько слоев водоизоляционного ковра. Это оборудование позволяет вести просушку основания сразу после расчистки снега и непосредственно перед укладкой новых полотнищ кровельного материала.

Просушивание подковрового пространства в процессе эксплуатации кровли

Для удаления оставшейся влаги из-под коврового пространства при производстве кровельных работ зимой рекомендуется устраивать "дышащую" кровлю. Для этого полотнища нового водоизоляционного ковра (при многослойном исполнении - нижний слой) следует частично крепить к основанию. Оставшиеся непроклеенные полости необходимо соединить между собой и обеспечить свободное их соединение с атмосферой. Рекомендуется в этих целях использовать кровельные вентиляционные патрубки с дефлекторами.

3.3.6 Указания по технике безопасности

1. К обслуживанию и эксплуатации средств механизации при производстве кровельных работ допускаются лица, хорошо изучившие правила эксплуатации, специфические требования по технике безопасности и имеющие удостоверение о допуске к работе.

. Для транспортирования баллонов с сжиженным газом пропан-бутаном в зоне стройплощадки или в пределах крыши допускается использование специальных тележек, рассчитанных на 2 баллона. Баллоны на тележках должны надежно крепиться хомутом.

Категорически запрещается подавать на крышу наполненные газом баллоны колпаком вниз.

Кантовка наполненных баллонов допускается в пределах рабочего места и только по основанию крыши, не дающему искры при ударе по нему металлом.

. Посторонним лицам запрещается находиться в рабочей зоне во время производства работ по наклейке Биполикрина.

Во всем остальном следует руководствоваться требованиями ТКП 45 - 1.03 - 40 -2006 «Безопасность труда в строительстве».

. Перед началом работы кровельщик должен надеть спецодежду и убедиться в ее исправности. Обувь должна быть не скользящей. Предохранительные приспособления (пояс, веревка, ходовые мостики, переносные стремянки и т.п.) должны быть своевременно испытаны и иметь бирки.

. Необходимо получить у мастера, руководителя работ инструктаж о безопасных методах, приемах и последовательности выполнения предстоящей работы.

. Перед началом работы кровельщику необходимо подготовить рабочее место, убрать ненужные материалы, очистить все проходы от мусора и грязи.

. Убедиться в надежности подмостей и лесов, а на плоской кровле, временного ограждения. Проверить ограждено ли место работы внизу здания, укрепить все материалы на крыше.

. Внешним осмотром проверить исправность баллонов, горелок, рукавов, надежность их крепления (крепить рукава только металлическими хомутами), исправность редукторов, манометров.

. При работе с газовыми баллонами (рабочий газ - пропан) необходимо руководствоваться «Временной инструкцией по безопасной эксплуатации постов, хранению и транспортировке баллонов сжиженных газов пропан-бутановой смеси при гидроизоляционных работах».

. При работе на скатах с уклоном более 20° и при отделке карнизов кровли с любым уклоном кровельщик обязан пользоваться предохранительным поясом и веревкой, прочно привязанной к устойчивым конструкциям здания. Места закрепления должен указать мастер или прораб.

. Сбрасывать с кровли материал и инструмент запрещается, во избежание падения с кровли на проходящих людей каких-либо предметов устанавливаются предохранительные козырьки над проходами, наружными дверьми. Зона возможного падения предметов ограждается, вывешивается плакат «Проход запрещен».

. При складировании на кровле штучных материалов, инструмента и принять меры против их скольжения по скату или сдувания ветром.

Похожие работы на - Пункт технического обслуживания и ремонта машин

 

Не нашли материал для своей работы?
Поможем написать уникальную работу
Без плагиата!
Без нейросетей!