Железобетонный каркас многоэтажного гражданского здания
Министерство
образования и науки Российской Федерации
Федеральное
агентство по образованию
ГОУ
ВПО Московский государственный открытый университет
Чебоксарский
политехнический институт (филиал)
Кафедра
строительного производства
Пояснительная
записка к курсовому проекту
Железобетонный
каркас одноэтажного промышленного здания
Выполнил:
студент IV курса спец. 270800
Алексеев К.О.
Проверил: Лушин В.И.
Чебоксары,
2015 г.
Содержание
Введение
.
Задание на проектирование и исходные данные
.
Компоновка поперечной рамы
.
Определение нагрузок на раму-блок
.1
Постоянные нагрузки
.2
Снеговая нагрузка
.3
Крановые нагрузки
.4
Ветровые нагрузки
.
Статический расчёт рамы-блока
.1
Геометрические характеристики сечений колонн
4.2
Определение реакций верха колонн рамы-блока от единичного смещения
.3
Загружение рамы-блока постоянной нагрузкой
.4
Загружение рамы-блока снеговой нагрузкой
.5
Загружение рамы-блока крановой нагрузкой
.6
Загружение рамы-блока ветровой нагрузкой
.7
Загружение средней колонны от 4-ёх кранов
.
Составление расчётных сочетаний усилий
6.
Расчет внецентренно нагруженного фундамента под среднюю двухветвевую колонну
.1
Данные для расчета
.2
Определение геометрических размеров фундамента
.3
Расчет арматуры фундамента
.
Расчет прочности двухветвевой колонны среднего ряда
.
Расчёт предварительно напряжённой двухскатной решётчатой балки покрытия.
.1
Данные для проектирования
.2
Расчётный пролёт, нагрузки, усилия
.3
Предварительный подбор продольной напрягаемой арматуры
.4
Определение геометрических характеристик приведённого сечения
.5
Определение потерь предварительного напряжения
.6
Расчёт прочности наклонных сечений
.7
Проверка прочности нормальных сечений. Стадия изготовления и монтажа
.8
Расчёт по образованию нормальных трещин
.9
Расчёт по раскрытию нормальных трещин. Стадия эксплуатации
.10
Определение прогиба балки
Список
использованной литературы
Введение
Конструкции промышленных зданий, как и
гражданских, состоят из отдельных элементов, связанных в единую систему.
Отдельные элементы зданий - плиты и балки перекрытий, колонны, стены и др. -
должны обладать прочностью и устойчивостью, достаточной жесткостью,
трещиностойкостью и участвовать в общей работе здания. При загружении одного из
элементов здания в работу включаются и другие элементы, происходит работа
пространственной системы. Здание в целом должно надежно сопротивляться
деформированию в горизонтальном направлении под влиянием различных нагрузок и
воздействий, т.е. должно обладать достаточной пространственной жесткостью.
Конструктивные схемы зданий, удовлетворяющие
изложенным требованиям, могут быть каркасным и панельными (бескаркасными),
многоэтажными и одноэтажными. Каркас одноэтажного здания образуют колонны,
заделанные в фундамент, и ригели, шарнирно или жестко соединенные с колоннами.
Каркас многоэтажного здания образуют основные
вертикальные и горизонтальные элементы - колонны и ригели.
Целью данной курсовой работы является
запроектировать в сборном железобетоне основные несущие конструкции
одноэтажного каркасного производственного здания с мостовыми кранами.
1. Задание на проектирование и исходные данные
Задание на проектирование:
Требуется запроектировать в сборном железобетоне
основные несущие конструкции одноэтажного каркасного производственного здания с
мостовыми кранами.
Исходные данные:
Здание отапливаемое, 2-ухпролётное;
Шаг колонн 12 м;
Размеры пролетов 18 м;
Длина температурного блока
Отметки головок крановых путей 9,2 м;
Отметка низа стропильной конструкции 12 м;
Грузоподъемность мостовых кранов 30/5 тс;
Вид стропильной конструкции ДБ;
Расчетное сопротивление грунта 0,2 МПа;
Длина здания 96 м;
Тип местности по ветровой нагрузке С;
Район строительства г. Рязань;
Район по снеговой нагрузке
Район по ветровой нагрузке
Здание по степени ответственности относится к ΙΙ
классу
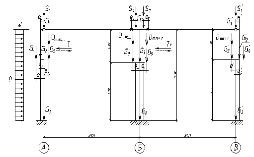
2. Компоновка поперечной рамы
Основные несущие конструкции покрытия -
железобетонные двухскатные балки пролетом 18м и подстропильные фермы пролётом
12 м; подкрановые балки сборные железобетонные, предварительно напряженные,
высотой 1,4м - для среднего ряда колонн и 1м - для крайних рядов колонн; плиты
покрытия предварительно напряженные железобетонные ребристые размером 3×6.
Устройство
фонарей не предусмотрено, цех оборудуется лампами дневного света. Наружные
стены панельные, навесные, опирающиеся на опорные столики колонн на отметке
Крайние колонны проектируют сплошными
прямоугольного сечения, ступенчатыми; средние колонны - сквозными
двухветвевыми.
Отметки головок крановых рельс h = 9,2 м.
Высота кранового рельса 150 мм.
Привязка координационных осей крайних рядов
колонн нулевая, а привязка осей крановых путей λ = 750 мм.
Длина надкрановой части колонн Н1 и подкрановой
части Н2:
Н1 = Нcr + а1 + hcb + hr,
где
Нcr - габаритный размер крана по высоте, Нcr =
2,75 м;
а1 - зазор между нижним поясом фермы и краном,
равный 100 мм;- высота подкрановой балки;- высота кранового рельса.
Н1 = 2750+100+1000+150 = 4000 мм;
Н2 = Н0 - Н1 + 150 = 12000 - 4000 + 150 = 8150
мм; где
Н0 - отметка низа стропильной конструкции.
Полная длина колонны:
Н=Н1+Н2=4000+8150 = 12150 мм.
Колонна среднего ряда имеет длину от обреза
фундамента до верха подкрановой консоли: Н2 = 7750 мм и от верха подкрановой
консоли до низа стропильной конструкции Н1 = 4400 мм.
Поперечные сечения колонн:
Высота поперечного сечения надкрановой части
колонн крайних рядов:
h1 = λ - B1 - 70 = 750 - 300 - 70 = 380 мм;
принимаем ширину сечения равной
Высота сечения подкрановой части
≥ 1/14 Н2 = 8150/14 = 582 мм;
принимаем ширину сечения равной 600 мм.
Для колонны среднего ряда высота сечения
надкрановой части h1 = 600 мм. Высота сечения подкрановой части:
h2 = 2λ + hbr =2×750 + 250=1750 мм;
где 250 - высота сечения одной ветви. Так как
грузоподъёмность мостового крана равна 30/5 тс и высота колонн 12150 мм, то
принимаем высоту сечения подкрановой части 1200 мм. Ширину сечения назначаем
500 мм. Высота сечения распорок 400 мм.
Компоновка сечений колонн:
3. Определение нагрузок на раму-блок
.1 Постоянные нагрузки
Все расчётные нагрузки определяются с
коэффициентом надёжности по назначению здания γn = 0,95.
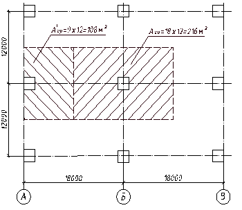
Грузовые площади для крайних колонн от покрытия
9×12
= 108 м²
= Агр1;
для среднего ряда 18×12 = 216 м².
Таблица 1.
Постоянные нагрузки на покрытие, Па:
|
Вид
нагрузки
|
Определение
нагрузки
|
Нормативная
|
Расчётная
|
γf
|
|
|
|
γf
=1(γn =0,95)
|
γf >1
|
|
|
Элементы
покрытия:
|
ρ·t
|
|
|
|
|
|
1.
3 слоя рубероида на мастике
|
по
нормам
|
90
|
86
|
111
|
1,3
|
|
2.
Асфальтовая стяжка: ρ=14
кН/м³; t = 20 мм.
|
18000·0,02
|
360
|
342
|
445
|
1,3
|
|
3.
Минераловатный плитный утеплитель: ρ=4 кН/м³; t = 150
мм.
|
4000·0,15
|
600
|
570
|
741
|
1,3
|
|
4.
Пароизоляция - 2 слоя пергамина на мастике
|
по
нормам
|
48
|
46
|
60
|
1,3
|
|
5.
Ребристая плита покрытия 3×12 м с учётом заливки швов
|
по
нормам
|
2050
|
1948
|
2143
|
1,1
|
|
Всего:
|
|
3148
|
2992
|
3500
|
|
Постоянная нагрузка на 1 м²
покрытия
составляет 3,5 кН/м².
Масса применяемых строительных конструкций:
Двухскатная решётчатая балка, L = 18 м: масса =
9,1 т;
вес = 89,2 кН;
Подкрановая балка, L = 12 м: масса = 11,7 т;
вес = 114,8 кН.
Расчётная схема рамы
Расчётные нагрузки при γf
>1 на стойки рамы-блока и эксцентриситеты их приложения:
. На 1 колонну по крайнему ряду А:
от веса покрытия и двухскатной балки:
G1 = q·Aгр1 + GnДБ · γf
·
γn = 3,5 · (9×12) + 89,2 · 1,1 · 0,95 = 471 кН;
Эксцентриситет нагрузки G1 относительно
геометрической оси надкрановой части колонны:
= h1/2 - 175 = 380/2 - 175 = 15 мм;
от веса надкрановой части 1 колонны:
= 0,5 · 0,38 · 4 · 2,5 · 9,81 · 1,1 · 0,95 =
19,5 кН;
Эксцентриситет нагрузки G2 относительно
геометрической оси надкрановой части колонны:
е2 = (h2 - h1)/2 = (600 - 380)/2 = 110 мм;
от веса подкрановой части 1 колонны:
= (0,5 · 0,6 · 8,15) · 2,5 · 9,81 · 1,1 · 0,95 =
62,7 кН;
от веса стеновых панелей:
При шаге колонн 12 м принимаем G4 = 120 кН;
Эксцентриситет нагрузки G4 относительно
геометрической оси подкрановой части колонны:
= (tw + h2)/2 = (300 + 600)/2 = 450 мм;
от веса подкрановых балок и кранового пути:
G5 = (2 · 114,8 + 1,5 · 12) · 1,1 · 0,95 = 258,7
кН;
Эксцентриситет нагрузки G5 относительно оси
подкрановой части колонны:
е5 = λ - h2/2 = 750 -
600/2 = 450 мм;
. На колонну среднего ряда Б:
от веса покрытия и двухскатной балки:
G6 = 3(18×12) + 89,2 · 2 · 1,1 · 0,95 = 834,4 кН;
от веса надкрановой части:
= 0,5 · 0,6 · 4,4 · 2,5 · 9,81 · 1,1 · 0,95 =
33,8 кН;
От веса подкрановой части (при числе отверстий n
= 4):≈ 70 кН;
от веса подкрановых балок и кранового пути:
= (2 · 114,8 + 1,5 · 12 · 2) · 1,1 · 0,95 =
258,7 кН;
Эксцентриситет приложения нагрузки от
подкрановой балки
е4 = λ = 750 мм;
Нагрузки на колонну по ряду В будут такими же
как нагрузки на колонну по ряду А.
3.2 Снеговая нагрузка
По району строительства поперечной рамы
принимаем снеговую нагрузку, равномерно распределённую по всей длине,
коэффициент μ = 1.
Нормативное значение веса снегового покрова на 1
м²
горизонтальной
проекции покрытия для III района по табл. 4 СНиП 2.01.07 - 85: S0 = 1,8 кПа,
тогда нормативная нагрузка на 1 м² горизонтальной
проекции покрытия:
= S0 · μ = 1 · 1,8 =
1,8 кПа.
Коэффициент надёжности по снеговой нагрузке γf
= 1,4;
Расчётные (γf
>1) снеговые нагрузки на стойки рамы-блока:
по ряду А, В:
= S · Aгр1 · γn = 1,8 ·
(9×12) · 0,95 = 184,7 кН;
по ряду Б:
= S · Aгр2 · γn = 1,8 ·
(18×12) · 0,95 = 369,4 кН;
Эксцентриситеты приложения продольных сил от
снеговой нагрузки точно так же, что и для продольных сил от веса покрытия.
Длительно действующую часть снеговой нагрузки
отдельно не выделяем ввиду её незначительной величины.
.3 Крановые нагрузки
В соответствии со стандартами на мостовые
электрические краны принимаем нагрузки и габариты:
максимальное нормативное давление колеса: Pn,max
= 280 кН;
общая масса крана: Gкр = 42,5 т;
масса тележки: Gт = 12 т;
база крана: Акр = 5,1 м;
минимальное давление колеса:
;
нормативная тормозная сила от поперечного
торможения крана, приходящаяся на одно колесо:
расчётное максимальное вертикальное давление кранов
на колонны определяем по линии влияния опорных реакций подкрановых балок.
Линии влияния опорных реакций подкрановых балок
Сумма ординат линий влияния:
Σу = 1 + 0,575 + 0,9
+ 0,475 = 2,95;
Расчётное максимальное и минимальное давление от
двух сближенных кранов в пролёте А-Б:

Расчётная тормозная сила от двух кранов в
пролёте А-Б:
Вертикальные нагрузки Dmax и Dmin от кранов
приложены с теми же эксцентриситетами, что и постоянные нагрузки от подкрановых
балок; горизонтальные тормозные силы Т приложены в уровне верха подкрановых
балок на отметке 9,15 м.
.4 Ветровые нагрузки
Для I района ветровой скоростной напор w0 = 0,23
кПа (СНиП 2.01.07-85* табл. 5); коэффициент надёжности по нагрузке γf
= 1,4;
Скоростной напор ветра:
= k · w0,
где- коэффициент, учитывающий изменение
ветрового давления по высоте:
на отметке 5,000 м: k = 0,75;
= 0,75 · 0,23 = 0,1725 кПа;
на отметке 10,000 м: k = 1;
w = 1 · 0,23 = 0,23 кПа;
на отметке 12,000 м: k = 1,05;
= 1,05 · 0,23 = 0,2415 кПа;
на отметке 13,800 м:
= 1 + (1,25 - 1)·(13,8 - 10)/10 = 1,095;= 1,095
· 0,23 = 0,2518 кПа;
Переменный по высоте колонны скоростной напор
заменяем равномерно-распределённой эквивалентной по моменту в заделке колонны:
0,22 кПа;
Аэродинамические коэффициенты для вертикальных
стен:
с наветренной стороны с = 0,8;
с заветренной стороны с = 0,6;
Расчётная погонная нагрузка от ветра на отметке
12,000 м:
с наветренной стороны:
а = c · weq · B · γf
·
γn = 0,8 · 0,22 · 12 · 1,4 · 0,95 = 2,81 кН/м;
с заветренной стороны:
wp = c · weq · B · γf
·
γn = 0,6 · 0,22 · 12 · 1,4 · 0,95 = 2,11 кН/м;
Нагрузку от ветрового давления на надколонную
часть здания (шатёр покрытия) выше отметки 12,000 м. приводим со стороны силы
по формуле:
;
Сосредоточенная сила w условно считается
приложенной на уровне верха колонны.
4. Статический расчёт рамы-блока
.1 Геометрические характеристики сечений колонн
Моменты инерции сечения колонны ряда А или В:
надкрановой части
подкрановой части
Коэффициенты для вычисления реакций по формулам
приложения VIII А.И. Заикин:
α = а/l = Н1/Н = 4,0/12,15
= 0,329;
= 0 - для сплошных колонн;
Моменты инерции в сечении двухветвевой колонны
ряда Б:
надкрановой части
подкрановой части
где
-
расстояние между осями ветвей;
Коэффициенты для вычисления реакций по формулам
приложения VIII А.И. Заикин:
α = 4,4/12,15 = 0,362;
где Jbr - момент инерции сечения ветви колонны:
= 4 - число панелей (отверстий) в подкрановой
части двухветвевой колонны.
.2 Определение реакций верха колонн рамы-блока
от единичного смещения
Верхним концам колонны придаем горизонтальное
смещение Δ = 1 и определяем
реакции ВΔ в основной системе
от этого смещения.
для колонны ряда А или В:
для средней колонны:
Суммарная реакция верха колонн:
.3 Загружение рамы-блока постоянной нагрузкой
Реакции колонны ряда А или В:
где М1 и М2 - моменты в сечениях I-I и III-III
от внецентренно приложенной постоянной нагрузки:
М1 = G1 · e1 = 471 · 0,015 = 7,065 кН · м;
М2 = - G1 · e2 - G2 · e2 - G4 · ew + G5 · e3 = -
471 · 0,11 - 19,5 · 0,11 - 120 · 0,45 + 138,8 · 0,45 = -51,81 - 2,145 - 54 +
62,46 = -45,49 кН · м;
Реакция средней колонны:
Суммарная реакция верха колонн в основной
системе:
Перемещение верха колонн в заданной системе:
Упругие реакции верха колонн в заданной системе:
колонны ряда А или В:
колонны ряда Б:
Определение усилий в сечениях колонн:
в колонне ряда А или В:
МI - I = М1 = 7,065 кН · м;
МII - II = М1 + Ве,l · H1 = 7,065 + 4,6 · 4,0 =
25,5 кН · м;
МIII - III = МII - II + М2 = 25,5 + (-45,5) = -
20 кН · м;
МIV - IV = М1 + М2 + Ве,l · H = 7,065 + (-45,49)
+ 4,6 · 12,15 = 17,5 кН · м;= - Ве,l = -4,6 кН;
Проверка:
(МIII - III - МIV - IV) / 8,15 = (-20-17,5)/8,15
= -4,6 кН;- II = G1 + G2 = 471 + 19,5 = 490,5 кН;- III = NII - II + G4 + G5 =
490,5 + 120 + 138,8 = 749,3 кН;
NIV - IV = NIII - III + G3 = 749,3 +
62,7 = 811,96 кН;
- в колонне по ряду Б:
МI - I = МII - II = МIII - III = МIV - IV = М1 =
0 кН;= 0 кН;- II = G6 + G7 = 834,4 + 28,4 = 862,8 кН;- III = NII - II + G9 =
862,8 + 258,7 = 1121,5 кН;
NIV - IV = NIII - III + G8 = 1121,5
+ 70 = 1191,5 кН.
4.4 Загружение рамы-блока снеговой нагрузкой
Реакции верха колонны ряда А в основной системе:
где М1
= S1 · e1 = 184,7 · 0,015 = 2,77 кН;
М2 = - S2 · e2 =
-184,7 · 0,11 = -20,3 кН;
Суммарная реакция в основной системе:
Перемещение верха колонн в заданной системе:
Упругие реакции верха колонн в заданной системе:
колонны ряда А или В:
колонны ряда Б:
Усилия в сечениях колонн:
в колонне ряда А или В:
МI - I = М1 = 2,77 кН · м;
МII - II = М1 + Ве,l · H1 = 2,77 + 1,06 · 4,0 =
7,01 кН · м;
МIII - III = МII - II + М2 = 7,01 + (-20,3) = -
13,29 кН · м;
МIV - IV = М1 + М2 + Ве,l · H = 2,77 + (-20,3) +
1,06 · 12,15 = -4,65 кН м;= - Ве,l = -1,06 кН;
Проверка: (МIII - III - МIV - IV) / 8,15 =
(-13,29+4,65)/8,15 = -1,06 кН;
NII - II = NIII - III = NIV - IV =
S1 = 184,7 кН;
- в колонне ряда Б:
МI - I = МII - II = МIII - III = МIV - IV = М1 =
0 кН;
NII - II = NIII - III = NIV - IV =
S2 = 369,4 кН.
4.5 Загружение рамы-блока крановой нагрузкой
Давление Dmax,l на крайней колонне.
Вертикальное давление Dmax,l = 733,7 кН
приложено с эксцентриситетом е3 = 0,45 м, создавая момент Мmax = M2 = 733,7 ·
0,45 = 330,2 кН · м. Одновременно на средней колонне действует давление Dmin,l
= 198,1 кН с эксцентриситетом е4 = λ = 0,75 м,
создавая момент Мmin = M2 = -198,1 · 0,75 = -148,6 кН · м.
Реакция верха левой стойки рамы-блока в основной
системе:
Реакция верха средней стойки рамы-блока в
основной системе:
Суммарная реакция в основной системе:
железобетон каркасный колонна
фундамент
Перемещение верха колонн в заданной системе:
где сdim = 3,4 - при шаге колонн 12 м;
Упругие реакции верха колонн в заданной системе:
колонны ряда А:
колонны ряда Б:
Усилия в сечениях колонн:
в колонне по ряду А:
МI - I = 0;
МII - II = Ве,l
· H1 = -31,9 · 4,0 = -127,6 кН
· м;
МIII - III = МII
- II + М2
= -127,6 + 330,2 = 202,6 кН
· м;
МIV - IV = М2 + Ве,l · H = 330,2 - 31,9 · 12,15
= -57,4 кН · м;= - Ве,l = 31,9 кН;
Проверка:
(МIII - III - МIV - IV) / 8,15 =
(202,6+57,4)/8,15 = 31,9 кН;
NII - II = 0;- III = NIV - IV =
Dmax,l = 733,7 кН;
- в колонне по ряду Б:
МI - I = 0;
МII - II = Ве,m
· H1 = 16,5 · 4,4 = 72,6 кН
· м;
МIII - III = МII
- II + М2
= 72,6 - 148,6 = -76 кН
· м;
МIV - IV = М2 + Ве,m · H = -148,6 +16,5 · 12,15
= 51,9 кН · м;= - Ве,m = -16,5 кН;
Проверка:
(МIII - III - МIV - IV) / 7,75 = (-76 -
51,9)/7,75 = -16,5 кН;
NII - II = 0;- III = NIV - IV =
Dmin,l = 198,1 кН.
Горизонтальная тормозная сила Тl у ряда А:
Реакция верха колонны ряда А в основной системе:
Реакции
=
=
0;
суммарная реакция
Перемещение:
Упругие реакции в заданной системе:
колонны ряда А:
- колонны ряда Б:
колонны ряда В:
Усилия в сечениях:
в колонне по ряду А:
МII - II = МIII - III = Ве,l · H1 - Тl · hbc =
±17,1 · 4,0 ± 26,9 · 1,0 = ± 41,5 кН · м;
МIV - IV = Ве,l · H - Tl (H2 + hbc ) = ± 17,1 ·
12,15 ± 26,9 (8,15+1,0) = ± 38,4 кН · м;= ± Ве,l + Тl = ± 9,8 кН;
Проверка:
(МIII - III - МIV - IV) / 8,15 = (± 41,5 ±
38,4)/8,15 = ± 9,8 кН;
NII - II = NIII - III = NIV - IV =
0;
- в колонне по ряду Б:
МII - II = МIII - III = Ве,m · H1 = ± 3,9 · 4,4
= ± 17,2 кН · м;
МIV - IV = Ве,m · H = ± 3,9 · 12,15 = ± 47,4 кН
· м;= ± Ве,m = ± 3,9 кН;
Давление Dmax,l на средней колонне:
Момент в узле средней колонны от вертикального
давления крана:
Одновременно на крайней стойке действует
давление:
создавая в узле
стойки момент
Реакция верха колонны ряда А в основной системе:
Реакция верха колонны ряда Б в основной системе:
Суммарная реакция в основной системе:
Перемещение верха колонн в заданной системе:
Упругие реакции верха колонны:
- колонны ряда А:
колонны ряда Б:
Усилия в сечениях:
в колонне по ряду А:
МII - II = Ве,l · H1 = -10,5 · 4,0 = -42 кН · м;
МIII - III = МII - II + М2 = - 42 + 89,1 = 47,1
кН · м;
МIV - IV = М2 + Ве,l · H = 89,1- 10,5 · 12,15 =
- 38,5 кН · м;= - Ве,l = 10,5 кН;
Проверка:
(МIII - III - МIV - IV) / 8,15 =
(47,1+38,5)/8,15 = 10,5 кН;
NII - II = 0;- III = NIV - IV =
Dmin,l = 198,1 кН;
- в колонне по ряду Б:
МII - II = Ве,m · H1 = 33,5 · 4,4 = 147,4 кН ·
м;
МIII - III = МII - II + М2 = 147,4 - 550 = -
402,6 кН · м;
МIV - IV = М2 + Ве,m · H = - 550 +33,5 · 12,15 =
-142,9 кН · м;= - Ве,m = - 33,5 кН;
Проверка:
(МIII - III - МIV - IV) / 7,75 = (-402,6
+142,9)/7,75 = -33,5 кН;
NIII - III = NIV - IV = Dmax,l =
733,7 кН.
Горизонтальная тормозная сила Тl у ряда Б:
Реакция верха средней колонны в основной
системе:
суммарная реакция
Перемещение:
Упругие реакции в заданной системе:
колонн ряда А и В:
колонны ряда Б:
Усилия в сечениях:
в колонне по ряду А:
МII - II = МIII - III = Ве,l · H1 = ± 0,8 · 4,0
= ± 3,2 кН · м;
МIV - IV = Ве,l · H = ± 0,8 · 12,15 = ± 9,7 кН ·
м;= ± Ве,l = ± 0,8 кН;- II = NIII - III = NIV - IV = 0;
в колонне по ряду Б:
МII - II = МIII - III = ± 11,6 · 4,4 ± 26,9 ·
1,4 = ± 13,4 кН · м;
МIV - IV = ± 11,6 · 12,15 ± 26,9 (7,75+1,4) = ±
101,1 кН · м;= - (± 11,6 ± 26,9) = ± 15,3 кН;
NII - II = NIII - III = NIV - IV =
0;
4.6 Загружение рамы-блока ветровой нагрузкой
Давление ветра направо:
Реакции верха колонн рамы-блока в основной
системе:
по ряду А:
по ряду Б:
по ряду В:
Суммарная реакция верха колонн в основной
системе (с учётом реакции от сосредоточенной силы Rw = -W = -9,92 кН):
Перемещение верха колонн рамы-блока в заданной
системе:
Упругие реакции верха колонн рамы-блока в
заданной системе:
по ряду А:
по ряду Б:
по ряду В:
Усилия в сечениях колонн рамы-блока:
по ряду А:
МII - II = МIII - III =
-6,7 · 4,0 + 2,81 · 4²/2 = -4,32 кН · м;
МIV - IV = -6,7 · 12,15 + 2,81 · 12,15²/2
= -209 кН
· м;= - (-6,7 + 2,81 · 12,15) = -27,4 кН;= 0;
по ряду Б:
МII - II = МIII - III = 26,65 · 4,4 = 117,3 кН ·
м;
МIV - IV = 26,65 · 12,15 = 323,8 кН · м;= -26,65
кН;= 0.
.7 Загружение средней колонны от 4-ёх кранов
Данное загружение предусмотрено для получения
максимальной продольной силы в средней колонне, когда на неё действует Dmax
слева и справа от двух кранов в каждом пролёте. Вертикальное давление кранов
принимаем с коэффициентом сочетаний ψ = 0,7.
Узловой момент M2 = 0, так как
На крайней колонне действует узловой момент:
А на правой крайней колонне момент:
Реакция верха колонн рамы-блока в основной
системе:
по ряду А:
по ряду Б:
так
как М2 = 0;
по ряду В:
Суммарная реакция в основной системе:
Следовательно, и перемещение колонн в заданной
системе
Упругие реакции верха колонн в заданной системе:
Усилия в сечениях колонн рамы-блока:
МII - II = -7,6 · 4,0 = -30,4 кН · м;
МIII - III = -30,4+73,4 = 43 кН · м;
МIV - IV = -7,6 · 12,15 +73,4 = -18,94 кН · м;=
7,6 кН;
Проверка:
= (43+18,94)/8,15 = 7,6 кН;- I = 0; NII - II =
NIII - III = Dmax,l + Dmax,r = 604,2 + 604,2 = 1208,4 кН · м;
по ряду Б:
МII - II = МIII - III = МIV - IV = 0;
Q = ; NI - I = 0; NII - II = NIII -
III = Dmax,l + Dmax,r = 604,2 + 604,2 = 1208,4 кН
· м;
5. Составление расчётных сочетаний усилий
Таблицы расчётных усилий M, N, Q в сечениях
колонн рядов А и Б составляем по результатам статического расчёта рамы-блока.
Рассматриваем три сечения по длине колонн: II-II - на уровне верха консоли;
III-III - на уровне низа консоли;IV-IV - на уровне обреза фундамента.
Для каждого сечения определяем три комбинации
расчётных усилий:
В таблицах выделены
варианты основного сочетания усилий с учётом влияния длительности действующих
нагрузок на прочность бетона - сначала сочетания, включающие нагрузки
непродолжительного действия (крановые и ветровые), а затем сочетания без
крановых и ветровых нагрузок. В сечении IV-IV в сочетание включены поперечные
силы, необходимые при расчёте фундамента. С этой же целью в этом сечении
расчётные значения всех усилий даны при коэффициенте надёжности γf
> 1 и при γf = 1.
Расчётные сечения представлены на схеме:
Таблица 1. Расчётные усилия и их сочетания для
колонны ряда А
|
Нагрузки
|
№
|
ψ
|
Усилия
в сечениях колонны
|
|
|
|
при
γf > 1
|
при
γf = 1
|
|
|
|
II
- II
|
III
- III
|
IV
- IV
|
IV
- IV
|
|
|
|
M
|
N
|
M
|
N
|
M
|
N
|
Q
|
M
|
N
|
Q
|
|
Постоянная
|
1
|
1
|
25,5
|
490,5
|
-20
|
749,3
|
17,5
|
811,96
|
-4,6
|
15,49
|
718,55
|
-4,1
|
|
Снеговая
полная
|
2
|
1
|
7,01
|
184,7
|
-13,3
|
184,7
|
-4,65
|
184,7
|
-1,06
|
-3,32
|
131,93
|
-0,76
|
|
3
|
0,9
|
6,3
|
166,2
|
-11,97
|
166,2
|
-4,2
|
166,2
|
-0,95
|
-3,04
|
120,43
|
-0,68
|
|
Dmax,l
на крайней колонне
|
4
|
1
|
-127,6
|
0
|
202,6
|
733,7
|
-57,4
|
733,7
|
31,9
|
-52,18
|
667
|
29
|
|
5
|
0,9
|
-114,84
|
0
|
182,34
|
660,33
|
-51,7
|
660,33
|
28,7
|
-47
|
600,3
|
26,1
|
|
Tl
у ряда А
|
6
|
1
|
±
41,5
|
0
|
±
41,5
|
0
|
±
38,4
|
0
|
±
9,8
|
±34,9
|
0
|
8,9
|
|
7
|
0,9
|
±
37,35
|
0
|
±
37,35
|
0
|
±
34,6
|
0
|
±
8,82
|
±31,7
|
0
|
±8,09
|
|
Dmax,l
на средней колонне
|
8
|
1
|
-42
|
0
|
41,7
|
198,1
|
-38,5
|
198,1
|
10,5
|
-35
|
180,1
|
9,55
|
|
9
|
0,9
|
-37,8
|
0
|
37,53
|
178,3
|
-34,65
|
178,3
|
9,45
|
-31,5
|
162,1
|
8,59
|
|
Tl
у ряда Б
|
10
|
1
|
±
3,2
|
0
|
±
3,2
|
0
|
±
9,7
|
0
|
±
0,8
|
±8,9
|
0
|
±0,73
|
|
11
|
0,9
|
±
2,9
|
0
|
±
2,9
|
0
|
±
8,73
|
0
|
±
0,72
|
±7,94
|
0
|
±0,65
|
|
Ветер
слева
|
22
|
1
|
-4,32
|
0
|
-4,32
|
0
|
-209
|
0
|
-27,4
|
-149,3
|
0
|
-19,57
|
|
23
|
0,9
|
-3,9
|
0
|
-3,9
|
0
|
-188,1
|
0
|
-24,7
|
-134,4
|
0
|
-17,64
|
|
Ветер
справа
|
24
|
1
|
4,32
|
0
|
4,32
|
0
|
0
|
27,4
|
149,3
|
0
|
19,57
|
|
25
|
0,9
|
3,9
|
0
|
3,9
|
0
|
188,1
|
0
|
24,7
|
134,4
|
0
|
17,64
|
Таблица 2. Комбинации расчётных усилий для
колонн ряда А.
|
Варианты
основного сочетания
|
Комбинации
|
Сечения
|
|
|
II
- II
|
III
- III
|
IV
- IV
|
IV
- IV
|
|
|
при
γf > 1
|
при
γf = 1
|
|
|
M
|
N
|
M
|
N
|
M
|
N
|
Q
|
M
|
N
|
Q
|
|
Вариант
№1: основное сочетание с учётом крановых и ветровых нагрузок
|
Mmax
|
1+3+23
|
1+5+7+23
|
1+3+23
|
1+3+23
|
|
|
27,9
|
656,7
|
195,8
|
1409,6
|
-174,6
|
978,2
|
-30,25
|
-121,95
|
838,98
|
-22,42
|
|
Mmin
|
1+5+7+25
|
1+3+25
|
1+5+7+25
|
1+5+7+25
|
|
|
-122,8
|
490,5
|
-28,1
|
915,5
|
119,3
|
1472,3
|
10,33
|
71,19
|
1318,85
|
47,73
|
|
Nmax
|
1+3+23
|
1+3+5+7+23
|
1+3+5+7+25
|
1+3+5+7+25
|
|
|
27,9
|
656,7
|
191,62
|
1575,8
|
184,3
|
1638,5
|
56,7
|
68,15
|
1439,28
|
47,05
|
|
Вариант
№2: то же, без учёта крановых и ветровых нагрузок
|
32,5
|
675,2
|
-33,3
|
934
|
12,85
|
996,7
|
-5,66
|
12,17
|
850,48
|
-4,86
|
|
|
|
|
|
|
|
|
|
|
|
|
|
Таблица 3. Расчётные усилия и их сочетания для
колонны ряда Б
|
Нагрузки
|
№
|
ψ
|
Усилия
в сечениях колонны
|
|
|
|
при
γf > 1
|
при
γf = 1
|
|
|
|
II
- II
|
III
- III
|
IV
- IV
|
IV
- IV
|
|
|
|
M
|
N
|
M
|
N
|
M
|
N
|
Q
|
M
|
N
|
Q
|
|
Постоянная
|
1
|
1
|
0
|
862,8
|
0
|
1121,5
|
0
|
1191,5
|
0
|
0
|
1045,18
|
0
|
|
Снеговая
полная
|
2
|
1
|
0
|
369,4
|
0
|
369,4
|
0
|
369,4
|
0
|
0
|
263,86
|
0
|
|
3
|
0,9
|
0
|
332,5
|
0
|
332,5
|
0
|
332,5
|
0
|
0
|
237,5
|
0
|
|
Dmax,l
на левой колонне
|
4
|
1
|
72,6
|
0
|
-76
|
198,1
|
51,9
|
198,1
|
-16,5
|
47,18
|
180,1
|
-15
|
|
5
|
0,9
|
65,34
|
0
|
-68,4
|
178,3
|
46,7
|
178,3
|
-14,85
|
42,45
|
162,1
|
-13,5
|
|
Tl
у левой колонны
|
6
|
1
|
±
17,2
|
0
|
±
17,2
|
0
|
±
47,4
|
0
|
±
3,9
|
±43,1
|
0
|
±3,5
|
|
7
|
0,9
|
±
15,5
|
0
|
±
15,5
|
0
|
±
42,7
|
0
|
±
3,5
|
±38,8
|
0
|
±3,2
|
|
Dmax,l
на средней колонне
|
8
|
1
|
147,4
|
0
|
-402,6
|
733,7
|
-142,9
|
733,7
|
-33,5
|
-129,9
|
667
|
-304,5
|
|
9
|
0,9
|
132,7
|
0
|
-362,3
|
660,33
|
-128,6
|
660,33
|
-30,15
|
-117,98
|
605,8
|
-27,7
|
|
Tl
у на средней колонне
|
10
|
1
|
±
13,4
|
0
|
±
13,4
|
0
|
±
101,1
|
0
|
±
15,3
|
±92,75
|
0
|
±14,04
|
|
11
|
0,9
|
±
12,1
|
0
|
±
12,1
|
0
|
±
90,99
|
0
|
±
13,8
|
±83,48
|
0
|
±12,67
|
|
Dmax,l
и Dmax,r на средней колонне
|
12
|
1
|
0
|
1208,4
|
0
|
1208,4
|
0
|
1208,4
|
0
|
0
|
1108,6
|
0
|
|
13
|
0,9
|
0
|
1087,6
|
0
|
1087,6
|
0
|
1087,6
|
0
|
0
|
988,73
|
0
|
|
Ветровая
слева
|
14
|
1
|
117,3
|
0
|
117,3
|
0
|
323,8
|
0
|
-26,65
|
231,3
|
0
|
-19,04
|
|
15
|
0,9
|
105,6
|
0
|
105,6
|
0
|
291,4
|
0
|
-23,98
|
208,1
|
0
|
-17,13
|
|
Ветровая
справа
|
16
|
1
|
-117,3
|
0
|
-117,3
|
0
|
-323,8
|
0
|
26,65
|
-231,3
|
0
|
19,04
|
|
17
|
0,9
|
-105,6
|
0
|
-105,6
|
0
|
-291,4
|
0
|
23,98
|
-208,1
|
0
|
17,13
|
Таблица 4. Комбинации расчётных усилий для
колонн ряда Б
|
Варианты
основного сочетания
|
Комбинации
|
Сечения
|
|
|
при
γf > 1
|
при
γf = 1
|
|
Вариант
№1: основное сочетание с учётом крановых и ветровых нагрузок
|
Mmax
|
1+3+9+11+15
|
1+3+11+13+15
|
1+3+5+7+15
|
1+3+5+7+15
|
|
|
250,4
|
1195,3
|
117,7
|
2541,6
|
89,4
|
1702,3
|
-35,3
|
289,35
|
1444,78
|
-33,83
|
1+16
|
1+9+11+17
|
1+9+11+17
|
1+9+11+17
|
|
|
-117,3
|
862,8
|
-374,4
|
1781,8
|
-329
|
1851,8
|
19,97
|
-409,56
|
1650,98
|
-23,24
|
|
Nmax
|
1+3+9+11+15
|
1+3+11+13+15
|
1+3+11+13+17
|
1+3+11+13+17
|
|
|
250,4
|
1195,3
|
117,7
|
2541,6
|
-200,4
|
2611,6
|
37,8
|
-291,58
|
2271,41
|
29,8
|
|
Вариант
№2: то же, без учёта крановых и ветровых нагрузок
|
0
|
1232,2
|
0
|
1490,9
|
0
|
1560,9
|
0
|
0
|
1309,04
|
0
|
|
|
|
|
|
|
|
|
|
|
|
|
|
|
|
|
. Расчет внецентренно нагруженного фундамента
под среднюю двухветвевую колонну
.1 Данные для расчета
Грунты основания-пески пылеватые средней
плотности, маловлажные;
Расчетное сопротивлении грунта R0=0,2 МПа;
Бетон тяжелый класса В12.5, Rbt=0,66 МПа;
Арматура из горячекатаной стали класса А-II,
Rs=280 МПа;
Вес единицы объема материала фундамента и грунта
на его обрезах γ=20 kH/м3.
Расчет выполняют на наиболее опасную комбинацию
расчетных усилий в сечении 4-4: М=200,4 кН*м; N=2611,6 kH; Q=37,8 kH.
Нормативное значение усилий определено делением
расчетных усилий на усредненный коэффициент надежности по нагрузке γf=1.15,
т.е.
Мn=174,2kH*м;
Nn=2270,96 kH; Qn=32,87 kH
6.2 Определение геометрических размеров
фундамента
Глубину стакана фундамента принимают 90 см, что
согласно данным должно быть не менее значений:
где d=1.8 см - диаметр продольной арматуры
колонны λ=33
для
бетона класса В12,5.
Расстояние от дна стакана до подошвы фундамента
принято 250 мм. Полная высота фундамента Н=900+250=1150 мм принимается 1200,
что кратно 300 мм. Глубина заложения фундамента при расстоянии от уровня
чистого пола до верха фундамента 150 мм Н1=1200+150=1350 мм=1,35 м. Фундамент
трехступенчатый, высота ступеней принята одинаковой 40 см.
Предварительно площадь фундамента определяют по
формуле:
здесь 1,05 - коэффициент, учитывающий наличие
момента.
Назначая отношение сторон b/a=0.8, получают:
Принимают a×b=4,2×3,4
м.
Т.к. заглубление фундамента больше 2м, ширина
подошвы более 1м, необходимо уточнить расчетное сопротивление грунта основания
по формуле:
где к1=0,05 для пылеватых песков; В0=1м; d0=2м;
При пересчете размеров фундамента с уточненными
значением R получают: а=4,4м, b=3,5м. Площадь подошвы фундамента А=4,4×3,5=15,4
м2, момент сопротивления:
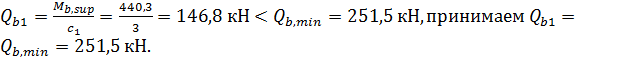
Определяют рабочую высоту фундамента из условия
прочности на продавливание по формуле:
где h=1,2 м - высота сечения колонны; bcol=0,5 м
- ширина сечения колонны;
р=N/A=2270,96 /15,4=147,5 kH/м2;
Rbt=γb2*Rbt=1,1×0,66=0,726 МПа=726 кН/м2
Полная высота фундамента
Н=0,44+0,05=0,50 м<1,2 м.
Следовательно, принятая высота фундамента
достаточна.
Определяем краевое давление на основание.
Изгибающий момент в уровне подошвы:
Нормативная нагрузка от веса фундамента и грунта
на его обрезах:
При условии, что
.3 Расчет арматуры фундамента
Определяем напряжения в грунте под подошвой
фундамента в направлении длинной стороны а без учета веса фундамента и грунта
на его уступах от расчетных нагрузок:
где Мf=M+QH=200,4+37,8×1.2=245,76
kH/м2
Расчетные изгибающие моменты:
· в сечении 1-1
где аi=a1=3,2 м,
· в сечении II-II
где аi=a1=2.2 м,
· в сечении III-III
где аi=a1=1.2 м,
Требуемое сечение арматуры
Принимаем 22Ø14
А-II с As=30,78 см2. Процент армирования
Арматура укладываемая параллельно меньшей
стороне фундамента, определяется по изгибающему моменту в сечении IV-IV:
Принимаем 18Ø12
А-II c As=20.36 см2. Процент армирования
7. Расчет двухветвевой колонны среднего ряда
Данные для расчета сечений. Бетон тяжелый класса
В15, подвергнутый тепловой обработке при атмосферном давлении, Rb = 8,5 МПа;
Rbt = 0,75 МПа; Eb=20,5·103 МПа (прил. I н IV). Арматура класса А-ΙΙΙ,
d
>10 мм, Rs= Rsc=365 МПа, Rs=2·105 МПа (прил. V). В данном примере
ограничиваемся расчетом двух сечений: 2-2 и 4-4.
Сечение 2 - 2 на уровне верха консоли колонны.
Сечение колонны b х h=50 x 60 см при а = а’ = 4 см; полезная высота сечения
h0=56 см. В сечении действуют три комбинации расчетных усилий:
Комбинации расчетных усилий
|
Усилия
|
Первая
|
Вторая
|
Третья
|
|
М,
кН·м N, кН
|
250,4
1195,3
|
-117,3
862,8
|
0
1232,2
|
Усилия от продолжительного действия нагрузки
Мl;=0; Nl = 862,8 кН.
При расчете сечения на первую и вторую
комбинации усилий расчетное сопротивление Rb следует вводить с коэффициентом γb2=1,1,
так как в комбинации включены постоянная, снеговая, крановая и ветровая
нагрузки; на третью - с коэффициентом γb2=
0,9 (постоянная и снеговая). Расчет должен выполняться на все три комбинации, и
расчетное сечение симметричной арматуры As=A’s должно приниматься наибольшее.
Ниже дан расчет сечения по первой комбинации.
Вычисляем:
=M/N= 25040/1195,3=20,9 см;=2H2=2·4,4 = 8,8 м
(в комбинации расчетных усилий учитывается
крановая нагрузка);
i = √h2/l2 = √602/12 = 17,32 см;
λ=l0/i=880/17,32=50,8>14;
необходимо учесть влияние прогиба элемента на
его прочность.
Условная критическая сила (см. гл. IV)
=56,92∙105 Н = 5692 кН,
где I=bh3/12=50∙603/12=900000 см4;
φl=1+β(M1l /M)=1+1∙224,33/561,18=
1,4;
β= =1 (тяжелый бетон);
l = Ml + Nl(h0 - а')/2 = 0+862,8(0,56 - 0,04)/2
= 224,33 кН∙м;= 250,4+1195,3(0,56 - 0,04)/2 = 561,18 кН∙м;
δ=е0/h=0,209/0,6=0,35;
δmin=0,5 - 0,01
(l0/h) - 0,01Rbγb2=0,5-0,01
(880/60) - 0,01 1,1∙8,5=0,26;
δ<δmin, принимаем δ
= 0,26;
=Es/ Eb = 200000/20500 =9,76;
при μ=0,004 (первое
приближение)
= μbh0(0,5h -
а)2=0,004∙50∙56∙(0,5∙60 - 4)2=7571,2 см4;
φsp = 1.
Коэффициент η = l/(l - N/Ncr)
= 1(1 - 1195,3/5692) = 1,27;
расстояние e=e0η+
+0,5h - a= 20,9*1,27 +0,5·60 - 4 = 52,54 см.
При условии, что Аs=А s ', высота сжатой зоны
см2.
Относительная высота сжатой зоны
ξ = x/h0 = 25,6/56 =
0,46.
Граничное значение относительной высоты сжатой
зоны бетона
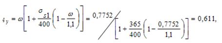
где ω=0,85 - 0,008
γb2
Rb=0,085 - 0,008∙1,1∙8,5 = 0,7752; σs1
= Rs=365 МПа.
Имеем случай ξ = 0,46 <
ξy
= 0,611;
Площадь арматуры AS=A’S назначаем по
конструктивным соображениям, AS=0,002bh0= 0,002∙50∙56 = 5,6 см2.
Принимаем 3Ø16 с AS=6,03 см2.
Расчет сечения колонны 2 - 2 в плоскости,
перпендикулярной к плоскости изгиба, не производим, так как
l’0/i1=660/14,43=45,47<
l0/i1=50,81,
где l’0= =l,5H2
= l,5∙4,4=6,6 м;
ii√b2/12=502/12= 14,43см.
Сечение 4 - 4 в заделке колонны. Высота всего
сечения двухветвевой колонны 120 см; сечение ветви b x h =50 x 25 см; h0=21 см;
расстояние между осями ветвей с = 95 см; расстояние между осями распорок при
четырех панелях s=H1/n = 7,75/4 ≈ 1,94 м; высота сечения распорки 40 см.
В сечении действуют три комбинации расчетных усилий, значения их приведены в
табл.
Комбинации усилий
|
Усилия
|
Первая
|
Вторая
|
Третья
|
|
M,
кН∙м N, кН Q, кН
|
289,35
1444,78 - 33,83
|
-409,56
1650,98 -23,24
|
-291,58
2271,41 29,8
|
Усилия от продолжительного действия нагрузки:
Ml=0; Nl= 1045,18 кН; Qi=0. Расчет должен выполняться на все три комбинации
усилий, и расчетное сечение арматуры As=A’s должно приниматься наибольшее. Ниже
дан расчет по третьей комбинации.
Расчетная длина подкрановой
части колонны при учете нагрузки от крана во всех комбинациях
0=ψH1=1,5∙7,75=
11,625 м.
Приведенный радиус инерции
сечения двухветвевой колонны в плоскости изгиба определяем по формуле:
см2;=√0,102
= 0,32 см.
Приведенная гибкость сечения
λred =l0/ rred =
11,625/0,32=36,33 > 14
необходимо учесть влияние прогиба элемента на
его прочность.
Вычисляем:
= 29158/2271,41 = 12,8 см; I = 2[bh3/12 +
bh(c/2)2] =
=2[50∙253/12+50∙25(95/2)2]=57,71.
105 см4;l = 0+1045,18(0,95/2)=496,5 кН∙м;= 291,58 +
2271,41(0,95/2) = 1370,5 кН∙м;
β=1; φl=1+
1+496,5/1370,5=2,36;
δ=12,8/120 = 0,11;
δmin = 0,5 -
0,01(1162,5/120) - 0,01∙1,1∙8,5=0,31;
δ<δmjn, принимаем δ=0,31;
v=9,77.
Предварительно задаемся коэффициентом
армирования μ = 0,0065 (первое
приближение);
Is =2∙0,0065∙50∙25(95/2)2=
=0,3666∙105 см4.
Коэффициент η = l
(1-2271,41/18533) = 0,88.
Определяем усилия в ветвях колонны по формуле:
=N/2 ±Мη/с=
=2271,41/2 ± 298,58*0,88/0,95=1135,7±270,1 кН;=1135,7 кН; Nb2= 865,6 кН.
Вычисляем:
Мbr= (Qs)/4= (29,8∙1,94)/4=14,5 кН∙м;
е0=14,5(100)/1135,7= 1,28 см>еа=1 см:
еа≥1/30 h=25/30=0,833 см; еа≥1/600l=
=194/600=0,32 см; еа ≥1 см).
Т.к. е0>еа, в расчет вводим е0, тогда
е= еа+h/2 - а = =1,28+25/2 - 4 = 9,78 см.
Подбор сечений арматуры ведем по формулам:
Определяем:
где
δ’=a’/h0=4/21=0,1904.
Имеем расчетный случай ξ=1,01
> ξy=0,611. Армирование ветвей принимаем
симметричное. Вычисляем
Коэффициент армирования
μ= (2*3,54)/50∙21
=0,01,
что незначительно отличается от принятого ранее
значения μ =0,0065∙2 = 0,013,
поэтому второго приближения делать не требуется. При значительном отклонении
значения μ против заданного
необходимо выполнить следующее приближение. Принимаем 3 Ø
14А-ІІІ
с As=A’s=4,62 см2.
Проверим необходимость расчета подкрановой части
колонны в плоскости, перпендикулярной к плоскости изгиба.
Расчетная длина
=0,8H1 = 0,8∙7,75=6,2 м.
Радиус инерции
i=√502/12= 14,43 см,/i=620/14,43
= 42,97 > λred=36,33
расчет необходим, необходимо учесть влияние
прогиба элемента на его прочность.
Значение случайного эксцентриситета:
≥ h/30=25/30=0,883 см;
еа≥ 1/600 H= =775/600= 1,29 см; еа≥1
см.
Принимаем еа=1,3 см. Тогда
е = 1,3+0,5(46-4)= =22,3 см;
М1l = 0+1045,18∙0,223 = 233,1 кН∙м;
М1= 0 + 2271,41∙0,223=506,5 кН∙м;
β=1; φl =1 +233,1/506,5 =
1,46;
δ = 1,3/60 = 0,021 < δmin=0,5-0,01∙620/50-
-0,01∙1,1∙8,5=0,286;=2(25∙503/12)=5,21∙105 см4;=2*10,18*(50/2-4)2=0,0898∙105
см4 при As=A’s = 10,18 см2 - 4
Ø 18 А-ІІІ;
Определяем:

имеем расчетный случай ξ=0,964>ξу=0,611.
Армирование ветвей принимаем симметричное. Вычисляем
следовательно, принятого количества площади
арматуры достаточно.
Расчет промежуточной распорки. Изгибающий момент
в распорке
Мds=(Qs)/2=(29,8∙1,94)/2=28,9 кН∙м.
Сечение распорки прямоугольное: b=50 см; h=40
см; h0 = 36 см. Так как эпюра моментов двузначная
принимаем 3 Ø 16 А-ІІІ
с As =6,03 см2.
Поперечная сила в распорке
= (2Mds)/c = (2∙28,9)/0,95 = 60,8 кН.
Определяем:
Q = φb4 γb2Rbt
bh0 = 0,6∙1,1∙0,75 (100) 50∙36 = 0,81∙105 Н =81 кН, где
φb4
=0,6.
Так как Q=81 кH> Qds =60,8 кН, поперечную
арматуру принимаем конструктивно dw,=6 мм класса A-I c s = 150 мм.
8. Расчёт предварительно напряжённой двухскатной
решётчатой балки покрытия.
.1 Данные для проектирования
Бетон класса В40 с расчётными характеристиками
при коэффициенте условий работы бетона γb2 = 0,9:
Обжатие
происходит при передаточной прочности бетона
Расчётные
характеристики бетона для класса, численно равного передаточной прочности
бетона при γb2 = 1:
Предварительно напрягаемая арматура стержневая
класса А - V (
Ненапрягаемая арматура класса А - III (при d
< 10 мм
при d ≥ 10
мм
и
из обыкновенной арматурной проволоки класса
(при
Ø
5
Геометрия балки
8.2 Расчётный пролёт, нагрузки, усилия
Масса балки 9,1 т, а погонная нагрузка от
собственного веса балки:
при γf
= 1:
при γf
> 1:
Нагрузку считаем равномерно распределённой по
поверхности и собираем с полосы, равной шагу балок 12 м и суммируем с нагрузкой
от веса балки.
Расчётная схема балки и расположение расчётных
сечений
Расчётная погонная нагрузка составляет:
при γf
= 1:
при γf
> 1:
Для определения усилий в качестве расчётных
сечений принимаем следующие:
-0 - по грани опоры балки;I - на расстоянии 1/6
пролёта от опоры;II - в месте установки монтажной петли;III - на расстоянии 1/3
пролёта от опоры;IV - на расстоянии 0,37 пролёта от опоры (опасное сечение при
изгибе);V - в середине пролёта.
Изгибающие моменты в сечениях определяем из
выражения
где Q - поперечная сила на опоре;
- расстояние от
опоры до i - ого сечения;
при γf
= 1:
при γf
> 1:
Изгибающие моменты в сечениях балки вычислены
аналогично и приведены в таблице 5.
Таблица 5
|
Сечение
|
Х,
м
|
Моменты,
кН · м
|
|
|
γf = 1
|
γf > 1
|
|
|
от
продолжительной нагрузки
|
от
полной нагрузки
|
от
полной нагрузки
|
|
0
- 0
|
0,15
|
58,3
|
68,85
|
83,4
|
|
I
- I
|
2,95
|
963,6
|
1137,9
|
1379
|
|
II
- II
|
3,95
|
1202,8
|
1420,45
|
1721,1
|
|
III
- III
|
5,9
|
1541,8
|
918,15
|
2206
|
|
IV
- IV
|
6,55
|
1671,3
|
1910,1
|
2313,9
|
|
V
- V
|
8,85
|
1734,4
|
2048,6
|
2480,9
|
.3 Предварительный подбор продольной напрягаемой
арматуры
Рассматриваем сечение IV - IV как наиболее
опасное:
В вернем поясе балки предусматриваем
конструктивную арматуру в количестве 4Ø12 А
- III (
;
а = 320/2 = 160 мм; в нижнем поясе - из 4Ø5 Вр
- I (
в виде сетки, охватывающей напрягаемую арматуру.
. Рабочая высота сечения
. Граничная относительная высота сжатой
зоны бетона:
где
при коэффициенте условий работы γb2
< 1.
. Устанавливаем положение границы сжатой
зоны
следовательно, нижняя граница сжатой зоны
проходит в пределах верхнего пояса балки.
. Вспомогательные коэффициенты:
То есть сжатой арматуры достаточно;
5. Требуемая площадь сечения напрягаемой
арматуры
Принимаем напрягаемую арматуру в количестве 2Ø22
А
- V + 4Ø25
А
- V (Asp = 760 + 1963 = 2723 мм²), которую
распределяем равномерно по периметру нижнего пояса балки.
.4 Определение геометрических характеристик
приведённого сечения
.
. Площадь приведённого сечения:
где
для
арматуры А - V;
- для арматуры Вр
- I;
для арматуры A -
III;
. Статический момент приведённого сечения
относительно нижней грани:
. Расстояние от центра тяжести сечения до
нижней грани
. Момент инерции сечения относительно
центра тяжести
. Момент сопротивления приведённого
сечения для крайнего нижнего волокна
. Упругопластический момент сопротивления
сечения с отверстием для нижнего волокна.
Положение нулевой линии сечения при растянутой
нижней зоне определим из условия:
где
статический момент
площади бетона сжатой зоны относительно нулевой линии;
статический момент площади арматуры сжатой зоны
относительно нулевой линии;
статический момент площади арматуры растянутой
зоны относительно нулевой линии;
площадь растянутой зоны в предположении, что х
>
.
Из указанного выше условия получим х = 68,92 см.
Упругопластический момент сопротивления для
крайнего растянутого волокна
где
момент инерции площади сжатой зоны относительно
нулевой линии;
момент инерции площади сечения арматуры
растянутой зоны относительно нулевой линии;
момент инерции площади сечения арматуры сжатой
зоны относительно нулевой линии;
статический момент площади растянутого бетона
относительно нулевой линии.
Момент сопротивления приведённого сечения для
крайнего сжатого волокна:
8. Положение нулевой линии сечения с
отверстием при растянутой верхней зоне определяем по той же методике в
предположении, что х >
.
Получаем х = 44,86 см >
.5 Определение потерь предварительного
напряжения
Принятое предварительное напряжение должно
находится в пределах
условие
выполняется.
Вычисление потерь приведём на примере сечения IV
- IV.
Первые потери
. От релаксации напряжений стержневой
арматуры при механическом способе натяжения
2. От температурного перепада
3. От деформации анкерных устройств
где Δl = 1,25 + 0,15 d
= 1,25 + 0,15·25 = 5, l ≈ 20000 мм - длина натягиваемого
стержня диаметром d.
. Потери от быстронатекающей ползучести
определяем в следующих местах по высоте поперечного сечения:
на уровне центра тяжести напрягаемой арматуры,
т. е. при
на уровне крайнего сжатого волокна бетона, т. е.
при
на уровне центра тяжести сжатой арматуры, т.е.
при
для чего вычисляем следующие параметры:
усилие обжатия
с
учётом потерь σ1 …σ3 при γsp
= 1
напряжение в бетоне на уровне арматуры
то же на уровне сжатой арматуры (
то же на уровне крайнего сжатого волокна (у =
725,5 мм)
Коэффициент
больше
нормированного значения 0,8, поэтому принимаем α
= 0,8.
Для всех уровней сечения отношение
тогда
потери от быстронатекающей ползучести соответственно составят:
Итого первые потери
Предварительное напряжение с учётом первых
потерь
Усилие обжатия с учётом первых потерь
Эксцентриситет усилия Р1 относительно центра
тяжести приведённого сечения
Вторые потери
. От усадки бетона
. От ползучести бетона:
При
потери
от ползучести бетона:
Итого вторые потери
Полные потери
Усилие обжатия с учётом всех потерь
Эксцентриситет усилия P2
.6 Расчёт прочности наклонных сечений
Так как фактическая нагрузка на балку приложена
в виде сосредоточенных сил с шагом, равным ширине плит покрытия 3 м, принимаем
длину проекции наклонного сечения с = 3 м (расстояние от опоры до ближайшего
сосредоточенного груза). В опорном сечении
тогда
в конце расчётного наклонного сечения рабочая высота составит
а средняя высота в пределах наклонного сечения
Для рассматриваемого наклонного сечения (от
грани опоры до первого сосредоточенного груза) имеем:
1.
2.
3.
4.
5.
6.
7.
. Максимально допустимый шаг поперечных
стержней
. Принимаем на приопорном участке шаг
поперечных стержней
тогда требуемая площадь сечения
хомутов
Принимаем в поперечном сечении 2Ø7
А
- III (
с шагом 150 мм.
Выясним, на каком расстоянии от опоры шаг
хомутов можно увеличить до 300 мм.
. Фактическая интенсивность поперечного
армирования
для шага
для шага
. Задаём длину участка с шагом хомутов
равной
расстоянию
от опоры до
первого груза. Длину проекции расчётного наклонного сечения принимаем равной
расстоянию от опоры до второго груза, т. е. с = 6 м >
но
меньше расстояния
от опоры до сечения
с максимальным моментом.
. Рабочая высота в конце расчётного
наклонного сечения
4. Длина проекции наклонной трещины в
пределах рассматриваемого наклонного сечения
Поэтому принимаем
. При
поперечная
сила, воспринимаемая хомутами:
. Поперечная сила, воспринимаемая бетоном
в наклонном сечении:
. Наибольшая поперечная сила от внешних
нагрузок для рассматриваемого наклонного сечения:
. Проверяем условие прочности наклонного
сечения
то есть прочность обеспечена.
Окончательно принимаем на приопорных участках
длиной
шаг
хомутов
на
остальной части пролёта шаг хомутов
.7 Проверка прочности нормальных сечений. Стадия
изготовления и монтажа
От совместного действия усилия обжатия P и
собственного веса балки при подъёме возникают отрицательные изгибающие моменты,
растягивающие верхнюю грань. Нагрузка от собственного веса принимается при
коэффициенте надёжности γf = 1,1 с
учётом коэффициента динамичности kd = 1,4 и условно считается равномерно
распределённой
Изгибающие моменты, возникающие в местах
расположения подъёмных петель
Нагрузка g1 только в пролётах
где фокусные отношения:
. Нагрузка g1 только на консолях
Для определения момента МВ используем метод
фокусов:
. Фокусные отношения
. Момент на опоре В
. Суммарные изгибающие моменты:
Расчётным является сечение II-II на опоре А;
высота сечения
= 890 + 4080/12 = 1230 мм;
рабочая высота при растянутой верхней грани
составляет
= 1230 - 320/2 = 1070 мм.
. Усилие обжатия вводится в расчёт как
внешняя внецентренно приложенная сила N при коэффициенте точности натяжения γsp
> 1
. Эксцентриситет усилия обжатия
. Расчётное сопротивление бетона в стадии
изготовления и монтажа с учётом коэффициента условий работы
. Граничная относительная высота сжатой
зоны бетона
где
при коэффициенте
условий работы γb2 > 1.
8. Устанавливаем положение границы сжатой
зоны
граница сжатой зоны
проходит в пределах нижнего пояса балки и сечение рассчитываем как
прямоугольное высотой h = 1230 мм.
. Высота сжатой зоны
. При
несущая
способность
следовательно, прочность сечения в этой стадии
обеспечена.
Стадия эксплуатации.
Проверяем прочность наиболее опасного сечения
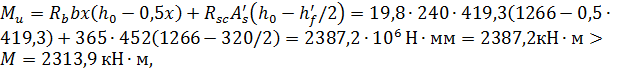
IV-IV, расположенного на расстоянии 0,37 l0 от опоры.
1.
. Граничная относительная высота сжатой
зоны
где
;
при коэффициенте условий работы γb2
< 1.
. Устанавливаем положение границы сжатой
зоны, принимая в первом приближении коэффициент
граница сжатой зоны проходит в пределах верхнего
пояса и расчёт выполняем как для прямоугольного сечения высотой h = 1446 мм.
. Высота сжатой зоны при значении
5.
6.
принимаем
. Предельный момент, воспринимаемый
сечением IV-IV:
то есть прочность данного сечения обеспечена.
.8 Расчёт по образованию нормальных трещин
В этом расчете следует проверить
трещиностойкость балки при действии эксплуатационных нагрузок. Расчёт по
образованию нормальных трещин производится из условия:
- изгибающий момент от внешних нагрузок с
коэффициентом надёжности по нагрузке
момент, воспринимаемый сечением при образовании
нормальных трещин; здесь
момент усилия обжатия относительно ядровой точки
сечения. Расчёт производим на примере сечения IV-IV.
Усилие обжатия Р2 = 1273,9 кН, его
эксцентриситет
Максимальное напряжение в крайнем сжатом волокне
бетона
Коэффициент
принимаем φ = 1. Расстояние
до наиболее удалённой ядровой точки с учётом неупругих деформаций сжатого
бетона
Момент образования трещин
При
в
стадии эксплуатации на нижней грани балки образуются нормальные трещины и
необходимо выполнить расчёт по их раскрытию.
.9 Расчёт по раскрытию нормальных трещин. Стадия
эксплуатации
Рассматриваем наиболее напряжённое сечение IV -
IV, в котором действует усилие обжатия Р2 = 1273,9 кН с эксцентриситетом
и
момент от полной нагрузки
в том числе момент
от продолжительно действующей нагрузки
высота
сечения h = 1446 мм, рабочая высота
Определяем продолжительное раскрытие трещин от
полной нагрузки:
. Вспомогательные коэффициенты и
параметры:
. Относительная высота сжатой зоны в
сечении с трещиной
. Плечо внутренней пары сил в сечении с
трещиной
. Напряжения растянутой арматуры с учётом
коэффициента δ, равного:
где
расстояние
до центра тяжести всеё растянутой арматуры нижнего пояса балки;
то
же до нижнего ряда стержней.
. Приращение напряжений в растянутой
арматуре
. Средний диаметр растянутой арматуры
7. Ширина непродолжительного раскрытия
трещин
Определим непродолжительное (начальное)
раскрытие трещин от продолжительно действующей нагрузки.
Высота сжатой зоны
в
данном случае не изменится, значит не изменится и плечо пары сил z = 1107 мм.
Тогда приращение напряжений в растянутой
арматуре:
Ширина непродолжительного раскрытия трещин от
продолжительно действующей нагрузки:
Определим продолжительное раскрытие трещин от
продолжительно действующей нагрузки, для которой
Тогда ширина продолжительного раскрытия трещин
Полная (непродолжительная) ширина раскрытия
трещин
.10 Определение прогиба балки
Прогиб определяется от продолжительно
действующих нагрузок (постоянных и временных длительно действующих).
Прогиб решётчатой балки приближённо определяем
по формуле:
- кривизна на опоре
(сечение 0-0);
- кривизна в
сечении на расстоянии
от опоры;
-
кривизна в сечении на расстоянии
от
опоры;
-
кривизна в сечении посередине пролёта.
= 0 - кривизна от кратковременных
нагрузок;
кривизна от
постоянных и временных длительно действующих нагрузок;
кривизна
выгиба элемента от действия усилия обжатия;
кривизна
выгиба от усадки и ползучести бетона при длительном действии усилия
предварительного обжатия. Здесь
относительные
деформации усадки и ползучести бетона соответственно на уровне растянутой
арматуры и крайнего сжатого волокна бетона
Кривизны в расчётных сечениях вычислены по этим
формулам и приведены в таблице:
|
Параметры
|
Величины
параметров в сечениях
|
|
0
- 0
|
I
- I
|
III
- III
|
V
- V
|
|
|
|
|
|
|
|
|
|
|
|
|
|
|
|
|
|
|
|
|
|
|
|
|
|
|
0
|
0
|
|
|
|
|
|
|
|
|
|
|
|
|
|
|
|
|
|
|
|
|
Прогиб балки от продолжительной нагрузки
предельно
допустимый прогиб.
Список использованной литературы
1. СНиП
2.09.02-85* "Производственные здания".
. СНиП
2.01.01-82 "Строительная климатология и геофизика".
. СНиП
23-01-99 "Строительная климатология".
. СНиП
2.03.01-89 "Бетонные и железобетонные конструкции".
. Пособие
по проектированию бетонных и железобетонных конструкций из тяжелых и легких
бетонов без предварительного напряжения к СНиП 2.03.01-89.
. СНиП
52-01-2003 "Бетонные и железобетонные конструкции. Основные
положения". М. 2003
. СП
52-101-2003 "Бетонные и железобетонные конструкции без предварительного
напряжения арматуры". М. 2004
. Байков
В.Н., Сигалов Э.Е. "Железобетонные конструкции: Общий курс", М.:
Стройиздат, 1991
. Мандриков
А.П. "Примеры расчета железобетонных конструкций", М.: Стройиздат,
1989