|
Наименование
изделия
|
Класс
бетона
|
Класс
арматуры
|
|
Колонна
|
Б15
|
A300
|
|
Панель
покрытия
|
Б25
|
А800
|
|
Стропильная
конструкция
|
Б35
|
К1400
|
|
Фундамент
|
Б15
|
А300
|
Регион строительства: г. Омск.
Снеговой район - III.
Наименование грунта - суглинок. R0 = 0,25.
Нагрузки, действующие на раму
Постоянные нагрузки
Постоянная нагрузка на 1м2 покрытия сводится в
таблицу 1.
Таблица 1.1
|
№
п/п
|
Вид
нагрузки
|
Нормативное
значение, кН/м2
|
Коэффициент
надежности по нагрузке, f
|
Расчетное
значение, кН/м2
|
|
1.
|
Слой
гравия на битумной мастике
|
0,1
|
1,3
|
0,13
|
|
2.
|
Два
слоя изопласта
|
0,12
|
1,3
|
0,156
|
|
3.
|
Цементно-песчаная
стежка δ=30мм,
0,03х1,8=0,54; (1,8 кН/м3 - объемный вес раствора)
|
0,54
|
1,3
|
0,70
|
|
4.
|
Утеплитель:
газосиликатные плиты δ =100мм,
4х0,1; (4кН/м3 - объемный вес утеплителя)
|
0,4
|
1,3
|
0,52
|
|
5.
|
Пароизоляция
|
0,04
|
1,3
|
0,05
|
|
Итого
кровля:
|
1,20
|
-
|
1,56
|
|
6.
|
Ребристые
плиты покрытия пролетом 6 м
|
1,57
|
1,1
|
1,73
|
|
Итого
постоянные:
|
gn
= 2,77
|
-
|
g
= 3,3
|
Постоянная нагрузка с покрытия передается на
крайнюю колонну в виде сосредоточенной силы F1 через закладные детали на
расстоянии 175мм от координационной оси.
Расчетная нагрузка от покрытия на крайнюю
колонну:
где g - расчетное значение веса 1 м2 покрытия;-
пролет здания;- шаг колонн;БР - вес решетчатой балки;
gf - коэффициент надежности по нагрузке;
gn - коэффициент надежности по ответственности
здания.
Расчетная нагрузка от веса стеновых панелей и
остекления:
где gn,ст - нормативное значение веса 1 м2
стеновых панелей;
Σhст - суммарная
высота стеновых панелей выше отметки консолей;,ост - нормативное значение веса
1 м2 остекления;
Σhост - суммарная
высота остекления выше отметки консолей;
Расчетная нагрузка от собственного веса
подкрановой балки и рельса:
Временные нагрузки
Снеговая нагрузка
Полное расчетное значение снеговой нагрузки S на
1 м2 горизонтальной проекции кровли:
,
для III снегового района согласно
СНиП 2.01.07-85* «Нагрузки и воздействия».
Снеговая нагрузка на колонну:
Ветровая нагрузка
Ветровой район II. Нормативное
значение ветрового давления
.
Нормативное значение средней
составляющей ветровой нагрузки wm на высоте я над поверхностью земли определяется
по формуле:
Определение эквивалентного давления
на отметке верха парапетной панели Hпп = 17,4м
Определим момент в заделке колонны
от фактического давления ветра. Разделим эпюру на простые участки и определяем
момент каждого участка относительно заделки:
Момент в заделке от эквивалентного
давления:
Равномерное расчетное погонное давление на раму
с наветренной стороны:
Равномерное расчетное погонное
давление на раму с подветренной стороны:
Ветровое давление и отсос выше
колонны передаются на раму в виде сосредоточенной силы, прикладываемой в уровне
верха колонны с ююбой стороны:
Крановые нагрузки
Величину вертикального кранового
давления D и горизонтальной тормозной силы H определяют от 2-х сближенных
кранов по линии влияния опорного давления.
Максимальное расчетное давление
кранов на колонну:
,
Где
- ускорение свободного падения.
Минимальное расчетное давление
кранов на колонну:
, где
- коэффициент перехода к
минимальному давлению
Нормативная горизонтальная нагрузка
на одно колесо, вызываемая торможением тележки и направленная поперек кранового
пути:
Расчетная горизонтальная поперечная
нагрузка на рассчитываемую раму от двух кранов при поперечном торможении:
1.2 Определение
усилий в колоннах
Рис.4. Расчетная и основная схема рамы.
Рис. 5. Сечения надкрановой и подкрановой частей
колонн.
Определение реакций верха колонн от единичного
смещения
Реакция верха колонн от единичного
смещения
:
Определение усилий в колоннах рамы от постоянной
нагрузки
Продольная сила F1 от покрытия передается на
крайнюю колонну с эксцентриситетом e0.
Сосредоточенная нагрузка от
парапетных панелей:
Эксцентриситет от нагрузки
парапетных панелей Fпп определяется по формуле:
Внецентренное действие сил F1 и Fпп
в месте опирания стропильной конструкции заменяется моментом Mn1 и центральным
действием суммы этих сил:
Момент от действия этих сил:
Следует учесть, что при привязке
колонны «250» направление сил - разное.
На подкрановую часть колонны с
подкрановой части передается сила
с эксцентриситетом
, где
собственный вес надкрановой части колонны 

.
Помимо этого в подкрановой части
действует расчетная нагрузка от стеновых панелей Fст=40,5кН с эксцентриситетом
eст и расчетная нагрузка от подкрановой балки с рельсом Fп.б.=47,14кН с
эксцентриситетом екр.
В расчетной схеме все указанные силы
FΣв, Fст,
Fп.б. прикладываются центрально с суммарным моментом М2
Реакция верха левой колонны от
моментов Мn1 и M2 равна:
Реакция верха левой колонны от
моментов:
Упругая реакция верха каждой колонны
будет равна реакции от нагрузки Rел=Rл=0,86кН.
Рис.2.7. - Схема для определения усилий в
крайней левой колонне от постоянных нагрузок.
Изгибающие моменты в сечениях колонны:
Продольная сила в сечениях левой
колонны:
Определение усилий в колоннах от снеговой
нагрузки
Они определяются также, как и от постоянной
нагрузки, так как усилие Fs1=92,34кН передается через закладные детали
стропильной конструкции и колонны.
Рис. 1.8. Загружение рамы снеговой нагрузкой.
Момент в месте излома колонн:
Момент в верху колонн:
Реакция верха левой колонны от
моментов Мs1 и Ms равна:
Упругая реакция верха каждой колонны будет равна
реакции от нагрузки Rел=Rл=5,68кН
Изгибающие моменты в сечениях колонны:
Продольные усилия в сечениях
колонны:
Поперечные усилия в сечениях
колонны:
Определение усилий в колоннах от
ветровой нагрузки
Реакция верха левой колонны:
Реакция верха правой колонны:
Суммарная реакция верха колонны:
Упругая реакция верха левой колонны:
Упругая реакция верха правой
колонны:
Изгибающие моменты в сечениях левой
колонны (ветер слева):
Поперечное усилие в сечении 4-4 левой колонны:
Рис.2.11. - Схема для определения изгибающих
моментов от ветровой нагрузки
Изгибающие моменты в сечениях левой колонны
(ветер справа):
Поперечное усилие в сечении 4-4
левой колонны:
Определение усилий в колоннах от крановой
нагрузки
) Загружение вертикальной нагрузкой.
На левую колонну действует сила Dmax, на правую
Dmin.
Рис. Загружение рамы вертикальной крановой
нагрузкой
Реакция верха левой колонны:
Суммарная реакция в основной системе:
Рис. 2.14. - Схема к определению коэффициента
cdim
С учетом работы рам только
поперечного направления определяем коэффициент, характеризующий
пространственную работу каркаса:
Линейное смещение рамы от
вертикальной крановой нагрузки:
Упругая реакция левой колонны:
Рис. 2.15. - Схема для определения изгибающих
моментов от максимального кранового давления
Изгибающие моменты в сечениях левой колонны:
Продольные усилия в сечениях левой
колонны:
Поперечные усилия в сечениях левой
колонны:
На левую колонну действует сила Dmin
на правую Dmax:
Рис.2.16. - Загружение рамы
вертикальной крановой нагрузкой
Реакция верха левой колонны:
Реакция верха правой колонны:
Суммарная реакция в основной
системе:
Линейное смещение рамы:
Упругая реакция левой колонны:
Рис. 2.17 -Схема для определения минимального
кранового давления
Изгибающие моменты в сечениях левой колонны:
Продольные усилия в сечениях левой
колонны:
Поперечные усилия в сечениях левой
колонны:
) Загружение горизонтальной
(тормозной) крановой нагрузкой
Нагрузка приложена справа налево:
Рис.2.18.-Загружение рамы
горизонтальной крановой нагрузкой
Реакция верха левой колонны:
Суммарная реакция в основной
системе:
Линейное смещение:
Упругая реакция левой колонны:
Рис. 2.19 - Схема для определения
изгибающих моментов от тормозной крановой нагрузки, приложенной справа налево
Изгибающие моменты в сечениях
колонны:
Продольные усилия в сечениях левой
колонны:
Поперечные усилия в сечении 4-4
левой колонны:
Нагрузка приложена слева направо:
Рис.2.20. - Загружение рамы
горизонтальной крановой нагрузкой
Эпюра изгибающих моментов от горизонтальной
нагрузки будет иметь зеркальный вид:
Рис. 2.21 - Схема для определения изгибающих
моментов от тормозной крановой нагрузки, приложенной слева направо
Изгибающие моменты в сечениях колонны:
Продольные усилия в сечениях левой
колонны:
Поперечные усилия в сечении 4-4
левой колонны:
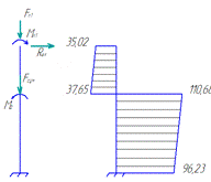
Таблица расчетных сочетаний усилий
|
Нагрузки
|
Эпюра
изгибающих моментов
|
Номер
загружений
|
Сечения
|
|
|
|
1-1
|
2-2
|
3-3
|
4-4
|
|
|
|
M
|
N
|
M
|
N
|
M
|
N
|
M
|
N
|
Q
|
|
Постоянные
|
1
|
-35,02
|
257,5
|
-37,65
|
280,82
|
110,68
|
368,46
|
96,23
|
391,78
|
0,86
|
|
|
Снеговая
|
2
|
-21,7
|
92,34
|
-48,39
|
92,34
|
20,77
|
92,34
|
74,65
|
92,34
|
5,68
|
|
|
|
3
|
-19,53
|
83,1
|
83,1
|
18,7
|
83,1
|
67,19
|
83,1
|
5,11
|
|
Ветровая
(ветер слева)
|
400-43,450-43,450-293,56028,89
|
|
|
|
|
|
|
|
|
|
|
|
|
5
|
0
|
0
|
-39,1
|
0
|
-39,1
|
0
|
-264,2
|
0
|
26
|
|
Ветровая
(ветер справа)
|
60031,98031,980143,940-21,54
|
|
|
|
|
|
|
|
|
|
|
|
|
7
|
0
|
0
|
28,78
|
0
|
28,78
|
0
|
129,54
|
0
|
-19,39
|
|
Крановая
вертикальная
|
80035,250-125,56459,46-34,81459,46-7,5
|
|
|
|
|
|
|
|
|
|
|
|
|
9
|
0
|
0
|
31,72
|
0
|
-113
|
413,6
|
-29,86
|
413,6
|
-6,75
|
|
Крановая
горизонтальная
|
1000-6,80-6,80100,150-4,34
|
|
|
|
|
|
|
|
|
|
|
|
|
11
|
0
|
0
|
-6,12
|
0
|
-6,12
|
0
|
90,13
|
0
|
-3,9
|
|
Крановая
горизонтальная
|
12
|
0
|
0
|
6,8
|
0
|
6,8
|
0
|
100,15
|
0
|
4,34
|
|
|
|
13
|
0
|
0
|
6,12
|
0
|
6,12
|
0
|
90,19
|
0
|
3,9
|
2. Расчет колонны
Колонна двухветвевая.
Отметка верха колонны - 16,8м.
Полная длина колонны от обреза фундамента до
низа стропильной конструкции H = 16,8+0,15=16,95м.
Длина верхней части колонны - 4,7м.
Длина нижней части колонны - 12,25м.
Колонна изготовлена из бетона класса Б15:
Арматура класса А300:
.1 Расчет надкрановой части
Таблица. 3.1. Комбинация усилий в сечении 2-2
|
Усилия
|
1
комбинация
|
2
комбинация
|
3
комбинация
|
|
M
|
От
вертикальной нагрузки -5,93-81,2--86,04
|
|
|
|
|
От
горизонтальной нагрузки 34,79-39,10
|
|
|
|
|
От
пост. и длит. --37,65-37,65-37,65
|
|
|
|
|
N
|
От
вертикальной нагрузки 280,82363,92373,16
|
|
|
|
Наиболее напряженное состояние рассматриваемого
сечения вызывает 2-я комбинация усилий.
Рис. 3.1. - Сечение надкрановой части колонны
Поскольку сечение колонны имеет податливую
заделку у консоли, коэффициент
, отсюда Расчетная
длина колонны:
Рабочая высота сечения:
необходимо учитывать прогиб колонны
Эксцентриситет продольной силы
относительно центра тяжести сечения:
значение М не корректируем
В первом приближении принимаем
, тогда
Жесткость железобетонного элемента:
Условная критическая сила:
Расчетный изгибающий момент:
По прил. 11 найдем значение
Отсюда
Поскольку
принятый коэффициент армирования практически равен вычисленному коэффициенту
армирования, то пересчет жесткости не выполняем, следовательно, принимаем
площадь сечения продольной рабочей арматуры согласно найденному.
В
колоннах с размерами меньшей стороны сечения 250мм и более диаметр продольных
стержней рекомендуется назначать не менее 16 мм. Принимаем по 3 стержня с
каждой стороны = 16 мм с площадью сечения:
.2
Расчет подкрановой части
Таблица
3.2. - Комбинация усилий в сечении 4-4
|
Усилия
|
1
комбинация
|
2
комбинация
|
3
комбинация
|
|
M
|
От
верт. нагрузки 133,5666,37133,56
|
|
|
|
|
От
гориз. нагрузки 219,,67-174,1-
|
|
|
|
|
От
пост. и длит. 133,56133,56133,56
|
|
|
|
|
N
|
От
верт. нагрузки 888,48805,38888,48
|
|
|
|
|
От
гориз. нагрузки ---
|
|
|
|
|
От
пост. и длит. 943,6943,6943,6
|
|
|
|
|
Q
|
От
верт. нагрузки -0,78-5,89-0,78
|
|
|
|
|
От
гориз. нагрузки -23,2929,9-
|
|
|
|
|
От
пост. и длит. -0,21-0,21-0,21
|
|
|
|
Наиболее нагруженное состояние вызывает 1-я
комбинация усилий.
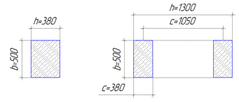
Рис. 3.2. - Сечение подкрановой части колонны
Расчетная длина колонны при вычислении
коэффициента:
Приведенный радиус инерции колонны:
Гибкость колонны при расчете на вертикальные
нагрузки:
- учитываем прогиб
Гибкость колонны при расчете на
горизонтальные нагрузки:
- учитываем прогиб
Усилия от всех нагрузок:
Эксцентриситет продольной силы
относительно центра тяжести сечения:
, т.е. значение М не корректируем.
Усилия от постоянных и длительных
нагрузок:
Момент инерции бетонного сечения
двухветвевой колонны:
, в первом приближении принимаем
Жесткость колонны:
Условная критическая сила для
коэффициента
Условная критическая сила для
коэффициента
Расчетный момент с учетом прогиба:
Продольные усилия в ветвях колонны:
Изгибающий момент в ветвях колонны:
корректируем в большую сторону:
т.к.
где
Площадь сечения продольной арматуры
по конструктивным требованиям принимается равной:
В колоннах с размерами меньшей
стороны сечения 250 мм и более диаметр продольных стержней рекомендуется
назначать не менее 16 мм принимаем 3 стержня диаметром 16 мм, с площадью
сечения
.
.3 Расчет промежуточной распорки
Размеры сечения распорки:
Поперечная сила:
Расстояние между нижними распорками:
2 м. Рабочая высота сечения:
Изгибающий момент в распорке при
нулевой точке моментов в середине панели:
Поперечная сила в распорке при
нулевой точке моментов в середине панели:
По конструктивным требованиям
принимаем 3 диаметра 10 А300 с
Минимальная поперечная сила
воспринимаемая бетоном распорки:
поперечная арматура устанавливается
конструктивно. Принимаются хомуты Ø5 В500 с шагом S = 150 мм.
3. Проектирование фундамента под колонну
Вид грунта - суглинок, расчетное
сопротивление грунта
, бетон
класса В15 с расчетным сопротивлением на сжатие
, на растяжение
, арматура
класса А300 с расчетным сопротивлением на растяжение
. Глубина
промерзания грунта в г. Омск - 220см.
.1 Определение геометрических
размеров фундамента
|
Усилия
|
1
комбинация
|
|
M
|
От
верт. нагрузки 133,56
|
|
|
От
гориз. нагрузки 219,67
|
|
|
От
пост. и длит. 133,56
|
|
|
N
|
От
верт. нагрузки 888,48
|
|
|
От
гориз. нагрузки -
|
|
|
От
пост. и длит. 943,6
|
|
|
Q
|
От
верт. нагрузки -0,78
|
|
|
От
гориз. нагрузки -23,29
|
|
|
От
пост. и длит. -0,21
|
|
Определение размеров подколонника и стакана:
Тип подколонника Д.
Размером сечения 2100х1200.
Размер стакана в плане по низу 1500х600, по
верху 1550х650
Для двухветвевых колонн глубина стакана:
1250мм, следовательно с учетом
зазора под колонной 50мм глубина заделки составляет
Толщина стенок стакана:
Минимальная заделка арматуры колонны
в стакан фундамента:
d=
=480мм
Определение размеров подошвы и
глубины заложения фундамента:
, принимаем l=3,3м
, принимаем b=2,7м
Расчетное сопротивление грунта:
Эксцентриситет нагрузки по подошве
фундамента:
Краевые давления:
где
.2 Проверка несущей способности
фундамента
) Проверка несущей способности
основания
Продольная сила на уровне подошвы
фундамента:
Для фундаментов крайних рядов колонн
необходимо добавлять нормативное значение усилий с фундаментных балок, панелей
и остекления:
Изгибающий момент на уровне подошвы
фундамента:

Напряжения под подошвой фундамента:
Условия выполняются, размеры подошвы
оставляем без изменения.
.3 Расчет на продавливание плитной
части
Максимальное краевое давление на
грунт от расчетной нагрузки, приложенной на уровне верхнего обреза фундамента:
Рабочая высота плиты:
Часть площади основания фундамента,
ограниченной нижним основанием рассматриваемой грани пирамиды продавливания и
продолжением в плане соответствующих ребер:
Величина продавливающей силы:
Средний размер проверяемой грани:
при
Условие выполняется.
.4 Определение сечений арматуры
плитной части фундамента
Требуемая площадь сечения растянутой
арматуры:
Т.к. b< 3м, то применяются сетки
с рабочей арматурой в обоих направлениях.
Принимаем сетку из 23 стержней А-300
диаметром 10 мм с общей площадью As = 1805мм2
По короткой стороне шаг стержней
200мм, по длинной стороне - 300мм.
4. Проектирование стропильной балки
Балка двускатная двутаврового сечения пролетом
18м. Уклон верхнего пояса 5%.
Высота в середине пролета - 1350 мм, на опоре -
900 мм.
Расчетный пролет - 17,7м.
Балка изготовлена из тяжелого бетона Б35.
Передаточную прочность бетона принимаем 62,5% от
проектной,
.
Верхний пояс и стойки балки армируются
пространственными сварными каркасами с рабочей арматурой класса А400.
Толщина стенки принимается 80мм. На расстоянии
3м от торца балки, в зоне максимальных перерезывающих сил, толщина стенки от
пролета к опоре плавно увеличивается до ширины полок 330мм и на опоре
образуется уширение в виде вертикального ребра жесткости. Верхний пояс балки
имеет переменную высоту: на приопорном участке 160мм; в середине пролета, в
зоне максимального изгибающего момента 280мм.
Нижний пояс армируют напрягаемой канатной
арматурой класса К1400
Сплошные концевые участки армируют сварными
каркасами с расчетной поперечной арматурой. Средняя часть работает аналогично
безраскосной ферме, концевые участки - как балки. Анкеры на концах арматуры
отсутствуют, предварительное напряжение арматуры производится механическим
способом на упоры стенда с применением инвентарных зажимов.
Момент в середине пролета:
., где
, расчетная погонная нагрузка от
веса покрытия и балки.
, расчетная погонная нагрузка от
собственного веса балки.
- расчетная погонная снеговая нагрузка.
- расчетный пролет.
.1 Расчет балки по первой группе
предельных состояний
1) Расчет сечения нормального к продольной оси.
Определение площади продольной рабочей арматуры.
Приведем сечение балки к расчетному
двутавровому сечению без уклонов внутренних граней полок. Значение
принимается
равным расстоянию от наружных горизонтальных граней полки до середины наклонных
участков.
Рис. 5.1. Фактическое и расчетное сечение балки.
Проверяем положение границы сжатой
зоны бетона при расчетной высоте сжатой полки
и нижней растянутой полки
Рабочая высота сечения:
Расчет ведем с учетом сжатой
арматуры. Конструктивную ненапрягаемую арматуру в нижней полке в расчете не
учитываем ввиду ее незначительного влияния. Проверяем условие:
т.е граница сжатой зоны проходит в
полке и расчет производим как для прямоугольного сечения шириной
При классе арматуры К1400 и
:
Предельная относительная высота
сжатой зоны бетона
т.е увеличивать сечение сжатой
арматуры
не
требуется, и площадь сечения растянутой предварительно напряженной арматуры
определяется:
Где
т.к
, то
Принимаем 6 канатов d=15мм с
площадью
Фактическая рабочая высота составит:
) Геометрические характеристики
сечения
Коэффициенты приведения для напрягаемой и
ненапрягаемой арматуры:
Площадь приведенного сечения
(расчетное сечение балки разбиваем на три участка- ребро и верхние и нижние
свесы):
Расстояние от нижней грани балки до
центра тяжести приведенного сечения:
где
статический момент бетонного сечения
относительно нижней грани.
Расстояние от центра тяжести
приведенного сечения до центра тяжести напрягаемой арматуры
и
ненапрягаемой
:
Момент инерции приведенного сечения:
,
) Усилие предварительного обжатия Р
и эксцентриситет
Максимально допустимое значение
предварительного напряжения арматуры, без учета потерь:
Определяем I потери напряжений:
) Потери от релаксации напряжения в
арматуре при механическом способе натяжения:
) Потери от температурного перепада
между упорами стенда и натянутой арматурой в зоне нагрева:
) Потери от деформации анкеров,
расположенных у натяжных устройств при
и
:
Потери от деформации стальной формы
отсутствуют, поскольку усилие обжатия передается на упоры стенда
Таким образом, сумма всех потерь:
т.е потери в дальнейшем не
корректируем.
Усилие обжатия с учетом первых
потерь и его эксцентриситет:
Проверяем максимальное сжимающее
напряжение
от действия
усилия
, при
и принимая
момент от собственного веса балки М равным нулю:
Определяем II потери напряжений:
Потери от усадки:
для бетона В35.
Потери от ползучести, принимая
значения
и
при
МПа,
принимаем 20МПа.
=2,8,
Коэффициент приведения
где
=17,5м- расстояние между прокладками
балок при хранении балки
Определяем усилие обжатия с учетом
всех потерь и его эксцентриситет:
, где
3) Расчет балки по наклонным сечениям на
действие поперечных сил
Проверку прочности полосы между наклонными
сечениями в приопорной зоне не производим, т.к. условие заведомо выполняется
из-за достаточной толщины стенки и высокой прочности бетона.
Расчет ведем согласно п.3.38[7].Первое наклонное
сечение от опоры до первого груза с длиной проекции с1 = 2750 мм. Высота
поперечного сечения балки в конце этого наклонного сечения равна: h1 =900 +
(250 + 2750)·0,05 =1040 мм b =80 + (330-80)(3000-2750)/3000 =100,8 мм
A1 = bh+(bf -b)hf=100,8∙1040+(330-100,8)∙225=156402
мм2
Вычисляем длину проекции второго
наклонного сечения при q1=0. За опорное сечение h01 примем сечение балки,
проходящее по краю закладной детали.
Полная и рабочая высота опорного
сечения
= 900 + 250·0,05 = 902,5 мм; h01 =
902,5 - 75 = 827,5 мм.= (330+100,8)/2 =215,4 мм
где qsw1 = RswAsw/sw = 285·236/150 =
448,4 Н/мм
Проекция с2 = 1113 мм меньше чем с1
= 2750 мм принимаем с= с2 = 1113 мм.
Полная и рабочая высота поперечного
сечения на расстоянии с2 = 1113мм от опоры равны =900 + (250 + 1113)·0,05 = 958
мм; h01 = 958 -75 = 883 мм.
Ширина ребра балки на расстоянии от
опоры с2 = 1113 мм равна b=237 мм.
Определим значение φn для этого
сечения:
= 237∙958+(330-237)∙225=247971
мм2
Проверяем прочность наклонного
сечения, принимая с= с0 = 1113 мм<2h0
где Q - поперечная сила в наклонном сечении с
длиной проекции с от внешних сил, расположенных по одну сторону от
рассматриваемого наклонного сечения; при вертикальной нагрузке, приложенной к
верхней грани элемента, значение Q принимается в нормальном сечении, проходящем
на расстоянии с от опоры;- поперечная сила, воспринимаемая бетоном в наклонном
сечении;- поперечная сила, воспринимаемая хомутами в наклонном сечении.
Условие прочности выполняется, т.е. прочность
наклонного сечения обеспечена.
Здесь Q = 225,734-4,31∙1,113 = 220,94 кН
Значение Qb принимают не более 2,5Rbtbh0 =
2,5·1,3·237·883 = 680,13кН, и не менее Qb,min = 0,5φnRbtbh0
= 0,5·1,22·1,3·237·883 = 165кН.
Это условие так же выполняется.
Проверка прочности наклонных сечений на действие
изгибающего момента
Если на балку действуют сосредоточенные силы,
значения с принимаются равными расстоянию от грани опоры до точек приложения
этих сил, но не более 2h0, а также равными Qmax/qsw=225734/448,4=503,4≈503
мм, если это значение меньше расстояния до первого груза.
Полная и рабочая высота сечения в конце
наклонного сечения: h = 900 + (250 + 503)0,05 = 938мм; h0 = 938 - 75 = 863 мм.
Определяем длину зоны анкеровки соответственно
напрягаемой арматуры (диаметр 15 К1400) и ненапрягаемой арматуры (2 диаметра 12
А400), принимая: для напрягаемой арматуры η1 = 2,2, η2
=1,0, ds = 15 мм; для ненапрягаемой арматуры η1
= 2,5,
ds = 12 мм:
Полное значение усилия в продольной растянутой
арматуре Ns при длине lx = 250 мм для напрягаемой и lx = 250 - 10 = 240 мм для
ненапрягаемой арматуры:
Плечо внутренней пары сил:
Принимаем
Момент, воспринимаемый продольной
арматурой, пересекающей наклонное сечение относительно конца наклонного
сечения:
Момент, воспринимаемый поперечной
арматурой, пересекающей наклонное сечение, относительно конца наклонного
сечения:
кН.м.
Расчётный момент в нормальном
сечении, проходящем через конец наклонного сечения:
Суммарный момент, воспринимаемый
сечением Ms + Msw = 249,2 +56,72 = 305,92 кН·м > М =
кН·м.
Прочность наклонного сечения по изгибающему моменту обеспечена.
Расчет балки по второй группе
предельных состояний
Действующие нормативные усилия:
от постоянных и длительных нагрузок:
.
от полной нормативной нагрузки:
Нормативная погонная снеговая
нагрузка:
S = SgμBgn=1,8кН/м2∙1∙6м∙0,95=10,26кН/м.
Нормативная погонная нагрузка от
веса покрытия:= (ggn B +
qw)=(3,3∙0,95∙6+3,92)=22,73 кН/м.
Погонная расчетная нагрузка от
собственного веса балки:= Gбgf
γn /l0=73кН∙1∙0,95∙/17,7м=3,92кН/м.
Момент образования трещин в стадии
эксплуатации определяется по формуле
где Wred - момент сопротивления
приведенного сечения для крайнего растянутого волокна, определяемый по формуле
;
расстояние от центра тяжести
приведённого сечения до ядровой точки, определяемое по формуле:
M=1291кН.м<Mcrc=1315,56.м→ условие
выполняется, т.е. трещины не образуются.
Расчет предварительно напряженной балки по
образованию трещин в верхней зоне в стадии изготовления
Момент образования трещин в стадии изготовления:
где Р(1) -усилие обжатия с учётом
первых потерь напряжений относительно центра тяжести приведённого сечения,
Р(1)=781.103кН;,ser(p)-значение Rbt,ser при классе бетона В35, численно равном
передаточной прочности Rbr=20МПа , Rbt,ser(p)=1,35МПа.
Момент сопротивления приведенного
сечения для растянутого усилия обжатия Р(1) верхнего волокна:
Расстояние до нижней ядровой точки:
Т.к. Мcrc= - 329.106H.мм<0,следовательно
верхние трещины образуются и необходимо проверить их ширину раскрытия.
При расчете балки по образованию
трещин в верхней зоне в стадии изготовления от усилия предварительного обжатия
Р(1) = 781кН сжатая зона бетона находится внизу, а растянутая - в верху. За
растянутую арматуру принимаем два верхних ненапрягаемых стержня каркаса с
площадью сечения As = 402 мм2. Рабочая высота сечения будет равна h0 = h - а =
1350 - 35 = =1315мм.
Момент, воспринимаемый продольной
арматурой, пересекающей наклонное сечение, относительного конца наклонного
сечения:
где еsp-расстояние от усилия
предварительного обжатия до центра тяжести верхней ненапрягаемой арматуры
esp = h - y
+ e0p1 - as = 1350 - 673 + 600 = 1277 мм;
Момент от собственного веса балки
при нормативном значении нагрузки qw = 3,92 кН/м:
Mw =
3,92·17,72/8 = 153,51 кН·м./h0
= Ms/Ph0 = 843·106/611000·1315 = 1,04
Для канатной арматуры
=
ζ = 0,8(прил.14
Пособия).
Плечо внутренней пары сил:
z= ζh0 = 0,8·1315= 1053 мм.
Напряжение в арматуре S:
Базовое расстояние между смежными
нормальными трещинами:
где Abt -площадь сечения растянутого
бетона,
Высота растянутой зоны бетона:
Высота растянутой зоны бетона,
определяемая как для упругого материала по приведенному сечению:
где Sred-статический момент
приведенного сечения относительно верхней грани, Sred=16,2.106мм3.
(h - y) = 260000.(1350 - 673) =
176·106 мм3
Поскольку yt=19.86мм < 2a = 2·35
= 70 мм, принимаем yt = 70мм.
Определяем ширину раскрытия
нормальных трещин, принимая φ1 =1,0, φ2 = 0,5, ψs = 1:
|
,
что меньше предельно допустимого значения 0,4 мм.
|
Расчет балки по деформациям.
Из расчета ширины раскрытия трещин принимаем
значения/h0 = 1,04, φf = 0,65,
ψs
= 1.
Приведенный момент деформаций бетона при
продолжительной нагрузке и нормальной влажности:
МПа
По приложению 19 Пособия при φf = 0,65, µas2 = 0,15 и es/h0 = 1,04
определяем значение φс = 0,39.
Определяем кривизну балки от
действия постоянной и временных длительных нагрузок (1/r) = (1/r)3:
Определяем кривизну (1/r)4, обусловленную
остаточным выгибом элемента вследствие усадки и ползучести бетона при σsb
=Δσ5+Δσ6=137,676МПа и σ'sb
= 0
Полная кривизна (1/r) в середине пролета от
постоянных и длительных нагрузок равна
Определяем прогиб балки, принимая S = 5/48:
Согласно СНиП 2.01.07-85* табл. 19
поз. 2 при l = 17,7 м предельно допустимый из эстетических требований прогиб
равен fult = l/250 = 17700/250 = 70,8 мм, что превышает вычисленное значение
прогиба.
Библиографический список
Филиппов
В.А. Проектирование конструкций железобетонных одноэтажных производственных
зданий: учеб. пособия/ В.А.Филиппов. - Тольятти: ТГУ, 2007. - 193 с.
СНиП
2.01.07-85. Нагрузки и воздействия. Госстрой России. - М.: ФГУП ЦПП, 2004.-44с.
СНиП
52-01-2003. Бетонные и железобетонные конструкции. - М.: ФГУП ЦПП, 2004.-24с.
СНиП
2.02.01-83*. Основания зданий и сооружений. - М.: ФГУП ЦПП, 2004.-48с.
СП50-101-2004.
Проектирование и устройство оснований и фундаментов зданий и сооружений. - М.:
ФГУП ЦПП, 2004.- 130с.
Байков
В.Н., Сигалов Э. Е. Железобетонные конструкции: Общий курс: Учеб. для вузов. -
5-е изд., перераб. и доп. - М.: Стройиздат, 1991. - 767 с.:ил.
Пособие
по проектированию предварительно напряженных железобетонных конструкций из
тяжелого бетона (к СП 52-102-2004). - М.: ОАО ЦНИИПромзданий, 2005. - 157 с.:
ил.