Выбор оборудования электропривода
Выбор электрической аппаратуры
управления в схемах электропривода постоянного и переменного тока
ВВЕДЕНИЕ
электропривод схема релейный
Электрический аппарат - это электротехническое устройство, которое
используется для включения и отключения электрических цепей, контроля,
измерения, защиты, управления и регулирования установок, предназначенных для
передачи, преобразования, распределения и потребления электроэнергии.
Электрические аппараты служат для коммутации, сигнализации и защиты
электрических сетей и электроприемников, а также управления электротехническими
и технологическими установками и находят исключительно широкое применение в
различных областях народного хозяйства: в электроэнергетике, в промышленности и
транспорте, в аэрокосмических системах и оборонных отраслях, в
телекоммуникациях, в коммунальном хозяйстве, в бытовой технике и т. д. При этом
в каждой из областей диапазон используемой номенклатуры аппаратов очень
широкий. Можно определенно сказать, что не существует области, связанной с
использованием электрической энергии, где бы не применялись электрические
аппараты.
Целью заданий №1 и №2 является усвоение методов расчета и получение
навыков выбора электрической аппаратуры управления в схемах электропривода
постоянного тока.
Помимо знания конструкции и принципа работы электрических аппаратов,
необходимо уметь выбрать аппаратуру для конкретной схемы электрической
установки; в практике электромонтера этот вопрос имеет большую значимость.
ЗАДАНИЕ
.1 Данные для выполнения задания №1
Произвести расчёт и выбор электрических аппаратов для системы ТП-Д,
представленной на рис. 1.1; выбрать аппаратуру управления в схеме
электропривода постоянного тока (рис. 1.2) в соответствии с данными
электродвигателя.
Таблица 1.1. Технические данные двигателя
|
№ вар
|
Тип
|
Pн, кВт
|
Uн, В
|
Iн, А
|
nн, об/мин
|
nmax, об/мин
|
КПД%
|
Rя, Ом
|
Rдп, Ом
|
Rв, Ом
|
J, Н×м2
|
|
15
|
Д12
|
3,6
|
220
|
22,5
|
1140
|
1200
|
90
|
1,13
|
0,5
|
26
|
0,49
|
Примечание:
перегрузочная способность по току якоря для двигателей Д12 - Д32 равна 3
в течение 30с.
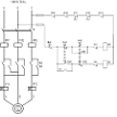
Рис.
1.1. Принципиальная электрическая схема системы ТП-Д
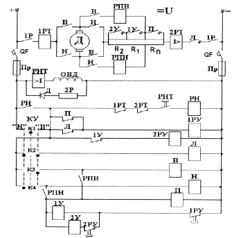
Рис.
1.2. Схема управления двигателем постоянного тока с реверсом
1.2 Принцип
работы схемы управления двигателем постоянного тока
Подготовка схемы к работе
Последовательно включаются автоматы АВ1, АВ2, рубильник 1Р и автомат QF. Получает питание обмотка
возбуждения ОВД и, если командоаппарат (КУ) находится в нулевом положении,
получают питание реле времени 1РУ и 2 РУ. Если ток возбуждения больше уставки
срабатывания реле нулевого тока РНТ, то его контакт в цепи реле нулевого
напряжения РН замкнут и РН срабатывает.
Работа схемы при пуске
Пуск осуществляется в функции времени в две ступени. В осуществлении
пуска участвуют следующие реле ускорения 1РУ, 2РУ, контакторы 1У, 2У. Для пуска
в направлении «Вперед» («В») необходимо перевести КУ в положение «В». При этом
разомкнется его контакт К1 и замкнутся К2 и К3. Контакт КУ К1 зашунтирован
замыкающимся контактом РН. Значит разрыв в цепи К1 не изменит состояние схемы.
Через контакты К2 и К3 получат питание Л и В и подключат двигатель к сети через
пусковой резистор. Реле противовключения вперед РПВ подключен так, что после
включения В и Л срабатывает, его контакт в цепи П замыкается. И, в свою
очередь, П шунтирует часть резистора Rп, который в
пуске не участвует. Далее 1РУ и 2РУ в соответствии с заложенной в них выдержкой
времени подключают 1У и 2У, а те, в свою очередь, выводят пусковые резисторы R1, R2.
Работа схемы при реверсе
Предположим,
что предварительно привод разогнался и работал на естественной характеристике в
точке с координатами (
;
), вращаясь в направлении «Вперед». Перевод двигателя
для вращения в направлении «Назад» производится переключением КУ из «В» в «Н».
При этом в нулевом положении контакты К2 и К3 размыкаются и В, П, 1У, 2У теряют
питание.
Значит,
в цепь якоря вводится всё сопротивление (Rп+R1+R2). В положении «Н» у КУ замкнуться контакты К2 и К4 и
подключат контакторы Л и Н. Реле РПВ останется отключенным, РПН не включится до
тех пор пока скорость не уменьшиться до нуля. Когда напряжение на РПН достигнет
величины срабатывания, он сработает и подключит цепь питания П, 1У, 2У. П
включается сразу и шунтирует Rп, а 1У и
2У осуществляют совместно с 1РУ и 2РУ разгон привод в две ступени в направлении
«Назад».
1.3 Выбор рубильников
Рубильники служат для замыкания и размыкания вручную электрических цепей
переменного тока напряжением до 500 В и постоянного тока напряжением до 440 В.
Таблица 1.2. Технические данные рубильников
|
Наименование аппарата
|
Тип аппарата
|
Номинальный ток, А
|
Номинальное напряжение, В
|
Род привода
|
Вид присоедин
|
|
Рубильник-разъединитель
|
Р21, Р31
|
100
|
=220 ~380
|
Центральная рукоятка
|
Переднее и заднее
|
|
Рубильник с боковой рукояткой
|
РБ21, РБ31
|
100
|
|
Боковая рукоятка
|
Переднее
|
|
Рубильник с боковым приводом
|
РПБ21, РПБ31
|
100
|
|
Боковой рычажный
|
Переднее
|
|
Рубильник
|
РПЦ21, РПЦ31
|
100
|
|
Центральный рычажный
|
Переднее
|
Рубильники выбирают по номинальному току и напряжению.
Учитывая
перегрузочную способность двигателя Д12 с номинальным током
А, рубильник выбирается исходя из тока, с учетом
перегрузочной способности, которая для данного типа двигателя равна 3:
А.
Данному
условию соответствует рубильник РПБ21 из таблицы 1.2 на номинальный ток 100 А.
Первая
цифра в обозначении типа аппарата (см. таблицу 1.2.) соответствует числу
полюсов, вторая соответствует его величине по току: 1-100 А, 2-250 А, 4-400 А,
6-600 А.
В
таблице показаны аппараты только на 100 А. Рубильники типа Р изготавливаются
без дугогасительных камер и могут работать только в качестве разъединителей,
т.е. размыкать обесточенные электрические цепи. Рубильники прочих типов
изготовляются с дугогасительными камерами и могут коммутировать электрические
цепи под нагрузкой.
1.4 Выбор
контакторов
Контактором
называется электрический аппарат для многократного дистанционного включения и
отключения силовой электрической нагрузки переменного и постоянного токов, а
также редких отключений токов перегрузки. Ток перегрузки составляет 7-10
кратное значение по отношению к номинальному току.
Контакторы
постоянного и переменного тока, как правило, имеют конструктивные отличия,
поэтому не взаимозаменяемы.
В
контакторах не предусмотрены защиты, присущие автоматическим выключателям и
магнитным пускателям. Контакторы обеспечивают большое число включений и
отключений (циклов) при дистанционном управлении ими. Число этих циклов для
контакторов разной категории изменяются от 30 до 3600 в час. Контакторы имеют
главные (силовые) контакты и вспомогательные или блок-контакты, предназначенные
для организации цепей управления и блокировки.
Выбор
контакторов осуществляется по номинальным значениям напряжения и тока
коммутируемой силовой цепи; по напряжению обмотки катушки контактора (должно соответствовать
напряжению цепи управления). Также стоит учесть время срабатывания и отключения
аппарата, и его допустимую частоту срабатывания (циклы в час) в соответствии с
требуемыми условиями работы электропривода.
Таблица
1.3. Характеристики контакторов постоянного тока
|
Тип
|
Номинальные
|
Обмотка
|
Собственное время, с
|
|
Напряжение, В
|
ток, А
|
Напряжение, В
|
Мощность, Вт
|
включения
|
Отключения
|
|
КП2
|
220
|
20; 40; 75
|
220
|
180
|
0,2…0,3
|
0,1
|
|
КПВ600
|
220
|
63; 100; 160; 250; 630
|
110; 220
|
110
|
0,2
|
0,25
|
|
КМВ621
|
220
|
50
|
40…220
|
-
|
0,05
|
-
|
|
КМ200
|
220
|
До 600
|
До 380
|
50
|
-
|
-
|
Выбор контакторов В, Н, П, Л, 1У и 2У (см. рисунок 1.2) осуществляется
исходя из условий:
-
максимального коммутируемого тока
А;
коммутируемого
напряжения
В;
напряжения
обмотки
В.
Всем
вышеперечисленным условиям удовлетворяет контактор КПВ600 на номинальный ток
100 А и номинальное напряжение 220 В (см.таблицу1.3).
1.5 Выбор реле времени
Для выбора выдержки времени реле необходимо время работы двигателя на
каждой ступени пускового реостата. Для этого графическим методом находим
сопротивление реостата (см. рис. 1.3).
Рассчитываем максимальные и минимальные токи для переключения ступеней реостата:
номинальную
скорость:
номинальное
сопротивление:
-сопротивление
якоря:
номинальный
поток:
скорость
холостого хода
максимальные
и минимальные моменты для переключения ступеней реостата:
номинальный
момент:
Рис.
1.3. Пусковая диаграмма двигателя Д12
Далее,
считаем время по формуле:
.
Для
реле 1РУ коммутируемое напряжение равно 220В, а коммутируемый ток равен сумме
токов через катушки контакторов 1У и 2У:
А. Для
реле времени 2РУ коммутируемый ток будет в два раза меньше (0,5 А).
Всем
перечисленным критериям выбора соответствуют реле времени РВ-01, с диапазоном
коммутируемых токов 0,01…2,5А и диапазоном выдержки времени 0,1…30с
1.6 Выбор реле напряжения
Защита двигателя от снижения напряжения применяется для предотвращения
перегрева двигателя при глубоких уменьшениях напряжения питающей сети.
При коротких замыканиях в сети происходит падение напряжения на
двигателе, а ток в якорной цепи возрастет, что приводит к срабатыванию токовой
защиты. При перерыве подачи напряжения более 0,5 с самозапуск двигателя станет
невозможным благодаря срабатыванию реле напряжения.
При выборе реле напряжения РН необходимо соответствие напряжения катушки
реле напряжению питающей сети (220 В). Напряжение коммутируемой цепи для реле
напряжения равно 220 В (что меньше допустимых 440 В). Предварительно выберем
реле РЭ14, затем проверим правильность выбора по коммутируемому току. Ток
контакта реле нулевой защиты РН можно найти как сумму токов всех контакторов
(В, Н, П, Л, 1У, 2У), реле напряжения (РН) и реле времени (1РУ, 2РУ):
А,
Это
также удовлетворяет условию выбора реле напряжения. Для надежности работы
напряжение втягивание реле выбирают из условия:
Для
выбора реле напряжения РПВ и РПН нужно учесть токи контактов данных реле,
которые равны:
А.
Номинальное
напряжение катушки равно 220 В. Реле РЭ14 допускают регулировку напряжения
срабатывания в пределах 25..80% от номинального напряжения катушки, что так же
удовлетворяет необходимому значению срабатывания реле:
.
1.7 Выбор реле максимального тока
Токовые реле, или реле максимального тока, применяются для защиты
двигателей от внезапных перегрузок при заклинивании приводимого механизма.
Выбор реле максимального тока 1РТ и 2РТ осуществляется исходя из условия
максимального тока двигателя:
,
а
также напряжения (
) и тока коммутируемой цепи, который равен току
контакта реле нулевой защиты (
А). Всем
критериям выбора соответствует реле максимального тока РЭВ571 с номинальным
током втягивающей катушки на 100 А.
Таблица
1.4.Характеристики реле максимального тока серий РЭВ-571 и РТ40
|
Тип реле
|
Номинальные токи втягивающих катушек, А (допускается
регулировка 70-300%)
|
Номинальное напряжение контактов, В
|
Номинальный ток контактов, А
|
Потребляемая мощность, ВА
|
|
РЭВ571
|
1,6; 2,5; 4; 6; 10; 16; 25; 40; 63; 100; 160; 250; 320;
400; 630; 1250
|
660
|
10
|
-
|
|
РТ40/0,2
|
0,05-0,2
|
250
|
2
|
0,2
|
|
РТ40/0,6
|
0,15-0,6
|
|
|
0,2
|
|
РТ40/2
|
0,5-2
|
|
|
0,2
|
|
РТ40/6
|
1,5-6
|
|
|
0,5
|
|
РТ40/10
|
2,5-10
|
|
|
0,5
|
|
РТ40/20
|
5-20
|
|
|
0,5
|
|
РТ40/50
|
12,5-50
|
|
|
0,8
|
|
РТ40/100
|
25,5-100
|
|
|
1,8
|
|
РТ40/200
|
50-200
|
|
|
8
|
.8 Выбор реле минимального тока
В качестве минимального токового реле в цепях постоянного тока применяют
реле контроля тока РЭВ-830.
Выбор производится по минимально допустимому току обмотки возбуждения
двигателя. Втягивающие катушки реле изготавливаются на номинальные токи: 1,6;
2,5; 6; 10; 16; 25; 40; 63; 100; 160; 250; 320; 400; 630 А. При этом реле могут
быть отрегулированы на ток втягивания в пределах 30-80% от номинального тока
катушки.
Посчитаем номинальный ток возбуждения двигателя:
А.
Для
такого тока оптимальным выбором является минимально токовое реле РЭВ-830 с
втягивающей катушкой на 16 А, что с учетом 30-80% регулировки дает диапазон на
ток втягивания 4,8 - 12,8 А.
1.9 Выбор командоаппарата
Командоаппараты представляют собой многосекционные кулачковые аппараты
для разно- и одновременной коммутацией нескольких цепей. Командоаппараты
способны коммутировать токи до 10..15 А при напряжении до 500 В и 440 В
(постоянное).
Выбор командоаппаратов осуществляется по номинальному току и номинальному
напряжению.
Для
грубой оценки коммутируемого тока командоаппарата можно взять сумму токов
потребляемых катушками РН, 1РУ, 2РУ, Л, В, Н, П, 1У, 2У, которая уже была
посчитана для реле напряжения РН (
А).
Коммутируемое напряжение равно 220 В.
Командоаппарат
КА-21-17 удовлетворяет всем требованиям.
Таблица
1.5Данные некоторых командоаппаратов
|
Виды аппаратов
|
Серия
|
Напряжение, В
|
Ток, А
|
Особенности устройства и назначение
|
|
Командоаппарат
|
КА-21-17
|
380, 220
|
4
|
Кулачковый регулируемый с микропереключателями
|
|
Командо-аппарат
|
КА410А
|
500
|
до 16
|
Кулачковый регулируемый для автоматизированных
электроприводов
|
|
Командо-аппарат
|
КА-4000
|
500, 440
|
до 15
|
Кулачковые регулируемые для цепи управления дистанционными
или автоматизированными электроприводами
|
.10 Выбор автоматических выключателей
Автоматические выключатели (автоматы) предназначены для коммутации цепей
(с токами от единиц ампер до десятков тысяч) и защиты от токов коротких
замыканий и перегрузки электрических линий и потребителей энергии.
В качестве элементов защиты в автоматах применяются мгновенные
электромагнитные реле, электромагнитные реле с выдержкой времени и тепловые
реле. Обычно реле защиты называются расцепителями.
Выбор автоматов производится по номинальному току, номинальному
напряжению, максимальному допустимому току короткого замыкания. Следует
различать номинальный ток самого автомата - его контактов и прочих токоведущих
частей - и номинальный ток встроенного в него расцепителя. Для большинства
автоматов на один и тот же номинальный ток возможна установка расцепителей на
меньшие номинальные токи.
Уставка на ток мгновенного срабатывания, или тока отсечки, означает, что
при данном токе срабатывает электромагнитный расцепитель данного выключателя.
Для выбора автомата QF
необходимо рассчитать максимальный ток защищаемой цепи. Для его вычисления
необходимо сложить ток обмотки возбуждения с ранее вычисленным током контакта
реле напряжения РН:
А.
Таблица
1.6. Автоматические выключатели
|
Тип
|
Обозначение
|
Номинальный ток, А
|
Число полюсов
|
Род расцепителя
|
Номина-льный ток расцепителя, А
|
Уставка на ток мгновенного срабатывания, А
|
Предельное коммутационная способность, кА
|
|
АЕ2000
|
АЕ2042-10-Б
|
12,5
|
2
|
Электромагнитный
|
10 12,5
|
|
2
|
|
|
25
|
|
|
16 20 25
|
|
3
|
|
|
63
|
|
|
31,5 40 50 63
|
|
4
|
|
АЕ2045-10-Б
|
12,5
|
2
|
Комбинированный (электромагнитный и тепловой)
|
10 12,5
|
|
2
|
|
|
25
|
|
|
16 20 25
|
|
3
|
|
|
63
|
|
|
31,5 40 50 63
|
|
4
|
Таблица 1.7.Автоматические выключатели серии А3700
|
Тип выключателя
|
Число полюсов
|
Род тока
|
Номинальное напряжение, В
|
Номинальный ток выключателя, А
|
Калибруемые значения номинального тока расцепителей, А
|
|
А3713Б
|
2
|
Постоянный
|
110, 220, 440
|
40
|
20 25 32 40
|
|
|
|
|
80
|
40 50 63 80
|
|
|
|
|
160
|
80 100 125 160
|
|
А3723Б
|
2
|
Постоянный
|
110, 220, 440
|
250
|
160 200 250
|
|
А3733Б
|
2
|
Постоянный
|
110, 220, 440
|
250
|
160 200 250
|
|
|
|
|
400
|
250 320 400
|
Очевидно, что выбрать по таблице 1.6 нужно автомат АЕ2042-10-Б с уставкой
по току срабатывания электромагнитного расцепителя 12,5 А.
Выбор автоматического выключателя АВ2 на стороне постоянного тока
осуществляется исходя из максимально допустимого тока силовой цепи, обмотки
возбуждения и цепи управления:
А.
Выбираем
автомат А3713Б с уставкой по току срабатывания 80 А и номинальным напряжением
220 В.
На
первичной стороне трансформатора устанавливается автомат АВ2. Ток автомата
можно посчитать по следующей формуле:
А,
где
(
- ток
вторичной обмотки трансформатора,
-
выпрямленный ток). Данному требованию удовлетворяет автомат А3714Б с
номинальным током выключателя 32 А.
.11 Выбор предохранителей
Предохранители
предназначены для защиты электрооборудования и сетей от токов короткого
замыкания и недопустимых длительных перегрузок. Защитным элементом
предохранителя является плавкая вставка, включаемая последовательно в цепь
тока. При увеличении тока линии выше определенной величины температура плавкой
вставки повышается и происходит ее расплавление, цепь тока разрывается,
предотвращая выход из стоя электрооборудования и проводников. Выбор
предохранителей для цепи управления и обмотки возбуждения двигателя
осуществляется по тому же току что и выбор автомата QF:
А. Этому значению тока удовлетворяет предохранитель
НПН-2-15 с плавкой вставкой на 10 А.
Выбор
предохранителей для защиты тиристоров осуществляется по номинальному току
плавкой вставки:
А,
где
- коэффициент запаса по току, не менее 1.2.
Этому
требованию удовлетворяет быстродействующий предохранитель ПП57-31 на
номинальный ток плавкой вставки 63 А.
Таблица
1.8. Данные некоторых плавких слаботочных предохранителей
|
Тип предохранителя
|
Номинальный ток, А
|
Предельный отключаемый ток, кА
|
|
предохранителя
|
плавких вставок
|
|
|
ПР-2-15
|
15
|
6 10 15
|
0,8
|
|
ПР-2-60
|
60
|
15 20 25 35 45 60
|
1,8
|
|
НПН-2-15
|
15
|
6 10 15
|
10
|
|
НПН-2-60
|
60
|
6 10 16 20 25 32
|
Быстродействующие предохранители серий ПП-57 и ПП-59 предназначены для
защиты полупроводниковых приборов тиристорного преобразователя.
Таблица 1.9. Данные быстродействующих предохранителей
|
Тип предохранителя
|
Номинальный ток, А
|
Допустимое напряжение постоянного тока, В
|
Величина интеграла Джоуля отключения, А2×с×103
|
|
предохранителя
|
плавких вставок
|
|
|
|
ПП57-31
|
100
|
40 63 100
|
До 440
|
80
|
|
ПП57-34
|
250
|
160 250
|
|
230
|
|
ПП57-37
|
400
|
315 400
|
|
450
|
|
ПП57-39
|
630
|
500 630
|
|
1500
|
|
ПП57-40
|
800
|
800
|
|
3500
|
1.12 Выбор тиристорного преобразователя
При определении номинальных значений выпрямленного напряжения и тока
необходимо обеспечить:
.
Этим
условиям отвечает тиристорный преобразователь со следующими номинальными
данными:
= 230 В
>
=220 В;
А,
где
- перегрузочная способность тиристорного
преобразователя в течение 10 с.
Этим
условиям удовлетворяет тиристорный преобразователь из серии ЭКТ типа
ЭКТ-50/220-1421-УХЛ4 на
.
1.13 Выбор силового трансфоматора
Расчёт начнём с определения линейного напряжения вторичной обмотки
трансформатора
где
kсх - коэффициент, зависящий от схемы выпрямления (см. табл. 1.10).
Таблица 1.10 - Расчётные коэффициенты схемы выпрямления
|
Схема выпрямления
|
Коэффициенты
|
|
kсх
|
ав
|
в
|
Ст
|
d
|
kп
|
|
Трёхфазная мостовая
|
2,34
|
2
|
0,0025
|
0,0052
|
0,0043
|
1,045
|
Максимальное
расчётное значение выпрямленной ЭДС в режиме непрерывного тока
где
Uн -
номинальное значение ЭДС двигателя;
бmin
- минимальный угол регулирования, значение которого, в связи с тем, что особых
требований в отношении динамических показателей электропривода не
предъявляется, можно принимать 15ч20° (принимаем бmin=20°);
∆Uв
=2 - падение напряжения на тиристоре;
ав
=2 - коэффициент, зависящий от схемы выпрямления (см.табл. 1.10);
в,
Ст , d - расчётные коэффициенты (см. табл.1.10);сет - коэффициент,
учитывающий индуктивность сети переменного тока. Величина этого коэффициента
определяется соотношением мощности системы ТП-Д и питающей сети. Если эти
мощности соизмеримы, то kсет обычно выбирают в пределах 1,3ч1,5. Это
относится, в основном, к мощным приводам. При проектировании маломощных
электроприводов и электроприводов средней мощности величину kсет уменьшают
до 1,0ч1,2 (принимаем kсет=1,15); ек%, ∆РКЗ
- напряжение короткого замыкания и потери короткого замыкания трансформатора
(задаёмся ек%=6%, ∆РКЗ=2,5%);
∆UС%
- возможные колебания напряжения сети (задаёмся ∆UС%=5%).
Подставив
полученное значение Еdo в формулу определения линейного напряжения
вторичной обмотки трансформатора получим:
Расчётная
мощность трансформатора
где
kп - коэффициент, зависящий от схемы выпрямления (табл. 1.10).
На
основании вычислений, выбирается трансформатор из серии сухих типа ТСП-
16/0,7-УХЛ4 с техническими данными, приведёнными в табл1.11.
Максимальное
значение выпрямленной ЭДС Еdo при б = 0
В,
где
U2л - линейного напряжения вторичной обмотки трансформатора при соединении в
звезду.
Таблица
1.11 - Технические данные трансформатора
|
Тип трансформатора, схема и группа соединения
|
Sн, к ВА
|
Номинальное напряжение
|
Номинальный ток
|
ек, %
|
I0, %
|
Потери, кВт
|
|
|
U1Л B
|
U2ЛВ
|
Udн, В
|
I2Л, А
|
Idн, А
|
|
|
∆Рхх
|
∆Ркз
|
|
ТСП -16/0,7-УХЛ4∆/Y-11
|
14,6
|
380
|
205
|
230
|
41
|
50
|
5,2
|
10
|
0,14
|
0,55
|
|
|
|
|
|
|
|
|
|
|
|
|
Первичный линейный ток
где
- коэффициент трансформации трансформатора.
Полное
сопротивление обмоток трансформатора, приведённое ко вторичной обмотке
Ом.
Активное
сопротивление обмоток трансформатора, приведённое ко вторичной обмотке
Ом.
Индуктивное
сопротивление
Ом.
Индуктивность
трансформатора
мГн.
1.14 Расчет и построение характеристик
Фазовые и регулировочные характеристики
Расчет и построение характеристик тиристорного преобразователя произведем
для пилообразного опорного напряжения СИФУ.
Запишем
выражение, связывающее угол
с
сигналом управления СИФУ
где
=90є;
= 10 В
Также
выражение определяющее значение
от
сигнала управления
где
г - угол коммутации при Idmax
д - угол
восстановления запирающих свойств тиристора - 30
-
допустимая асимметрия импульсов - 30
Определим
номинальный угол , соответствующий номинальному режиму работы двигателя
Таблица 1.12 - Расчетные данные для построения характеристик
|
Uy
|
б,град
|
Ud,В
|
Uy
|
б,град
|
Ud,В
|
|
-7,7
|
20
|
-259,117996
|
0
|
90
|
0
|
|
-7
|
27
|
-246,738669
|
1
|
99
|
43,31056
|
|
-6
|
36
|
-224,019889
|
2
|
108
|
85,55574907
|
|
-5
|
45
|
-195,790575
|
3
|
117
|
125,6964027
|
|
-4
|
54
|
-162,745125
|
4
|
126
|
162,7451246
|
|
-3
|
63
|
-125,696403
|
5
|
135
|
195,7905752
|
|
-2
|
72
|
-85,5557491
|
6
|
144
|
224,0198888
|
|
-1
|
81
|
-43,31056
|
7
|
153
|
246,7386692
|
|
0
|
90
|
0
|
7,2
|
154,8
|
250,73709
|
Рис 1.4 - Фазовая характеристика тиристорного преобразователя
Рис 1.5 - Регулировочная характеристика тиристорного преобразователя
Расчет механических характеристик системы ТП-Д:
где
=2 (трехфазная
мостовая схема)
=0,5 В
(Число
фаз)
Построим
характеристики для углов 300,450,600
Таблица
1.13 - Расчетные данные механических характеристик
|
б=30
|
б=45
|
б=60
|
|
M,Н∙м
|
w,с-1
|
M,Н∙м
|
w,с-1
|
M,Н∙м
|
w,с-1
|
|
0
|
137
|
0
|
112,5
|
0
|
79,7
|
|
40
|
107
|
40
|
82,5
|
40
|
49,7
|
Рис 1.6 - Механические характеристики системы ТП-Д
ЗАДАНИЕ №2
.1 Данные для выполнения задания №2
. Произвести расчет и выбор аппаратуры в релейно-контакторной схеме
управления электроприводом асинхронного двигателя с короткозамкнутым ротором
(рис.2.1) в соответствии с техническими данными двигателя. Данные двигателя
представлены в таблице2.1 в соответствии с номером варианта
Принципиальная схема управления асинхронным двигателем с короткозамкнутым
ротором представлена на рисунке 2.1 ниже:
Таблица 2.1. Характеристики выбранного двигателя:
|
№ варианта
|
Типоразмер
|
Мощность, кВт
|
Скольжение s,%
|
КПД, %
|
cosц
|
Ммакс/Мном
|
Мпуск/Мном
|
Iпуск/Iном
|
|
Синхронная скорость вращения 1500 об/мин
|
|
15
|
4А225M4У3
|
55
|
2
|
92,5
|
0,9
|
2,2
|
1,4
|
7
|
Примечание: Питание двигателей осуществляется от
трехфазной сети промышленной частоты f=50Гц и номинальным напряжением Uном.сети=380В.
Рис. 2.1. Принципиальная схема
реверсивного пуска асинхронного короткозамкнутого электродвигателя с реверсом скорости
2. Произвести расчет и выбор аппаратуры для защиты
системы ПЧ АД (асинхронный двигатель выбирается в соответствии с первой частью
задания)
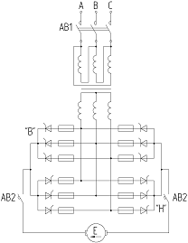
Принципиальная схема защиты преобразователя частоты
(ПЧ) с автономным инвертором напряжения (АИН) представлена ниже на рис. 2.2:
Рис. 2.2. Принципиальная схема
системы ПЧ-АД
2.2 Расчет и выбор аппаратуры для управления АД
В промышленности в настоящее время применяются
следующие виды защит:
· максимально- и минимально токовая;
· тепловая и температурная;
· от исчезновения напряжения;
· нулевая и ряд других зашит.
К любой защите предъявляется ряд обязательных
требований, без соответствия которым защита не может считаться надежной и
безопасной. Речь идет о следующих требованиях:
· селективность - это способность
защитных устройств отключать только поврежденные участки электрической цепи;
· максимальное быстродействие -
позволяет резко снизить последствия аварии, сохранить устойчивость системы при
аварийных режимах, обеспечить высокое качество электроэнергии.
· чувствительность - минимальное
значение входного параметра, при котором происходит срабатывание защиты.
Для реализации упомянутых выше защит используют
предохранители, автоматические выключатели, тепловые реле, максимальные и
минимальные токовые реле, реле напряжения и другие аппараты.
На рис. 2.1 представлена принципиальная схема
управления асинхронным короткозамкнутым электродвигателем с реверсом скорости
при помощи реверсивного магнитного пускателя. При включенном рубильнике Р схема
подготовлена к работе.
Для пуска двигателя в нужном направлении, например,
вперед, необходимо нажать кнопку КнВ. При
этом включается группа контактов КВ магнитного пускателя и присоединяет
двигатель к сети. Одновременно замыкающий блок-контакт КВ блокирует кнопку КнВ.
Для остановки двигателя необходимо нажать кнопку КнС, которая отключит контакты
магнитного пускателя, и двигатель будет отсоединен от сети.
Для пуска двигателя в обратном направлении необходимо
нажать кнопку КнН, которая включит группу контактов КН. Две фазы статора
двигателя (А и В) поменяются местами, и он начнет вращаться в обратном
направлении. Если нажать кнопку КнН при включенных контактах КВ, то размыкающий контакт этой кнопки отключит контакты КВ,
после чего включатся контакты КН. В результате произойдет торможение
противовключением с последующим реверсом двигателя.
Защита двигателя осуществляется с помощью максимальных
токовых реле РМ1, РМ2, РМ3 и тепловых реле РТ1 и РТ2. При срабатывании любого
из реле размыкается его контакт в цепи контакторов
в схеме управления. Последние отключаются и отсоединяют двигатель от
сети. В схеме используются кнопки с двумя контактами - замыкающим и
размыкающим. Эти контакты включены в разные цепи, обеспечения надежную электрическую
блокировку.
Определим по номинальным параметрам двигателя его
номинальный и пусковой ток.
Номинальный ток двигателя можно определить по
следующей формуле:
где
m - число фаз статора.
По
известной кратности пускового тока можно определить его значение:
После
определения значений номинального и пускового тока можно приступить к выбору
требуемой аппаратуры.
2.3 Выбор рубильника
Рубильники применяются для ручного отключения силовых
цепей с созданием видимого разрыва цепи. Рубильники могут выполняться как с
дугогасительным устройством, так и без него.
В перовом случае, рубильники позволяют осуществлять
коммутацию цепей под нагрузкой. К таким рубильникам относятся рубильники серий
РП, РПЦ, РПБ, ППЦ. Во втором случае рубильники применяются только в качестве
разъединителей, т.е. для коммутации предварительно обесточенных цепей. К
рубильникам второй группы относят, например, рубильники серий Р и П.Выбор
рубильников необходимо, в общем случае, осуществлять, исходя из следующих
условий:
1. Uном ≥ Uном.сети;
2. Iном ≥ Iпрод.расч;
3. Iоткл.доп ≥ Iраб ф
(в случае, если рубильник имеет дугогасительные камеры или разрывные контакты)
В соответствии с условиями выбора рубильников, выбираем
по таблице 2.2 переключатель-разъединитель с центральным рычажным приводом
серии ППЦ-36, со следующими номинальными
параметрами:
Uном = 380 В, Iном = 600 А.
Таблица 2.2. Технические данные
переключателей-разъединителей
|
Наименование
|
Тип
|
Номинальное напряжение
|
Номинальный ток, А
|
|
|
|
постоянный
|
переменный
|
|
Переключатели-разъединители с центральной рукояткой
|
П31
|
380~ 220=
|
100
|
100
|
|
П32
|
|
250
|
250
|
|
П34
|
|
400
|
400
|
|
Переключатели-разъединители с центральным рычажным приводом
|
ППЦ-31
|
|
100
|
100
|
|
ППЦ-32
|
|
250
|
250
|
|
ППЦ-34
|
|
400
|
400
|
|
ППЦ-36
|
|
600
|
600
|
|
Переключатели-разъединители с центральной рукояткой
|
П2115/2
|
|
800
|
800
|
|
П2315/2
|
|
1500
|
1500
|
|
П2515/2
|
|
3000
|
3000
|
|
Переключатели-разъединители с полюсным
|
П2545/2
|
|
3000
|
3000
|
|
П2745/2
|
|
5000
|
5000
|
|
Переключатели-разъединители с центральным рычажным приводом
|
П2126/2
|
|
800
|
800
|
|
П2326/2
|
|
1500
|
1500
|
|
П2525/2
|
|
3000
|
3000
|
|
П2725/2
|
|
5000
|
5000
|
2.4 Выбор максимальных токовых реле
Для защиты от коротких замыканий в главных цепях
двигателя с короткозамкнутым ротором катушки максимальных реле включаются во
все три фазы статора. Наличие трех реле позволяет обеспечить в сетях 380 В с
заземленной нейтралью защиту от однофазных замыканий на землю. В сетях же с
изолированной нейтралью можно ограничиться включением реле в две фазы. При
этом, в пределах одной и той же установки защиту следует осуществлять в одних и
тех же фазах.
Технические данные максимальных токовых реле серии
РЭО-401 приведены в таблице 2.3.
Выбираем ток уставки реле в зависимости от типа двигателя:
Так как в данной схеме используется асинхронный короткозамкнутый
двигатель, то ток уставки реле выбираем по следующему
выражению:
Выбираем номинальный ток реле
Исходя из условий выбора максимальных токовых реле по
номинальному току Iном.р, нужно выбирать такие реле, чтобы
выполнялось условие:
Iном.р ≥ 57,95 А.
Таблица 2.3. Основные
технические данные реле серии РЭО-401
|
Тип
|
Номинальный ток, А
|
Пределы регулирования тока срабатывания электромагнита, А
|
|
РЭО-401
|
2,5
|
3,3-10
|
|
4
|
5,2-16
|
|
6
|
8-24
|
|
10
|
13-40
|
|
16
|
21-64
|
|
25
|
33-100
|
|
40
|
52-160
|
|
63
|
82-252
|
|
100
|
130-400
|
|
160
|
210-640
|
|
250
|
325-1000
|
|
320
|
420-1280
|
Указанным двум условия удовлетворяет реле серии
РЭО-401 со следующими номинальными параметрами: Iном= 160А, Iсраб.р=(210 ч640)А.
2.5 Выбор магнитного пускателя
Магнитный пускатель - это электрический аппарат, предназначенный для пуска, остановки,
реверсирования и защиты асинхронных электродвигателей. Его практически
единственное отличие от контакторов - наличие защиты от токовых перегрузок
(тепловые реле).
Для пуска, реверса и аварийного отключения в схеме
электропривода используется реверсивный магнитный пускатель. Параметры
выбираемых магнитных пускателей должны удовлетворять следующим условиям:
1.
Uном ≥380В
2.
Iном ≥ Iном.дв ≥ 57,95 А
3.
Iпред ≥ Iпуск.дв ≥ 405,65 А
Указанным условиям удовлетворяет магнитный пускатель
типа ПАЕ-400 со следующими номинальными параметрами: Uном = 380 В; Iном = 63 А; Iпред =630 А; пусковая мощность, потребляемая обмоткой, Pв = 465 ВА; номинальная мощность обмотки Pр = 20 ВА.
Таблица 2.4. Технические данные магнитных пускателей
|
Параметр
|
ПМЕ-000
|
ПМЕ-10
|
ПМЕ-200
|
ПАЕ-300
|
ПАЕ-400
|
ПАЕ-500
|
ПАЕ-600
|
|
Номинальный ток А, при 380/500 В
|
3/1,5
|
10/6
|
25/14
|
40/21
|
63/35
|
110/61
|
146/80
|
|
Предельный включаемый и отключаемей ток, А, при 380 В и cosц=0.4
|
30
|
100
|
280
|
400
|
630
|
1000
|
1500
|
|
Пусковая мощность, потребляемая обмоткой, ВА
|
65
|
130
|
160
|
260
|
465
|
800
|
3400
|
|
Номинальная мощность обмотки, ВА
|
3,6
|
6
|
8
|
17
|
20
|
26
|
38
|
.6 Выбор тепловых реле
Тепловые реле служат для защиты электроустановок от
токовых перегрузок недопустимой продолжительности. Такая защита имеет огромное
значение, т.к. тепловые перегрузки вызывают, в первую очередь, ускоренные
старение и разрушение изоляции двигателя, что может привести к коротким
замыканиям, т.е. к серьезной аварии и преждевременному выходу
электрооборудования из строя.
Основой конструкции теплового реле является
биметаллический элемент, который при нагреве изгибается, воздействуя на
механизм переключения контактов.
Реле срабатывает, если ток
перегрузки равен току уставки реле или больше него. Следует отметить, что тепловой процесс
инерционен по своей природе, поэтому срабатывание реле происходит с некоторой
выдержкой времени, которая тем меньше, чем больше величина перегрузок; при
очень больших перегрузках реле срабатывает почти мгновенно. Однако, вследствие
инерционности теплового процесса, реле не может обеспечить защиту от режима КЗ,
и должно быть само защищено от него. Если этого не сделать, то реле будет
нагреваться без отдачи тепла в окружающую среду и выйдет из строя до того, как
успеет воздействовать на контактную систему.
При выборе теплового реле будем
придерживаться порядка, указанного
в пункте 2.2.4 настоящих методических указаний:
Выбираем предварительное значение номинального тока нагревателя Iном.нагр номинального тока реле Iном.р:
Iном.р ≥ Iном.нагр≈ 57,95 А
т.е. Iном.нагр = 57,95 А. В соответствии с этим
значением предварительно выбираем серию реле. Таким образом, можно взять
тепловое реле серии ТРП, для которого значение коэффициента д = 5%.
Приведем Iном.нагр к
действительной температуре окружающей среды, т.е. к tокр (считаем, что tокр = 75°С):
Далее выбираем номинальное значение тока уставки Iном.уст
Так
как двигатель работает при температуре, отличной от номинальной, то ток уставки
выбирается, исходя из следующего выражения:
Окончательно
выбираем номинальный ток нагревателя Iном.нагр:
58,5
A<Iном.нагр<93,6
A
Таким образом. Выбираем тепловое реле серии ТРП-60 со
следующими номинальными параметрами: Iном.р= 60 А,
диапазон изменения тока уставки Iуст = (45ч 75) А, максимальный ток
продолжительного режима при tокр = 40° , Iмакс40є = 75 А.
Таблица 2.5. Основные
технические данные тепловых реле серии ТРП
|
Тип реле
|
Номинальный ток реле, А
|
Номинальный ток теплового элемента Iн при 25°С, А
|
Пределы регулирования номинального уставки
|
Максимальный ток продолжительного режима при tокр=40°, А
|
|
ТРП - 25
|
25
|
1; 1,2; 1,5; 2; 2,5; 3; 4; 5; 6; 8; 10; 12; 15; 20; 25;
|
0.85ч 1.15Iн
|
1.15Iн
|
|
ТРП-60
|
60
|
20; 25; 30; 40; 50; 60;
|
0.85ч 1.15Iн
|
1.15Iн
|
|
ТРП-150
|
150
|
50; 60; 80; 10; 120; 150
|
0.85ч 1.15Iн
|
1.15Iн
|
|
ТРП-600
|
600
|
150; 200; 250; 300; 400; 500; 600;
|
0.85ч 1.15Iн
|
1.15Iн
|
Таблица 2.6. Основные
технические данные тепловых реле серии ТРT
|
Тип реле
|
Номинальный ток реле, А
|
Номинальный ток теплового элемента Iн при 25°С, А
|
Пределы регулирования номинального уставки
|
Максимальный ток продолжительного режима при tокр=40°, А
|
|
ТРТ-111
|
1,75
|
1,75
|
0.85ч 1.15Iн
|
1.15Iн
|
|
ТРТ-112
|
2,5
|
2,5
|
0.85ч 1.15Iн
|
1.15Iн
|
|
ТРТ-113
|
3,5
|
3,5
|
0.85ч 1.15Iн
|
1.15Iн
|
|
ТРТ-114
|
5
|
5
|
0.85ч 1.15Iн
|
1.15Iн
|
|
ТРТ-115
|
7
|
7
|
0.85ч 1.15Iн
|
1.15Iн
|
|
ТРТ-121
|
9
|
9
|
0.85ч 1.15Iн
|
1.15Iн
|
|
ТРТ-122
|
11,5
|
11,5
|
0.85ч 1.15Iн
|
1.15Iн
|
|
ТРТ-131
|
14,5
|
14,5
|
0.85ч 1.15Iн
|
1.15Iн
|
|
ТРТ-132
|
18
|
18
|
0.85ч 1.15Iн
|
1.15Iн
|
|
ТРТ-133
|
22
|
22
|
0.85ч 1.15Iн
|
1.15Iн
|
|
ТРТ-134
|
28
|
28
|
0.85ч 1.15Iн
|
1.15Iн
|
|
ТРТ-135
|
35
|
35
|
0.85ч 1.15Iн
|
1.15Iн
|
2.7 Выбор предохранителей
В данной схеме электропривода
переменного тока предохранители установлены для защиты цепи управления.
Предохранители - это электрические аппараты, с помощью
которых осуществляется максимально-токовая защита, т.е. защита от токовых
перегрузок и токов КЗ. Основными конструктивными элементами любого
предохранителя являются:
· плавкая вставка - включается последовательно в цепь
тока, разрывая ее при срабатывании (расплавлении);
· дугогасительное устройство -
предназначено для гашения электрической дуги, возникающей при срабатывании.
Выбирая предохранители для защиты цепи управления,
будем ориентироваться на значения пусковой мощности, потребляемой обмоткой
магнитного пускателя, и ее номинальной мощности в режиме удержания. При этом
следует отметить, что в каждый момент времени (пуск, торможение, реверс)
работает только одна контактная группа.
В соответствии с методикой выбора значений
номинального тока плавкой вставки предохранителя для защиты цепей управления
можно записать, что
Таким
образом, выбираем слаботочные предохранители на номинальное напряжение 600 В
серии ПH-55, рассчитанные на номинальный ток ном =0,25А.
Таблица
2.7.Технические данные слаботочных предохранителей
|
Тип
|
Номинальный ток, А
|
|
ВПБ6-27…ВПБ6-42 (Б - быстродействующие)
|
0,16; 0,25; 0,315; 0,4; 0,5; 0,63; 1; 1,25; 1,6; 2; 3,15;
4; 5; 6,3; 8; 10
|
|
ВПT6-27…ВПT6-42 (Т - замедленное время срабатывания)
|
0,16; 0,25; 0,315; 0,4; 0,5; 0,63; 1; 1,25; 1,6; 2; 3,15;
4; 5; 6,3; 8; 10
|
|
ПК-45, ПК-55 (К - конические)
|
0,15; 0,25; 0,5; 1; 2; 3; 4; 5;
|
|
ПН-55 (Н - ножевые)
|
0,25; 0,5; 1; 2; 3; 4; 5
|
Таким образом, был произведен
расчет и выбор всех необходимых, подходящих по условиям работы, аппаратов для
пуска, реверса и защиты асинхронного
двигателя с короткозамкнутым ротором.
2.8 Расчет и выбор аппаратов защиты системы ПЧ-АД
В соответствии с рис. 2.2. можно сказать, что защита преобразователя частоты осуществляется всего
двумя видами аппаратов: быстродействующими предохранителями FU и автоматическим выключателем QF. Основная трудность, в данном
случае, заключается в том, в преобразователе частоты имеет место как
постоянные, так и переменные ток и напряжение. Например, автоматический
выключатель QF должен выбираться по действующему
значению основной гармоники тока. В тоже время, быстродействующие
предохранители для защиты силовых тиристоров выбираются исходя из номинального
значения выпрямленного тока. Поэтому
целесообразно, предварительно вычислить указанные величины:
Рассчитаем индуктивное сопротивление асинхронного
двигателя:
Далее определим действующее значение полного тока при
номинальной нагрузке:
Теперь вычислим номинальную
допустимо-длительную мощность:
Выберем преобразователь частоты:
Выбор преобразователя частоты осуществляется исходя из
следующих условий:
· Sн.пч ≥Кз∙Sн ≥ 1,25∙47,24≥59,05
кВА;
· Uн.пч ≥Uном.сети≥ 380В;
· Iн.пч ≥Iпуск.дв/лпч = 405,65/2≥ 202,82 А;
· Iмакс.пч ≥Iпуск.дв≥ 405,65А;
Исходя из перечисленных условий и каталожных данных,
выбираем преобразователь частоты типа ТРИОЛ АТ04-55 со следующими параметрами:
· Pном.дв=55 кВт.
· Sн.пч=75 кВА
· Iн.пч=110 А;
· Uн.пч=380В;
· зпч=0,95;
· Iмакс.пч=132А;
Активная мощность на выходе инвертора:
Номинальное
напряжение в звене постоянного тока:
Номинальный
выпрямленный ток:
Действующее
значение первой гармоники тока:
Таким
образом, был произведен предварительный расчет номинального значения
выпрямленного тока и действующего значения первой основной гармоники тока.
Кроме того был выбран преобразователь частоты, технические параметры которого
необходимо будет учесть при дальнейшем выборе автоматического выключателя.
2.9 Выбор автоматического выключателя
Для защиты преобразователя частоты выбираем
автоматический выключатель серии А3700 с тепловым и электромагнитным
расцепителями. Требуемый автоматический выключатель должен удовлетворять
следующим условиям:
· Номинальное напряжение Uнвыкл ≥ Uнсети ≥
380 В;
· Номинальный ток выключателя Iнвыкл ≥ I1л ≥ 74,83 А
· Уставка по току
срабатывания
- теплового расцепителя Iт ≥ 1,25I1л ≥1,25*74,83=93,54 А
- электромагнитного расцепителя I эм ≥ 1,2Iмакс.пч ≥1,2*132=158,4 А
Указанным условиям удовлетворяет автоматический
выключатель типа А3716Б со следующими номинальными параметрами: Uн.выкл =380В, Iн.выкл =160А, Iт =100А, Iэм =160А
2.10 Выбор плавких предохранителей
Из рис. 2.2 видно, что плавкие предохранители
использованы для защиты силовых полупроводниковых вентилей - тиристоров.
Поэтому выбираем быстродействующие предохранители серии ПП57. Для определения
номинального тока плавкой вставки воспользуемся выражением, приведенным в
пункте 2.5:
Кроме
того, номинальное напряжение основания выбираемого предохранителя должно быть
не менее 380 В. Указанным условиям удовлетворяет плавкий предохранитель
ПП57-3437 со следующими номинальными параметрами: Iном..в=160
А, номинальный ток предохранителя Iномп = 250 А, Uном = 380
В.
.11 Расчет механических характеристик
Рассчитаем и построим механические характеристики асинхронного двигателя
для 50 Гц ,30 Гц и 70 Гц. Расчет характеристики начинаем с определения
номинального момента двигателя.
Зная перегрузочную способность двигателя, вычислим его критический момент
где
-перегрузочная способность двигателя
Также
зная номинальное скольжение и перегрузочную способность двигателя вычислим его
критическое скольжение
где
SH=2%.
Для
частоты 50 Гц определим синхронную скорость вращения:
Механическую
характеристику рассчитываем по формуле Клосса
.
Характеристика
строится , считая, что
.
Таблица
2.8 - Зависимость М от S и
для естественной характеристики.
|
М
|
S
|
w
|
|
0,00
|
0,00
|
157,00
|
|
292,44
|
0,02
|
154,49
|
|
786,70
|
0,08
|
143,97
|
|
666,54
|
0,15
|
133,45
|
|
557,03
|
0,20
|
125,60
|
|
470,51
|
0,25
|
117,75
|
|
404,36
|
0,30
|
109,90
|
|
353,25
|
0,35
|
102,05
|
|
313,00
|
0,40
|
94,20
|
|
280,66
|
0,45
|
86,35
|
|
254,18
|
0,50
|
78,50
|
|
232,15
|
0,55
|
70,65
|
|
213,57
|
0,60
|
62,80
|
|
197,69
|
0,65
|
54,95
|
|
183,97
|
0,70
|
47,10
|
|
172,02
|
0,75
|
39,25
|
|
161,50
|
0,80
|
31,40
|
|
152,19
|
0,85
|
23,55
|
|
143,88
|
0,90
|
15,70
|
|
136,42
|
0,95
|
7,85
|
|
129,70
|
1,00
|
0,00
|
Скорость идеального холостого хода двигателя при изменении частоты
изменяется по зависимости
,
где
.
С
изменением частоты напряжения меняется и величина
:
.
Из
известной нам зависимости
видно, что с изменением частоты меняется и
То есть получаем
.
Зададимся
величинами
для частоты 30 Гц, рассчитаем и построим для этого
случая механическую характеристику
;
Таблица
2.9 - Зависимость М от S и
для искусственной характеристики при
.
|
М
|
w
|
|
0,00114
|
1E-07
|
94,19999
|
|
180,0035
|
0,016
|
92,6928
|
|
747,5871
|
0,1
|
84,78
|
|
786,7
|
0,138
|
81,2004
|
|
735,4827
|
0,2
|
75,36
|
|
665,6811
|
0,25
|
70,65
|
|
597,3622
|
0,3
|
65,94
|
|
536,9017
|
0,35
|
61,23
|
|
485,0857
|
0,4
|
56,52
|
|
441,0327
|
0,45
|
51,81
|
|
403,5199
|
0,5
|
47,1
|
|
371,3988
|
0,55
|
42,39
|
|
343,7003
|
0,6
|
37,68
|
|
319,6374
|
0,65
|
32,97
|
|
298,5802
|
0,7
|
28,26
|
|
280,0251
|
0,75
|
23,55
|
|
263,5687
|
0,8
|
18,84
|
|
248,8859
|
0,85
|
14,13
|
|
235,7128
|
0,9
|
9,42
|
|
223,8338
|
0,95
|
4,71
|
|
213,0715
|
1
|
0
|
Зададимся
величинами
для частоты 70 Гц, рассчитаем и построим для этого
случая механическую характеристику
;
При
этом при повышении частоты выше номинальной, повышение напряжения выше
номинального не допустимо, из-за этого снижается критический момент двигателя.
При частоте 70 Гц л = 1,06
Таблица
2.10 - Зависимость М от S и
для
искусственной характеристики при
.
|
МSw
|
|
|
|
0,001264
|
1E-07
|
219,8
|
|
188,7635
|
0,016
|
216,2832
|
|
379,1
|
0,06
|
206,612
|
|
261,4483
|
0,15
|
186,83
|
|
208,6789
|
0,2
|
175,84
|
|
172,0575
|
0,25
|
164,85
|
|
145,8077
|
0,3
|
153,86
|
|
126,2665
|
0,35
|
142,87
|
|
111,2274
|
0,4
|
131,88
|
|
99,32751
|
0,45
|
120,89
|
|
89,69243
|
0,5
|
109,9
|
|
81,73995
|
0,55
|
98,91
|
|
75,06931
|
0,6
|
87,92
|
|
69,39639
|
0,65
|
76,93
|
|
64,51459
|
0,7
|
65,94
|
|
60,27027
|
0,75
|
54,95
|
|
56,54692
|
0,8
|
43,96
|
|
53,25465
|
0,85
|
32,97
|
|
50,32301
|
0,9
|
21,98
|
|
47,69606
|
0,95
|
10,99
|
|
45,32882
|
1
|
0
|
Рис 2.3 - Механические характеристики АД для при частотах питающей сети 30Гц, 50Гц
и 70Гц
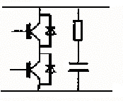
2.12 Расчет снаббера
Так как 1GBT коммутируется с
высокой скоростью, то напряжение Uсе быстро возрастает,
особенно при запирании транзистора, и может достигнуть критического значения,
способного вызвать пробой либо коллектора, либо затвора транзистора (последнее
возможно, если индуктивность цепей управления 1GBT велика). Чтобы
минимизировать превышение напряжения (перенапряжение) и предотвратить аварию
IGBT, требуется установка снаббера (демпфирующей цепи).
Рис 2.4 - Типичная схема снаббера
Для указанных схем необходимо
выбирать конденсатор с хорошими высокочастотными характеристиками, малой
собственной индуктивностью, высокими допустимыми импульсными токами и малым
тангенсом угла потерь, например, К78-2, имеющий следующие данные:
· тангенс угла
потерь, не более - 0,001
· сопротивление
изоляции выводов в нормальных климатических условиях (до 33мкФ), не менее-
.50000 Мом
Сопротивление резистора зависит
от емкости конденсатора С и частоты коммутации IGBT fнec.
Выбор сопротивления резистора
производится из условия минимума колебаний тока коллектора при включении IGBT:
где Lsn - индуктивность цепей снаббера,
Гн, которая должна быть 10 нГн или менее; С - емкость снаббера, Ф.
Ток, протекающий через диод снаббера, импульсный. Он
почти равен отключаемому току коллектора и длится до 1 мкс.
Отношение максимума тока через диод снаббера к среднему
около (20-50): 1. Диод должен быть высокочастотным со временем восстановления
запирающих свойств trr=3
мкс и менее.
Значение
U зависит от многих факторов, оно не должно превышать 60 В. Так можно
отметить следующее:
· бросок напряжения
U при запирании модуля
определяется как параметрами схемы, так и характеристиками IGBT, поэтому
U не может быть выражен
математически;
·
U зависит от индуктивности L1 проводов между электролитическим
конденсатором и снаббером (значение L1 , должно быть 50 нГн или менее);
·
U существенно зависит от
индуктивности L2, цепей снаббера (значение L2
должно быть 10 нГн или менее);
·
U незначительно зависит от
сопротивления резистора Rg на входе затвора и от
температуры;
·
U не определяется емкостью
снаббера.
Рисунок 2.4 - Напряжение па
коллекторе IGBT при его запирании
Следовательно, для ограничения
U важно ограничить индуктивности
L1 и L2 путем
уменьшения длины проводов и их бифилярного монтажа.
Емкость конденсатора снаббера определяется напряжением
второго броска 
,который не должен превышать 25 В. Выражение для расчета
емкости представляется в виде:
где L1 =50 нГн- индуктивность проводов между электролитическим
конденсатором и IGBT-модулем;
Iс=IТmax = отключаемый ток.
Максимальный ток через ключи
инверторов
где Pн - номинальная мощность двигателя;
= 1,2 -
1,5 - коэффициент допустимой кратковременной перегрузки то току;
= 1,1 -
1,2 - коэффициент допустимой мгновенной пульсации тока;
-
номинальный КПД двигателя;
-
линейное напряжение двигателя.
Примем
= 1,35;
= 1,15.
Подставляя значение С, получим
.
Мощность резистора
где fк =16 КГц - частота коммутации IGBT.
2.13 Расчет блока динамического
торможения
Во многих установках эффект от
применения рекуперативного торможения оказывается незначительным, в то время,
как динамическое торможение обеспечивает удовлетворительные показатели при меньших
капитальных затратах.
При динамическом торможении
рассеивается энергия вследствие эффекта Джоуля в сопротивлении торможения RT через тормозной
транзистор VTT, включенный параллельно с диодом и работающий в импульсном режиме
(рис. 2.6а). Этот резистор включается к цепи постоянного тока, когда ее
напряжение, вследствие подзаряда сглаживающего конденсатора, повышается до
некоторого значения. Управление транзистором,
включающим тормозной резистор, может быть
организовано автономно от управления АИН с контролем абсолютного значения напряжения Ud (рис.2.6б), где Uвкл и Uоткл - уровни
срабатывания порогового элемента, управляющего тормозным
транзистором, tвкл и tоткл -
соответственно время его включенного и отключенного состояний.
Величина сопротивления резистора
динамического торможения может быть рассчитана
гдеUd -
максимальное напряжение в звене постоянного тока;
Рэ.mах -
максимальная мощность, возвращаемая в звено постоянного тока [Вт].
Ток, коммутируемый ключом (транзистором) динамического торможения, находится
Рисунок 2.6 - Процесс торможения в ЭП, выполненный на основе ПЧ с АИН:
а - включение тормозного резистора;
б - входное напряжение АИН при релейном управлении тормозным
транзистором.
Мощность тормозного резистора
Если
в ПЧ со звеном постоянного тока не предусмотрено рекуперативное или динамическое торможение, то генерируемая двигателем
энергия повышает напряжение на конденсаторе. При этом увеличивается напряжение
на входе инвертора, а, следовательно, и на асинхронном двигателе, что приводит
к перевозбуждению и насыщению его
магнитопровода. В результате потери в асинхронном двигателе увеличиваются, что
в какой-то степени равносильно режиму динамического торможения, причем без усложнения
схемы электропривода.
Выбираем блок тормозного резистора типа 6SE7028 - 0EA87 -
2DA0, для осуществления реостатного
частотного торможения.
Технические характеристики блока 6SE7028 - 0EA87 -
2DA0 представлены в таблице. 3.3.
Таблица 2.11 -Технические характеристики блока тормозного резистора 6SE7028 - 0EA87 - 2DA0.
|
Тип БТР
|
RT, Ом
|
, кВтU, В
|
|
|
6SE7028 - 0EA87 - 2DA0
|
8
|
50
|
510 - 650
|
ЗАКЛЮЧЕНИЕ
В ходе выполнения работы, мной были усвоены методы расчета и выбора
электрической аппаратуры управления в схемах электропривода постоянного и
переменного тока. В первом задании был произведен расчёт и выбор электрических
аппаратов для системы ТП-Д. Во втором задание произведен расчет и выбор аппаратуры
в релейно-контакторной схеме управления электроприводом асинхронного двигателя
с короткозамкнутым ротором. Все выбранные аппараты обеспечивают стабильную
работу электропривода в наиболее экономичном режиме, с наименьшими капитальными
затратами, а также бесперебойную работу двигателей и защищают его от протекания
нежелательных токов.
СПИСОК
ИСПОЛЬЗОВАННЫХ ИСТОЧНИКОВ
электропривод схема релейный
1. В.Я. Сыромятников, Т.Н. Сыромятникова Расчет и выбор
электрической аппаратуры. Практикум. Магнитогорск: ГОУ ВПО «МГТУ», 2011. 121 с
2. А.А. Чунихин Электрические аппараты: Общий курс.
Учебник для вузов. - 3-е изд., перераб. и доп. - М.: Энергоатомиздат, 2009. -
720с.: ил.
3. Электрические аппараты. Справочник. И.И. Алиев, М.Б.
Абрамов. М., Высшая школа, 2010.
4. В.Я. Сыромятников, Н.В. Фомин, Т.Н. Сыромятникова
Электрические и электронные аппараты. Конспект лекций: Учеб.
пособие. Магнитогорск: ГОУ ВПО «МГТУ», 2008. 348 с