Датчик давления
МИНИСТЕРСТВО ОБРАЗОВАНИЯ И НАУКИ
РОССИЙСКОЙ ФЕДЕРАЦИИ
федеральное государственное бюджетное
образовательное учреждение
высшего профессионального образования
«УЛЬЯНОВСКИЙ ГОСУДАРСТВЕННЫЙ
ТЕХНИЧЕСКИЙ УНИВЕРСИТЕТ»
Кафедра «Измерительно-вычислительные
комплексы»
Курсовой проект
по дисциплине «Проектирование
датчиков измерительно-вычислительных комплексов»
Тема: «Датчик давления»
Выполнила: студентка гр. БПд-41
Улазов С.Н.
Руководитель проекта:
Тихоненков В.А.
Ульяновск 2014
1. ТЗ на разработку датчика давления
.1 Назначение
Датчик предназначен для измерения давления (разрежения), развиваемых
мощными энергетическими установками и агрегатами и выдачи сигнала,
пропорционального давлению (разрежению) на вход системы автоматического
регулирования.
.2 Технические требования
датчик давление
энергетический
- Пределы измерения Рном избыточных давлений (разрежений) ±(0,1; 0,015;
0,025) ·105 , Па;
частотный диапазон работы Δf = 10 Гц;
основная погрешность δ = 1.5 % ;
напряжение питания Uпит=5В
постоянного тока;
выходное напряжение Uвых=5В
постоянного тока.
1.3 Эксплуатационные требования
температура окружающей среды Tокр = ±50°C;
рабочий диапазон температур от -50°С до +200°С;
относительная влажность окружающей среды до 98% при температуре +40°С;
линейные ускорения во всех направлениях до 10g;
ударные нагрузки с амплитудой до 50g и длительностью до 0,005 с;
вибрации с частотой до 2 КГц и амплитудой до 5g - 0,3 мм;
перегрузки измеряемым параметром до 50% от номинального значения Рном.
1.4 Требования по надежности
Время непрерывной работы не менее 10 часов;
Технический ресурс не менее 10000 часов;
Время хранения в складских условиях не менее 5 лет;
Вероятность безотказной работы не менее 0,95;
.5 Конструктивные требования
Датчик должен иметь посадочное место M12 х 1;
Подача напряжения питания и съем сигнала должны осуществляться при помощи
стандартного разъема РСГ;
Длина соединительного кабеля «датчик - вход системы регулирования» не
должна превышать 50 метров;
Датчик должен иметь минимальные габаритные размеры и массу;
Обеспечение заданного предела измерения должно осуществляться в пределах
одного конструктивного оформления датчика с максимально возможной унификацией
деталей и размеров.
2. Выбор метода преобразования и конструкции УЭ
Технические требования (ТТ) накладывают определенные ограничения по
выбору метода измерения, конструкции отдельных измерительных преобразователей
датчика и методам их расчета.
Одним из критериев выбора метода преобразования является анализ
максимальных возможностей каждого типа преобразования по различным
характеристикам. При этом строят диаграмму (например, круговую), по осям
которой откладывают максимально возможные характеристики по каждому методу
преобразования. Круговая диаграмма методов преобразования представлена на рис.
1.
Рис. 1. Круговая диаграмма методов преобразования
Оценку по диаграмме можно производить по двум направлениям:
по осям оценки прибора, когда оценку всех методов производят для каждого
параметра, по которому производится анализ;
интегральная оценка по площади, перекрываемой каждым методом
преобразования.
Из диаграммы видно, что наибольшими возможностями с точки зрения
перекрытия максимальных требований, обладают тензорезисторные и емкостные
датчики, выполненные на основе тонкопленочных технологий. Однако при
необходимости получения более высокой точности измерения необходимо
использовать струнные (частотные) датчики. Когда требование по чувствительности
главное, необходимо переходить на индуктивный или потенциометрический метод.
Наиболее дешевыми являются потенциометрические датчики.
.1 Анализ методов преобразования по чувствительности
Анализ по чувствительности подразумевает как анализ по выбору метода
измерения, так и конструкции УЭ. А так как выбор конструкции УЭ возможен только
после выбора метода преобразования, то сейчас остановимся только на первом
вопросе.
По методу измерения датчик наиболее просто может быть реализован на
основе потенциометрического, индуктивного и тензорезисторного метода
преобразования. Возможность реализации емкостным и струнным методами
преобразования потребует дополнительных исследований по чувствительности,
поэтому остановимся на первых трех методах измерения.
.2 Анализ датчика по частотному диапазону измерения
Известно, что чем выше чувствительность датчика, тем меньше его
динамический диапазон работы. Поэтому возможностью обеспечения заданного
динамического диапазона обладают практически все методы преобразования. Из
диаграммы видно, что самые жесткие условия по частотному диапазону у
потенциометрических датчиков. В ТЗ задан диапазон частот от 0 до 10 Гц. По
этому условию мы проходим даже по потенциометрическому методу, на нем и
остановимся.
Таким образом, анализ только двух основных требований приводит к выводу о
применении в разработке потенциометрического метода преобразования. Однако
анализ, теперь уже потенциометрического метода преобразования, для обеспечения
остальных требований необходимо продолжить и если выяснится, что выбранный
метод преобразования не обеспечивает хотя бы одно из требований, необходимо
будет провести повторный анализ по чувствительности, в части обеспечения
каким-либо другим методом преобразования заданной чувствительности датчика.
.3 Анализ датчика по диапазону измерения давления
Исходя из ТЗ, можно сделать заключение, что заданные пределы измерения
лежат в низком диапазоне давлений. Следовательно, выбранный метод
преобразования сможет обеспечить данное требование.
.4 Анализ работоспособности датчика в рабочем диапазоне температур.
Так как диапазон рабочих температур окружающей среды достаточно узок
±50°С, то анализ работоспособности датчика необходимо проводить для более
широкого диапазона температур рабочей среды от +50°С до +200°С. Данный,
сравнительно широкий диапазон температур не ограничивает применение
потенциометрических датчиков.
.5. Анализ точности измерения
Анализ точности измерения показывает, что для обеспечения требований
технического задания, в данном датчике давления, можно использовать
потенциометрический метод. Однако введение в тракт измерения дополнительных
измерительных преобразователей приводит к появлению дополнительных
погрешностей, которую могут значительно увеличить основную погрешность датчика,
поэтому в процессе разработки датчика необходимо будет провести дополнительные
исследования по обеспечению допустимой величины основной погрешности.
.6 Анализ работоспособности датчика при воздействии вибраций
Требование работоспособности датчика при воздействии вибраций,
предопределяет проектирование датчика с высокой собственной частотой, с
последующим применением во вторичной аппаратуре фильтра высоких частот с
частотой среза более 10 Гц, что совпадает с требованием по частотному измерению
измеряемого параметра.
Другим конструктивным решением данного вопроса является применение либо
демпфирующих устройств упругого элемента, либо дополнительных средств в виде
амортизаторов при установке датчика на изделие. Однако применение второго
метода обеспечения работоспособности при воздействии вибрации значительно
усложняет конструкцию датчика и приводит к его удорожанию, а так как по
частотному диапазону потенциометрический датчик проходит, то мы применим первый
метод, то есть будем использовать фильтр низких частот на выходе.
.7 Анализ работоспособности датчика при воздействии линейных ускорений
Наличие линейных ускорений в процессе эксплуатации требует наличия в
конструкции датчика минимальных присоединенных масс, либо установки датчика при
которой действие линейных ускорений было бы перпендикулярно измеряемому
параметру. А так как согласно ТТ линейные ускорения воздействуют во всех
направлениях, то единственным конструктивным вариантом минимизации их
воздействия на УЭ остается минимизация присоединенных масс.
.8 Анализ работоспособности датчика при воздействии перегрузки измеряемым
параметром
В процессе эксплуатации, согласно ТТ, воздействие перегрузки измеряемым
параметром доходит до 150 Рном.
Поэтому необходимо выбирать уровни напряжений в опасных сечениях
воспринимающей давление мембраны с коэффициентом запаса, учитывающего
перегрузку измеряемым параметром. Так же в конструкции датчика должны быть
предусмотрены элементы, ограничивающие перемещение УЭ более 150% от
номинального перемещения от номинального перемещения, что позволит разгрузить
УЭ от нагрузок, превышающих 1,5 Рном.
Для исключения влияния боковой составляющей усилия необходимо ввести в
конструкцию датчика элементы, исключающие (уменьшающие) возникновение
напряжений в упругом элементе при воздействии боковой составляющей, но вносящих
минимальные искажения деформации упругого элемента от воздействия измеряемого
параметра.
.9 Анализ работоспособности датчика при воздействии агрессивных сред и
повышенной влажности
Наличие в процессе эксплуатации воздействия агрессивных сред и повышенной
влажности предопределяет конструирование датчика в герметичном исполнении и
выбор соответствующих материалов и покрытий корпусных элементов.
.10 Анализ методов преобразования по стоимости, временной стабильности и
массогабаритным показателям
Выбранный метод обладает высокой временной стабильностью. А, обладая
сравнительно низкими стоимостью и массогабаритными показателями, данный метод
является наиболее подходящим для разработки датчика давления с заданными ТТ.
3. Патентный поиск
В данной курсовой работе был выбран потенциометрический метод преобразования.
Выбор конструкции осуществляется на основе патентного поиска. Патенты,
изученные по теме курсового проекта, приведены в таблице 2.
Таблица 2
Патенты, изученные по теме курсового проекта
|
н/н
|
Название патента
|
Авторы
|
Класс, подкласс, группа
|
Номер патента
|
Дата заявки
|
|
1
|
Дифференциальный датчик
давления
|
А. П. Болонин, Ю. Ф. Васин,
В. Е. Ипполитов, Ж. А. Сагалова, Т. Н. Шалиско
|
G01L 9/02
|
203987
|
18.06.1966 г.
|
|
2
|
Устройство для измерения
давления
|
А. Я. Звиргзд
|
G01L 9/02
|
661281
|
29.04.1976 г.
|
|
3
|
Устройство для измерения
давления
|
А. Я. Звиргзд
|
G01L 9/02
|
1170297
|
06.04.1983 г.
|
|
4
|
Датчик давления
|
Г. М. Луфт, В. В. Муляев
|
G01L 9/02
|
369439
|
23.08.1971 г.
|
|
5
|
Датчик давления
|
А. Я. Звиргзд
|
G01L 9/02
|
1420399
|
23.12.1986 г.
|
|
6
|
Датчик давления
|
М. А. Тихан, Ю. И. Заганяч
|
G01L 9/02
|
1578535
|
19.09.1988 г.
|
|
7
|
Датчик давления Смыслова
|
И. И. Смыслов
|
G01L 9/02
|
1571446
|
30.12.1987 г.
|
|
8
|
Измеритель давления
|
С. А. Беляков, О. П.
Бесчастнов, А. И. Мартяшин, С. Н. Медведева, В. И. Чернецов
|
G01L 9/02
|
1631362
|
27.03.1989 г.
|
|
9
|
Датчик давления
|
Е. А. Шелонин, Л. К.
Шеулова, В. И. Фистуль, В. Н. Кулезнев, А. Г. Яковенко, А. А. Гвелесиани, Л.
Б. Кандырин
|
G01L 9/02
|
1661597
|
24.05.1989 г.
|
|
10
|
Датчик давления
|
О. С. Бачурина, П. П.
Степанов
|
G01L 9/02
|
1627869
|
22.02.1989 г.
|
|
11
|
Датчик давления
|
П. В. Дренов
|
G01L 9/02 G01L 7/04
|
322672
|
20.04.1970 г.
|
|
12
|
Устройство для измерения
низких давлений
|
Л. А. Гуськов, М. Н.
Ситников
|
G01L 9/02
|
266298
|
31.03.1969 г.
|
|
13
|
Устройство для измерения
атмосферного давления
|
Г. К. Попандопуло, Н. М.
Шендерович, К. Н. Мануйлов, М.А. Вировлянский, Б. Л. Биндер, М. А. Пригова
|
G01L 9/00
|
309262
|
19.03.1970 г.
|
|
14
|
Датчик давления
|
В. Н. Черняев, Н. И. Газеев
|
G01L 9/00
|
575513
|
11.11.1977 г.
|
|
15
|
Датчик давления
|
В. П. Морозов, А. П.
Шкадаревич
|
G01L 9/00
|
1545115
|
23.02.1990 г.
|
|
16
|
Датчик давления
|
С. Ю. Гервицкас, К. М.
Рагульскис, А. И. Штацас
|
G01L 9/02
|
742733
|
27.06.1980 г.
|
|
17
|
Реле давления
|
Д.Е. Чичеров, В.И.
Ковальский
|
G01L 9/02
|
1348672
|
30.10.1987 г.
|
|
18
|
Датчик давления
|
Л. Г. Гзацак, В. А.
Константинов, Е. В. Якубович
|
G01L 9/00 G01L 9/08
|
1458732
|
15.02.1989 г.
|
|
19
|
Устройство для измерения
давления
|
В. Н. Черняев, А. М.
Васильев, В. Г. Блохин, В. А. Селезнев, А. В. Мартынов, М. Н. Левин, В. П.
Ефимов, И. П. Квасневский
|
G01L 9/00
|
1281523
|
07.01.1987 г.
|
|
20
|
Устройство для измерения
давления
|
М. Х. Машкевич
|
G01L 9/00
|
679834
|
15.08.1979 г.
|
|
21
|
Датчик давления
|
И. А. Дорф-Горский Ю. Ф.
Сидоров
|
G01L 7/06 G01L 19/06
|
781630
|
24.01.1978 г.
|
|
22
|
Датчик давления
|
Б. А. Акимов, А. В. Албул,
А. В. Давыдов, В. П. Злонянов, Л. И. Рябова, М. Б. Тамм
|
G01L 9/02
|
1527524
|
07.12.1989 г.
|
|
24
|
Датчик давления
|
А. Б. Козлов, Р. М.
Чуданова, И. С. Шейнин, Г. С. Шифрин
|
G01L 9/02 G01L 7/02
|
712702
|
30.01.1980 г.
|
|
25
|
Датчик давления
|
С. П. Колосов, В. А.
Смирнов, И. И. Никифоров
|
G01L 9/02
|
437940
|
23.04.1975 г.
|
|
26
|
Потенциометрический датчик
давления
|
А. И. Леонов
|
G01L 9/02
|
428238
|
24.07.1972 г.
|
|
27
|
Устройство для измерения
среднего индикаторного давления в цилиндре поршневого двигателя
|
Ю. А. Магнитский, Н. В.
Бельдий, А. И. Янклевич
|
G01L 23/08
|
1615586
|
20.06.1988 г.
|
|
28
|
Сигнализатор давления
|
А. К. Алейников, В. Е.
Зеленин, А. И. Еременко
|
G01L 7/08 G01L 19/08
|
761859
|
18.10.1978 г.
|
|
29
|
Электрокинематический
датчик давления
|
А. Д. Баймаков, В. А.
Чердынцев, С. А. Саютин, М. Н. Саютина
|
G01L 9/18
|
838465
|
28.07.1979 г.
|
|
30
|
Датчик давления
|
И. В. Селезнев, В. Г.
Щербина, А. М. Куканов, Г. В. Кузнецов
|
G01L 9/02 G01L 19/12
|
883679
|
08.05.1980 г.
|
|
31
|
Тактильный датчик
|
Е. А. Карсаков, А. И.
Скоринкин, А. Ю. Бахтин, И. Х. Садыков
|
G01L 9/02
|
853441
|
19.04.1979 г.
|
|
32
|
Датчик давления
|
В. К. Черкашин
|
G01L 9/02
|
1682841
|
12.04.1989 г.
|
По результатам проведенного поиска были выбраны три аналога (таблица 3):
Таблица 3
Аналоги
|
Название изобретения
|
Страна, авторы
|
Номер патента
|
Источник информации, год
|
Краткое содержание патента
или авторского свидетельства
|
|
Устройство для измерения
давления
|
СССР, Звиргзд А. Я.
|
661281
|
Авторское свидетельство
29.04.1976
|
Устройство для измерения
давления, содержащее корпус, мембрану, закрепленную на периферии в корпусе и
разделяющую его на две камеры, одна из которых снабжена отверстием для
прохода контролируемой среды, а другая содержит реостат со щеткой,
выполненного в виде стаканообразного подвижного контакта.
|
|
Датчик давления
|
СССР, Звиргзд А. Я.
|
1420399
|
Авторское свидетельство
23.12.1986
|
Датчик давления, содержащий
корпус, внутри которого закреплена мембрана, разделяющая корпус на две камеры
- подмембранную и надмембранную, входной штуцер, реостатный узел, размещенный
в надмембранной камере, и плоскую диэлектрическую крышку с токовыводом,
отличающийся тем, что, с целью упрощения конструкции и повышения надежности,
в нем реостатный узел выполнен в виде плоского резистивного элемента,
прикрепленного к внутренней поверхности крышки, соединенного с токовыводом, и
контактирующих с резистивным элементом, по всей его длине коммутационных
элементов, размещенных со стороны мембраны.
|
|
Устройство для измерения
давления
|
СССР, Звиргзд А. Я.
|
1170297
|
Авторское свидетельство 30.07.1985
|
Устройство для измерения
давления, отличающееся тем, что для повышения надежности работы и срока
эксплуатации за счет исключения трудящихся элементов, в нем реостатный узел
выполнен в виде идентичных резистивной и токопроводящей пружин с равномерно
изменяющейся по длине характеристикой, установленных соответственно одна к
другой между корпусом и мембраной, причем витки токопроводящей пружины
расположены между витками резистивной пружины.
|
Так же был выбран прототип (таблица 4):
Таблица 4
Прототип
|
Название изобретения
|
Страна, авторы
|
Номер патента
|
Источник информации, год
|
Краткое содержание патента
или авторского свидетельства
|
|
Датчик давления
|
СССР, Луфт Г. М., Муляев В.
В.
|
369439
|
Авторское свидетельство
23.08.1971
|
Датчик давления, содержащий
мембранный манометрический узел, передаточный механизм и реостат с обмоткой и
щеткой, отличающийся тем, что с целью увеличения точности, упрощения
конструкции и повышения надежности, в нем щетка выполнена в виде пластины,
жестко прикрепленной к ведомому рычагу передаточного механизма, и снабжена
контактирующей с обмоткой реостата гранью, которая наклонена под углом к
образующей обмотки реостата, при этом ось вращения щетки установлена
параллельно продольной оси реостата, а ширина щетки равна длине обмотки
реостата.
|
Копии описания изобретения к авторским свидетельствам, представляющим
аналоги, а также описание прототипа прилагаются к данной курсовой работе в
качестве приложения.
Для получения конструкции, подходящей для технического задания для данной
курсовой работы, необходимо произвести некоторые технологические доработки.
4. Разработка структурной схемы датчика и функции преобразования
Выбрав конструкцию датчика, можно переходить к составлению его
структурной схемы и функции преобразования.
Таким образом, конструкция датчика после проведения полного анализа будет
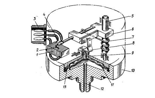
выглядеть, как показано на рис. 2.
Рис. 2. Датчик давления
- потенциометр; 2 - щетка; 3 - вилка; 4 - щеткодержатель; 5 - ось
поводка; 6 - поводок; 7 - возвратная пружина; 8 - качалка; 9 - шток; 10, 13 -
основания; 11 - мембрана; 12 - штуцер;13 - корпус.
Выбрав конструкцию датчика, можно переходить к составлению его
структурной схемы и передаточной функции.
Принцип работы датчика состоит в следующем.
Измеряемая среда через штуцер 12 поступает в камеру и давит на мембрану
11. Мембрана, изгибаясь, перемещает шток 9, который приводит в движение качалку
8 и связанную с ней поводок 6 вокруг оси 5. Щетка 2 скользит по потенциометру 1
вдоль ее витков и включает в электрическую цепь сопротивление пропорционально
давлению среды. При уменьшении давления пружина 7 возвращает шток 9 и щетку 2 в
исходное положение.
Такая конструкция датчика позволяет уменьшить трение, возникающее при
движении щетки 2 по обмотке 1 потенциометра, и уменьшить необходимое для ее
перемещения усилие, что, в свою очередь, позволяет использовать простой
рычажный механизм.
Таким образом, структурная схема потенциометрического датчика давления
может быть представлена в виде:
Рис. 1. Структурная схема потенциометрического датчика давления
УЭ - упругий элемент в виде мембраны;
ПМ - передаточный механизм;
ИЦ - измерительная цепь.
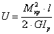
Функция преобразования
Для вывода функции преобразования необходимо описать функции
преобразования каждого измерительного преобразователя, находящего в цепи
преобразования.
Так как разрабатываемый датчик является прибором прямого преобразования,
то его передаточная функция может быть представлена в виде:
,
где
- чувствительность датчика;
-
чувствительность упругого элемента;
-
чувствительность передаточного механизма;п - чувствительность
противодействующей пружины;
-
чувствительность мостовой измерительной цепи;
-измеряемое
давление (информативный параметр).
Известно,
что данная формула справедлива при линейной зависимости функций преобразования
всех измерительных преобразователей.
.1
Мембрана
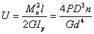
Перемещение
мембраны - это прогиб характерных точек УЭ в направлении, задаваемом
направлением действия нагрузки (давления).
Давление
действует на мембрану, она перемещается на
:
где P - измеряемое давление;- внешний
радиус мембраны;- толщина гофрирования;
-
безразмерный параметр жесткости;
Fэф -
эффективная площадь мембраны;- модуль упругости материала мембраны.
Сила,
развиваемая мембранной
Таким
образом функция преобразования воспринимающей давление мембраны имеет вид
.2 Передаточных механизм
Перемещение мембраны двигает шток, который в свою очередь поворачивает
рычаг и связанную с ним щетку вокруг оси. Перемещение штока соответственно
равно:
,
где
- передаточный коэффициент рычажного механизма.
Тогда
чувствительность передаточного механизма 
Силу,
приложенную к пружине, рассчитывают исходя из необходимого поджатия щетки.
Сила,
приложенная к пружине
,
где
λ
- изменение продольных размеров;
D - средний
диаметр витка;
n - число
витков;
d - диаметр
проволки;
G - модуль упругости.
Таким
образом чувствительность противодействующей пружины
В процессе работы часть давления, подаваемого на мембрану, идет на
поджатие пружины. Поэтому усилие, передаваемое на потенциометр, будет
определяться как разница между силой развиваемой мембраной и силой, идущей на
поджатие пружины.
Тогда сила передаваемая на потенциометр определиться как
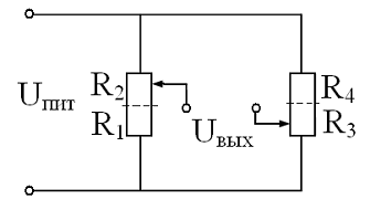
.4 Потенциометр
Рис. 2. Схема реверсивного потенциометрического датчика
Функция преобразования потенциометра имеет вид:
:
%
4.5
Измерительная схема
Для
обеспечения высокой чувствительности и получения заданного выходного сигнала (Uвых=Uпит)
будем использовать мостовую схему с двумя потенциометрами, то есть мостовую
схему с четырьмя рабочими плечами (рис. 3).
Рис.
3 Мостовая схема с двумя потенциометрами
(положение
движка при измерении давления)
Так как разрабатывается датчик давления и разряжения, то будем использовать
реверсивные потенциометры. Выходное напряжение реверсивных датчиков изменяет
знак (полярность) при изменении знака входного сигнала. Выходное напряжение
снимается с движка и средней точки. При переходе движка через среднюю точку
выходное напряжение изменяет свой знак (при питании постоянным током полярность
изменяется на противоположную).
Таким образом при увеличении давления происходит увеличение сопротивления
первого и четвертого плеч и уменьшение сопротивления второго и третьего плеч.
При
измерении разряжения давления происходит увеличение сопротивления второго и
третьего плеч и уменьшение сопротивления первого и четвертого плеч.
Зависимость
выходного сигнала от относительного изменения сопротивлений плеч мостовой
схемы:
При
воздействии измеряемого параметра сопротивления плеч будут изменяться:
Тогда
Тогда
учитывая, что
Тогда
Примем
коэффициент симметрии k=1, то есть
и
равными по абсолютной величине относительные изменения сопротивлений плеч
а так же учтем, что ε1 и ε4 имеют
противоположные знаки относительно ε2 и ε3. Тогда
,
,
,
Относительная
погрешность нелинейности измерительной цепи может быть определена по формуле:
=0
Таким
образом чувствительность мостовой измерительной схемы:
Функция
преобразования датчика:
,
следовательно,
подставляя полученное выражение для
в функцию
преобразования датчика, получаем окончательный вид функции преобразования
датчика:
5.
Выбор и расчет преобразователя вида энергии
Потенциометры
получили широкое распространение благодаря простой конструкции, малым габаритам
и весу, высокой точности и стабильности характеристики, мало зависящей от
влияния внешних условий (температуры, влажности), и сравнительно большому
выходному напряжению, не требующему во многих случаях последующего усиления.
Потенциометр
предназначен для плавного или скачкообразного изменения электрического
напряжения и определяется как регулируемый двигатель напряжения, построенный из
активных сопротивлений (проволочных, пленочных, жидкостных, индукционных,
электрокинетических и др.). Проволочные однооборотные потенциометры имеют
наибольшее распространение и в данном курсовом проекте будет использоваться
именно этот тип потенциометров.
Однооборотный
проволочный потенциометр как устройство представляет собой резистивный элемент
из проволоки малого диаметра с высоким омическим сопротивлением, намотанной
один раз на изолированный каркас.
Потенциометр
состоит из трех основных узлов: резистивного элемента, подвижной токосъемной
системы (движка) и корпуса. Именно от резистивного элемента и движка зависят
надежность, точность воспроизведения функции и вся работа потенциометра.
.1
Каркас потенциометра
В
проволочных потенциометрах каркас является обязательным элементом конструкции.
Потенциометры
разделяют в зависимости от конструкции каркаса на кольцевые, дуговые,
пластинчатые и стержневые. Каркас может иметь круглую, прямоугольную, овальную,
эллиптическую и другие формы поперечного сечения. В данном курсовом проекте
используется пластинчатый каркас, представленный на рис. 2.
Рис.
2. Форма каркаса потенциометра
Надежность
потенциометров по пробивной прочности и сопротивлению изоляции определяется
надежностью электроизоляции поверхности каркаса.
Для изготовления потенциометров с достаточно точными характеристиками по
электрическим параметрам применяют обмоточный провод диаметром от 0,02 до 0,08
мм. Съем сигнала с обмотки таких потенциометров осуществляется контактными
щетками при очень незначительных контактных давлениях, и поэтому к рабочей поверхности
обмотки потенциометров предъявляются высокие требования по чистоте механической
обработки и равномерности намотки провода. Это выдвигает высокое требование к
чистоте поверхности каркаса.
Поверхностные пленки на каркасах должны быть достаточно твердыми, чтобы
они не прорезались проводом.
Основаниями называют детали потенциометрических узлов, на которые крепят
каркасы с обмоткой. К основаниям предъявляются те же требования по надежности
электроизоляции, что и к каркасам потенциометров.
Подбор материала для изготовления каркасов и оснований представляет собой
трудную задачу. В настоящее время в промышленности нет такого материала,
который обладал бы всеми нужными для этих целей свойствами. Поэтому в каждом
отдельном случае материал должен быть подобран с учетом конкретных требований,
предъявляемых к потенциометрам.
Металлические детали обладают целым рядом преимуществ перед деталями из
неметаллических материалов. Они обладают достаточно высокой теплопроводностью и
теплоемкостью, не подвержены короблению даже при самых резких изменениях
температур и при работе в условиях повышенных температур.
Одним из основных преимуществ металлических материалов является
возможность получения любой самой сложной конфигурации детали с высокой
точностью размеров и чистотой поверхности. Создать надежную электроизоляционную
защиту поверхности, особенно, если детали предназначены для работы в условиях
повышенной влажности, очень сложно.
Технологический процесс изготовление металлического каркаса
Для обеспечения высокой точности потенциометров каркасы должны быть
выполнены и обработаны очень точно. Они должны сохранять свои размеры в широком
диапазоне температур механических нагрузок и в условиях повышенной влажности.
Кроме того, каркасы должны обладать высокой проводимостью, что позволяет
рассеивать большую мощность, поэтому мы будем использовать алюминиевый сплав -
АМг (сплав алюминия с магнием). АМг - наиболее прочный сплав и менее других
подвержен деформациям, благодаря чему достигается высокая точность
характеристики потенциометра.
) Механическая обработка
Предварительная обточка и расточка поверхностей, подрезка торцов
выполняются по классу чистоты № 6 на токарном станке. При этих операциях в
качестве охлаждающей жидкости применяется керосин. Окончательная проточка и
расточка поверхностей на токарном станке до чистоты № 8 выполняются с
применением в качестве охлаждающей жидкости этилового спирта.
Полировка поверхностей осуществляется на вращающемся шпинделе токарного
станка. К поверхности деталей подводится наждачная бумага № 320, на которую
наносится паста, приготовленная по следующему рецепту:
Олеиновая кислота - 180 г.
Стеарин - 120 г.
Порошок № 20 - 700 г.
Доводка рабочих поверхностей до класса чистоты № 9 осуществляется вручную
на вращающемся войлочном круге с пастой ГОИ. Промывают детали между операциями
и после окончательной обработки в бензине ватным тампоном. Скругление
поверхностей острых кромок выполняется вручную бумагой крафт с пастой М10, М20
и М28. Радиусы глянцуют также вручную замшей, батистом с пастой М7 или ГОИ. При
токарной обработке необходимые радиусы получают с помощью фасонного резца.
Детали после механической обработки должны быть тщательно промыты. Недопустимы
заусенцы или мелкие стружки, особенно в глубоких и глухих отверстиях.
) Электроизоляционное анодирование
Применяется электролит - 3%-ный раствор щавелевой кислоты, его
температура в процессе анодирования 20-30 0С. Для получения пленок толщиной
выше 25 мк выбирают начальную плотность тока 3 а/дм2, которая поддерживается
постоянной в течении первых 30 мин. Затем плотность тока не регулируется в
течение дальнейшего времени анодирования (2,5 ч), она уменьшается, а напряжение
на шинах при этом растет. Общее время анодирования составляет 3 ч.
В ванне детали размещают на индивидуальных приспособлениях, обеспечивающих
надежный точечный контакт на нерабочих поверхностях деталей. При этом очень
важно, чтобы на поверхности деталей и в их отверстиях не было мелкой стружки и
металлической пыльцы. Если на поверхности полирования деталей останется
металлическая пыльца, то в ванне между пыльцой и поверхностью деталей
происходит искрение и деталь начинает гореть. Это объясняется тем, что процесс
анодного окисления в растворе щавелевой кислоты протекает при высокой плотности
тока и напряжении от 60 до 120 в. Поэтому рекомендуется, чтобы помещение для
зачистки приспособлений было отделено от помещения, в котором осуществляется
анодирование деталей и их пропитка. Кроме того, желательно после размещения
деталей в ванне ввести процесс легкого травления деталей в растворе состава:
Тринатрийфосфат……….. 50 г/л
Сода кальцинированная… 20 г/л
Жидкое стекло……………..2 г/л
Такая обработка необходима для удаления возможной металлической пыльцы
или мелкой стружки с поверхности деталей.
После анодирования детали тщательно промывают в проточной воде и сушат на
приспособлениях при температуре 150-160°С в течение 1 ч.
) Лакирование
Горячие детали с приспособлениям погружают в лак вязкостью 40-50 сек при
20°С. В лаке детали выдерживают 10-15 мин до полного прекращения выделения
пузырьков воздуха. Затем вынимают детали из лака и протирают насухо мягкой
батистовой тряпкой до полного удаления лака с поверхности деталей. Протертые
детали сушат при температуре 150-160°С в течение 2 ч, затем повторяю пропитку
по описанному методу, и после второй пропитки сушат детали при той же
температуре в течение 4 ч.
Наиболее надежными пленками являются анодные пленки толщиной 30-40 мк.
Точность, с которой могут быть изготовлены потенциометры, весьма высока и может
быть доведена до сотых долей процента.
5.2 Резистивный элемент
Резистивный элемент является основным узлом потенциометра. Его
изготовление - это одна из самых ответственных операций всего процесса создания
потенциометров, связанная с целым рядом технологических трудностей, особенно
сильно проявляющихся при намотке проволоки сопротивления на каркас. От точности
намоточных станков и самого процесса наматывания непосредственно зависит
точность общего сопротивления и характеристики потенциометра.
На точность процесса наматывания влияют погрешности отдельных звеньев
кинематических цепей намоточных станков, погрешности по шагу, возникающие в
процессе укладывания проволоки на каркас, а также физические и механические
свойства обточной проволоки и каркаса.
Малейшие отклонения шага намотки от заданного могут вызвать значительные
погрешности характеристики потенциометра, так как при одной и той же величине
перемещения движка в выходную цепь может включаться различное число витков.
К проволоке, применяемой для наматывания потенциометров, предъявляются
следующие требования: высокое значение удельного сопротивления, малая величина
температурного коэффициента омического сопротивления, малая
термоэлектродвижущая сила относительно меди, стабильность свойств во времени,
большая коррозионная стойкость, высокое качество изоляции, высокая прочность
при растяжении, малое относительное удлинение при растяжении.
Наиболее существенной первичной погрешностью, влияющей на величину
суммарной погрешности потенциометра и доходящей в отдельных случаях до 40-50 %,
является колебание сопротивления проволоки по ее длине.
|
В нашей конструкции будут
применяться провода, изготовленные из константана.Материал провода
|
Удельное сопротивление при t =
20 °С, Ом·мм2/м
|
Температурный коэффициент
сопротивления α,
1/°С
|
Коэффициент линейного
расширения
|
Допустимая температура
нагрева, °С
|
|
Константан
|
0,49
|
(0÷5) ·10-5
|
14 ·10-6
|
500
|
Проволоку необходимо калибровать по омическому сопротивлению, что
достигается электролитическим полированием, то есть доводкой диаметра проволоки
до получения необходимого сопротивления в пределах заданного допуска на
линейностью.
Диаметр обмоточных проводов может быть от 0,03 до 0,1 мм.
Проволочный потенциометр характеризуется следующими основными величинами:
Ro - общее сопротивление в Ом;
lo (αo) - рабочая длина обмотки или рабочий угол поворота движка
потенциометра (максимальное перемещение движка) в мм или градусах;
Do - средний расчетный диаметр каркаса в мм;
Н - высота каркаса линейного потенциометра в мм
b -
ширина или толщина каркаса в мм;
d - диаметр проволоки обмотки без изоляции в мм;
dи -
диаметр проволоки обмотки с изоляцией в мм;
р - удельное сопротивление материала провода в Ом*мм2/м;
t - шаг намотки, то есть расстояние между серединами двух соседних
витков, в мм;
n -
число витков обмотки.
) Расчет потенциометра можно начать с определения сопротивления резистора
(потенциометр состоит из двух резисторов).
Для этого зададимся рассеивающей мощностью резистора. Максимальная
рабочая мощность рассеяния зависит от допустимого нагрева обмотки резистора.
Номинальная мощность рассеяния резистора лежит в пределах от 0.05 до 10 Вт. Для
получения высокоточного потенциометра будем использовать наименьшую мощность
рассеяния Р=0.05 Вт.
Ток, протекающий по резистору можно определить по формуле
А.
Выходное
напряжение, снятое с потенциометра определяется по формуле
. Отсюда найдем сопротивление резистора
Ом.
)
Найдем диаметр намоточного провода.
Диаметр
провода определяем, исходя из допустимой плотности тока. Плотность тока не
должна превышать 10 А/мм2. Тогда диаметр проволоки можно определить по формуле
мм.
Полученное
значение диаметра проволоки округлим до ближайшего диаметра, указанного в
ГОСТе. Таким образом примем диаметр намоточного провода d=0.05
мм.
)
Определим длину намоточного провода потенциометра.
Из
выражения
следует, что длина намоточного провода резистора
м,
где
ρ=0.49 Ом·мм2/м - удельное сопротивление намоточного
провода (константана).
Так
как в потенциометр входит два резистора, то длину намоточного провода увеличим
вдвое. Таким образом длина намоточного провода потенциометра
м.
)
Найдем число витков обмотки.
Для
этого зададимся длиной потенциометра l=14 мм.
Тогда,
исходя из формулы
, найдем число витков
Поверим
следующее правило: при конструировании однооборотных потенциометров, намотанных
на каркасы с плоским поперечным сечением, чтобы выдержать заданную точность
линейной характеристики, необходимо брать втрое большее по сравнению с
расчетным числом витков, то есть потенциометр, имеющий допуск на нелинейность
1.5%, должен иметь разрешающую способность, равную по крайней мере 0.5%. В
нашем случае разрешающая способность потенциометра равна
, что удовлетворяет правилу.
4) Найдем высоту каркаса.
Для этого нужно знать длину витка.
С одной стороны, длину витка можно определить по формуле
С
другой стороны, длина витка может быть определена как
Приравняв
эти два выражения, можно определить высоту каркаса
мм.
Но предварительно зададимся шириной каркаса b. Исходя из условия b>4d примем b=1 мм.
У потенциометра изменение выходного сигнала пропорционально перемещению
щетки. У проволочных потенциометров указанная зависимость носит ступенчатых
характер. Характер ступенчатости потенциометра зависит от величины приложенного
к нему напряжения Uпит и полного
числа витков на всей длине рабочей части обмотки l. Таким образом абсолютная ошибка выходного сигнала из-за
ступенчатости характеристики потенциометра равна
Щетка
Токосъемные
элементы характеризуются материалом (сплавы на основе благородных или
неблагородных металлов), контактным давлением (от 0.1 до 200 Г), числом
контактов (1, 2, 3, или n), их формой.
Подвижные контакты должны обеспечивать достаточно стабильное небольшое по
величине переходное сопротивление между самим контактом и резистивным
элементом, обладать высокой износоустойчивостью, одновременно не вызывая
значительного износа самого резистивного элемента.
Материал токосъемного элемента движка, как и материал резистивного
элемента, должен быть устойчив против электрической эрозии и коррозии, которая
приводит к нарушению или полному прекращению электрического контакта,
вследствие чего прибор или автомат может отказать в самый ответственный момент.
Точность и срок службы потенциометра в значительной степени зависят от
материала движка. Он должен быть износоустойчивым, легко обрабатываться,
обладать свойствами, препятствующими свариванию контактов, иметь высокую тепло-
и электропроводность.
Для изготовления движка используются платина, серебро, сплавы платина -
иридий, палладий - иридий, палладий - серебро, палладий - серебро - кобальт,
иногда бериллиевая и фосфористая бронза.
Рекомендуется для контактных пар «обмотка потенциометра - движок»
использовать следующие материалы:
обмотка константан - движок ПдИ-18, ПлН-5.
Таким образом в курсовом проекте будет использоваться щетка из платина -
иридия.
6. Расчет измерительной цепи
При выборе метода преобразования и разработке структурной схемы был
произведен выбор измерительной цепи в виде мостовой схемы из условия получения
максимальной чувствительности. Однако, кроме выигрыша в чувствительности,
мостовая схема позволяет получить начальный уровень выходного сигнала, равный нулю,
тогда выходной сигнал с мостовой цепи будет соответствовать информативному
сигналу.
В общем виде выбранная измерительная цепь может быть представлена на рис.
3:
Рис. 3. Измерительная цепь датчика
Измерительная
цепь представляет собой равноплечую мостовую схему, у которой
. Два потенциометра являются рабочими. Сопротивления
R1 и R2 составляют первый потенциометр R1= R2=500
Ом и сопротивления R3 и R4 составляют второй потенциометр R3=R4=500
Ом.
Тогда
условие баланса примет вид:
При
этом коэффициент симметрии составит:
Выходной
сигнал мостовой цепи равен:
,
где
Uпит - ЭДС источника питания;
Rвх - входное
сопротивления цепи источника питания;
эквивалентное
сопротивление цепи источника питания;
Ri - внутреннее
сопротивление источника питания;
Rд - добавочное
сопротивление для подгонки номинального значения выходного сигнала;
компенсационное
сопротивление для компенсации мультипликативной погрешности;
Ra - термозависимое
сопротивление;
Rr - термозависимое,
подгоночное сопротивление;
Rл -
сопротивление входной жилы кабеля;
Rн -
сопротивление нагрузки мостовой цепи;
Rвых - выходное
сопротивление мостовой цепи;
Rдоп -
сопротивление выходных двух жил кабеля;
суммарное
относительное изменение сопротивления плеч моста;
εri -
относительное изменение сопротивления (i-го) плеча
мостовой цепи.
Сопротивление
Rбал предназначено для грубой балансировки мостовой
схемы в пределах десятков процентов Uном.
Сопротивления
Rб1, Rб2, Rб0 составляют схему балансировки датчика и
предназначены для точной установки заданного значения начального разбаланса
измерительной цепи датчика в пределах десятых долей процента Uном.
Резисторы
Rл1 , Rл2, Rл3 - эквивалентные сопротивления линии связи.
Резисторы Rш и Ra - компенсационные элементы для компенсации
соответственно аддитивной и мультипликативной составляющих температурной
погрешности. При этом резистор Rш - термонезависим, а Ra - термозависим и
изготавливается из материала с большим значением ТКС. Резистор Rд
предназначен для подгонки номинала выходного сигнала, а резистор Rr -
для подгонки номинала и ТКС компенсационного резистора Ra.
Под
действием измеряемой величины сопротивления R1, R2, R3, R4 изменяются
с относительным изменением сопротивлений ε1, ε2, ε3 и ε4. При
этом на нагрузке появляется выходной сигнал Uвых. Резисторы должны быть
включены так, чтобы величины εri двух противоположных плеч были обратны по знаку двум
другим противолежащим плечам (
).
Оценим
величины элементов, входящих в измерительную цепь. Номинальные значения
резисторов выбраны и равны 500 Ом. Но так как при изготовлении существует
технологический разброс, который будет влиять на нелинейность выходной
характеристики моста, то, задаваясь допустимым разбросом резисторов +10%,
оценим нелинейность мостовой измерительной цепи:
Возьмем
R1=R4=550 Ом (500+10%) и R2=R3=450
Ом (500-10%), тогда, учитывая, что необходимо произвести балансировку мостовой
схемы (например, включить в плечи R2, R3 по 25 Ом).
Относительное изменение сопротивлений плеч
, а ε2 и ε3
определим как:
Тогда
суммарное относительное изменение сопротивления мостовой цепи можно определить
как
Следовательно,
нелинейность, вносимая технологическими разбросами:
Данная
нелинейность превышает заданную основную погрешность. Данная нелинейность может
быть скомпенсирована нелинейностью гофрированной мембраны.
Для
определения номиналов цепи точной балансировки (Rб1, Rб2, Rб0)
примем, что допустимая несбалансированность моста должна быть в пределах 50% Uном,
тогда зная
, можно найти, приведенное к одному плечу (например, к
R1) эквивалентное изменение плеча мостовой цепи:
Ом
Тогда
для принятой 50% несбалансированности мостовой цепи сопротивление R1
можно определить как
Ом
С
целью исключения влияния системы точной балансировки на выходной сигнал датчика
определим номиналы резисторов Rб1 и Rб2 из условия изменения номинала сопротивления плеча
мостовой цепи при их подключении не более на 0.01% Ri. То есть
общее сопротивление плеча R1 при шунтировании резистором Rб1 не должно
быть менее R1общ=499.95 Ом, тогда номинал Rб1 может быть
определен как
Ом
Принимаем
значение резисторов
МОм (из ряда гостированных резисторов).
С
другой стороны, согласно принятой схеме разбаланс мостовой схемы сводится к
нулю включением резистора Rб0 в плечо R1 или R3, т.е.
обеспечивается равенство R1общ= R3общ.
Ом;
,
откуда
Ом - значение балансировочного резистора Rб0 ,
которое необходимо для обеспечения точной балансировки мостовой цепи при
максимальном значении разбаланса 50% Uном.
Знак
минус говорит о том, что для выбранных значений Rб1 и Rб3
резистор Rб0 необходимо подключать в плечо R3.
Оценим
влияние системы точной балансировки на выходной сигнал датчика через изменение
выходного сопротивления мостовой цепи.
Ом
Полученное
значение выходного сопротивления мостовой цепи отличается от выходного
сопротивления мостовой цепи без использования системы точной балансировки на
0.005%. Следовательно, влиянием этой системы на выходной сигнал датчика можно
пренебречь и можно ее не учитывать при дальнейших расчетах.
Сопротивление
Rш предназначено для компенсации аддитивной
температурной погрешности и определяется в процессе настройки. Однако при
конструировании необходимо знать тот набор гостированных резисторов, который
требуется при изготовлении.
Исходя
из требований ГОСТ 22520-83, для датчиков класса 1.5% температурная погрешность
не должна превышать 0,6%/10
. Считая,
что данную погрешность необходимо располовинить на аддитивную и
мультипликативную составляющие, максимальная аддитивная температурную
чувствительность составляет
1/°C. Ужесточим
данные требования и примем аддитивную температурную погрешность
1/°C.
Аддитивная
чувствительность определяется, как:
,
где
Ny=Uном - номинальный выходной сигнал при воздействии
номинального измеряемого параметра;
¶b - элементарное
приращение нулевого уровня датчика при воздействии температуры;
¶T - элементарное
приращение дестабилизирующего фактора (температуры).
А
с другой стороны, выходной сигнал мостовой цепи при воздействии температуры
может быть определен:
Выходной
сигнал с мостовой измерительной цепи может быть определен как:
,
где
- ТКС резисторов
,
ar=(a1+a4)-(a2+a3) - эквивалентная разность температурных
коэффициентов сопротивления, приведенная к одному плечу мостовой измерительной
цепи.
При
шунтировании плеча (например, R1) термонезависимым резистором общее сопротивление при
изменении температуры будет равно
,
где
aэ - эквивалентный температурный коэффициент сопротивления
шунтированного плеча;
общее
сопротивление зашунтированного плеча;
С
другой стороны:
Тогда
приравняв обе формулы и решив их относительно aэ,
пренебрегая при этом величинами второго порядка малости, получим:
Из
условия компенсации Sot можно записать:
;
Приравнивая
уравнения для
и решая относительно Rш , можно
определить номинал компенсационного резистора, необходимый для компенсации
аддитивной температурной погрешности, выраженный через температурные
коэффициенты сопротивлений резисторов.
Номиналы
ТКС примем для константана
1/°C. Принимая, что
разброс ТКС не превышает 10 % (то есть 5·10-6 1/°C) и выбирая наихудшее распределение в мостовой
измерительной цепи резисторов по ТКС
1/°C,
1/°C, определим минимально допустимое значение Rш:
Ом
Максимальное
значение Rш можно определить, установив минимальное значение Sot,
которое мы хотим получить при настройке. Задаваясь технологическим допуском на
изготовление, примем минимальное значение аддитивной температурной
чувствительности датчика
1/°C. Тогда можно определить Daэ:
Ом
Ом
Тогда
можно принять допустимые значения сопротивления Rш от 910 Ом до
1.5 кОм (из ряда Е24).
Термозависимое
сопротивление Rα предназначено для подгонки мультипликативной
погрешности и определяется в процессе настройки. Его величина определяется из
условия перекомпенсации максимального значения мультипликативной погрешности
датчика. Подгоночное термонезависимое сопротивление Rγ предназначено для подгонки номинала и ТКС
термозависимого компенсационного резистора из условия компенсации мультипликативной
температурной погрешности. Сопротивление Rγ необходимо оценить.
Исходя
из статических данных, при изготовлении упругого элемента из стали 36НХТЮ и
резистора из константана температурный коэффициент мультипликативной
чувствительности датчика
1/°C.
Принимая
входное сопротивление мостовой измерительной цепи Rвх=500 Ом, и
учитывая, что резистор Ra будет изготавливаться из медной проволоки с температурным
коэффициентом сопротивления
1/°C, то можно
определить сопротивление Ra:
Ом
Так
как схема с цепочкой Ra + Rд подразумевает установку Ra такой величины, чтобы произошла
перекомпенсация мультипликативной погрешности, то выберем для нашего случая Ra = 25 Ом.
Для
определения максимального значения подгоночного термонезависимого резистора,
воспользуемся выражением:
Ом
Нижний
предел Rγ можно определить из условия минимального значения
1/°C . Минимальное значение подгоночного термонезависимого
резистора будет:
Ом
Примем
допустимые значения сопротивления Rγ от 2 Ом до 91 Ом (из ряда Е24).
Сопротивление
Rбал предназначено для грубой балансировки мостовой
схемы при выходе начального разбаланса за предел
.
Максимальное
значение разбаланса получается при подключении Rш = 910 Ом.
Общее
сопротивление при шунтировании плеча R1=500 Ом сопротивлением Rш=
910 Ом равно:
Ом
Сопротивление
балансировочного резистора будет соответствовать Rбал=500 -
322.7=177.3 Ом, что не превышает допустимое значение 1000 Ом, которое может
быть сбалансировано схемой балансировки. Взяв запас по возможностям
балансировки можно оценить пределы сопротивления Rбал в пределах
от 1 Ом до 1000 Ом. Нижний предел взят из учета работы резистора rб0 средней
точки.
Сопротивление
Rд предназначено для подгонки номинального значения
выходного сигнала, которое может быть определено как технологическими
разбросами модуля упругости материалов упругого элемента, точностью
изготовления упругого элемента, так и погрешностями расчетных формул. Обычно
эти разбросы составляют около 30%, поэтому датчик делают на 30-40% более чувствительным,
а излишнюю чувствительность убирают за счет включения резистора Rд.
Максимальное
значение этого резистора может быть определено, как:
,
В
Подставляя
Uном и
, можно определить Rдmax:
Ом
Примем
допустимые значения от 0 Ом до 200 Ом.
=
=0.15+4.76=4.91%
7.
Выбор и расчет упругого элемента
.1
Выбор типа упругого элемента
На
основании выбранного метода измерения, конструкции измерительного
преобразователя вида энергии и конструктивных решений по устойчивости датчика к
воздействующим факторам можно выбрать тип УЭ.
При
выборе типа УЭ необходимо проанализировать:
обеспечение
требуемой чувствительности;
обеспечение
требуемого частотного диапазона измерения.
Наибольшей
чувствительностью к давлению обладает мембранная коробка. В зависимости от
геометрических размеров, формы и материала мембранной коробки можно перекрыть
широкий диапазон преобразуемых давлений - от 1000 до 50000 Па. Незначительно
уступает мембранной коробке по чувствительности гофрированная мембрана.
Так
же мембрана, решает следующие конструктивные задачи:
обеспечение
герметичности внутренней полости датчика;
исключение
влияния боковой составляющей усилия.
Мембрана
представляет собой гибкую круглую пластину, получающую значительные упругие
прогибы ω
под действием давления P.
Мембраны могут быть плоскими или гофрированными. Их широко применяют в качестве
упругих элементов манометрических приборов высоких классов точности. Кроме
того, мембраны используют в качестве разделителей двух сред.
Рабочий
диаметр, то есть диаметр мембраны по контуру крепления, определяется заданными
габаритными размерами, требуемой величиной эффективной площади, необходимым
прогибом центра, запасом прочности и другими технологическими требованиями,
предъявляемыми к мембране. Диаметры мембран обычно бывают не менее 10 - 15 мм и
не более 200 - 300 мм.
Разрабатываемый датчик является датчиком давления, но его принцип
аналогичен действию манометрических датчиков, поэтому по аналогии с ними,
оправдан выбор упругого элемента в виде мембраны.
Наиболее просты по форме плоские мембраны, характеристики которых
затухают по давлению в области больших прогибов. Более широкое применение имеют
гофрированные мембраны. Нанесение кольцевых волн увеличивает рабочие прогибы
мембраны. Появляется возможность, изменяя форму и размеры гофрировки, подбирать
должным образом упругую характеристику мембраны. В соответствии с принятой конструкцией
датчика примем упругий элемент в виде гофрированной мембраны с жестким центром.
В отличие от плоских, гофрированные мембраны имеют волнообразный профиль,
под которым понимают образующую срединной поверхности.
Гофрированные мембраны применяют чаще плоских. Они могут работать при
значительно больших прогибах. В зависимости от формы профиля упругая
характеристика мембраны может быть линейной, затухающей или возрастающей по
давлению. В этом отношении гофрированные мембраны имеют преимущество перед другими
типами манометрических упругих элементов (сильфонов, трубчатых пружин),
характеристики которых близки к линейным. С помощью гофрированных мембран можно
легко решать задачи измерения величин, нелинейно связанных с давлением или
силой. Подбирая должным образом геометрические параметры мембраны, можно
получить характеристику, линейную по измеряемой величине, и тогда линейность
шкалы прибора достигается при простейшей кинематике механизма.
Мембраны синусоидального профиля предпочитают другим при изготовлении
мембран из толстого материала.
Упругая характеристика мембраны существенно зависит от глубины волн и
толщины материала. При одной и той же толщине материала жесткость мембраны в
большей степени зависит от глубины гофров: с ее увеличением жесткость мембраны
быстро возрастает. Начальная жесткость мембраны с ростом глубины гофров
увеличивается, а упругая характеристика имеет меньшую нелинейность. Сильно
влияет на упругую характеристику гофрированной мембраны и толщина, особенно в
области малых толщин. Изменение же числа волн, формы профиля при условии
сохранения глубины гофров мало меняет упругую характеристику гофрированной
мембраны.
Одиночная мембрана закрепляется по буртику в корпусе. Для надежного
закрепления одиночной мембраны ее приходится затягивать, при этом в корпусе
могут возникнуть значительные усилия. В некоторых случаях мембрану крепят к
жесткому основанию пайкой или сваркой. В нашем случае используется именно этот
способ. Такой способ крепления освобождает корпус от усилий при затяжке, но при
пайке или сварке материалы мембраны и основания прогреваются неравномерно, и
возникающие при этом температурные напряжения могут исказить геометрию
чувствительной мембраны, а, следовательно, и ее упругую характеристику.
Температурные напряжения будут меньше, если у материалов основания и мембраны
одинаковые коэффициенты теплового расширения.
.2 Выбор материала упругого элемента (мембраны)
Материал определяет многие характеристики упругого элемента: точностные,
прочностные, массовые, характеристики чувствительности и быстродействия.
Поэтому в качестве материалов, используемых для изготовления упругих элементов,
применяют прецизионные и высококачественные материалы: высококачественные стали
и бронзы, которые имеют высокие пределы прочности, текучести, упругости и малые
величины упругих несовершенств.
Разрабатываемый датчик предназначен для измерения давления (разрежения) в
мощных энергетических установка и агрегатах в условиях воздействия вибраций.
Поэтому в качестве материала упругого элемента возьмем сталь 36НХТЮ,
обеспечивающую сочетание высоких метрологических характеристик и повышенной
чувствительностью.
Этот сплав имеет хорошие характеристики в отношении коррозийной и
термической стойкости и может применяться в довольно агрессивных средах и при
повышенных температурах. Сплав 36НХТЮ обладает также хорошими пластическими
свойствами в холодном и горячем состоянии, подвергается штамповке, сваривается
аргонно-дуговой сваркой.
Характеристики сплава 36НХТЮ:
Предел прочности - sв=1150
МПа;
Предел текучести - s0,2=750
МПа;
Предел упругости - s0,005=65
МПа;
Относительное удлинение - δ=14 %;
Модуль упругости - E=180
ГПа;
Температурный
коэффициент модуля упругости -
1/°C;
Коэффициент
линейного расширения -
1/°C;
Плотность
- r=7,8 г/см3
Для
изготовления мембран используют тонколистовой материал, из которого вырубают
кружки - заготовки для мембран. Рифление мембран (нанесение гофрировки)
производят механическим способом между жесткими пуансоном и матрицей. Для
обеспечения лучших условий вытяжки материала пуансон и матрицу конструируют
так, чтобы соприкосновение их с мембраной осуществлялось не по всей
поверхности, а только по контактным площадкам.
При
изготовлении мембран необходимо особенно тщательно выдерживать требуемую
глубину гофрировки и форму начальной поверхности, т. е. поверхности,
равноотстоящей от вершин и впадин мембраны. Для упругих элементов с
характеристикой, близкой к линейной, отклонение в размерах вызывает лишь
изменение жесткости, которое можно скомпенсировать при настройке прибора. Для
чувствительной мембраны с заданной нелинейной характеристикой отклонения от
требуемой геометрии могут существенно изменить форму упругой характеристики, т.
е. величину нелинейности, что скомпенсировать настройкой прибора значительно
труднее. Поэтому в качестве основных материалов для изготовления мембран точных
приборов используют такие, которые имеют наименьшую упругую отдачу при
рифлении, например, дисперсионно-твердеющие сплавы. Для предотвращения коробления
и искажения профиля термообработку мембран проводят в специальных прокладках.
.3
Расчет упругого элемента
Так
как упругий элемент (мембрана) находится в тракте измерения, к нему
предъявляется ряд требований: упругий элемент должен иметь линейную
характеристику в пределах рабочих прогибов и минимальную массу. Кроме того, он
должен иметь большую жесткость в перпендикулярном направлении для исключения
влияния боковых нагрузок на упругий элемент. Возьмем гофрированную мембрану
простейшей геометрии - синусоидального периодического профиля.
Расчет
мембран будем проводить с помощью номограмм.
Примем
прогиб ω0, который обеспечивает требуемую чувствительность,
равным ω0 = 3.5 мм. На основании этого выберем параметры
мембраны. Прогиб мембраны определяется формулой:
, где
P - измеряемое
давление;
R - внешний радиус мембраны;- толщина гофрирования;
-
безразмерный параметр жесткости;
Fэф -
эффективная площадь мембраны;- модуль упругости материала мембраны.
Эффективной
площади мембраны находится по формуле:
Для получения минимальной толщины мембраны (не более 1 мм) рассчитаем
внешний радиус мембраны:
Расчет
будем проводить для мембраны периодического профиля (α=0), с относительной глубиной гофрировки
. Для этих значений по номограммам
.
Таким
образом
мм

а) б)
Рис.
4. а - номограмма для проектирования мембран с постоянной (a=0) и переменной (a¹0) глубиной гофрировки; б
- график нелинейности
для мембран периодического профиля (a=0)
Для
того чтобы обеспечить чувствительность датчика на разных диапазонах измеряемого
параметра, как минимум один из параметров мембраны должен варьироваться. В
качестве переменного параметра можно выбрать внешний радиус мембраны или её
толщину, т.к. в формулу обе величины входят в третьей степени и зависимость
прогиба от их значения максимальна. Если датчик будет содержать несколько
мембран разного диаметра, то необходимо предусмотреть магазин мембран, что
усложняет конструкцию датчика и идет в разрез с техническими требованиями.
Поэтому выберем в качестве переменного параметра толщину мембраны и высоту её
гофрирования, т.к. они взаимосвязаны и раздельный расчет вести сложно.
Толщина
мембраны h может быть рассчитана на основании предыдущей формулы:
Для
определения запаса прочности, линейности характеристики мембраны и остаточных
деформаций необходимо провести прочностной расчет в наиболее критических
сечениях мембраны. Значение максимального напряжения мембраны под воздействием
измеряемого параметра можно определить по формуле:
Давление
в безразмерной системе координат определим, как:
По
приведенным номограммам (рис. 4), задаваясь значениями отношений
, определим
,
, h а по выше приведенным формулам
найдем h, H, sэкв,
. Занесем полученные данные в таблицу 2.
Таблица
2. Полученные данные
|
Избыточное давление Па
|
|



h,
ммH,
ммsэкв,
КПа
h,
|
%(P>0)
|
|
|
|
|
|
|
|
|
|
|
2
|
0.38
|
15
|
0.46
|
2.499
|
4,698
|
42
|
-5
|
|
|
3
|
0.395
|
22
|
0.36
|
1.114
|
3.342
|
4,808
|
69
|
-3
|
|
|
4
|
0,4075
|
33
|
0,282
|
0.983
|
3.933
|
4,987
|
117
|
-1
|
|
|
5
|
0,4175
|
48
|
0,23
|
0.875
|
4.375
|
5,264
|
192
|
-0.9
|
|
|
6
|
0,4225
|
63
|
0,19
|
0.802
|
4.814
|
5,234
|
275
|
-0.3
|
|
|
8
|
0,4275
|
102
|
0,148
|
0.686
|
5.487
|
5,643
|
521
|
-0.1
|
|
|
10
|
0,43
|
146
|
0,126
|
0.61
|
6.098
|
6,114
|
838
|
0.1
|
|
|
12
|
0,4275
|
197
|
0,11
|
0.551
|
6.609
|
6,505
|
1252
|
0
|
|
|
Избыточное давление Па
|
|



h,
ммH,
ммsэкв,
КПа
h,
|
%(P>0)
|
|
|
|
|
|
|
|
|
|
|
4
|
0,4075
|
33
|
0,282
|
0.522
|
2.09
|
2,649
|
221
|
-5
|
|
|
5
|
0,4175
|
48
|
0,23
|
0.465
|
2.324
|
2,797
|
361
|
-3
|
|
|
6
|
0,4225
|
63
|
0,19
|
0.426
|
2.558
|
2,781
|
517
|
-1.5
|
|
|
8
|
0,4275
|
102
|
0,148
|
0.364
|
2.916
|
2,998
|
980
|
0.25
|
|
|
10
|
0,43
|
146
|
0,126
|
0.324
|
3.24
|
3,248
|
1577
|
0.75
|
|
|
12
|
0,4275
|
197
|
0,11
|
0.293
|
3.512
|
3,456
|
2356
|
0.7
|
|
|
Избыточное давление Па
|
|



h,
ммH,
ммsэкв,
КПа
h,
|
%(P>0)
|
|
|
|
|
|
|
|
|
|
2
|
0.38
|
15
|
0.46
|
0.787
|
2.361
|
2,960
|
68
|
-5.2
|
|
3
|
0.395
|
22
|
0.36
|
0.702
|
2.105
|
3,029
|
110
|
-7
|
|
4
|
0,4075
|
33
|
0,282
|
0.619
|
2.478
|
3,142
|
187
|
-3
|
|
5
|
0,4175
|
48
|
0,23
|
0.551
|
2.756
|
3,316
|
305
|
-2
|
|
6
|
0,4225
|
63
|
0,19
|
0.505
|
3.032
|
3,297
|
436
|
-1.1
|
|
8
|
0,4275
|
102
|
0,148
|
0.432
|
3.457
|
3,555
|
836
|
0.2
|
|
10
|
0,43
|
146
|
0,126
|
0.384
|
3.842
|
3,851
|
1330
|
0.4
|
|
12
|
0,4275
|
197
|
0,11
|
0.347
|
4.164
|
4,098
|
1987
|
0.5
|
Примем для каждого измеряемого параметра, исходя из нелинейности (4.76%)
, высоту и толщину мембраны:
Таблица 3. Расчетные данные
|
Измеряемое давление, Па
|
H, мм
|
h, мм
|
sэкв, КПа
|
h, %(P>0)
|
|
2.51.34,698-5
|
|
|
|
|
|
2.40.82,960-5.2
|
|
|
|
|
|
20.52,649-5
|
|
|
|
|
Все значения h соответствуют
ряду изготавливаемых мембран.
Т.к. мембрану необходимо встраивать в датчик, то нужно выделить 2 мм на
заделку, т.е. рассчитанные внешние радиусы упругого элемента должны быть
выбраны на 2мм больше.
Предельно допустимое напряжение для данного материала (сталь 35НХТЮ)
σ = 1150 мПа. Таким
образом, для всех пределов измеряемого параметра максимальные напряжения в
мембране находятся в пределах допустимых, значит, упругий элемент работает в
зоне упругих деформаций и использование данной мембраны обосновано.
Так как в техническом задании указано воздействие перегрузки измеряемым
параметрам до 20% от предела измерения, то максимальные напряжения в опасном
сечении могут быть в 1,2 раза больше σmax, т.е. равным 5,64 кПа, что
значительно меньше максимально допустимых. Таким образом, разработанная
мембрана удовлетворяет требованию технического задания по прочности и может
быть использована для всех диапазонов измеряемого параметра.
8. Расчет противодействующей пружины
.1 Материал и тип пружины
Винтовые пружины применяют во всех отраслях приборостроения. По своему
назначению, конструкции, размерам они очень разнообразны, однако наиболее часто
встречаются цилиндрические винтовые пружины, свитые из проволоки круглого
поперечного сечения.
Для пружин ответственного назначения, которые должны обладать более
высокими упругими свойствами, применяют закаливаемые стали и
дисперсионно-твердеющие сплавы. Пружины, навитые из этих материалов, проходят
термообработку, в результате чего материал получает высокие упругие и
прочностные свойства.
Выберем кремнистую сталь, обладающую следующими характеристиками:
Температура термообработки: закалка - 870, отпуск - 460;
Предел прочности - sв=1300
МПа;
Предел текучести - s0,2=1200
МПа;
Предел выносливости - s-1=500 МПа;
Относительное удлинение - δ=6 %;
Относительное удлинение - ψ=25 %;
Модуль упругости - E=20,5
МПа, G=8 МПа.
Пружина используется в датчике для создания усилия поджатия. Надежность
работы потенциометрического датчика зависит от величины и постоянства
контактного давления токосъемной щетки на обмотку потенциометра.
Для повышения надежности контакта давление щетки должно быть возможно
большим, чтобы она имела минимальную возможность отрыва от контактной
поверхности при коммутации. Но увеличение контактного давления ведет к
увеличению вредного момента трения и к повышению износа.
Усилие поджатия рассчитаем в соответствии с выражением:
Усилие поджатия = 2·Сила поджатия
Сила
поджатия щетки в потенциометре определяется выражением:
Массы
щеток лежат в пределах 0.3 - 1 Г. Примем массу щетки
Г.
Тогда
сила поджатия
Г·q.
Усилие
поджатия = 2·2.5=5 Г·q.
С
учетом плеча усилие поджатия = 0.003·5=0.015 Г·q.
.2
Расчет пружины
Рассчитаем
цилиндрическую винтовую пружину малого шага.
Определим
напряжения и деформации при осевом растяжении и сжатии цилиндрической пружины,
навитой из прутка круглого сечения диаметра d (рис. 7 а). Конструктивно пружины
растяжения и сжатия отличаются оформлением их концов, но концевые витки при
расчетах пружин на прочность и жесткость во внимание не принимаются.
Цилиндрические
пружины характеризуются средним диаметром витка D, числом витков n, углом
подъема витков α и шагом пружины h.
Наибольшее
распространение в технике имеют пружины с небольшим углом подъема винтовой
линии (α < 5°), называемые пружинами малого шага.
В
пружинах малого шага можно пренебречь подъемом витков и считать длину витка
примерно равной πD, а сам виток - расположенным в плоскости, нормальной
к оси пружины. Но в таком случае, сечение прутка пружины плоскостью, содержащей
ее ось, можно рассматривать как ее поперечное сечение. Указанные допущения
положены в основу приближенного расчета пружин.
Разделим
пружину осевым сечением на две части и отбросим, одну из них. Из условия
равновесия оставшейся части (рис. 7 б) следует, что внутренние касательные силы
упругости в сечении пружины приводятся к перерезывающей силе Q = P и крутящему
моменту Мк = PD/2.
Касательные
напряжения, вызванные кручением, достигают максимума в контурных точках
сечения, а напряжения от перерезывающей силы можно в первом приближении считать
равномерно распределенными по плоскости сечения. В точке А контура сечения
суммарные касательные напряжения, как видно из рис. 8, достигают наибольшей
величины
,
.
Для
большинства пружин отношение d/2D - величина малая по сравнению с единицей. Это
говорит о том, что основным видом деформации для пружин является кручение, а
срезом можно пренебречь и вычислять напряжения в пружине по формуле
.
Рис.
7 Параметры пружины
Рис.
8. Суммарные касательные напряжения
Рис.9.
Изменение продольных размеров
Изменение
продольных размеров λ (рис. 9) удобно определить энергетическим методом,
приравнивая работу А статически приложенной силы Р потенциальной энергии
деформации U пружины. Работа внешних сил A=Pλ/2, а потенциальная энергия накапливается, главным
образом, за счет кручения прутка и поэтому может быть вычислена по формуле
Учитывая,
что крутящий Мк=PD/2 и момент инерции Ip=πd4/32 по длине прутка не изменяются, а длина прутка l = πdn, получаем
Приравнивая
A и U, находим
Для
пружин сжатия формула справедлива лишь до полного обжатия пружины, т. е. до
соприкосновения ее витков. После полного обжатия пружина начинает работать на
осевое сжатие как прямой пустотелый брус.
Зададимся
параметрами пружины:
Высота
рабочей части пружины H=60 мм;
Диаметр
проволоки d=5 мм;
Модуль
упругости E=20,5 МПа; G=8 МПа;
Средний
диаметр D=30 мм;
Число
рабочих витков i=4;
Коэффициент
Пуассона μ=0,3.
9.
Расчет передаточного механизма
В
качестве передаточного механизма возьмем рычаг с плечами (рис. 5).
Рис.
5. Передаточный механизм
Максимальное
перемещение щетки L равно половине длины потенциометра, то есть 7 мм.
Максимальный
прогиб мембраны ω0
= 3.5 мм.
Рассчитаем
длину рычага l1.
Из
прямоугольного треугольника гипотенузу l1 можно представить
в виде:
Раскрыв
скобки и, упростив выражение, выразим длину с рычага:
Если
принять a=2мм, то длина рычага
мм.
Примем длину второго рычага l2=6.525 мм.
Рассчитаем
расстояние от оси вращения до толкателя.
Из
подобия двух прямоугольных треугольников следует:
Отсюда
расстояние от оси вращения до толкателя
мм.
Из
конструктивных соображений возьмем длину штока равной 15 мм, и радиус штока 2
мм.
Длина
рычага l2 (расстояние до пружины) рассчитаем исходя из
уравнения
. Учитывая, что сила, действующая на мембрану
Н
Сила
поджатия пружины
Н.
Тогда
длина рычага
мм (при P=0.1·105Па)
При
P = 0.025·105 Па
мм
При
P = 0.015·105 Па
мм
10.
Расчет динамических характеристик датчика
Оценим
динамической возможности рассчитанной конструкции. Так как в датчике
отсутствуют успокоители, то частотный диапазон определяется только собственной
частотой. Собственная частота упругого элемента (мембрана) определяется по
формуле:
,
где
- отношение присоединенной массы к массе упругого
элемента;
-
коэффициент приведения масс мембраны.
Масса
упругого элемента (мембраны) определиться как:
г
где
- плотность материала 36НХТЮ.
Присоединённой
массой
будем считать массу подвижного штока, массу поводка и
жесткого центра.
Масса штока определяется:
г
Масса
жесткого центра равна:
гОтсюда, масса присоединенных масс равна:
г
Итак,
зная значение присоединенной массы, можно рассчитать величину собственной
частоты датчика.
Теперь
по формуле определим
Гц.
Так как в датчике не предусмотрено дополнительное демпфирование, а
степень успокоения зависит только от внутреннего трения в материале упругого
элемента β = 0,07), то для расчета амплитудно-частотной погрешности можно
использовать формулу:
%,
где
β
= 0,07 - степень успокоения;
fгр =
100 Гц - верхний граничный предел измеряемого процесса.
Для определения погрешностей от воздействия линейных ускорений необходимо
определить инерционную массу датчика.
Определяя
дополнительную величину давления, которую будут создавать линейные ускорения, я
выяснил, что без учета прогиба неподвижных электродов при воздействии линейных
ускорений, значение приведенной погрешности от воздействия линейных ускорений
оказалось неприемлемым. Поэтому для улучшения значения приведенной погрешности
от воздействия линейных ускорений необходимо учесть прогиб неподвижных
электродов.
Для
определения приведенной погрешности от воздействия линейных ускорений
необходимо рассчитать значение прогибов мембраны и неподвижных электродов от
воздействия линейный ускорений.
Рассчитываем
значение прогиб мембраны от воздействия линейных ускорений. Найдем усилие,
действующее на датчик при воздействии линейных ускорений величиной: а = 10g =
98 м/с2:
.
Для вычисления прогиба центра мембраны под действием линейных ускорений
воспользуемся формулой для мембраны, нагруженной силой:
где
Sd - обобщенная чувствительность УЭ с выходом по
перемещению;
Вd - конструктивный коэффициент чувствительности;об - обобщенная длина
УЭ;об - обобщенное сечение УЭ.
Известно,
что мембрана обладает следующими характеристиками:
Подставив
эти выражения в формулу получим:
Соответственно,
прогиб центра мембраны под действием силы F может быть определен по формуле.
11. Расчет характеристик датчика при ударных воздействиях
Имея значение собственной частоты мембраны при различных диапазонах
измерения, рассчитываем жёсткость мембраны по формуле:
Собственная частота мембраны будет равна:
Далее
рассчитаем перемещение 
под
воздействием статической силы:

, где 
Стоит
упомянуть, что инерционная масса в уравнении выше берётся не в килограммах, а в
ньютонах (для перевода необходимо умножить массу в килограммах на 10).
Рассчитаем
максимальные перемещения, которые будут наблюдаться при воздействии удара,
заданного в техническом задании с амплитудой 30g и
длительностью τ = 1мс по формуле:
Вычислим
коэффициент ударопрочности:
Учитывая,
что 
, 
, где 
−
собственная частота, 
−
верхний граничный предел измеряемого процесса (200 Гц), найдём максимальные
перемещения 
:
Значение
динамической погрешности при воздействии ударов можно определить по формуле:
Расчет
характеристик датчика при ударных воздействиях
|
Измеряемое давление, Па
|
Жёсткость мембраны  104Максимальное
перемещение  , 10-8Максимальное
перемещение  , 10-8K*10-3Погрешность
 , %
|
|
|
|
|
|
1500
|
9.841
|
3.918
|
4.712
|
0.741
|
|
2500
|
9.841
|
7.624
|
3.815
|
4.586
|
0.729
|
|
10000
|
9.841
|
7.535
|
3.563
|
4.279
|
0.698
|
12. Расчет датчика при вибрационных воздействиях
В техническом задании указано воздействие вибрации на датчик, которые
заданы длительностью и амплитудой. Для осуществления проверки работоспособности
датчика при вибрационных воздействиях, необходимо сравнить амплитуду
перемещения подвижного электрода с расстоянием между двумя неподвижными
электродами. В случае если при вибрации перемещение подвижного электрода
превзойдет расстояние между неподвижными электродами, то произойдет
столкновение электродов и датчик может выйти из строя.
Имея значение собственной частоты датчика при различных значениях
диапазонах измерения, рассчитаем жесткость системы по формуле:
Вводя понятие λ получим выражение относительного
коэффициента демпфирования платы:
Необходимо определить амплитуду перемещения на момент резонанса. На
момент резонанса коэффициент динамичности будет равен:
где

−
относительный коэффициент демпфирования датчика;

-
коэффициент внутреннего трения в материале УЭ;

−
собственная частота УЭ;

−
коэффициент жесткости;

−
коэффициент динамичности при вибрациях.
Найдём
теперь амплитуду виброускорений:
Выражение для коэффициента динамичности при вибрациях рассчитывается как:
Тогда амплитуда ускорений вибрации будет иметь вид:

где

мм -
амплитуда ускорений внешних вибраций
Однако
с другой стороны значение коэффициента динамичности при вибрациях равно
соотношению амплитуды виброускорений и амплитуды перемещения УЭ. μс=𝑍0/Z0l
где
z0 - амплитуда виброускорений, указанная в техническом
задании;
Z0l -
амплитуда перемещения УЭ.
Исходя
из формул предыдущих формул можно определить значение амплитуды перемещения УЭ.
Z0l=2∙λ∙Z0/ω0,
Коэффициент виброустойчивости:
Проверка виброчувствительности датчика
Необходимо определить амплитуду перемещения мембраны на граничной частоте.
Коэффициент динамичности будет равен:
где
2 ∙ λ
= β∙
/𝑘 - относительный коэффициент демпфирования датчика;
𝜔0 - собственная частота;
ω - граничное значение частоты;
μc - коэффициент динамичности при вибрациях.
Однако,
с другой стороны, значение коэффициента динамичности при вибрациях равно
соотношению амплитуды виброускорений и амплитуды перемещения УЭ.
μc = Z0 /Z0l
где
Z0 - амплитуда виброускорений, указанная в техническом задании;l- амплитуда
перемещения мембраны.l=0.08
Динамическая
погрешность датчика.
Таким
образом, при воздействии виброускорений на датчик, динамическая погрешность не
превышает допустимую по ТЗ погрешность.
Таблица
4
|
P , Па    , м , м    , %
|
|
|
|
|
|
|
|
|
1500
|
2.694*105
|
2.4*10-7
|
2.807*10-8
|
7.9*106
|
1.01213
|
1.214
|
1.206
|
|
2500
|
3.195*105
|
7.4*10-8
|
8*10-9
|
10.1*106
|
1.01218
|
8.8*10-3
|
1.085
|
|
10000
|
3.673*105
|
5*10-8
|
4,8*10-9
|
2.31*107
|
1.01223
|
6.07*10-3
|
1.044
|
13. Расчет погрешностей датчика
Для оценки соответствия метрологических характеристик датчика требованиям
технического задания необходимо определить, как основную погрешность датчика,
так и его погрешность в рабочих условиях.
Расчет основной погрешности датчика
В связи с отсутствием априорных понятий по математическому моделированию
составляющих погрешностей каждого измерительного преобразователя, входящего в
тракт измерения, будем считать погрешности, входящие в состав основной
погрешности датчика, случайными и их суммирование производить геометрически.
Однако, не смотря на отсутствие математической модели образования погрешностей,
известны как состав этих погрешностей и причины их возникновения, так и
статистические данные по величинам этих погрешностей. Поэтому оценку основной
погрешности датчика будем производить по каждой составляющей каждого
измерительного преобразователя, входящего в тракт измерения на основе
статистических данных.
Известно, что в состав основной погрешности входят погрешности средств
градуировки (погрешность датчика эталонных давлений, погрешность регистрирующей
аппаратуры, погрешность блока питания - для нашего датчика), погрешность от
несоответствия принятой номинальной характеристики реальной функции
преобразования и погрешности, возникающей от колебаний условий градуировки в
пределах нормальных значений влияющих величин. Так как последние очень малы, то
ими пренебрежем, а вторую составляющую погрешности будем оценивать по трем
составляющим: нелинейность, гистерезис и воспроизводимость, для каждого
измерительного преобразователя, входящего в тракт измерения.
Согласно структурной схемы датчика необходимо оценить погрешности
следующих измерительных преобразователей: упругий элемент (мембрана),
измерительная цепь.
.1 Основная погрешность Мембрана
При расчете погрешности надо учесть погрешности гистерезиса, нелинейности
и воспроизводимости, тогда
Погрешность
воспроизводимости и гистерезиса находится в пределах 0,02-0,05 %. Возьмем 0,02
%. Тогда основная погрешность мембраны:
Таблица
20. Расчетные данные
|
Измеряемое давление, Па
|
Основная погрешность, %
|
|
0,751
|
|
|
0,504
|
|
|
0,601
|
|
Передающий шток
Нелинейность определяется линейностью материала 36НХТЮ и находится в
пределах 0,01-0,03 %.
Гистерезис и воспроизводимость ИП будет определяться не только внутренним
трением материала, но и трением в месте соединения передающего штока и жесткого
центра мембраны, для которых упругие несовершенства возрастают до 0,03-0,1 %.
Тогда
погрешность:
%
Передаточный
механизм
Учтем
погрешности гистерезиса и воспроизводимости:
%
Потенциометр
Для
потенциометра характерна погрешность, обусловленная ступенчатым изменением
сопротивления:
%
Измерительная
схема
Погрешность
нелинейности измерительной схемы подсчитана ранее - 0,38 %. Погрешность
вариации и воспроизводимости отсутствуют.
Погрешность
от несоответствия принятой НФП от РФП:
Таблица
21. Расчетные данные
|
Измеряемое давление,
ПаОсновная погрешность, %
|
|
|
0,726
|
|
|
0,546
|
|
|
0,641
|
|
Погрешность средств градуировки
Для оценки погрешности средств градуировки примем, что они обладают
только случайными погрешностями:
- задатчик давления имеет погрешность g=±0,05%;
- блок питания (типа Б5-47) имеет класс точности 0,05%;
- цифровой вольтметр (тип В7-34А) имеет класс точности 0,05%.
Тогда
погрешность средств градуировки:
Основная
погрешность датчика
Таблица
22. Расчетные данные
|
Измеряемое давление,
ПаОсновная погрешность, %
|
|
|
0,732
|
|
|
0,554
|
|
|
0,646
|
|
.2 Погрешность в рабочих условиях
Оценку погрешности в рабочих условиях от воздействия влияющих факторов
будем производить двумя способами:
- при заданных чувствительностях к воздействующему фактору и
известных предельных отклонений этого фактора и функции его распределения во
времени - через дисперсию воздействующего фактора;
- при отсутствии априорных данных по функции распределения и
чувствительности к воздействующему фактору - по предельным значениям
погрешности от воздействующего фактора.
В соответствии с ТТ перечень воздействующих факторов для разрабатываемого
датчика состоит из:
- температура окружающей среды ±50 °C;
- частотный диапазон работы от 0 до 10 Гц;
- воздействие линейных ускорений во всех направлениях до 10 q;
- воздействие вибраций во всех направлениях с частотой до 2 кГц
и амплитудой до 5 q;
- воздействие агрессивной измеряемой среды с температурой +200 °C.
13.3 Температурная погрешность
Оценку
температурной погрешности в стационарном температурном режиме будет производить
через дисперсию воздействующего фактора. В соответствии с ГОСТ 22520-83 датчик
класса 1 % должен иметь температурную погрешность не более 0,4 %/10°C, что
соответствует температурной чувствительности
1/°C. Тогда,
разделив чувствительность на аддитивную и мультипликативную составляющие,
примем, что
1/°C
Т.
к. закон распределения неизвестен, то примем закон распределения равномерным,
обладающий наибольшей неопределенностью. Примем tв=+50 °C, tн=-50
°C, а
температура при градуировке t0=20 °C.
Тогда
математическое ожидание и дисперсия:
°C
Дополнительная
систематическая температурная погрешность:
%
Дополнительная
случайная температурная погрешность:
%
где
rk0=1.
Из
ТЗ на датчик возьмем доверительную вероятность равную 0,95 и эксцесс равный 3,
тогда по таблице выберем квантиль tq=1,96.
%
.4
Погрешность при воздействии динамического процесса
В
связи с отсутствием в ТТ требований по чувствительности и закону распределения
воздействующего фактора во времени данная погрешность может быть учтена в виде
случайной погрешности по ее предельным значениям. Максимальную динамическую
погрешность в диапазоне частот до 10 Гц имеет датчик с пределом измерения 0,1
кПа и погрешность при этом имеет рассчитанное ранее значение g(f)=-0,631 %.
В
связи с тем, что погрешность в динамическом диапазоне определялась с учетом
присоединенных масс, то в частотном диапазоне вибраций от 0 до 10 Гц
погрешность от воздействия вибраций не будет превышать величины динамической
погрешности, то есть g(q)= g(f)=-0,631 %.
А
так как на выходе нормализующего усилителя стоит фильтр с частотой среза 10 Гц,
то расчет погрешности от воздействия вибраций на частотах свыше 100 Гц не имеет
смысла.
Погрешность
от воздействия линейных ускорений так же определена ранее и для датчика с
пределом 10 кПа имеет максимальное значение равное ga=0,259 %.
Тогда
погрешность датчика в рабочих условиях эксплуатации:
%.