Освоение метода измерения давления с помощью пьезорезистивного датчика и изучение влияния электромагнитной помехи на его показания
Содержание
Введение
1. Теоретическая часть
1.1 Описание пьезорезистивного датчика давления
1.2 Описание образцового ртутного манометра
1.3 Описание весов рейтерного типа
2. Экспериментальная часть
2.1 Описание установки
2.2 Тарировка датчика давления Siemens KPY 43А № 35
3. Анализ результатов
4. Влияние электромагнитной помехи на показания датчика
Выводы
Литература
Приложение
Аннотация
1. Представлены теоретические основы работы пьезорезистивного
датчика давления.
. В диапазоне давлений от 0,02 до 1 атм. выполнена тарировка
и определены тарировочные коэффициенты для датчика KPY 43A (№35, SIEMENS). Получена линейная
тарировочная зависимость, что соответствует заявленным характеристикам
производителя.
. Результаты работы (тарировочная зависимость) будут
использованы в дальнейшем для постановки и проведения экспериментов в
сверхзвуковой аэродинамической трубе Т-325.
При сверхзвуковых скоростях набегающего потока предъявляются
высокие требования к реакции, надежности, компактности и чувствительности
датчиков давления. Таким требованиям соответствуют пьезорезистивные датчики
давления SIEMENS.
Поэтому целью работы было: овладеть методом измерения
давления с помощью пьезорезистивного датчика Siemens KPY 43A № 35, определить его
калибровочную зависимость и изучить влияние электромагнитной помехи на
показания данного датчика.
электромагнитная помеха пьезорезистивный датчик
1.
Теоретическая часть
1.1 Описание
пьезорезистивного датчика давления
Для измерения давления в работе использовался датчик
абсолютного давления KPY 43A с диапазоном измерений 0.1 1Атм. Внешний
вид и геометрические размеры приведены на рис.1.
Датчики давления - это приборы, которые преобразуют давление
в электрический сигнал. В их центре имеется измерительная ячейка, состоящая из
системы чипа и тонко протравленной кремниевой диафрагмы, в которой
сопротивление определяется внедрёнными ионами кремния.
При подаче давления, отклонение диафрагмы ведет к изменениям
в сопротивлениях согласно пьезорезистивному эффекту. Толщина диафрагмы, ее
площадь поверхности и геометрическая размеры резисторов определяют диапазон
допустимого давления датчика. Изменение в проводимости, зависят от механических
напряжений в пределах кристалла. Преимущества датчика давления, использующего
полупроводниковую технологию по сравнению с тензометрами сопротивления
следующие:
большая чувствительность
высокая линейность
очень низкое измеряемое давление и температурный гистерезис
высокая надежность
высокая реакция
компактность

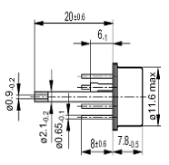
а) б)

в)
г)
Рис.1. Датчик давления KPY 43A
а - общий вид; б - схема подключения; в, г
- геометрические размеры.
Один недостаток, который нужно упомянуть - зависимость от
температуры, но его можно компенсировать соответствующей совокупностью схем, но
в данной работе необходимости в этом нет, поскольку в процессе эксперимента
температура изменялась в пределах одного, двух градусов. Принципиальная схема
подключения датчика представлена на рис.2.
Рис.2. Принципиальная схема подключения.
1.2 Описание
образцового ртутного манометра
Образцовый ртутный манометр предназначен для определения
давления окружающей среды в помещении, в котором выполнялась калибровка пьезорезистивного
датчика. В одной части V-образной трубки давление близко к нулю, в другой
измеряемое атмосферное давление. Манометр позволяет определить давление с
учетом температуры воздуха, с погрешностью 0,01 %. Формула (1) для расчета
давления:
(1)
где Pатм. ман - давление воздуха, t - температура в оС, Pm - измеряемое давление.
1.3 Описание
весов рейтерного типа
В весах используется достаточно точный компенсационный метод
измерения, основу их устройства составляет ось, на которую нанесена резьба, на
одной стороне оси находится гайка, определенного веса, с другой стороны вес
гайки компенсируется измеряемым нами давлением, в гайке проделаны отверстия.
Фото импульсный преобразователь состоит из пары светодиодов и фотодиодов. Свет,
испускаемый светодиодом, проходит через отверстие в гайке и улавливается
фотодиодом. Что позволяет нам определить положение гайки на оси. Две пары
светодиод - фотодиод необходимы для определения направления движения гайки.
Для вычисления давления используется формула P= (N+D*500) *K. Где P - измеряемое давление
[кгс/м^2], N-число
оборотов на оси, D-номер диапазона, K-тарировочный коэффициент рейтерных весов. Длина рейтера
составляет 500 оборотов. При достижении конца рейтера происходит переключение
диапазона, при этом число оборотов сбрасывается на 0. Принципиальная схема
весов изображена на рисунке 4.
Рис.4 Принципиальная схема весов рейтерного типа.
2.
Экспериментальная часть
2.1 Описание
установки
использовалась измерительная система аэродинамической трубы
Т-325, состоящая из:
а) первичных датчиков (весы рейторного типа, пьезорезестивный
датчик, термопара) `б) цифровых измерительных модулей в стандарте КАМАК
в) ЭВМ (Схема измерений приведена на рис.3.)
Рис.3. Автоматизированная система измерений.
Источником постоянного напряжения для датчика давления служил
АГАТ-83 с выходом по напряжению от 7 до 12 В, использовалось напряжение 10 В.
2.2 Тарировка
датчика давления Siemens KPY 43А № 35
Для определения давления в камере используется
пьезорезистивный датчик давления Siemens 43А №35, для которого сначала было необходимо
найти коэффициенты преобразования выходного напряжения в давление.
Метод тарировки: к герметичной камере
подсоединялись трубки идущие на вакуумный насос, весовые измерители давления
(весы рейтерного типа) и датчик давления. Затем из камеры откачивался воздух, и
в ней постепенно, за счет естественных неплотностей, давление повышалось до
уровня атмосферного. проверка атмосферного давления проводилась с помощью
образцового ртутного манометра, описание которого приведено в п.1.2.
По мере повышения давления в камере производились записи
сигналов с датчика и с весов с фиксированным шагом. Последующая обработка полученной
зависимости выходного напряжения от давления, измеренного весовыми элементами Ei
= f (Pi) позволяет определить его тарировочную характеристику P = j (E), которая
используется при обработке результатов измерений. Обработка данных проводилась
в графическом пакете Axum.
3. Анализ
результатов
В ходе эксперимента были получены показания давления с весов
рейтерного типа в кГс/м^2 и значения напряжения с пьезорезистивного датчика в
мВ, а так же данные об изменении температуры в ходе эксперимента в Кельвинах.
Был построен график зависимости показаний весов рейтерного типа от напряжения
на датчике давления. Также было замечено что данная зависимость с высокой
точностью может быть аппроксимирована прямой (P (кгс/м^2) =675,8+135,1*E (мВ))

Для оценки линейности показаний датчика был построен график
зависимости разности теоретического распределения (построенного с помощью
линейной аппроксимации экспериментальных значений) и экспериментального от
напряжения на датчике представленный на рисунке 6.
Рис.6 оценка линейности показаний датчика.
Из данного графика видно, что пьезорезестивный датчик
давления обладает высокой линейностью. Однако существует систематическая
ошибка, связанная с неточностью определения количества оборотов при
переключении диапазона рейтерных весов. Систематической ошибке соответствует
одинаковый угол наклона распределения остатков аппроксимации на разных
диапазонах. Было подобрано подходящее число оборотов, при котором происходило
переключение диапазонов. Критерием подбора служила минимизация дисперсии
остатков. Был построен график зависимости показаний весов рейтерного типа от
напряжения на датчике давления с учетом изменения коэффициента при переключении
диапазонов. Он представлен на рисунке 7.
На рисунке 8 представлен график зависимости разности
теоретического распределения (построенного с помощью линейной аппроксимации
экспериментальных значений) и экспериментального от напряжения на датчике
Рис.7 итоговая тарировачная зависимость
Рис.8 оценка линейности показаний датчика.
4. Влияние
электромагнитной помехи на показания датчика
Для оценки влияния электромагнитной помехи, в течении
одинакового времени были проведены измерения давления с помехой и без неё.
Показания датчика приведены на рисунке 9.
Рис.9 показания датчика с помехой и без нее.
Красные крестики на рисунке - показания датчика с участием
помехи, черные точки - без помехи. Критерием влияния помехи служила дисперсия.
Без помехи d=0.003, а с помехой d=0.002. Полученные данные
позволяют судить о том, что электромагнитная помеха не влияет на показания
данного пьезорезистивного датчика.
Выводы
В диапазоне давлений от 0,01 до 1 атм. выполнена градуировка
и определены тарировочные коэффициенты для датчика KPY 43A №35. Получена линейная
тарировочная зависимость (P (кгс/см^2) =676+134.7*E (мВ)); оценена
погрешность измерения давления (d^2=2 [кгс/м^2]).
Дисперсия аппроксимации составляет 0,1 % от показания датчика, что говорит нам
о том, что датчик обладает высокой линейностью.
В результате обработки была обнаружена систематическая ошибка в
определении числа
оборотов при переключении диапазонов
весовых элементов. Определено, что значение
вместо заранее заведенного в программу
=500.
Установлено, что электромагнитная помеха не влияет на показания
датчика.
Литература
1.
Косинов А.Д. и др. АСНИ ИТПМ. Подсистема Т-325. Локальная автоматизированная
система экспериментальных исследований. - Новосибирск, 1990. - 28 с. (Отчет
№2050 ИТПМ СО АН СССР).
.
Тагаев С.Н., Ермолаев Ю.Г., Николаев Н.Н., Семисынов А.И. Автоматизация
измерительной системы сверхзвуковой аэродинамической трубы Т-325 и ее
применение в задачах по исследованию перехода // Доклады конференции
"Устойчивость и турбулентность течений гомогенных и гетерогенных
жидкостей". Новосибирск, 2005. С.170-173.
.
Марпл. - мл. С.Л. Цифровой спектральный анализ и его приложения: Пер. с англ. -
М.: Мир, 1990. - 584с.
В данной работе я познакомился с различными датчиками
давления, изучил устройство некоторых из них, освоил некоторые методы обработки
экспериментальных данных. А так же научился работать паяльником.
В связи с тем, что датчики давления нежелательно подвергать
воздействию высокой температуры, был спроектирован разъем для датчика, который
был сделан с помощью паяльника, пластиковой коробочки, шила и зажигалки. Так же
мной было спаяно несколько кабелей, необходимых для подключения датчика.