Калибровка пьезорезистивного датчика абсолютного давления KPY – 43A № 034 с помощью весов рейтерного типа и проверка влияния электромагнитной помехи на его показания

  • Вид работы:
    Контрольная работа
  • Предмет:
    Информатика, ВТ, телекоммуникации
  • Язык:
    Русский
    ,
    Формат файла:
    MS Word
    413,25 Кб
  • Опубликовано:
    2012-12-21
Вы можете узнать стоимость помощи в написании студенческой работы.
Помощь в написании работы, которую точно примут!

Калибровка пьезорезистивного датчика абсолютного давления KPY – 43A № 034 с помощью весов рейтерного типа и проверка влияния электромагнитной помехи на его показания

Аннотация

. Представлены теоретические основы работы пьезорезистивного датчика давления.

. В диапазоне давлений от 0,02 до 1 атм. выполнена тарировка и определены тарировочные коэффициенты для датчика KPY 44A (№113, SIEMENS). Получена линейная тарировочная зависимость, что соответствует заявленным характеристикам производителя.

. Результаты работы (тарировочная зависимость) будут использованы в дальнейшем для постановки и проведения экспериментов в сверхзвуковой аэродинамической трубе Т-325.

Введение

Измерители давления широко распространены в нашей жизни. Они используются как на производстве, в научных исследованиях, так и в быту. В последнее время все большее применение находят пьезорезистивные датчики давления. Это связано с тем, что пьезорезистивные датчики обладают хорошими измерительными и эксплуатационными свойствами: высокая чувствительность и реакция, надежность и компактность.

При сверхзвуковых скоростях набегающего потока предъявляются высокие требования к реакции, надежности, компактности и чувствительности датчиков давления. Таким требованиям соответствуют пьезорезистивные датчики давления SIEMENS.

Поэтому целью работы было: овладеть методом измерения давления с помощью пьезорезистивного датчика Siemens KPY 44A № 113, определить его калибровочную зависимость и изучить влияние электромагнитной помехи на показания данного датчика.

1. Используемое оборудование

.1 Пьезорезестивный датчик KPY 44 A № 113

Для измерения давления в работе использовался датчик абсолютного давления KPY 44A с диапазоном измерений 0.1 ¸ 4 атм. Внешний вид и геометрические размеры приведены на рис. 1.

Рис. 1. Датчик давления KPY 44A

а - общий вид; б - схема подключения; в, г - геометрические размеры

Датчики давления - это преобразователи, которые обращают физическую величину “давление” в электрический сигнал. В их центре имеется измерительная ячейка, состоящая из системы чипа и тонко протравленной кремниевой диафрагмы, в которой сопротивление определяется внедрёнными ионами кремния.

При подаче давления, отклонение диафрагмы ведет к изменениям в сопротивлениях согласно пьезорезистивному эффекту. Толщина диафрагмы, ее площадь поверхности и геометрическая размеры резисторов определяют диапазон допустимого давления датчика. Изменение в проводимости, зависят от механических напряжений в пределах кристалла. Преимущества датчика давления, использующего полупроводниковую технологию по сравнению с тензометрами сопротивления следующие:

• большая чувствительность

• высокая линейность

• очень низкое измеряемое давление и температурный гистерезис

• высокая надежность

• компактность

.2 Весы рейтерного типа

В данной работе мы использовали рейтерные весы как эталон, и по их показаниям определяли текущее давление. Схематично рейтерные весы можно сравнить c обыкновенными. На одну сторону подается опорное давление разряжения, которое создает форвакуумный насос. На другую сторону подается измеряемое давление. Под действием рычагов разница давлений передается на ось рейтера. С другой стороны давление компенсируется передвижением груза вдоль оси рейтера. Когда положение груза находится в конце рейтера, происходит увеличение массы груза и, соответственно увеличение диапазона. Для определения положения груза рейтера (кол-во оборотов при котором наступило равновесие) используется фото-импульсный преобразователь (ФИП). ФИП в основном состоит из диска закрепленного на оси рейтера, в котором просверлены 10 отверстий с равным шагом, и двух пар (светодиод + фотодиод). Светодиод и фотодиод расположены напротив друг друга и при прохождении отверстия между ними у нас появляется импульс. По количеству импульсов можно определить на сколько оборотов сдвинулся груз. Вторая пара светодиод-фотодиод нужна для определения направления вращения оси рейтера. Давление рассчитывалось следующим образом:

P=2.656*(500*D+N)

где D-диапазон, N- число оборотов.

Точность данного прибора меньше 0.01 %. Принципиальная схема представлена на рис.2.

Рис.2 Принципиальная схема весов рейтерного типа

.3 Эталонный манометр

Данный прибор мы использовали как эталонный т.к. он обладает наибольшей точностью в интересующих нас измерения. И со временем не изменяет своих свойств. С ним мы сравнивали показания «весов». Измерения проводились следующим образом: Снимались данные с манометра (мм), измерялась температура и давление считалось по следующей формуле

P(кг/м2)=(10.20499-0.00166*t[oC])(P-0.2)

Измерение атмосферного давления с помощью манометра выполнялось до, и после калибровки пьезорезистивного датчика. Отклонение показаний рейтерных весов от значений манометра не превышало 5 кгс/м2. Т.е. погрешность измерения атмосферного давления рейтерными весами менее 0,05 %. На рис.3 представлена фотография данного прибора.

Рис.3. Эталонный манометр

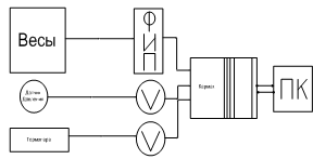
2. Описание и схема эксперимента

Рис.4 Схема проведения эксперимента

Сначала мы выставили ноль на весах, т.е. когда разница давлений между двумя сравниваемыми областями равнялась нулю. Далее с помощью насоса откачали воздух из всей системы, в том числе и из баллона. После перекрыли клапан 1 и у нас начался процесс натекания. Т.е. за счет естественных неплотностей давление в системе начало увеличиваться. Данные с весов и датчика передаются в Камак , а далее на ПК.

Рис. 5 Техническая схема


В результате эксперимента мы получили показания давлений и соответствующие им значения напряжения с тарирумого датчика. Температура в течение эксперимента менялась от 295.1 до 295.4, так что можно считать T=const. Была получена зависимость P=f(E), которая представлена на рис.6.

Рис.6 Зависимость напряжения от давления

На рис.7 представлен график зависимости разности P расчетного и Р. Из этого графика заметно что присутствует систематическая ошибка.

датчик давление пьезорезистивный

Рис.7 Зависимость разности Р расчетного и Р

Ошибка эта связана с тем что, весы переключаются с диапазона на диапазон не на 500 оборотах, как это было заведено в программе. Точное значение нам было неизвестно. Поэтому мы подбирали это значение таким образом, чтобы дисперсия остатков линейной апроксимации была минимальна. Подбор количества оборотов при переключении диапазона выполнялся с помощью программы. В результате мы получили значение равное 498,5. Далее используя это значение были пересчитаны показания давления и повторно выполнена апроксимация данных. Новая зависимость P=f(E) представлена на рис.8. Она имеет линейный вид и уравнение прямой приведено на рисунке.

Рис. 8 График зависимости давления от напряжения с учетом систематической погрешности

На 7-ом диапазоне было замечено резкое отклонение от заданной линейной зависимости, вследствие чего мы можем считать 7-ой диапазон аномальным выбросом. Поэтому данные соответствующие 7-ому диапазону не учитывались. Ошибки аппроксимации представлены на рис.9. Как видно из рисунка ошибки распределены случайным образом и нет никакой постоянной составляющей. Таким образом мы учли систематическую ошибку. Если же мы построим гистограмму этих отклонений (рис. 10), то можем заметить что она очень схожа с гауссовым распределением , т.е. можем назвать эти отклонения случайной величиной.

Рис.9 График ошибки аппроксимации после учета систематической погрешности

Рис.10 Распределение плотности вероятности остатков аппроксимации и функция Гаусса

4. Изучение влияния электромагнитной помехи на показания датчика

Схема зажигания поверхностного электрического разряда приведена на рис. 11. Электрическая цепь состоит из генератора Г3-112/1, повышающего трансформатора и блока согласования, с выходом для синхронизации двухлучевого осциллографа от источника возмущений. С генератора подавался синусоидальный сигнал на частоте 10 кГц. Усилитель мощности использовался с коэффициентом усиления около 10, поскольку напряжение сигнала генератора не превышало 5 вольт. Далее сигнал усиливался до напряжения 400-1000 вольт повышающим трансформатором. На вход осциллографа подавалось напряжение со вторичной обмотки трансформатора для наблюдения за процессом горения поверхностного искрового разряда.

Схематично поверхностный разряд приведен на рис.12. Разряд состоит из двух медных электродов сечением около 1 мм, к которым подводится напряжение. Расстояние между ними примерно 1мм.В качестве изолятора применяется керамическая трубка и слой капролона.

Рис. 11. Принципиальная схема зажигания разряда

Рис. 12 Модель поверхностного разряда

Измерения проводились при атмосферном давлении, а как известно максимальную помеху дает именно тот разряд который зажигают при атмосфере. На рис.13 изображены показания датчика с помехой и без нее.


Красные точки на рисунке - показания датчика с участием помехи, синие точки - без помехи. Критерием влияния помехи служила дисперсия. Без помехи d=0.003.

С помехой d=0.002. Полученные данные позволяют судить о том, что электромагнитная помеха не влияет на показания данного пьезорезистивного датчика.

Выводы

В диапазоне давлений от 0,01 до 1 атм. выполнена градуировка и определены тарировочные коэффициенты для датчика KPY 44A №113.

Получена линейная тарировочная зависимость

(P(кгс/см^2) = 388.1+173.1*E(мВ));

оценена погрешность измерения давления (d^2=3[кгс/м^2]).

Дисперсия аппроксимации составляет 0,1 % от показания датчика, что говорит нам о том, что датчик обладает высокой линейностью.

В результате обработки была обнаружена систематическая ошибка в определении числа  оборотов при переключении диапазонов весовых элементов. Определено, что значение вместо заранее заведенного в программу =500.

Установлено, что электромагнитная помеха не влияет на показания датчика.

Литература

1.   Косинов А.Д. и др. АСНИ ИТПМ. Подсистема Т-325. Локальная автоматизированная система экспериментальных исследований. - Новосибирск, 1990. - 28 с. (Отчет №2050 ИТПМ СО АН СССР).

2.   Тагаев С.Н., Ермолаев Ю.Г., Николаев Н.Н., Семисынов А.И. Автоматизация измерительной системы сверхзвуковой аэродинамической трубы Т-325 и ее применение в задачах по исследованию перехода// Доклады конференции “Устойчивость и турбулентность течений гомогенных и гетерогенных жидкостей“. Новосибирск, 2005. С. 170-173.

3.   Марпл.-мл. С.Л. Цифровой спектральный анализ и его приложения: Пер. с англ. - М.: Мир, 1990. - 584с.

Похожие работы на - Калибровка пьезорезистивного датчика абсолютного давления KPY – 43A № 034 с помощью весов рейтерного типа и проверка влияния электромагнитной помехи на его показания

 

Не нашли материал для своей работы?
Поможем написать уникальную работу
Без плагиата!
Без нейросетей!