Электропривод насосной установки
1. Аналитическая часть
1.1 Описание
технологического процесса
Для покрытия теплопотерь в блоках
теплиц предусмотрена комбинированная система отопления с попутным движением
теплоносителя.
Система отопления состоит из
отдельных элементов:
кровельный обогрев;
цокольный обогрев;
надпочвенный обогрев;
воздушное отопление;
Регулирование подачи теплоносителя в
систему водяного отопления производится путем воздействия датчика температуры,
установленного в контрольной точке, на регулирующий клапан, установленный на
подающей магистрали водяного отопления в узле ввода.
При этом обеспечивается заданная
температура воздуха в теплице. При понижении температуры воздуха больше чем на
2°С, автоматически включается воздушное отопление.
Данная система работает при условии
стабилизации давления в системе не ниже 5 кгч/см².
Насосный агрегат включает в себя
насосную установку с маслосистемой для смазки подшипников и центробежный насос,
приводимый в движение с помощью трехфазного асинхронного двигателя.
1.2 Параметры
центробежного насоса
- марка насоса - Д 630-90;
- рабочая среда - вода;
частота вращения, об/мин - 1450;
производительность, м³/с - 780;
номинальный напор, м - 85;
КПД насоса, µ - 75%;
разница между выходным и входным
давлением, м - 8.
1.3 Система
управления насосным агрегатом
Система управления насосным
агрегатом выполнена на серийном устройстве, которое обеспечивает работу
компрессорного агрегата в 3-х режимах: автоматическом - «А», полуавтоматическом
- «ПА», местном - «М» и отключает его в аварийных ситуациях при неисправности
приводов и сети.
При работе такой системы имеют место
отказы и сбои, поскольку внедрена она более 25 лет назад и за это время успела
порядком устареть.
1.4 Варианты выбора
новой системы управления
В устройстве привода центробежного
насоса используется асинхронный электродвигатель переменного тока с
короткозамкнутым ротором. С точки зрения капитальных затрат, возможны следующие
варианты выбора новой системы управления электропривода.
Замена электродвигателя переменного
тока электродвигателем постоянного тока, с использованием системы ТП-Д, для
управления двигателем по скорости. Для данного привода необходимы следующие
затраты:
- приобретение электродвигателя
постоянного тока с параметрами соответствующими действующему электродвигателю
переменного тока;
- приобретение тиристорного
преобразователя;
- демонтаж действующей
электромеханической системы;
монтаж новой
электромеханической части;
монтаж защитного
оборудования;
монтаж системы управления
ТП-Д;
настройка испытание
автоматической системы управления работой механизма.
Установка преобразователя частоты
для управления двигателем по скорости (без замены двигателя) и комплекта
вычислительной техники. Для данного варианта необходимы следующие затраты:
- приобретение
преобразователя частоты (без электродвигателей);
- приобретение контроллера
управления;
монтаж преобразователя
частоты и комплекта вычислительной техники;
монтаж контроллера
управления;
настройка, испытание
автоматической системы управления работой механизма;
В последнем варианте
предусматривается монтаж преобразователя частоты и комплекта вычислительной
техники, датчиков, настройка, испытание системы управления работой механизма
без остановки производства, в реальных условиях (на действующем механизме).
Все выше перечисленные шаги
выполняются без остановки производства, при необходимости работы с токоведущими
частями действующей схемы выполняются во время перерыва или плановой проверки.
Исходя из вышеперечисленных
вариантов выбора системы электропривода, наиболее рациональным является
применение существующего электродвигателя с использованием преобразователя
частоты.
Для подтверждения правильности
выбора преобразователя, рассмотрим разные способы управления скоростью
асинхронных двигателей.
1.5 Способы
регулирования скорости асинхронного двигателя
Способы регулирования скорости
асинхронного электропривода можно определить на основании анализа уравнения
механической характеристики двигателя:
где:ф -
фазное напряжение сети;
- приведённое к статору
сопротивление роторной цепи;
=
-
сопротивления обмотки ротора
и реостата
;1
- сопротивление обмотки статора;
ω0
=
-
угловая скорость поля статора;1 - частота сети;
р - число пар полюсов;=
-
скольжение;
ω - угловая
скорость ротора;
хк -
реактивное сопротивление короткого замыкания.
Из формулы следует, что
регулировать скорость асинхронного электропривода электрическим путём можно
изменением числа пар полюсов р, введением реостата в цепь ротора (Rp2),
изменением напряжения, приложенного к статорной обмотке и изменением частоты
питающей сети.
Изменением числа пар
полюсов обеспечивается ступенчатое регулирование синхронной угловой скорости
двигателя ω0.
Преимущество данного
способа - экономичность
Недостаток:
Cтупенчатое
управление скоростью двигателя. Перегрузочная способность двигателя
пропорциональна числу полюсов при заданной величине индукции. Для получения
заданной перегрузочной способности необходимо подбирать соотношения обмоток,
что достигается изменением фазного напряжения (соединение обмоток звездой или
треугольником) или числа витков (путем соединения отдельных частей обмоток
последовательно или параллельно). С целью получения одинаковой перегрузочной
способности при разном числе р применяются либо отдельные обмотки, либо полюсно
переключаемые обмотки статора с двойной звезды на треугольник или с двойной
звезды на звезду. Максимальный диапазон регулирования, обеспечиваемый
переключением числа пар полюсов, составляет 6: 1 при использовании независимых
обмоток.
Регулирование скорости
введением реостата в цепь ротора.
При данном способе
регулирования вся энергия скольжения выделяется в виде потерь в цепи
электродвигателя. Потери мощности в реостате при этом составят ΔР
= Рэ·S, где Рэ - электромагнитная мощность. Отсюда видно,
что потери мощности в двигателе пропорциональны относительному перепаду угловой
скорости. Недостатком этого способа является также уменьшение стабильности
скорости при ее снижении, относительно малый диапазон регулирования (2:1),
ступенчатость.
Регулирование скорости
изменением напряжения, приложенного к статорной обмотке. Система
«преобразователь напряжения - двигатель»
Одним из возможных
способов изменения скорости АД является изменение напряжения на выводах его
статора, при этом частота такого напряжения постоянна и равна частоте сети
переменного тока. Между выводами питающей сети и статора АД включен
преобразователь напряжения, при использовании которого изменяться напряжение,
подводимое к статору АД.
Недостатком такого
регулирования является резкое снижение критического момента по мере уменьшения
напряжения на обмотке статора АД.
Регулирование
скорости вращения АД изменением частоты питающего напряжения.
Частотный способ
является одним из наиболее перспективных и широко используемых в настоящее
время способов регулирования скорости АД. Принцип его заключается в том, что,
изменяя частоту f питающего АД напряжения, можно в соответствии с выражением (ω0=2πf1/p изменять его синхронную скорость ω0, получая тем самым
различные искусственные характеристики. Этот способ обеспечивает плавное
регулирование в широком диапазоне, получаемые характеристики обладают высокой
жесткостью. Частотный способ к тому же отличается и еще одним весьма важным
свойством: при регулировании скорости АД не происходит увеличения его скольжения,
как это имеет место, например, при реостатном регулировании; Поэтому при этом
способе регулирования потери скольжения, определяемые по (1.3), оказываются
небольшими, в связи с чем частотный способ наиболее экономичен.
ΔР2
= Р1 - Р2 = М·ω0 - М·ω = М·ω0·s = Р1·s
Для лучшего
использования АД и получения высоких энергетических показателей его работы -
коэффициентов мощности, полезного действия, перегрузочной способности -
одновременно с изменением частоты питающего напряжения необходимо изменять и
значение этого напряжения. Закон изменения напряжения при этом зависит от
характера момента нагрузки.
При выборе
соотношения между частотой и напряжением, подводимым к статору АД, часто
исходят из условия сохранения его перегрузочной способности λ, которая определяется
отношением критического момента двигателя Мк к моменту нагрузки Мс:
λ = Мк
/ Мс = const
Если пренебречь активным
сопротивлением статора и учесть, что хк ~ f1 и ω0 ~ f1, то согласно выражению:
можно записать (1.5) как:
λ =
=
const
где:
А - постоянная, не
зависящая от f1.
Из (1.5) следует, что
для любых значений частоты f1i и f1к должно соблюдаться
следующее соотношение:
где:
Мсi, Мск
- моменты нагрузки при скоростях АД, соответствующих частотам f1i и
f1к.
Отсюда следует основной
закон изменения напряжения при частотном способе регулирования скорости АД:
С помощью выражения
(1.7) могут быть получены частные законы изменения напряжения и частоты при
различных зависимостях момента нагрузки Мс от скорости.
При постоянном моменте
нагрузки Мс = const, при этом согласно (1.7), т.е. напряжение на
статоре должно изменяться пропорционально его частоте.
Для вентиляторного
характера момента нагрузки соотношение (1.7) имеет вид (1.9), а при моменте
нагрузки, обратно пропорциональном скорости, запишется в виде (1.11):
Uф / f1 = const
Uф / f12 = const
= const
На рисунке 1.6 приведены механические
характеристики АД при частотном регулировании скорости с выполнением
соотношения (1.9), где график 1 - U=Uн, f=1.3fн; 2 - U=Uн, f=fн; 3
- U=0.65Uн, f=0.65fн; 4 - U=0.3Uн, f=0.3fн.
Для частот ниже номинальной (fi <
fном) критический момент АД постоянен, что обеспечивает неизменную
перегрузочную способность двигателя.
Механические характеристики
двигателя при частотном регулировании скорости
При частотах выше номинальной (fi
> fном), когда по техническим условиям напряжение на статоре не
может быть повышено сверх номинального, критический момент АД снижается.
Необходимым элементом привода
является преобразователь частоты (и напряжения), на вход которого подаётся
стандартное напряжение сети U1 (220, 380 В и т.д.) промышленной
частоты f1 = 50 Гц, а с его выхода снимается переменное напряжение Uрег
регулируемой частоты fрег, значения которых находятся между собой в
определённых соотношениях, определяемых формулами (1.9 - 1.11) регулирование
выходной часты и напряжения преобразователя осуществляется с помощью
управляющего сигнала, изменение которого определяет в конечном итоге изменение
скорости АД.
1.6 Техническая
реализация преобразователей частоты
Различные типы преобразователей
частоты, которые нашли применение в области частотного асинхронного
электропривода, могут быть разделены на две группы, отличающиеся друг от друга
по используемым техническим средствам и структуре.
К первой группе
относятся так называемые машинные или вращающиеся преобразователи, в которых
для получения переменной частоты используются обычные или специальные
электрические машины.
Достоинства:
Применение преобразователя частоты позволяет плавно регулировать скорость
двигателей АД1-АДЗ в широком диапазоне.
Недостатки: Для
создания преобразователя необходимы четыре электрические машины, рассчитанные
на полную мощность потребителей (группы АД), что определяет громоздкость
установки и ее дороговизну, особенно при больших мощностях нагрузки. Двойное
преобразование энергии - энергии переменного тока частоты f1 = 50 Гц
в энергию постоянного тока и далее опять в энергию переменного тока
регулируемой частоты - сопровождается выделением потерь энергии во всей цепи
преобразования, что определяет невысокий КПД системы.
Большое развитие,
особенно в последнее время, получил другой тип преобразователей частоты - так
называемые статические преобразователи. Название это они получили потому, что
система построена на статических элементах и устройствах, таких, как
полупроводниковые приборы, конденсаторы и т.д. Развитие статических
преобразователей частоты особенно ускорилось в связи с появлением новых силовых
полупроводниковых приборов: тиристоров и транзисторов. Большое внимание,
которое уделяется вопросу создания регулируемых статических преобразователей частоты,
Определяется теми высокими технико-экономическими показателями, которые
приобретает регулируемый частотный электропривод в случае их использования.
Повышаются КПД системы регулирования (он достигает 0,85-0,9) и ее
быстродействие, устраняется шум при работе.
Все статические ПЧ
делятся на две группы:
ПЧ с
непосредственной связью питающей сети и нагрузки;
преобразователи с
промежуточным звеном постоянного тока.
ПЧ состоит из
силовой части и схемы управления. В силовую часть ПЧ, которая осуществляет
преобразование электрической энергии переменного тока стандартных напряжения U1
и частоты f1 в энергию переменного тока с регулируемыми напряжением
Uрег и частотой fрег, входят тиристоры и в некоторых
случаях согласующие трансформаторы. Схема управления обеспечивает управление
тиристорами силовой части ПЧ с помощью импульсов, подаваемых на управляющие
электроды тиристоров в нужный момент времени.
Достоинства:
Рассматриваемый ПЧ позволяет и плавно регулировать выходную частоту fper.
Это достигается тем, что между моментом снятия управляющих импульсов с группы
тиристоров VS1-VS3 и моментом подачи импульсов на тиристоры группы VS4-VS6
искусственно вводится временная пауза Δtп. Плавно регулируя паузу
Δtп, можно плавно изменять выходную частоту fper.
Недостатки: Определенным
недостатком схемы является необходимость наличия нулевого вывода трансформатора
и нагрузки.
Поэтому на практике
распространение получили и так называемые мостовые схемы ПЧ, в которых нулевой
провод отсутствует. Схема может быть превращена в мостовую, если устранить в
ней нулевой провод. В этом случае каждая фаза ПЧ уже не может работать
независимо от остальных, как это было ранее, и требует согласования с работой
других фаз.
На рис. 1.3 представлена блок-схема
силовой части преобразователя с промежуточным звеном постоянного тока (так
называемый U - инвертор).
Схема ПЧ со звеном
постоянного тока
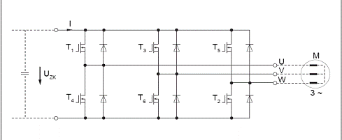
Выпрямитель состоит
из неуправляемого одно или трехфазной мостовой схемы. Однофазная версия
используется только для низких мощностей. Выпрямитель преобразует переменное
напряжение сети в постоянное напряжение. Далее оно сглаживается в промежуточном
контуре конденсатором, в идеальном случае напряжение промежуточного контура
составляет: UZK = √2.
Во время зарядки конденсатора
промежуточного контура протекает очень большой кратковременный ток. Это может
вывести из строя входной предохранитель или, даже, выпрямитель. Ток зарядки
должен быть ограничен допустимой величиной. Это достигается включением
балластного резистора R последовательно с конденсатором, который активизируется
только при включении преобразователя. После зарядки конденсатора резистор
выключается, например, контактным реле.
Большая емкость конденсатора
требуется для сглаживания напряжения промежуточного звена. После выключения
инвертора из сети, конденсатор сохраняет высокое напряжение в течении
определенного времени. Это отображается зарядным светодиодом. Основное
назначение преобразователя частоты - это получение переменного по частоте и
амплитуде напряжения для управления трехфазным асинхронным двигателем. Поэтому
на выходе устанавливается инвертор.
Автономные
инверторы делятся на два класса - инверторы напряжения и тока. Автономные
инверторы напряжения (АИН) имеют в качестве источника питания источник
напряжения. Если АИН питаются от управляемого выпрямителя, то на выходе выпрямителя
для этого устанавливается конденсатор большой емкости. В результате АИН имеет
жесткую внешнюю характеристику, т.е. с изменением тока нагрузки напряжение АИН
практически не изменяется. Вследствие таких свойств при использовании АИН
управляющими воздействиями на асинхронный двигатель являются частота и
напряжение.
Для получения
качественных статических и динамических характеристик асинхронного
электропривода с АИН применяются различные обратные связи - по скорости АД, его
магнитному потоку или их сочетанию.
Достоинства АИН:
Независимость
выходного напряжения от частоты и момента нагрузки. Это упрощает формирование
необходимых законов частотного регулирования.
Схема ПЧ со звеном
постоянного тока и АИН
Автономные инверторы
тока (АИТ) рисунок (1.5) обладают свойствами источника тока, для чего их
питание осуществляется от источника тока. При использовании в качестве
источника питания управляемого выпрямителя на его выходе для придания ему
такого свойства устанавливается дроссель с большой индуктивностью. При
использовании АИТ управляющими воздействиями на АД являются частота и ток
статора.
Назначение
тиристоров, диодов и конденсаторов УВ и АИТ такое же, как и для схемы рисунке
(1.4). Остальные элементы схемы имеют следующее назначение:
СУВ и СУИ - схемы
управления тиристорами УВ и АИТ;
РТ - регулятор тока
статора;
ДГ - датчик тока
статора;
ДС - датчик
скорости
УО -
усилитель-ограничитель;
ФП - функциональный
преобразователь.
Асинхронный
электропривод с АИТ
Работа схемы происходит
следующим образом.
Задающий сигнал Uз,с
определяет частоту переключения тиристоров АИТ и тем самым частоту тока статора
АД. После вычитания из задающего сигнала Uз,с сигнала обратной связи
по скорости Uω получается сигнал Uβ,
пропорциональный относительной частоте ротора β = f2/f1
ном (величину β называют также абсолютным скольжением).
Она связана со
скольжением АД следующим соотношением: β = α·s, где
α = f2/f1
ном. Сигнал Uβ, пройдя через УО, вместе с сигналом Uω
поступает на выход СУИ. Частота на выходе АИТ определяется сигналом Uωs
= Uω+ Uβ;
СУИ настроена таким
образом, что, пока УО работает в линейной зоне, частота на выходе АИТ постоянна
и не зависит от нагрузки:
Uωs
= Uз,с
Двигатель имеет при этом
жесткие механические характеристики.
Сигнал Uβ после прохождения через
ФП является так же задающим сигналом для контура регулирования тока. Так как
этот сигнал пропорционален абсолютному скольжению, то и ток АД при всех
частотах будет ему пропорционален.
При резких
изменениях задающего сигнала или при перегрузке АД УО входит в зону ограничения
(постоянства) своего выходного сигнала Uβ, ограничивая тем самым на требуемом уровне и задание для тока.
Двигатель работает при любой скорости в этом режиме с постоянными значениями
тока и абсолютного скольжения, т.е. механическая характеристика АД становится
абсолютно мягкой.
Примерные
механические характеристики электропривода, выполненного по схеме рисунке (1.
4,1.5), приведены на рисунке (1.6).
Механические
характеристики асинхронного электропривода с АИТ и АИН
При торможении АД с
рекуперацией энергии в сеть АИТ переходит в режим выпрямителя, а УВ - в режим
ведомого сетью инвертора.
Сопоставим теперь
два рассмотренных вида ПЧ - с непосредственной связью и со звеном постоянного
тока. Основное преимущество ПЧ с непосредственной связью состоит в его более
простой силовой схеме с меньшим числом элементов, поскольку для его работы не
требуется управляемого выпрямителя, коммутирующих цепей, а также элементов
контура реактивной мощности. В соответствии с этим и надежность его работы
может оказаться выше, чем у ПЧ со звеном постоянного тока. Однако, в свою
очередь, ПЧ с непосредственной связью имеют очень существенный недостаток, уже
отмеченный выше: максимальное значение выходной регулируемой частоты не
превосходит практически 40% частоты питающей сети, что ограничивает область их
применения в регулируемом электроприводе.
- частотное
управление является экономичным, так как регулирование скорости АД в этой
системе не сопровождается выделением больших потерь скольжения в роторной цепи,
ухудшающих КПД электропривода и приводящих к необходимости завышения мощности
АД;
синусоидальность
входного и выходного тока;
регулирование в
этой системе может осуществляться плавно, в широком диапазоне, в обе стороны от
естественной характеристики, т.е. АД может иметь скорость как больше, так и
меньше номинальной. При этом регулировочные характеристики имеют высокую
жесткость, а АД сохраняет большую перегрузочную способность.
коэффициент
мощности, близкий к 1;
высокое
быстродействие;
наличие
энергосберегающих и малошумных алгоритмов управления;
высокая надёжность;
использование
простых, дешёвых и надёжных асинхронных двигателей, которые практически не
требуют обслуживания;
наличие системы
самодиагностики;
простота интеграции
в системы автоматизации высшего уровня;
приемлемые
массогабаритные показатели;
широкий набор
функций, которые задаются пользователем;
- система не требует высоких
капитальных и эксплуатационных затрат.
Система «частотный преобразователь -
двигатель» удовлетворяет всем выше перечисленным требованиям.
В настоящее время в связи с
развитием микропроцессорной техники и резким удешевлением статических
преобразователей частоты целесообразно использование системы преобразователь
частоты - асинхронный двигатель с короткозамкнутым ротором (ПЧ-АД).
2.
Основная часть
2.1 Задача исследования
В настоящее время все большее
распространение получают системы электропривода на базе асинхронного двигателя
с короткозамкнутым ротором (АД). Известно, что главным преимуществом АД в
регулируемом электроприводе является простота конструкции. Здесь нет никаких
скользящих контактов, а единственный узел, требующий периодического контроля -
это подшипники.
Несмотря на видимую сложность
процесса электромеханического преобразования энергии в АД, использование
принципа векторного управления позволяет раздельно формировать потокосцепление
ротора и моментообразующую составляющую вектора токов статора, что делает
управление АД аналогичным управлению двигателем постоянного тока независимого
возбуждения.
Исследование системы
привода преобразователь частоты - асинхронный двигатель с короткозамкнутым
ротором производится с помощью математической модели с целью получения
энергетических и динамических характеристик привода при различных условиях
моделирования, и их анализа.
2.2 Математическое
описание двигателя и системы управления
Математическое описание АД
ограничивается представлением лишь наиболее важных взаимосвязей. По этой
причине для получения более удобного анализа описания АД принимаются некоторые
допущения, которые и предопределяют возможность выше изложенной замены:
магнитная цепь машины имеет высокую
магнитную проницаемость и не насыщается, отсутствует эффект гистерезиса, нет
потерь в стали, т.е. энергия магнитного поля сосредоточена в воздушном зазоре;
принимается однородное
синусоидальное распределение магнитного поля вдоль магнитного зазора;
машина имеет симметричное строение и
все фазы имеют одинаковое количество витков;
воздушный зазор машины постоянный;
не учитывается емкость внутри
обмоток и между ними, и как следствие, и энергия электростатического поля;
потери в стали статора и ротора
отсутствуют;
отсутствует явление вытеснения тока
в проводниках.
Асинхронный двигатель можно
представить как совокупность сложных электрических и магнитных цепей, которые
содержат участки с разными магнитными проницаемостями. При исследованиях и
инженерных расчетах пользуются упрощенным воображением о физических процессах в
машине, приблизительно учитывая, а в некоторых случаях, вообще не учитывая
влияние насыщения магнитной цепи, эффекта вытеснения тока и других факторов.
Уравнение, записанное с такими предположениями, является приблизительной
математической моделью реального двигателя. Но во многих случаях они описывают
явления в двигателе с достаточной для практики точностью, при условии, что все
параметры двигателя тщательно определены.
Совокупность магнитно-связанных
электрических цепей, которые представляют собой электрический двигатель,
характеризуется тем, что их коэффициенты взаимной индукции имеют части, которые
периодически изменяются. При составлении уравнений учитывают только первую
гармоничную составляющую коэффициентов индуктивностей обмоток. Для исключения
части коэффициентов, которые периодически изменяются, используется замена
реальных фазных значений проекциями обобщенных векторов на оси координатной
системы, которая наиболее удобная для исследований.
Математические модели АД создаются с
помощью математического описания процессов в нем. При этом для каждого частного
случая применяется математическое описание, при котором все сменные
представлены в системе координат, которая наиболее удобная для построения
модели объекта.
Предполагается, что управляющее
напряжение статора формируется с помощью транзисторного инвертора с ШИМ,
частота коммутации которого достаточна для рассмотрения силового
преобразователя как идеального усилителя.
При инвертировании постоянного тока
в переменный в ПЧ используются транзисторы, которые работают в переключающем
режиме.
В начале 90-х доминировали
биполярные транзисторы с относительно малыми частотами переключения, до 2 кГц.
Сегодня, используется полевые транзисторы с низкими потерями, а также IGBT
транзисторы. Эти типы транзисторов обеспечивают частоты переключения до 16 кГц
с очень низким уровнем шума.
Коммутационная схема инвертирования
представлена на рис 2.1.
Рисунок 2.1 - Коммутационная схема
инвертирования
Как видно из рис. 2.1, ток через
обмотку двигателя может протекать только тогда, когда, по меньшей мере, однин
из верхних (T1, T3 и T5) и один из нижних транзисторов (T4, T6 and T2)
включены. Одновременно включены три транзистора.
2.2.1 Преобразователи
координат и фаз
Синтез алгоритма управления АД может
производиться в любой системе координат. Но концепция управления АД с
ориентацией по полю двигателя [12] как метод решения процессов управления
потоком и моментом АД, более наглядно представляется в системе координат,
которая вращается синхронно с вектором потокосцепления ротора (d, q). Если
определить как угол, который задает пространственное положение системы
координат (d, q) относительно стационарной системы координат статора (α, β), получим
преобразование, которые устанавливают связь между естественными и
преобразованными переменными, в виде:
где X - любой двухмерный
вектор переменных электрического двигателя.
Кроме того при
построении реальных систем электропривода используются преобразователи фаз 2/3
и 3/2.
Первые преобразовывают
токи iα, iβ в фазные токи ia, ib, ic в
соответствии с выражениями.
Вторые преобразовывают
фазные токи ia, ib, ic в проекции iα,
iβ в соответствии с выражениями:
Для создания глубоко
регулируемого высоко-динамичного электропривода (ЭП) наиболее целесообразным
методом управления является векторное управление с ориентацией по вектору
потокосцепления ротора [13]. Функциональная схема такого ЭП в этом случае имеет
наименьшее число перекрестных связей, а выражение момента асинхронного
электродвигателя с короткозамкнутым ротором (АД) и скорости сравнительно
просты. При этом наиболее просто осуществляется регулирование скорости при
стабилизации потокосцепления ротора.
Измерение
потокосцепления не всегда возможно или желательно, так как требует установки в
АД соответствующих датчиков и, корме того при снижении частоты вращения
отношение полезного сигнала к шуму на выходе датчиков снижается настолько, что
их использование становится невозможным.
Потокосцепление можно
определить не прибегая к измерению магнитного потока. Достаточно измерить токи
статора и угловую частоту вращения ротора. Вычисление модуля вектора
потокосцепления ротора и его текущего значения его аргумента производится в
блоке вектор-анализатора. Входными величинами являются токи статора в неподвижной
системе координат iα и iβ и угловая частота вращения ротора ω. Выходными
- модуль вектора потокосцепления ротора |y 2|=y 2d и,
если требуется, текущее значение его аргумента. Для вращающейся системы их
связь с потокосцеплением ротора определяется выражениями (2.4).
Функциональная схема
привода с регулятором момента в которой реализованы данные преобразования
представлена на рис. 2.3.
Рисунок 2.2.
Функциональная схема системы привода
2.2.2 Модель АД в
системе координат, ориентированная по вектору потокосцепления ротора (d, q)
Для того чтобы
направление действительной оси ортогональной системы координат в любое время
совпадало с направлением обобщенного вектора потокосцепления ротора, система
координат должна вращаться синхронно с этим вектором. Вектор потокосцепления
ротора в ней будет иметь только действительную составляющую. Обозначим
действительную ось этой системы координат d, а мнимую - q. Тогда математическое
описание АД в этих координатах будет иметь вид
Модель в системе
координат (d, q) стала основной для разработки системы векторного управления
короткозамкнутым АД [13]. Поэтому в дополнение к предусловиям (2.5) прибавим:
При питании обмоток
статора АД от источника напряжения система векторного управления имеет обратные
связи по составляющим тока статора и по потокосцеплениям ротора. Поэтому еще
одним условием для разработки этой модели будет наличие в ней пересчитанных
сигналов.
Запишем уравнение в
обобщенных векторах с учетом уравнений (2.5) и (2.6):
Для того чтобы
обеспечить оговоренный ранее состав сигналов модели, найдем обобщенный вектор
тока ротора:
После подстановки
уравнений (2.8), (2.9) в систему (2.7) получим:
В последнем уравнении
обозначено:

Преобразуем (2.12) и
(2.13) с учетом (2.5) в систему
Обозначим:
Перепишем
дифференциальные уравнения в операторной форме:
Присоединив к системе
(2.16) уравнение формирования электромагнитного момента (2.17) и уравнение
движения (2.10), получим модель короткозамкнутого АД (рис. 2.4).
Именно эта модель может
быть применена для полеориентованного векторного управления, так как, если не
учитывать внутренних обратных связей двигателя, она очень похожа на модель
двигателя постоянного тока с независимым возбуждением.
2.3 Расчет параметров
модели
Индуктивность статора:
Индуктивность ротора:
Коэффициент связи
статора и ротора:
Индуктивность рассеяния
двигателя:
Приведенное
сопротивление двигателя:
Электромагнитная
постоянная времени:
Постоянная времени
статора:
Коэффициент усиления
обратной связи по току:
Коэффициент передачи
обратной связи по скорости:
Коэффициент передачи
обратной связи по потокосцеплению:
Коэффициент усиления
преобразователя частоты:
Коэффициент передачи
цепи задания момента:
2.3.1 Параметры
настройки регуляторов
Преобразователь частоты
реализован как инерционное звено с коэффициентом усиления Кп и постоянной
времени Тμ. Передаточная функция преобразователя имеет вид:
Настройка системы
производится последовательно от внутреннего контура к внешнему.
Передаточная функция
разомкнутого контура тока с учетом преобразователя имеет вид согласно (2.32);
тогда передаточная функция регулятора тока для замкнутого по отрицательной
обратной связи контура с настройкой по модульному оптимуму должна иметь вид
(2.33)
Передаточная функция
разомкнутого контура потокосцепления с учетом преобразователя и регулятора тока
имеет вид (2.34), тогда передаточная функция регулятора тока для замкнутого по
отрицательной обратной связи контура с настройкой по модульному оптимуму должна
иметь вид (2.35).
Передаточная функция
разомкнутого контура скорости с учетом преобразователя и регулятора тока имеет
вид (2.36), тогда передаточная функция регулятора тока для замкнутого по
отрицательной обратной связи контура с настройкой по модульному оптимуму должна
иметь вид (2.37).
Передаточная функция
регулятора тока задания с учетом коэффициентов передачи обратных связей по току
и потокосцеплению и цепи задания момента имеет вид (2.38).
Выводы
В данном проекте был изучен
технологический процесс, назначение и основные данные оборудования
Криворожского тепличного комбината, участок насосно-отопительной станции и
средств автоматизации.
На основании данных выбран двигатель
насосной установки типа ВАО3315МН, мощностью - 250 кВт, скоростью 1450 об/мин,
преобразовательный агрегат MICROMASTER 440 (фирмы SIMENS) и микроконтроллер SIMATIC S7-200.
На основании требований к системе
регулирования определены параметры регуляторов тока и скорости. Выполнено
моделирование разработанной системы. Результаты моделирования: время
переходного прочеса 0,2 с, перерегулирование 4%, погрешность 0%.
Предложена система автоматизации,
обеспечивающая:
Работу насосной установки в:
автоматическом режиме.
Отключение насосной установки в
экстренных случаях.
достаточно большой КПД системы.
Выбраны современные технические
средства для решения задачи: преобразовательный агрегат MICROMASTER 440, микроконтроллер
SIMATIC S7-200, комплект датчиков скорости и давления.
Просчитана экономия электроэнергии
за год, которая. составляет около 303 МВт
Окупаемость проекта составляет -
1,45 года, что является вполне приемлемым показателем.
отопление насос двигатель электропривод
Перечень ссылок
1. Автоматизированный электропривод типовых производственных
механизмов и технологических комплексов: Учебник для вузов / М.П. Белов, В.А.
Новиков, Л.Н. Рассудов. 2-е изд., стер. М.: Издательский центр «Академия»,
2004. 576 с.
2. Справочник оп автоматизированному электроприводу / Под
ред. В.А. Елисеева и В.А. Шинянского. М.: Энергоиздат, 1982.
. Электрический привод: Учеб. Пособие для сред. Проф.
Образования / Владимир Валентинович Москаленко. 2-е изд., стер. М.:
Издательский центр «Академия», 2004. 368 с.
. Теория электропривода (часть 1). Методическое пособие для
самостоятельной работы студентов. Кривой Рог 2002 г.
. Системы автоматизированного управления электропривода:
Учебник. - М.: ИНФРА-М, 2004 с. - (Серия «Средне профессиональное
образование»).
. Дослідження систем електропривода методами математичного
моделювання: Навч. Посібник /С.М. Довгань. - Дніпропетровськ: НГА України,
2001.-137 с.
. Асинхронные двигатели серии 4А: Справочник / А90 А.Э.
Кравчик, М.М. Шлаф, В.И. Афонин, Е.А. Собеленская. - М.: Энергоиздат, 1982. -
504 с., ил.
. Герман-Галкин С.Г. Компьютерное моделирование
полупроводниковых систем в MATLAB 6.0: Учебное пособие. - СП6.: Корона принт, 2001.-320 с., ил.
. Инструкция по эксплуатации насосной установки участка
теплоснабжения теплиц. 148-07-2003.
. Конспект лекций по предмету «Основы метрологии и
электрические измерения», часть 1; 1997. - 166 с.