Автоматизированный частотный электропривод насосной установки
МИНОБРНАУКИ
РОССИИ
ГОУ
ВПО
«БЕЛГОРОДСКИЙ
ГОСУДАРСТВЕННЫЙ ТЕХНОЛОГИЧЕСКИЙ УНИВЕРСИТЕТ им. В. Г. ШУХОВА»
Кафедра
электротехники и автоматики
Курсовой проект
на
тему: «Автоматизированный частотный электропривод насосной установки»
Выполнил: студент гр.
ЭА-51
Митрохин П.Н.
Руководитель: Авербух
М.А.
Белгород
2013
1. Краткое описание технологического
процесса
В качестве оборудования, где
необходимо применение регулируемого электропривода была взята насосная
установка.
Применение насосных установок
различное: поднятие жидкости на определенную высоту, подача ее на необходимое
расстояние в горизонтальной плоскости или циркуляция воды в какой-либо
замкнутой системе.
Схема поднятия воды на высоту
представлена на рис 1.1.:
Рис. 1.1 Гидравлическая схема
насосной системы.
где: 1 - напорный трубопровод; 2 -
задвижка; 3 - обратный клапан; 4 - насос; 5 - приемный клапан; 8 - всасывающий
трубопровод; H - полная высота подъема.
2. Исходные данные для
проектирования
Исходные данные принимаются в
соответствии задания для курсового проектирования.
Исходные данные представлены в табл.
2.1.
|
H0н, м
|
Hм, м
|
Нс, м
|
Qм, м3/ч
|
|
28
|
20
|
1,4
|
35
|
Принимаем кинематическую схему
установки, представленную на рис. 2.1.
Рис. 2.1 Кинематическая схема
насосной установки
.1 Расчет и выбор мощности насоса и
электродвигателя, построение гидравлических характеристик
Расчет и выбор мощности насоса.
Ориентировочная мощность насоса определяется
по формуле [1]:
где 
- максимальный расход, 
/с; 
- максимальный напор,
м; 
=1000 кг/м3 -
плотность вещества; 
=9,81 
/
- ускорение свободного
падения;
- КПД насоса.
Выбираем насос исходя из
следующего условия:
Согласно условию выбора
(2.2) выбираем насос Grundfos TP 100-240/2 [2].
Параметры насоса:TP
65-190/2
Расчет и выбор мощности двигателя.
Ориентировочная мощность насоса
определяется по формуле [1]:
где
=1,4 - коэффициент
запаса; 
- номинальная мощность
насоса, Вт;

0,9 - КПД двигателя.
Выбираем двигатель
исходя из следующего условия:
Согласно условию выбора
(2.4) выбираем электродвигатель серии АИР [3].
Параметры двигателя:
4А80В2УЗ
|
Номинальная мощность, кВт
|
Pн дв
|
2,2
|
|
Номинальная частота вращения, об/мин
|
nн дв
|
2850
|
|
Синхронная частота вращения, об/мин
|
n1
|
3000
|
|
Номинальный ток, А
|
Iн дв
|
4.616
|
|
Линейное напряжение, В
|
U1н дв
|
380
|
|
Частота сети, Гц
|
f1
|
50
|
|
к.п.д.
|
|
0,83
|
|
Коэффициент мощности
|
|
0,87
|
|
Число пар полюсов
|
pп
|
1
|
|
Момент инерции, кг∙м2
|
Jдв
|
0,021
|
|
Кратность пускового тока
|
ki
|
6,5
|
|
Кратность пускового момента
|
kп
|
1.2
|
|
Кратность критического момента
|
kм
|
2
|
Построение гидравлических
характеристик насоса и сети.
Характеристика насоса [1]:

где 
- напор насоса, м; 
- напор насоса при
расходе равным нулю, м; 
- номинальная скорость
вращения двигателя, рад/с; ω - скорость вращения
двигателя, рад/с; Q - расход насоса, м3/с; С - конструктивный
коэффициент насоса, определяемый по формуле (2.6).


Характеристика
магистрали [1]:
где 
- статический напор; R
- коэффициент сопротивления магистрали, определяемый по формуле (2.8).
Построим гидравлическую
характеристику:
1) 
- характеристика
насоса;
при ω=
:

при ω=
:

) 
- характеристика
магистрали.
Рис. 2.2 Гидравлические
характеристики насоса и сети
3. Выбор силовых элементов системы
ППЧ-АД
.1 Выбор силового преобразователя
частоты
Так как для привода насоса
используют высокоскоростной асинхронный двигатель, то примем преобразователь
частоты с промежуточным звеном постоянного тока. На рис. 3.1 представлена
укрупненная схема электропривода насоса по системе ППЧ-АД.
Рис. 3.1 Принципиальная схема
системы ППЧ-АД с промежуточным звеном постоянного тока
ПЧ выбираем из следующего условия:
Полная номинальная мощность
двигателя, потребляемая из сети, определяется по формуле:
Согласно условию выбора (3.1)
выбираем преобразователь Mitsubishi F740-00052 EC
Технические характеристики преобразователя
представлены в табл. 3.1
|
Модель преобразователя
|
F740-00052 EC
|
|
Номинальная мощность двигателя, кВт
|
Рн пр
|
5,5
|
|
Выход
|
Полная мощность преобразователя, кВ∙А
|
Sн пр
|
9,6
|
|
Номинальный выходной ток, А
|
Iн пр
|
12
|
|
Выходное напряжение, В
|
Uпр вых
|
3-х фазное 0-380
|
|
Выходная частота, Гц
|
fвых
|
0,5-400 Гц
|
|
Вход
|
Номинальный входной ток, А
|
Iвх пр
|
14
|
|
Номинальное входное напряжение, В
|
Uвх пр
|
380-480 В, -15%/+10%
|
|
Номинальная частота сети, Гц
|
f
|
50 / 60 Гц ± 5%
|
Рис. 3.2 Схема внешних подключений
для преобразователя частоты VFD-B
Преобразователь имеет следующие
характеристики:
· Метод управления:
) скалярное управление U/f;
2) векторное управление;
· Пусковой момент:
150% на 1 Гц;
· Перегрузочная
способность: 150% от номинального тока в течение 1 мин.;
· Автоматическая
компенсация момента и скольжения;
· Стабилизация
напряжения на двигателе;
· Связь по MODBUS (до
38400 бит/сек).
.2 Выбор согласующего дросселя
Для двигателей мощностью меньше 15
кВт для согласования преобразователя частоты с сетью выбирают сглаживающий
дроссель. Сетевой трёхфазный дроссель на входе преобразователя служит для
увеличения коэффициента мощности и компенсации прерывистых токов.
Согласующий дроссель выбираем из
следующего условия:
где 
- номинальное
напряжение дросселя;

- номинальный ток
дросселя.
Согласно условию выбора
(3.3) выбираем согласующий дроссель S43E.
Технические данные
дросселя представлены в табл. 3.2
|
Тип дроселя
|
Индуктивность, мГн
|
Номинальное напряжение дросселя, В
|
Номинальный ток дросселя, А
|
|
VFD022S43E
|
11,8
|
400
|
5,3
|
.3 Выбор автоматического выключателя
Автоматический выключатель
предназначен для проведения тока в нормальном режиме и отключения тока при
перегрузках и коротких замыканиях, нечастых оперативных коммутаций
электрических цепей, а так же для защиты электрических цепей при снижении
напряжения до недопустимой величины.
Условие выбора автоматического
выключателя имеет вид:
где IАВотк - ток
отключения автоматического выключателя;

- действующее значение
тока трёхфазного к.з.
Принимаем 
В соответствии заданного
условия (3.4) принимаем автоматический выключатель VFD022S43E фирмы ABB [6]:
Технические
характеристики автоматического выключателя STOS203 C16 представлены в табл.
3.3.
|
Тип
|
VFD022S43E
|
|
Номинальное напряжение сети, В
|
380
|
|
Номинальный ток, А
|
6
|
|
Номинальная частота, Гц
|
50
|
4. Обоснование закона управления при
частотном способе управления
.1 Сравнительный анализ существующих
законов управления
Существует три метода частотного
управления:
· скалярное;
· векторное;
· прямое управление
моментом (разновидность векторного управления).
Скалярное управление применяется для
«спокойной» нагрузки, диапазон регулирования D = 5: 1 при разомкнутой системе,
и D = 20: 1 при замкнутой. Отличительной особенностью скалярного управления
является то, что управление происходит по модулю величин со стабилизацией
регулируемых параметров в статике. Недостаток скалярного управления в том, что
невозможно контролировать параметры в динамике (ψ,
i, M).
Векторное управление применяется в
основном для механизмов с резко изменяющейся нагрузкой или где необходимо
высокая стабилизация скорости и большой диапазон регулирования.
Прямое управление моментом
применяется для механизмов, работающих на «упор», и там где необходимо
формировать экскаваторную характеристику.
Приведем параметры различных методов
частотного управления в виде таблицы:
|
Параметры
|
Законы частотного управления
|
|
Скалярное регулирование
|
Векторное регулирование
|
Прямое управление моментом
|
|
  прямоеКосвенное
|
|
|
|
|
|
|
Диапазон регулирования (D)
|
100: 1
|
20: 1
|
10: 1
|
1000: 1
|
10: 1
|
100: 1
|
|
Плавность регулирования
|
плавное
|
Плавное
|
плавное
|
плавное
|
Плавное
|
плавное
|
|
Стабильность скорости при регулировании
|
невысокая
|
Невысокая
|
невысокая
|
высокая
|
Невысокая
|
высокая
|
|
Статическая точность, %
|
±(1-3)
|
±(1-5)
|
±(1-5)
|
±0,01
|
±0,1
|
±0,01
|
|
Динамическая точность, %
|
3
|
3,5
|
3,5
|
0,3
|
0,5
|
0,3
|
|
Характер нагрузки
|
Мс = const без наброса момента
|
Мс = k∙ω2
без наброса момента
|
Мс = k∙ω-1
без наброса момента
|
Мс = f(ω) с
резким измен. момента
|
Мс = f(ω) плавное
изменение момента
|
Мс - экскаваторная характеристика работа на упор
|
|
Коэффициент мощности (cosφ)
|
0.9
|
0.85
|
0.82
|
≈ 1.0
|
0.92
|
0.95
|
|
КПД (η)
|
0.9
|
0.86
|
0.85
|
0.92
|
0.9
|
0.9
|
|
Капитальные затраты
|
1.0
|
1.0
|
1.0
|
1.4
|
1.2
|
1.3
|
|
Система управления
|
Разомк./ Замкн.
|
Разомк./ Замкн.
|
Разомк.
|
Замкн.
|
Разомк./ Замкн.
|
Замкн.
|
|
|
|
|
|
|
|
|
|
|
|
|
|
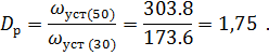
Определяем требуемый диапазон
регулирования по формуле:
Следовательно требуемый диапазон
регулирования Dтр= 2: 1, но для большей надежности и стабильности
принимаем Dтр= 5: 1.
Предварительно выбираем разомкнутую
систему скалярного регулирования исходя из:
· нагрузка «спокойная»
(Мс = kω2 - вентиляторная
нагрузка центробежных насосов);
· диапазон
регулирования Dтр= 5: 1.
На основании выше перечисленного и
табличных данных принимаем скалярный закон управления:
4.2 Обоснование выбранного закона
управления
Производим обоснование и проверку
выбранного закона управления на основании статических характеристик
электропривода.
Для построения статических
характеристик рассчитываем параметры схемы замещения [7] (рис 4.1.).
автоматизированный частотный
электропривод насосный
Рис.4.1 Схема замещения
электропривода
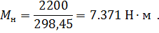
1. Определение номинального
фазного тока статора:
. Определение номинального
скольжения:
. Определение синхронной и
номинальной угловой скорости:
. Определение номинального
момента:
. Определение номинальных
потерь мощности:
. Номинальные механические
потери:
. Добавочные потери,
связанные с вращением двигателя:
. Момент холостого хода:
. Электромагнитный момент:
. Номинальные переменные
потери в роторе:
. Коэффициент загрузки
двигателя принимаем:
. Определение номинальных
переменных потерь в двигателе:
. Определение номинальных
постоянных потерь:
. Определение номинальных
переменных потерь в статоре:
. Активное сопротивление
фазы статора:
. Максимальный
электромагнитный момент:
. Коэффициент, имеющий
размерность сопротивления:
. Полное расчетное
сопротивление:
. Приведенное активное
сопротивление ротора:
. Индуктивное сопротивление
короткого замыкания:
. Коэффициент в формуле
Клосса:
. Индуктивные сопротивления
статора и ротора:
. Определение тока холостого
хода:
. Потери в стали:
. Активное сопротивление
ветви намагничивания:
.
. Индуктивное сопротивление
ветви намагничивания:
В соответствии рассчитанных
параметров строим естественную характеристику, используя следующие формулы:

s);
Изменяя значение
скольжения от нуля до критического, определим точки скорости и момента для
построения характеристик и запишем получившиеся данные в табл. 4.2.
|
s
|
0
|
0,011
|
0,031
|
0,052
|
0,073
|
0,1
|
0,114
|
0,135
|
0,156
|
0,177
|
0,208
|
|
ω
|
314,16
|
310,9
|
304,4
|
297,9
|
291,3
|
284
|
278,2
|
271,7
|
265,1
|
258,6
|
248,8
|
|
M
|
0
|
1,789
|
5,005
|
7,727
|
9,969
|
11,7
|
13,18
|
13,76
|
14,69
|
15,36
|
16,12
|
Учитывая, что при регулировании
(изменении частоты) должно выполняться условие:
определяем коэффициент
пропорциональности при номинальных значениях по формуле:
Изменяя частоту (
) строим искусственные
характеристики с учетом того, что напряжение (
), угловая скорость
вращения поля (
) и индуктивные
сопротивления (
и 
) меняются в
соответствии с формулами:















Вследствие этого
изменятся критические скольжения:
В соответствии формул (4,29) и
(4,30) построим механические характеристики для частот 30, 40 и 60 Гц.
Результаты расчетов запишем в табл. 4.3.
|
40Гц
|
30Гц
|
60Гц
|
|
Sk=
|
0,303
|
|
Sk=
|
0,377
|
|
Sk=
|
0,214
|
|
S
|
w
|
M
|
S
|
w
|
M
|
S
|
w
|
M
|
|
0
|
251,327
|
0
|
0
|
188,496
|
0
|
0
|
376,991
|
0
|
|
0,01515
|
247,5194
|
1,319074
|
0,01885
|
184,9429
|
0,512531
|
0,0107
|
372,9572
|
3,174689
|
|
0,0303
|
243,7118
|
2,513988
|
0,0377
|
181,3897
|
0,967848
|
0,0214
|
368,9234
|
6,120172
|
|
0,04545
|
239,9042
|
3,585916
|
0,05655
|
177,8366
|
1,369225
|
0,0321
|
364,8896
|
8,820752
|
|
0,0606
|
236,0966
|
4,538851
|
0,0754
|
174,2834
|
1,720546
|
0,0428
|
360,8558
|
11,26925
|
|
0,07575
|
232,289
|
5,378829
|
0,09425
|
170,7303
|
2,026008
|
0,0535
|
356,822
|
13,46579
|
|
0,0909
|
228,4814
|
6,113236
|
0,1131
|
167,1771
|
2,28989
|
0,0642
|
352,7882
|
15,41637
|
|
0,10605
|
224,6738
|
6,750244
|
0,13195
|
163,624
|
2,516393
|
0,0749
|
348,7544
|
17,1315
|
|
0,1212
|
220,8662
|
7,298347
|
0,1508
|
160,0708
|
2,709524
|
0,0856
|
344,7206
|
18,62484
|
|
0,13635
|
217,0586
|
7,766026
|
0,16965
|
156,5177
|
2,873032
|
0,0963
|
340,6868
|
19,91214
|
|
0,1515
|
213,251
|
8,161497
|
0,1885
|
152,9645
|
3,01037
|
0,107
|
336,653
|
21,01019
|
|
0,16665
|
209,4434
|
8,492548
|
0,20735
|
149,4114
|
3,124677
|
0,1177
|
332,6192
|
21,93613
|
|
0,1818
|
205,6358
|
8,766436
|
0,2262
|
145,8582
|
3,218781
|
0,1284
|
328,5854
|
22,70688
|
|
0,19695
|
201,8281
|
8,989835
|
0,24505
|
142,3051
|
3,295214
|
0,1391
|
324,5516
|
23,33871
|
|
0,2121
|
198,0205
|
9,168818
|
0,2639
|
138,7519
|
3,356224
|
0,1498
|
320,5177
|
23,84695
|
|
0,22725
|
194,2129
|
9,308864
|
0,28275
|
135,1988
|
3,403804
|
0,1605
|
316,4839
|
24,24587
|
|
0,2424
|
190,4053
|
9,414885
|
0,3016
|
131,6456
|
3,43971
|
0,1712
|
312,4501
|
24,54858
|
|
0,25755
|
186,5977
|
9,491257
|
0,32045
|
128,0925
|
3,465485
|
0,1819
|
308,4163
|
24,76697
|
|
0,2727
|
182,7901
|
9,541864
|
0,3393
|
124,5393
|
3,482485
|
0,1926
|
304,3825
|
24,91179
|
|
0,28785
|
178,9825
|
9,57014
|
0,35815
|
120,9862
|
3,491897
|
0,2033
|
300,3487
|
24,99267
|
|
0,303
|
175,1749
|
9,579111
|
0,377
|
117,433
|
3,494758
|
0,214
|
296,3149
|
25,01819
|
Для построения вентиляторной характеристики
(Мс = kω2) рассчитаем коэффициент
пропорциональности:
Полный график статических
характеристик представлен на рис. 4.2.
Рис.4.2 График статических
характеристик
Используя на построенных статических
характеристиках критический момент и номинальный момент (момент графического
пересечения данной статической характеристики с характеристикой статических
сопротивлений), определим перегрузочную способность двигателя на каждой из
характеристик:




Проверим эти
перегрузочные способности на соответствие заданному условию:
Используя на
характеристиках синхронные скорости вращения и номинальные скорости вращения
(скорость графического пересечения характеристик с характеристикой статических
сопротивлений), определим статизм:


Проверим статизм
характеристик на соответствие заданному условию:
Определим диапазон
регулирования для частот 30
50 Гц (на этом диапазоне
выполняется условие перегрузочной способности, но не выполняется условие
статизма характеристик):
Реальный диапазон
разомкнутой системы электропривода 
, что значительно меньше
требуемого (Dтр= 5: 1).
Это происходит из - за влияния
активного сопротивления статора, так как законы регулирования разомкнутых систем
рассмотрены для идеального случая (R1 = 0), в реальности R1
≠ 0.
Следовательно, необходимо применять
замкнутую систему регулирования, где напряжение статора меняется не только от
изменения частоты, но и зависит от нагрузки. Поэтому применяем замкнутую систему
скалярного регулирования со стабилизацией одно из параметров:
- потокосцепления
статора (ψ1);
- потокосцепления
ротора (ψ2);
Использование законов стабилизации
потокосцепления обеспечивает не только лучшее управление электроприводом в
статических и динамических режимах, но и повышение КПД двигателя и,
соответственно, всего электропривода.
Однако недостатком законов с
поддержанием постоянства потокосцепления являются: невозможность контролировать
параметры в динамике, низкая надежность, обусловленная наличием датчиков,
встраиваемых в двигатель и потери в стали при работе двигателя с нагрузочным
моментом меньше номинального. Расчёт статических характеристик скалярного
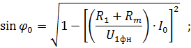
регулирования при стабилизации потокосцепления статора:
Задача состоит в определении
минимальной установившейся скорости для расчёта диапазона регулирования.
где 
- номинальный момент
статических сопротивлений, Н
м; 
- момент инерции
системы, кг∙м2; 
- угловое ускорение, 
.

может быть найдено из
условия:

Момент инерции системы
может быть найден из условия:

где 
- момент инерции
двигателя, кг∙м2; 
- момент инерции
насоса, кг∙м2.
Минимальную установившуюся скорость
можно вычислить из формулы:
По средствам
математического пакета Mathcad выразим 
. Получим значение в
относительных единицах 
.
Переходя к абсолютным
единицам:
Определим минимальную частоту
регулирования:
Определим диапазон регулирования при
стабилизации потокосцепления статора:
Получившийся диапазон регулирования
полностью удовлетворяет требуемому (5:1). В связи с этим можно сделать вывод,
что обратная связь по скорости в данной системе не обязательна.
Рис.4.3 Статические характеристики
скалярного регулирования со стабилизацией потокосцепления статора
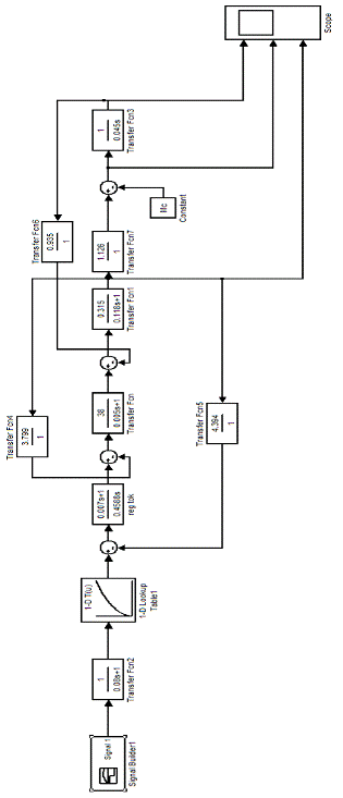
5. Моделирование динамических и
статических процессов электропривода
В связи с выбором скалярной системы
регулирования со стабилизацией потокосцепления статора составим блок-схему
управления электроприводом с непрерывной компенсацией падения напряжения на
активном сопротивлении статора, представленную на рис. 5.1.
Рис.5.1 Блок - схема управления
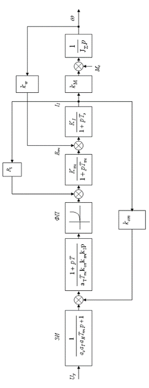
В соответствии с составленной
блок-схемой построим функциональную схему управления электроприводом,
представленную на рис. 5.2.
Рис.5.2 Функциональная схема
управления электроприводом
В состав функциональной схемы
входят:
ЗИ - задатчик интенсивности;
ФП - функциональный преобразователь;
РТ - регулятор тока;
ПЧ - преобразователь частоты;
Дэ - электрическая часть
электропривода;
Дм - механическая часть
электропривода;
ДТ - датчик тока;* - активное
сопротивление тока статора.
Стоит отметить, что ФП здесь
реализует выбранный скалярный закон регулирования U/f 2.
На основании составленной
функциональной схемы построим структурную схему, представленную на рис. 5.3.
Здесь:
Тэ - электромагнитная
постоянная времени;
Тпч - постоянная времени
преобразователя частоты;пч - коэффициент передачи преобразователя
частоты;i - коэффициент передачи звена тока статора;от -
коэффициент обратной связи по току; - коэффициент внутренней
обратной связи по скорости;м - коэффициент пропорциональности между
моментом и током;∑ - приведенный момент инерции;
ат - параметр настройки
контура тока на модульный оптимум.
На основании составленной
структурной схемы построим математическую модель, представленную на рис. 5.4.
Произведём расчёт необходимых параметров.
. Коэффициент обратной связи
по току:

Рис.5.3 Структурная схема управления
электроприводом
. Коэффициент передачи
внутренней обратной связи по скорости:
. Коэффициент передачи звена
тока статора:
. Коэффициент передачи
преобразователя частоты:
. Коэффициент
пропорциональности между моментом и током:
. Электромагнитная постоянная
времени:

7. Суммарный момент инерции
двигателя и насоса:
На основании структурной схемы
представленной на рис. 5.3. составляем модель электропривода в программе MatLab
- Simulink для моделирования динамических процессов [8]. Модель представлена на
рис. 5.4.
Сигнал задания представлен на рис.
5.5:
Рис 5.5 Сигнал задания
Результаты моделирования
представлены в виде графиков основных параметров (выходная скорость, ток
статора, момент) на рис. 5.6, 5.7, 5.8.
Рис 5.6 Переходный процесс скорости
Рис 5.7 Переходный процесс тока
статора
Рис 5.8 Переходный процесс момента
6. Разработка и построение принципиальной
схемы управления
На листе 2 (формата А1) представлена
принципиальная схема электропривода насоса, где представлены следующие блоки:
. Силовой модуль, состоящий из:
· автоматического
выключателя QF1;
· согласующего
дросселя LD;
· неуправляемого
выпрямителя;
· фильтра;
· блок торможения ТБ;
· IGBT - инвертора,
управляемого с помощью драйвера IGBT.
2. Встроенный контроллер управления,
состоящий из:
· Процессорного ядра,
включающего в себя:
- Порты ввода/вывода;
- Последовательный
приемо-передатчик;
- ШИМ - контроллер;
- ШИМ - генератор;
- Аналого-цифровой
преобразователь.
· Интерфейсного
модуля, включающего в себя:
- Аналоговый интерфейс;
- Цифровой интерфейс;
- Таймер реального
времени.
· Пульта ручного
управления, включающего в себя:
- Дисплей;
- Клавиатуру;
- Контроллер
дисплея/клавиатуры.
Заключение
Темой курсового проекта явился
расчет и выбор автоматизированного электропривода по системе ППЧ - АД.
Курсовой проект состоит из
пояснительной записки и графической части. В свою очередь пояснительная записка
состоит из 6 глав и содержит 16 рисунков, 12 таблиц, всего 34 страницы, а
графическая часть состоит из одного листа формата А1 и листа формата А2.
Библиографическая часть содержит 8 наименований.
В первой главе рассмотрена краткая
характеристика технологического процесса, представлена гидравлическая схема
насосной станции.
Во второй главе: представлены
исходные данные; произведен расчет и выбор насоса и электродвигателя. Согласно
заданию был выбран насос Grundfoss, удовлетворяющий данным для проектирования.
Принят к установки асинхронный электродвигатель с короткозамкнутым ротором типа
АИР100L2.
В третьей главе был произведен
расчет и выбор силового оборудования.
Произведен расчет и выбор
полупроводникового преобразователя частоты типа DELTA VFD-B, согласующего
дросселя Elhand ED3N-0,9/16 и автоматического выключателя ABB STOS203 C16.
В четвертой главе произведен выбор и
обоснование закона управления, принят скалярный закон управления со
стабилизацией потокосцепления статора.
Пятая глава включает в себя
моделирование динамических процессов в электроприводе в среде Matlab Simulink.
В шестой главе произведено
построение принципиальной схемы управления и схемы подключения, описаны
элементы соответствующих схем.
Спецификация
|
1
|
Grundfos TP 65-190/2
|
Насос
|
1
|
|
|
2
|
4А80В2УЗ
|
Двигатель
|
1
|
|
|
3
|
Mitsubishi F740-00052 EC
|
Преобразователь частоты
|
1
|
|
|
4
|
Elhand ED3N-0,9/16
|
Согласующий дроссель
|
1
|
|
|
5
|
ABB VFD022S43E
|
Автоматический выключатель
|
1
|
|
|
№ п/п
|
Обозначение
|
Наименование
|
Количество
|
Примечание
|
Список литературы
1. Браславский И.Я., Ишматов З.Ш., Поляков В.Н.
Энергосберегающий асинхронный электропривод под ред. И.Я. Браславского. - М:
Academa, 2004
2. http://www.grundfos.ru/products/aircon/tp/
. http://electronpo.ru/dvigatel_air100l
. http://www.частотники.рф/vfd_b.html
. http://www.elhand.pl/izdjelija/drossjeli/28/84
. http://q220.ru/ABB/39/6563.html
. Фираго, Б.И. Регулируемые электроприводы переменного тока
/ Б.И. Фираго, Л.Б. Павлячик. - Мн.: Техноперспектива, 2006. - 363 с.
. Герман-Галкин С.Г. Компьютерное моделирование
полупроводниковых систем в Matlab 6.0: Учебное пособие. - СПб.: КОРОНА принт,
2001