Автоматизированный электропривод насоса ЭЦВ8-40-125

  • Вид работы:
    Курсовая работа (т)
  • Предмет:
    Другое
  • Язык:
    Русский
    ,
    Формат файла:
    MS Word
    378,17 Кб
  • Опубликовано:
    2012-05-17
Вы можете узнать стоимость помощи в написании студенческой работы.
Помощь в написании работы, которую точно примут!

Автоматизированный электропривод насоса ЭЦВ8-40-125

ВВЕДЕНИЕ

Основными потребителями электроэнергии в нашей стране являются производственные предприятия и объекты ЖКХ. Подавляющее количество электроэнергии потребляется электроприводами насосов и вентиляторов. Особенно ярко эта тенденция выражена в секторе ЖКХ. В условиях реформирования ЖКХ, перевода этой отрасли на режим самоокупаемости, возникает острая проблема повышения энергоэффективности этой отрасли, снижения аварийности, повышения качества услуг при одновременном снижении затрат на их предоставление. Без решения этой проблемы невозможна не только эффективная, устойчивая работа городской инфраструктуры систем жизнеобеспечения населения, но и её надёжное, безопасное функционирование. Без энергоэффективной работы предприятий ЖКХ невозможно привлечение инвестиций в эту отрасль, недостижимо улучшение качества жилищно-коммунальных услуг, адресная социальная защита населения при оплате жилищно-коммунальных услуг. Необходим переход на качественно новый уровень предоставления жилищно-коммунальных услуг при снижении нерациональных затрат. Одним из наиболее эффективных методов решения этой комплексной проблемы является внедрение современных систем частотного регулирования электроприводов и систем автоматизации. Именно эти методы позволяют в условиях высокой степени износа материально-технической базы ЖКХ резко повысить энергоэффективность работы, повысить качество предоставляемых услуг и существенно снизить аварийность, высвобождая средства для рефинансирования и планомерного обновления оборудования и капитального ремонта коммуникаций.

1. ТЕХНОЛОГИЧЕСКАЯ ЧАСТЬ

Насос - гидравлическая машина, в которой энергия привода преобразуется в энергию жидкости. Гидравлическими машинами называются технические устройства, преобразующие механическую энергию привода в механическую энергию жидкости, или, наоборот, механическую энергию жидкости в механическую энергию привода.

Функцией повысительных насосных станций является поддержание заданного графика давления в напорном трубопроводе. Насосные станции обычно работают в режимах, которые отличаются от режимов, первоначально заложенных в проект. Насосные агрегаты установлены с учётом максимального расхода, который возникает как при пиковых значениях потребления воды в утренние и вечерние часы, так и в экстремальной ситуации (например, пожар). Если регулирование производительности насосных агрегатов не производится, при минимальном расходе в напорном трубопроводе возникает избыточное давление.

Это вызывает:

непроизводительные потери электроэнергии на создание избыточного давления;

потери воды за счет избыточного расхода, утечек на негерметичных стыках;

большие затраты на ремонт и замену электродвигателей, насосов и контактной аппаратуры в связи с необходимостью прямых пусков;

затраты на устранение аварий трубопроводов в связи с избыточными напорами и гидроударами;

низкое качество водоснабжения, которое выражается в неравномерном давлении и высокой вероятности отсутствия воды;

избыточный расход воды населением за счет создания запаса на случай отключения подачи воды.

Согласно теме курсового проекта, рассматриваем автоматизированный электропривод насоса первого подъема ЭЦВ8-40-125 с системой электропривода - преобразователь частоты на базе инвертора напряжения - асинхронный двигатель с короткозамкнутым ротором.

Агрегат электронасосный ЭЦВ предназначен для подъема питьевой воды из артезианских скважин с целью осуществления городского, промышленного и сельскохозяйственного водоснабжения, орошения и других подобных работ.

Обозначение: ЭЦВ8-40-125,

где ЭЦВ - тип электроагрегата;

- внутренний диаметр обсадной трубы в дюймах;

- номинальная подача, ;

- номинальный напор, .

Агрегат состоит из асинхронного электродвигателя, и многосекционной центробежной насосной части, соединенных между собой жесткой муфтой. Ротор насоса и ротор электродвигателя вращаются в резинометаллических подшипниках. В днище электродвигателя расположен упорный подшипник, воспринимающий осевую нагрузку. На входе в насосную часть установлена защитная сетка-фильтр, предохраняющая насос от попадания крупных механических частиц. Электродвигатель водозаполненный с короткозамкнутым ротором, с синхронной частотой вращения 3000 об/мин. «Беличья клетка» ротора выполнена из меди. Обмотка статора выполнена водостойким проводом. Охлаждение электродвигателя осуществляется перекачиваемой водой. Агрегат подключается к трехфазной сети 380В, 50Гц через станцию управления и защиты, предохраняющую электродвигатель от работы в нештатных режимах. Подключение производить кабелем ВПВ сечением, соответствующим потребляемому току.

Технические характеристики агрегата:

Типоразмер агрегата

Номинальные характеристики

L, мм

L1, мм

Масса, кг


Подача,

Напор,

Ток, А

Мощность, кВт




ЭЦВ8-40-125

40

125

46

20

745

1440

125

2. АНАЛИЗ СИСТЕМ ЭЛЕКТРОПРИВОДА И ВЫБОР РАЦИОНАЛЬНОЙ СИСТЕМЫ ДЛЯ ДАННОГО ТИПА ТПМ

Для установок сравнительно небольшой мощности (7-10 кВт) задача регулирования успешно решается с помощью системы регулятор напряжения - асинхронный двигатель с короткозамкнутым ротором. В качестве регулятора напряжения часто применяют тиристорный коммутатор (Рисунок 1,а). Вентиляторная механическая характеристика нагрузки позволяет обеспечить устойчивую работу электропривода по системе ТК - АД в достаточно большом диапазоне скорости без обратных связей (Рисунок 1, б).

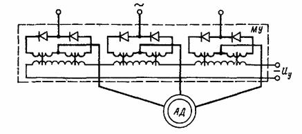
Обычно изменение технологического режима, в котором участвует регулируемый электропривод, протекает достаточно медленно и не требует от привода высокого быстродействия. Поэтому в качестве регулятора напряжения может быть использован и трехфазный магнитный усилитель МУ, включенный в цепь статора (Рисунок 2-7).

Рисунок 1 - Схема (а) и механические характеристики (б) системы ТК - АД с вентиляторной нагрузкой на валу

Рисунок 2 - Схема системы МУ - АД

Этот аппарат хотя и обладает магнитной инерционностью, однако отличается простотой исполнения и надежностью в работе. Магнитный усилитель с внутренней положительной обратной связью по току (с самоподмагничиванием) работает в режиме, близком к режиму регулятора напряжения. Поэтому механические характеристики такой системы привода аналогичны характеристикам системы ТК - АД.

Развитие полупроводниковой техники позволяет в настоящее время реализовать импульсный способ регулирования скорости асинхронного двигателя. На Рисунке 2,а приведена принципиальная схема включения асинхронного двигателя с короткозамкнутым ротором с импульсным изменением активного сопротивления его статорной цепи. Тиристорный ключ ТК, замыкаясь на время  и размыкаясь на время , изменяет среднее за цикл коммутации  значение дополнительного сопротивления . Сопротивление  пропорционально скважности широтно-импульсной модуляции

(2-16)

Рисунок 3 - Схема (а) и механические характеристики (б) системы импульсного регулирования сопротивления в статорной цепи

Регулируя скважность , можно получить семейство механических характеристик электропривода, изображенных штриховыми линиями на Рисунке 3,б, причем  при  и  при . Параметр  зависит от управляющего напряжения  на входе системы управления тиристорным ключом СУ. Так как критическое скольжение двигателя уменьшается при увеличении , то диапазон скоростей устойчивой работы привода даже при “вентиляторной” характеристике механизма оказывается весьма незначительным.

Введение отрицательной обратной связи по скорости обеспечивает жесткие характеристики и устойчивую работу замкнутой системы электропривода в требуемом для механизма диапазоне скоростей. Механические характеристики электропривода с обратной связью по скорости показаны на Рисунке 2-3,б сплошными линиями для трех значений задающего напряжения . Регулируемые привода многих механизмов центробежного типа работают в тяжелых условиях окружающей среды, что затрудняет использование коллекторных машин. Поэтому часто в качестве датчика обратной связи по скорости применяются тахогенераторы переменного тока.

При выполнении системы управления тиристорным ключом на постоянном токе управляющая обмотка ОУ однофазного тахогенератора ТГ соединяется с системой управления тиристорным ключом СУ через согласующий элемент СЭ, который в простейшем случае для нереверсивного привода представляет собой выпрямительный мост.

Общим недостатком рассмотренных вариантов регулируемого электропривода является выделение потерь скольжения при снижении скорости в самом двигателе. Эти потери вызывают дополнительный нагрев двигателя и требуют соответствующего завышения установленной мощности двигателя. Вопрос об определении необходимого завышения номинальной мощности будет рассмотрен ниже.

В установках, где по условиям эксплуатации допустимо применение асинхронного двигателя с фазным ротором, возможности регулируемого электропривода расширяются. Введение дополнительного сопротивления в цепь ротора позволяет вывести часть потерь скольжения из обмоток двигателя. Благодаря этому снижается необходимое завышение габарита двигателя и появляется возможность расширить диапазон мощностей привода при рассмотренных выше способах регулирования скорости. Например, импульсный способ регулирования окажется более целесообразным применительно к коммутации дополнительного сопротивления в роторной цепи (Рисунок 4,а). При этом механические характеристики привода обеспечивают устойчивую работу в достаточно большом диапазоне скоростей при разомкнутой системе электропривода (Рисунок 4,б). По своим характеристикам данный способ аналогичен реостатному. Его достоинство по сравнению с реостатным способом - возможность плавного регулирования сопротивления.

электропривод управление насос двигатель

Рисунок 4 - Схема (а) и механические характеристики (б) системы импульсного регулирования сопротивления в роторе

Для мощных приводов находят применение асинхронные и синхронные двигателя в сочетании с регулируемыми муфтами скольжения. В варианте электропривода с гидромуфтой угловая скорость ведомой полумуфты изменяется за счет изменения подачи жидкости в полости муфты. По экономичности данный способ регулирования аналогичен реостатному. Потери мощности скольжения выносятся при этом из роторной цепи двигателя и выделяются в муфте. Механические характеристики электропривода с гидромуфтой показаны на Рисунке 2-5. Скорость ведомой полумуфты, соединенной с валом механизма, изменяется согласно с его характеристикой и характеристикой муфты.

Рисунок 5 - Механические характеристики электропривода с гидромуфтой

Наиболее эффективный способ регулирования предусматривает изменение скорости вращения рабочего колеса насоса. Благодаря этому можно обеспечить требуемый напор во всей области регулирования, не ухудшая при этом КПД насоса в сравнении с дросселированием. На рисунке 2-6 показано, как изменяется механическая характеристика насоса в зависимости от частоты вращения электродвигателя.

Рисунок 6

Физический принцип действия циркуляционных насосов определяет законы подобия для основных характеристик насоса: производительность насоса Q линейно зависит от скорости вращения колеса, создаваемый при этом напор ΔH зависит от квадрата скорости, и, соответственно, требуемая при этом механическая мощность P зависит от куба скорости. Таким образом, потребление электроэнергии при частотном регулировании пропорционально кубу производительности насоса. Регулирование скорости вращения рабочего колеса насоса возможно с помощью электронных преобразователей частоты, которые обеспечивают качественное управление асинхронными электродвигателями в широком диапазоне изменения частоты. При этом с помощью преобразователя частоты по сигналу от датчика давления, установленного в напорном трубопроводе, можно автоматически изменять частоту вращения рабочего колеса насоса, оперативно реагируя на изменение расхода жидкости и обеспечивая поддержание заданного давления с высокой точностью. Применение преобразователей частоты обеспечивает следующие преимущества по сравнению с другими методами:

эффективное использование асинхронных электродвигателей, дешевых в эксплуатации и ремонте;

КПД электродвигателя во всем диапазоне регулирования максимально соответствует КПД электродвигателя в номинальном режиме;

КПД преобразователя 95 - 98 %, коэффициент мощности около 1,0;

плавный пуск электродвигателя, отсутствие гидравлических ударов;

снижения уровня шума при пуске и работе;

автономная безопасная работа, интеграция в АСУ ТП.

Рисунок 7

Рисунок 7 даёт сравнение различных методов регулирования производительности насосов с точки зрения потребления электроэнергии.

Наибольшая эффективность применения преобразователей частоты проявляется на объёктах с большой суточной, сезонной переменной нагрузкой, расходом, т.е. требует большой глубины регулирования. При малых расходах воды насосный агрегат вращается на малой скорости, обеспечивающей поддержание номинального давления, потребляя при этом только то количество электроэнергии, которое необходимо для выполнения технологической задачи. При работе в энергоэффективном режиме экономится не только электроэнергия и ресурс оборудования, но и в зависимости от функции автоматизируемого объекта - вода, тепло.

Увеличение ресурса электродвигателя при этом способе регулирования напрямую связано с ресурсом подшипников, который определяется радиальными и осевыми нагрузками и частотой вращения. В общем случае можно пренебречь тем фактом, что при снижении частоты энергетическая составляющая вибрации уменьшается пропорционально квадрату, и в расчете ресурса подшипников учитывать только уменьшение скорости вращения. Именно благодаря регулированию скорости, в среднем в 2,5 - 3 раза, удаётся увеличить межремонтные интервалы насоса и электродвигателя.

3. РАСЧЕТНАЯ ЧАСТЬ

.1 Исходные данные для расчета

Марка

Подача, м3/час

Напор, м

Мощность, кВт

ЭЦВ 8-40-125

40

125

20


Серия


Высота  оси вала,мм

Мощность,  кВт

Частота,  об./мин

Напряжение,  В

КПД, %

cos

ПЭДВ 20-180 


180

20

3000

380

84

0,775


Исходные данные: ном. =40 м3 /час;

Нном.т.м.=121м;

Нст.=113м.

Характеристики насоса показаны на Рисунках 8, 9, 10.

Рисунок 8 - Характеристика H=f(Q)

Рисунок 9 - Характеристика P=f(Q)

Рисунок 10 - Характеристика =f(Q)

Согласно показанным характеристикам насос имеет следующие номинальные параметры:

 - номинальный напор насоса, ;

 - номинальная подача насоса, ;

 - номинальный напор магистрали, ,

 - статический напор в сети (номинальная высота подъема), .

Так как магистраль в нашем случае со статическим напором, то ее характеристика имеет следующий вид:

.

Характеристика магистрали с естественной напорной характеристикой изображена на рисунке 11.

Рисунок 11 - Совместная работа турбомеханизма и магистрали

3.2 Расчет основных параметров насоса и двигателя

Определим мощность турбомеханизма в номинальном режиме

,

где .

Номинальный момент турбомеханизма

.

Определим угловую скорость двигателя, с которой начинается перекачка

.

Найдем момент инерции электропривода:

где .

С помощью характеристики P=f(Q) определяем отношение

.

Определим мощность, с которой начинается режим перекачивания

.

Определим момент с которого начинается режим перекачивания

.

Определим площади фигур для нахождения среднего момента:

 

.

Найдем средний статический момент:

;

Найдем средний пусковой момент:

.

Найдем средний динамический момент:

 

3.3 Проверка двигателя по прямому пуску

В нашем случае используется регулируемый электропривод с системой ПЧИН - АДКЗР. Но преобразователь частоты характеризуется значительно меньшей надежностью, чем двигатель. По этому требуется предусмотреть случай, когда преобразователь частоты выйдет из строя, и двигатель автоматически подключается на прямую к трехфазной сети, а параметры насоса регулируются установленной на выходе насоса задвижкой. Для этого двигатель должен подходить по условиям прямого пуска. Для двигателя, используемого в нашей системе ПЭДВ 20-180, не известен такой параметр, как скорость нарастания температуры. По этому предлагается выбрать двигатель такой же мощности серии 4А и проверить его по условиям прямого пуска. Зная, что наш двигатель погружной и всегда находиться под водой, можно сделать вывод, что охлаждение у него будет более лучшее. Таким образом выбираем двигатель 4А180М2У3, мощностью 22 кВт и синхронной угловой скоростью 3000 об/мин. Номинальное скольжение 2%, КПД номинальное 88,5%.

Принимаем температуру окружающей среды

.

Начальная температура

где номинальные потери в двигателе

,

номинальные потери в турбомеханизме

,

.

Найдем время пуска двигателя

.

Из справочника [1] берем скорость нарастания температуры .

Температура двигателя при прямом пуске

.

Температура двигателя при прямом пуске не превышает допустимую температуру для данного класса изоляции двигателя F . Следовательно выбранный двигатель удовлетворяет условию .

.4 Расчет и построение технологических характеристик механизма

В нашем случае сеть со статическим напором. Следовательно имеет место 2 подрежима:

. ;

Возьмем несколько промежуточных точек скорости:

Найдем потребляемую мощность турбомеханизма в 1-й точке без учета механических потерь

.

Найдем суммарную мощность, потребляемую турбомеханизмом

.

Момент турбомеханизма без учета механических потерь

.

Суммарный момент турбомеханизма в первой точке

.

. ; .

В этом режиме имеет место перекачивание воды.

Разобьем этот промежуток на несколько точек

Найдем номинальный расход в 1-й точке этого подрежима

.

Номинальный напор

.

Найдем фиктивную подачу в этой точке

.

Для этой подачи по диаграмме =f(Q) (Рисунок 3.2) определяем фиктивный КПД агрегата .

Найдем фиктивный КПД насоса

Находим потребляемую мощность турбомеханизма в этой точке без учета механических потерь

.

Находим суммарную мощность, потребляемую турбомеханизмом в данной точке

.

Найдем момент турбомеханизма без учета механических потерь

.

Находим суммарный момент турбомеханизма в данной точке

.

Расчеты для остальных точек приведены в таблице 1.

Таблица 1

1

50

1.619

6.98

80.973

349.023

2

100

6.478

11.839

647.783

1184

3

150

14.575

19.936

2186

2990

4

200

25.911

31.272

5182

6254

5

267,2

46.242

51.603

12350

13790

6

280

25.19

116.173

26.85

0.556

51.228

56.589

14340

15840

7

285

29.834

117.45

31.242

0.607

55.183

60.544

15730

17250

8

290

33.914

118.751

34.902

0.643

58.866

64.227

17070

18630

9

295

37.613

120.074

38.053

0.667

62.578

67.939

18460

20040

10

298,5

40

121

40

0.679

65.124

70.485

19440

21040


Построим рассчитанные характеристики , , ,

Рисунок 12 - Характеристики

Рисунок 13 - Характеристики

Рисунок 14 - Характеристики

Рисунок 15 - Характеристики

3.4 Расчет и построение искусственных характеристик турбомеханизма при регулировании скорости

Требуется найти скорости при регулировании расхода от  до . Найдем скорость для всех точек регулирования:

.

Скорость в относительных еденицах

Тогда напорная искусственная характеристика для первой точки будет вычисляться по формуле

.

.

Скорость в относительных еденицах

Тогда напорная искусственная характеристика для первой точки будет вычисляться по формуле

.

3.

Скорость в относительных еденицах

Тогда напорная искусственная характеристика для первой точки будет вычисляться по формуле

.

.

Скорость в относительных еденицах

Тогда напорная искусственная характеристика для первой точки будет вычисляться по формуле

.

.

Скорость в относительных еденицах

Тогда напорная искусственная характеристика для первой точки будет вычисляться по формуле

.

.

Скорость в относительных еденицах

Тогда напорная искусственная характеристика для первой точки будет вычисляться по формуле

.

Требуемые точки для построения характеристик приведены в таблице 2.

Таблица 2

1

20

108.28

109.12

112.48

118.08

125.92

136

2

22.5

106.952

107.792

111.152

116.752

124.592

134.672

3

25

105.468

106.308

109.668

115.268

123.108

133.188

4

27.5

103.827

104.667

108.027

113.627

121.467

131.547

5

30

102.03

102.87

106.23

111.83

119.67

129.75

6

32.5

100.077

100.917

104.277

109.877

117.717

127.797

7

35

97.968

98.808

102.168

107.768

115.608

125.688

8

37.5

95.702

96.542

99.902

105.502

113.342

123.422

9

40

93.28

94.12

97.48

103.08

110.92

121

10

42.5

90.702

91.542

94.902

100.502

108.342

118.422

11

45

87.968

88.808

92.168

97.768

105.608

115.688

12

47.5

85.077

85.917

89.277

94.877

102.717

112.797

13

50

82.03

82.87

86.23

91.83

99.67

109.75

14

52.5

78.827

79.667

83.027

88.627

96.467

106.547

15

55

75.468

76.308

79.668

85.268

93.108

103.188

16

57.5

71.952

72.792

76.152

81.752

89.592

99.672

17

60

68.28

69.12

72.48

78.08

85.92

96

18

62.5

64.452

65.292

68.652

74.252

82.092

92.172

19

65

60.468

61.308

64.668

70.268

78.108

88.188

20

67.5

56.327

57.167

60.527

66.127

73.967

84.047


Искусственные характеристики турбомеханизма при регулировании скорости изображены на рисунке 16.

Рисунок 16 - Искусственные напорные характеристики турбомеханизма

.5 Расчет и построение механических и электромеханических характеристик двигателя в режимах технологического регулирования

Для построения характеристик двигателя, требуются параметры схемы замещения асинхронного двигателя. Рассчитаем их по методике Б.И. Фираго.

Номинальный ток двигателя

.

Номинальное скольжение

.

Номинальная угловая скорость

.

Синхронная угловая скорость

.

Номинальный момент на валу двигателя

.

Номинальные потери в двигателе

.

Принимаем

,

.

Момент холостого хода

.

Электромагнитный номинальный момент

.

Переменные номинальные потери

.

Задаемся коэффициентом загрузки kз,m , соответствующим максимальному к.п.д. АД:

.

Переменные номинальные потери мощности

.

Постоянные потери мощности

.

Переменные номинальные потери мощности в обмотке статора

.

Активное сопротивление обмотки статора

.

Максимальное значение электромагнитного момента

.

Коэффициент

.

Сопротивление

.

Приведенное активное сопротивление фазы ротора

.

Индуктивное сопротивление короткого замыкания

.

Критическое скольжение

.

Коэффициент

.

Принимаем

, .

Потери в стали

.

Ток холостого хода

.

Эквивалентное сопротивление намагничивающего контура

.

Синус  холостого хода

.

Индуктивное сопротивление намагничивающего контура

.

Рассчитанные параметры указаны на эквивалентной однофазной схеме асинхронного двигателя:

Рисунок 17 - Схема замещения асинхронного двигателя

Построим естественную механическую характеристику по формуле Клосса:

,

.

Значения для построения естественной характеристики двигателя приведены в таблице 3.

Таблица 3

, ое

, ое

-1

-51,6

628.319

0.1

121.259

282.743

-0.9

-57,2

596.903

0.2

133.076

251.327

-0.8

-64,15

565.487

0.3

116.479

219.911

-0.7

-72,9

534.071

0.4

98.944

188.496

-0.6

-84,25

502.655

0.5

84.684

157.08

-0.5

-99,2

471.239

0.6

73.526

125.664

-0.4

-119,4

439.823

0.7

64.75

94.248

-0.3

-145,9

408.407

0.8

57.738

62.832

-0.2

-172,9

376.991

0.9

52.038

31.416

-0.1

-153,5

345.575

1

47.328

0

0

0

314.159

 


Рисунок 18 - Естественная механическая характеристика двигателя

Искусственные механические характеристики построим исходя из значений скорости, которые были применены в п. 3.5.

Механические характеристики строим по формуле Клосса для закона частотного управления  (так как диапазон регулирования скорости ):

,

Угловая скорость вращения

Приведем таблицы с рассчитанными точками для искусственных характеристик:

Таблица 4 - При Таблица 5 - При

, ое


, ое

1e-5

0.017

281.587


1e-5

0.017

282.629

0.023

36.351

274.364


0.023

36.477

275.406

0.046

67.566

267.142


0.046

67.774

268.184

0.069

259.919


0.069

92.544

260.961

0.092

110.462

252.697


0.092

110.684

253.739

0.115

122.743

245.474


0.115

122.922

246.516

0.138

130.231

238.252


0.138

130.351

239.294

0.161

134.045

231.029


0.161

134.104

232.071

0.184

135.173

223.806


0.184

135.174

224.849

0.207

134.412

216.584


0.207

134.362

217.626

0.23

132.37

209.361


0.23

132.276

210.404

0.253

129.493

202.139


0.253

129.363

203.181

0.276

126.104

194.916


0.276

125.945

195.959

0.299

122.427

187.694


0.299

122.246

188.736

Таблица 6 - При Таблица 7 - При

, ое


, ое

1e-5

0.017

286.759


1e-5

0.017

293.514

0.023

36.977

279.537


0.023

37.792

286.292

0.046

68.594

272.314


0.046

69.923

279.069

0.069

93.476

265.092


0.069

94.971

271.847

0.092

111.552

257.869


0.092

112.929

264.624

0.115

123.613

250.647


0.115

124.69

257.402

0.138

130.812

243.424


0.138

131.506

250.179

0.161

134.321

236.202


0.161

134.62

242.957

0.184

135.163

228.979


0.184

135.092

235.734

0.207

134.149

221.757


0.207

133.757

228.512

0.23

131.893

214.534


0.23

131.232

221.289

0.253

128.841

207.312


0.253

127.962

214.067

0.276

125.311

200.089


0.276

124.259

206.844

0.299

121.525

192.867


0.299

120.338

199.622


Таблица 8 - При Таблица 9 - При

, ое


, ое

1e-5

0.018

302.718


1e-5

0.018

314.156

0.023

38.897

295.496


0.023

40.263

306.934

0.046

71.709

288.273


0.046

73.888

299.711

0.069

96.954

281.051


0.069

99.33

292.489

0.092

114.72

273.828


0.092

116.813

285.266

0.115

126.053

266.606


0.115

127.584

278.044

0.138

132.339

259.383


0.138

133.205

270.821

0.161

134.917

252.161


0.161

135.125

263.598

0.184

134.9

244.938


0.184

134.519

256.376

0.207

133.143

237.716


0.207

132.265

249.153

0.23

130.27

230.493


0.23

128.989

241.931

0.253

126.721

223.271


0.253

125.123

234.708

0.276

122.8

216.048


0.276

120.958

227.486

0.299

118.713

208.826


0.299

116.687

220.263

Рисунок 19 - Искусственные характеристики двигателя

3.6 Расчет потребления электроэнергии насосным агрегатом с ПЧИН-АД и сравнение его с энергопотреблением при регулировании задвижкой

Рисунок 20 - Суточный график работы насоса

При регулировании задвижкой турбомеханизм работает только на естественной характеристике. Найдем потребляемую мощность турбомеханизмом при регулировании расхода

,

где  определяется по естественной напорной характеристике по , КПД  определяется следующим образом: находим по характеристике  КПД агрегата и делим его на КПД двигателя, тем самым определяем КПД насоса.

Находим потери в двигателе

.

Найдем суммарную мощность

.

Таблица 10 - Расчет суммарного суточного энергопотребления при регулировании задвижкой

20

24

28

32

40

 

17.21

17.8

18.15

18.66

19.44

 

3.279

3.39

3.456

3.555

3.702

 

2.049e4

2.119e4

2.16e4

2.222e4

2.314e4

 

Время работы на характеристике, ч

7

2

5

7

3

 

Потребленная мощность, кВтч

143.4

42.37

108

155.5

69.42

 

Суммарное суточное энергопотребление, кВтч

51.88


Для оценки потребляемой мощности при регулировании скорости произведем следующие расчеты. Найдем относительную скорость для подачи  по следующей формуле

Найдем относительную скорость

.

Найдем КПД двигателя

.

Найдем номинальные потери в двигателе

,

где  берется из Рисунка 3.8 .

Таблица 11 - Расчет суммарного суточного энергопотребления насосного агрегата при регулировании скорости

20

24

28

32

40

275.331

278.842

282.935

287.585

298.451

0.923

0.934

0.948

0.964

1

15129

15498

16790

18081

21218

2.589

2.625

2.809

2.984

3.395

7

2

5

7

3

18,12

5,249

14,05

20,89

10,18

Суммарное суточное энергопотребление, кВт/ч


Таким образом, суточная экономия электроэнергии при использовании ПЧИН-АД составляет по сравнению с регулированием задвижкой:

.

СПИСОК ИСПОЛЬЗОВАННЫХ ИСТОЧНИКОВ

1. Ключев В.И., Терехов В.М. Электропривод и автоматизация промышленных механизмов: учебник для вузов. - М.: Энергия, 1980 . - 360 с.

. Лобачев П.В. Насосы и насосные станции: Учебник для техникумов. - 2-ое изд., перераб. и доп. - М.: Стройиздат. 1983. - 191 с.

Похожие работы на - Автоматизированный электропривод насоса ЭЦВ8-40-125

 

Не нашли материал для своей работы?
Поможем написать уникальную работу
Без плагиата!
Без нейросетей!