Расчет электропривода водоснабжающей установки животноводческого помещения
Содержание
Введение
Задание
1. Описание технологической схемы
2. Определение необходимой производительности
. Выбор электродвигателя
. Проверка электродвигателя по пусковому моменту
. Построение характеристик рабочей
машины
. Построение механических характеристик
электропривода
. Обоснование и описание схемы
управления системой электроприводов
. Выбор аппаратуры управления и защиты
. Подсчет стоимости выбранного
комплекта электрооборудования
. Расчет устойчивости системы двигатель- рабочая машина
Заключение
Литература
Введение
Электропривод - это система, состоящая из электродвигательного,
передаточного и управляющего устройств, предназначенных для приведения в
движение органов рабочей машины и управления этим движением. Электропривод
способствует повышению качества продукций, снижению себестоимости,
высвобождению рабочих, избавлению людей от тяжелого и утомительного труда.
Электровооруженность в сельскохозяйственном производстве приобретает
особое значение, так как оно в значительной степени определяет производительность
труда, уровень комплексной механизации, электрификации и автоматизации
технологических процессов. Научно - технический прогресс в сельском хозяйстве
вызывает необходимость дальнейшего совершенствования и подготовки специалистов.
Целью данной курсовой работы является изучение основных сведений по теорий
расчету, выбору и применению автоматизированных электроприводов в
сельскохозяйственном производстве.
Задание
электропривод двигатель рабочий машина
Тема курсовой работы: Расчет электропривода водоснабжающей установки
животноводческого помещения.
Nк-550,
Nо-1400,
Nт-250,
Н-5 м,
Нв-23м,
Р- 2,8 10^5 Па,
Нн- 21м,
Р1-1,8 10^5 Па.
1. Описание
технологической схемы
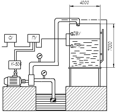
Рассмотрим схему водоснабжения представленную на рисунке 1.
Рисунок 1 - Технологическая схема водоснабжающей установки.
1 - резервуар с водой
- насос
- электродвигатель
- комплект измерительных приборов (К-506)
- станция управления
- пульт управления
- бак
- водомерная труба
МВ и МН - манометры
ДНУ и ДВУ - датчики нижнего и верхнего уровня.
Описание схемы.
Когда вода перестает омывать датчик нижнего уровня
ДНУ, расположенного в баке 7. Датчик срабатывает и подает сигнал на пульт управ
ления ПУ 6. В этот же момент ПУ включает насос 2, и он начинает качать воду из
резервуара 1. Когда вода достигнет датчика верхнего уровня ДВУ, то он сработает
и подаст сигнал на ПУ. Тем самым ПУ отключит насос и приостановится подача
воды.
. Определение необходимой производительности
Сельские насосные станции работают не круглые сутки. Продолжительность их
работы обычно ограничивается односменной, реже двухсменной работой
обслуживающего персонала (если не используются автоматизированные установки). В
этом случае требуются регулирующие емкости значительного размера, так как
потребление воды в течение суток идет постоянно. Используя автоматическое
управление насосной станцией, можно уменьшить размеры водонапорного бака, по
крайне мере в 10-ки раз, при одновременном сокращении обслуживающего персонала.
Чрезвычайно разнообразные условия водоснабжения сельских потребителей
затрудняют разработку жестких удельных нормативов водопотребления и расхода
электроэнергии. В каждом конкретном случае для характеристики насосной станции
как потребителя электроэнергии необходимо исходить из реальных данных о
водопотреблении. Для определения подачи насосной станции находят сначала
среднесуточный расход, руководствуясь при этом нормами водопотребления согласно
ГОСТ, и СниП.
Общий среднесуточный расход воды для всего хозяйства можно подсчитать по
следующей формуле:
Qср.сут.=q1*z1+q2z2+…+qnzn=S qizi, (1)
где qi - средняя суточная норма водопотребления одним
потреблением, л;i
- число потребителей каждого вида.
ср.сут.=550*65+1400*25+250*10 +1000=74250л, [5]
Где 1000-количество воды, потребляемая персоналом на собственные нужды,
л.
Так как суточный расход воды изменяется как в течение суток, так и в
течение года, то для определения максимального суточного расхода и
максимального часового расхода вводят коэффициент суточной (Ксут) и
часовой (Кчас) неравномерности, принимая их на основании опытов
равными:
Ксут = 1,2…1,3
Кчас=1,5…2,5 - для населенного пункта,
Кчас=2,0…3,5 - для фермы с автопоением,
Кчас-4,0…5,5 - для фермы без автопоения.
Таким образом, максимальный часовой расход воды получим:
0макс.ч=0ср.сутКсутКчас/24h, (2)
где h - КПД
установки, учитывающий потери воды в водопроводе и равный - 0,9.
0макс.ч=74250*1,2*2,0/24*0,9=8250л
По величине Qмакс.час выбирают источник водоснабжения,
определяют подачу насосной станции, диаметры всасывающего патрубка и напорного
трубопровода.
Также расчитывают Qмакс.сек., равная
Qмакс.сек=
, (3)
Qмакс.сек=8250/3600=2,3л.
Диаметр трубопровода можно определить по формуле:
Дт=
, (4)
где Qмакс.сек. - максимальный секундный расход воды
в трубе, м3/с;
- скорость подачи воды в трубе в м/с, принимается равной
0,5..1,25м/с.
Дт=
Потери напора в трубопроводе равны сумме потерь на трение (hт) и местные (hм):
Нп=hт+hм, (5)
причем hм=(0,05-0,1)
hт=l*
(6)
где l - длина участка трубопровода, м;
l - коэффициент трения, зависящий от скорости движения воды.
Таблица 1 Значение коэффициента l
|
м/с
|
0,1
|
0,2
|
0,3
|
0,5
|
1,0
|
2,0
|
|
l
|
0,044
|
0,036
|
0,032
|
0,026
|
0,024
|
0,021
|
hт=0,024*
1,32 м
Нп=1,32+0,1=1,42м
Полный расчетный напор (высота подачи) насосной установки определяют по
формуле:
Н=Н1+Н2+Н3+Н4, (7)
где Н1 - высота всасывания, то есть расстояние по вертикали от
уровня воды в источнике до оси насоса, м;
Н2 - высота нагнетания, т.е. напор, необходимый для подачи
воды от оси насоса до наиболее высокого пункта водопотребления, м;
Н3 - потери напора в трубопроводе, м;
Н4 - геодезический напор, м.
Н=5+23+1,42+2=31,42 м
По напору и подаче выбираем насос марки ЭК-9 с Q=20 м^3/ч и Н=40 м
Потребная мощность насоса может быть определена по формуле:
Р=
, (8)
где hн - КПД насоса;
hn
- КПД передачи..
Для центробежных насосов hн=0,4…0,8, для вихревых hн=0,25…0,5. Для прямой передачи -hn=1,0; клино-ременной - hn=0,98, зубчатой - hn=0,97, плоскоременной - hn=0,95
Р=
= 7,2 кВт
Рисунок 2-Нагрузочная диаграмма
По диаграмме видно, что период времени t3 емеет продолжительное время работы
12мин и наибольшую мощность 8 кВт. Если время продолжительности работы больше
10мин,то мощность двигателя берут наибольшую. Поэтому мощность двигателя не
рассчитывают.
В связи с этим выбирают электрический
двигатель, исходя из следующих условий:
- Климатическое исполнение и категория
размещения У5.
- Способ защиты от воздействия окружающей
среды IP68.
- Конструктивное исполнение и способ
монтажа IM1081.
- По модификации (двигатель погружной).
- По роду тока и напряжения (переменного
тока ~I,
UH = 380/220 В).
- По мощности:
По литературе [17] выбирают двигатель
9ПЭДВ 8-140; Р =8 кВт; nн = = 2810мин-1; Iн = 18 А; ηн = 80 %; cos φн = 0,83; M*П = 2,2; М*К =
2,2; КI = 5,5; J = 1,1-10"3 кг-м2; Максимальные
потери в приводе насоса:
(10)
где Мн- номинальный момент
двигателя, Н·м; ωои ωн-угловая синхронная н номинальная скорости вращения приводного
двигателя;
(11)
Относительные максимальные потери:
(12)
Потери при номинальной скорости вращения:
(13)
. Проверка электродвигателя по пусковому моменту
По пусковому моменту:
Мпуск.дв. ≥ (1,2...1,3) Мтр.р.м.
или
(14)
где
- коэффициент, учитывающий снижение напряжения (до 30%) на
зажимах пускаемого двигателя; Мпуск.дв
= μпуск Мном - пусковой момент двигателя; при этом μпуск = Мпуск.дв/Мном
- кратность пускового момента ( берется из каталога); Мном = Рном/wном - номинальный момент двигателя; Рном - номинальная мощность
двигателя в Ваттах (каталог); wном - номинальная частота вращения электродвигателя (каталог),
если в каталоге вместо wном приводится синхронная wо,
то номинальную частоту вращения, рад/с, определяют как:
wном = wо · (1 - Sном), (15)
здесь Sном - номинальное скольжение (каталог),
обычно оно изменяется в пределах 0,06...0,07. При этом связь между синхронной
скоростью вращения, об/мин, и синхронной частотой вращения, рад/с имеет вид: wо = 0,105 nо ;
Мтр.р.м. - момент трогания рабочей машины
(берется из нагрузочной диаграммы рабочей машины для нулевого значения ее
скорости).
Н·м>11,5 Н·м
Условие верно.
. Построение характеристик рабочей машины
) Механическая характеристика машины представляет собой зависимость между
моментом сопротивления, т. е. Mс=f(w).
Механическая характеристика механизмов в общем случае описывается
уравнением:
(16)
где Мтр - момент
трогания механизма;
Мсн - момент сопротивлении при номинальной угловой скорости;
х -
показатель степени.
Для насосов показатель степени х =2.
Момент трогания насосов, вентиляторов и дробилки ориентировочно можно
принять Мтр= (0,2-0,3) Мсн. Номинальный момент сопротивления Мсн
определяется, исходя из анализа усилий, возникающих в механизме при его работе.
Номинальный момент сопротивлений дробилки, вентиляторов, насосов
определяется из выражения:
(17)
где Рн-номинальная мощность машины, Вт;
ωН-номинальная угловая скорость вала двигателя, рад/с.
Мтр= 0,3*27,1= 9,6Нм
Таблица 1 - расчет механической характеристики
|
W
|
0
|
50
|
100
|
150
|
200
|
250
|
295
|
350
|
|
Мс
|
9,6
|
10,9
|
13,2
|
16,1
|
19,7
|
24,5
|
27,1
|
32,3
|
Рисунок 2 - Механическая характеристика рабочей машины.
2) Инерционная характеристика машины представляет собой данные о величине
момента инерции машины и законов его изменения от различных факторов.
Величина момента инерции машин определяется массами движущихся деталей и
грузов и радиусами инерции. Приведенный к валу двигателя момент инерции зависит
также or кинематической характеристики
системы двигатель - машина.
Величину приведенного к валу двигателя момента инерции машины необходимо
определить как для холостого хода, так и для работы под нагрузкой. Приведенный к валу электродвигателя момент инерции машины
определяется, исходя из равенства запасов кинетической энергии до приведения и
после приведения.
(18)
где Jдв - момент инерции двигателя, кг/м2;
Jрм -
момент инерции рабочей машины, кг/м2
Jрм =
8* Jдв=8*0,23=1,84кг/м2
J=1,84+0,23=2,07
кг/м2
6. Построение механических
характетистик
Определение времени пуска проводится следующим порядке:
По пяти точкам строится механическая характеристика АД.
1т. М=0; Wo=0.015*No (19)
Wo=0.105*3000=315рад/с
т. Wн=0,105*Nн; (20) Mн=Pн/Wн (21)
Wн=0,105*2810=295
рад/с
Мн=8000/295=27,1 Н*м
т.Мкр=Мн*Мкр; (22) Sн=(Wo-Wн)/Wo;
(23)
Sкр=Sн(М*кр+
); (24) Wкр=Wo(1-Sкр); (25)
Мкр=60;
Sн=0,06; Sкр=0,25; Wкр=236;
4т.Mmin=M*min*Mn; (26)
Wmin=1/7*Wo; (27)=27,1; Wmin=45;
т.Мпуск= Мпуск*Мн; (28) Wпуск=0;
Мпуск=1,2*27,1=32,5
.На этом графике строится приведенный момент сопротивления рабочей машины
.
Н*м.
.Находим динамический момент
графическим способом.
.Находим масштаб по моменту инерции по формуле:
, (29)
где
- приведенный момент инерции,
;
- отрезок соответствующий 
.Из точки А проведём окружность радиусом
, делаем насечку на оси ординат в точке
1 соединяем точку О с горизонталью 1 линией параллельной линии [А-1], получаем
на горизонтали 1 точку 1̀. Остальные построения производятся аналогично.
.Определяем масштаб по оси вращения, для чего применим основное уравнение
движения электропривода.
, (30)
, (31)
, (32)
где
- масштаб к моменту инерции,
;
- масштаб к частоте вращения,
;
- масштаб к моменту динамическому,
.

.
; (33)
где [O-B] - отрезок соответствующий максимальной скорости вращения,
мм;

;
; (34)
где [О-Д] - отрезок соответствующий (
) критическому
динамическому моменту, мм

.
Время разгона определяется из выражения;
, (35)
где
- масштаб по оси времени, с/мм;
- отрезок соответствующий длительности разгона.
с/мм,
с
. Обоснование и описание схемы управления системой электроприводов
Требования к схеме автоматического управления
. Схема должна обеспечивать плавное или ступенчатое регулирование частоты
вращения двигателей в режиме автоматического управления.
. Схема должна предусматривать возможность перехода на ручное управление.
. Схема должна предусматривать защиту от коротких замыканий, тепловую,
обрыва фаз сети и самопроизвольного пуска.
ПРИНЦИП РАБОТЫ УСТАНОВКИ
Для повышения надежности и без перебойной работы установки, выбираем
схему с логической частью станции управления. Схема позволяет производить
управление установкой в ручном и автоматическом режимах. Для выбора режима
предназначен переключатель SA1.
Схема автоматического управления насосным агрегатом серии САУНА со
станцией управления типа ШЭП-5801-М, выпускаемая Пржевальским
электротехническим заводом ВПО "Союз преобразователь" для управления насосными
агрегатами с мощностью электродвигателя от 1 до 11 кВт.
Станция управления выполнена в виде шкафа, внутри которого смонтирована
пусковая и защитная аппаратура (силовая и логическая части станции). Она
обеспечивает ручное автоматическое и дистанционное управление (до 3 км)
насосными агрегатами и защиту электродвигателя от перегрузок и токов короткого
замыкания.
Схема работает следующим образом. Включая автоматический вы-
ключатель ОF1, подадим
напряжение в цепь управления. Для автоматической работы необходимо тумблер SА1 поставить в положение SАУ (автоматическое управление). Если
в баке водонапорной башни нет воды, следовательно, контакты (S в) и (S н) датчиков верхнего и нижнего уровня
не омываются ею, сигнал с датчика в схему не подается. Стабилитрон V12 пробивается обратным напряжением,
транзистор VТ3 открывается базовым током,
величина которого определяется резисторами R6. Реле KV1
включается и запитывает пускатель КМ.Электродвигатель включается в сеть, насос
подает воду в водонапорный бак.
При срабатывании реле KV1
его контакт в цепи (S н) датчика нижнего уровня размыкается. Когда вода
достигает датчика верхнего уровня, его контакт замыкается и от трансформатора ТV4 поступает через выпрямитель V15-V18 сигнал, пробивающий стабилитрон V11, минусовый сигнал проходят через стабилитрон V12 и запирает его.
Так как стабилитрон V12 не
открыт, то базовый ток реле через транзистор VТ3 прекращен и транзистор закрывается. Реле КV1 отключается, отключается и
пускатель КМ, контакт КV1 в
цепи S н замыкается. Электронасос отключается. Уровень воды
будет понижаться. При снижении уровня воды ниже датчика нижнего уровня, его
контакт S н размыкается и запирающий сигнал со входа транзистора VТ3 исчезает, он открывается,
включается реле KV1, включается
пускатель КМ, начинает работать электродвигатель насоса, вода поступает в бак.
Описанный выше цикл повторяется.
Станция управления защищает электродвигатель насоса в следующих аварийных
режимах: при перегрузке, при коротких замыканиях и при работе электродвигателя
на двух фазах.
Аварийный сигнал поступает в логическую часть станции управления от
согласующих трансформаторов тока ТА1…ТА3. В случае коротких замыканий,
сопровождаемых током выше 1 пуск срабатывает автоматический выключатель QP1.
В случае перегрузок, обрыва фазы или коротких замыканий, сопровождаемых
токами от 1,2 Iн до Iпуск сигнал аварии от датчиков тока
поступает на затвор транзистора VТ1
(полевого транзистора).
Время срабатывания защиты определяется временем заряда конденсатора С2 до
величины напряжения, равного пороговому (Uпорог.) напряжению транзистора VТ1 достигнет определенной величины (Uпорог.), транзистор VТ2
базовым током, протекающим по цепи эмиттер VТ2, R3,
сток-исток VТ1.
Загорается лампа НL
(авария). Сигнал авария с коллектора VТ2 через диод V10 поступает в цепь управления,
закрывается транзистор VТ3,
реле КV1 отключается. С помощью цепи R5 и V9 создается релейный эффект при
открывании транзистора VТ1 и
запоминание сигнала аварии. Повторный автоматический запуск электродвигателя
схемой исключается. Для повторного запуска электродвигателя необходимо снять, а
затем снова подать напряжение на логическую часть станции, что достигается
отключением автомата QF1.
8. Выбор аппаратуры управления и защиты
Расчет ПЗА проведем по литературе [3]
Выбор автоматического выключателя:
1. По номинальному напряжению: Uна=660В >Uс=380В
. По номинальному току: Iн >Iн.дв.

Iн>Iн Iн=63 А > Iн=18 А
Расчет тока срабатывания электромагнитного расцепителя:
ср.э=к• Iн.р
где к - кратность срабатывания электромагнитного расцепителя.
Iср.э=12•18=216 (А)
Автомат: АЕ2040 с Iн=25А
Выбор магнитного пускателя.
Выбираю магнитный пускатель КМ:
н=660 В > Uс=380 В
Iн=25 А > Iраб=18 А
Uк=Uц.упр=220В
ПМЛ 2101 У3
Uн=660 В > Uс=380 В
Iн =25 А > Iраб=18 А
Uк=220 В > Uц.упр=220 В
Выбираю промежуточное реле РПУ-2
По номинальному напряжению: Uн=220 В > Uс=220 В
Номинальный ток: Iн.теп.р. > Iц.= 3 А
Номинальный ток теплового расцепителя: Iн.теп.р.=3,5 А
Пределы регулирования 2,4-4,0(А)
Выбор сигнальной лампы.
Для световой сигнализаций выберу аппаратуру АС - 14011У3. Лампа
коммутаторная, Uл=220В, цвет светофильтра - зеленый.
Выбор кнопок управления.
По рабочему току - до 6А.
По количеству контактов - 1з - 1р.
По климатическому исполнению и категорий размещения У3.
Транзисторы - КТ380
Диоды- ЗП107А
Тиристоры-Т-10-4-0,75
Трансформаторы - ТОЛ-20
. Подсчет стоимости выбранного комплекта электрооборудования
Таблица 2 - Расчет стоимости
|
Наименования оборудования.
|
Марка, тип
|
Количество штук.
|
Стоимость единицы.
|
Стоимость рублей.
|
|
1.
Щит управления
|
ПР11
|
1
|
3560
|
3560
|
|
2. тиристоры
|
Т-10-4-0,75
|
4
|
|
|
|
3. Двигатель n=2810об/мин
|
9ПЭДВ 8-140
|
1
|
11250
|
3850
|
|
4. Автоматический
выключатель.
|
АЕ2040
|
1
|
560
|
560
|
|
5. Магнитный пускатель
|
ПЛМ2101У3
|
1
|
523
|
523
|
|
6. Промежуточное реле
|
РПУ-2
|
1
|
165
|
330
|
|
7. Кнопки управления.
|
КМЕ4111У3
|
4
|
120
|
480
|
|
8. Датчик уровня
|
СУС-100
|
2
|
570
|
1880
|
|
9 Диоды
|
ЗП107А
|
16
|
65
|
1040
|
|
10 Транзисторы
|
КТ380
|
3
|
135
|
405
|
|
11 Трансформаторы тока
|
ТОЛ-20
|
3
|
850
|
2550
|
|
12 Резисторы
|
Р358
|
6
|
570
|
|
13 Конденсаторы
|
ТКЕ-М470
|
3
|
110
|
330
|
|
|
|
|
|
|
Сумма:
|
|
|
|
24051
|
|
|
|
|
|
Данные стоимости оборудования взяты по литературе [16] и [17]
10. Расчет устойчивости системы двигатель - рабочая машина
Краткое описание, Автоматизация технологического
процесса заключается в автоматической стабилизации скорости вращения х
электропривода. Объектом управления (ОУ) является скорость вращения
исполнительного механизма (ИМ), а именно насоса. От скорости вращения
исполнительного механизма зависит подача воды. Сигнал управления приводом
формируется с помощью обратной связи по отклонению скорости от заданного
значения. Для этого предусмотрены:
·
задающее
устройство (ЗУ);
·
элемент сравнения
(ЭС)
·
первичный
измерительный преобразователь или датчик (ПИП);
·
управляющий
элемент (УЭ), который реализует пропорционально-интегральный закон
регулирования.
Задающий элемент формирует сигнал, соответствующий требуемому значению
скорости вращения. Первичный измерительный преобразователь формирует сигнал,
соответствующий реальной скорости вращения. Разность этих сигналов, получаемая
с помощью ЭС, поступает на вход УЭ, формирующего сигнал управления приводом. в
данной системе используется принцип управления по отклонению управляемой
величины от заданной, система замкнутая.
Рисунок 3. Структурная схема
Проверим систему на устойчивость.
Для этого найдем постоянную времени Т
, К=1,5 рад/сек
Находим передаточную функцию системы в разомкнутом
состоянии, когда сигнал х не поступает на вход сумматора и ε=у (рис. 6.1):
,
где К - безразмерный коэффициент передачи
разомкнутой системы.
Подставляя полученное выражение для W(s) в общее выражение для
передаточной функции замкнутой системы:
,
находим передаточную функцию рассматриваемой замкнутой
системы:
,
где знаменатель есть левая часть характеристического управления системы в
замкнутом состоянии, то есть
(Тs2 + s)eτs + Кs + k/Tи = 0.
1. Определяем устойчивость системы
По расположению корней характеристического уравнения. При τ
= 0; К=1,5; Т = 48
характеристическое управление принимает вид:
48s2 + 2,5s +
0,03 =0
Находим корни этого уравнения:
Вывод. Поскольку вещественные части комплексно-сопряженных корней меньше
нуля (корни расположены в левой полуплоскости), то система устойчива.
По критерию Гурвица. Составляем определитель Гурвица из коэффициентов
характеристического уравнения:
Находим величины всех диагональных миноров:
Δ0 = 48 > 0;
Δ1 = 2,5 > 0; Δ2 = 2,5*0,03 - 48*0 = 0,075 > 0.
Вывод. Поскольку все диагональные миноры положительны, то рассматриваемая
система устойчива.
По критерию Михайлова. Подставляя в характеристический полином s= iω, определяем вектор Михайлова:
М (iω)
= 48(iω)2 + 2,5(iω) + 0,03= Re(ω) + iIm(ω),
Re(ω) = 0,03 - 48ω2; Im(ω) = 2,5ω.
Изменяя частоту ω от 0 до ∞, устанавливаем то, что конец вектора
М(iω)
описывает годограф,
расположенный в первом и втором квадрантах комплексной плоскости.
Рис. 6.3 - Годограф Михайлова
Вывод. Годограф Михайлова начинается на положительной вещественной
полуоси последовательно проходит число квадрантов комплексной плоскости, равное
порядку характеристического уравнения. Следовательно, система устойчивая.
Заключение
Основная задача проектирования рационального электропривода состоит в том
чтобы наиболее правильно сочетать свойства всех его элементов со свойствами
рабочей машины и технологического процесса, выполняемого машинным устройством.
Свойства технологического процесса и рабочей машины, знание которых
необходимо для проектирования электропривода, описываются приводными характеристиками
машины. К этим характеристикам относятся: технологическая, кинематическая,
энергетическая, механическая, нагрузочная.
Автоматизация является одним из основных направлений в развитий
сельскохозяйственного электропривода. После внимательного изучения
технологической, кинематической характеристик машины и требований к схеме
автоматического управления составляется принципиальная схема автоматического
управления.
Литература
1. Кисаримов Р.А. Справочник электрика.- 2-е изд.,
перераб. и доп.- М.: ИП РадиоСофт, 2004. - 512с.
2. Контрольно-измерительные приборы и средства
автоматизации: каталог продукции фирмы "ОВЕН". - М.: СинФазИн, 2003.
- 152с.
. Кондратьева Н.П. "Выбор аппаратуры управления
электрических установок. Учебное пособие" - ИжГСХА, Ижевск, 2003 - 140с.
. Фокин В.В. "Автоматизированный электропривод:
Методические указания по курсовому проектированию" - ИжГСХА, Ижевск,
Издательство ШЕП, 2001 - 136с.
. П. Лекомцев. Курсовое проектирование по
эектротехнологии. Методические указания по курсовому проектированию - ИжГСХА,
Ижевск, 2003 - 136с.
6. Коломиец А.П., Ерошенко Г.П., Кондратьева Н.П., Владыкин
И.Р., Юран С.И. и др. Устройство, ремонт и обслуживание электрооборудования в
сельскохозяйственном производстве. / Учебник. - М.: Издательский центр
"Академия", 2003. - 368 с.
7. Коломиец А.П., Потапов В.А., Кондратьева Н.П.,
Владыкин И.Р. Электробезопасность на предприятиях./ Учебное пособие для
студентов ВУЗов - Ижевск: РИО "Шеп", 2003, 148с.
8. Межотраслевые правила по охране труда (правила
безопасности) при эксплуатации электроустановок (с изм. и доп.). - М.: Изд-во
НЦ ЭНАС, 2003. - 192с.
9. Правила технической эксплуатации электроустановок
потребителей. - М.: Изд-во НЦ ЭНАС, 2003. - 208 с.
. Коломиец А. П., Ерошенко Г.П., Кондратьева Н.П.,
Фокин В.В., Владыкин И.Р., Расторгуев В.М. и др. Устройство, ремонт и
обслуживание электрооборудования в сельскохозяйственном производстве. (учебник)
- М.: Издательский центр "Академия", 2003, - 368с.
. Ерошенко Г.П., Коломиец А.П., Кондратьева Н.П.,
Таран М.А., Медведько Ю.А. - Эксплуатация электрооборудования (Допущено М-СХ РФ
в качестве учебника для студентов высших учебных заведений, обучающихся по
специальности 311400 - электрификация и автоматизация с.х. ) (учебник) М.:
КолосС,- 2005
. Коломиец А.П., Кондратьева Н.П., Владыкин И.Р., Юран
С.И. - Электропривод и электрооборудование (Допущено МСХ РФ в качестве учебника
для студентов высших учебных заведений, обучающихся по специальности 311300 -
механизация с.х. ) (учебник) - М.: КолосС, 2006
. Коломиец А.П., Кондратьева Н.П., Юран С.И., Владыкин
И.Р. - Монтаж электрооборудования и средств автоматизации (311400 -
электрификация и автоматизация с.х. ) (учебник) - М.: КолосС, 2007
14. Судник А.С., Бородин
И. Ф. Автоматизация технологических процессов. - М.: КолосС, 2005.
15. Шичков Л.П.
Электрический привод. - М.: КолосС, 2006. - 279 с.: ил.