Проект системы электроснабжения завода 'Уральская кузница'
ОГЛАВЛЕНИЕ
ВВЕДЕНИЕ
ТЕХНИЧЕСКИЙ
ПАСПОРТ ПРОЕКТА
КРАТКАЯ
ХАРАКТЕРИСТИКА ПРЕДПРИЯТИЯ
СРАВНЕНИЕ ОТЕЧЕСТВЕННЫХ И ПЕРЕДОВЫХ ЗАРУБЕЖНЫХ ТЕХНОЛОГИЙ И РЕШЕНИЙ
1. РАСЧЕТ
НАГРУЗОК ПРОМЫШЛЕННОГО ПРЕДПРИЯТИЯ
.1 Общие
положения
.2
Определение приведенного числа электроприемников
1.3 Расчет
электрических нагрузок по электроремонтному цеху
1.4 Расчет
электрических нагрузок по предприятию
1.5 Нагрузка
группы цехов
.6 Расчет
картограммы электрических нагрузок предприятия
. ВЫБОР И
ОБОСНОВАНИЕ ЧИСЛА, ТИПА И МОЩНОСТИ ЦЕЛОВЫХ ТРАНСФОРМАТОРНЫХ ПОДСТАНЦИЙ
ПРЕДПРИЯТИЯ
3. ВЫБОР И
ТЕХНИКО-ЭКОНОМИЧЕСКОЕ ОБОСНОВАНИЕ, СХЕМЫ И НАПРЯЖЕНИЯ ВНЕШНЕГО ЭЛЕКТРОСНАБЖЕНИЯ
3.1 Выбор
мощности трансформаторов ГПП и напряжения схемы внешнего электроснабжения
3.2
Технико-экономическое обоснование схемы внешнего электроснабжения предприятия
.2.1 Вариант
35 кВ.
3.2.2 Вариант
110 кВ.
3.3
Технико-экономические показатели сравниваемых схем внешнего электроснабжения
3.4 Выбор
трансформаторов тока на каждом присоединении
. ВЫБОР
ВЕЛИЧИНЫ НАПРЯЖЕНИЯ И СХЕМЫ ВНУТРЕННЕГО ЭЛЕКТРОСНАБЖЕНИЯ ПРЕДПРИЯТИЯ, РАСЧЕТ
ПИТАЮЩЕЙ ЛИНИИ
4.1 Выбор
величины напряжения
.2 Выбор
схемы внутреннего электроснабжения
4.3
Конструктивное выполнение электрической сети
.4 Расчет
питающих линий
5. РАСЧЕТ
ТОКОВ КОРОТКОГО ЗАМЫКАНИЯ
6. ВЫБОР
ЭЛЕКТРООБОРУДОВАНИЯ СЭС ПРОМЫШЛЕННОГО ПРЕДПРИЯТИЯ
.1 Выбор
выключателей, разъединителей, трансформаторов тока и напряжения
.2 Проверка
кабеля на термическую стойкость
6.3 Выбор
оборудования высоковольтного распределительного пункта РП-1
6.4 Выбор токопроводов для трансформаторов собственных нужд
6.5 Выбор
изоляторов
.6 Выбор
трансформатора собственных нужд
. КОМПЕНСАЦИЯ
РЕАКТИВНОЙ МОЩНОСТИ В СЭС ПРОМЫШЛЕНОГО ПРЕДПРИЯТИЯ
. РАСЧЕТ
ПАРАМЕТРОВ КАЧЕСТВА ЭЛЕКТРОЭНЕРГИИ
9. РАСЧЕТ
ЗАЩИТЫ ВЫСОКОВОЛЬТНОГО ДВИГАТЕЛЯ И ПУСКОВОГО УСТРОЙСТВА
.1 Расчет
защиты высоковольтного синхронного двигателя СТД 3150-10
9.1.1 Защита от многофазных коротких
замыканий
9.1.2 Защита
от перегруза - МТЗ с выдержкой времени
9.1.3 Защита минимального напряжения
.1.4 Защита от асинхронного режима
.1.5 Защита от замыканий на землю
9.2 Расчет защиты пускового устройства УБПВД-С-10-500УХЛ4
9.2.1 Защита
от многофазных коротких замыканий
.2.2 Защита
от токовых перегрузок
.2.3 Защита
от понижения питающего напряжения
.2.4 Защита
от повышения напряжения
.2.5 Защита
от затяжного пуска
.
БЕЗОПАСНОСТЬ ЖИЗНЕДЕЯТЕЛЬНОСТИ
.1 Планировка
и конструктивная часть ГПП
.2 Средства
защиты
.3 Контроль
изоляции
.4 Расчет
освещения ГПП
.5 Пожарная
безопасность
.6 Защита ГПП
от грозовых перенапряжений
.7 Расчет
заземления
.8 Вентиляция
помещения аккумуляторных батарей
.9
Компенсация емкостных токов
.
ЭКОНОМИЧЕСКАЯ ЧАСТЬ
.1 Расчет
временных параметров сетевого графика
.1.1Составление
индивидуального перечня работ и построение сетевого графика
.1.2 Расчет
ожидаемой продолжительности выполнения работ
.1.3 Расчет
параметров событий сетевого графика
.1.4 Расчет
параметров работ сетевого графика
.1.5 Расчет
параметров СГ в целом
10.2 РАСЧЕТ СТОИМОСТНЫХ ПАРАМЕТРОВ СЕТЕВОГО ГРАФИКА
10.2.1 Расчет трудоемкости работ
10.2.2 Расчет
сметной стоимости работ
11.
АВТОМАТИЗИРОВАННЫЕ СИСТЕМЫ КОНТРОЛЯ И УЧЕТА ЭЛЕКТРОЭНЕРГИИ (СПЕЦИАЛЬНЫЙ ВОПРОС)
11.1 Общие
сведения
11.2 Общее
описание АСКУЭ системы «КАПС-МИУС»
.3 Общее
описание АСКУЭ с использованием программно-аппаратным комплексом (ПАК) «Корона-1»
ЗАКЛЮЧЕНИЕ
БИБЛИОГРАФИЧЕСКИЙ
СПРАВОЧНИК
ВВЕДЕНИЕ
Развитие промышленности и требования прогресса диктуют необходимость
совершенствования промышленной электроэнергетики: создание экономичных надежных
систем электроснабжения промышленных предприятий, автоматизированных систем
управления электроустановками и технологическими процессами. Все это ставит
большие задачи перед работниками проектных, монтажных и наладочных организаций,
работающих в области электрификации промышленности.
Главными задачами проектирования и эксплуатации современных систем
электроснабжения являются: правильное распределение электроэнергетики,
обеспечение необходимой степени надежности электроснабжения, обеспечение
необходимого качества электроэнергии на шинах подстанции, экономия
электроэнергии и других материальных ресурсов.
Важным аспектом при проектировании систем электроснабжения становится
экономия электроэнергии, ввиду ограниченности энергоресурсов и их удорожания по
мере использования, а также нехваткой мощностей электростанций из-за увеличения
единичной мощности потребителей. Около 10-15% электроэнергии теряется при
передаче от источника до приемника. Решить этот вопрос можно посредством
увеличения напряжения сетей, как внешних, так и внутренних, обеспечения
оптимального коэффициента загрузки трансформаторов, применения глубоких вводов,
уменьшения уровней трансформации, равномерно распределения однофазных
приемников по фазам, компенсация реактивной мощности непосредственно у
потребителя.
Решение выше изложенных проблем, воплощение в жизнь перспективных
направлений электроэнергетики является первоочередным в процессе разработки
качественной и надежной системы электроснабжения, что в частности и отражает
эта работа.
ТЕХНИЧЕСКИЙ
ПАСПОРТ ПРОЕКТА
1. Суммарная установленная мощность электроприемников предприятия
напряжением ниже 1 кВ - 24158кВт.
. Суммарная установленная мощность электроприемников предприятия
напряжением выше 1 кВ -28910кВт, из них:
синхронные двигатели:
хСТД-630 кВт;
хСТД-800 кВт;
хСТД-1600 кВт;
хСТД-3150 кВт.
. Категория основных потребителей по надежности электроснабжения:
Потребители 2 категории:
малый кузнечный участок;
большой кузнечный участок;
заготовительный участок;
термический участок;
цех обработки дисков;
цех обработки штампов;
энергетический цех;
турбокомпрессорная.
Потребители 3 категории:
склад готовых изделий;
электроремонтный цех;
ремонтно-механический цех;
заводоуправление.
. Полная расчетная мощность на шинах главной понизительной подстанции:
34307 кВА.
. Коэффициент реактивной мощности:
заданный энергосистемой - 0,5;
расчетный - 0.
. Напряжение внешнего электроснабжения: 110 кВ.
. Мощность короткого замыкания в точке присоединения к энергосистеме
2866,3 МВА, тип и сечение питающих линий; ВЛ-110 провод: АС-70/11.
. Расстояние от предприятия до питающей подстанции “Мисяш”: 6 км.
. Количество, тип и мощность трансформаторов ГПП: 2хТРДН - 25000/110/10
. Напряжение внутреннего электроснабжения предприятия: 10кВ.
. Тип принятых ячеек распределительного устройства ГПП
ЗРУ ГПП: ячейки К-105-10-31,5У3.
РП: ячейки К-105-10-31,5У3.
. Количество цеховых трансформаторных подстанций - 11
. Тип, мощность и количество трансформаторов цеховых ТП:
ТМЗ - 1600 кВА - 4 шт.;
ТМЗ - 630 кВА - 2 шт.;
ТМЗ - 400 кВА - 2 шт.;
ТМЗ - 160 кВА - 3 шт.
. Количество низковольтных распределительных пунктов: 1
. Тип и сечение кабельных линий:
10 кВ - ААШвУ сечением от 3х35 до 3х185 мм2;
0,4 кВ - ААШвУ сечением 4х185.
КРАТКАЯ
ХАРАКТЕРИСТИКА ПРЕДПРИЯТИЯ
Открытое акционерное общество “Уральская кузница” (далее предприятие)
основан 15 марта 1942 года. Предприятие является крупнейшим в России
производителем штамповок из легированных сталей, жаропрочных и титановых
сплавов. Предприятие расположено на восточной окраине города Чебаркуля
Челябинской области.
В настоящее время предприятие выпускает:
штамповки фланцев в обточенном состоянии, из углеродистых и нержавеющих
сталей;
штамповки крюков грузоподъемностью от 2,5 до 50 тон;
штамповочные оси грузовых вагонов железнодорожного состава;
штамповочные оси локомотивов подвижного состава;
оси трамвайных вагонов;
бандажи колес трамвайных вагонов;
крышки шаровых запорных кранов для газо- и нефтепроводов;
штамповки дисков компрессоров и турбин авиадвигателей;
штамповки для аэрокосмического комплекса;
штамповки коленвалов для автотракторной промышленности, судовых
двигателей, компрессоров с массой от 3 до 800 кг (в том числе и на экспорт),
штамповки шатунов этих же назначений с массой от 1,5 до 450 кг;
цельнокатаные кольца;
штамповки долотьев для золотодобывающей промышленности;
штамповки кулачковых валов, шестерен, валиков, звездочек, крышек и др.
Штамповки проходят испытание механических свойств при обычных и
повышенных температурах, люминесцентным контролем поверхности, ультразвуковым
контролем структуры.
Основными потребителями продукции предприятия являются предприятия
практически всех отраслей машиностроения. Кроме этого, продукция предприятия
широко реализуется на внешних рынках не только в странах ближнего зарубежья, но
и в США, Словакии, Югославии, КНР, Индии, Болгарии, Германии.
Климатическая характеристика района:
район по толщине стенки гололеда II,
район по скоростному напору ветра II,
средняя максимальная температура воздуха-22,6С,
средняя максимальная температура грунта-14,2С,
коррозионная активность грунта средняя.
Характеристика электроприемников предприятия:
потребляемый ток переменный, промышленной частоты;
годовое число часов использование максимума нагрузки 4355ч.
Стоимость электроэнергии по двух ставочному тарифу для 110кВ:
основная ставка- 218,58 руб./кВт в месяц;
дополнительная ставка- 1,153 руб./кВт ч.
СРАВНЕНИЕ ОТЕЧЕСТВЕННЫХ И ПЕРЕДОВЫХ ЗАРУБЕЖНЫХ ТЕХНОЛОГИЙ И РЕШЕНИЙ
Автоматические выключатели (автоматы) - наиболее широко известные и
привычные защитные устройства. Предназначены для предохранения цепи от
короткого замыкания и перегрузок по току. Они пришли на смену перегорающим
«пробкам» - одноразовым предохранителям - лет 20-30 назад. Сегодня автоматы
снабжены специальным механизмом - расцепителем, который непосредственно
воздействует на исполнительный механизм выключателя и размыкает электрическую
цепь.
Все автоматические выключатели применяются либо для бытового назначения,
либо для промышленных целей (общего и специального назначения).
Большинство представленных на российском рынке современных бытовых
автоматических выключателей - комбинированные. Они имеют электромагнитный и
тепловой расцепитель и могут одновременно защищать и от перегрузок сети, и от
коротких замыканий (КЗ). Электромагнитный расцепитель (на базе электромагнита)
способен защитить цепь от короткого замыкания, когда ток мгновенно возрастает
до критических значений, в 5-10 раз (категория С) превышающих номинальные
показатели. Автомат при этом должен отключить цепь за время порядка 0,01
секунды. Тепловой расцепитель имеет, например, биметаллическую пластину, изменяющую
свою форму при нагреве. Этот элемент предупреждает критические перегрузки,
сопровождающиеся значительным разогревом проводников, изоляция которых может
воспламениться. Автомат с таким механизмом при нагрузке, превышающей
номинальное значение на 13%, должен отключить цепь в течение часа.
Аналогичные процессы происходят и в промышленных цепях, где уровень
коммутируемых токов может достигать десятки и сотни килоампер. В таких защитных
автоматах используются и более сложные расцепители (полупроводниковые,
микропроцессорные), применяются системы токоограничения и селективности.
Повышение требований к электро и пожаробезопасности вызвало резкий спрос
на устройства защитного отключения (УЗО). УЗО - это быстродействующий
автоматический выключатель, реагирующий на дифференциальный ток (ток утечки) в
проводниках, подводящих электроэнергию к защищаемой электроустановке.
Рынок отечественных УЗО слаборазвит и пока не может конкурировать с
зарубежными аналогами.
При правильной эксплуатации автоматические выключатели должны служить
15-20 лет. С другой стороны потребность в автоматах постоянно растет из-за
ввода в действие новых промышленных и бытовых объектов.
Особенности выключателей ВА57-35.
Трехполюсные автоматические выключатели типа ВА57 предназначены для применения
в электрических цепях с напряжением 400/690В переменного тока частотой 50 и 60
Гц, их защиты от токов короткого замыкания, токов перегрузки, недопустимых
снижений напряжения, а также для нечастых оперативных включений и отключений.
Номинальные токи выключателей до 630 А.
Отключающая способность - до 40 кА.
Широкий диапазон установок электромагнитных расцепителей.
Вспомогательные контакты (ВК) и вспомогательные контакты сигнализации
(ВКС) автоматического отключения.
Независимый расцепитель (НР).
Расцепители минимального (PMН) и нулевого напряжения (PНН).
Кнопка тестирования механизма свободного расцепления.
Ручной дистанционный привод для оперирования через дверь.
Технические характеристики автоматического выключателя DPX - Legrand от
16 до 1600 A.
Существует возможность координировать различные типы автоматических
выключателей. Магнитотермические автоматические выключатели: серия DPX от 16 до
1250 A, включают защиту от перегрузок переменного и постоянного тока и от
коротких замыканий. Все автоматические выключатели имеют возможность
регулирования термической установки. Порог магнитной установки можно
регулировать на моделях DPX250, 400 и 1250.
Электронные автоматические выключатели: от 160 до 1600 A, включают больше
защитных функций и более широкие диапазоны регулирования тока и времени
отключения. Также в них предусматриваются функции сигнализации, измерения и
связи и эксплуатируются они только при переменном токе.
Таблица 1-Электрические параметры автоматического выключателя DPX250
|
Электрические характеристики
DPX250
|
Показатели
|
|
Максимальное рабочее
напряжение, В
|
690AC, 250DC
|
|
Номинальный ток, A
|
25, 40, 63, 100, 160, 250
|
|
Отключающая способность, kA
|
36, 70, 100
|
|
Термическая установка
|
(0,64...1)In
|
|
Магнитная установка
|
(3,5...10)In
|
|
Клеммы для кабеля
|
150мм2
|
|
Полюса
|
3Р 4Р 3P+N/2
|
1. РАСЧЕТ
НАГРУЗОК ПРОМЫШЛЕННОГО ПРЕДПРИЯТИЯ
.1 Общие
положения
Электрические нагрузки систем электроснабжения определяют для выбора
числа и мощности силовых трансформаторов, мощности и места подключения
компенсирующих устройств, выбора и проверки токоведущих элементов по условию
допустимого нагрева, расчета потерь и колебаний напряжения и выбора защиты.
Определение расчетной нагрузки на разных ступенях системы
электроснабжения предприятия проводим по методу упорядоченных диаграмм.
Расчетная активная нагрузка группы трехфазных электроприемников на всех
ступенях питающих и распределительных сетей находим по средней нагрузке и
коэффициенту максимума.
, (1)
где
Кра - расчетный коэффициент по активной мощности [1];
Киа
- коэффициент использования по активной мощности [1];
Рном-
номинальная активная мощность i-го приемника, кВт.
Расчетная
реактивная мощность определяется по формуле:
, (2)
где
- коэффициент реактивной мощности i-го
электроприемника [2];
Крр
- расчетный коэффициент реактивной мощности группы электроприемников,
определяющиеся величиной nэ [1];
nэ - эффективное число
электроприемников.
При nэ ≤ 10, то Крр=1,1, при nэ > 10, то Крр=1.
Полная расчетная нагрузка группы трехфазных электроприемников
определяется из выражения:
. (3)
Расчетный
ток:
. (4)
Расчетная нагрузка осветительных электроприемников определяется по
удельной осветительной нагрузке на единицу производственной поверхности пола с
учетом коэффициента спроса:
, (5)
где
Kсо -
коэффициент спроса по активной мощности осветительной нагрузки [3];
Pуо - удельная осветительная нагрузка на 1 м2 производственной
поверхности [3];
F - поверхность
пола цеха м2 .
Данные о Киа, cosφ как отдельных электроприемников, так
и для характерных групп электроприемников по отраслям промышленности,
производится в справочнике.
1.2
Определение приведенного числа электроприемников
При расчетах электрических нагрузок, пользуются следующими выражениями
для определения эффективного числа электроприемников.
При
Киа<0.2
(6)
При
Киа>0.2
(7)
где Pном.max - номинальная мощность самого мощного
электроприемника в группе (цехе).
Под nэ понимается такое число одинаковых по
режиму работы мощности электроприемников, которая обуславливает то же значение
расчетного максимума, что и группа различных по мощности и режиму работы
электроприемников.
1.3 Расчет
электрических нагрузок по электроремонтному цеху
Рассмотрим расчет электрических нагрузок по цеху на примере
электроремонтного цеха. Для расчета электрических нагрузок на различных
ступенях СЭС цеха используется таблица 2.Средняя активная нагрузка за наиболее
загруженную смену для каждого электроприемника или группы электроприемников
определяется по формуле:
. (8)
Среднее
значение коэффициента использования:
(9)
Среднее
значение
:
(10)
Расчетная
активная и реактивная нагрузка для 2-го уровня определяется из формул (1) и
(2).
Вычисляются
для цеха значения коэффициентов Киа, tg φ, cos φ , а также полная расчетная мощность Sр и расчетный ток Iр цеха. Расчетные значения Pр и Qр по цеху
определяется из формул (1) и (2).
1.4 Расчет
электрических нагрузок по предприятию
Расчет производится по укрупненным показателям, так как заданны суммарные
установленные мощности электроприемников по цехам, но неизвестен их состав.
Низковольтные и высоковольтные ЭП рассчитываются отдельно, результаты сводим в
таблицу 3 и 4. Число nэ для большинства цехов находится в
пределах от 5 до 50. Коэффициент использования Ки и cos φ выбирается в соответствии с группой
цеха и характером нагрузки Расчетный коэффициент по активной и реактивной
мощности равны.
Таблица 2 - Расчет электрических нагрузок электроремонтного цеха
|
Исходные данные
|
Расчетные величины
|
nэ
|
Кра
|
Расчетные мощности
|
Ip , А
|
|
По заданию технологов
|
Справочные
|
Pc, кВт
|
Qc, квар
|
n * Р2ном
|
|
|
Рр, кВт
|
Qp , квар
|
Sp кВА
|
|
|
Наименование Э.П.
|
Кол ЭП n
|
Ном. мощн. привед. к длит.
реж., кВт
|
киа
|
соs φ
|
|
|
|
|
|
|
|
|
|
|
1
|
2
|
3
|
4
|
5
|
6
|
7
|
8
|
9
|
10
|
11
|
12
|
13
|
14
|
15
|
|
РП-1 Участок разборки
двигателей.
|
|
1.Уст для мойки дел
|
1
|
5,5
|
5,5
|
0,4
|
0,65
|
2,2
|
2,57
|
30,25
|
|
|
|
|
|
|
|
2.Муфильная печь
|
1
|
3
|
3
|
0,7
|
0,95
|
2,1
|
0,67
|
9
|
|
|
|
|
|
|
|
3.Камера обдувки
|
1
|
11
|
11
|
0,4
|
0,7
|
4,4
|
4,49
|
121
|
|
|
|
|
|
|
|
4.Тепловая завеса
|
2
|
7
|
14
|
0,6
|
0,8
|
8,4
|
6,3
|
98
|
|
|
|
|
|
|
|
5.Пресс гидравлич.
|
1
|
4
|
4
|
0,2
|
0,65
|
0,8
|
0,93
|
16
|
|
|
|
|
|
|
|
6.Ст.настольн-свер.
|
1
|
1,5
|
1,5
|
0,18
|
0,65
|
0,27
|
0,31
|
2,25
|
|
|
|
|
|
|
|
Итого по РП-1
|
9
|
|
39
|
0,46
|
|
18,1
|
15,3
|
276,5
|
5,5
|
1,08
|
19,6
|
16,3
|
25,5
|
36,8
|
|
РП-2 Монтажный участок
|
|
7. Пресс гидравлич.
|
1
|
10
|
10
|
0,2
|
0,65
|
2
|
2,34
|
100
|
|
|
|
|
|
|
|
8.Нождак отрезной
|
1
|
4
|
4
|
0,24
|
0,65
|
0,96
|
1,12
|
16
|
1
|
4
|
4
|
0,18
|
0,65
|
0,72
|
0,84
|
16
|
|
|
|
|
|
|
|
10.Ст.настольн-свер
|
1
|
2
|
2
|
0,18
|
0,65
|
0,36
|
1,5
|
4
|
|
|
|
|
|
|
|
Итого по РП-2
|
4
|
|
20
|
0,2
|
|
4,04
|
5,8
|
1600
|
2
|
3,39
|
13,56
|
13,56
|
19,18
|
27,7
|
|
РП-3 Участок механической
обработки
|
|
11.Ст.настольн-свер
|
2
|
1
|
2
|
0,18
|
0,6
|
0,36
|
0,48
|
2
|
|
|
|
|
|
|
|
12.Ст.токарно-винт.
|
1
|
15
|
15
|
0,18
|
0,65
|
2,7
|
3,16
|
225
|
|
|
|
|
|
|
|
13.Ст.точил.-шлиф.
|
2
|
3
|
6
|
0,12
|
0,4
|
0,72
|
1,65
|
18
|
|
|
|
|
|
|
|
14.Ст.отрезной
|
1
|
1,5
|
1,5
|
0,13
|
0,45
|
0,19
|
0,38
|
2,25
|
|
|
|
|
|
|
|
15.Ст.консол.-фрез.
|
1
|
4
|
4
|
0,14
|
0,6
|
0,56
|
0,74
|
16
|
|
|
|
|
|
|
|
16.Ст.токарно-винт.
|
1
|
11
|
11
|
0,16
|
0,65
|
1,76
|
2,06
|
121
|
|
|
|
|
|
|
|
17.Ст.унивр-фрезер.
|
1
|
4
|
4
|
0,13
|
0,5
|
0,52
|
0,9
|
16
|
|
|
|
|
|
|
|
18.Листогибоч.маш.
|
1
|
10
|
10
|
0,18
|
0,65
|
1,8
|
2,1
|
100
|
|
|
|
|
|
|
|
19. Пресс ножницы
|
1
|
4
|
4
|
0,2
|
0,65
|
0,8
|
0,93
|
16
|
|
|
|
|
|
|
|
1
|
2
|
3
|
4
|
5
|
6
|
7
|
8
|
9
|
10
|
11
|
12
|
13
|
14
|
15
|
|
20. Пресс ножницы
|
1
|
17
|
17
|
0,2
|
0,65
|
3,4
|
3,97
|
289
|
|
|
|
|
|
|
|
21.Ст.попер.строгат
|
1
|
5,5
|
5,5
|
0,2
|
0,65
|
1,1
|
1,28
|
30,25
|
|
|
|
|
|
|
|
22. Пресс гидравл.
|
1
|
5,5
|
5,5
|
0,2
|
0,65
|
1,1
|
1,28
|
30,25
|
|
|
|
|
|
|
|
23.Нождак
|
1
|
1,5
|
1,5
|
0,13
|
0,5
|
0,19
|
0,33
|
2,25
|
|
|
|
|
|
|
|
Итого по РП-3
|
15
|
|
87
|
0,17
|
|
15,2
|
19,2
|
868
|
8,72
|
1,33
|
20,2
|
20,2
|
28,5
|
41,2
|
|
РП-4 Сборочный участок
|
|
24.Ст.обмоточный
|
1
|
5
|
5
|
0,18
|
0,65
|
0,9
|
1,05
|
25
|
|
|
|
|
|
|
|
25.Ст.настол.-сверл.
|
1
|
1,5
|
1,5
|
0,14
|
0,55
|
0,27
|
0,32
|
2,25
|
|
|
|
|
|
|
|
26.Каллориферы
|
6
|
4
|
24
|
0,7
|
0,8
|
16,8
|
12,6
|
96
|
|
|
|
|
|
|
|
Итого по РП-4
|
8
|
|
30,5
|
0,58
|
|
17,9
|
13,9
|
123,2
|
7,54
|
1,07
|
19,1
|
14,8
|
24,2
|
34,9
|
|
РП-5 Сварочная
|
|
27.Свароч. аппарат
|
3
|
4
|
12
|
0,4
|
0,5
|
4,8
|
8,3
|
48
|
|
|
|
|
|
|
|
28.Свароч. аппарат
|
2
|
9
|
18
|
0,4
|
0,5
|
7,2
|
12,4
|
162
|
|
|
|
|
|
|
|
29.Свароч. аппарат
|
2
|
12
|
24
|
0,4
|
0,5
|
9,6
|
16,6
|
288
|
|
|
|
|
|
|
|
30.Нождак
|
1
|
1,5
|
1,5
|
0,13
|
0,45
|
0,19
|
0,38
|
2,25
|
|
|
|
|
|
|
|
31.Ст.настол-сверл.
|
1
|
1,5
|
1,5
|
0,14
|
0,5
|
0,21
|
0,36
|
2,25
|
|
|
|
|
|
|
|
Итого по РП-5
|
9
|
|
57
|
0,38
|
|
22
|
38,1
|
502,5
|
6,46
|
1,11
|
24,4
|
40,4
|
47,2
|
68,1
|
|
РП-6 Покрасочная
|
|
32.Сушильная печь
|
1
|
9
|
9
|
0,55
|
0,7
|
4,95
|
5,05
|
81
|
|
|
|
|
|
|
|
33.Сушильная печь
|
1
|
12
|
12
|
0,5
|
0,7
|
6,6
|
6,73
|
144
|
|
|
|
|
|
|
|
34.Кран балка
|
1
|
7
|
7
|
0,25
|
0,5
|
1,75
|
3,03
|
49
|
|
|
|
|
|
|
|
35.Вентиляция
|
1
|
5
|
5
|
0,7
|
0,8
|
3,5
|
2,62
|
25
|
|
|
|
|
|
|
|
Итого по РП-6
|
4
|
|
33
|
0,5
|
|
16,8
|
17,4
|
299
|
3,64
|
1,21
|
20,3
|
18,8
|
27,7
|
39,9
|
|
РП-7 Участок изготовления
проволоки
|
|
36.Печь эмалирован
|
1
|
35
|
35
|
0,7
|
0,96
|
24,5
|
7,1
|
1225
|
|
|
|
|
|
|
|
37.Печь обжига
|
1
|
10
|
10
|
0,7
|
0,96
|
7
|
2,03
|
100
|
|
|
|
|
|
|
|
38.Ст.валочный
|
1
|
1,5
|
1,5
|
0,13
|
0,19
|
0,33
|
2,25
|
|
|
|
|
|
|
|
39.Ст.для правки проволоки
|
1
|
1,5
|
1,5
|
0,14
|
0,55
|
0,21
|
0,32
|
2,25
|
|
|
|
|
|
|
|
40.Ст.размотачный
|
1
|
1,5
|
1,5
|
0,14
|
0,55
|
0,21
|
0,32
|
2,25
|
|
|
|
|
|
|
|
41.Ст.настол.-сверл.
|
1
|
1,5
|
1,5
|
0,13
|
0,5
|
0,19
|
0,33
|
2,25
|
|
|
|
|
|
|
|
Итого по РП-7
|
6
|
|
51
|
0,63
|
|
32,3
|
10,4
|
1334
|
1,95
|
1,02
|
33,1
|
11,7
|
35,1
|
50,6
|
|
Итого по Э.Р.Ц.
|
55
|
|
357
|
0,38
|
0,71
|
135
|
134
|
5299
|
24
|
0,85
|
115
|
139
|
180
|
260
|
|
Освещение Э.Р.Ц.
|
|
|
34,5
|
0,98
|
0,7
|
|
|
|
|
|
34
|
34
|
|
|
|
Всего с учетом освещения
|
|
|
|
|
|
|
|
|
|
|
149
|
173
|
228
|
330
|
1.5
Нагрузка группы цехов
Таблица 3 - Нагрузка группы цехов
|
Наименование цехов
|
Рном, кВт
|
nэ
|
Киа
|
cosφ
|
Pс, кВт
|
Qс, квар
|
Kра
|
|
1
|
2
|
3
|
4
|
5
|
6
|
7
|
8
|
|
Нагрузка 0,4 кВ
|
|
|
|
|
|
|
|
|
1. Малая кузница
|
1441
|
32
|
0,5
|
0,85
|
720,5
|
446,7
|
0,8
|
|
2.Большая кузня
|
7828
|
40
|
0,6
|
0,85
|
4697
|
2912
|
0,85
|
|
3.Заготовительный участок
|
2140
|
25
|
0,5
|
0,85
|
1070
|
663,4
|
0,8
|
|
4.Термический участок
|
4524
|
20
|
0,6
|
0,9
|
2714,4
|
1303
|
0,9
|
|
5.Цех обработки дисков
|
3800
|
15
|
0,5
|
0,8
|
1900
|
1425
|
0,85
|
|
6.Э.Р.Ц.
|
357
|
24
|
0,38
|
0,71
|
135,6
|
135,6
|
0,85
|
|
7.Р.М.Ц.
|
1440
|
50
|
0,3
|
0,65
|
432
|
505,4
|
0,7
|
|
8.Склад готовых изделий
|
170
|
5
|
0,3
|
0,6
|
51
|
67,8
|
1
|
|
9.Цех обработки штампов
|
1668
|
23
|
0,5
|
0,85
|
834
|
517
|
0,85
|
|
10.Заводоуправление
|
270
|
4
|
0,4
|
0,65
|
108
|
126,3
|
1,06
|
|
11.Энергетический цех
|
270
|
20
|
0,8
|
0,85
|
216
|
134
|
0,85
|
|
12.Турбо компрессорная
|
250
|
12
|
0,8
|
0,85
|
200
|
124
|
0,9
|
|
Итого 0,4 кВ
|
24158
|
|
|
|
13078,5
|
|
|
|
Наименование цехов
|
Pр, кВт
|
Qр, квар
|
F, м2
|
Pуд. осв
|
tgφ
|
Kосв
|
Pр. осв, кВт
|
Qр.осв, квар
|
Pр+Pр. осв, кВт
|
Qр+Qр.ос, квар
|
Sр, кВА
|
|
1
|
9
|
10
|
11
|
12
|
13
|
14
|
15
|
16
|
17
|
18
|
19
|
|
1. Малая кузница
|
576,4
|
357,3
|
3744
|
0,02
|
1
|
0,85
|
63,6
|
63,6
|
640
|
420,9
|
766
|
|
2.Большая кузня
|
3992
|
2475
|
17712
|
0,02
|
1
|
0,85
|
301,1
|
301,1
|
4293
|
2776
|
5112
|
|
3.Заготовительнй участок
|
856
|
530,7
|
5832
|
0,02
|
1
|
0,85
|
99,1
|
99,1
|
955,1
|
629,8
|
1144
|
|
4.Термический участок
|
2443
|
1172
|
9072
|
0,02
|
1
|
0,85
|
154,2
|
154,2
|
2597,2
|
1327
|
2916
|
|
5.Цех обработки дисков
|
1615
|
1211
|
9504
|
0,02
|
1
|
0,9
|
171
|
171
|
1786
|
1382
|
2258
|
|
6.Э.Р.Ц.
|
115,2
|
115,2
|
1728
|
0,02
|
1
|
0,98
|
34
|
34
|
149,2
|
149,2
|
211
|
|
7.Р.М.Ц.
|
302,4
|
353,8
|
7776
|
0,025
|
1
|
0,85
|
165,2
|
165,2
|
467,6
|
519
|
698,6
|
|
8.Склад готовых изделий
|
51
|
67,8
|
4284
|
0,015
|
1
|
0,85
|
54,6
|
54,6
|
105,6
|
122,4
|
161,6
|
|
9.Цех обработки штампов
|
708,9
|
439,5
|
12096
|
0,02
|
1
|
0,85
|
205,6
|
205,6
|
914,5
|
645,1
|
1119
|
|
10.Заводоуправление
|
114,5
|
134
|
972
|
0,025
|
1
|
0,9
|
23,1
|
23,1
|
137,6
|
157,1
|
208,8
|
|
11.Энергетический цех
|
183,6
|
113,8
|
3024
|
0,015
|
1
|
0,85
|
38,5
|
38,5
|
222,1
|
152,3
|
269,3
|
|
12.Турбо компрессорная
|
180
|
111,6
|
1440
|
0,015
|
1
|
0,85
|
18,3
|
198,3
|
129,9
|
237
|
|
Итого 0,4 кВ
|
11138
|
7082
|
77184
|
|
|
|
1328,3
|
1328,3
|
|
8410
|
|
|
Освещение территории
|
|
|
769428
|
0,002
|
1
|
1
|
1538,8
|
1538,8
|
|
|
|
Таблица 4 - Нагрузка 10 кВ
|
Нагрузка 10 кВ
|
Рном, кВт
|
n,шт
|
Киа
|
cosφ
|
Pс, кВт
|
Qс, квар
|
Kр
|
Pр, кВт
|
Qр, квар
|
|
Энергетический цех
|
|
1-6 СТД -630
|
3780
|
6
|
0,7
|
0,9
|
2646
|
-1270
|
1
|
2646
|
-1270
|
|
7-10 СТД -800
|
3200
|
4
|
0,7
|
0,9
|
2240
|
-1075
|
1
|
2240
|
-1075
|
|
Турбо компрессорная
|
|
11-16 СТД -3150
|
18900
|
6
|
0,8
|
0,9
|
15120
|
-7257,6
|
1
|
15120
|
-7257,6
|
|
19 СТД -1600
|
1600
|
1
|
0,75
|
0,9
|
1200
|
-576
|
1
|
1200
|
-576
|
|
Большая кузня
|
|
17 СТД-800
|
800
|
1
|
0,7
|
0,9
|
560
|
-264,8
|
1
|
560
|
-264,8
|
|
18 СТД-630
|
630
|
1
|
0,65
|
0,9
|
409,5
|
-196,6
|
1
|
409,5
|
-196,6
|
|
Итого 10 кВ
|
28910
|
19
|
|
|
22175,5
|
-10640
|
|
22175,5
|
-10640
|
1.6 Расчет
картограммы электрических нагрузок предприятия
Картограмма нагрузок представляет собой размещенные на генплане
окружности, центры которых совпадают с центрами цехов, а площади кругов
пропорциональны расчетным активным нагрузкам. Каждый круг делится на секторы,
площади которых пропорциональны расчетным активным нагрузкам электроприемников
напряжением до 1000В, электроприемников напряжением выше 1000В и электрического
освещения. Радиус окружности R и
углы секторов для каждого вида нагрузки αj цеха определяем по формулам:
, (11)
где m - масштаб принятый при построение картограммы нагрузок, кВт/мм2.
Масштаб m
определяется по формуле:
,(12)
где Pp min - минимальная мощность цеха.
кВт/мм2,
Определяем
углы секторов окружности:
;(13)
; (14)
, (15)
где
Ppi, Pp.H.i, Pp.B.i, Pp.осв.i - расчетные
активные нагрузки соответственно всего цеха, электроприемников напряжением до
1000В, электроприемников напряжением выше 1000В и электрического освещения,
кВт/мм2.
Центр
электрических нагрузок предприятия является символическим центром потребления
электрической энергии (активной мощности) предприятия, координаты которого
находим по формулам:
;(16)
, (17)
где xi, yi - координаты центра i - го цеха на плане
предприятия, м.
Расчеты картограммы сводим в таблицу 5.
Место расположения главной понизительной подстанции выбрано с координатами
исходя из следующих условий:
центра электрических нагрузок;
площади необходимой для размещения ГПП;
розы ветров;
рельефа местности;
наличия коридоров для прокладки воздушных и кабельных линий с учетом
охранной зоны.
Таблица 5 - Картограмма нагрузок
|
Наименование цехов
|
Pp , кВт
|
Рр н, кВт
|
Рр.в, кВт
|
Рр осв, кВт
|
Х, м
|
Y, м
|
R, мм
|
α
н, град
|
α в, град
|
α
осв, град
|
|
1. Малая кузница
|
640
|
576,4
|
-
|
63,6
|
385
|
191
|
20,2
|
324
|
0
|
36
|
|
2.Большая кузня
|
5262,6
|
3992
|
969,5
|
301,1
|
405
|
238
|
57,9
|
273,1
|
66,3
|
20,6
|
|
3.Заготов-ый участок
|
955,1
|
856
|
-
|
99,1
|
325
|
226
|
24,7
|
322,6
|
0
|
37,4
|
|
4.Термический участок
|
2597,2
|
2443
|
-
|
154,2
|
510
|
238
|
40,7
|
338,6
|
0
|
21,4
|
|
5.Цех обработки дисков
|
1786
|
1615
|
-
|
171
|
260
|
345
|
33,7
|
325,5
|
0
|
34,5
|
|
6.Э.Р.Ц.
|
149,2
|
115,2
|
-
|
34
|
377
|
110
|
9,7
|
278
|
0
|
82,0
|
|
7.Р.М.Ц.
|
467,6
|
302,4
|
-
|
165,2
|
383
|
145
|
17,3
|
232,8
|
0
|
127,2
|
|
8.С.Г.И.
|
105,6
|
51
|
-
|
54,6
|
557
|
240
|
8,2
|
173,9
|
0
|
186,1
|
|
9.Цех обработки штампов
|
914,5
|
708,9
|
-
|
205,6
|
260
|
237
|
24,1
|
279,1
|
0
|
80,9
|
|
10.Заводоуправление
|
137,6
|
114,5
|
-
|
23,1
|
180
|
167
|
9,4
|
299,6
|
0
|
60,4
|
|
11.Энергетический цех
|
5108,1
|
183,6
|
4886
|
38,5
|
443
|
96
|
57,0
|
12,9
|
344
|
2,7
|
|
12.Турбо компрессорная
|
16518,3
|
180
|
16320
|
18,3
|
409
|
304
|
102,6
|
3,9
|
356
|
0,4
|
|
Итого
|
34641,8
|
11138
|
22175,5
|
1328,3
|
405,7
|
250,7
|
|
|
|
|
X0
= 405,7 м;
Y0
= 250,7 м.
ГПП сместим в сторону питания, т.к. установка ГПП в ЦЭН не возможна из-за
ограничения местности: Xгпп=409 м; Yгпп=347 м.
2. ВЫБОР И
ОБОСНОВАНИЕ ЧИСЛА, ТИПА И МОЩНОСТИ ЦЕЛОВЫХ ТРАНСФОРМАТОРНЫХ ПОДСТАНЦИЙ
ПРЕДПРИЯТИЯ
Выбираемые нами цеховые ТП предназначены для понижения напряжения с
общезаводского до уровня напряжения цеховой сети.
Мощность трансформаторов определяется требуемой надежности
электроснабжения, размером площади, на которой они размещены и т.п.. При одной
и той же равномерно распределенной нагрузке с увеличением площади цеха должна
уменьшаться единичная мощность трансформаторов.
Существует связь между экономически целесообразной мощностью отдельного
трансформатора Sэ.т цеховых ТП и плотностью σ
электрической нагрузки
цеха. Для того, чтобы определить Sэ.т необходимо получить σ:
, (18)
где
- расчетная электрическая нагрузка цеха, кВА;
-
площадь цеха, м2.
Но
во многих случаях выбор мощности трансформаторов цеховых ТП по условию (14) не
получается, поэтому в общем случае мощность трансформаторов корректируется в
зависимости от величины расчетной нагрузки цеха, а также ее категории, числа
типа габаритов трансформаторов на предприятии и ряда других факторов.
Произведем
подробные расчеты по выбору трансформаторов малой кузницы. Нагрузка цеха Ррцеха
= 640 кВт, Qрцеха =420,9 квар, Sрцеха = 766 кВА, площадь
цеха Fц=3744 м2 . Категория по надежности
электроснабжения - 2. Тогда:
Таким
образом, Sэ.т=1250 кВА. Так как потребитель 2 категории, то
количество трансформаторов на ТП равно 2 (ni), а допустимый
коэффициент загрузки 0,8 (Кздi). Примем к установке
двухтрансформаторную подстанцию с трансформаторами марки ТМЗ (Т - трехфазный, М
- масляный, З - защищенного исполнения). Sэ.т = 1250 кВА, а это не
целесообразно, т.к кз - коэффициент загрузки в нормальном режиме
очень мал, то произведем выбор трансформатора:
(19)
кВА.
Определим придельную реактивную мощность, которую могут пропустить
выбранные трансформаторы.
(20)
.
Величина Q1p является расчетной, поэтому в общем случае
реактивная нагрузка трансформатора Q1 не равна ей:
Q1i = Q1pi, если Q1pi < Qpi ; (21)
Qpi, если Q1pi ≥ Qpi .
Таким образом, Q1=0 квар, а мощность конденсаторных
батарей необходимых для восполнения реактивной мощности:
(22)
квар.
Коэффициенты
загрузки трансформатора в нормальном и послеаварийном режимах соответственно:
, (23)
, (24)
где nтв/рез -число взаимно резервированных
трансформаторов;
nт
-общее число
трансформаторов в цехе.
,
Коэффициенты загрузки трансформатора в послеаварийном режиме Кз=1,6,
что не допустимо, значит, в после аварийном режиме часть нагрузки отключим.
Определяем потери мощности в трансформаторах.
Для трансформатора ТМЗ-400/10/0,4
Рхх = 0,95 кВт, Ркз = 5,5 кВт, Iхх =
2,1%, uкз= 4,5% [4], таким образом:
активные потери в трансформаторах:
, (25)
кВт.
Реактивные
потери в трансформаторе:
(26)
Тогда
активные и реактивные мощности на стороне высшего напряжения трансформаторов:
кВт;
квар.
Полная
мощность:
, (27)
кВА.
Для всех остальных цехов подобные расчеты сведены в
таблице 6.
Таблица 6 - Выбор цеховых ТП
|
Наименование цехов
|
Категория по надеж.
|
Рр, кВт
|
Qр, квар
|
Sр, кВА
|
Fц, м2
|
σ, кВАм2
|
Sэт, кВА
|
Sном, кВА
|
Тип
|
№ ТП
|
Число ТР на ТП
|
Кз доп
|
Q1P, квар
|
Q1, квар
|
Qк = Qр - Q1доп, квар
|
Кз нор
|
|
1
|
2
|
3
|
4
|
5
|
6
|
7
|
8
|
9
|
10
|
12
|
13
|
14
|
15
|
16
|
17
|
|
1.Малая кузница
|
2
|
640
|
420,9
|
766
|
3744
|
0,2
|
1250
|
400
|
ТМЗ
|
1
|
2
|
0,8
|
2
|
0
|
421
|
0,8
|
|
2.Большая кузница
|
2
|
4293
|
2776
|
5112
|
217712
|
0,29
|
1600
|
1600
|
ТМЗ
|
2,3
|
2
|
0,8
|
2791
|
2776
|
0
|
0,67
|
|
3.Заготовительный участок
|
2
|
955,1
|
629,8
|
1144
|
5832
|
0,19
|
1250
|
630
|
ТМЗ
|
4
|
2
|
0,8
|
322,2
|
322
|
308
|
0,8
|
|
Термический участок
|
2
|
2597
|
1327
|
2916
|
9072
|
0,32
|
|
|
|
|
|
|
|
|
|
|
|
С.Г.И.
|
3
|
105,6
|
122,4
|
161,6
|
4284
|
0,04
|
|
|
|
|
|
|
|
|
|
|
|
4.Итого
|
2
|
2702
|
1449
|
3066
|
13356
|
0,23
|
1600
|
1600
|
ТМЗ
|
5
|
2
|
0,85
|
307
|
307
|
1142
|
0,85
|
|
5.Цех обработки дисков
|
2
|
1786
|
1382
|
2258
|
9504
|
0,23
|
1600
|
1600
|
ТМЗ
|
6
|
2
|
0,8
|
1834
|
1382
|
0
|
0,56
|
|
Э.Р.Ц.
|
3
|
149,2
|
149,2
|
211
|
1728
|
0,12
|
|
|
|
|
|
|
|
|
|
|
|
Р.М.Ц.
|
3
|
467,6
|
519
|
698,6
|
7776
|
0,09
|
|
|
|
|
|
|
|
|
|
|
|
6.Итого
|
3
|
616,8
|
668,2
|
909,3
|
9504
|
0,09
|
630
|
400
|
ТМЗ
|
7
|
2
|
0,95
|
444
|
444
|
224
|
0,8
|
|
7.Цех обработки штампов
|
2
|
914,5
|
645,1
|
1119
|
12096
|
0,09
|
630
|
630
|
ТМЗ
|
8
|
2
|
0,8
|
424
|
424
|
221
|
0,8
|
|
8.Заводоуправление
|
3
|
137,6
|
157,1
|
208,8
|
972
|
0,21
|
1250
|
160
|
ТМЗ
|
9
|
1
|
0,95
|
64,6
|
64,6
|
92,5
|
0,85
|
|
9.Энергетический цех
|
2
|
222,1
|
152,3
|
269,3
|
3024
|
0,09
|
630
|
160
|
ТМЗ
|
10
|
2
|
0,8
|
127,3
|
127,3
|
25
|
0,8
|
|
10.Т.К
|
2
|
198,3
|
129,9
|
237
|
1440
|
0,16
|
1000
|
160
|
ТМЗ
|
11
|
2
|
0,8
|
161,9
|
129,9
|
0
|
0,62
|
В столбце Кзп/ав * указывает, что в п/ав режиме нужно
отключить часть нагрузки.
|
Наименование цехов
|
Кзп/ав
|
∆Рхх, кВт
|
∆Ркз, кВТ
|
Iхх, %
|
Uкз, %
|
∆Рт, кВТ
|
∆Qт, кВт
|
∆Рт+Рр,
кВт
|
∆Qт+Q1,
квар
|
Sр кВА
|
|
1
|
18
|
19
|
20
|
21
|
22
|
23
|
24
|
25
|
26
|
27
|
|
1.Малая кузница
|
1,4*
|
0,95
|
5,5
|
2,1
|
4,5
|
8,94
|
39,8
|
649
|
460,7
|
796
|
|
2.Большая кузня
|
1,34
|
2,8
|
15
|
1,3
|
5,5
|
38,1
|
241
|
4331,1
|
3017,2
|
5278
|
|
3.Заготов-ый участок
|
1,4*
|
1,31
|
7,6
|
1,2
|
5,5
|
11,4
|
67,8
|
966,5
|
697,6
|
1192
|
|
Термический участок
|
|
|
|
|
|
|
|
|
|
|
|
С.Г.И
|
|
|
|
|
|
|
|
|
|
|
|
4.Итого
|
1,4*
|
2,8
|
15
|
1,3
|
5,5
|
26,7
|
165
|
2729,3
|
1614,8
|
3171
|
|
5.Цех обработки дисков
|
1,12
|
2,8
|
15
|
1,3
|
5,5
|
15
|
96,8
|
1801
|
1479
|
2330
|
|
Э.Р.Ц
|
|
|
|
|
|
|
|
|
|
|
|
Р.М.Ц.
|
|
|
|
|
|
|
|
|
|
|
|
6.Итого
|
1,4*
|
0,95
|
5,5
|
2,1
|
4,5
|
8,42
|
38,1
|
625,2
|
706,3
|
943,3
|
|
7.Цех обработки штампов
|
1,4*
|
1,31
|
7,6
|
1,2
|
5,5
|
10,5
|
51
|
925
|
696,1
|
1157,6
|
|
8.Заводоуправление
|
-
|
2,7
|
4
|
5,5
|
2,7
|
12,9
|
140,3
|
170
|
220,4
|
|
9.Энергетический цех
|
1,4*
|
0,7
|
2,7
|
4
|
5,5
|
3,9
|
21,1
|
226
|
173,5
|
285
|
|
10.Т.К.
|
1,24
|
0,7
|
2,7
|
4
|
5,5
|
3,5
|
19,5
|
201,8
|
194,4
|
251
|
Местоположение подстанций выбираем по возможности ближе к центрам
электрических нагрузок с учетом расположения технологического оборудования. Все
устанавливаемые нами подстанции внутрицеховые и встроенные. На ТП используются
трансформаторы масляные (ТМЗ).
3. ВЫБОР И
ТЕХНИКО-ЭКОНОМИЧЕСКОЕ ОБОСНОВАНИЕ, СХЕМЫ И НАПРЯЖЕНИЯ ВНЕШНЕГО ЭЛЕКТРОСНАБЖЕНИЯ
.1 Выбор
мощности трансформаторов ГПП и напряжения схемы внешнего электроснабжения
Величина напряжения питания ГПП завода определяется наличием конкретных
источников питания, уровнями напряжения на них, расстоянием от ГПП до этих
источников, возможностью сооружения воздушных линий для передачи электроэнергии
и другими факторами.
Из всех возможных вариантов внешнего электроснабжения выберем
оптимальный, то есть имеющий наилучшие технико-экономические показатели. Для
этого находим величину рационального напряжения с помощью формулы Стилла:
, (28)
где
l - длина питающей ГПП линии, равная 6 км;
Рр.п.
- расчетная активная нагрузка предприятия, которую находим по формуле:
, (29)
, кВт,
где
Ком=0,85 - коэффициент одновременности максимума;
Рр.
нн - расчетная активная высоковольтная нагрузка всех цехов и других
потребителей;
Рр.вн
- расчетная активная высоковольтная нагрузка предприятия;
Рос
цех - расчетная активная нагрузка освещения цехов;
Рос
тер - расчетная активная нагрузка освещения территории;
∆Р∑Т
- суммарные потери в трансформаторах ТП.
Тогда рациональное напряжение
кВ.
Сравним варианты внешнего электроснабжения предприятия 35 и 110 кВ.
Полная расчетная нагрузка предприятия, необходимая для выбора
трансформаторов главной понизительной подстанции:
, (30)
где
- экономически целесообразная реактивная мощность на
стороне внешнего напряжения главной понизительной подстанции, потребляемая
предприятием от энергосистемы (
).
- потери
реактивной мощности в трансформаторах главной понизительной подстанции, квар.
; (31)
. (32)
На 110 кВ:
Мощность трансформаторов главной понизительной подстанции выбирается
исходя из соотношения:
; (33)
.
К установке принимаем трансформатор ТРДН-25000/110/10.
Коэффициенты загрузки трансформаторов в нормальном и послеаварийном
режимах определяем по формуле (34):
;(34)
.
.
Аналогично
и для варианта 35 кВ проводим расчет силового трансформатора, учитывая, что
, по формулам (30), (31), (32):
,
,
.
Мощность
трансформаторов главной понизительной подстанции определяем по формуле(33):
.
К установке принимаем трансформатор ТРДН-25000/35/10.
Коэффициенты загрузки трансформаторов в нормальном и послеаварийном
режимах определяем по формуле (34):
,
.
Результаты расчетов сведены в таблицу 7.
Таблица 7 - Сравнение вариантов целесообразного напряжения
|
Параметры
|
Напряжение сети, кВ.
|
|
|
35
|
110
|
|
Sр.п, МВА
|
32900,8
|
33962,3
|
|
|
Qэ1 (DQгпп), кВар
|
12517,8 (2359,3)
|
15646,6 (2449,1)
|
|
|
Sт, МВА
|
23500,5
|
24258
|
|
|
Тип трансформаторов
|
ТРДН-25000/35
|
ТРДН-25000/110
|
|
|
Sном.т, МВА
|
25
|
25
|
|
|
Uв.н,кВ
|
36,75
|
115
|
|
|
Uн.н,кВ
|
10,5
|
11
|
|
|
Рхх,кВт
|
25
|
25
|
|
|
Рк,кВт
|
115
|
120
|
|
|
Uк,%
|
10
|
10,5
|
|
|
Iхх,%
|
0,5
|
0,5
|
|
|
Кзагр.норм
|
0,658
|
0,679
|
|
|
|
|
|
|
|
|
Схемы внешнего электроснабжения на 35 и 110 кВ
одинаковы по составу оборудования и отличаются лишь типоразмерами оборудования
и включением в нейтраль трансформатора 110 кВ ЗОН-110.
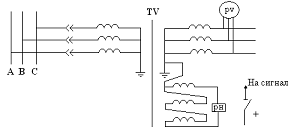
Рисунок
1- Схема внешнего электроснабжения на 35 кВ
Рисунок
2- Схема внешнего электроснабжения на 110 кВ
3.2
Технико-экономическое обоснование схемы внешнего электроснабжения предприятия
.2.1
Вариант 35 кВ
Определим потери мощности в силовых трансформаторах ГПП. Параметры
трансформаторов ТРДН-25000/35: ∆Рхх = 25 кВт, ∆Ркз = 115 кВт, Iхх =
0,5%, Uкз =10% [5]. Потери мощности в трансформаторах находим по формулам:
Потери мощности в силовых трансформаторах:
, (35)
(36)
кВт;
квар.
Потери электрической энергии в трансформаторах:
; (37)
,
где
Тг=8760 часов - годовое число часов работы предприятия.
; (38)
,
где
Тм=4355часов - годовое число часов использования максимума активной нагрузки.
Расчет линии электропередач от районной подстанции энергосистемы до
главной понизительной подстанции. Нагрузка в начале линии:
, (39)
.
Расчетный
ток линии в нормальном режиме:
,
(40)(48)
А.
Ток в послеаварийном режиме:
, (41)
А.
Сечение
проводов линии по экономической плотности тока
:
, (42)

.
Стандартное
сечение - провод АС-240/32, Iдоп=605А, r0=0,12 Ом/км, х0=0,405 Ом/км. Проверка
по нагреву в послеаварийном режиме:
А.
Потери активной энергии в проводах линии за 1 год:
, (43)
,
Расчет токов короткого замыкания в начале отходящих линии от подстанции
энергосистемы и на вводах в главную понизительную подстанцию.
Исходная схема и схема замещения для расчетов короткого замыкания
приведена на рисунке 3.
б=1000 МВА, Uб=37 кВ.
По данным предприятия расчётный ток короткого замыкания в месте
присоединения ВЛ к энергосистеме 14,39кА.
Мощность короткого замыкания:
, (44)
МВА.
Сопротивление системы:
; (45)
о.е.
Сопротивление
воздушной линии:
; (46)
о.е.
; (47)
А.
Рисунок 3 - Схема замещения для расчета токов короткого замыкания
Определим
ток короткого замыкания в точке К1,
.
Периодическая
составляющая постоянна в течение всего процесса замыкания:
, (48)

.
Ударный
ток короткого замыкания:
, (49)
,
где
=1,8- ударный коэффициент [6] .
Апериодическая
составляющая:
; (50)
где Та - постоянная времени затухания апериодической составляющей, для
установок напряжением выше 1000 В, Та = 0,05 с.
Устанавливаем вакуумный выключатель типа: ВВК-35Б-20 с встроенным
приводом.
τ =
, (51)
где tc.з = 0,01 - время срабатывания защиты;.в =0,03 -собственное время
отключения (с приводом) выключателя [4].
τ = 0,01 + 0,03= 0,04 с.
ia.τ =
= 8,07 кА.
Тепловой импульс:
Вк = Iпо2 ( tо + Ta ), (52)
tо = tрз +tов, (53)
где tрз - время срабатывания релейной защиты (МТЗ); ов - полное время
отключения выключателя [4].
о=
0,37 +0,07 = 0,44 с.
Вк = 12,72 (0,44 +0,05) = 79,03
.
Определим показатели тока короткого замыкания в точке К2 (48), (49),(50),
(52):
, (54)
,
,
,
,
Вк =
8,892 ∙(0,44 +0,05) =38,73 кА2 с.
Согласно завода изготовителя апериодическая составляющая в отключаемом
токе для времени τ равна:
Iаном
=
Iоткл.ном.,(55)
где βн - содержание апериодической составляющей, равное 35%.
Iаном=
∙20
= 9,9 кА.
Выбор коммутационной аппаратуры в начале отходящих линий от подстанции
энергосистемы и на вводе главную понизительную подстанцию.
Выбранные типы аппаратов и их паспортные данные [4] сведены в таблицу 8.
Таблица 8 -
Аппаратура 35 кВ
|
Расчетные данные
|
Каталожные данные
|
|
Выключатель ВВК-35Б-20
|
Разъединитель
РДЗ.2-35/1000У1
|
Тр-р. тока ТФЗМ-35М-У1
|
|
Uс= 35 кВ
|
Uн =35 кВ
|
Uн =35 кВ
|
Uн =35 кВ
|
|
Iраб.max
=546,1А
|
Iн =1000
А
|
Iн =1000
А
|
Iн = 400
А
|
|
Iп,о=Iп,τ=12,7 кА
|
Iоткл.ном
=20 кА
|
-
|
-
|
|
iа,τ = 8,07 кА
|
iа ном =9,9
кА
|
-
|
-
|
|
iуд =39,7кА
|
iдин = 51
кА
|
iдин = 63
кА
|
iдин = 84
кА
|
|
Bк =
79,03 к с тер∙tтер=202∙3=1200 кА2с тер∙tтер=2500к с тер∙tтер=152∙3=675 кА2с
|
|
|
|
Для
защиты трансформаторов от перенапряжений в питающей сети устанавливаем
.
3.2.2
Вариант 110 кВ
Определим потери мощности в силовых трансформаторах ГПП по формулам (35),
(36). Параметры трансформаторов ТРДН-25000/110: ∆Рхх=25 кВт, ∆Ркз=120
кВт, Ixx=0,5%, Uк=10,5%. Потери мощности в трансформаторах:
.
.
Потери
электроэнергии по формуле (37):
.
Нагрузка
в начале линии электропередач по формуле (39):
.
Расчетный
ток одной цепи линии по формуле (40):
.
Послеаварийный
ток в линии по формуле (41):
.
Сечение
проводов по экономической плотности тока по формуле (42):
.
Минимальное
сечение по короне для 110кв: 70
.
Устанавливаем провод АС-70/11 с характеристиками: 
, 
, 
[7].
Проверка по нагреву: 265А > 176,4А.
Потери
активной энергии в проводах линии за 1 год определяем по формуле (43):
.
По
данным предприятия расчётный ток короткого замыкания в месте присоединения ВЛ к
энергосистеме 14,39 кА.
Исходная схема и схема замещения для расчетов короткого замыкания
приведены на рисунке 4. Определяем параметры схемы замещения. Нам задана
мощность короткого замыкания на шинах подстанции энергосистемы.
Принимаем:
,
.
Рисунок 4 - Исходная схема и схема замещения для расчета токов короткого
замыкания
Мощность короткого замыкания определяем по формуле (44):
МВА.
Сопротивление системы определяем по формуле (45):
о.е.
Сопротивление, максимальный рабочий, ударный ток и воздушной линии 110 кВ
в относительных единицах определяем по формулам (46), (47), (49):
.
.
.
Выбираем
коммутационную аппаратуру в начале отходящих линий от подстанции энергосистемы
и на вводе главную понизительную подстанцию.
Намечаем к установке на подстанции системы и ГПП однотипные элегазовые
выключатели ВГБ-110-40/2000У1 с встроенными трансформаторами тока.
Апериодическую составляющую тока определяем по формуле (50).
кА,
где
с - время расхождения контактов;
Та - постоянная времени затухания апериодической составляющей, для
установок напряжением выше 1000В, Та = 0,05 с.
Тепловой импульс (52):
кА2·с.
Определим показатели тока короткого замыкания в точке К-2 (48),
(49),(50), (52), (54):
Х2 = 0,349+0,186=0,535 о.е.
Iк2
=
.
iу =
.
iaτ =
.
кА2·с.
Т.к. ток короткого замыкания меньше на шинах ГПП, то выбранный тип
выключателя по номинальному напряжению, по Iном, Iдин, Iотк ном проходит.
Согласно завода изготовителя апериодическая составляющая в отключаемом
токе для времени τ равна:
iаном =
∙Iоткл.ном.,
(56)
где
βн - содержание апериодической составляющей = 30%.
аном=
∙40
=17 кА.
Выбранные
типы аппаратов и их паспортные данные сведены в таблицу 9.
Для
защиты трансформаторов от перенапряжении в питающей сети устанавливаем ОПН -
У110/77, в нейтраль силового трансформатора включаем ОПН-У110/56, ЗОН-110У (Iн
= 400 А,
tтер = 380 кА2с).
Таблица
9 - Параметры выключателя и разъединителя
|
Расчетные данные
|
Каталожные данные
|
|
Выключатель
ВГБ-110-40/2000У1
|
Разъединитель РДЗ
-110/1000У1
|
Трансформатор тока ТВ - 110
|
|
Uс= 110
кВ
|
Uн =110
кВ
|
Uн =110
кВ
|
Uн =110
кВ
|
|
Iраб.max =
175,7А
|
Iн =2000
А
|
Iн =1000
А
|
Iн =2000
А
|
|
Iп,о=Iп,τ=14,39кА
|
Iоткл.ном
= 40 кА
|
-
|
-
|
|
iа,τ = 8,27 кА
|
iа ном =
14,14 кА
|
-
|
-
|
|
iуд =36,6
кА
|
iдин =
100 кА
|
iдин = 80
кА
|
iдин = 82
кА
|
|
Bк =
19,67 к с тер∙tтер= 4800 к ∙с тер∙tтер= 992к ∙с тер∙tтер= 4800 к ∙с
|
|
|
|
3.3
Технико-экономические показатели сравниваемых схем внешнего электроснабжения
При сравнении вариантов учитываются: коммутационная аппаратура отходящих
линий от питающей подстанции энергосистемы, воздушные линии, вводные
коммутационные аппараты главной понизительной подстанции, силовые
трансформаторы главной понизительной подстанции.
Годовые приведенные затраты находятся по формуле:
, (57)
где
=0,213 - общие ежегодные отчисления от капитальных
вложений, это сумма нормативного коэффициента Ен=0,12, отчислений на
амортизацию, обслуживания, текущий ремонт
;
- сумма
капитальных затрат i-ой группы одинаковых электроприёмников;
-стоимость
годовых потерь электроэнергии.
Результаты расчетов экономических показателей сведены в таблицы 8 и 9.
При проектировании сетей электроснабжения промышленных предприятий
учитывается стоимость потерь электроэнергии по двухставочному тарифу:
. (58)
, (59)
где
- поправочный коэффициент;
-
удельная стоимость потерь электроэнергии;
Км = ∆Рэ/∆Рм = 0,85-отношение потерь активной мощности
предприятия ∆ Рэ в момент наибольшей активной нагрузки энергосистемы к
максимальным потерям ∆Рм активной мощности предприятия [8].
Для варианта 35 кВ:
-основная
ставка тарифа;
-стоимость
1
электроэнергии;
-
поправочный коэффициент.
руб/кВт
ч.
Для
варианта 110 кВ:
-
основная ставка тарифа;
-
стоимость 1
электроэнергии;
.
руб/кВт
ч.
Результаты
сравнения вариантов сведены в таблицы 10, 11.
Таблица 10 - Технико-экономическое сравнение показателей схем внешнего
электроснабжения
|
Наименование оборудования
|
Единицы измерения
|
Стоимость единицы, тыс.руб
|
Капиталовложения, тыс.руб
|
Отчисления Е, о.е.
|
Затраты К*Е, тыс.руб
|
Потери электроэнергии ∆А,
кВт*ч
|
Стоимость потерь
электроэнергии Сэ
|
|
1
|
2
|
3
|
4
|
5
|
6
|
7
|
8
|
9
|
|
35 кВ
|
|
Разъеденитель
РДЗ.2-35/1000У1
|
полюс
|
14
|
15
|
190
|
0,213
|
41,53
|
|
|
|
Выключатель ВВК-35Б-20
|
шт
|
4
|
615
|
2460
|
0,213
|
523,98
|
|
|
|
ОПН-У-35/38,5
|
шт
|
6
|
14
|
84
|
0,213
|
17,89
|
|
|
|
Трансформатор силовой
ТРДН-25000/35
|
шт
|
2
|
3500
|
7000
|
0,213
|
1491
|
711075
|
|
|
1
|
2
|
3
|
4
|
5
|
6
|
7
|
8
|
9
|
|
Трансформатор тока
ТФЗМ-35М-У1
|
шт
|
6
|
95
|
570
|
0,213
|
121,41
|
|
|
|
ВЛ-35 на ЖБ опорах
(двухцепная)
|
км
|
6
|
750
|
4500
|
0,168
|
756
|
923460
|
|
|
Итого
|
|
|
|
14809
|
|
2951,81
|
1634535
|
3501
|
|
110 кВ
|
|
Разъединитель
РДЗ.2-110/1000У1
|
полюс
|
14
|
35
|
490
|
0,213
|
969,15
|
|
|
|
Выключатель
ВГБ-110-40/2000У1
|
шт
|
4
|
1000
|
4000
|
0,213
|
852
|
|
|
|
ОПН-У110/56, ОПН-У110/77
|
шт
|
8
|
32
|
256
|
0,213
|
53,89
|
|
|
|
Трансформатор силовой
ТРДН-25000/110
|
шт
|
2
|
4000
|
8000
|
0,213
|
1704
|
741427
|
|
|
Трансформатор тока ТВ-110
|
шт
|
6
|
120
|
720
|
0,213
|
153,36
|
|
|
|
ЗОН-110У
|
полюс
|
6
|
15
|
90
|
0,213
|
19,17
|
|
|
|
ВЛ-110 на ЖБ опорах
(двухцепная)
|
км
|
6
|
700
|
4200
|
0,168
|
705,6
|
314870
|
|
|
Итого
|
|
|
|
17721
|
|
4457,17
|
1056297
|
2139
|
Таблица 11 - Сравнение экономических показателей схем внешнего
электроснабжения
|
Вариант
|
Капитальные затраты К,
тыс.руб
|
Приведенные капитальные
затраты ΣЕiКi, тыс.руб
|
Потери электроэнергии Σ∆А,кВт*ч
|
Стоимость потерь
электроэнергии Сэ, тыс.руб
|
Приведенные затраты З,
тыс.руб
|
|
35 кВ
|
14809
|
2951,81
|
1658976
|
3501
|
6453
|
|
110 кВ
|
17721
|
4457,17
|
1062590
|
2139
|
6596
|
Приведенные затраты для рассмотренных схем приблизительно одинаковы, при
выборе оптимального варианта следует обратиться к техническим показателям. При
сравнении вариантов внешнего электроснабжения таким показателем является
величина напряжения питания. Согласно «Правилам устройства электроустановок»
принимаем вариант 110кВ, так как его экономические показатели хуже лишь на
2,17%, что не превышает 10…15%.
3.4 Выбор
трансформаторов тока на каждом присоединении
Трансформаторы тока используем встроенные в выключатель «ВГБ-110У1»
ТВ-110 и дополнительные расчеты на динамическую и термическую стойкость не
производим.
К обмотке трансформатора тока класса 0,5 на подстанции системы включены
многофункциональные трехфазные счетчики электроэнергии типа СЭТ 3р-01-07А
предназначены для:
учета активной и реактивной энергии в трехфазных цепях переменного тока
трансформаторного или прямого включения, в одно- и много тарифных режимах;
использования в составе автоматизированных систем контроля и учета
электроэнергии (АСКУЭ) и передачи измеренных или вычисленных параметров на
диспетчерский пункт по контролю, учету распределенной электрической энергии.
От атмосферных и коммутационных перенапряжений устанавливаем ограничители
перенапряжений ОПН-У-110-77 с Uном=110 кВ. В нейтрали
трансформаторов устанавливаем ограничители перенапряжений. Они предназначены
для защиты нейтрали трансформаторов ОПН-У-110/56 от коммутационных
перенапряжений при отключенном положении заземляющих ножей в нейтрали
трансформатора.
4. ВЫБОР
ВЕЛИЧИНЫ НАПРЯЖЕНИЯ И СХЕМЫ ВНУТРЕННЕГО ЭЛЕКТРОСНАБЖЕНИЯ ПРЕДПРИЯТИЯ, РАСЧЕТ
ПИТАЮЩЕЙ ЛИНИИ
4.1 Выбор
величины напряжения
В настоящее время на предприятиях промышленности целесообразно
устанавливать трансформаторы для цеховых ТП, имеющие высшее напряжение 10 кВ.
Это связано с тем, что при 10 кВ меньше токи, а следовательно меньше потери в
сети и ее элементах, чем при высшем напряжении 6 кВ. Также промышленностью
почти прекращен выпуск трансформаторов с ВН 6 кВ.
4.2 Выбор
схемы внутреннего электроснабжения
Схема внутреннего электроснабжения на заводе выполняется кабельными
линиями по магистральному и радиальному принципу. Полная схема представлена в
графической части.
На предприятии небольшие нагрузки, т.е. нет крупных потребителей, а,
следовательно, нет необходимости использования токопроводов для передачи
потоков мощности. Также на заводе имеет место большое количество цехов
(потребителей). Питание цеховых ТП осуществляем по магистральным и радиальным
линиям. К каждой магистрали присоединяется не более трех ТП. К некоторым ТП
(это уже было определено при выборе трансформаторов цеховых ТП) подключены РПН.
Магистрали в большинстве своем двойные сквозные. К ним подключаются как
потребители 2 и 3 категорий. Для потребителей 2 категории ТП двух
трансформаторные с резервированием на стороне НН, трансформаторы в нормальном
режиме работают раздельно, а в послеаварийном режиме, в случае, если один из
трансформаторов неисправен, то второй принимает всю нагрузку. Для потребителей
2 категории на стороне НН на секционном выключателе предусматривается АВР
(автоматический ввод резерва). Потребители 3 категории питаются по одной
магистрали.
4.3
Конструктивное выполнение электрической сети
Выбор способа распределения электроэнергии зависит от величины
электрических нагрузок и их размещения, плотности застройки предприятия,
конфигурации технологических, транспортных и других коммуникаций, загрязненности
грунта на территории предприятия и т.д.
Как уже было сказано, сеть выполнена кабельными линиями. Кабели
прокладываются в траншеях не более шести кабелей в траншее, марки кабелей
полностью пригодны для прокладки в такой почве (температура почвы на глубине
0,7 м - 15 градусов по шкале Цельсия при 22,6 градусах окружающей среды,
средняя коррозионная активность, наличие блуждающих токов, без колебаний и
растягивающих усилий). Для напряжения 0,4 кВ сеть выполнена кабелями,
проложенными в траншеях. В траншее кабель закрыт полнотелым кирпичом.
4.4 Расчет
питающих линий
Питающие линии - кабельные линии (КЛ). Сечение кабелей 10 кВ определяем
по экономической плотности тока и проверяем по допустимому току кабеля в
послеаварийном режиме работы с учетом условий его прокладки и допустимой
перегрузки, потере напряжения и термической стойкости к токам короткого
замыкания. Расчет сводим в таблицу 12.
Расчетный ток кабельной линии:
, (60)
где
- мощность, которая должна передаваться по кабельной
линии в нормальном режиме.
Сечение
КЛ, определяемое по экономической плотности тока:
,
(61)
где
- экономическая плотность тока для кабеля марки ААШвУ
при Тим=4355,
А/мм2 [9].
По
результатам расчетов выбираем кабель, имеющий ближайшее стандартное сечение по
отношению к
. Для выбранного кабеля записываем допустимый ток
.
Допустимый
ток кабеля с учетом условий его прокладки рассчитываем по формуле:
, (62)
где
поправочный коэффициент на число параллельно
прокладываемых кабелей в траншее [5];
поправочный
коэффициент на температуру среды, в которой прокладывается кабель [5].
Под
послеаварийным режимом понимается режим, когда выходит из строя одна из двух
КЛ, питающих потребители 1 и 2 категорий. При этом нагрузка на линии
удваивается, т.е.
. Допустимая нагрузка кабеля в послеаварийном режиме:
, (63)
где
- коэффициент перегрузки [5];
- число
параллельных кабелей в кабельной линии.
Потеря
напряжения в кабельной линии (КЛ):
, (64)
где
Pp, Qp - расчетная активная и реактивная нагрузка;o,
xo - удельное индуктивное и активное сопротивление кабеля;- длина
КЛ.
Проверку
КЛ по термической стойкости к току короткого замыкания проводим в пункте 6 и
принимаем окончательное сечение кабеля.
Таблица
11 - Расчет кабельных линий
|
Конечные пункты КЛ
|
Рр, кВт
|
Qр, кВАр
|
Sр, кВА
|
Iр.к, А
|
Fэ, мм
|
Fтс, мм
|
Марка и кол-во КЛ
|
Способ Прокла-дки
|
Нагр на КЛ
|
Iдоп, А
|
|
|
|
|
|
|
|
|
|
Iнорм, А
|
Iп/ав, А
|
|
|
10 кВ
|
|
ГПП-РП1
|
5553
|
-3710
|
6678,3
|
385,6
|
68,8
|
95
|
2//2ААШвУ3*95
|
земля
|
192,8
|
385,6
|
205
|
|
РП1-ТП10
|
226
|
173,5
|
285
|
16,4
|
11,7
|
16
|
2ААШвУ3*16
|
лоток
|
8,2
|
16,4
|
46
|
|
РП1-СД1-6
|
514,5
|
-385,8
|
643,1
|
37,1
|
26,5
|
25
|
ААШвУ3*25
|
лоток
|
37,1
|
-
|
65
|
|
РП1-СД7-10
|
560
|
-998,7
|
1145
|
66,1
|
47,2
|
50
|
ААШвУ3*50
|
лоток
|
66,1
|
-
|
105
|
|
ГПП-ТП2
|
2165,5
|
1508,6
|
2639
|
152,4
|
108,8
|
70
|
2ААШвУ3*70
|
земля
|
76,2
|
152,4
|
130
|
|
ГПП-ТП3
|
2165,5
|
1508,6
|
2639
|
152,4
|
108,8
|
70
|
2ААШвУ3*70
|
земля
|
76,2
|
152,4
|
130
|
|
ГПП-ТП5
|
2729,3
|
1614,8
|
3171
|
183,1
|
130,8
|
95
|
2ААШвУ3*70
|
земля
|
91,5
|
183,1
|
155
|
|
ГПП-ТП1
|
1274,2
|
1167
|
1650,4
|
95,3
|
68,1
|
35
|
2ААШвУ3*35
|
земля
|
47,6
|
95,3
|
80
|
|
ТП1-ТП7
|
625,2
|
706,3
|
943,2
|
54,4
|
38,8
|
25
|
2ААШвУ3*25
|
земля
|
27,2
|
54,4
|
90
|
|
ГПП-ТП4
|
2031,8
|
1563,7
|
2564
|
148
|
105,7
|
70
|
2ААШвУ3*70
|
земля
|
74
|
148
|
130
|
|
ТП4-ТП8
|
1065,3
|
866,1
|
1373
|
79,3
|
56,6
|
25
|
2ААШвУ3*25
|
земля
|
39,6
|
79,3
|
65
|
|
ТП8-ТП9
|
140,3
|
170
|
220,4
|
12,7
|
9
|
16
|
2ААШвУ3*16
|
земля
|
12,7
|
-
|
75
|
|
ГПП-ТП11
|
201,8
|
194,4
|
251
|
10,3
|
16
|
2ААШвУ3*16
|
земля
|
7,2
|
14,5
|
75
|
|
ГПП-ТП6
|
1801
|
1479
|
2330
|
134,5
|
96
|
50
|
2ААШвУ3*50
|
земля
|
67,2
|
134,5
|
105
|
|
ГПП-СД11-16
|
2800
|
-2100
|
3500
|
202
|
144
|
185
|
ААШвУ3*185
|
земля
|
202
|
-
|
310
|
|
ГПП-СД17
|
595
|
-446,2
|
743,7
|
42,9
|
30,6
|
35
|
ААШвУ3*35
|
земля
|
42,9
|
-
|
115
|
|
ГПП-СД18
|
325
|
-243,7
|
406,2
|
23,4
|
16,7
|
16
|
ААШвУ3*16
|
земля
|
23,4
|
-
|
75
|
|
ГПП-СД19
|
1312,5
|
-984,4
|
1640,6
|
94,7
|
67,6
|
70
|
ААШвУ3*70
|
земля
|
94,7
|
-
|
165
|
|
0,4 кВ
|
|
ТП5-НРП1
|
105,6
|
122,4
|
161,6
|
233
|
166,4
|
185
|
ААШвУ4*185
|
земля
|
233
|
-
|
260
|
|
ТП7-НРП2
|
149,2
|
149,2
|
211
|
304
|
217,1
|
185
|
ААШвУ4*185
|
земля
|
304
|
-
|
345
|
|
Конечные пункты КЛ
|
Kп
|
Kt
|
I'доп
|
Kав
|
I'ав
|
L, км
|
Rо, Ом/км
|
Xо, Ом/км
|
ΔU%
|
|
10 кВ
|
|
ГПП-РП-1
|
0,85
|
1
|
174,2
|
1,25
|
217,8
|
0,414
|
0,329
|
0,0602
|
0,02
|
|
РП-1-ТП-10
|
1
|
1,035
|
47,6
|
1,25
|
59,5
|
0,01
|
1,95
|
0,0675
|
0,02
|
|
РП-1-СД1-6
|
1
|
1,035
|
67,27
|
-
|
-
|
0,01
|
0,894
|
0,0637
|
0,048
|
|
РП1-СД7-10
|
1
|
1,035
|
108,6
|
-
|
-
|
0,01
|
0,447
|
0,0612
|
0,003
|
|
ГПП-ТП-2
|
1
|
1,035
|
134,5
|
1,25
|
168
|
0,132
|
0,447
|
0,0612
|
0,07
|
|
ГПП-ТП-3
|
1
|
1,035
|
134,5
|
1,25
|
168
|
0,07
|
0,447
|
0,0612
|
0,04
|
|
ГПП-ТП-5
|
1
|
1,035
|
160,4
|
1,25
|
200,5
|
0,3
|
0,329
|
0,0602
|
0,149
|
|
ГПП-ТП-1
|
1
|
1,035
|
82,8
|
1,25
|
103,5
|
0,33
|
0,894
|
0,0637
|
0,2
|
|
ТП-1-ТП-7
|
0,85
|
1
|
76,5
|
1,25
|
95,6
|
0,204
|
1,25
|
0,0662
|
0,08
|
|
ГПП-ТП-4
|
1
|
1,035
|
134,5
|
1,25
|
168,2
|
0,258
|
0,447
|
0,0612
|
0,064
|
|
ТП-4-ТП-8
|
1
|
1,035
|
67,2
|
1,25
|
84
|
0,12
|
1,25
|
0,0662
|
0,041
|
|
ТП-8-ТП-9
|
0,9
|
1
|
71
|
-
|
-
|
0,168
|
1,95
|
0,0675
|
0,01
|
|
ГПП-ТП-11
|
0,75
|
1
|
56,2
|
1,25
|
70,3
|
0,03
|
1,95
|
0,0675
|
0,01
|
|
ГПП-ТП-6
|
1
|
1,035
|
108,6
|
1,25
|
135,8
|
0,258
|
0,625
|
0,0625
|
0,078
|
|
ГПП-СД11-16
|
0,75
|
1
|
232,5
|
-
|
-
|
0,04
|
0,169
|
0,0596
|
0,012
|
|
ГПП-СД17
|
0,9
|
1
|
103,5
|
-
|
-
|
0,102
|
0,894
|
0,0637
|
0,16
|
|
ГПП-СД18
|
0,9
|
1
|
67,5
|
-
|
-
|
0,138
|
1,95
|
0,0675
|
0,13
|
|
ГПП-СД19
|
0,75
|
1
|
123,7
|
-
|
-
|
0,04
|
0,447
|
0,0612
|
0,02
|
|
0,4 кВ
|
|
ТП-5-НРП-1
|
1
|
1,035
|
269,1
|
-
|
-
|
0,064
|
0,169
|
0,0596
|
1
|
|
ТП-7-НРП-2
|
1
|
1
|
345
|
-
|
-
|
0,03
|
0,169
|
0,0596
|
0,64
|
5. РАСЧЕТ
ТОКОВ КОРОТКОГО ЗАМЫКАНИЯ
Расчет токов КЗ производим для выбора высоковольтных и низковольтных
аппаратов, шин, кабелей и другого электрооборудования системы электроснабжения
завода. При этом достаточно рассмотреть ток трехфазного КЗ в характерных точках
СЭС и определить периодическую составляющую этого тока для наиболее тяжелого
режима работы сети. Учет апериодической составляющей производится приближенно,
допускается, что она имеет максимальное значение в рассматриваемой точке
электрической сети.
Принимаем периодическую составляющую тока КЗ от энергосистемы неизменной
во времени.
Для расчета токов КЗ составляем исходную расчетную электрическую схему,
на которой показываем источники питания КЗ.
В расчетных схемах для определения токов КЗ рассматриваем вероятный
режим, при котором воздействие токов КЗ на СЭС является наиболее тяжелым. Таким
характерным режимом является состояние схемы электроснабжения, когда один из
трансформаторов ГПП отключен для проведения профилактических мероприятий или
аварийного ремонта и включены секционные выключатели 10 кВ ГПП, все
электроприёмники питаются от одного трансформатора. Схема замещения сети
представлена на рисунке 5.
Рисунок 5 - Электрическая схема для расчета токов к.з.
Схема с расчетными токами КЗ изображена на рис.6. Токи КЗ в точках К1
и К2 были рассчитаны нами ранее при выборе оборудования схемы
внешнего электроснабжения.
По найденному значению токов КЗ в точке КЗ производится выбор
всего электрооборудования схемы внутреннего электроснабжения напряжением 10 кВ
предприятия.
При определении тока в точке К4 в качестве источника
рассматривается как энергосистема, так и подпитку от электродвигателей
напряжением 10 кВ. По току КЗ производим выбор электрооборудования напряжением
0,4 кВ.
Определим токи КЗ в точках К3 , К4 и К5.
Мощности короткого замыкания системы Sк=2866,3 МВА, базисная
мощность Sб=1000 МВА,Uср1=115 кВ, Uср2=10,5
кВ, Uср3=0,4 кВ
Для расчетов токов К.З. по схеме электроснабжения предприятия
составляется схема замещения, в которой источники питания заменяются
соответствующими ЭДС (энергосистема Ес=1, синхронные двигатели
Е=1,1)
Сопротивление системы (45):
.
Сопротивление
линии (46):
.
Аналогично для всех кабелей производим расчет.
Сопротивление трансформаторов ГПП:
, (65)
.
,(66)
.
Сопротивление
синхронных двигателей:
, (67)
где
Х//d=0,2 - сверх переходное сопротивление,
Sн - номинальная мощность двигателя, кВА.
. (68)
Рис
6 - Схема замещения сети
Определим ток КЗ в точке К3.
После многократных преобразований получим:
Определим
эквивалентное сопротивление схемы:
, (69)
тогда Еэ=1,032.
, (70)
кА.
, (71)
кА.
, (72)
кА.
Результаты расчетов приведены в таблице 13.
Таблица 13 - Результат расчетов токов КЗ
|
Расчетная точка
|
Напряжение Uср расчетной
точки, кВ
|
Int, кА
|
iу, кА
|
Мощн. КЗ ступени , МВА
|
|
К1
|
115
|
14,34
|
14,34
|
36,5
|
2866,3
|
|
К2
|
115
|
9,45
|
9,45
|
24,06
|
1882
|
|
К3
|
10,5
|
10,09
|
10,09
|
27,56
|
183,5
|
|
К4
|
0,4
|
11,98
|
11,98
|
27,22
|
8,3
|
|
К5
|
10,5
|
17,5
|
17,5
|
47,79
|
318,26
|
6. ВЫБОР
ЭЛЕКТРООБОРУДОВАНИЯ СЭС ПРОМЫШЛЕННОГО ПРЕДПРИЯТИЯ
.1 Выбор
выключателей, разъединителей, трансформаторов тока и напряжения
Выбор электрооборудования СЭС - это важная часть ее проектирования. От
оборудования СЭС зависит надежность электроснабжения потребителей промышленного
предприятии, поэтому подход к его выбору должен быть основательным.
На стороне высшего напряжения ГПП оборудование нами выбрано, поэтому
выбор оборудования будем производить для внутризаводского электроснабжения. На
стороне низшего напряжения ГПП применяется комплектное оборудования в виде
ячеек КРУ. Принимаем к установке ячейку К-105-10-31,5УЗ . Основные
параметры ячейки представлены в таблицу 14.
Условие выбора выключателей и трансформаторов тока приведены в разделе
3.2.
Таблица 14 - Параметры ячейки КРУ
|
Номинальное напряжение, кВ
|
Номинальный ток главных
цепей, А
|
Номинальный ток сборных
шин, А
|
Номинальный ток отключения
выключателя, кА
|
Эл/динамическая стойкость
кА/с
|
Термическая стойкость кА/с
|
Габариты (ширина, глубина,
высота), мм
|
Вид встроенного выключателя
|
|
10
|
3150
|
3150
|
20
|
81
|
40/3
|
1125* 1300* 2150
|
Вакуумные
|
Для подключения сборных шин НН ГПП к силовым трансформаторам используем
вводную ячейку с вводным выключателем, втычными разъединителями и
трансформаторами тока. Принимаем к установке выбранный ниже выключатель
ВВ-10-20-1250-ТЗ (таблица 15):
Таблица 15 - Выбор вводного и секционного выключателя
|
Выбор выключателей
|
|
Расположение выключателя
|
Наименование выключателя
|
Расчетные параметры цепи
|
Каталожные данные аппарата
|
|
Вводная ячейка
|
ВВ-10-20-1250-ТЗ
|
Uуст=10 кВ; Imax=962,2А; Ino=17,5 кА; iу=47,79 кА Bк=823,81
кА2с
|
Uном=10 кВ; Iном=1250
А; Iоткл=20 кА; iдин=52 кА; Iтерм2·tтерм=1200
кА2с;
|
Ток утяжеленного режима на вводах трансформатора ГПП:
,(73)
где Sном.тр-ра - номинальная мощность
трансформатора ГПП, кВА;ном - номинальное напряжение трансформатора
ГПП, кВ.
А.
Токи
КЗ рассчитаны в разделе 5 для точки К5. Тепловой импульс КЗ Вк
определяется как:
, (74)
где tоткл=tрз+tв+Та
- время на срабатывание релейной защиты, время на отключение
выключателя, время затухания апериодической составляющей тока КЗ (tрз=2,5с,
tв=0,07с, Та=0,12с).
кА2с.
Секционный выключатель выбираем такой же, как и на
вводах НН.
Для выбора выключателей на отходящей линии 10 кВ
выбираем присоединения с наибольшим расчетным током (ГПП-РП-1). Такой
выключатель устанавливаем и в остальных ячейках с номинальным током, с целью
обеспечения однотипности применяемого оборудования. Произведем выбор
выключателя, расчетные и каталожные данные сводим в таблице 16.
Таблица 16 - Выбор выключателей на отходящих линиях
|
Выбор выключателей
|
|
Расположение выключателя
|
Наименование выключателя
|
Расчетные параметры цепи
|
Каталожные данные аппарата
|
|
ГПП-РП1
|
ВВ-10У-20/630ТЗ
|
Uуст=10 кВ; Imax=385,6 A; Iпо=17,5 кА; iу=47,79 кА; Bк=517,56 кА2с
|
Uном=10
кВ; Iном=630
А; Iоткл=20
кА; iдин=52
кА; Iтерм2·tтерм=1200
кА2с
|
Значения токов утяжеленного режима и токов КЗ взяты из разделов 4.4 и 5
для точки К5, т.е. КЗ на шинах ГПП.
Тепловой импульс КЗ Вк определяем по формуле (74):
кА2с,
где
с.
В
ячейках КРУ применяются втычные разъединители, которые не выбираются и проверки
для них не выполняются.
В
КРУ устанавливаются трансформаторы тока (ТТ) для подключения измерительных
приборов и релейной защиты. Произведем выбор ТТ для всех присоединений: для
вводной ячейки и для ячеек отходящих линий . Результаты выбора сведем в таблицу
17.
Таблица
17 - Трансформатор тока для вводных ячеек и для ячеек отходящих линий
|
Расчетные данные
|
Каталожные данные
Трансформатор тока ТЛ-10У3/0,5Р
|
|
Uуст=10 кВ; Imax=962,2 А; iу=47,79 кА; Вк=823,81 кА2с;
|
Uном=10 кВ; Iном=1000
А; iдин=81 кА; Iтерм2·tтерм=3970
кА2с
|
Определяем мощность, потребляемую приборами, подключенными к ТТ, для
этого составляем таблицу 18, где указываем как и какие приборы подключаются.
Таблица 18 - Приборы, подключенные к трансформаторам тока
|
Наименование приборов
|
Количество
|
Потребляемая мощность, ВА
|
Суммарная мощность
|
На каких фазах
располагаются
|
|
Амперметр ЭА 0702 4000/5А
|
1
|
0,5
|
0,5
|
А, В, С
|
|
Ваттметр Д365
|
1
|
0,5
|
0,5
|
А, С
|
|
Счетчик Вар СЭТ 3р-01-07А
|
2
|
4
|
8
|
А, В, С
|
Схема подключения приборов изображена на рисунке 7.
Рисунок 7 - Схема подключения приборов
Суммарную мощность берем для наиболее загруженной фазы, фазы А:
приб=2×0,5+8=9 ВА.
Сопротивление приборов:
, (75)
где Iном2 - вторичный ток ТТ, А.
Ом.
Сопротивление соединительных проводов:
,(76)
где Rк - сопротивление контактов, Ом.
Ом.
Наименьшее
допустимое сечение проводов:
,(77)
где
ρ
- удельное сопротивление алюминиевого
кабеля,
расч- длина контрольного кабеля при
включении ТТ в полную звезду, м.
мм2.
Принимаем
по условию механической прочности контрольный кабель АКРВГ с жилами сечением
F=4 мм2.
Произведем
выбор выключателей и трансформаторов тока для ячеек отходящих линий, результаты
выбора сведем в таблицу 19.
Таблица 19 - Выбор выключателей и трансформаторов тока для ячеек
отходящих линий
|
Кабельные линии
|
Uн,, кВ
|
Iр, А
|
Iутяж, А
|
Iпо, кА
|
iу, кА
|
Тип выключателя
|
Тип трансформатора тока
|
|
ТП-1
|
10
|
47,6
|
95,3
|
17,5
|
47,79
|
ВВ-10У-20/630 ТЗ
|
ТЛ-10УЗ/100/0,5Р
|
|
ТП-2
|
10
|
76,2
|
152,4
|
17,5
|
47,79
|
ВВ-10У-20/630 ТЗ
|
ТЛ-10УЗ/200/0,5Р
|
|
ТП-3
|
10
|
76,2
|
152,4
|
17,5
|
47,79
|
ВВ-10У-20/630 ТЗ
|
ТЛ-10УЗ/200/0,5Р
|
|
ТП-5
|
10
|
91,5
|
183,1
|
17,5
|
47,79
|
ВВ-10У-20/630 ТЗ
|
ТЛ-10УЗ/200/0,5Р
|
|
ТП-4
|
10
|
74
|
148
|
17,5
|
47,79
|
ВВ-10У-20/630 ТЗ
|
ТЛ-10УЗ/150/0,5Р
|
|
ТП-11
|
10
|
7,2
|
14,5
|
17,5
|
47,79
|
ВВ-10У-20/630 ТЗ
|
ТЛ-10УЗ/50/0,5Р
|
|
ТП-6
|
10
|
67,2
|
134,5
|
17,5
|
47,79
|
ВВ-10У-20/630 ТЗ
|
ТЛ-10УЗ/150/0,5Р
|
|
РП-1
|
10
|
192,8
|
385,6
|
17,5
|
47,79
|
ВВ-10У-20/630 ТЗ
|
ТЛ-10УЗ/400/0,5Р
|
|
СД-11,12,13,14,15,16
|
10
|
202
|
-
|
17,5
|
47,79
|
ВВ-10У-20/630 ТЗ
|
ТЛ-10УЗ/300/0,5Р
|
|
СД-17
|
10
|
42,9
|
-
|
17,5
|
47,79
|
ВВ-10У-20/630 ТЗ
|
ТЛ-10УЗ/100/0,5Р
|
|
СД-18
|
10
|
23,4
|
-
|
17,5
|
47,79
|
ВВ-10У-20/630 ТЗ
|
ТЛ-10УЗ/50/0,5Р
|
|
СД-19
|
10
|
94,7
|
-
|
17,5
|
47,79
|
ВВ-10У-20/630 ТЗ
|
ТЛ-10УЗ/100/0,5Р
|
Определяем мощность, потребляемую приборами, подключенными к ТТ, для этого
составляем таблицу 20, где указываем как и какие приборы подключаются.
Таблица 20 - Мощность, потребляемая приборами, подключенными к ТТ
|
Наименование приборов
|
Потребляемая мощность, ВА
|
На каких фазах
располагаются
|
|
Амперметр ЭА 0702
4000/5А
|
0,5
|
А, С
|
|
Счетчик вар СЭТ 3р-01-07А
|
4
|
А, С
|
Схема подключения приборов изображена на рисунке 8.
Рисунок 8 - Схема подключения приборов
Суммарную мощность берем для наиболее загруженной фазы, фазы А:
приб=0,5+4=4,5 ВА
где
ρ
- удельное сопротивление алюминиевого
кабеля,
.
Сопротивление
приборов (75):
Ом,
где Iном2 - вторичный ток ТТ, А.
Сопротивление соединительных проводов (76):
Ом,
где Rк -сопротивление контактов, Ом.
Наименьшее допустимое сечение проводов (77):
мм2,
Принимаем контрольный кабель АКРВГ с жилами сечением F=4 мм2.
Для питания релейной защиты и измерительных приборов, имеющих катушку
напряжения, используются трансформаторы напряжения (ТН), устанавливаемые в свои
отдельные ячейки. Таким образом, необходимо выбрать ТН. Приборы, подключаемые к
ТН, представлены в таблице 21.
Таблица 21 - Расчет трансформатора
напряжения
|
Наименование прибора
|
Потребляемая мощность, ВА
|
Число обмоток
|
cos
|
sin
|
Количество приборов
|
Потребляемая активная
мощность, Вт
|
Потребляемая реактивная
мощность, вар
|
|
Вольтметр (вводы) Э350
|
3
|
1
|
1
|
0
|
1
|
3
|
0
|
|
Ваттметр
|
3
|
2
|
1
|
0
|
1
|
6
|
0
|
|
Счетчик вар СЭТ 3р-01-07А
|
4
|
2
|
0,38
|
0,93
|
2
|
6,08
|
14,88
|
|
Счетчик вар СЭТ 3р-01-07А
|
4
|
2
|
0,38
|
0,93
|
8
|
24,32
|
59,5
|
|
Сумма
|
-
|
-
|
-
|
-
|
12
|
39,4
|
74,38
|
Суммарная мощность, потребляемая приборами:
,(78)
,ВА .
Выбираем
три ТН, соединенные в треугольник ЗНОЛ 06-10У3, параметры ТН следующие: Uном=10
кВ; класс точности 1; Sном=150 кВА,
кВА, Sпред=630
кВА.
ТН
подключаются к шинам ГПП через предохранитель. Примем к установке
предохранитель ПКН001-10УЗ с Sном=10 кВ Umax=12 кВ.
Внутренне электроснабжение на предприятии выполняется как по радиальным,
так и по магистральным схемам и для подключения цеховых ТП к линии (магистрали)
устанавливаются выключатели нагрузки и предохранители. Выберем выключатели и
предохранители для каждой ТП, подключенной по магистральной схеме. Условия
выбора следующие:
. Предохранители выбираются:
по напряжению установки Uуст≤Uном;
по току Iраб.утяж≤ Iном;
по конструкции и роду установки;
по току отключения Iк ≤ Iоткл.п (Iоткл.п
- предельно отключаемый ток).
. Выключатель нагрузки выбирается по тем же условиям, что и обычные
выключатели.
Результаты выбора сводим в таблицу 22.
Таблица 22 - Выбор выключателей нагрузки и предохранителей
|
Номер ТП
|
Sн тр, кВА
|
Uн, кВ
|
Iр, А
|
Iутяж, А
|
Iк, кА
|
Тип выключателя нагрузки
|
Тип предохранителя
|
|
1
|
400
|
10
|
47,6
|
95,3
|
17,5
|
ВН-10/200-20(п)У3
|
ПКТ104-10-100-31,5 У3
|
|
7
|
10
|
27,2
|
54,4
|
17,5
|
ВН-10/200-20(п)У3
|
ПКТ103-10-80-20 У3
|
|
4
|
630
|
10
|
74
|
148
|
17,5
|
ВН-10/200-20(п)У3
|
ПКТ104-10-160-20 У3
|
|
8
|
630
|
10
|
39,6
|
79,3
|
17,5
|
ВН-10/200-20(п)У3
|
ПКТ104-10-100-31,5У3
|
|
9
|
160
|
10
|
12,7
|
-
|
17,5
|
ВН-10/200-20(п)У3
|
ПКТ101-10-16-31,5 У3
|
В обозначениях выключателей нагрузки приняты следующие параметры,
например для ТП-1 ВН-10/200-20(п)У3: В - выключатель, Н- нагрузки, 10
номинальное напряжение, кВ, 200 - номинальный ток, А, 20 - ток сквозного КЗ,
кА, п - наличие предохранителей ,УЗ - климатическое исполнение (умеренный
климат). Выключатель нагрузки автогазовый с пружинным приводом местного или
дистанционного управления. В обозначениях предохранителей приняты обозначения:
ПКТ104-10-100-31,5УЗ П - предохранитель, К - с кварцевым наполнителем, Т
- для силовых трансформаторов, 104 - конструктивное исполнение контакта, 10 -
номинальное напряжение, кВ, 100 - номинальный ток предохранителя, А, 31,5-
номинальный ток отключения, кА, УЗ - климатическое исполнение.
На стороне низшего напряжения цеховых ТП, вводные и секционные автоматы
выбирать не будем т.к. к установке приняты комплектные ТП.
Для единичных мощностей:
кВА КТП 400/10/0,4-84У1
кВА КТП 630/10/0,4-84У3
кВА КТП 1000/10/0,4-84У1
кВА КТП 1250/10/0,4-84У3
Выбор НРП и автоматических выключателей сводим в таблицу 23.
Таблица 23 - Выбор НРП и автоматических выключателей
|
Номер НРП
|
Место установки выключателя
|
Iр, А
|
Iутяж, А
|
Iк, кА
|
Тип выключателя
|
Тип НРП
|
|
НРП-1
|
Вводной
|
233
|
-------
|
11,98
|
ВА53-39/250/25
|
ШР11-73704, Iн = 400А
|
|
НРП-2
|
Вводной
|
304
|
-------
|
11,98
|
ВА53-39/400/25
|
ШР11-73704, Iн = 400А
|
6.2
Проверка кабеля на термическую стойкость
Для кабелей напряжением 10 кВ схемы внутреннего электроснабжения
осуществляется проверка на термическую стойкость к токам КЗ (52), (53).
*- для аппаратов и проводников, защищенных плавкими предохранителями, независимо
от их номинального тока и типа проверка по термической стойкости не проводится
(согласно [5]).
, кА2с,
где tо.в - время отключения выключателя ВВ-10У-20/630 ТЗ tо.в=0,055
с.
Выбранные ранее сечения кабелей по условиям нормального и утяжеленного
режимов работы в некоторых случаях меньше, чем сечения, необходимые по
термической стойкости. Таким образом, необходимо сечения увеличить до
ближайшего стандартного сечения по отношению к Fт.с..
Для tрз=1,5 с.:
,(79)
где С - коэффициент, зависящий от вида металла жил кабеля, С=100 Ас/мм2
(для кабелей с алюминиевыми многопроволочными жилами и бумажной изоляцией).
мм2.
Округляем
до большего стандартного: Fт.с =120 мм2 .
Для tрз=0,5 с.:
кА2с,
мм2,
Fт.с =70 мм2 .
Для tрз=0 с.:
кА2с,
мм2
,т.с =35 мм2 .
Все
кабели, для которых производится увеличение сечения, записываем в таблицу 24.
Таблица
24 - Проверка кабеля на термическую стойкость
|
Начало и конец каб.линии
|
Iпт, кА
|
tрз+ tо.в+ Та, с
|
Вк , кА2с
|
Старый кабель, мм2
|
Термически устойчивый
кабель, мм2
|
Новый кабель, мм2
|
|
ГПП-РП1
|
10,09
|
1,605
|
163
|
2//2ААШвУ3*95
|
127
|
2//2ААШвУ3*120
|
|
РП1-ТП10
|
10,09
|
0,605
|
61,6
|
2ААШвУ3*16
|
78
|
2ААШвУ3*70
|
|
РП1-СД1-6
|
10,09
|
0.105
|
10,68
|
ААШвУ3*25
|
32
|
ААШвУ3*35
|
|
РП1-СД7-10
|
10,09
|
0,105
|
10,68
|
ААШвУ3*50
|
32
|
ААШвУ3*50
|
|
ГПП-ТП2,ТП3
|
10,09
|
0,605
|
61,6
|
2ААШвУ3*70
|
78
|
2ААШвУ3*70
|
|
ГПП-ТП1
|
10,09
|
0,605
|
61,6
|
2ААШвУ3*35
|
78
|
2ААШвУ3*70
|
|
ТП1-ТП7
|
10,09
|
0,605
|
61,6
|
2ААШвУ3*25
|
78
|
2ААШвУ3*70
|
|
ТП4-ТП8
|
10,09
|
0,605
|
61,6
|
2ААШвУ3*25
|
78
|
2ААШвУ3*70
|
|
ТП8-ТП9
|
10,09
|
0,605
|
61,6
|
2ААШвУ3*16
|
78
|
2ААШву3*70
|
|
ГПП-ТП11
|
10,09
|
0,605
|
61,6
|
2ААШвУ3*16
|
78
|
2ААШвУ3*70
|
|
ГПП-ТП6
|
10,09
|
0,605
|
61,6
|
2ААШвУ3*50
|
78
|
2ААШвУ3*70
|
|
ГПП-СД11-16
|
17,5
|
0.105
|
32,1
|
ААШвУ3*185
|
56
|
ААШвУ3*185
|
|
ГПП-СД17
|
17,5
|
0.105
|
32,1
|
ААШвУ3*35
|
56
|
ААШвУ3*50
|
|
ГПП-СД18
|
17,5
|
0.105
|
32,1
|
ААШвУ3*16
|
56
|
ААШвУ3*50
|
|
ГПП-СД19
|
17,5
|
0.105
|
32,1
|
ААШвУ3*70
|
56
|
ААШвУ3*70
|
|
ТП5-НРП1,НПР2
|
11,98
|
0,105
|
15,06
|
ААШвУ4*185
|
38,8
|
ААШвУ4*185
|
Для подробно рассматриваемого цеха (ЭРЦ) определим провода и автоматы.
Для этого определим рабочие токи электроприемников.
,(80)
где Рном- номинальная мощность электроприемника (берется из
таблицы 2),
n -
к.п.д., принимаем равным 0,9,
Uном- номинальное напряжение,
cos
-
коэффициент мощности электроприемника (берется из таблицы 1).
Для
защита проводов от токов, превосходящих допустимые, проводится выбор автоматов
по условию:
IрА=1,71
Iр.(81)
Сечения проводов выбирается по условию:
Iдоп> Iр.
Провод проложен закрыто в трубе от РП до станка. Для соединения выбраны
провода марки АПВ. Все результаты расчетов сведены в таблицу 25.
Таблица 25 - Выбор автоматов и проводов
|
Кол. ЭП n
|
Рном, кВт
|
cosφ
|
Iном, А
|
Тип автомата
|
Сечение провода
|
|
1
|
2
|
3
|
4
|
5
|
6
|
7
|
|
РП-1
|
|
|
|
|
|
|
|
Участок разборки
двигателей.
|
|
|
|
|
|
|
|
1.Уст для мойки детал.
|
1
|
5,5
|
0,65
|
13,5
|
ВА53-39/25
|
АПВ 4х2,5
|
|
2.Муфильная печь
|
1
|
3
|
0,95
|
5,06
|
ВА53-39/10
|
АПВ 4х2,5
|
|
3.Камера обдувки
|
1
|
11
|
0,7
|
25,2
|
ВА53-39/50
|
АПВ 4х4
|
|
4.Тепловая завеса
|
1
|
7
|
0,8
|
14,03
|
ВА53-39/25
|
АПВ 4х2,5
|
|
5.Пресс гидравличск.
|
1
|
4
|
0,65
|
9,86
|
ВА53-39/16
|
АПВ 4х2,5
|
|
6.Ст.настольно-сверлил
|
1
|
1,5
|
0,65
|
3,7
|
ВА53-39/10
|
АПВ 4х2,5
|
|
Итого по РП-1
|
6
|
|
|
71,35
|
ВА53-39/100
|
ААБ 4х16
|
|
РП-2
|
|
|
|
|
|
|
|
Монтажный участок
|
|
|
|
|
|
|
|
7. Пресс гидравличск.
|
1
|
10
|
0,65
|
24,67
|
ВА53-39/50
|
АПВ 4х4
|
|
8.Нождак отрезной
|
1
|
4
|
0,65
|
9,87
|
ВА53-39/16
|
АПВ 4х2,5
|
|
9.Ст.вертикально-сверл
|
1
|
4
|
0,65
|
9,87
|
ВА53-39/16
|
АПВ 4х2,5
|
|
10.Ст.настольн.свер.
|
1
|
2
|
0,6
|
5,34
|
ВА53-39/10
|
АПВ 4х2,5
|
|
Итого по РП-2
|
4
|
|
|
49,75
|
ВА53-39/75
|
ААБ 4х16
|
|
РП-3
|
|
|
|
|
|
|
|
Участок мех.обработки
|
|
|
|
|
|
|
|
11.Ст.настольно-сверл
|
1
|
1
|
0,6
|
2,67
|
ВА53-39/10
|
АПВ 4х2,5
|
|
12.Ст.токарно-винторез
|
1
|
15
|
0,65
|
37
|
ВА53-39/50
|
АПВ 4х6
|
|
13.Ст.точильно-шлиф.
|
2
|
3
|
0,4
|
12,02
|
ВА53-39/16
|
АПВ 4х2,5
|
|
14.Ст.отрезной
|
1
|
1,5
|
0,45
|
5,3
|
ВА53-39/10
|
АПВ 4х2,5
|
|
15.Ст.консольно-фрез.
|
1
|
4
|
0,6
|
10,7
|
ВА53-39/16
|
АПВ 4х2,5
|
|
16.Ст.токарно-винторез
|
1
|
11
|
0,65
|
ВА53-39/50
|
АПВ 4х4
|
|
17.Ст.унив-но-фрезерн.
|
1
|
4
|
0,5
|
12,8
|
ВА53-39/16
|
АПВ 4х2,5
|
|
18.Листогибочная маш.
|
1
|
10
|
0,65
|
24,6
|
ВА53-39/50
|
АПВ 4х4
|
|
19. Пресс ножницы
|
1
|
4
|
0,65
|
9,86
|
ВА53-39/16
|
АПВ 4х2,5
|
|
1
|
2
|
3
|
4
|
5
|
6
|
7
|
|
20. Пресс ножницы
|
1
|
17
|
0,65
|
41,9
|
ВА53-39/75
|
АПВ 4х6
|
|
21.Ст.попер.строгател.
|
1
|
5,5
|
0,65
|
13,57
|
ВА53-39/16
|
АПВ 4х2,5
|
|
22. Пресс гидравличск.
|
1
|
5,5
|
0,65
|
13,57
|
ВА53-39/16
|
АПВ 4х2,5
|
|
23.Нождак
|
1
|
1,5
|
0,5
|
4,81
|
ВА53-39/10
|
АПВ 4х2,5
|
|
Итого по РП-3
|
14
|
|
|
215,9
|
ВА53-39/250
|
ААБ 4х95
|
|
РП-4
|
|
|
|
|
|
|
|
Сборочный участок
|
|
|
|
|
|
|
|
24.Ст.обмоточный
|
1
|
5
|
0,65
|
12,3
|
ВА53-39/10
|
АПВ 4х2,5
|
|
25.Ст.настольно-сверл.
|
1
|
1,5
|
0,55
|
4,37
|
ВА53-39/10
|
АПВ 4х2,5
|
|
26.Каллориферы
|
6
|
4
|
0,8
|
8,01
|
ВА53-39/10
|
АПВ 4х2,5
|
|
Итого по РП-4
|
8
|
|
|
64,7
|
ВА53-39/75
|
ААБ 4х10
|
|
РП-5
|
|
|
|
|
|
|
|
Сварочная
|
|
|
|
|
|
|
|
27.Сварочный аппорат
|
3
|
4
|
0,5
|
12,8
|
ВА53-39/10
|
АПВ 4х2,5
|
|
28.Сварочный аппорат
|
2
|
9
|
0,5
|
28,8
|
ВА53-39/10
|
АПВ 4х4
|
|
29.Сварочный аппорат
|
2
|
12
|
0,5
|
38,5
|
ВА53-39/10
|
АПВ 4х6
|
|
30.Нождак
|
1
|
1,5
|
0,45
|
5,34
|
ВА53-39/10
|
АПВ 4х2,5
|
|
31.Ст.настольно-сверл.
|
1
|
1,5
|
0,5
|
4,81
|
ВА53-39/10
|
АПВ 4х2,5
|
|
Итого по РП-5
|
9
|
|
|
183,1
|
ВА53-39/250
|
ААБ 4х70
|
|
РП-6
|
|
|
|
|
|
|
|
Покрасочная
|
|
|
|
|
|
|
|
32.Сушильная печь
|
1
|
9
|
0,7
|
20,6
|
ВА53-39/10
|
АПВ 4х4
|
|
33.Сушильная печь
|
1
|
12
|
0,7
|
27,5
|
ВА53-39/10
|
АПВ 4х4
|
|
34.Кран балка
|
1
|
7
|
0,5
|
22,45
|
ВА53-39/10
|
АПВ 4х4
|
|
35.Вентиляция
|
1
|
5
|
0,8
|
10
|
ВА53-39/10
|
АПВ 4х2,5
|
|
Итого по РП-6
|
4
|
|
|
80,55
|
ВА53-39/100
|
ААБ 4х25
|
|
РП-7
|
|
|
|
|
|
|
|
Участок изготовления
проволоки
|
|
|
|
|
|
|
|
36.Печь эмалирования
|
1
|
35
|
0,96
|
58,8
|
ВА53-39/10
|
АПВ 4х6
|
|
37.Печь обжига
|
1
|
10
|
0,96
|
16,7
|
ВА53-39/10
|
АПВ 4х2,5
|
|
38.Ст.валочный
|
1
|
1,5
|
0,5
|
4,8
|
ВА53-39/10
|
АПВ 4х2,5
|
|
39.Ст.для правки пров.
|
1
|
1,5
|
0,55
|
4,37
|
ВА53-39/10
|
АПВ 4х2,5
|
|
40.Ст.размотачный
|
1
|
1,5
|
0,55
|
4,37
|
ВА53-39/10
|
АПВ 4х2,2
|
|
41. Ст.настольно-сверл.
|
1
|
1,5
|
0,5
|
4,8
|
ВА53-39/10
|
АПВ 4х2,5
|
|
Итого по РП-7
|
6
|
|
|
93,84
|
ВА53-39/150
|
ААБ 4х25
|
6.3 Выбор
оборудования высоковольтного распределительного пункта РП-1
Высоковольтный распределительный пункт устанавливаем в энергетическом
цехи завода. К РП подключаются следующие потребители ТП-10, а также
высоковольтные синхронные двигатели СД 1 по 10. РП выполнено в ячейках
К-105-10-31,5УЗ. Параметры ячейки приведены в таблице 13.
Для подключения РП используем вводную ячейку с водным выключателем и
трансформаторами тока. Принимаем к установке в ячейке выбранный ниже
выключатель.
Таблица 26 - Выбор выключателя в высоковольтном распределительном пункте
|
Выбор выключателей
|
|
Расположение выключателя
|
Наименование выключателя
|
Расчетные параметры цепи
|
Каталожные данные аппарата
|
|
Вводная ячейка
|
ВВ-10У-20/630ТЗ
|
Uуст=10 кВ; Imax=385,6 A; Iпо=11,45 кА; iу=31,27 кА; Bк=210,4 кА2с
|
Uном=10
кВ; Iном=630
А; Iоткл=20
кА; iдин=52
кА; Iтерм2·tтерм=1200
кА2с
|
Секционную ячейку примем такой же.
Ток утяжеленного режима на вводах РП:
,(82)
где Sр - расчетная мощность, потребляемая РП, кВА; ном -
номинальное напряжение, кВ.
А
Токи
КЗ рассчитаны в разделе 5 для точки К3. Тепловой импульс КЗ Вк
определяется по формуле (52):
кА2с.
В
К-105-10-31,5УЗ устанавливаются трансформаторы тока (ТТ) для подключения
измерительных приборов и релейной защиты. Произведем выбор ТТ для всех
присоединений: для вводной ячейки и для ячеек отходящих линий.
Таблица
27 - ТТ (вводная ячейка)
|
Расчетные данные
|
Каталожные данные
трансформатор тока ТЛ - 10-2У3
|
|
Uуст=10 кВ; Imax=385,6 A; Iпо=11,45 кА; iу=27,56 кА; Bк=163,4 кА2с
|
Uном=10 кВ; Iном=400
А; iдин=40кА; Iтерм2·tтерм=4800кА2с
|
Определяем мощность, потребляемую приборами, подключенными к ТТ, для
этого составляем таблицу 28, где указываем как и какие приборы подключаются к
ТТ.
Таблица 28 - Определение мощности, потребляемые приборами
|
Наименование приборов
|
Потребляемая мощность, ВА
|
На каких фазах
располагаются
|
|
Амперметр ЭА 0702 4000/5А
|
0,5
|
А, С
|
|
Счетчик СЭТ 3р-01-07А
|
4
|
А, С
|
Схема подключения приборов изображена на рисунке 9.
Рисунок 9 - Схема подключения приборов
Суммарную мощность берем для наиболее загруженной фазы, фазы А:
приб=2×0,5+4=5 ВА.
Принимаем контрольный кабель АКРВГ с жилами сечением F=4 мм.2
Произведем выбор выключателя и ТТ для ячеек отходящих линий.
Таблица 29 - Выбор выключателя и ТТ для ячеек отходящих линий
|
Кабельные линии
|
Uн, кВ
|
Iр, А
|
Iутяж,А
|
Iпо, кА
|
iу, кА
|
Тип выключателя
|
Тип трансформатора тока
|
|
ТП-10
|
10
|
8,2
|
16,4
|
10,09
|
27,56
|
ВВ-10У-20/630 ТЗ
|
ТЛ-10УЗ/50/0,5Р
|
|
СД-1,2,3,4,5,6
|
10
|
37,1
|
-
|
10,09
|
27,56
|
ВВ-10У-20/630 ТЗ
|
ТЛ-10УЗ/50/0,5Р
|
|
СД-7,8,9,10
|
10
|
66,1
|
-
|
10,09
|
27,56
|
ВВ-10У-20/630 ТЗ
|
ТЛ-10УЗ/100/0,5Р
|
Определяем мощность, потребляемую приборами, подключенными к ТТ, для
этого составляем таблицу 30, где указываем как и какие приборы подключаются к
ТТ.
Таблица 30 - Определение мощности трансформатора напряжения
|
Наименование приборов
|
Потребляемая мощность, ВА
|
На каких фазах
располагаются
|
|
Амперметр ЭА 0702 4000/5А
|
0,5
|
А, С
|
|
Ваттметр Д365
|
0,5
|
А, С
|
|
Счетчик вар СЭТ 3р-01-07А
|
4
|
А, С
|
Схема подключения приборов изображена на рисунке 10.
Рисунок 10 - Схема подключения приборов
Суммарную мощность берем для наиболее загруженной фазы, фазы А:
приб=2×0,5+4=5ВА.
Сопротивление приборов (75):
Ом.
Сопротивление
соединительных проводов (76):
Ом.
Наименьшее
допустимое сечение соединительных проводов (77):
мм2,
Принимаем контрольный кабель АКРВГ с жилами сечением F=4 мм2.
Таблица 31 - Приборы, подключаемые к ТН
|
Наименование прибора
|
Потребляемая мощность, ВА
|
Число обмоток
|
сos
|
sin
|
Количество приборов
|
Потребляемая активная
мощность, Вт
|
Потребляемая реактивная
мощность, вар
|
|
Вольтметр Э350
|
3
|
1
|
1
|
0
|
1
|
3
|
0
|
|
Ваттметр Д365
|
3
|
2
|
1
|
0
|
1
|
6
|
0
|
|
Счетчик вар СЭТ3р-01-0,7ТА
|
4
|
2
|
0,38
|
0,93
|
6,08
|
14,88
|
|
Счетчик вар СЭТ3р-01-0,7ТА
|
4
|
2
|
0,38
|
0,93
|
6
|
18,24
|
44,64
|
|
Сумма
|
-
|
-
|
-
|
-
|
10
|
33,32
|
59,52
|
Выберем трансформаторы напряжения, подключенные к шинам РП. Приборы,
подключаемые к ТН представлены, в таблице 31. Выбираем ТН, соединенные в
треугольник - ЗНОЛ 06-10УЗ, параметры ТН следующие:ном=10
кВ; класс точности 0,5; Sном=150 ВА,
Суммарная мощность, потребляемая приборами (78):
ВА.
S<Sном.
Мощности
выбранных трансформаторов напряжения достаточно для питания приборов.
Сечение
проводов принимаем 4 мм2.
ТН подключается к шинам через предохранитель. Примем к установке
предохранитель ПКН 001-10УЗ с Uном=10 кВ, Umax = 12 кВ.
Низковольтная аппаратура выбрана выше.
6.4 Выбор токопроводов для трансформаторов собственных нужд
От силовых трансформаторов к сборным шинам ЗРУ
прокладывается токопровод, по которому и происходит питание.
Выбираем токопровод заводского изготовления ТЭНЕ-10.
Таблица 32 - Параметры токопроводов
|
Тип токо-провода
|
Наименование и значение
параметров
|
|
Номинальное напряжение, кВ
|
Номинальный ток главных
цепей, А
|
Ток эл. динамической
стойкости, кА
|
Ток термической стойкости
(3с), кА
|
Диаметр, мм
|
Масса, кг/м
|
|
ТЭНЕ-10
|
10
|
4000
|
250
|
100
|
408
|
39
|
Производитель ООО «Энергопромресурсы» г. Екатеринбург
Параметры, приведенные заводом изготовителем значительно превосходят наши
расчетные и дополнительных расчетов не требуют.
6.5 Выбор
изоляторов
Для прохода шин сквозь стены ЗРУ используем проходные изоляторы
ИП-10/3150-3000УЗ:
с Uном=10 кВ, I ном=3150А, Fдоп=3000 Н.
6.6 Выбор
трансформатора собственных нужд
Мощность трансформатора собственных нужд выбираем как 0,5% от мощности
силового трансформатора ГПП. Sтр-ра ГПП=25000 кВА, тогда Sтен.расч=125
кВА. Принимаем ТМ-160/10 с Sтен=160 кВА, который устанавливаем в
здании ЗРУ. ТСН подключаем к шинному мосту от трансформаторов ГПП к ЗРУ.
Для защиты ТСН устанавливаем предохранитель ПКТ 102-10-31,5-31,5УЗ. На
отходящие линии устанавливаем автоматы ВА53-39/400/25 (как вводный, так и
секционный).
7.
КОМПЕНСАЦИЯ РЕАКТИВНОЙ МОЩНОСТИ В СЭС ПРОМЫШЛЕННОГО ПРЕДПРИЯТИЯ
Оптимальный выбор средств компенсации реактивной мощности (РМ) является
составной частью построения рациональной СЭС промышленного предприятия.
Компенсация РМ одновременно с улучшением качества электроэнергии в сети
промышленного предприятия является одним из основных способов сокращения потерь
электроэнергии.
К сетям напряжением 1 кВ промышленных предприятий подключают большую
часть электроприемников, потребляющих РМ. Коэффициент мощности нагрузки обычно
0,7-0,8, при этом сети 380-660В электрически удалены от источников питания -
энергосистемы. Поэтому передача РМ в сеть напряжением до 1 кВ приводит к
повышенным затратам на увеличение сечений проводов и кабелей, на повышение
мощности трансформаторов, на потери активной и РМ. Эти затраты можно уменьшить
и даже устранить, если обеспечить компенсацию РМ непосредственно в сети
напряжением до 1 кВ. Источниками РМ в этом случае могут быть синхронные
двигатели напряжением 380-660В и низковольтные конденсаторные батареи (НКБ).
Недостающая часть (некомпенсированная РМ) покрывается перетоком реактивной
мощности с шин 10 кВ, т.е. из сети напряжением выше 1 кВ предприятия. При
выборе трансформаторов цеховых ТП были получены: Qli - реактивная
нагрузка на один трансформатор, ΔQTi - потери реактивной мощности в
трансформаторе. На основе этих данных и с учетом того, что 2 секция сборных шин
ГПП от части зеркальное отображение 1 секции шин, заполняем следующую таблицу
33.
Таблица 33 - Данные о трансформаторах
|
Трансформаторная подстанция
|
Sт.нi, кВА
|
Qli, квар
|
ΔQTi, квар
|
Rтрi, Ом
|
Rлi, Ом
|
|
ТП-1
|
400
|
0
|
19,9
|
3,43
|
0,2
|
|
ТП-2
|
1600
|
694
|
60,25
|
5,86
|
0,04
|
|
ТП-3
|
1600
|
694
|
60,25
|
5,86
|
0,05
|
|
ТП-4
|
630
|
161
|
33,9
|
1,91
|
0,08
|
|
ТП-5
|
1600
|
153,5
|
82,5
|
5,86
|
0,08
|
|
ТП-6
|
1600
|
691
|
48,4
|
5,86
|
0,11
|
|
ТП-7
|
400
|
222
|
19,05
|
3,43
|
0,25
|
|
ТП-8
|
630
|
212
|
25,05
|
1,91
|
0,1
|
|
ТП-9
|
160
|
64,5
|
12,9
|
10,5
|
0,32
|
|
ТП-10
|
160
|
63,5
|
10,55
|
10,5
|
0,02
|
|
ТП-11
|
160
|
65
|
9,75
|
10,5
|
0,06
|
|
Итого:
|
|
3020,5
|
382,5
|
|
|
Сопротивление трансформатора:
, (83)
где
ΔРкз - потери короткого замыкания
трансформатора, Вт;ном.тр-ра - номинальная мощность трансформатора;ном
- ВН трансформатора, равное 10 кВ.
Сопротивление
линии:
, (84)
где
R0 - удельное сопротивление КЛ, Ом/км; L - длина КЛ, км.
Схема
замещения представлена на рисунке 11.
Рисунок
11 - Схема замещения С.Э.С. П.П. для провидения расчета компенсации реактивной
мощности
Синхронные
двигатели, способные генерировать РМ, представлены в таблице 34.
Таблица
34 - Параметры синхронных двигателей
|
Обозначение в схеме
|
Тип двигателя
|
Uн, кВ
|
Рсд нi, кВт
|
Qсд нi, квар
|
Ni, шт
|
ni, об/мин
|
Дli, кВт
|
Д2i, кВт
|
|
СД 1,2,3
|
СТД
|
10
|
800
|
-408
|
3
|
3000
|
2,47
|
4,46
|
|
СД 7,8
|
СТД
|
10
|
800
|
-408
|
2
|
3000
|
2,47
|
4,46
|
|
СД 11,12,13
|
СТД
|
10
|
3150
|
-1600
|
3
|
3000
|
7,16
|
10,1
|
|
СД 14,15,16
|
СТД
|
10
|
3150
|
-1600
|
3
|
3000
|
7,16
|
10,1
|
|
СД 17
|
СТД
|
10
|
800
|
-408
|
1
|
3000
|
2,47
|
4,46
|
|
СД 18
|
СТД
|
10
|
630
|
-320
|
1
|
3000
|
2,07
|
3,44
|
|
СД 19
|
СТД
|
10
|
1600
|
-705
|
1
|
3000
|
4,25
|
6,27
|
Определим удельную стоимость потерь активной мощности
от протекания РМ:
,(85)
где δ - коэффициент, учитывающий затраты, обусловленные передачей по
электрическим сетям мощности для покрытия потерь активной мощности;
α - стоимость 1 кВт потребляемой мощности
225,51 руб. кВт/месяц;
Км - отношение потерь активной мощности от протекания РМ,
потребляемой предприятием в период наибольшей нагрузки энергосистемы, к
максимальным потерям активной мощности от протекания максимальной РМ,
потребляемой предприятием;
β - стоимость 1 кВт/ч энергии, равная
1,261 руб. кВт/час;
τ - время использования максимальных
потерь, ч.
руб/кВт.
электрический трансформаторный ток мощность
Найдем
допустимую реактивную мощность синхронных двигателей:
Примем,
что синхронные двигатели имеют нагрузку
по
активной мощности тогда коэффициент допустимой перегрузки двигателя по
реактивной мощности
.
(86)
квар.
Определим
затраты на генерацию реактивной мощности отдельными источниками:
для
низковольтных БК (0,4 кВ):
; (87)
где Е- коэффициент отчислений;
Кбкн - капиталовложения в батареи конденсаторов, руб;
ΔРбкн - потери активной
мощности в НБК, кВт/руб.
руб/Мвар,
для высоковольтных БК (10 кВ):
,(88)
руб/Мвар.
для
синхронных двигателей:
; (89)
где
Д1 - параметр характеризующий потери активной мощности в СД.
руб./Мвар;
(90)
где
Д2 - параметр характеризующий потери активной мощности в СД.
руб./Мвар.
Определим
эквивалентные активные сопротивления ответвлений с ТП для расчета оптимальной
РМ, генерируемой НБК:
э1=R1=Rл2+Rтр2=0,04+5,86=5,9 Ом;
Rэ2=R2=Rл3+Rтр3=0,05+5,86=5,91 Ом;
Rэ3=R3=Rл5+Rтр5=0,08+5,86=5,94 Ом;
Rэ4=R4=Rл6+Rтр6=0,11+5,86=5,97 Ом;
Rэ5=R5=Rл11+Rтр11=0,06+10,5=10,56 Ом.
Схема
замещения магистральной линии ТП-1,ТП-7 представлена на рисунке 12.
Рисунок
12 - Схема замещения магистральной линии ТП-1,ТП-7
R01=Rл1=0,2 Ом; R12=Rл7=0,25 Ом;
R1=Rтр1=3,43 Ом; R2= Rтр7=3,43
Ом.
Эквивалентная
проводимость точки 1 схемы.
. (91)
.
Эквивалентные сопротивления присоединений:
, (92)
Ом.
,(93)
Ом.
Аналогично
рассчитываются эквивалентные сопротивления для других магистральных линий.
Определим
реактивную мощность, генерируемую синхронными двигателями:
,(94)
где
,
.
.
Результаты расчета по синхронным двигателям сведены в
таблицу 35.
Таблица 35 - Результаты расчета по синхронным двигателям
|
Обозначение СД на схеме
|
Qcд.м, Мвар
|
З1г.сд, руб/Мвар
|
З2г.сд, руб/Мвар2
|
Rэ.сд, Ом
|
Qсд, Мвар
|
|
СД-1,2,3
|
1,266
|
46073,7
|
54213
|
0,896
|
0,49
|
|
СД-7,8
|
0,844
|
50736,5
|
81319,5
|
1,345
|
0,298
|
|
СД-11,12,13
|
5,044
|
28537,6
|
7983,1
|
1,334
|
0,437
|
|
СД-14,15,16
|
5,044
|
28537,6
|
7983,1
|
1,334
|
0,437
|
|
СД-17
|
0,42
|
64723
|
162639
|
2,77
|
0,103
|
|
СД-18
|
0,33
|
74342,2
|
203924,1
|
3,628
|
0,057
|
|
СД-19
|
0,82
|
49765,3
|
76577,2
|
1,28
|
0,319
|
|
Итого
|
13,768
|
|
|
|
2,141
|
Реактивная мощность источников:
, (95)
где
Мвар Ом,
где
а = 1000/Uном2.
Если
Qci<0, то принимаем ее равной нулю, т.е. установка НБК
на данной ТП не требуется.
Мощности
НБК цеховых ТП определяются суммой двух групп БК: основной Qкi
и дополнительной Qсi:
кнi = Qкi + Qсi . (96)
По полученной мощности выбираем комплектные конденсаторные установки
(ККУ) и определяем их суммарную мощность.
Результаты расчета мощностей Qсi низковольтных БК сводим в таблицу 36.
Таблица 36 - Результаты расчета мощностей Qсi
|
Место установки БК
|
Rэi, Ом
|
Qсi, Qсоi, Мвар
|
Qкi, квар
|
Qкi+Qсi, квар
|
Тип принятой стандартной БК
|
Qcтi,
квар
|
|
|
Расчетное
|
Принятое
|
|
|
|
|
|
ТП 1
|
3,816
|
-216
|
0
|
210,5
|
210,5
|
УКБН-0,38-200-50У3
|
200
|
5,9
|
601
|
601
|
0
|
601
|
УКЛН-0,38-600-150У3
|
600
|
|
ТП 3
|
5,9
|
601
|
601
|
0
|
601
|
УКЛН-0,38-600-150У3
|
600
|
|
ТП 4
|
2,078
|
-239
|
0
|
154
|
154
|
УКБН-0,38-150-50У3
|
150
|
|
ТП 5
|
5,94
|
84
|
84
|
571
|
655
|
УКЛН-0,38-650-150У3
|
650
|
|
ТП 6
|
5,97
|
588,3
|
588,3
|
0
|
588,3
|
УКЛН-0,38-600-150У3
|
600
|
|
ТП 7
|
4,09
|
20,5
|
20,5
|
112
|
132,5
|
УКБН-0,38-150-50У3
|
150
|
|
ТП 8
|
2,206
|
-171,8
|
0
|
110,5
|
110,5
|
УКБН-0,38-100-50У3
|
100
|
|
ТП 9
|
12,5
|
5,34
|
5,34
|
46,25
|
51,6
|
УКЛН-0,38-50-У3
|
50
|
|
ТП 10
|
10,52
|
-11,7
|
0
|
12,5
|
12,5
|
-
|
0
|
|
ТП 11
|
10,56
|
-10
|
0
|
0
|
0
|
-
|
0
|
|
Итого
|
|
|
|
1216,75
|
3117
|
-
|
3100
|
Установка конденсаторных батарей на РП-1 не требуется.
Определим мощность высоковольтных БК, подключаемых к сборным шинам 10 кВ
ГПП.
Определение производим из условия баланса реактивных мощностей на каждой
из сборных шин:
,(97)
где Qэс - экономически целесообразная реактивная мощность,
передаваемая энергосистемой предприятию, квар.
Qэс - определяем, как минимальную величину из двух:
'эс = α ∙ Рр (98)
Q'эс = 0,31· 31293,2 = 9700,9 квар;
Q''эс
= Qр -
, (99)
где
Кнр - коэффициент несовпадения реактивной мощности [3].
''эс
= 3020,5+382,5+1224,6 −
,
тогда
Qэс=0.
квар.
- это
говорит о нецелесообразности установки высоковольтной БК, т.е. в СЭС завода
имеется избыток реактивной мощности, обусловленные внутренними источниками.
Поэтому можно и нужно уменьшить их мощность. Чтобы при этом сохранить
оптимальные мощности источников и обеспечить баланс реактивных мощностей, нужно
воспользоваться коэффициентом Лагранжа.
8. РАСЧЕТ
ПАРАМЕТРОВ КАЧЕСТВА ЭЛЕКТРОЭНЕРГИИ
На предприятии установлены СД наибольшая мощностью двигателя 3150кВт. Они
подключаются на напряжение 10 кВ (1, 2, 3, 4 С.Ш.). Необходима проверка
соблюдения параметров качества электроэнергии (провалов напряжения) в точке
раздела балансовой принадлежности сетей.
Пусковая расчетная мощность СД:
,(100)
где Рном, cos φн, ηн - номинальные параметры двигателя [13];
Кп - кратность пускового тока двигателя.
кВт.
К секции шин ГПП, на которой производится запуск, подключены трансформаторы
мощностью 1х1600кВА, 1х400кВА, 1х630кВА, 1х160кВА и синхронный двигатель
мощностью 1х3500.
Суммарная эквивалентная пусковая нагрузка:
пэ=26286+2790+3500=32576
кВА.
Эквивалентное сопротивление узла:
,(101)
где Sб= 1000МВА и Uб = 10,5кВ - приведенные
базисные значения.
Остаточное
напряжение на сборных шинах определяется по выражению:
(102)
где
Uс = 10кВ - напряжение сети;
хс
- суммарное сопротивление питающей сети до сборных шин п.5, равно хс=8,406.
,
т.е. посадка напряжения на шинах РП составит 10-7,68=2,32 кВ или 23,2%,
что входит в допустимые 10% провала напряжения при пуске.
Выбираем пусковое устройство УБПВД-С-10-500УХЛ4.
Пусковая расчетная мощность СД:
кВт,
где
Кп - кратность пускового тока двигателя при частотном пуске.
Суммарная эквивалентная пусковая нагрузка:
пэ=7202+2790+3500=13492
кВА.
Эквивалентное сопротивление узла:
Остаточное
напряжение на сборных шинах определяется по выражению:
,
т.е. посадка напряжения на шинах РП составит 10-7,68=2,32 кВ или 23,2%,
что входит в допустимые 10% провала напряжения при пуске.
9. РАСЧЕТ ЗАЩИТЫ ВЫСОКОВОЛЬТНОГО
ДВИГАТЕЛЯ И ПУСКОВОГО УСТРОЙСТВА
9.1 Расчет
защиты высоковольтного синхронного двигателя СТД 3150-10
Согласно [12] для синхронных электродвигателей напряжением выше 1000В
предусматриваются следующие защиты:
дифференциальная защита без выдержки времени от многофазных коротких
замыканий на выводах и в обмотке статора;
защита от токов перегрузки, вызванной технологическими причинами и
затянувшимся пуском или само запуском;
защита минимального напряжения;
защита от асинхронного режима;
защита от однофазных замыканий на землю (ОЗЗ);
9.1.1 Защита от многофазных коротких
замыканий
В соответствии с требованиями [12] для электродвигателей мощностью более
2 МВт в качестве защиты от многофазных замыканий применяется продольная
дифференциальная защита без выдержки времени с использованием
полупроводникового дифференциального реле РСТ-15. Защиту выполняем по
двухфазной двухрелейной схеме.
Номинальный ток двигателя:
(103)
где
Pном.дв =
3150 кВА - номинальная мощность двигателя типа СТД [13];
Uном =10кВ - номинальное напряжение двигателя.
А.
Ток
срабатывания защиты отстраивается от пускового тока:
(104)
где
КП =5- коэффициент пуска двигателя [13].
А.
Поперечная
относительная сверхпереходная ЭДС двигателя:
, (105)
где
Х//d=0,2 - сверхпереходная ЭДС синхронного двигателя.
В.
Наибольшее
действующее значение периодической составляющей тока в режиме трёхфазного
короткого замыкания:
А,(106)
.
Отстраиваем
защиту от тока небаланса, учитывающего ток I"к,
так как он имеет значение больше пускового.
Тогда
ток срабатывания защиты:
А,(107)
где котс = 1,25 - коэффициент отстройки для статического реле;
ε=0,1 - полная погрешность
трансформатора тока.
.
Выбираем
трансформатор тока ТЛ-10УЗ/300/0,5Р с коэффициентом трансформации:
,(108)
.
Ток
срабатывания реле:
,(109)
А.
Коэффициент чувствительности определяется при
двухфазном коротком замыкании в минимальном режиме на шинах, к которым
подключен двигатель:
,(110)
.
значит, защита удовлетворяет требованию чувствительности.
Расчёт количества витков первичной обмотки TA упрощается в связи с равенством токов срабатывания реле на
основной и не на основной сторонах. Принимаем ωосн
= ωнеосн =16 , тогда МДС срабатывания равна:
,(111)
А.
Ближайшая
установка по МДС Fср=40 А.
9.1.2 Защита от перегруза - МТЗ с
выдержкой времени
Защита от перегруза - частный случай МТЗ с выдержкой времени.
) Защиту выполним на реле РСТ 13 с коэффициентом возврата кВ =
0,9.
) Перегруз является симметричным режимом, поэтому защита от него
выполняется одним реле, включенным в одну из фаз. При этом мы используем те же
трансформаторы тока, что и для токовой отсечки (коэффициент трансформации кI = 60, коэффициент схемы кСХ
= 1).
) Ток срабатывания защиты определяется из условия отстройки от
номинального тока двигателя:
,(112)
где котс = 1,1 - коэффициент отстройки;
кв=0,9 - коэффициент возврата.
А.
)
При расчете защиты от перегруза коэффициент чувствительности не определяется.
)
Ток срабатывания реле:
,(113)
А.
Принимаем к установке реле РСТ 13/19, у которого ток срабатывания
находится в пределах Iср.р. = (1,5¸6) А.
) Определим сумму установок:
,(114)
где Imin = 1,5А - минимальный ток
срабатывания выбранного реле.
.
Принимаем
установку 1,6 и 0,1, следовательно
.
Найдем
ток установки реле:
,(115)
А.
) Выдержка времени защиты отстраивается от времени пуска
электродвигателя. Наибольшее время пуска рассматриваемого двигателя tПУСК=9,5с. Тогда время срабатывания
защиты от перегруза:
,(116)
где кОТС = 1,3 - коэффициент отстройки от времени пуска.
с.
Выбираем
реле времени РВ 01, пределы регулировки времени которого от 0,1 до 50с.
9.1.3 Защита минимального напряжения
Защита минимального напряжения устанавливается одна на секцию сборных
шин, в качестве измерительного органа имеет трансформатор напряжения.
Защита выполняется двухступенчатой. Первая ступень предназначена для
облегчения само запуска ответственных электродвигателей, она отключает
электродвигатели неответственных механизмов.
) Для выполнения защиты будем использовать реле типа РСН 16, которое
имеет коэффициент возврата кв = 1,1.
2)
Выбираем трансформатор напряжения типа 3*ЗНОЛ.06-10У3 согласно:
В,
В.
Коэффициент
трансформации трансформатора напряжения.
,(117)
.
)
Напряжение срабатывания:
,(118)
где
- минимальное напряжение на шинах, которое не вредит
технологическому процессу;
кОТС
= 1,1 - коэффициент отстройки для статического реле.
кВ.
)
Для определения коэффициента чувствительности необходимо знать минимальное
остаточное напряжение на шинах при металлическом коротком замыкании в конце
зоны защищаемого объекта. Поскольку мы не можем найти значение этого
напряжения, то коэффициент чувствительности не рассчитывается.
)
Напряжение срабатывания реле:
,(119)
В.
Принимаем к установке реле РСН 16/28, у которого напряжение срабатывания
находится в пределах Uср.р. = (40¸200) В.
) Определим сумму установок:
,(120)
Г
де Umin = 40В - минимальное напряжение
срабатывания выбранного реле.
Принимаем
установку 0,4, следовательно
.
.
Найдем
напряжение установки реле первой ступени:
,(121)
В.
) Выдержка времени принимается на ступень селективности больше времени
действия быстродействующей защиты от многофазных коротких замыканий. Примем tcp = 0,5 с, реле времени РВ 01, пределы
регулировки времени которого от 0,1 до 50с.
Вторая ступень защиты отключает часть электродвигателей ответственных
механизмов, само запуск которых недопустим по условиям технологического
процесса или по условиям безопасности.
) Вторую ступень защиты также выполним на реле РСН 16, коэффициент
возврата кВ = 1,1.
) Реле включается во вторичные цепи того же трансформатора напряжения,
что и реле первой ступени.
) Напряжение срабатывания второй ступени:
,(122)
где кОТС = 1,1 - коэффициент отстройки для статического реле.
кВ.
)
Коэффициент чувствительности второй ступени не определяем по тем же причинам,
что и коэффициент чувствительности первой ступени.
)
Напряжение срабатывания реле второй ступени (121):
В.
Принимаем к установке реле РСН 16-23, у которого напряжение срабатывания
находится в пределах UСР.Р. = (12¸60) В.
) Определим сумму установок:
,(123)
где Umin = 12 В - минимальное напряжение
срабатывания выбранного реле.
.
Принимаем
установки 1,6; 0,8, следовательно
.
Найдем
напряжение установки реле второй ступени:
,(124)
В.
) Время срабатывания второй ступени защиты принимаем tСЗII=10сек с помощью реле времени РВ 01,
пределы регулировки времени которого от 0,1 до 50с.
9.1.4 Защита от асинхронного режима
Защита от асинхронного режима действует по схеме, предусматривающей
ресинхронизацию с автоматической разгрузкой механизма до такого уровня, при
котором обеспечивается втягивание электродвигателя в синхронизм. В схеме
используется промежуточное реле типа РП-252, имеющее замедление при возврате
для предотвращения отказа защиты при биениях тока асинхронного режима.
9.1.5
Защита от замыканий на землю
Согласно [12] защита электродвигателей от однофазных замыканий на землю
электродвигателей мощностью более 2 МВт должна предусматриваться при токах
замыкания на землю 5А и более. Ток замыкания на землю складывается из
емкостного тока двигателя и емкостного тока кабельной линии.
Найдем емкость фазы электродвигателя:
, (125)
где
Sном.дв. -
номинальная полная мощность двигателя, МВА;
n ном. - номинальная частота вращения двигателя, об/мин.
,(126)
Ф.
Найдём емкостный ток двигателя:
,(127)
где f = 50 Гц - частота сети;
U ном.ф. - номинальное фазное напряжение
двигателя, В.
А.
Необходимо
также найти емкостный ток кабельной линии, соединяющей двигатель с шинами.
Исходя из условия, чтобы номинальный ток двигателя IНОМ.ДВ. не превышал допустимый длительный ток кабеля,
выбираем кабель марки М-120. Длину кабельной линии примем Lкл = 40 м.
Емкостный
ток кабельной линии:
,(128)
где Iсокл = 1,6А/км - удельный емкостный ток
выбранного кабеля.
А.
Суммарный
ток замыкания на землю:
,(129)
А,
следовательно, защита от однофазных замыканий на землю не
устанавливается.
Рисунок
13 - Схема защиты двигателя
Рисунок 14 - Схема управления защитой двигателя на постоянном оперативном
токе
9.2 Расчет защиты пускового устройства УБПВД-С-10-500УХЛ4
Для тиристорных пусковых устройств предусмотрены виды
защит:
максимальная токовая защита тиристорного
преобразователя частоты (ТПЧ) с выдержкой времени 10 мсек;
- защита от токовых перегрузок ТПЧ;
защита от понижения питающего напряжения на входе до уровня 0,85
номинального значения на время более 2 сек;
защита от повышения напряжения на выходе ТПЧ до уровня 1,1 номинального
значения;
защита от затяжного пуска более 15 сек.
9.2.1
Защита от многофазных коротких замыканий
Для защиты от коротких многофазных замыканий применяется схема токовой
отсечки двух релейная, двухфазная. Токовая отсечка, разновидность токовой
защиты, позволяет обеспечить быстрое отключение КЗ. Ток срабатывания
определяется по формуле:
,(130)
где kпуск - коэффициент пуска двигателя;
kсх - коэффициент схемы в данном случае
равен 1;
kн - коэффициент надежности, для реле
РСТ-13 равен 1,2.
.
К
установке принят трансформатор тока ТЛ-10-300-0,5/10Р.
Тип
реле РСТ-13.
Коэффициент чувствительности токовой отсечки проверяется при однофазном и
двухфазном КЗ на выводах электродвигателя.
;(131)
.
) Ток срабатывания реле (113):
А.
Принимаем
к установке реле РСТ 13/29, у которого ток срабатывания находится в пределах IСР.Р. = (15¸60) А.
)
Определим сумму установок (114):
,
где
IMIN = 15А - минимальный ток срабатывания выбранного реле.
Принимаем
установки 0,2; 0,1, следовательно
.
Найдем
ток установки реле (115):
А.
9.2.2
Защита от токовых перегрузок
Защита от перегруза - частный случай МТЗ с выдержкой времени.
) Защиту выполним на реле РСТ 13 с коэффициентом возврата кВ =
0,9.
) Перегруз является симметричным режимом, поэтому защита от него
выполняется одним реле, включенным в одну из фаз. При этом мы используем те же
трансформаторы тока, что и для токовой отсечки (коэффициент трансформации кI = 60, коэффициент схемы кСХ
= 1).
) Ток срабатывания защиты определяется из условия отстройки от
номинального тока преобразователя по формуле (112):
А,
где котс = 1,1 - коэффициент отстройки;
кв=0,9 - коэффициент возврата.
) При расчете защиты от перегруза коэффициент чувствительности не
определяется.
5) Ток срабатывания реле по формуле (113):
А.
Принимаем к установке реле РСТ 13/24, у которого ток срабатывания
находится в пределах Iср.р. = (5¸20) А.
) Определим сумму установок по формуле (114):
,
где Imin = 5А - минимальный ток срабатывания
выбранного реле.
Принимаем
установку 0,8 и 0,2, следовательно
.
Найдем
ток установки реле по формуле (115):
А.
) Выдержка времени защиты отстраивается от времени пуска
электродвигателя. Наибольшее время пуска рассматриваемого двигателя tПУСК=9,5с. Тогда время срабатывания
защиты от перегруза:
,(132)
где кОТС = 1,3 - коэффициент отстройки от времени пуска.
с.
Выбираем
реле времени РВ 01, пределы регулировки времени которого от 0,1 до 50с.
Коэффициент чувствительности МТЗ при двухфазном КЗ ЛВ
или ВС на зажимах преобразователя (на шинах подстанций) по формуле (110):
,
таким
образом защита удовлетворяет требованиям чувствительности.
9.2.3
Защита от понижения питающего напряжения
Расчет проводим аналогично п. 8.1.4.
Принимаем к установке реле РСН 16/28 на первую ступень, на вторую ступень
РСН 16/23.
9.2.4
Защита от повышения напряжения
1) Данная защита отключает пусковое устройство при повышении действующего
значения напряжения сверх допустимого и выполняется с помощью реле напряжения
максимального действия РСН 14 с коэффициентом возврата кВ = 0,9.
) Трансформатор напряжения устанавливается один на секцию сборных шин
ЗНОЛ.06-10У3 с коэффициентом трансформации кU = 100.
) Напряжение срабатывания защиты:
,(133)
где
- максимально допустимое напряжение на
преобразователе, кВ;
котс
= 1,1 - коэффициент отстройки.
кВ
4)
При расчете защиты от повышения напряжения коэффициент чувствительности не определяется.
)
Напряжение срабатывания реле:
,(134)
В.
Принимаем
к установке реле РСН 14/28, у которого напряжение срабатывания находится в
пределах UСР.Р. =
(40¸200) В.
)
Определим сумму установок:
,(135)
где Umin=40 В - минимальное напряжение
срабатывания выбранного реле.
Принимаем
установки 1,6; 0,4, следовательно
Найдем
напряжение установки реле (121):
В.
9.2.5
Защита от затяжного пуска
Расчет защиты проводим аналогично п.8.1.2.
Принимаем к установке реле РСТ 13/19, с током установки 10А.
Выдержка времени защиты определяется временем срабатывания защиты tСЗ=19,5с. Выбираем реле времени РВ 01,
пределы регулировки времени которого от 0,1 до 50с.
Рисунок
15 - Схема защиты двигателя
Рисунок 16 - Схема управления защитой двигателя на постоянном оперативном
токе
10.
БЕЗОПАСНОСТЬ ЖИЗНЕДЕЯТЕЛЬНОСТИ
В данном разделе дипломного проекта рассмотрены вопросы организационных и
технических мероприятий, а также средства, обеспечивающие защиту людей от
электрического тока, электромагнитного поля, электрической дуги электрических
зарядов.
К организационным вопросам относятся:
. правильная организация и введение безопасных методов работы;
2. обучение и инструктаж персонала;
3. контроль и надзор за выполнением правил технической эксплуатации
техники безопасности.
К технически мероприятиям относятся:
1. обеспечение нормального освещения в зоне работ;
. применение необходимых мер и средств защиты;
3. применение безопасного ручного инструмента, а также применение
блокировок коммутационных аппаратов, спецодежды.
ГПП является одним из важнейших объектов СЭС, в то же время это объект
повышенной опасности поражения обслуживающего персонала электрически током.
Поэтому на ГПП должно уделяться особое внимание вопросам техники безопасности и
охраны труда.
10.1
Планировка и конструктивная часть ГПП
Местоположение ГПП с учетом требования [5], расположения ЦЭН, розы
ветров, уровня грунтовых вод, санитарно-защитной зоны, ограждения территории
подстанции. Территория ГПП ограждается сетчатым или бетонным забором высотой 2
м [14].
Территория ОРУ и подстанции должны быть ограждены внешним забором высотой
1,8-2,0 м. Внешние заборы высотой более 2,0 м могут применяться в местах с
высокими снежными заносами, а также для подстанций со специальным режимом
допуска на их территорию.
Вспомогательные сооружения (мастерские, склады и т.п.) расположенные на
территории ОРУ, следует огораживать внутренним забором высотой 1,6 м.
При расположении ОРУ (подстанции) на территории электростанций эти ОРУ
(подстанции) должны быть ограждены внутренним забором высотой 1,6 м.
Заборы могут быть сплошными, сетчатыми или решетчатыми.
Заборы могут не предусматриваться:
для закрытых подстанций, расположенных на охраняемой территории промышленного
предприятия;
для закрытых подстанций, расположенных на территории городов и поселков;
для столбовых подстанций.
Оборудование ОРУ располагается таким образом, чтобы обеспечивались
возможности выполнения монтажа и ремонта оборудования с применением машин и
механизмов, транспортировки трансформаторов, проезда пожарных машин и
передвижных лабораторий (предусмотрен проезд вдоль выключателей, габарит
проезда не мене 4 м по ширине и высоте).
Наименьшие расстояния от токоведущих частей до различных элементов ОРУ
приняты равными:
. от токоведущих частей или от элементов оборудования и изоляции,
находящихся под напряжением, до закаленных конструкций или постоянных
внутренних ограждений высотой не менее 2 м - 900 мм;
. между проводами разных фаз - 1000 мм;
. от токоведущих частей или от элементов оборудования и изоляции,
находящихся под напряжением, до постоянных внутренних ограждений высотой не
менее 1,6 м, до габаритов транспортируемого оборудования -1650 мм;
. между токоведущими частями разных цепей в разных плоскостях при
обслуживаемой цепи и не отключенной верхней - 1650 мм;
. от не огражденных токоведущих частей до земли или кровли зданий при
наибольшем провисании проводов - 3600 мм;
. между токоведущими частями разных цепей в разных плоскостях, а также между
токоведущими частями разных цепей по горизонтали при обслуживании одной цепи
или не отключенной другой, от токоведущих частей до верхней кромки верхнего
забора, между токоведущими частями и зданиями или сооружениями - 2900 мм;
. от контакта и ножа разъединителя в отключенном положении до ошиновки,
присоединенной ко второму контакту - 1100 мм.
Для предотвращения растекания масла и распространения пожара при
повреждениях маслонаполненных силовых трансформаторе (реакторов) с массой масла
более 1т в единице (одном баке) и баковых выключателей 110 кВ. и выше должны
быть выполнены маслоприемники, масло отводы и маслосборники с соблюдением
следующих требований:
. габариты маслоприемника должны выступать за габариты единичного
электрооборудования не менее чем на 0,6м при массе масла до 2т; 1м при массе
более 2 до 10т; 1,5м при массе более 10 до 50т; 2м при массе более 50т. При
этом габарит маслоприемника может быть принят меньшим на 0,5м со стороны стены
или перегородки, располагаемой от трансформатора на расстоянии менее 2м.
Объем маслоприемника должен быть рассчитан на одновременный прием 100%
масла, содержащегося в корпусе трансформатора (реактора).
У баковых выключателей маслоприемники должны быть рассчитаны на прием 80%
масла, содержащегося в одном баке.
. Устройство маслоприемников и масло отводов должно исключать перетёк
масла (воды) из одного маслоприемника в другой, растекание масла по кабельным и
другим подземным сооружениям, распространение пожара, засорение масло отвода и
забивку его снегом, льдом и т. п.
. Для трансформаторов (реакторов) мощностью до 10 MB·А допускается
выполнение маслоприемников без отвода масла. При этом маслоприемники должны
выполняться заглубленными, рассчитанными на полный объем масла, содержащегося в
установленном над ними оборудовании, и закрываться металлической решеткой,
поверх которой должен быть насыпан толщиной не менее 0,25м слой чистого гравия
или промытого гранитного щебня либо непористого щебня другой породы с частицами
от 30 до 70мм.
Удаление масла и воды из заглубленного маслоприемника должно
предусматриваться переносным насосным агрегатом. При применении маслоприемника
без отвода масла рекомендуется выполнение простейшего устройства для проверки
отсутствия масла (воды) в маслоприемнике.
. Маслоприемники с отводом масла могут выполняться как заглубленного типа
(дно ниже уровня окружающей планировки земли), так и незаглубленного типа (дно
на уровне окружающей планировки земли).
При выполнении заглубленного маслоприемника устройство бортовых
ограждений не требуется, если при этом обеспечивается объем маслоприемника,
указанный в п.1.
Незаглубленный маслоприемник должен выполняться в виде бортовых
ограждений маслонаполненного оборудования. Высота бортовых ограждений должна
быть не менее 0,25 и не более 0,5м над уровнем окружающей планировки.
Дно маслоприемника (заглубленного и незаглубленного) должно быть засыпано
крупным чистым гравием или промытым гранитным щебнем либо непористым щебнем
другой породы с частицами от 30 до 70мм. Толщина засыпки должна быть не менее
0,25м.
. При установке маслонаполненного электрооборудования на железобетонном
перекрытии здания (сооружения) устройство масло отвода является обязательным.
. Масло отводы должны обеспечивать отвод из маслоприемника масла и воды,
применяемой для тушения пожара автоматическими стационарными устройствами, на
безопасное в пожарном отношении расстояние от оборудования и сооружений; 50%
масла и полное количество воды должны удаляться не более чем за 0,25ч. Масло
отводы могут выполняться в виде подземных трубопроводов или открытых кюветов и
лотков.
. Маслосборники должны быть рассчитаны на полный объем масла единичного
оборудования, содержащего наибольшее количество масла, и должны выполняться
закрытого типа.
По согласованию с органами Государственного санитарного надзора допускается
устройство маслосборника в виде котлована в грунте со спланированными откосами.
Указатели уровня и температуры масла маслонаполненных трансформаторов и
аппаратов и другие указатели, характеризующие состояние оборудования, должны
быть расположены таким образом, чтобы были обеспечены удобные и безопасные
условия для доступа к ним и наблюдения за ними без снятия напряжения (например,
со стороны прохода в камеру).
Для отбора проб масла расстояние от уровня пола или поверхности земли до
крана трансформатора или аппарата должно быть не менее 0,2м или должен быть
предусмотрен соответствующий приямок.
Для обеспечения безопасности работ на ОРУ устанавливаются разъединители.
От неверных операций разъединителя предусмотрена оперативная блокировка. Данная
блокировка исключает включение выключателя на заземленный участок цепи. Это
обеспечивается электромагнитной блокировкой разъединителей с использованием
электромагнитных замков.
Также предусматривается механическая блокировка между основными и
заземляющими ножами разъединителя, которая не позволяет включать заземляющие
ножи при включенных главных ножах.
В ОРУ 110кВ и выше должен быть предусмотрен проезд вдоль выключателей для
передвижных монтажно-ремонтных механизмов и приспособлений, а также передвижных
лабораторий; габарит проезда должен быть не менее 4м по ширине и высоте.
Для ОРУ на территориях промышленных предприятий при стесненных условиях
это требование не обязательно.
По спланированной территории ОРУ и подстанций должен быть обеспечен
проезд для автомобильного транспорта с улучшением в случае необходимости
грунтовой поверхности твердыми добавками или засевом трав.
Автодороги с покрытием (усовершенствованным, переходным, низшим)
предусматриваются, как правило, к следующим зданиям и сооружениям: порталу или
башне для ревизии трансформаторов, зданиям щитов управления, ЗРУ и КРУН, вдоль
выключателей ОРУ 110кВ и выше, зданию масляного хозяйства, материальному
складу, открытому складу масла, насосным, резервуарам воды, компрессорной,
складу водорода, фазам выключателей 330кВ и выше.
Ширина проезжей части внутриплощадочных дорог должна
быть не менее 3,5м. При определении габаритов проездов должны быть учтены
размеры применяемых приспособлений и механизмов в соответствии с [5].
ЗРУ 10кВ выполняется с двусторонним разложением ячеек КРУ. Все ячейки КРУ
имеют механические блокировки:
. блокировка, исключающая выкат тележки при включенном выключателе;
. блокировка привода выключателя с приводами шинного и линейного
разъединителей, исключающая возможность оперировать приводами разъединителей
при включенном выключателе.
ЗРУ располагается в отдельном здании, имеет два выхода, расположенные с
противоположных торцов здания. Двери ЗРУ имеют самозакрывающиеся замки,
открываемые без ключа со стороны РУ.
Арматура изоляторов и шины ЗРУ окрашивается в желтый, зеленый и красный
цвета (соответственно фазам А, В и С). Все кабели ГПП в местах присоединения
имеют таблички с адресом, маркой и сечением.
Для обеспечения сохранности оборудования при авариях и пожарах, под
силовыми трансформаторами выполняются маслоприемники с бортовым ограждением,
заполненные гравием. Маслоприемники соединяются с маслосборником, выполненным в
виде подземного резервуара при помощи трубопровода. Для осмотра высоко
расположенных частей трансформаторов устанавливаются стационарные лестницы.
10.2
Защитные средства
Для обслуживающего персонала ГПП предусматриваются защитные средства. Все
средства принятые в эксплуатацию проходят систематическую проверку и испытания
согласно [15].
Комплектация представлена в таблице 37.
Таблица 37 - Комплектация ГПП защитными средствами
|
№ п/п
|
Наименование
|
Ед. измерения
|
Количество
|
|
1
|
Штанга изоляционная: 110
кВ 10 кВ
|
шт. шт.
|
2 2
|
|
2
|
Указатель напряжения: 110
кВ 10 кВ
|
шт. шт.
|
2 2
|
|
3
|
Изоляционные клещи: 10 кВ 0,4 кВ
|
шт. шт.
|
1 1
|
|
4
|
Диэлектрические боты
|
пара
|
2
|
|
5
|
Диэлектрические перчатки
|
пара
|
2
|
|
6
|
Временные ограждения
|
шт.
|
2
|
|
7
|
Переносные заземления 110
кВ
|
шт.
|
2
|
|
8
|
Переносные заземления 10 кВ
|
шт.
|
6
|
|
9
|
Плакаты (разных)
|
шт.
|
65
|
|
10
|
Защитные очки
|
шт.
|
2
|
|
11
|
Противогаз
|
шт.
|
2
|
10.3
Контроль изоляции
Контроль изоляции производится по показаниям приборов, присоединенных к
трансформатору напряжения 3*ЗНОЛ 06-10У3 . Также для контроля изоляции служат
трансформаторы тока нулевой последовательности типа ТЗЛМУ3 [16], установленные
в ячейках КРУ Схема соединения для контроля изоляции показана на рисунке 17.
Рисунок 17 - Схема присоединения приборов к ТН для контроля изоляции
Рисунок
18 - Подключение трансформатора тока
Реле
имеет установку по напряжению, равную 0,3 Uф. В нормальном режиме работы напряжение нейтрале не
превышает 15% Uф , что
составляет не более 15В на зажимах вторичной обмотки. При возникновение ОЗЗ
напряжение на нейтрале возрастает до фазного значения, а на зажимах вторичной
обмотки - до 100 В. При этом реле срабатывает и включает сигнализацию (световую
или звуковую).
10.4
Расчет освещения ГПП
На ГПП предусмотрено рабочее и аварийное освещение [17]. Ремонтное
освещение осуществляется от переносных светильников с лампами накаливания на
напряжение 12 В. Территория ОРУ освещается прожекторами, питающимися от
переменного тока, напряжением 220 В.
Выбор мощности и количества прожекторов освещения ОРУ производится в
соответствии с нормами, установленными в [5], [26].
Световой поток определяется по выражению:
,(136)
где Е =5 Лк - минимальная освещенность, принято для ОРУ ГПП по шкалам
освещенности;
Кз=1,5 - коэффициент запаса;
e=1 -
суммарная условная освещенность от близлежащих источников;
w=1,1
- коэффициент добавочной освещенности за счет отраженного светового потока.
лм.
Число
прожекторов:
,(137)
где S=1573 м2 - площадь ОРУ;
η = 0,65 - КПД светового потока;
Z =
1,2 - отношение средней освещенности к минимальной.
Принимаем
число прожекторов равным N = 4
Мощность
одной лампы:
,(138)
где W = 1 Вт/м2 - удельная
мощность.
Вт.
Определим
высоту установки уличного светильника:
,(139)
где Jmax - максимальный световой поток светильника;
Н - высота установки уличного светильника.
К установке примем 4 уличных светильника типа РКУ 16-400С с лампами ДРЛ
мощностью по 400 Вт.
Максимальный световой поток светильника РКУ 16-400С с лампой ДРЛ-400 для
минимальной освещенности (Е =5 Лк) равен Jmax=2300Лк. Тогда:
м.
Устанавливаем
по углам ОРУ ГПП уличные светильники на высоте 7,6 м.
10.5
Пожарная безопасность
Согласно [18] конструкция ОРУ выполняется из несгораемых материалов
(железобетон, металл).
Электрооборудование и сети в процессе эксплуатации не загружаются выше
допустимых пределов, а при К.З. имеют достаточную отклоняющую способность и
термическую стойкость. Силовые масляные трансформаторы оборудованы газовой
защитой, срабатывающей на сигнал и отключение.
Для предотвращения растекания масла при повреждениях маслонаполненных
силовых трансформаторов выполнены маслоприемники, рассчитанные на прием 100 %
масла, содержащегося в корпусе трансформатора. Удаление масла из маслоприемника
предусмотрено переносным насосным агрегатом.
Конструктивное исполнение маслоприемника и маслосборника трансформаторов
ГПП исключает его возгорание и распространение по нему пожара. Выхлопные трубы
трансформаторов направляются таким образом, чтобы избежать попадания выбросов
на электрооборудование и сооружения.
Перекрытие кабельных каналов выполнены съемными плитами из несгораемых
материалов в уровень с чистым полом помещения.
В целях своевременного извещения о пожаре в ЗРУ имеется пожарная
сигнализация, непосредственно связанная с пожарной охраной. Сигнализация
выполнена на основе датчиков типа АТИМ-3 и ДТЛ (70ºС). Вблизи средств связи вывешены
таблички о порядке действия при пожаре (подача сигнала, вызов пожарной охраны).
По степени пожарной опасности ЗРУ-10 кВ относится к производственным
сооружениям категории Г-ІІ.
Здание ЗРУ выполнено из кирпича с минеральными утеплителями, относящихся
к группе несгораемых со степенью огнестойкости 0,5 часа. Отходящие кабели
прокладываются в кабельных траншеях. Помещение ЗРУ оснащено огнетушителями типа
ОУ-10 (5 штук), ОП-5 (3 штуки).
На ГПП также имеются:
. передвижной углекислотный огнетушитель ОУ 20 - 1 шт.;
. ящик с песком (0,5 м3) и лопаты;
. одеяло асбестовое.
10.6
Защита ГПП от грозовых перенапряжений
Молниезащита ГПП осуществляется в соответствии [19].
Территория ГПП находится в районе с грозовой деятельностью до 40 часов в
году.
Устанавливаем 4 молниеотвода на порталах.
Необходимым условием защищенности всей площади ОРУ является:
(140)
где D - диагональ четырех угольника, в
вершинах которого расположены молниеотводы.
,(141)
где а=36 м, b=27 м -
соответственно длина и ширина площади, на которой установлены молниеотводы.
м.
где
hа -активная высота молниеотвода.
Соответственно из формулы (137):
м.
Принимаем
молниеотвод типа СМ, высота от поверхности земли 11,35м, активная высота 6м.
Высота
молниеотводов:
,(142)
где hх=11,35 м - высота защиты молниеотводов.
м.
Зона
защиты молниеотвода:
.(143)
.
Ширина
защищаемой зоны:
.(144)
При а=36 м:
При
b=27 м:
.
ЗРУ
защищаем металлической молниеприемной сеткой.
На
рисунке 19 показана зона защиты молниеотводов ГПП.
Рисунок
19 - Молниезащита ОРУ ГПП
10.7
Расчет заземления
Наибольший ток через заземление при замыкании на землю со стороны 110 кВ
- 14,39 кА. Грунт в месте сооружения подстанции - суглинок. Площадь территории
подстанции S=1573 м2. Удельное сопротивление грунта: ρ1 = 100 Ом/м, ρ2 = 50 Ом/м [20].
Время действия релейной защиты: tрз=0,12 с, tов=0,07 с. За расчетный ток принимаем
ток стекающий с заземлителя при однофазном замыкании:
,(145)
где Х0=0,19 Ом - сопротивление нулевой последовательности до
места К.З,
ХТ=2,1 Ом - сопротивление нулевой последовательности
трансформатора ГПП.
кА.
Расчетная
длительность воздействия тока на человека:
tв=tрз+tов(146)
0,12+0,07=0,19 с.
Допустимое напряжение прикосновения [23]: Uпр.доп=400 В.
Коэффициент прикосновения:
,(147)
где М=0,62 - параметр зависящий от соотношения р1/р2;
LГ=600 мм - длина горизонтальных
заземлителей;
IВ=5 м - длина вертикального
заземлителя;
а=5 м - расстояние между вертикальными заземлителями;
β - коэффициент учитывающий
сопротивление стекания тока на землю.
,(148)
где Rч=1000 Ом - сопротивление тела человека.
,
.
Напряжение
на заземлителе:
,(149)
В.
Сопротивление
заземляющего устройств:
, (150)
Ом.
При
а/Iв=1 число
вертикальных заземлителей:
, (151)
.
Принимаем
nВ=32.
Число
ячеек по сторонам квадрата:
, (152)
.
Принимаем
m=7.
Длина
полос в расчетной модели:
,(153)
м.
Длина
сторон в ячейке:
(154)
м.
Общая длина вертикальных заземлителей:
LВ=Iв×nв,(155)
LВ =5×32=160 м.
По таблице «относительных эквивалентных удельных сопротивлений» для
имеющихся расчетных данных определяем:
рэ/р2=1,1.
Тогда
Рэ= р2×1,1=50×1,1=55 Ом/м.
Общее сопротивление заземлителя:
,(156)
где А- коэффициент равный:
, (157)
.
.
.(158)
.
Uпр=1047 В>Uпр.доп.=400В.
Применим подсыпку слоем гравия толщиной 0,2 м в рабочих местах.
Тогда:
,(159)
где РВС=2000 Ом/м - сопротивление верхнего слоя.
.
Коэффициент
прикосновения по формуле (147) равен:
Напряжение
на заземлителе по формуле (149) равно:
В.
Сопротивление
заземляющего устройств по формуле (150) равно:
Ом.
Напряжение
прикосновения (158):
.
Что
соответствует допустимому.
10.8
Вентиляция помещения аккумуляторных батарей
На ГПП применяются свинцово-кислотные аккумуляторные батареи типа СК. В
процессе работы батареи выделяются пары серной кислоты, водород и кислород,
образующие взрывоопасные смеси [21]. Поэтому разработаны специальные требования
к помещениям аккумуляторных батарей, их эксплуатации. Помещение аккумуляторных
батарей должно быть:
расположено возможно ближе к зарядным устройствам и распределительному
щиту постоянного тока;
изолировано от попаданий в него пыли, испарений и газа, а также от
проникновения воды через перекрытие;
легко доступно для обслуживающего персонала.
В помещениях аккумуляторных батарей применяются приточно-вытяжная система
для отопления и вентиляции. Подача и удаление воздуха производится по каналам в
стенах с разных сторон помещения.
В помещении вентиляционной камеры, находящейся рядом с аккумуляторной,
площадью 6-10 м2 устанавливаются вентиляторы и калориферы.
Вентиляторы должны обеспечивать 5-6 кратный обмен воздуха в час.
Точно потребленный в час объем свежего воздуха определяется по выражению:
,(160)
где Iз = 5А - наибольший ток заряда;= 128 - количество
батарей.
куб.м/час.
Вытяжная
шахта - труба вентиляции выводится выше кровли здания ЗРУ на 1,5 м.
10.9
Компенсация емкостных токов
Компенсация емкостных токов необходима, если суммарный емкостный ток
превышает 20А.
Емкостный ток определяется по формулам:
Ic= Icо×L×m,(161)
где Icо - емкостный ток 1 км кабельной линии;
L -
длина кабельной линии, км;
m -
число параллельных кабелей в линии.
Для воздушной линии:
Ic= Icвл×L,(162)
где Icвл - емкостный ток 1 км ВЛ.
Суммарный емкостный ток в данной схеме составляет 8,965А<20А, т.е.
компенсация емкостных токов не нужна.
11.
ЭКОНОМИЧЕСКАЯ ЧАСТЬ
.1 Расчет
временных параметров сетевого графика
.1.1
Составление индивидуального перечня работ и построение сетевого графика
Таблица 38 - Перечень, параметры и вероятностные характеристики работ
сетевого графика
|
Код работы
|
Наименование работы
|
Продолжительность, дней
|
Исполнители чел.
|
Средне-квадратическое
отклонение, дн
|
Дисперсия, дн2
|
|
|
Мин.
|
Макс.
|
Ожид.
|
рук.
|
И.Т.Р.
|
техник
|
|
|
|
1
|
2
|
3
|
4
|
5
|
6
|
7
|
8
|
9
|
10
|
|
0-1
|
Получение задания на
проектирование электроснабжения завода
|
1
|
1
|
1
|
1
|
1
|
0
|
0
|
0
|
|
1-2
|
Подбор тех. документации
|
2
|
3
|
3
|
0
|
3
|
2
|
0,2
|
0,04
|
|
1-3
|
Подбор литературы по БЖД
|
2
|
3
|
0
|
3
|
2
|
0,2
|
0,04
|
|
1-4
|
Сбор данных об оборудовании
и эл. нагрузках
|
6
|
8
|
7
|
1
|
3
|
3
|
0,4
|
0,16
|
|
2-5
|
Анализ данных
|
3
|
4
|
4
|
1
|
3
|
0
|
0,2
|
0,04
|
|
4-5
|
Расчет нагрузок цехов
|
7
|
9
|
8
|
0
|
2
|
2
|
0,4
|
0,16
|
|
5-6
|
Разработка электрических
схем питания цехов.
|
3
|
5
|
4
|
0
|
3
|
3
|
0,4
|
0,16
|
|
4-6
|
Расчет нагрузок предприятия
|
9
|
11
|
10
|
0
|
2
|
2
|
0,4
|
0,16
|
|
6-8
|
Расчет питающего напряжения
|
3
|
5
|
4
|
0
|
1
|
2
|
0,4
|
0,16
|
|
3-7
|
Анализ питающего напряжения
|
2
|
3
|
3
|
0
|
3
|
0
|
0,2
|
0,04
|
|
7-8
|
Выбор напряжения питания
|
1
|
1
|
1
|
1
|
2
|
0
|
0
|
0
|
|
8-9
|
Выбор трансформаторов ГПП
|
1
|
1
|
1
|
1
|
2
|
0
|
0
|
0
|
|
6-10
|
Расчет центра электрических
нагрузок
|
3
|
5
|
4
|
0
|
1
|
3
|
0,4
|
0,16
|
|
10-11
|
Анализ расположения ГПП
|
1
|
2
|
2
|
1
|
2
|
0
|
0,2
|
0,04
|
|
9-12
|
Согласование с
руководителем.
|
1
|
1
|
1
|
1
|
1
|
0
|
0
|
0
|
|
11-12
|
Разработка схемы внешнего
электроснабжения
|
3
|
5
|
4
|
0
|
3
|
3
|
0,4
|
0,16
|
|
7-13
|
Анализ литературы по Б.Ж.Д.
|
2
|
2
|
2
|
0
|
1
|
2
|
0
|
0
|
|
13-14
|
Разработка мероприятий по
Б.Ж.Д.
|
3
|
5
|
4
|
1
|
1
|
1
|
0,4
|
0,16
|
|
14-12
|
Разработка плана ГПП
завода.
|
5
|
7
|
6
|
0
|
1
|
2
|
0,4
|
0,16
|
|
1
|
2
|
3
|
4
|
5
|
6
|
7
|
8
|
9
|
10
|
|
15-12
|
Разработка электрической
схемы завода.
|
6
|
8
|
7
|
0
|
2
|
3
|
0,4
|
0,16
|
|
12-18
|
Согласование с
руководителем.
|
1
|
1
|
1
|
1
|
2
|
0
|
0
|
0
|
|
18-20
|
Анализ результатов
|
1
|
1
|
1
|
1
|
2
|
0
|
0
|
0
|
|
14-15
|
Работа с технической
документацией
|
2
|
3
|
3
|
0
|
1
|
3
|
0,2
|
0,04
|
|
14-16
|
Выбор трансформаторных подстанций.
|
2
|
3
|
3
|
0
|
2
|
0
|
0,2
|
0,04
|
|
16-15
|
Работа с технической
документацией
|
2
|
2
|
2
|
0
|
1
|
1
|
0
|
0
|
|
16-17
|
Моделирование внутренней
схемы электроснабжения
|
5
|
7
|
6
|
0
|
2
|
3
|
0,4
|
0,16
|
|
15-17
|
Расчет кабельных линий
|
3
|
5
|
4
|
0
|
2
|
2
|
0,4
|
0,16
|
|
15-20
|
Расчет токов короткого
замыкания
|
4
|
5
|
5
|
0
|
1
|
3
|
0,2
|
0,04
|
|
17-20
|
Выбор электрооборудования
|
3
|
4
|
4
|
0
|
1
|
2
|
0,2
|
0,04
|
|
12-19
|
Расчет компенсации
реактивной мощности
|
7
|
11
|
9
|
0
|
1
|
3
|
0,8
|
0,64
|
|
19-20
|
Анализ полученных данных.
|
3
|
3
|
3
|
0
|
3
|
1
|
0
|
0
|
|
20-21
|
Работа с технической
документацией
|
2
|
2
|
2
|
0
|
1
|
2
|
0
|
0
|
|
17-21
|
Выбор конденсаторных
батарей
|
2
|
3
|
3
|
0
|
1
|
2
|
0,2
|
0,04
|
|
19-21
|
Согласование с
руководителем
|
1
|
1
|
1
|
1
|
2
|
0
|
0
|
0
|
|
17-22
|
Расчет релейной защиты
|
14
|
18
|
16
|
0
|
2
|
2
|
0,8
|
0,64
|
|
22-23
|
Анализ полученных данных
|
3
|
3
|
3
|
0
|
3
|
1
|
0
|
0
|
|
21-23
|
Оформление расчетов
|
8
|
13
|
1
|
3
|
3
|
1
|
1
|
|
23-24
|
Сдача проекта заказчику.
|
2
|
3
|
3
|
1
|
1
|
0
|
0,2
|
0,04
|
11.1.2
Расчет ожидаемой продолжительности выполнения работ
Ожидаемая
продолжительность работы
в СГ рассчитывается по принятой двух оценочной
методике, исходя из минимальной
и
максимальной
оценок продолжительности, задаваемых ответственным
исполнителем каждой работы. При этом предполагается, что минимальная оценка
соответствует наиболее благоприятным условиям работы, а максимальная - наиболее
неблагоприятным.
Ожидаемая продолжительность каждой работы определяется по формуле:
.(163)
Среднеквадратическое
отклонение
продолжительности в двух оценочной методике
рассчитывается по формуле:
.(164)
Дисперсия определяется по формуле:
.(165)
Рассчитанные значения заносятся в таблицу 1 по возрастанию кодов работ.
11.1.3 Расчет
параметров событий сетевого графика
Ранний срок свершения исходного (нулевого) события СГ принимается равным
нулю. Ранний срок свершения данного промежуточного события рассчитывается путем
сравнивания сумм, состоящих из раннего срока свершения события, непосредственно
предшествующего данному и длительности работы. Так как данное событие не может
свершиться, пока не закончится последняя из непосредственно предшествующих ему
работ, очевидно, что в качестве раннего срока свершения события принимается максимальная
из сравниваемых сумм.
Рассчитанный таким способом ранний срок свершения завершающего события
всего СГ принимается в качестве его же позднего срока свершения. Это означает,
что завершающее событие СГ никаким резервом времени не располагает.
.(166)
Поздний срок свершения данного промежуточного события определяется при
просмотре СГ В обратном направлении. Для этого сопоставляются разности между
поздним сроком свершения события, непосредственно следующего за данным, и
продолжительности работы, соединяющей соответствующее событие с данным. Так как
ни одна из непосредственно следующих за данным событием работа не может
начаться, пока не свершится само данное событие, очевидно, его поздний срок
свершения равен минимуму из подсчитанных разностей.
.(167)
Правильность расчета поздних сроков свершения событий СГ подтверждается
получением нулевого позднего срока свершения исходного события.
Резерв времени образуется у тех событий, для которых поздний срок
свершения больше раннего, и он равен их разности. Если же эти сроки равны,
событие резервом времени не располагает и, следовательно, лежит на критическом
пути.
.(168)
Результаты расчета сводятся в таблицу 38 и изображаются на СГ.
Таблица 39 - Параметры событий сетевого графика, в днях
|
Номер события
|
Сроки свершения
|
Резерв времени
|
|
ранний
|
поздний
|
|
|
1
|
2
|
3
|
4
|
|
0
|
0
|
0
|
0
|
|
1
|
1
|
1
|
0
|
|
2
|
4
|
12
|
8
|
|
3
|
4
|
9
|
5
|
|
4
|
8
|
8
|
0
|
|
5
|
16
|
16
|
0
|
|
6
|
20
|
20
|
0
|
|
7
|
7
|
12
|
5
|
|
8
|
24
|
28
|
4
|
|
9
|
25
|
29
|
4
|
|
10
|
24
|
24
|
0
|
|
11
|
26
|
26
|
0
|
|
12
|
30
|
30
|
0
|
|
13
|
9
|
14
|
5
|
|
14
|
13
|
18
|
5
|
|
15
|
18
|
23
|
5
|
|
16
|
16
|
21
|
5
|
|
17
|
22
|
35
|
13
|
|
18
|
31
|
41
|
10
|
|
19
|
39
|
39
|
0
|
|
20
|
42
|
42
|
0
|
|
21
|
44
|
44
|
0
|
|
22
|
38
|
51
|
13
|
|
23
|
54
|
54
|
0
|
|
24
|
57
|
57
|
0
|
11.1.4
Расчет параметров работ сетевого графика
Ранний
срок начала работы
совпадает с ранним сроком свершения ее начального
события.
.(169)
Поздний
срок начала работы
можно получить, если из позднего срока свершения ее
конечного события вычесть ее ожидаемую продолжительность.
.(170)
Ранний
срок окончания работы
образуется прибавлением ее продолжительности к
раннему сроку свершения ее начального события.
.(171)
Поздний
срок окончания работы
совпадает с поздним сроком свершения ее конечного
события.
.(172)
Для всех работ критического пути, как не имеющих резервов времени, ранний
срок начала совпадает с поздним сроком начала, а ранний срок окончания с
поздним сроком окончания.
Работы, не лежащие на критическом пути, обладают резервами времени.
Полный
резерв времени работы
образуется вычитанием из позднего срока свершения ее
конечного события раннего срока свершения ее начального события и ее ожидаемой
продолжительности.
.(173)
Частный
резерв времени первого рода
равен
разности поздних сроков свершения ее конечного и начального событий за вычетом
ее ожидаемой продолжительности.
.(174)
Частный
резерв времени второго рода
равен
разности ранних сроков свершения ее конечного и начального событий за вычетом
её ожидаемой продолжительности.
.(175)
Свободный
(независимый) резерв времени работы
образуется
вычитанием из раннего срока свершения ее конечного события позднего срока
свершения ее начального события и ее ожидаемой продолжительности. Свободный
резерв времени может быть отрицательным.
.(176)
Правильность расчетов резервов времени работы можно проверить по
последующим соотношениям:
1) сумма полного и свободного резерва работы равна сумме двух
частных ее резервов;
2) поздний и ранний сроки начала работы, а также поздний и ранний
сроки ее окончания всегда отличаются на величину ее полного резерва.
Для
работ, лежащих на критическом пути, никаких резервов времени нет и,
следовательно, коэффициент напряженности
таких
работ равен единице. Если работа не лежит на критическом пути, она располагает
резервами времени и ее коэффициент напряжённости меньше единицы. Его величина
подсчитывается как отношение суммы продолжительностей отрезков максимального
пути, проходящего через данную работу, не совпадающих с критическим путем
к сумме продолжительностей отрезков критического
пути, не совпадающих с максимальным путем, проходящим через эту работу
.
В
зависимости от коэффициента напряженности все работы попадают в одну из трех
зон напряженности:
) критическую,
;
) промежуточную,
;
) резервную,
.
Результаты расчётов сводятся в таблицу 40.
Таблица 40 - Параметры работ сетевого графика, в днях
|
Код работы
|
Ожидаемая продолжительность
|
Срок начала
|
Срок окончания
|
Резерв времени
|
Коэффициент напряженности
|
|
|
ранний
|
поздний
|
ранний
|
поздний
|
полный
|
частный 1 рода
|
частный 2 рода
|
свободный
|
|
|
1
|
2
|
3
|
4
|
5
|
6
|
7
|
8
|
9
|
10
|
11
|
|
0-1
|
1
|
0
|
0
|
1
|
1
|
0
|
0
|
0
|
0
|
1
|
|
1-2
|
3
|
1
|
9
|
4
|
12
|
8
|
8
|
0
|
0
|
0,8
|
|
1-3
|
3
|
1
|
6
|
4
|
9
|
5
|
5
|
0
|
0
|
0,93
|
|
1-4
|
7
|
1
|
1
|
8
|
8
|
0
|
0
|
0
|
0
|
1
|
|
2-5
|
4
|
4
|
12
|
16
|
16
|
8
|
0
|
8
|
0
|
0,8
|
|
4-5
|
8
|
8
|
8
|
16
|
16
|
0
|
0
|
0
|
0
|
1
|
|
5-6
|
4
|
16
|
16
|
20
|
20
|
0
|
0
|
0
|
0
|
1
|
|
4-6
|
10
|
8
|
10
|
18
|
20
|
2
|
2
|
2
|
2
|
0,83
|
|
6-8
|
4
|
20
|
24
|
24
|
28
|
4
|
4
|
0
|
0
|
0,6
|
|
3-7
|
3
|
4
|
9
|
7
|
12
|
5
|
0
|
0
|
-5
|
0,93
|
|
7-8
|
1
|
7
|
27
|
8
|
28
|
20
|
15
|
16
|
11
|
0,31
|
|
8-9
|
1
|
24
|
28
|
25
|
29
|
4
|
0
|
0
|
-4
|
0,31
|
|
6-10
|
4
|
20
|
20
|
24
|
24
|
0
|
0
|
0
|
0
|
1
|
|
10-11
|
2
|
24
|
24
|
26
|
26
|
0
|
0
|
0
|
1
|
|
9-12
|
1
|
25
|
29
|
26
|
30
|
4
|
0
|
4
|
0
|
0,31
|
|
11-12
|
4
|
26
|
26
|
30
|
30
|
0
|
0
|
0
|
0
|
1
|
|
7-13
|
2
|
7
|
12
|
9
|
14
|
5
|
0
|
0
|
-5
|
0,93
|
|
13-14
|
4
|
9
|
14
|
13
|
18
|
5
|
0
|
0
|
-5
|
0,93
|
|
14-12
|
6
|
13
|
24
|
19
|
30
|
11
|
6
|
11
|
6
|
0,62
|
|
14-15
|
3
|
13
|
20
|
16
|
23
|
7
|
2
|
2
|
-3
|
0,76
|
|
14-16
|
3
|
13
|
18
|
16
|
21
|
5
|
0
|
0
|
-5
|
0,93
|
|
16-15
|
2
|
16
|
21
|
18
|
23
|
5
|
0
|
0
|
-5
|
0,93
|
|
15-12
|
7
|
18
|
23
|
25
|
30
|
5
|
0
|
5
|
0
|
0,83
|
|
12-18
|
1
|
30
|
40
|
31
|
41
|
10
|
10
|
0
|
0
|
0,17
|
|
18-20
|
1
|
31
|
41
|
32
|
42
|
10
|
0
|
10
|
0
|
0,17
|
|
16-17
|
6
|
16
|
29
|
22
|
35
|
13
|
8
|
0
|
-5
|
0,93
|
|
15-17
|
4
|
18
|
31
|
22
|
35
|
13
|
8
|
0
|
-5
|
0,93
|
|
15-20
|
5
|
18
|
37
|
23
|
42
|
19
|
14
|
19
|
14
|
0,54
|
|
17-20
|
4
|
22
|
38
|
26
|
42
|
16
|
3
|
16
|
3
|
0,61
|
|
12-19
|
9
|
30
|
30
|
39
|
39
|
0
|
0
|
0
|
0
|
1
|
|
19-20
|
3
|
39
|
39
|
42
|
42
|
0
|
0
|
0
|
0
|
1
|
|
20-21
|
2
|
42
|
42
|
44
|
44
|
0
|
0
|
0
|
0
|
1
|
|
17-21
|
3
|
22
|
41
|
25
|
44
|
19
|
6
|
19
|
6
|
0,56
|
|
19-21
|
1
|
39
|
43
|
40
|
44
|
4
|
4
|
4
|
4
|
0,2
|
|
17-22
|
16
|
22
|
35
|
38
|
51
|
13
|
0
|
0
|
-13
|
0,93
|
|
22-23
|
3
|
38
|
51
|
41
|
54
|
13
|
0
|
13
|
0
|
0,97
|
|
21-23
|
10
|
44
|
44
|
54
|
54
|
0
|
0
|
0
|
0
|
1
|
|
23-24
|
3
|
54
|
54
|
57
|
57
|
0
|
0
|
0
|
0
|
1
|
11.1.5
Расчет параметров СГ в целом
В этом разделе рассчитываются следующие параметры СГ.
Количество
событий
в СГ, включая исходное.
.
Количество
работ
в СГ, включая ожидания и фиктивные работы (логические
связи).
.
Коэффициент
сложности
СГ, равный отношению количества работ к количеству
событий в СГ. В сложных СГ
.
.(177)
.
Критический
путь
в СГ проходит через события и работы, не обладающие
резервами времени, и имеет, следовательно, максимальную продолжительность
, равную сроку свершения завершающего события.
.
Среднеквадратическое отклонение продолжительности
критического пути определяется по формуле:
,(178)
где
- дисперсия срока наступления завершающего события,
равная сумме дисперсий работ критического пути. Дtкр = 2,48.
Директивный
срок
, дн.
Нормированное
отклонение определим по формуле:
.(179)
.
Вероятность свершения завершающего события в срок, равный
продолжительности критического пути, равна p(tсв ≤ tкр) = 0,5. Если директивный срок TД установлен меньше продолжительности критического пути,
вероятность свершения события к директивному сроку меньше 0,5 и может быть
рассчитана с помощью функции распределения нормального отклонения
(нормированная функция Лапласа): Ф(u)+0,5. Нормальное отклонение «u» равно разности между директивным сроком и продолжительностью
критического пути (с учетом знака), отнесенной к среднеквадратическому
отклонению продолжительности критического пути.
Расчет вероятности свершения завершающего события
приведен в таблице 41 .
Таблица 41 - Вероятности свершения завершающего события в директивный
срок
|
Наименование показателя
|
Отношение директивного
срока к критическому
|
|
0,877
|
0,912
|
0,947
|
0,982
|
1,018
|
1,053
|
1,088
|
1,123
|
|
Критический срок
|
57
|
57
|
57
|
57
|
57
|
57
|
57
|
57
|
|
Среднеквадратическое
отклонение
|
1,57
|
1,57
|
1,57
|
1,57
|
1,57
|
1,57
|
1,57
|
1,57
|
|
Директивный срок
|
50
|
52
|
54
|
56
|
58
|
60
|
62
|
64
|
|
Нормальное отклонение
|
-4,46
|
-3,18
|
-1,91
|
-0,64
|
0,63
|
1,91
|
3,18
|
4,46
|
|
Вероятность свершения
|
0,000
|
0,008
|
0,082
|
0,225
|
0,728
|
0,917
|
0,999
|
1,000
|
Рисунок 20 - График вероятности свершения завершающего события
11.2 Расчет стоимостных параметров сетевого графика
.2.1 Расчет трудоемкости работ
Для
упрощения расчетов трудоемкости работы
удобно
ввести понятие приведенной к ИТР численности работающих
. Для расчета приведенной ИТР численности необходимо
вначале рассчитать коэффициент перерасчета
численности
работающих категории в ИТР численность, равный отношению средней заработной
платы работающих этой категории
к
средней заработной плате ИТР
.
Очевидно,
для ИТР коэффициент перерасчета
, для
руководителя он будет больше 1, а для техников - меньше 1.
Найдя
приведенную численность работы
, определяем
приведенную к ИТР - дням трудоемкость работы
умножением
приведенной численности на ожидаемую по продолжительности
.
Таблица
42 - Должностные оклады персонала
|
Категория персонала
|
|
Руководитель
|
15000 (k=1,25)
|
|
Инженеры
|
12000 (k=1)
|
|
Техники
|
6000 (k=0,5)
|
11.2.2
Расчет сметной стоимости работ
Сметную
стоимость работы можно упрощенно подсчитать, зная ее приведенную трудоемкость в
ИТР - днях и среднюю стоимость одного ИТР - дня,
.
Последняя складывается из затрат, представленных в укрупненном виде в таблице
43.
Средняя заработная плата одного инженера
рассчитывается делением среднемесячной заработной платы одного инженера
(основной и дополнительной) на среднее число рабочих дней в месяце,
установленное в законодательном порядке. Остальные статьи затрат рассчитываются
по соотношениям, приведенным в таблице 43. Результаты расчетов вносят в таблицу
44.
Таблица 43 - Статьи затрат на написание ДП, в руб
|
Наименование
|
Соотношение затрат
|
|
Основная заработная плата,
Зосн
|
12000
|
|
Дополнительная заработная
плата, Здоп
|
0,11*Зосн = 1320
|
|
Отчисление на социальное
страхование, Осоц
|
0,054*(Зосн + Здоп)=719,3
|
|
Отчисление в пенсионный
фонд, Оп
|
0,28*(Зосн + Здоп)=3729,6
|
|
Отчисление на медицинское
страхование, Омед
|
0,036*(Зосн + Здоп)=479,5
|
|
Стоимость материалов,
покупных изделий и полуфабрикатов, См
|
0,16*Зосн=1920
|
|
Накладные расходы, Нр
|
0,7*Зосн=8400
|
|
Командировочные расходы, Кр
|
0,15*Зосн=1800
|
|
Контрагентские услуги и
сторонних организаций, Ку
|
0,5*Зосн=6000
|
|
Стоимость оборудования и
приборов, Со
|
0,5*Зосн=6000
|
Таблица 44 - Трудоемкость и сметная стоимость работ сетевого графика
|
Код работы
|
Ожидаемая продолжи- тельность
дня, дн
|
Категория персонала, чел
|
Приведенная численность,
ИТР
|
Приведенная трудоемкость,
ИТР-дн.
|
Среднедневная заработная
плата ИТР-дня, руб./дн.
|
Среднедневные прочие
затраты руб./дн.
|
Стоимость одного ИТР-дня,
руб./дн.
|
Сметная стоимость работы,
руб.
|
|
|
рук.
|
ИТР
|
техник
|
|
|
|
|
|
|
|
|
0-1
|
1
|
1
|
1
|
0
|
2,25
|
2,25
|
605,45
|
1320,38
|
1 925,84
|
4333,14
|
|
1-2
|
3
|
0
|
3
|
2
|
4
|
12
|
605,45
|
1320,38
|
1 925,84
|
23110,08
|
|
1-3
|
3
|
0
|
3
|
2
|
4
|
12
|
605,45
|
1320,38
|
1 925,84
|
23110,08
|
|
1-4
|
7
|
1
|
3
|
3
|
5,75
|
40,25
|
605,45
|
1320,38
|
1 925,84
|
77515,06
|
|
2-5
|
4
|
1
|
3
|
0
|
4,25
|
17
|
605,45
|
1320,38
|
1 925,84
|
32739,28
|
|
4-5
|
8
|
0
|
2
|
2
|
3
|
24
|
605,45
|
1320,38
|
1 925,84
|
46220,16
|
|
5-6
|
4
|
0
|
3
|
3
|
4,5
|
18
|
605,45
|
1320,38
|
1 925,84
|
34665,12
|
|
4-6
|
10
|
0
|
2
|
2
|
3
|
30
|
605,45
|
1320,38
|
1 925,84
|
57775,2
|
|
6-8
|
4
|
0
|
1
|
2
|
2
|
8
|
605,45
|
1320,38
|
1 925,84
|
15406,72
|
|
3-7
|
3
|
0
|
3
|
0
|
3
|
9
|
605,45
|
1320,38
|
1 925,84
|
17332,56
|
|
7-8
|
1
|
1
|
2
|
0
|
3,25
|
3,25
|
605,45
|
1320,38
|
1 925,84
|
6258,98
|
|
8-9
|
1
|
1
|
2
|
0
|
3,25
|
3,25
|
605,45
|
1320,38
|
1 925,84
|
6258,98
|
|
6-10
|
4
|
0
|
1
|
3
|
2,5
|
10
|
605,45
|
1320,38
|
1 925,84
|
19258,4
|
|
10-11
|
2
|
1
|
2
|
0
|
3,25
|
6,5
|
605,45
|
1320,38
|
1 925,84
|
12517,96
|
|
9-12
|
1
|
1
|
1
|
0
|
2,25
|
2,25
|
605,45
|
1320,38
|
1 925,84
|
4333,14
|
|
11-12
|
4
|
0
|
3
|
3
|
4,5
|
18
|
605,45
|
1320,38
|
1 925,84
|
34665,12
|
|
7-13
|
2
|
0
|
1
|
2
|
2
|
4
|
605,45
|
1320,38
|
1 925,84
|
7703,36
|
|
13-14
|
4
|
1
|
1
|
1
|
2,75
|
11
|
605,45
|
1320,38
|
1 925,84
|
21184,24
|
|
14-12
|
6
|
0
|
1
|
2
|
2
|
12
|
605,45
|
1320,38
|
1 925,84
|
23110,08
|
|
14-15
|
3
|
0
|
2
|
3
|
3,5
|
10,5
|
605,45
|
1320,38
|
1 925,84
|
20221,32
|
|
14-16
|
3
|
1
|
2
|
0
|
3,25
|
9,75
|
605,45
|
1320,38
|
1 925,84
|
18776,94
|
|
16-15
|
2
|
1
|
2
|
0
|
3,25
|
6,5
|
605,45
|
1320,38
|
1 925,84
|
12517,96
|
|
15-12
|
7
|
0
|
1
|
3
|
2,5
|
17,5
|
605,45
|
1320,38
|
1 925,84
|
33702,2
|
|
12-18
|
1
|
0
|
2
|
0
|
2
|
2
|
605,45
|
1320,38
|
1 925,84
|
3851,68
|
|
18-20
|
1
|
0
|
1
|
1
|
1,5
|
1,5
|
605,45
|
1320,38
|
1 925,84
|
2888,76
|
|
16-17
|
6
|
0
|
2
|
3
|
3,5
|
21
|
605,45
|
1320,38
|
1 925,84
|
40442,64
|
|
15-17
|
4
|
0
|
2
|
2
|
3
|
12
|
605,45
|
1320,38
|
1 925,84
|
23110,08
|
|
15-20
|
5
|
0
|
1
|
3
|
2,5
|
12,5
|
605,45
|
1 925,84
|
24073
|
|
17-20
|
4
|
0
|
1
|
2
|
2
|
8
|
605,45
|
1320,38
|
1 925,84
|
15406,72
|
|
12-19
|
9
|
0
|
1
|
3
|
2,5
|
22,5
|
605,45
|
1320,38
|
1 925,84
|
43331,4
|
|
19-20
|
3
|
0
|
3
|
1
|
3,5
|
10,5
|
605,45
|
1320,38
|
1 925,84
|
20221,32
|
|
20-21
|
2
|
0
|
1
|
2
|
2
|
4
|
605,45
|
1320,38
|
1 925,84
|
7703,36
|
|
17-21
|
3
|
0
|
1
|
2
|
2
|
6
|
605,45
|
1320,38
|
1 925,84
|
11555,04
|
|
19-21
|
1
|
1
|
2
|
0
|
3,25
|
3,25
|
605,45
|
1320,38
|
1 925,84
|
6258,98
|
|
17-22
|
16
|
0
|
2
|
2
|
3
|
48
|
605,45
|
1320,38
|
1 925,84
|
92440,32
|
|
22-23
|
3
|
0
|
3
|
1
|
3,5
|
10,5
|
605,45
|
1320,38
|
1 925,84
|
20221,32
|
|
21-23
|
10
|
1
|
3
|
3
|
5,75
|
57,5
|
605,45
|
1320,38
|
1 925,84
|
110735,8
|
|
23-24
|
3
|
1
|
1
|
0
|
2,25
|
6,75
|
605,45
|
1320,38
|
1 925,84
|
12999,42
|
|
Итого
|
|
13
|
71
|
58
|
116,25
|
513
|
|
|
|
987955,9
|
|
|
|
|
|
|
|
|
|
|
|
|
|
|
|
|
|
|
|
|
|
|
12.
АВТОМАТИЗИРОВАННЫЕ СИСТЕМЫ КОНТРОЛЯ И УЧЕТА ЭЛЕКТРОЭНЕРГИИ (СПЕЦИАЛЬНЫЙ ВОПРОС)
.1 Общие
сведения
Энергетика - базовая отрасль промышленности, основа для развития
экономики, производственной и социальной сферы страны. Без тепловой и
электрической энергии немыслимо функционирование промышленных предприятий,
транспорта, жилищно-коммунальной сферы.
По мере роста экономики, увеличения численности и повышения уровня жизни
населения потребление энергии для жилых домов и предприятий возрастает. Для
организации надежного энергоснабжения и эффективного использования энергии
необходима достоверная система учета и контроля электроэнергии.
Достоверность и оперативность учета электрической энергии становится все
более актуальной задачей, как для предприятий энергетики, так и для конечных
потребителей. И здесь на помощь предприятиям энергетической области приходят
АИИСКУЭ и АСКУЭ.
АИИСКУЭ (Автоматизированная информационно-измерительная система
коммерческого учета электроэнергии), выполняет следующие функции:
. Обеспечение автоматизированного учета электроэнергии в структурных
подразделениях энергосистем для коммерческих расчетов между участниками рынка;
. Определение технических и коммерческих потерь;
. Управление режимами энергопотребления по данным АИИС;
. Оснащение точек учета в центрах электроснабжения многофункциональными
счетчиками с цифровым интерфейсом;
. Сбор данных с группы счетчиков одного объекта и передача их на другие
уровни системы.
АСКУЭ (Автоматизированные системы коммерческого учета энергии и мощности)
- это комплекс контрольно-измерительной аппаратуры, коммуникаций связи (сетей
передачи данных), ЭВМ и программного обеспечения (ПО), позволяющий:
предприятиям энергетики:
автоматизировать обмен данными с субъектами ФОРЭМ;
автоматизировать расчеты с потребителями и субъектами ФОРЭМ;
добиться повышения достоверности и оперативности учета электрической
энергии;
обеспечить автоматизированный контроль технического состояния
электроэнергетических систем;
реализовать различные схемы управления распределением энергии и мощности
между потребителями;
повысить эффективность работы предприятия.
конечным потребителям:
добиться повышения достоверности и оперативности учета электрической
энергии;
снизить (часто - существенно) оплату за потребляемую энергию и мощность
за счет повышения точности измерений и расчетов;
автоматизировать расчеты с поставщиком энергии и мощности
(энергокомпанией).
Создаваемая система АСКУЭ позволит повысить точность и надежность учета
электроэнергии, перейти на расчет по дифференцированным тарифам, а также выйти
предприятию на ФОРЭМ. В настоящее время завершена разработка рабочей
документации и готовится поставка оборудования.
По своему назначению АСКУЭ можно разделить на два типа: системы
коммерческого учета и системы технического учета.
Коммерческий учет - это учет потребляемой электроэнергии (а также газа,
воды и пр.) для денежного расчета за нее с поставщиком. Для такого учета
требуется установка приборов повышенной точности.
Технический учет нужен для контроля процессов энергопотребления внутри
предприятия, по всем его корпусам, цехам, энергоустановкам. Анализ показаний
системы технического учета дает предприятиям ряд возможностей по сокращению
потребления электроэнергии и мощности, не оказывая при этом влияния на объемы
производства.
По способу сбора и обработки информации эти системы могут выполнять
статистические и оперативно - измерительные функции. Статистические АСКУЭ выполняют
функции сбора и обработки информации за определенные временные отрезки, на
основании которых производятся анализ и расчеты за потребленные виды энергии.
Оперативно-измерительные функции АСКУЭ, позволяют в реальном времени
отслеживать режимы потребления и качество энергоносителей. Причем это касается
не только электроэнергии: на автоматизированный учет можно поставить любой вид
энергоносителя - газ, пар, воду, тепловую энергию.
Наиболее выгодным для предприятия было бы наличие комплексной автоматизированной
системы, совмещающей в себе статистические, и оперативно-измерительные функции,
как коммерческого, так и технического учета.
12.2 Общее
описание АСКУЭ системы «КАПС-МИУС»
Система «КАПС-МИУС» состоит из счётчиков активной и реактивной энергии, IBM совместимого персонального
компьютера со стандартным и специальным программным обеспечением, контроллеров
и линий связи, обеспечивающих связь компьютера со счётчиками. Описываемая
система отличается значительно большей защищённостью собранных данных от сбоев
питания, обрыва соединяющих линий, неполадок оборудования и развитым
программным обеспечением.
Программное обеспечение представляет собой совокупность программных
средств общего программного обеспечения и специального программного
обеспечения.
В состав общего программного обеспечения входят:
системное программное обеспечение;
программное обеспечение систем управления базами данных, которое
обеспечивает формирование баз данных, управление файлами и их поиск;
программное обеспечение, на базе которого реализованы задачи и функции
АСКУЭ;
программное обеспечение, отвечающее за поддержание единого времени в
системе.
Система обеспечения единого времени выполняет законченную функцию
измерений времени, имеет нормированные метрологические характеристики и
обеспечивает синхронизацию времени при проведении измерений количества
электроэнергии. В данную систему входят все средства измерений времени,
влияющие на процесс измерения количества электроэнергии, и учитываются
временные характеристики (задержки) линий связи между ними, которые
используются при синхронизации времени. Система единого времени привязывается к
единому календарному времени.
В состав специального программного обеспечения входят:
программные средства поддержания протоколов внутреннего и внешнего взаимодействия
уровня приложений;
программные средства получения данных коммерческого учёта электроэнергии;
программные средства обработки данных коммерческого учёта электроэнергии;
программные средства ведения журналов событий;
программные средства регламентации доступа к информации;
программные средства формирования архивов информации;
программные средства предоставления информации;
программные средства синхронизации времени в АСКУЭ;
программные средства контроля функционирования системы и её компонентов.
Используемый в счётчиках интерфейс связи «токовая петля» позволяет
подключать счётчики последовательно, что значительно сокращает количество
соединительных линий, а за счёт второго интерфейса RS485 также можно подключать счётчики со встроенным интерфейсом
RS485. Схема подключения
электросчётчика к компьютеру напоминает структуру дерева, в которой отдельные
ветви, содержащие 1…8 электросчётчиков, при помощи контроллеров L-CL/kCL присоединяются
к более крупным ветвям. Последние из них через преобразователь L-RS232/CL
(«токовая петля»/RS232) соединены с
одним из последовательных портов компьютера. Подсоединение к ветвям удалённых
абонентов осуществляется с использованием связи по телефонной сети.
Для управления модемом применяются модемные контроллеры MDC 1.01. Используется преобразователь L-RS232/CL для
передачи и приёма данных на компьютер с электросчётчиков, находящихся в
локальной сети пользователя, а также для последующего просмотра показаний
данных электросчётчиков и их архивирования. Для этого интерфейсы «токовая
петля» электросчётчиков, через физические двухпроводные линии связи,
соединяются с выходами генераторов тока «токовая петля» преобразователя L-RS232/CL,
который через интерфейс RS232
соединяется с одним из портов последовательной связи компьютера.
Система дистанционного считывания данных с помощью контроллера MDC 1.01 может быть использована в
следующих режимах работы:
локальный сбор данных электросчётчиков пользователя;
дистанционная передача данных в центральный компьютер с необслуживаемых
подстанций;
локальный просмотр, обработка, архивирование данных электросчётчиков
пользователя и их передача в центральный компьютер.
Система «КАПС-МИУС» осуществляет:
сбор информации о расходе электроэнергии и мощности (активной и
реактивной) в контролируемых точках и каналах от электросчётчиков, типа СЭТ
3р-01-07А, имеющих интерфейс RS-485;
сбор, перевод в именованные величины и привязку к астрономическому
времени информации о расходе электроэнергии и мощности в контролируемых точках
и каналах по интерфейсам от электросчётчиков типа ЦЭ6803, и аналогичных
счётчиков других производителей;
группировку в заданных сочетаниях собираемой информации о расходе
электроэнергии и мощности по каналам в группы;
вычисление балансов (небалансов) электроэнергии на объекте по уровням напряжения
и по объекту в целом в заданные периоды времени и сравнение их с допустимыми
значениями;
накопление, обработку, хранение и отображение информации по
электроэнергии и мощности, хранение и отображение параметров настройки и
служебной информации, а также ввода и корректировки системного времени;
передачу вышеуказанной накопленной и хранимой информации по цифровому
интерфейсу RS-232С в расположенные на
контролируемом объекте локальные рабочие станции.
Система, как правило, имеет три уровня:
первый уровень включает в себя информационно - измерительный комплекс и
выполняет функцию проведения измерений;
второй уровень включает в себя информационно - вычислительный комплекс
электроустановки и выполняет функцию консолидации информации по данной
электроустановке либо группе электроустановок;
третий уровень представляет собой информационно - вычислительный
комплекс.
Информационно - измерительный комплекс обеспечивает автоматическое
проведение измерений в точке измерений. В его состав входят:
счётчики электрической энергии;
измерительные трансформаторы тока и напряжения;
вторичные измерительные цепи.
Информационно - вычислительный комплекс обеспечивает (ИВК):
автоматизированный сбор и хранение результатов измерений;
автоматическую диагностику состояния средств измерений (счётчиков
коммерческого учёта электроэнергии и устройства сбора и передачи данных);
подготовку отчёта в XML -
формате для передачи требуемых данных в НП «АТС» по электронной почте;
режим довосстановления данных (после восстановления работы каналов связи,
восстановления питания и т.п.).
Дополнительно на ИВК возлагаются функции:
контроля достоверности результатов измерений;
заверения подготовленного отчёта в XML - формате электронно-цифровой подписью и отправка его
в НП «АТС» по электронной почте;
доступа НП «АТС» к информации системы в рамках процедуры технического
контроля.
В состав информационно - вычислительного комплекса входят:
технические средства приёма - передачи данных (каналообразующая
аппаратура);
промконтроллер или сервер;
технические средства для организации локальной вычислительной сети и
разграничения прав доступа к информации;
технические средства обеспечения безопасности локальных вычислительных
сетей.
При организации каналов связи между информационно - вычислительным
комплексом и интегрированной автоматизированной системой управления
коммерческим учётом электроэнергии оптового рынка обеспечивается их
резервирование. Основной и резервный каналы связи разделены как на физическом,
так и на логическом уровнях.
В качестве основного канала используется выделенный канал связи
провайдера до сети Интернет или канал единой сети связи электроэнергетики.
В качестве резервного канала используются:
телефонная сеть общего пользования;
другие линии и сети связи, удовлетворяющие требованиям по надёжности и
скорости передачи данных.
При передаче результатов измерений по точкам измерения, точкам учёта и
точкам поставки данные об отпущенной и принятой электрической энергии
передаются раздельно. Результаты измерений отпущенной и принятой электрической
энергии всегда положительны.
Данные по результатам измерений передаются с указанием начала и конца
интервала выполнения измерений. Начало и конец интервала выполнения измерений
указывается по текущему московскому времени (с учётом переходов на летнее и
зимнее время), в соответствии с форматом передачи данных.
Основные технические характеристики система «КАПС-МИУС»:
скорость обмена данных - 9600 бит/с;
максимальная протяжённость токовой петли при сопротивлении линии не более
0,072 Ом/м - 2 км;
величина тока в каждой токовой петле - (20 ± 3)мА;
напряжение в точке обрыва токовой петли - не более 26В;
максимальное количество подключаемых счётчиков - 1024 шт.;
питание контроллеров от сети переменного тока - (80…130)В или (180…240)В;
мощность, потребляемая каждым контроллером - не более 6 ВА;
рабочая температура окружающей среды - от -20 до +50°С;
точность суточного хода таймера - ± 5 с/сутки;
основная приведённая погрешность по измеряемым параметрам - 0,04%.
Продолжительность работы круглосуточная. При отключении питания параметры
и накопленные данные сохраняются в энергонезависимой перепрограммируемой памяти
(EEPROM), которая в режиме хранения
информации не требует питания. Для поддержания непрерывного хода встроенных
часов при отключении питания используется литиевая батарея со сроком службы не
менее 16 лет.
Установленный полный срок службы АСКУЭ - не менее 20 лет.
12.3 Общее
описание АСКУЭ с использованием программно-аппаратным комплексом (ПАК)
«Корона-1»
Система предназначена для комплексного решения задач управления
энергоресурсами (при их производстве, передаче, распределении и потреблении)
предприятий (энергообъектов).
Результатом внедрения АСКУЭ на основе ПАК «КОРОНА-1» является:
повышение точности учета электроэнергии и мощности при ее распределении и
потреблении;
обеспечение точной, привязанной к единому астрономическому времени,
достоверной информацией контроля и всех видов учета (расчетного и технического)
электроэнергии и мощности;
повышение эффективности использования электроэнергии и обеспечения
энергосбережения на энергообъекте;
снижение технических и коммерческих потерь электроэнергии, а также
увеличение прибыли от реализации электроэнергии.
Автоматизированная система контроля и управления энергоресурсами (АСКУЭ)
предприятий (потребителей и энергосистем) на основе ПАК «КОРОНА-1» реализует
следующие функции:
расчетного учета электроэнергии и мощности (активной и реактивной) по
точкам и группам учета, включающим узел ввода в целом, предприятие, собственных
потребителей и субабонентов энергообъекта, в том числе по дифференцированным и
много ставочным тарифам;
расчета лимитов и режимов энергопотребления, оперативного контроля
соблюдения лимитов по электроэнергии и мощности, в том числе контроля, учета и
прогнозирования потребления мощности по карте режимов;
технического учета электроэнергии и мощности (активной и реактивной) по
точкам и группам учета как расчетного, так и технического, включая учет
потребления на собственные нужды;
оперативного контроля мощности и режимов потребления электроэнергии и
мощности;
контроля баланса мощности по ее текущим и усредненным за интервал
значениям и ежесуточного баланса электроэнергии по энергообъекту;
вычисление балансов (небалансов) электроэнергии на энергообъекте по
уровню напряжения, формирование полного баланса распределения и потребления
электроэнергии по энергообъекту в целом, его отдельным узлам и группам учета в
заданные моменты или периоды времени;
оперативного контроля режимов ВЛ и оборудования энергообъекта (активных и
реактивных мощностей по фазам, токов по фазам, коэффициентов мощности нагрузки,
напряжений на системах шин);
обмена информацией по каналам связи между иерархическими уровнями и
формирование информационных баз данных на всех уровнях системы;
синхронизации процессов измерения с привязкой к сигналам точного
астрономического времени, автоматического ведения календаря рабочего времени;
диагностики состояния аппаратуры системы учета, в том числе
каналообразующей аппаратуры передачи данных.
АСКУЭ на основе ПАК «КОРОНА-1» может быть дополнена, по желанию заказчика,
следующими функциями:
контроль положения коммутационных аппаратов;
контроль работы аппаратуры релейной защиты и автоматики (РЗА) при
аварийных ситуациях;
регистрация стационарных и переходных процессов;
контроль качества электрической энергии;
контроль и учет расхода других энергоресурсов (газ, вода, тепло и т.п.);
управление нагрузкой потребителей энергообъекта с целью оптимального
расхода электроэнергии и соблюдения режимов электропотребления;
контроль технологических режимов оборудования;
дополнительная телефонная связь (в том числе и диспетчерская), а также
технологическая диспетчерская связь (с использованием радио удлинителей) на
базе реализованной для АСКУЭ корпоративной информационной сети.
АСКУЭ с программно-аппаратным комплексом (ПАК) «КОРОНА-1» имеет
расширенные функциональные возможности за счет применения электронных счетчиков
типа «ХИТОН» фирмы «АЛЬБИОН» и является многоканальным измерительным
комплексом, производящим в автоматическом режиме выполнение измерительных и
вычислительных операций.
ПАК «КОРОНА-1» состоит из следующих компонентов:
узлов программно-аппаратного комплекса сопряжения с технологическим
оборудованием (далее - узел ПАК ТО), в состав которых входят электронные
счетчики типа «ХИТОН», концентраторы (устройства сбора и передачи данных),
локальный сервер на базе ЭВМ типа IBM PC промышленного исполнения, интерфейсы
связи между концентраторами и локальным сервером, локальный сегмент ВС;
узла программно-аппаратного комплекса дистанционного управления (далее -
узел ПАК ДУ), в состав которого входят сервер АСКУЭ, АРМы администратора
системы и операторов, Web-сервер
или маршрутизатор (Router) для
организации связи с вышестоящими уровнями управления с ограниченным доступом в
систему, система временной синхронизации на основе GPS приемника, локальный
сегмент ВС;
каналов и аппаратуры передачи данных.
Краткое описание узла ПАК ТО:
) Счетчики электрической энергии типа «ХИТОН» установлены в точках
расчетного и технического учета электроэнергии предприятия и подключены к
модулям ПВВ концентраторов через кроссовые секции посредством интерфейса ИРПС
(токовая петля 20 mA).
Назначение счетчика:
Трехфазный трансформаторный многофункциональный электронный счетчик
электрической энергии классов точности 0,5S и 1.0 типа «ХИТОН» предназначен для
расчетного (коммерческого) и технического учета активной энергии и мощности в
одном или двух направлениях (прямое, обратное) и реактивной энергии и мощности
в двух или четырех направлениях (прямое/индуктивная, обратное/емкостная,
обратное/индуктивная, прямое/емкостная) в цепях переменного тока с частотой 50
(60) Гц.
Счетчик предназначен для использования в составе автоматизированных
систем контроля и учета электрической энергии и мощности (АСКУЭ) с целью
передачи измеренных и вычисленных параметров на диспетчерские пункты по
контролю и учету производства, распределения и потребления электрической
энергии. Допускается использование счетчика в автономном включении там, где
подключение его к АСКУЭ технически сложно или экономически нецелесообразно, в
этом случае обмен информацией со счетчиком должен производиться с помощью
переносного компьютера типа Notebook, оснащенного соответствующим программным обеспечением.
Счетчик внесен в Государственный реестр средств измерений России под №
15697-96 и имеет Сертификат соответствия безопасности и электромагнитной
совместимости № 02361004.
Таблица 45 - Основные технические характеристики
|
1) Класс точности: - по
активной энергии - по реактивной энергии
|
0,5S и
1,0 1,0 и 2,0
|
|
2) Погрешность измерения
при классе точности 0,5S и 1,0 по активной энергии: - текущего значения
усредненной (интегрированной) за период сети мощности - текущего значения
напряжения сети
|
2% 1%
|
|
3) Внутренние часы
реального времени и календарь с автоматической коррекцией високосного года и
переходом на летнее/зимнее время.
|
|
4) Количество тарифных зон
(разбивка суток на тарифные зоны программируется, переключение тарифных зон
производится по внутренним часам)
|
5 суточных (рабочие дни) 5
суточных (выходные и праздничные дни)
|
|
5) Фиксация значения накопленной
энергии на конец каждого 30-минутного интервала в течение суток и на конец
суток
|
|
6) Формирование суточных
графиков нагрузки
|
|
7) Временные интервалы
усреднения мощности
|
30 мин.
|
|
8) Номинальное напряжение
фазное (линейное)
|
57,7 (100) В;127 (220) В;
220 (380) В
|
|
9) Номинальный
(максимальный) ток фазы
|
1 (1,5) А; 5 (7,5) А
|
|
10) Диапазон рабочих
напряжений
|
Uном -15 %/+10 %
|
|
11) Диапазон частоты сети
|
50 (60) Гц ±5 %
|
|
12) Потребляемая мощность:
- по каждой цепи напряжения - по каждой цепи тока
|
не более 2 Вт и 3 ВА не
более 0,3 ВА
|
|
13) Внешний интерфейс
|
ИРПС/RS-485
|
|
14) Передаточное число: -
номинальный ток 1 А - номинальный ток 5 А
|
160000 имп./кВт•ч (квар•ч)
128000 имп./кВт•ч (квар•ч)
|
|
15) Емкость запоминающего
(суммирующего) устройства: - номинальный ток 1 А - номинальный ток 5 А
|
105 кВт•ч (квар•ч) 106
кВт•ч (квар•ч)
|
|
16) Цена деления младшего
разряда запоминающего (суммирующего) устройства и ЖКИ: - номинальный ток 1
А - номинальный ток 5 А
|
0,0001 кВт•ч (квар•ч)
0,001 кВт•ч (квар•ч)
|
|
17) Выходной код: - вид
кода - число разрядов при измерении: активной и реактивной энергии
мощности, усредненной на интервале 30 мин. текущего значения мощности и
напряжения по фазам - единица младшего разряда (разрешение)
|
двоичный 32 16 11 плюс
знак 1 бит
|
|
18) Отображение информации
на ЖКИ время отображения каждого параметра
|
2 строки по 16 знакомест 1
- 15 с
|
|
19) Среднесуточная
погрешность таймера
|
не более ±3 с/сутки
|
|
20) Время хранения
информации и ход часов при отключении питания
|
не менее 10000 ч
|
|
21) Рабочие условия: -
температура окружающего воздуха - относительная влажность воздуха -
атмосферное давление
|
от -10 до 55 0С до 90 %
при 30 0С 70 -106,7 кПа
|
|
22) Условия
транспортирования и хранения: - температура окружающего воздуха -
относительная влажность воздуха - атмосферное давление
|
от -50 до 70 0С до 95 %
при 30 0С 70 -106,7 кПа
|
|
23) Межповерочный интервал
|
6 лет
|
|
24) Наработка на отказ
|
не менее 30000 ч
|
|
25) Срок службы
|
не менее 24 лет
|
|
26) Гарантия изготовителя
|
18 мес.
|
|
27) Габаритные размеры
|
253 х 196 х 72 мм
|
|
28) Масса
|
не более 2,5 кг
|
Концентраторы, на основе 19” модульного конструктива в стандарте МЭК 297
с набором системных и функциональных модулей, осуществляют сбор, хранение и
передачу данных, получаемых от первичных измерительных преобразователей и
датчиков, а также передачу управляющих воздействий на исполнительные механизмы.
В задачи концентратора входит передача счетчику нормирующих и установочных
данных, поддержка единого системного времени. Концентратор выполняет функции
аппаратно-программного интерфейса между локальным сервером ПАК ТО и первичными
преобразователями, датчиками, исполнительными механизмами.
2) Концентраторы, осуществляющие обмен данными со счетчиками и
промежуточное хранение информации, установлены на каждой из подстанций и
подключены к локальным серверам посредством МШ MIL-STD-1553B. Подключение
концентраторов к МШ MIL-STD-1553B осуществляется с помощью модулей оконечного
устройства (ОУ) МШ, устанавливаемых в концентраторы. Подробное описание
концентраторов ПАК «КОРОНА» приведено в документе АЛБН.020-02-2.0ПД.
) Локальный сервер, являющийся одним из компонентов образующих узел ПАК
ТО, осуществляет:
сбор, первичную обработку, хранение локальных данных;
конфигурирование узла ПАК ТО;
обмен данными с сервером АСКУЭ.
) Концентраторы подключаются к локальным серверам узлов ПАК ТО
посредством МШ MIL-STD-1553B. Управление МШ производится контроллером
мультиплексной шины, устанавливаемый дополнительно в каждый локальный сервер,
подключение концентраторов к МШ производится с помощью модулей ОУ МШ,
устанавливаемых дополнительно в концентраторы.
Каналы связи локального сегмента ВС ПАК ТО реализуются по типу «шина» на
коаксиальном кабеле или по типу «звезда» на кабеле «витая пара», оборудование
подключается через коммутатор (HUB) шины Ethernet.
К локальному сегменту узла подключается необходимое число АРМов
операторов. Для работы локального сегмента ПАК ТО в ЛВС предприятия необходимо
количество MAC-адресов по числу подключаемого оборудования (локальный сервер +
АРМы).
Подсистема DAQ занимается
сбором данных, которые запрашиваются на периодической основе и хранятся в
годовой базе данных, т.е. при переходе на следующий год текущая БД закрывается
и открывается новая, в которой определены все нужные таблицы, но они пусты. При
старте DAQ производится анализ БД текущего года
на предмет ее полноты, т.е. выявляются дыры - отсутствующие записи, - и
делается попытка востребовать их из соответствующих RTU. Впервые 7 суток нового года предварительно
анализируется БД ушедшего года на этот же предмет полноты. Записи в таблицах
имеют номер соответствующего завершенного интервала в рамках текущего года
(нумерация интервалов производится от 1, т.е. этот номер соответствует числу
завершенных интервалов). Запись сопровождается также текущей датой и временем,
когда именно эти данные записывались в БД (а не время их чтения из RTU), а также временем в счетчике на
момент считывания данных процессором счетчика.
В процессе выполнения измерений автоматически фиксируют:
календарную дату выполнения измерений;
наименование (обозначение) канала учета;
номер измерительного канала;
номер наблюдения на контролируемом присоединении;
астрономическое время выполнения измерений;
среднюю мощность в 30-минутном промежутке времени;
учетный период (интервальное значение) времени измерений - 1 мес.;
последовательность опроса счетчиков - произвольная;
периодичность опроса счетчиков - 1 раз в 2 мин.;
параметры контролируемых присоединений (ток, напряжение, коэффициент
мощности) измеряют с периодичностью 1 раз в 2 мин.
Применение исключительно цифровых каналов связи на всех уровнях системы
позволило использовать помехозащищенные протоколы обмена, исключающие
возможность потери или искажения информации.
Согласование всех приборов и устройств системы по сигналам спутниковой
системы GPS позволило привязать все измеряемые параметры к точному
астрономическому времени.
Тройное резервирование информации (в памяти счетчиков, концентраторов и
локальных серверов), обеспечивает высокую надежность хранения данных.
Каждый из элементов системы включает многоуровневую систему защиты
информации. Например, количество комбинаций, используемых при шифровке паролей
доступа к данным счетчика - не менее 1024.
В системе КОРОНА-1 непосредственно человеком заполняется только одна БД -
конфигурационная база данных системы (БД СПД). Остальные БД формируются и
ведутся автоматически программами комплекса. Менеджмент всех баз данных
осуществляется одним человеком - администратором АСКУЭ. Только ему
предоставляется право модифицировать базы данных системы. Операторам АСКУЭ
предоставляется право чтения данных. Для всех остальных пользователей
вычислительной сети данные АСКУЭ недоступны.
ЗАКЛЮЧЕНИЕ
В результате проделанной работы была спроектирована система
электроснабжения завода “Уральская кузница”, которая обеспечивает надлежащую
надежность электроснабжения и качество электроэнергии. Результаты, полученные в
ходе работы, полностью удовлетворяют требования ПУЭ, ПТБ, ПЭЭП и других
документов. Разработки и исследования в проекте имеют в настоящее время важное
практическое значение.
БИБЛИОГРАФИЧЕСКИЙ
СПРАВОЧНИК
1. Справочник по проектированию электроснабжения. Электроустановки
промышленных предприятий./Под общ. ред. Ю.Г. Барыбина и др. - М.: Энергоатомиздат, 1990-576с.
2. Справочник по проектированию электрических сетей и
электрооборудования./Под ред. Ю.Г. Барыбина, Л.Е. Федорова, М.Г. Зименкова; - М.: Энергоатомиздат, 1991-464с.
. Справочник по электроснабжению и электрооборудованию. Том 2.
/Под общ. ред. А.А. Федорова; - М.: Энергоатомиздат, 1986-568с.
. Б.Н. Неклепаев, И.Л. Крачков. Электрическая часть
электростанций и подстанций. Справочные материалы для курсового и дипломного
проектирования. Изд.4-е; -
М.: Энергоатомиздат, 1989-607с.
5. Электротехнический справочник. Т.1. Общие вопросы.
Электротехнические материалы /Под ред. В.Г. Герасимова и др. - М.: Энергия,
1980.
6. Электротехнический справочник. Т.2. Электротехнические
устройства /Под ред. В.Г. Герасимова и др. - М.: Энергоиздат, 1981.
. Электротехнический справочник. Т.3 Производство и распределение
электрической энергии /Под ред. В.Г. Герасимова и др. - М.: Энергоиздат, 1986.
. Каталог ОАО «Уралэлектротяжмаш», Екатерибург.
10. Сагирова И.С., Давыдова Т.М. Аппараты высокого напряжения
(разъеденители), Т1, 2000г.
11. Завод
электротехнической продукции и оборудования БКТП, КТП, КТПН, НКУ,
распределительные устройства, КСО, щиты ЩО, БРП (www.elteh.ru).
. Правила устройства
электроустановок. /Минэнерго СССР. 7-е издание, переработанное и дополненное; - М: Энергоатомиздат, 1999.
. ДОНБАССЭЛЕКТРОМОТОР
Синхронные СТД, СДЭ, СТД 2. Поставка электродвигателей (www.donbassmotors.com/motors/).
. СниП 21 - 07 - 97.
Классификация зданий и сооружений по степени огнестойкости, конструктивной и
функциональной опасности.
. РД 34.03.603.
Правила применения и испытания средств защиты, использованных в
электроустановках, технические требования к ним. - М.: Главгосэнергонадзор,
1992г.
. ГОСТ 12.1.019 - 79
ССБТ И - 1.08.86. Электробезопасность. Общие требования и номенклатура видов
защит.
. СниП 23 - 05 - 95.
Естественное и искусственное освещение. Нормы проектирования.
. ГОСТ 12.1.004 - 91
ССБТ. Пожарная безопасность. Общие требования.
. Инструкция по
устройству молниезащиты зданий и сооружений. РД 34.21.122 - 87 / Минэнерго. -
М.: Энергоатомиздат, 1989г. - 56 стр.: ил.
. ГОСТ 12.1.030. - 81
ССБТ И - 1.08.87. Электробезопасность. Защитное заземление, зануление.
. СниП 2.04.05 - 91.
Отопление, вентиляция и кондиционирование.
. Сетевые графики в
планировании / И.М. Разумов, Л.Д. Белова, М.И. Ипатов, / 3-е изд. перераб. и
доп. - М.: ВШ, 1981г. - 168 стр.
. Новости
Электротехники №2 (20). Инструмент создания оптимального режима электропотребителя
- счетчики ЦЭ6850 (www.new.elteh.ru).