Электроснабжение завода механоконструкций
Оглавление
Введение
1.
Характеристика предприятия и источников питания
2. Расчёт
электрических нагрузок
2.1 Расчёт
силовых нагрузок
2.2 Расчёт
осветительной нагрузки
2.3
Определение расчётной нагрузки завода
3. Выбор
числа и мощности цеховых трансформаторов и мест их установки
3.1 Выбор
мощности трансформаторов
3.2
Оптимизация выбора мощности цеховых трансформаторов с учётом КУ
4. Выбор
схемы электроснабжения завода и трансформаторов ГПП
4.1 Выбор
числа и мощности трансформаторов ГПП
4.2 Выбор
схемы электрических соединений ГПП
4.3
Технико-экономическое обоснование выбора напряжения питания
4.4 Выбор
местоположения ГПП
5. Выбор и
расчёт схемы распределительных и питающих сетей завода
5.1. Выбор
схемы распределительных сетей
5.2. Расчёт
распределительных сетей завода
6. Выбор
основного оборудования ГПП
6.1. Выбор
аппаратуры на напряжение 110 кВ
6.2. Выбор
аппаратуры на 10 кВ
7.
Электроснабжение цеха
7.1. Расчёт
силовой нагрузки по цеху
7.2. Расчёт
электрического освещения цеха
8.
Безопасность и экологичность
8.1
Разработка технических мер электробезопасности при электроснабжении завода
механоконструкций
8.1.
Применение малых напряжений
8.2.
Электрическое разделение сетей
8.3. Защита
от опасности при переходе напряжения с высшей стороны на низшую
8.4.
Контроль и профилактика повреждений изоляции
8.5.
Компенсация емкостной составляющей тока замыкания на землю
8.6. Защита
от прикосновения к токоведущим частям
8.7.
Защитное заземление
8.8.
Зануление
8.9.
Защитное отключение
9. Защита
сетей и установок напряжением до 1000 В.
9.1. Расчёт
токов многофазных коротких замыканий
9.2. Расчет
токов однофазных кз.
9.3. Защита
сетей и ЭП
Заключение
Список
литературы
Приложения
Аннотация
Расчёт электроснабжения завода
механоконструкций. Расчётно-пояснительная записка к дипломному проекту.
В дипломном проекте рассмотрен
один из вариантов электроснабжения завода механоконструкций. Произведён расчёт
электрических нагрузок, выбраны трансформаторы ГПП и ЦТП, рассчитаны
распределительные сети, сделан выбор основного оборудования ГПП. Рассмотрен
вопрос электроснабжения отдельно взятого цеха.
Рассмотрены технические меры
электрической безопасности при электроснабжении завода механоконструкций.
Темой данной работы является
проектирование системы электроснабжения завода механоконструкций.
Электроустановки современных
промышленных предприятий представляют собой сложные системы, предъявляющие
повышенные требования к надежности электроснабжения, что в свою очередь
потребовало автоматизации работы отдельных элементов сетей. В этих условиях
принципиально важно, чтобы в проектах электроснабжения и электрооборудования
цехов принимались решения, отвечающие требованиям электробезопасности,
наименьших затрат на их сооружение и удобства эксплуатации и надежности работы.
От категории потребителей электроэнергии и особенностей технологического
процесса зависит надёжность системы электроснабжения, неправильная оценка особенностей
технологического процесса может привести как к снижению надежности системы
электроснабжения так и к неоправданным затратам на излишнее резервирование. Проект
содержит: расчет электрических нагрузок на всех уровнях напряжений, выбор и
расчет питающих и распределительных подстанций с выбором мощности трансформаторов
и определение их местоположения, а также решения по электрическому освещению,
выбору электрооборудования, аппаратов защиты и вопросы электробезопасности. Проектные
решения соответствуют требованиям основных нормативных документов ПУЭ и СНиП и
учитывают категорию надежности электроприемников и условиям окружающей среды.
Предприятие расположено в
промышленно развитом районе. Завод механоконструкций получает питание от
районной электростанции, предназначенной для комплексного получения тепловой и
электрической энергии. На предприятии использованы потребители электроэнергии
преимущественно 1 и 2 категории, значит, предприятие можно отнести ко 2
категории по бесперебойности электроснабжения - примем к установке
двухтрансформаторные цеховые подстанции.
Завод механоконструкций -
предприятие, обеспечивающее выпуск деталей для техники и продукции широкого
потребления. По своей структуре завод имеет основные, заготовительные и
вспомогательные цехи. К вспомогательным цехам относятся компрессорный цех,
очистные сооружения, цех изделий широкого потребления и топливохранилище.
К заготовительным цехам
относятся инструментально-механические, механический, литейный,
электроаппаратный, плазовошаблонный и ремонтно-механический цехи. К основным
цехам относятся агрегатный и сборочный цехи.
Электроснабжение цехов
осуществляется от встроенных понижающих подстанций. Схема электроснабжения
завода позволяет продолжать питание электроприёмников энергией даже в аварийной
ситуации. Технологический процесс производства не является беспрерывным и
кратковременное отсутствие электроэнергии не приносит большого ущерба.
Первоначальные сведения по цехам
(нагрузка, категорийность ЭСПП, характеристика сред) приведены в таблице 1.1
Таблица 1.1
Характеристика цехов.
|
№ по плану
|
Наименование цехов
|
Нагрузка
|
Категор.
ЭСПП
|
Х-ка среды
по СНиП
|
Х-ка среды
по ПУЭ
|
|
Сил., кВт
|
Осв., кВт
|
|
1
2
3
4
5
6
7
8
9
10
11
12
14
15
16
18
|
Инстр. - мех. цех
Сварочные цехи
Механич. Цехи
Литейный цех
Компресс. Отделение
Эл. - аппарат. Цех
Рем. - Мех. цехи
Заготовительные цехи
Агрегатные цехи
Сборочный цех
Очистные сооружения
Цех изд. шир. потреб.
Цех гальванопокрытий
Котельная
Топливохранилище
Заводоуправление
|
2195
9252
7210
460.8
2215
210
770
4012
3150
9985
750
340
2810
770
80
60
|
247.48
939.19
476.28
5.14
58.97
80.196
70.254
444.08
499.89
1402.99
7.34
57.48
224.55
18.627
4.26
11.07
|
II
II
II
I, II
I
I, II
II
II
II
III
I
III
I
I
II
III
|
Норм.
Норм.
Норм.
Норм.
Норм.
Норм.
Норм.
Норм.
Норм.
Норм.
Хим. - акт.
Норм.
Хим. - акт.
Норм.
Взрывооп.
Норм.
|
П-11а
В-1а
В-1
В-1а
|
Определение электрических
нагрузок предприятия производим методом коэффициента спроса, т.к нет точных
данных об электроприёмниках. Величина расчётной активной нагрузки цеха
определяется произведением коэффициента спроса на величину суммарной
установленной мощности электроприёмников:
Рр=Кс·Рн,
(2.1).
где Рр - расчётная
или потребляемая мощность, кВт;
Кс - коэффициент
спроса (для характерных групп электроприёмников приводится в [1]);
Рн - установленная
мощность цеха, кВт.
Расчётная реактивная мощность
цеха определяется:
Qр=Рр·tg (φ), (2.2).
где Qр
- расчётная реактивная мощность, квар;
tg (φ) - тангенс угла φ,
соответствующий коэффициенту мощности соs (φ),
который задаётся для характерных
групп электроприёмников согласно Л1.
Расчёт сведён в таблицу (2.1 1).
Таблица 2.1.1
Результаты определения расчётных
нагрузок.
|
Nпо
Плану
|
Наименование
Цеха
|
Наименование
нагрузки
|
Рном,
КВт.
|
Кс
|
Соs (φ) /
tg (φ)
|
Рр, кВт.
|
Qр, кВАр.
|
|
1
|
2
|
3
|
4
|
5
|
6
|
7
|
8
|
|
1
|
Инструм.
цех
|
Станки
Термич.
Транспортёры
Вентиляторы
Насосы
|
1500
234
81
165
217
2197
|
0.1
0.6
0.1
0.5
0.7
|
0.5/1.73
0.95/1.33
0.5/1.73
0.8/0.75
0.8/0.75
|
150
140
8
83
152
533
|
260
46
14
62
114
496
|
2
|
Сбороч.
Цеха
|
Станки
Термич.
Насосы
Сварка
Транспортёры
|
100
332
1100
6800
920
9252
|
0.2
0.9
0.75
0.5
0.3
|
0.5/1.73
0.95/0.33
0.8/0.75
0.5/1.73
0.5/1.73
|
20
298
825
3400
276
4819.8
|
34.6
98.604
618.75
5882
477.48
7111.43
|
|
3
|
Механич.
Цеха
|
Станки
Термич.
Вентиляторы
Насосы
|
3265
3390
410
145
7210
|
0.2
0.9
0.75
0.3
|
0.5/1.73
0.95/0.33
0.8/0.75
0.5/1.73
|
653
3051
307.5
43.5
4055
|
1129.7
1006.83
230.63
75.26
2442.41
|
|
4
|
Литейное
отделение
|
|
460.8
|
0.35
|
0.55/1.52
|
161
|
244.72
|
|
5
|
Компресс.
Отделение
|
Станки
Насосы, вент.
|
10
65
75
|
0.2
0.75
|
0.5/1.73
0.8/0.75
|
2
48.75
50.75
|
3.46
36.56
40.02
|
|
6
|
Эл. - аппар.
цех
|
Станки
Насос., вент.
Проч.
|
50
110
50
210
|
0.2
0.75
0.3
|
0.5/1.73
0.8/0.75
0.5/1.73
|
10
82.5
15
107.5
|
17.3
25.95
105.13
|
|
7
|
Рем. - мех.
цеха
|
Станки
Термич.
Насос., Вент.
Сварка
Транспортёры
|
405
100
20
200
45
770
|
0.2
0.9
0.75
0.4
0.3
|
0.5/1.73
0.95/0.39
0.8/0.75
0.7/1.02
0.5/1.73
|
81
90
15
80
13.5
279.5
|
140.13
29.7
11.25
81.6
23.36
286.04
|
|
8
|
Заготовит.
Участок
|
Станки
Термич.
Насос., Вент.
Сварка
Транспор., проч.
|
2170
690
330
682
140
4012
|
0.2
0.9
0.75
0.5
0.3
|
0.5/1.73
0.95/0.33
0.8/0.75
0.5/1.73
0.5/1.73
|
434
621
247.5
341
42
1685.5
|
750.82
204.93
185.63
589.93
72.66
1803.97
|
|
9
|
Агрегатные
Цеха
|
Станки
Термич.
Насос., вент.
Сварка
Трансп., проч.
|
2155
150
480
195
170
3150
|
0.2
0.9
0.75
0.4
0.3
|
0.5/1.73
0.95/0.33
0.8/0.75
0.7/1.02
0.5/1.73
|
431
135
360
78
51
1055
|
745.63
44.55
270
79.56
88.23
1227.97
|
|
10
|
Сборочный
Цех
|
|
9985
|
0.7
|
0.8/0.75
|
6989.5
|
5242.13
|
|
11
|
Очистные
Сооружения
|
Насос., вент.
Трансп., проч.
|
450
300
750
|
0.75
0.3
|
0.8/0.75
0.5/1.73
|
337.5
90
427.5
|
253.13
155.7
408.83
|
|
12
|
Ц. изделий
Шир. потр.
|
|
340
|
0.2
|
0.5/1.73
|
68
|
117.64
|
|
14
|
Цех
Гальванопокр.
|
Станки
Термич.
Насос., вент
Сварка
Трансп., проч.
|
150
950
1060
100
550
2810
|
0.2
0.9
0.75
0.5
0.3
|
0.5/1.73
0.5/1.73
0.95/0.33
0.8/0.75
0.5/1.73
|
30
855
795
50
165
1895
|
51.9
282.15
596.25
86.5
285.45
1302.25
|
|
15
|
Котельная
|
Станки
Насос., вент.
|
10
760
770
|
0.2
0.75
|
0.5/1.73
0.8/0.75
|
2
570
572
|
3.46
427.5
430.96
|
|
16
|
Топливохра-
нилище
|
Насос., вент.
|
80
|
0.75
|
0.8/0.75
|
60
|
45
|
|
18
|
Заводоуправл.
|
|
60
|
0.75
|
0.8/0.75
|
45
|
33.75
|
|
Итого на шинах 0.4 кВ.
|
22804.05
|
21338.24
|
|
|
|
|
|
|
Потребители на высоком напряжении (10 кВ)
|
|
|
|
|
|
|
|
|
5
|
Компресс.
Отделение
|
Двигатели
|
2520
|
0.75
|
0.9/0.48
|
1890
|
623.7
|
|
Итого на шинах 10 кВ.
|
1890
|
623.7
|
|
|
|
|
|
При определении расчётной
нагрузки кроме силовой учитывается осветительная нагрузка цехов и отдельных
помещений. На начальных этапах проектирования для определения осветительной
нагрузки используют метод удельной мощности. Мощность ламп определяется по
следующей формуле:
Р=w·S, (2.3).
где S-площадь
цеха, м2;
w-удельная
мощность освещения.
Она зависит от типа светильника,
освещённости, коэффициента запаса, коэффициента отражения поверхностей
помещения, значения расчётной высоты, площади помещения.
Таблица 2.2.1
Данные для расчёта осветительной
нагрузки.
|
№ по
Плану
|
Наим. Цеха
|
S, м2
|
H, м
|
Тип
Свет-ка
|
E, лк
|
W,
Вт/м2
|
Рн,
кВт
|
ρ ПОТ
|
ρ СТ
|
ρ РАБ
|
|
1
2
3
4
5
6
7
8
9
10
11
12
14
15
16
18
|
Инстр. ц.
Сбор. ц.
Мех. ц.
Лит. ц.
Компр. отд.
Эл. - ап. ц.
Рем. - мех. ц.
Загот. ц.
Агрег. ц.
Сбор. ц.
Оч. Сооруж
Ширпотр.
Ц. гальван.
Котельная
Топл. - хран.
Заводоупр.
|
6048
21248.6
10584
504
2620.8
1814.4
3548.16
9979.2
11309.8
31741.9
2822.4
2903.04
5080.32
1411.2
322.56
752.76
|
12.5
12.5
7.5
7.5
7.5
12.5
7.5
12.5
12.5
12.5
7.5
7.5
12.5
7.5
7.5
7.5
|
РСПО
УПД
УПД
ЛСП 24 2х40
УПД
УПД
ЛСП03ВЕx2x80
УПД
УПД
УПД
Гс-500
ЛСП03ВЕx2x80
УПД
ЛСП03ВЕx2x80
ЛСП03ВЕx2x80
УСП 2x40
|
300
300
300
200
150
300
300
300
300
300
20
300
300
200
75
300
|
44.1
45
22.5
44.2
19.8
44.2
44.2
44.2
2.6
19.8
44.2
13.2
13.2
14.7
|
247
939.2
476.3
5.14
58.97
80.2
70.25
441.1
499.9
1403
7.34
57.48
224.6
18.63
4.26
11.07
|
50
50
50
50
50
50
50
50
50
50
50
50
50
50
50
70
|
30
30
30
30
30
30
30
30
30
30
30
30
30
30
30
50
|
10
10
10
10
10
10
10
10
10
10
10
10
10
10
10
10
|
Расчётная нагрузка освещения
определяется по установленной мощности и коэффициенту спроса из выражения:
Рр=к1·кс·Рн,
(2.4).
где кс-коэффициент
спроса, [1] ;
к1-коэффициент,
учитывающий потери мощности в ПРА и принимается 1.12 для ламп ДРЛ и 1.2 для
люминесцентных ламп.
Таблица 2.2.2
Результаты определения расчётных
осветительных нагрузок.
|
Nпо
Плану
|
Наименов. Цеха
|
К1
|
Кс
|
Рн осв,
кВт
|
Рр осв,
кВт
|
Qр осв,
кВт
|
|
1
2
3
4
5
6
7
8
9
10
11
12
14
15
16
18
|
Инстр.Ц.
Сбор. ц.
Мех. ц.
Лит. ц.
Компр. отд.
Эл. - ап. ц.
Рем. - мех. ц.
Загот. ц.
Агрег. ц.
Сбор. ц.
Оч. Сооруж
Ширпотр.
Ц. гальван.
Котельная
Топл. - хран.
Заводоупр.
Осв. Терр.
ИТОГО
|
1.12
1.12
1.12
1.2
1.12
1.12
1.2
1.12
1.12
1.12
1.2
1.12
1.2
1.2
1.2
|
0.9
0.95
0.95
0.95
0.95
0.95
0.95
0.95
0.95
0.95
0.95
0.95
0.95
0.95
0.6
0.9
|
247
939.2
476.3
5.14
58.97
80.2
70.25
441.1
499.9
1403
7.34
57.48
224.6
18.63
4.26
11.07
|
222
999.3
506.78
5.86
62.74
85.33
80.1
469.31
531.88
1491.73
6.97
65.53
238.9
21.23
3.1
11.96
1702.5
6505.2
|
73
1332.36
675.67
2.82
83.65
113.77
38.44
625.73
709.16
1988.92
31.48
318.55
10.19
1.47
5.74
2269.99
8280.93
|
Полная расчётная мощность завода
определяется по расчётным активным и реактивным нагрузкам цехов на низком и
высоком напряжениях с учётом расчётной нагрузки освещения территории завода,
потерь мощности в трансформаторах цеховых ТП и ГПП, с учётом компенсации
реактивной мощности. В расчёте мощности компенсирующих устройств будем считать
компенсирующие устройства на 0.4 кВ для потребителей напряжением 0.4 кВ и КУ на
высоком напряжении для ЭП на напряжении 10 кВ.
Необходимая мощность КУ
определяется из соотношения:
QКУ=РР·tg (φн) (2.5).
где tg (φн) =0.15
Нагрузка на напряжении 0.4 кВ:
Силовая РР=22338.05
кВт;
QР=21338.24
квар;
Осветительная РР=6505.2
кВт;
QР=8280.93
квар.
Суммарная мощность
компенсирующих устройств на напряжении 0.4 кВ следующая:
QКУ
НН= (РР+РР ОСВ) ·tg (φн) =28843.25·0.15=4326.49 квар.
Нагрузка на напряжении 10 кВ:
Силовая РР=1890 кВт;
QР=623.7
квар.
Напряжением 10 кВ питаются
асинхронные двигатели, следовательно нужно ставить КУ. Суммарная мощность
компенсирующих устройств на высоком напряжении следующая:
QКУ
ВН=1800·0.33=594 квар.
Так как трансформаторы цеховых
подстанций и ГПП не выбраны, то потери в них определяют приближённо из
соотношений:
ΔРТ=0.02·SР, (2.6).
ΔQТ=0.1·SР, (2.7).
Для нагрузки на напряжении 0.4
кВ:
Sр=41342.81
кВА.
Численно потери в цеховых
трансформаторах будут равны:
ΔРТ=0.02·41342.81=826.86
кВт,
ΔQТ=0.1·41342.81=4134.28
квар.
Нагрузка на напряжении 10 кВ
равна:
РР=22338.05+6505.2+1890+826.86=31560.11
кВт.
QР=21338.24+8280.93+623.7+4134.28=34377.15
квар.
SР=46667.22
кВА.
Потери мощности в
трансформаторах на ГПП равны:
ΔРТ=631.2 кВт,
ΔQТ=3437.72
квар.
Т.о. расчётная мощность завода
будет:
РР=31560.11+631.2=32191.31
кВт,
QР=34377.15+3437.72=37814.87
квар,
SР=49661.3
кВА.
Так как на промышленном
предприятии в основном преобладают нагрузки первой и второй категорий, то
согласно ПУЭ к установке приняты двухтрансформаторные цеховые подстанции.
Расчётную мощность
трансформаторов в соответствии с [3] определяю по среднесменной нагрузке цеха с
учётом расчётных нагрузок освещения.
Среднесменную нагрузку нахожу по
следующим формулам:
РСМ=РН·КИ,
(3.1).
QСМ=РСМ·tg (φ), (3.2).
где КИ-коэффициент
использования для характерных групп электроприёмников.
Расчёт мощности ЦТП представлен
в таблице 3.3.1.1
Поскольку нагрузка
компрессорного отделения и литейного цеха на напряжении до 1000 В
незначительна, то для них имеет смысл установить одну ТП.
Таблица 3.3.1.1
Расчёт мощности ЦТП.
|
№ ПО ПланУ
|
Рном,
КВт.
|
КИ
|
Соs (φ) /
tg (φ)
|
Средние нагрузки
|
Расчётные НГ освещения
|
SСМ, кВА
|
|
РСМ, кВт
|
QСМ,
квар
|
РР ОСВ,
кВт
|
QР ОСВ,
Квар
|
|
1
|
2
|
3
|
4
|
5
|
6
|
7
|
8
|
9
|
|
1
|
1500
234
81
165
217
|
0.15
0.75
0.5
0.6
0.7
|
0.5/1.73
0.95/1.33
0.5/1.73
0.8/0.75
0.8/0.75
|
225
175.5
40.5
99
151.9
|
389.25
233.42
70.07
74.25
113.93
|
222
|
73
|
|
|
2197
|
|
|
691.9
|
880.92
|
|
|
1321.1
|
|
2
|
100
332
1100
6800
920
|
0.15
0.75
0.7
0.25
0.5
|
0.5/1.73
0.95/0.33
0.8/0.75
0.5/1.73
0.5/1.73
|
15
249
770
1700
460
|
25.95
82.17
577.5
2941
795.8
|
999.3
|
1332.4
|
|
|
9252
|
|
|
3194
|
4422.4
|
|
|
7120.5
|
|
3
|
3265
3390
410
145
|
0.15
0.75
0.5
|
0.5/1.73
0.95/0.33
0.8/0.75
0.5/1.73
|
489.8
2542.5
287
72.5
|
847.4
839
215.3
125.4
|
506.8
|
675.7
|
|
|
7210
|
|
|
3391.8
|
2027.1
|
|
|
4743.9
|
|
4
|
460.8
|
0.6
|
0.55/1.52
|
276.5
|
420.2
|
5.9
|
2.8
|
|
|
460.8
|
|
|
276.5
|
420.2
|
|
|
508.6
|
|
5
|
10
65
|
0.15
0.7
|
0.5/1.73
0.8/0.75
|
1.5
45.5
|
2.6
34.1
|
62.7
|
83.7
|
|
|
75
|
|
|
47
|
36.7
|
|
|
162.9
|
|
6
|
50
110
50
|
0.15
0.7
0.3
|
0.5/1.73
0.8/0.75
0.5/1.73
|
7.5
77
15
|
13
57.8
25.95
|
85.3
|
113.8
|
|
|
210
|
|
|
99.5
|
96.75
|
|
|
280.1
|
|
7
|
405
100
20
200
45
|
0.15
0.75
0.7
0.25
0.5
|
0.5/1.73
0.95/0.39
0.8/0.75
0.7/1.02
0.5/1.73
|
60.75
75
14
50
22.5
|
105.1
29.3
10.5
51
38.9
|
80.1
|
38.4
|
|
|
770
|
|
|
222.3
|
234.8
|
|
|
407.5
|
|
8
|
2170
690
330
682
140
|
0.15
0.75
0.7
0.25
0.5
|
0.5/1.73
0.95/0.33
0.8/0.75
0.5/1.73
0.5/1.73
|
325.5
517.5
231
170.5
70
|
563.1
170.8
173.3
295
121.1
|
469.3
|
625.7
|
|
|
4012
|
|
|
1314.5
|
1323.3
|
|
|
2642.1
|
|
9
|
2155
150
480
195
170
|
0.15
0.75
0.7
0.25
0.5
|
0.5/1.73
0.95/0.33
0.8/0.75
0.7/1.02
0.5/1.73
|
323.3
112.5
336
48.8
85
|
559.3
37.13
252
49.8
147.5
|
531.9
|
709.2
|
|
|
3150
|
|
|
905.6
|
1045.7
|
|
|
2268.5
|
|
10
|
9985
|
0.08
|
0.8/0.75
|
798.8
|
599.1
|
1491.7
|
1988.9
|
|
|
9985
|
|
|
798.8
|
599.1
|
|
|
3456
|
|
11
|
450
300
|
0.7
0.5
|
0.8/0.75
0.5/1.73
|
315
150
|
236.3
259.5
|
6.9
|
|
|
|
750
|
|
|
465
|
495.8
|
|
|
684.5
|
|
12
|
340
|
0.1
|
0.5/1.73
|
34
|
58.8
|
65.5
|
31.5
|
|
|
|
|
|
34
|
58.8
|
|
|
134.4
|
|
14
|
150
950
1060
100
550
|
0.15
0.75
0.7
0.25
0.5
|
0.5/1.73
0.5/1.73
0.95/0.33
0.8/0.75
0.5/1.73
|
22.5
712.5
742
25
275
|
38.9
1232.6
244.9
18.8
475.8
|
238.9
|
318.6
|
|
|
2810
|
|
|
1777
|
2011
|
|
|
3080.7
|
|
15
|
10
760
|
0.15
0.7
|
0.5/1.73
0.8/0.75
|
1.5
532
|
2.6
399
|
21.2
|
10.2
|
|
|
770
|
|
|
533.5
|
401.6
|
|
|
690.8
|
|
16
|
80
|
0.7
|
0.8/0.75
|
56
|
42
|
3.1
|
1.5
|
|
|
80
|
|
|
56
|
42
|
|
|
73.4
|
|
18
|
60
|
|
0.8/0.75
|
48
|
36
|
12
|
6
|
|
|
60
|
|
|
48
|
36
|
|
|
73.2
|
Теперь, когда известны средние
нагрузки цехов, в зависимости от плотности нагрузки, согласно [4], можно
произвести выбор мощности трансформаторов и числа ТП в каждом из цехов.
Результаты выбора сведены в
таблицу 3.3.1.2.
Таблица 3.3.1.2
Результаты выбора мощности
трансформаторов и числа ТП.
|
NЦЕХА ПО
ПланУ
|
SСМ, кВА
|
SР, кВА
|
F, м2
|
σ
кВА/м2
|
SТ НОМ,
кВА
|
Кол-во
КТП
|
Номер
КТП
НА ПланЕ
|
|
1
|
2
|
3
|
4
|
5
|
6
|
7
|
8
|
|
1
|
1321.1
|
728.08
|
6048
|
0.12
|
2x630
|
1
|
1
|
|
2
|
7120.5
|
8590.9
|
21248.6
|
0.75
|
1600
1600
1600
1600
1000
|
5
|
2
3
4
6
5
|
|
3
|
4743.9
|
4733.7
|
10584
|
0.45
|
1600
1600
1600
|
3
|
7
8
9
|
|
4
5
6
7
18
|
508.6
162.9
280.1
407.5
73.2
|
292.9
150.4
399.9
56.25
|
504
2620.8
1814.4
3548.2
752.76
|
0.1
|
2x1600
|
1
|
10
|
|
8
|
2642.1
|
2468.9
|
9979.2
|
0.25
|
1000
1000
630
|
3
|
13
12
11
|
|
9
|
2268.5
|
1618.9
|
11309.8
|
0.14
|
630
630
630
630
|
4
|
14
15
16
17
|
|
10
|
3456
|
8736.8
|
31741.9
|
0.25
|
1600
1000
1000
|
3
|
18
19
20
|
|
11
12
|
684.5
134.4
|
591.5
135.9
|
2822.4
|
0.25
|
2x1000
|
1
|
21
|
|
14
|
3080.7
|
2299.2
|
5080.3
|
0.45
|
2x1600
2x1600
|
2
|
22
23
|
|
15
16
|
690.8
73.4
|
716.2
75
|
1141.2
32256
|
0.45
|
1000
|
1
|
24
|
Поскольку для каждого
предприятия энергосистема устанавливает величину реактивной мощности, которую
она передаёт по своим сетям этому предприятию в часы максимума нагрузки
энергосистемы и в часы минимума нагрузки энергосистемы, то недостающая
реактивная мощность должна быть скомпенсирована на месте. Проблема компенсации
реактивной мощности важна ещё потому, что это позволяет значительно уменьшить
потери электроэнергии. Наибольший эффект снижения потерь электроэнергии в сети
имеет место при полной компенсации реактивных нагрузок. Задача сводится к
выбору для каждого РП батарей конденсаторов, мощность которых по возможности
равна реактивной нагрузке этого пункта.
В зависимости от места установки
КУ на стороне 6-10 кВ или на напряжении до 1000 В затраты различны.
Случай установки БК со стороны
6-10 кВ может привести к увеличению установленной мощности трансформаторов, но
с другой стороны источники РМ, устанавливаемые там экономичнее БК на напряжении
до 1000 В.
Поэтому при определении
экономически наивыгоднейшего варианта приходится рассчитывать приведённые
затраты. Определим активное сопротивление АД по каталожным данным [7]:
РН=630 кВт; UН=10 кВ; n=1500 об/мин;
ŋ=94.8%; cos
(φ) =0.9; SН=0.8%;
МП/МН=1.3;
IП/IН=6.5.
RАД=
( (РН+ΔРМЕХ) ·мК) / (4· (1-SН) ·1002·6.52), (3.3).
Механические потери примем 1% от
РН.
RАД=2.45
Ом.
Параметры распределительных
сетей приведены в таблице 3.3.2.1 Расчёт этих сетей произведён в п.6.2.
Таблица 3.3.2.1
Параметры распределительных
сетей.
|
Наименование
Линии.
|
Длина
Каб., м.
|
Принятое
Сечение, мм2.
|
R0, Ом/км.
|
Х0, Ом/км.
|
|
Магистраль 1:
ГПП-КТП 6
КТП 6-КТП 1
|
763.8
648.3
115.5
|
3x35
|
0.89
|
0.095
|
|
Магистраль 2:
ГПП-КТП 13
КТП 13-КТП 12
КТП 12-КТП 11
|
272.3
110.1
80.1
82.1
|
3x50
|
0.62
|
0.09
|
|
Магистраль 3:
ГПП-КТП 14
КТП 14-КТП 5
|
564.7
455.9
108.8
|
3x16
|
1.94
|
0.113
|
|
Магистраль 4:
ГПП-КТП 17
КТП 17-КТП 16
КТП 16-КТП 15
|
592.2
485.5
55.3
51.4
|
3x16
|
1.94
|
0.113
|
|
Магистраль 5:
ГПП-КТП 18
КТП 18-КТП 19
КТП 19-КТП 20
|
1027.4
731.8
141.9
153.7
|
2x (3x95)
|
0.33
|
0.083
|
|
Магистраль 6:
ГПП-КТП 23
КТП 23-КТП 22
КТП 22-КТП 21
|
552.8
264.3
93.4
195.1
|
3x70
|
0.44
|
0.086
|
|
Магистраль 7:
ГПП-КТП 24
|
287.5
287.5
|
3x16
|
1.94
|
0.113
|
|
Магистраль 8:
ГПП-РП
РП - КТП 10
РП-КТП 9
КТП 9 - КТП 8
КТП 8-КТП 7
РП - АД
|
1070.8
702.1
6
220.6
69.9
66.2
6
|
2x (3x95)
|
0.33
|
0.083
|
Чтобы определить оптимальную
мощность БК необходимо произвести последовательное эквивалентирование схемы
замещения исходной распределительной сети начиная с конца токопровода, в
соответствии с формулой:
RЭ=1/Σ
(1/Ri), (3.4).
Т. к. каждый раз последовательно
складывается только два сопротивления, то удобнее пользоваться формулой
сложения двух параллельно соединённых сопротивлений, вытекающей из (3.4):
RЭ
12=R1·R2/
(R1+R2),
(3.5).
Когда эквивалентирование всей
сети будет завершено, распределение Q по участкам
токопровода и ответвлениям рассчитывается по (3.6).
Qi=Q·RЭ/Ri,
(3.6).
Где Q-суммарная
мощность, подлежащая распределению;
Ri-сопротивление
I-й радиальной линии;
RЭ-эквивалентное
сопротивление всех радиальных линий.
Расчётная схема замещения
приведена на рис.3.2.1
Рис.3.2.1 Схема замещения
распределительной сети.
В результате эквивалентирования
получено RЭ ГПП=0.025 Ом.
Таблица 3.3.2.2
Результаты расчета КУ.
|
№ КТП
|
QЭi,
квар
|
QРi,
квар.
|
QКУi,
квар.
|
Тип КУ, 0.4 кВ
|
|
1
|
2
|
3
|
4
|
5
|
|
1
2
3
4
5
6
7
8
9
10
11
12
13
14
15
16
17
18
19
20
21
22
|
732.2
998.5
945.2
901.6
432.5
1008.1
768.1
699.6
738.1
98.5
434.7
559.2
579.9
401.1
389.4
302.1
404.7
700.2
508.1
519.6
371.8
876.4
|
953.92
1300
1300
1300
554.8
1300
900.93
900.93
900.93
120.4
549
700
700
438.73
438.73
438.73
438.73
1188
700
700
495.8
1164.8
|
221.72
301.5
354.8
398.4
122.3
291.9
132.83
201.33
162.83
21.9
114.3
140.8
120.1
37.63
49.33
136.63
34.03
487.8
191.9
180.4
124
288.4
|
2xУКБН-100
2хУКБТ-150
2хУКБТ-150
2хУКБТ-200
УКБН-100
2хУКБТ-150
УКБН-100
УКБТ-200
УКБТ-150
--
УКБН-100
УКБТ-150
УКБН-100
--
--
УКБН-100
--
3хУКБТ-150
2xУКБН-100
2xУКБН-100
УКБН-100
2хУКБТ-150
|
|
23
24
|
912.1
283.8
|
1164.8
411.8
|
252.7
128
|
УКБН-100+
УКБТ-150
УКБН-100
|
Поскольку на рассматриваемом
предприятии преобладают потребители I и II категорий по бесперебойности
электроснабжения, поэтому, в соответствии с ПУЭ, для внешнего электроснабжения
предусматриваю две линии.
Питающие линии выполнены
воздушными, т.к расстояние от завода до ИП значительно и составляет 25 км. При
сооружении ГПП предусматриваются два трансформатора связи с энергосистемой.
Выбор мощности трансформаторов
ГПП произвожу по расчётной мощности завода с учётом загрузки их в нормальном и
аварийном режимах с учётом допустимой перегрузки в последнем режиме. Мощность
трансформаторов должна быть такой, чтобы при выходе из работы одного из них
второй воспринимал бы на себя всю НГ подстанции с учётом аварийной перегрузки.
Мощность трансформатора находим
по формуле:
SТР=SР/1.4, (4.1).
Где 1.4-предельный коэффициент
загрузки трансформатора.
РР=32191.31 кВт.
QР=32191.31·0.33=10623.13
квар.
SР=33898.84
кВА.
SТР=24213.5
кВА.
Принимаю к установке два
трансформатора ТДН-110/10 мощностью по 25 МВА [5].
Загрузка трансформаторов в
нормальном режиме:
КЗ=SР/2·SН. ТР. (4.2).
КЗ=0.678;
КЗ АВ=SР/SН ТР (4.3).
КЗ АВ=1.36.
Принимаем к установке 2xТДН-25, считая возможным в аварийном режиме отключение
потребителей третьей категории и частично потребителей второй категории.
На ГПП трансформируется энергия,
получаемая от ИП, с U=110 кВ на U=10
кВ, на котором происходит распределение электроэнергии по подстанциям и питания
ЭП на этом напряжении.
В соответствии с [5] на двух
трансформаторных подстанциях U=35-220 кВ применяю схему
“Два блока с выключателями и неавтоматической перемычкой со стороны линий",
поскольку блочные схемы позволяют наиболее рационально и экономично решить
схему ЭСПП. На подстанциях 35-220 кВ блочные схемы применяются для питания как
непосредственно от районных сетей, так и от узловых подстанций промышленного
предприятия. Схема приведена на рис.4.1
Схема ГПП удовлетворяет
следующим условиям:
Обеспечивает надёжность
электроснабжения потребителей и переток активной мощности по магистральным
связям в нормальном и послеаварийном режимах;
Учитывает перспективы развития;
Допускает возможность поэтапного
расширения;
Учитывает широкое использование
элементов автоматики и ПРА.
Рис.4.1 Схема "Два блока с выключателями и неавтоматической перемычкой со
стороны линий".
Выбор рационального напряжения
питания имеет большое значение, т.к величина напряжения влияет на параметры ЛЭП
и выбираемого оборудования подстанции и сетей, а следовательно на размер
капитальных вложений, расход цветного металла, на величину потерь
электроэнергии и эксплуатационных расходов.
Для питания крупных и особо
крупных промышленных предприятий рекомендуется использовать напряжения 110, 220
кВ. Напряжение 35 кВ в основном рекомендуется использовать на средних
предприятиях при отсутствии значительного числа электродвигателей на напряжение
больше 1000 В, а также для частичного распределения энергии на крупном
предприятии, где основное напряжение питания 110-220 кВ.
Для внутреннего распределения энергии
в настоящее время, как правило, используют напряжение 10 кВ.
Выбор напряжения питания
основывается на технико-экономическом сравнении вариантов.
Рассмотрим два варианта с
выявлением капитальных затрат, ежегодных эксплуатационных расходов, расходов цветного
металла, приведённых затрат. [6].
Для определения технико-экономических
показателей намечаем схему внешнего электроснабжения данного варианта. Аппаратура
и оборудование намечаем ориентировочно, исходя из подсчитанной электрической
нагрузки промышленного предприятия. Затем определяется стоимость оборудования и
другие расходы.
Намечаем два варианта внешнего
электроснабжения - 35 и 110 кВ.
В соответствии с намеченным
вариантом при заданном напряжении определяем суммарные затраты и
эксплуатационные расходы.
Капитальные затраты
установленного оборудования линии:
ОРУ 110 кВ с двумя системами шин
на ЖБ конструкциях.
К0=2·14.95=29.9 т. руб.
[3].
Линия принимается двухцепной,
воздушной с алюминиевыми проводами и ЖБ опорами. Экономическое сечение
определяю по экономической плотности тока:
IР=SР/√3·U·2, (4.4).
IР=85.19
А.
FЭК=IР/jЭК, (4.5).
FЭК=77.45
мм2.
ТMAX<5000
ч. [2], следовательно j=1.1
Для сталеалюминиевых проводов
минимальным сечением по механической прочности является сечение 25 мм2,
но по условию коронирования при напряжении 110 кВ следует принять сечение 70 мм2.
Принимаем сечение F=95 мм2, АС-95, r0=0.314
Ом/км, x=42.9 Ом/км.
Стоимость 1 км двухцепной линии
указанного сечения на ЖБ опорах 12.535 т. руб. [3]. Тогда при двух линиях и L=25 км соответственно:
КЛ=2·25·12.535=626.75
т. руб.
В соответствии с нагрузкой
завода устанавливается два трансформатора
ТДН-110/10 с мощностью 25 МВА. Паспортные
данные трансформатора следующие:
UК=10.5%;
ΔРХХ=29 кВт; ΔРКЗ=120 кВт; КТ=58.3 т.
руб. [7].
КТ=2·58.3=116.6 т. руб.
К∑=29.9+626.75+116.6=773.25
т. руб.
Эксплуатационные расходы.
Потери в линиях
ΔРЛ= ( (SР/2) 2/U2Н)
/R·L, (4.6).
ΔРЛ=1191.44 кВт.
Потери в двух линиях:
2·ΔРЛ=2382.88
кВт.
Потери в трансформаторе:
Приведённые потери активной
мощности при КЗ:
ΔР1 КЗ=ΔРКЗ+КЭК·QКЗ, (4.7).
Где КЭК=0.06 кВт/квар.
ΔР1 КЗ=120+0.06·0.105·25000=277.5
кВт.
Приведённые потери активной
мощности при ХХ:
ΔР1 ХХ= ΔРХХ+КЭК·QХХ, (4.8).
ΔР1 ХХ=29=0.06·0.0075·25000=40.25
кВт.
Полные потери в трансформаторах:
ΔРТ=2· (40.25+277.5·0.6782)
=350.89 кВт.
Полные потери в линии и
трансформаторах:
ΔРΣ=ΔРЛ+ΔРТ,
(4.9), ΔРΣ=2382.88+350.89=2733.77 кВт.
Стоимость потерь:
СП=С0·ΔРΣ·ТMAX, (4.10).
Где С0=0.8 (коп/кВт·ч)
- стоимость 1 кВт·ч электроэнергии.
СП=0.8·2733.77·5000=10.94
т. руб.
Средняя стоимость
амортизационных отчислений.
Амортизационные отчисления по
линиям принимаются 6% от стоимости линий, по подстанциям-10%. [7].
СА Л=37.605 т. руб.
СА ПС=14.65 т. руб.
СΣ Л, ПС=52.255
т. руб.
Суммарные годовые
эксплуатационные расходы.
СΣ=СП+
СΣ Л, ПС=10.94+52.255=63.195 т. руб.
Суммарные затраты:
З=СΣ+0.125·КΣ=63.195+0.125·773.25=159.85
т. руб.,
Где 0.125-нормативный
коэффициент эффективности капиталовложений ед/год.
Потери электроэнергии:
ΔW=ΔРΣ·ТГОД, (4.11).
ΔW=2733.77·5000=13668.85
МВт·ч.
Расход цветного металла:
G=2·L·g, (4.12).
Где g=261
кг/км, [7], - вес 1 км провода.
G=2·25·261=13.05
т.
Расчёт варианта на 35 кВ ведётся
аналогично. Расчётные данные сведены в таблицу 4.3.1
Таблица 4.3.1.1
Затраты по вариантам.
|
Вариант кВ.
|
К, т. руб.
|
С, т. руб.
|
З, т. руб.
|
G, т.
|
ΔW,
т. кВт*ч.
|
|
110
|
773.25
|
63.195
|
159.85
|
13.05
|
13668.85
|
|
35
|
997.72
|
77.02
|
201.735
|
41.5
|
15427.67
|
Так как ΔW110
< ΔW35, отдаём предпочтение варианту
с напряжением 110 кВ.
Для определения условного центра
нагрузок считается, что нагрузки распределены равномерно по площади цехов и
центры нагрузок совпадают с центром тяжести фигур, изображающих цеха. Координаты
центра электрических нагрузок вычисляются по формулам:
X0
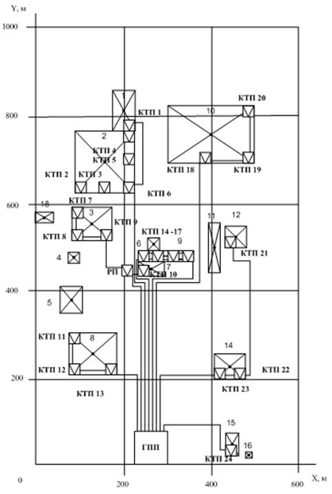
ГПП= (ΣРРi·Xi) / (ΣРРi), (4.13).
Y0
ГПП= (ΣРРi·Yi) / (ΣРРi), (4.14).
Где Xi,
Yi-координаты центров нагрузок отдельных
цехов, м.
Таблица 4.3.1.2
Результаты расчёта координат
центров нагрузок отдельных цехов.
|
NПО
ПланУ
|
Наименование
цехов
|
РРi,
КВт.
|
Хi,
м
|
Yi,
м
|
|
1
2
|
Инструм. Цех
Сборочн. цеха
|
755
5819.1
|
197.8
153.6
|
803.3
693
|
|
3
4
5
6
7
8
9
10
11
12
14
15
16
18
|
Мех. Цеха
Литейный цех
Компрессорное отд.
Эл. - апп. Цех
Рем. - мех. Цех
Загот. Цех
Агрег. Цех
Сбор. Цех
Очистные сооруж.
Цех ширпотреба
Цех гальванопокр.
Котельная
Топливохранилище
Заводоуправление
|
4561.8
166.9
1718.5
192.8
359.6
2154.8
1586.9
8481.2
434.5
133.5
2133.9
593.2
63.1
56.9
|
115.2
92.2
80.6
224.6
220.8
144
276.5
399.4
403.2
453.1
437.8
455.1
487.7
15.4
|
561.8
472.5
393.8
567
425.3
267.8
472.5
756
493.5
525
225.8
47.3
78.8
567
|
Х0 ГПП=255.5 м, Y0 ГПП=573.1 м.
Из-за невозможности установки
ГПП в месте с найденными координатами, устанавливаем ГПП на свободном месте,
ближе к ИП (Y0 ГПП=50 м).
В соответствии с рекомендациями
по проектированию электроснабжения промышленного предприятия для
распределительных сетей принимаю напряжение 10 кВ. На выбор этого напряжения
распределительных сетей также повлияло наличие на предприятии компрессорного
отделения, привод компрессоров в котором осуществляется асинхронными
двигателями с непосредственным присоединением к сети 10 кВ.
Для внутризаводского
электроснабжения применяется смешанная схема питания цеховых подстанций.
Расчёт распределительных сетей
выполняется с целью определения сечений жил кабелей при известных токах
нагрузки в нормальном и аварийном режимах.
Сечение каждой линии принято
выбирать в соответствии со следующими условиями:
По номинальному напряжению:
UН
КАБ>=UН СЕТИ, (5.1).
По нагреву расчётным током:
IДЛ.
ДОП. >IРАБ.1, (5.2).
где IРАБ.1=IРАБ/КП, (5.3).
КП-корректирующий
коэффициент,
КП=К1·К2,
(5.4).
К1 - поправочный
коэффициент на температуру окружающей среды [5, т.7.32] ; К2 - поправочный
коэффициент на число кабелей проложенных рядом (К2=1, если кабель
один). В случае если кабели взаимно резервируют друг друга, то:
IДЛ.
ДОП. >2·IРАБ.1, (5.5).
По экономической плотности тока,
исходя из расчётного тока и продолжительности использования максимума нагрузок:
SЭК=IР/jЭК, (5.6).
По термической устойчивости
кабеля. Производится путём определения наименьшего термически устойчивого
сечения:
(5.7).
где IПО-установившийся
ток трёхфазного КЗ; C=98-для кабелей с алюминиевыми
жилами; tОТК-время срабатывания защиты; ТА-постоянная
времени цепи КЗ. При определении сечения магистрали сначала рассчитывается
головной участок, затем кабели между трансформаторными подстанциями. По
наибольшему сечению принимается сечение магистрали.
Расчёты по определению сечений
кабелей сведены в таблицу 5.5.2.1
Принимается марка кабеля ААБл,
способ прокладки-в траншее.
Таблица 5.5.2.1
Результаты расчёта
распределительных сетей завода.
|
Наименование
Линии.
|
Нагрузка
|
Принятое
Сечение,
мм2.
|
IДОП,
А.
|
|
SР,
кВА.
|
IР,
А.
|
IАВ,
А.
|
|
Магистраль 1:
ГПП-КТП 7
КТП 7-КТП 1
КТП 1-КТП 2
|
2256.2
728.08
364.04
|
75.21
24.27
12.13
|
150.42
48.54
24.26
|
3x35
|
150
|
|
Магистраль 2:
ГПП-КТП 14
КТП 14-КТП 13
КТП 13-КТП 12
|
2468.9
1490.9
611
|
82.3
49.7
20.4
|
164.6
99.4
40.8
|
3x50
|
180
|
|
Магистраль 3:
ГПП-КТП 15
КТП 15-КТП 6
|
1386
981
|
46.2
32.7
|
92.4
65.4
|
3x16
|
95
|
|
Магистраль 4:
ГПП-КТП 18
КТП 18-КТП 17
КТП 17-КТП 16
|
1213.9
803.9
395.3
|
40.5
26.8
13.2
|
81
53.6
26.4
|
3x16
|
95
|
|
Магистраль 5:
ГПП-КТП 19
КТП 19-КТП 20
КТП 20-КТП 21
|
8736.8
5456.8
2678.4
|
291.2
181.9
89.3
|
582.4
363.8
178.6
|
2х (3x95)
|
2x310
|
|
Магистраль 6:
ГПП-КТП 24
КТП 24-КТП 23
КТП 23-КТП 22
|
3026.6
1155.4
727.4
|
100.9
38.5
24.25
|
201.8
77
48.5
|
3x70
|
215
|
|
Магистраль 7:
ГПП-КТП 25
|
791.2
|
26.4
|
52.8
|
3x16
|
95
|
|
Магистраль 8:
ГПП-РП
РП - КТП 11
РП-КТП 10
КТП 10 - КТП 9
КТП 9-КТП 8
РП - АД
|
7587.75
964.05
4733.7
3163.9
1569.8
472.5
|
252.9
32.1
157.8
105.5
52.3
15.75
|
505.8
64.2
315.6
211
31.5
|
2x (3x95)
|
2x265
|
Выбор кабелей на напряжение 0.4
кВ сведён в таблицу 5.5.2.2
Таблица 5.5.2.2
Результаты выбора кабелей на
напряжение 0.4 кВ.
|
Наименование
Линии.
|
Нагрузка
|
Принятое
Сечение,
мм2.
|
IДОП,
А.
|
|
SР,
кВА.
|
IР,
А.
|
IАВ,
А.
|
|
КТП 11-ШРС 1
КТП 11-ШРС 2
КТП 11-ШРС 3
КТП 11-ШРС 4
|
56.25
146.45
146.45
150.36
|
82.72
215.4
215.4
221.1
|
165.44
430.75
430.75
442.2
|
3x70
2х (3х95)
2х (3х95)
2х (3х95)
|
190
2х235
2х235
2х235
|
|
КТП 11-ШРС 5
КТП 11-ШРС 6
КТП 22-ШРС 7
КТП 25-ШРС 8
|
199.95
199.95
135.88
75
|
294
294
199.8
110.3
|
588.08
588.08
399.6
220.6
|
2х (3х150)
2х (3х150)
2х (3х95)
3х95
|
2х310
2х310
2х235
235
|
Для расчёта кабелей на
термическую стойкость необходимо знать I (3) КЗ
на шинах 10 кВ ГПП, а также I (3) КЗ
на высоком напряжении ГПП. Расчёт ведётся в о. е. Расчётная схема приведена на рис.5.2.1
Принимаем Sб=100
МВА, U*C=1,
Х*С=0.
ХВЛ=0.538·25*100/1152=0.102.
ХТР=0.105·100/25=0.42.
Для трансформаторов
относительное сопротивление Х* соответствует UКЗ
в о. е., т.е.:
U*К=0.01·UК%, (5.8).
U*К=0.105.
Для т. К-1:
Iб=Sб/√3·Uб,
(5.9).
Iб=100/1.73*10.5=5.51
кА.
IК,
С= Iб/ХΣ, (5.10).
ХΣ = ХВЛ+
ХТР, (5.11).
ХЛ РП=0.0292·100/102=0.029.
ХЛ Д=0.0015.
Если к месту КЗ подключён АД, то
нужно учитывать их влияние. Действующее значение периодической составляющей
тока трёхфазного КЗ можно определить по формуле:
IК
ДВ=0.9·IН ДВ/Х*Д, (5.12).
где 0.9-расчётная относительная
ЭДС АД,
Х* Д-относительное
сверхпереходное индуктивное сопротивление АД,
IН
ДВ-номинальный ток одновременно работающих двигателей.
IН
ДВ=N·РН ДВ/√3·UН
ДВ·cos (φ) · (ŋ/100%), (5.13).
Где N-количество
одновременно работающих двигателей.
В среднем можно принять Х*
Д=0.2, тогда:
IК
ДВ=0.9· IН ДВ/0.2=4.5· IН ДВ, (5.14).
Апериодическая составляющая IКЗ от АД не учитывается вследствие её быстрого
затухания.
Суммарное значение ударного тока
КЗ с учётом АД определяется по формуле:
iУД=√2·
(КУД·IК+4.5· IН
ДВ), (5.15).
IК
ДВ=0.801 кА.
I (3)
К-1= (Iб/ (ХВЛ+
ХТР)) + (IК ДВ/ ( (ХЛ ДВ/4)
+ХЛ РП), (5.16).
I (3)
К-1=23.176 кА.
SMIN=
(1/98) ·23176·√0.75=204.1 мм2.
Т. к. влияние тока КЗ от АД
учитывается только на том напряжении, на котором установлены АД, то для точки
К-2 IК ДВ не учитывается.
Iб=0.502
кА.
I (3)
К-2=4.922 кА.
В настоящее время широко
применяются комплектные трансформаторные подстанции. Их применение позволяет:
получить большой экономический
эффект;
повысить надёжность работы
энергоустановок;
сократить сроки монтажа;
повысить индустриализацию
строительства подстанции;
сократить территорию, занимаемую
подстанцией;
уменьшить общую стоимость
сооружения подстанции.
В проекте ГПП выполняется в виде
КТП блочного типа КТПБ (М) - 110/10.
Применение комплектного
распределительного устройства наружной установки и шкафов для размещения
аппаратуры защиты автоматики и сигнализации исключает необходимость
строительства зданий, что резко сокращает объём строительных работ. КТП - 110
рассчитано на работу в условиях от - 400С до +400С.
Выбор короткозамыкателей.
Условия выбора, расчётные и
номинальные данные выбранного короткозамыкателя приведены в таблице 6.1.1
Таблица 6.1.1
Выбор короткозамыкателей.
|
Условия выбора
|
Номинальные данные
|
Расчётные данные
|
|
UН >UС
iДИН> iУД
IТ2tТ ³
I¥ tg
|
110 кВ
34 кА
12,52*3 кА2с
|
110 кВ
6,93 кА
4,92*0,75 кА2с
|
КЗ - 110 М с приводом ШПКМ.
Для защиты от атмосферных
перенапряжений изоляции электрооборудования устанавливают вентильные разрядники
РВМГ - 110 М (UНОБ = 195 кВ).
Выбор разъединителей.
Выбор сведён в таблицу 6.1.2
Таблица 6.1.2
Выбор разъединителей.
|
Условия выбора
|
Номинальные данные
|
Расчётные данные
|
|
UН >UН СЕТИ
IН >IР МАХ
iДИН ³iУД
IТ2tТ ³
Вк
|
110 кВ
3200 А
128 кА
502*3 кА2с
|
110 кВ
3073 А
6,93 кА
4,8 кА2с
|
где t - длительность замыкания (t ³ 0,2 с).
Та =
Выбран РНДЗ - 1-110/3200 У1 с
приводом ПДН-1, ПРН - 220.
На стороне 10 кВ трансформаторов
ГПП устанавливаются камеры КРУ серии К-33 [7. т.8-11].
1. Для защиты изоляции
электрооборудования от перенапряжения устанавливают ограничители перенапряжений
в фарфоровых покрышках на основе оксидно-цинковых варисторов без искровых
промежутков типа ОПН-10.
2. Выбор выключателей.
Выбор сведён в таблицу 6.2.1
Таблица 6.2.1
Выбор выключателей.
|
Тип выключателей
|
UНОМ,
кВ
|
IНОМ,
А
|
IН ОТКЛ,
кА
|
IПР СКВ,
кА
|
iПР СКВ,
кА
|
IТЕР УСТ,
КА
|
|
ВМПЭ-10-3200/20-52
|
10
|
3200
|
20
|
-
|
52
|
20
|
Проверка выключателей:
1) UН
СЕТИ £ UНОМ
10 кВ= 10 кВ
2) по номинальному току:
IНОМ
³ IРАБ
МАХ
3200 > 3072
3) по отключающей способности:
а) IП
t £ IОТКЛ
НОМ
IП t - действующее значение периодической
составляющей тока кз;
IП t = I’’
= 17620 А
IОТКЛ
НОМ = 20 кА
17,62 < 20.
б)
iаt - апериодическая составляющая тока кз;
bН
- номинальное значение относительного содержания апериодической составляющей в
отключаемом токе bН = 0,1;
t
- номинальное время от начала кз до момента расхождения контактов.
t
= tКЗ min
+ tСВ
tКЗ
min -
минимальное время РЗ (0,01 с);
tСВ
- собственное время отключения выключателя (0,08 с)
,
где Та =
<
4) на электродинамическую
устойчивость:
а) I
// £ IПР СКВ, 17,62 < 52;
б) iУД
< iПРСКВ
iУД<
КУД =
iУД
=
29,35< 52
Выключатели и разъединители
можно не проверять на термическую устойчивость, так как РЗ обеспечивает быстрое
отключение кз.
3. Выбор секционного выключателя.
Таблица 6.2.2
Данные секционного выключателя.
|
Тип выключателей
|
UНОМ,
кВ
|
IНОМ,
А
|
IН ОТКЛ,
кА
|
IПР СКВ,
кА
|
iПР СКВ,
кА
|
IТЕР УСТ,
КА
|
|
BB/TEL-10-31,5/2000 У2
|
10
|
2000
|
31,5
|
-
|
80
|
31,5
|
Проверка выключателя:
1) UН
АП > UНОМ
СЕТИ
10 кВ > 10 кВ
2) по номинальному току:
IНОМ
³ IРАБ
МАХ
IРАБ
МАХ =
SРЭ
- мощность получаемая от энергосистемы, IРАБ МАХ
= 1500 А;
1500 А < 2000 А;
3) по отключающей способности:
а) IП
t £ IОТКЛ
НОМ
17,62 < 31,5.
б)
4) на электродинамическую
устойчивость:
а) I
// £ IПР СКВ
17,62 < 80;
б) iУД
< iПРСКВ
29,35< 80.
Выбор выключателей отходящих
линий.
Выбор произведём аналогично
описанному ранее. Результаты сведём в таблицу 6.2.3
Таблица 6.2.3
Выбор выключателей.
|
Наимен. отходящ. линий
|
IРАБ МАХ,
А
|
Тип выключателя
|
IНОМ В,
А
|
IНОМ ОТК,
кА
|
iСКВ,
кА
|
|
Магистраль 1
|
150.42
|
ВБЛ-10
|
630
|
20
|
52
|
|
Магистраль 2
|
164.6
|
ВБЛ-10
|
630
|
20
|
52
|
|
Магистраль 3
|
92.4
|
ВБЛ-10
|
630
|
20
|
52
|
|
Магистраль 4
|
81
|
ВБЛ-10
|
630
|
20
|
52
|
|
Магистраль 5
|
582.4
|
ВБЛ-10
|
630
|
20
|
52
|
|
Магистраль 6
|
201.8
|
ВБЛ-10
|
630
|
20
|
52
|
|
Магистраль 7
|
52.8
|
ВБЛ-10
|
630
|
20
|
52
|
|
Магистраль 8
|
505.8
|
ВБЛ-10
|
630
|
20
|
52
|
Выбор трансформаторов тока.
На вводе и отходящих линиях РУ
10 кВ согласно ПУЭ необходима установка контрольно-измерительных приборов. Для
питания токовых цепей этих приборов и схем РЗ устанавливают трансформаторы
тока, которые изготавливаются на номинальный вторичный ток 5 А. Трансформаторы
тока должны обеспечивать требуемую точность измерения.
Таблица 6.2.4
Данные трансформатора тока.
|
Тип ТТ
|
Uном, кВ
|
I1НОМ, А
|
I 2НОМ, А
|
Класс точности
|
IДИН, к А
|
|
|
ТПШЛ-10
|
10
|
4000
|
5
|
0,5
|
155
|
70/1
|
Проверка трансформаторов тока:
по номинальному току:
I1НОМ
³ IРАБ
МАХ
4000 > 3073
по номинальному напряжению:
UН
АП ³ UН
СЕТИ
10 кВ = 10 кВ
по вторичной нагрузке:
Z2РАСЧ
£ Z2НОМ
Z2РАСЧ
= ZПРОВОДОВ +ZКОМТ
+ZПРИБОРОВ.
К трансформатору тока подключены
следующие приборы:
Таблица 6.2.5
Типы установленных приборов.
|
Наименование приборов
|
тип
|
Потр. мощн., ВА
|
Кол-во
|
Э - 309
|
5
|
1
|
|
2. Счётчик ферромагнитный
|
Д - 335
|
1,5
|
1
|
|
3. Счётчик активной мощности для 3-х поводной сети
|
И - 675
|
1,5
|
1
|
|
4. счётчик реактивной мощности
|
И - 678
|
1,2
|
1
|
SПРИБОРОВ
= 5+1,5+1,5+1,2 = 9,2 кВА·10-3
ZПРИБОРОВ
=
ZКОНТ
= 0,1 Ом
ZПРОВОД
= 0,25 Ом
Z2РАСЧ
= 0,1+0,25+0,368 = 0,768 Ом
ZНОМ
= 1,2 Ом
0,768 < 1,2;
на термическую стойкость:
IТ2tТ > I¥ tg
702·1> 17,622·0,75
6. Выбор трансформаторов
напряжения.
Таблица 6.2.6
Выбор трансформаторов напряжения.
|
Тип ТТ
|
UН, кВ
|
U1НОМ, кВ
|
U2ОСН, В
|
U2ДОП, В
|
Класс точности
|
|
|
НТМИ-10-66
|
10
|
10
|
100
|
100/3
|
0,5
|
75/640
|
Проверка трансформатора
напряжения:
по напряжению:
UНТН
=UНСЕТИ
10 кВ = 10 кВ
по вторичной нагрузке:
S2НОМ
£ S2НОМ
S2НОМ
- номинальная вторичная мощность.
Таблица 6.2.7
Типы установленных приборов.
|
Наименование приборов
|
тип
|
Потр. мощн., ВА
|
Кол-во
|
|
1. Вольтметр электромагнитный
|
Э - 377
|
2,6
|
3
|
|
2. Ваттметр ферромагнитный
|
Д - 335
|
1,5
|
1
|
|
3. Счётчик активной мощности
|
И - 675
|
1,5
|
1
|
|
4. Счётчик реактивной мощности
|
И - 678
|
1,2
|
1
|
|
5. Реле напряжения
|
РЭВ-84
|
15
|
1
|
S2РАСЧ
= 27 ВА
S2НОМ
= 75 ВА.
Трансформатор напряжения
защищается предохранителем типа ПКТ - 10.
7. Выбор шин ГПП.
Сборные шины ГПП необходимы для
приёма и распределения электроэнергии при постоянном напряжении и для различных
элементов электрической сети.
Шины проверяем:
по нагреву в нормальном режиме,
то есть определим нагрузку в нормальном режиме:
IДЛ.
ДОП > IР МАХ, IР
МАХ = 3073 А.
Выбираем шины алюминиевых
прямоугольного сечения (трех полосные)
S = 100
х 10
IДОП
= 3650 [5].
IДЛ.
ДОП - длительно допустимый ток для одной полосы.
IДЛ.
ДОП = К1К2К3 IДОП,
К1 - поправочный
коэффициент для расположения шин горизонтально (0,95); К2 -
коэффициент длительно допустимого тока для многополюсных шин (1); К3 -
поправочный коэффициент при температуре воздуха, отличной от 250С (1).
IДЛ.
ДОП = 0,95*3650 = 3467,5 А, 3467,5 А >
3073 А;
по термической устойчивости
токам кз:



с - температурный коэффициент,
учитывающий ограничения допустимой температуры нагрева жил кабеля.
100 х 10 > 167,85 мм2;
на динамическую устойчивость при
трехфазном кз:
sРАСЧ - максимальное расчётное
напряжение в жилах с учётом механического резонанса [кГс/см2] ;
К - коэффициент механического
резонанса для шин аллюминиевых прямоугольного сечения;
f (3)
- наибольшая (статическая) сила, действующая на среднюю фазу (находящуюся
в наиболее тяжёлых условиях) трёх параллельных проводников, расположенных в
одной плоскости, от взаимодействия между фазами или трёхфазного кз [кГс/cм] ;
W - момент сопротивления шины относительно оси,
перпендикулярной к направлению силы f [см2].
М =
,
М - момент, изгибающий шину (кГс/см);
l - расстояние между опорными изоляторами вдоль оси шин (пролёт)
(100 см);
а - расстояние между осями
смежных фаз (20 см).
f (3)
=1.76* (i2УД/а) *10-2,f (3) =0.758 (кГс/cм).
sРАСЧ=592.188 кГс/см2.
Выбранные шины удовлетворяют
условиям проверки.
Основными потребителями
электроэнергии являются электрические приёмники напряжением до 1000 В.
Таблица 8.1.
Оборудование цехов.
|
№ поплану чертежа цеха
|
Наименование оборудования
|
Рном, кВт
|
Кол-во оборудован.
|
Ки
|
cosj
|
|
1
|
Продольно фрезерный станок
|
61,5
|
4
|
0,16
|
0,5
|
|
2
|
Продольно фрезерный станок
|
64,9
|
1
|
0,16
|
0,5
|
|
3
|
Сверлильно-фрезерный станок
|
16,5
|
1
|
0,16
|
0,5
|
|
4
|
Специализированный верт. - фрез. стан.
|
27,5
|
2
|
0,16
|
0,5
|
|
5
|
Специализированный верт. - фрез. стан.
|
24,6
|
2
|
0,16
|
0,5
|
|
6
|
Специализированный верт. - фрез. стан.
|
42,2
|
2
|
0,16
|
0,5
|
|
7
|
Двухшпинд. верт. - фрез. станок
|
13
|
2
|
0,16
|
0,5
|
|
8
|
Вертикально-фрезерный станок
|
14,8
|
3
|
0,16
|
0,5
|
|
9
|
Вертикально-фрезерный станок
|
9
|
2
|
0,16
|
0,5
|
|
10
|
Специализированный верт. - фрез. стан
|
27,6
|
21
|
0,16
|
0,5
|
|
11
|
Радиально-сверлильн. станок
|
7,5
|
1
|
0,16
|
0,5
|
|
13
|
Вертикально-фрезерный станок
|
10
|
6
|
0,16
|
0,5
|
|
14
|
Агрегаты электронасосной
|
7,5
|
1
|
0,7
|
0,8
|
|
15
|
Централиз. вакуумн. станц.
|
22,5
|
1
|
0,85
|
1,0
|
|
21
|
Спец. парашлиф. станок
|
11,9
|
2
|
0,16
|
0,5
|
|
22
|
Фрез. - шлифов. станок
|
41,6
|
2
|
0,16
|
0,5
|
|
19
|
Универсальн. заточный станок
|
1,85
|
7
|
0,16
|
0,5
|
|
В22
|
Вытяжной вентилятор
|
5,5
|
1
|
0,6
|
0,8
|
|
В23
|
Вытяжной вентилятор
|
1,5
|
1
|
0,6
|
0,8
|
|
В24
|
Вытяжной вентилятор
|
0,4
|
1
|
0,6
|
0,8
|
|
В25¸27
|
Вытяжной вентилятор
|
0,6
|
3
|
0,6
|
0,8
|
|
В29¸32
|
Вытяжной вентилятор
|
7,5
|
4
|
0,6
|
0,8
|
|
В34, В36
|
Вытяжной вентилятор
|
0,4
|
2
|
0,6
|
0,8
|
|
В35
|
Вытяжной вентилятор
|
1,5
|
1
|
0,6
|
0,8
|
|
В37, В38
|
Вытяжной вентилятор
|
1,5
|
2
|
0,6
|
0,8
|
|
В39¸44
|
Вытяжной вентилятор
|
3
|
6
|
0,6
|
0,8
|
|
ТI
|
Кран мостовой Q= 10 т
|
28,2
|
1
|
0,16
|
0,5
|
|
ТII
|
Кран мостовой Q=2,5+2,5 т
|
40,9
|
1
|
0,16
|
0,5
|
|
П7¸12
|
Преточный вентилятор
|
13
|
6
|
0,6
|
0,8
|
|
П13
|
Преточный вентилятор
|
0,6
|
2
|
0,6
|
0,8
|
|
П14
|
Преточный вентилятор
|
2,2
|
2
|
0,6
|
0,8
|
|
П15
|
Преточный вентилятор
|
3
|
1
|
0,6
|
0,8
|
|
АВ28
|
Аварийный вентилятор
|
0,6
|
1
|
0,6
|
0,8
|
|
АВ33
|
Аварийный вентилятор
|
10
|
1
|
0,6
|
0,8
|
|
З
|
Установка ультрафиолетовая
|
2
|
2
|
0,8
|
1,0
|
|
БОВ
|
Блок осушки воздуха
|
0,5
|
1
|
0,85
|
1,0
|
|
|
|
|
|
|
|
Правильное определение ожидаемых
нагрузок при проектировании является основной для решения вопросов, связанных с
электроснабжением цеха.
Нагрузки по цеху определяются
методом коэффициента максимума.
Рр = Км·Рсм = Км·Ки·Рн (8.1).
Qр =
Км`·Qсм = К’Ки·Рн·tgjСМ. (8.2).
Рсм - средняя мощность рабочих
ЭП за наиболее загруженную смену;
Рн - суммарная активная мощность
рабочих ЭП;
Ки - групповой коэффициент
использования активной мощности за наиболее загруженную смену;
Км - коэффициент максимума
активной мощности;
К/м - коэффициент
максимума реактивной мощности;
tgjСМ - средневзвешенный tgj по
мощностям отдельных ЭП.
(8.3).
Порядок расчёта:
все ЭП по расчётному узлу
разбиваются на группы по режимам работы;
по расчётному узлу суммируется
количества силовых ЭП и их номинальные мощности;
суммируются средние активные и
реактивные нагрузки рабочих ЭП;
определяют групповой коэффициент
использования расчётного узла, его средневзвешенный коэффициент мощности;
определяют суммарную мощность и
среднюю нагрузку с практически постоянным графиком нагрузки, а также по третьей
группе ЭП;
рассчитывают силовую нагрузку по
узлу в целом путём суммирования максимальных нагрузок ЭП всех групп
электроприемников.
Расчёт нагрузки будет
производиться в соответствии с выбором схем цеховых сетей.
Распределение электроэнергии в
цехах осуществляется электрическими сетями, представляющими совокупность
шинопроводов, кабелей, защитных устройств и пусковых аппаратов.
Для питания ЭП от распределительных
пунктов или шинопроводов применяется радиальная схема распределения
электроэнергии, также применены схемы питания, называемые " цепочками",
объединяющие в данном случае по 2ЭП. Достоинством такой схемы является высокая
надёжность электроснабжения и удобство в эксплуатации. При повреждении проводов
или кз прекращают работу 1 или несколько ЭП, подключённых к повреждённой линии,
в то время, как остальные продолжают нормальную работу.
Нагрузка, равномерно
распределённая по цеху, получает питание от распределительных шинопроводов (ШП II, ШП III). Применение шинопроводов
по сравнению с кабельными сетями имеет преимущество в отношении надёжности,
простоты и удобства подключения. ЭП сосредоточенные группами и распределённые
резко неравномерно (находящиеся на разных высотных отметках) запитаны от
распределительных пунктов.
Шинопроводы и распределительные
пункты в свою очередь получают питание от магистрального шинопровода (за
исключением 1,2,3 распределительных пунктов, которые получают питание от распределительного
шинопровода), к которому присоединяются с помощью коммутационных защитных
аппаратов.
Магистральный шинопровод
получает питание от цеховых трансформаторов.
Выбор распределительных пунктов,
присоединённая нагрузка, расчёт Iр сведены в таблицы 8.1.1
и 8.1.2
Таблица 8.1.1
Распределительные пункты.
|
№ шкафа (РП)
|
Присоед. НГ
(№ по плану)
|
Рном,
кВт
|
Тип распред.
пункта
|
Количество
ЭП
|
Количество
Присоед-ий
|
|
1
|
В39¸В44
|
3
|
ШРС1-23
|
6
|
8
|
|
2
|
19
|
1,85
|
ШРС1-20У3
|
7
|
5
|
|
3
|
П7, П8
|
13
|
ШРС1-23
|
6
|
8
|
|
П15
|
3
|
|
|
|
|
В22
|
5,5
|
|
|
|
|
В23
|
1,5
|
|
|
|
|
В24
|
0,4
|
|
|
|
|
5
|
П9¸П11
|
13
|
ШРС1-23
|
7
|
8
|
|
В34, В36
|
0,4
|
|
|
|
|
В35
|
1,5
|
|
|
|
|
П14
|
2,2
|
|
|
|
|
6
|
В37; В38
|
1,5
|
ШРС1-20У3
|
4
|
5
|
|
Уст-ка уф
|
2
|
|
|
|
|
7
|
П12
|
13
|
ПР9332-340
|
10
|
12
|
|
П14
|
2,2
|
|
|
|
|
БОВ
|
0,5
|
|
|
|
|
В25¸В27
|
0,6
|
|
|
|
|
В29¸В32
|
7,2
|
|
|
|
|
8
|
П13
|
0,6
|
ПР9272-210
|
4
|
6
|
|
АВ28
|
0,6
|
|
|
|
|
АВ33
|
10
|
|
|
|
|
9
|
10
|
27,5
|
ШРС1-23
|
6
|
8
|
Таблица 8.1.2
Расчётные нагрузки.
|
№
РП
|
НГ наим.
|
Кол-во
|
Рмах/
Рмин
|
åР,
кВт
|
Ки
|
cosj/
tgj
|
Рсм,
кВт
|
Qсм,
квар
|
Км
|
К’м
|
Рр,
кВт
|
Qр,
квар
|
Iр,
А
|
|
7
|
Вентил.
|
9
|
13/22
|
47
|
0,6
|
0,8/0,75
|
28,2
|
21,2
|
|
|
|
|
|
|
БОВ
|
1
|
1
|
0,5
|
0,85
|
1/0
|
0,43
|
--
|
|
|
|
|
|
|
ИТОГО
|
10
|
26
|
47,5
|
0,6
|
0,8/0,75
|
28,6
|
21,15
|
1,33
|
1,1
|
38,1
|
23,3
|
66
|
|
8
|
Вентил.
|
4
|
10/0,6
|
11,8
|
0,6
|
0,8/0,75
|
7,08
|
5,31
|
1,5
|
1,1
|
10,62
|
5,84
|
17,8
|
|
9
|
13,10
|
6
|
27,5/10
|
130
|
0,16
|
0,5/1,7
|
20,8
|
35,4
|
1,34
|
1,1
|
27,9
|
38,9
|
73,36
|
|
1
|
Вентил.
|
6
|
1
|
18
|
0,6
|
0,8/0,75
|
10,8
|
8,1
|
1,37
|
1,1
|
14,8
|
8,91
|
25,4
|
|
2
|
19
|
7
|
1
|
12,95
|
0,16
|
0,5/1,7
|
2,62
|
4,45
|
2,3
|
1,1
|
6,02
|
4,895
|
11,39
|
|
3
|
Вентил.
|
6
|
13/0,4
|
36,4
|
0,6
|
0,8/0,75
|
21,8
|
16,4
|
1,37
|
1,1
|
29,9
|
18,02
|
51,36
|
|
5
|
Вентил.
|
7
|
13/0,4
|
43,5
|
0,6
|
0,8/0,75
|
26,1
|
19,6
|
1,33
|
1,1
|
34,7
|
21,5
|
52
|
|
6
|
Вентил.
|
2
|
1
|
3
|
0,6
|
0,8/0,75
|
1,8
|
1,4
|
|
|
|
|
|
|
Уст. ультроф.
|
2
|
1
|
4
|
0,8
|
1/0
|
3,2
|
--
|
|
|
|
|
|
|
ИТОГО
|
4
|
2/1,5
|
7
|
0,6
|
0,8/0,75
|
5
|
1,4
|
1,51
|
1,1
|
7,55
|
1,54
|
11,33
|
Выбор шинопроводов,
присоединённая нагрузка, определение расчётной нагрузки сведены в таблицы 8.1.3.,
8.1.4
Таблица 8.1.3
Выбор шинопроводов.
|
№ШП
|
Присоед. НГ (№ по плану)
|
Кол-во ЭП
|
Рмах/
Рмин
|
åРн,
кВт
|
Ки
|
cosj/
tgj
|
Рсм,
кВт
|
Qсм,
Квар
|
|
ШП II
|
7,8,14,3,104,5,6,15
|
27
|
42,2/
7,5
|
677,1
|
0,16
|
0,5/
1,7
|
108,34
|
184,18
|
|
1 ШРС
|
|
|
18
|
|
|
10,8
|
8,1
|
|
2 ШРС
|
|
|
16,35
|
|
|
2,616
|
4,45
|
|
ШП III
|
1,8,9,2,10
11,21,22
13, ТI, ТII
|
21
|
64,9/9
|
622,5
|
0,16
|
0,5/
1,7
|
99,6
|
169,32
|
|
3 ШРС
|
|
|
30
|
|
|
21,84
|
16,38
|
Таблица 8.1.4
Определение расчётной нагрузки.
|
№ ШП
|
Руст, кВт
|
Iр, А
|
Тип ШП
|
Iном, А
|
iуд, кА
|
|
ШП - II
|
711,45
|
320
|
ШРА-73
|
450
|
25
|
|
ШП - III
|
652,5
|
340
|
ШРА-73
|
450
|
25
|
|
ШМА-1
|
895,45
|
467,69
|
ШМА-73
|
1600
|
70
|
|
ШМА-2
|
707,8
|
409,8
|
ШМА-73
|
1600
|
Шинопроводы выбираю по нагреву
длительно допустимым максимальным током нагрузки:
IДОП
³ IРАБ
МАХ
Кабели, по которым получают
питание ЭП (от распределительных пунктов и шинопроводов до ЭП). Выбираю по
расчётному и аварийному токам. В производственной части цеха (отметка 0.000) применяется
скрытая прокладка кабелей. При этом используются трубы, прокладываемые под
полом.
Таблица 8.1.5. Используемые
кабели.
|
Наимен.
|
Iр, А
|
Iав, А
|
F, мм2
|
Iдоп, А
|
Сеч. трубы
|
Марка провода
|
|
ШПI - ШПII
|
320
|
640
|
2 (3х95+1х35)
|
510
|
|
АВВГ
|
|
ШПIV-ШПIII
|
340
|
680
|
2 (3х95+1х35)
|
510
|
|
АВВГ
|
|
ШПIV 5ШРС
|
52
|
104
|
3х95+1х35
|
255
|
|
АВВГ
|
|
ШПI - 6ШРС
|
14
|
28
|
3 (1х95) +1х35
|
255
|
ТГ70
|
АПВ
|
|
ШПI - 7ПР
|
66
|
132
|
3х95+1х35
|
255
|
|
АВВГ
|
|
ШП IV-8ПР
|
18
|
36
|
3х95+1х35
|
255
|
|
АВВГ
|
|
ШПI - 9ШРС
|
70
|
140
|
3 (1х95) +1х35
|
255
|
ТГ70
|
АПВ
|
|
ШП II - 7
|
26
|
52
|
3х6+1х4
|
46
|
Т32
|
АВВГ
|
|
ШП II - 8
|
29,6
|
59,2
|
3х6+1х4
|
46
|
Т32
|
АВВГ
|
|
ШП II - 14
|
15
|
30
|
3х4+1х2,5
|
38
|
Т25
|
АВВГ
|
|
ШП II - 3
|
33
|
66
|
3х16+1х10
|
90
|
ТГ40
|
АВВГ
|
|
ШП II - 10
|
55
|
110
|
3х16+1х10
|
90
|
ТГ40
|
АВВГ
|
|
ШП II - 4
|
55
|
110
|
3х16+1х10
|
90
|
ТГ40
|
АВВГ
|
|
ШП II - 5
|
49,2
|
98,4
|
3х16+1х10
|
90
|
ТГ40
|
АВВГ
|
|
ШП II - 6
|
84,4
|
169,6
|
3х35+1х16
|
140
|
ТГ50
|
АВВГ
|
|
ШП II - 15
|
45
|
90
|
3х16+1х10
|
90
|
ТГ40
|
АВВГ
|
|
ШП II-1ШРС
|
25
|
50
|
3х16+1х10
|
90
|
|
АВВГ
|
|
ШП II-2ШРС
|
11
|
22
|
3х16+1х10
|
90
|
|
АВВГ
|
|
ШП II-3ШРС
|
51
|
102
|
3х16+1х10
|
90
|
|
АВВГ
|
|
ШП III - 1
|
115
|
230
|
3х70+1х25
|
210
|
|
АВВГ
|
|
ШП III - 8
|
29,6
|
59,2
|
3х6+1х4
|
90
|
ТГ32
|
АВВГ
|
|
ШП III - 9
|
18
|
36
|
3х4+1х2,5
|
38
|
ТГ25
|
АВВГ
|
|
ШП III - 2
|
129,8
|
258,6
|
3х70+1х25
|
210
|
|
АВВГ
|
|
ШП III - 10
|
55
|
110
|
3х16+1х10
|
90
|
ТГ40
|
АВВГ
|
|
ШП III - 11
|
15
|
30
|
3х4+1х2,5
|
38
|
ТГ25
|
АВВГ
|
|
ШП III - 21
|
23,8
|
47,6
|
3х4+1х2,5
|
38
|
ТГ25
|
АВВГ
|
|
ШП III - 22
|
41,6
|
83,2
|
3х35+1х16
|
140
|
ТГ50
|
АВВГ
|
|
ШП III - 13
|
20
|
40
|
3х4+1х2,5
|
38
|
ТГ25
|
АВВГ
|
|
ШПIII-ТII+ТI
|
56+82
|
138,4
|
3х70+1х25
|
210
|
|
АВВГ
|
|
1ШРСВ39¸44
|
6,6
|
13,2
|
3х4+1х2,5
|
38
|
ТГ25
|
АВВГ
|
|
2ШРС - 19
|
3,7
|
7,4
|
3 (1х2,5)
|
29
|
ТГ20
|
АПВ
|
|
2ШРС-П7, П8
|
25,2
|
50,4
|
3х16+1х10
|
90
|
|
АВВГ
|
|
3ШРС-П15,В22¸24
|
11
|
22
|
3х4+1х2,5
|
38
|
|
АВВГ
|
|
5ШРС П9¸11
|
25,2
|
50,4
|
3х16+1х10
|
90
|
|
АВВГ
|
|
5ШРС-П14,В34¸35
|
4,9
|
9,8
|
3х4+1х2,5
|
38
|
|
АВВГ
|
|
6ШРС-В37¸38,3
|
3,2
|
6,4
|
3х4+1х2,5
|
38
|
|
АВВГ
|
|
? ПР-П12, П14
|
254,2
|
50,4
|
3х6+1х4
|
46
|
|
АВВГ
|
|
7ПР-В25¸27
|
16,7
|
33,4
|
3х4+1х2,5
|
38
|
|
АВВГ
|
|
7ПР-В29¸32,БОВ
|
16,7
|
33,4
|
3х4+1х2,5
|
38
|
|
АВВГ
|
|
8ПР-П13, АВ22, АВ39
|
23,5
|
46
|
3х4+1х2,5
|
38
|
|
АВВГ
|
|
9ШРС - 10
|
55
|
110
|
3х16+1х10
|
90
|
|
АВВГ
|
|
9ШРС-13
|
20
|
40
|
3х4+1х2,5
|
38
|
|
АВВГ
|
Для питания мостовых насосов
выбираем троллейные линии. Троллеи выбираются по тепловому току [7].
Таблица 8.1.6
Выбор троллеев.
|
№
|
Рн, кВт
|
Iн, А
|
In, А
|
Размеры троллей
|
Iдоп, А
|
|
Т I
|
28,2
|
56,4
|
395
|
60х60х6
|
416
|
|
Т II
|
40,9
|
82
|
574
|
75х75х8
|
575
|
Устройство эвакуационного
освещения обязательно во всех случаях независимо от наличия аварийного
освещения.
Аварийное освещение для
продолжения работы необходимо в помещениях и на открытых пространствах, если
прекращение нормальной работы из-за отсутствия рабочего освещения может вызвать:
взрыв, пожар, отравление людей, нарушение технологического процесса, опасность
травматизма и так далее. Это освещение должно создавать на поверхностях,
требующих обслуживание, освещенность 5% нормированной для общего освещения,
причём при отсутствии особого обоснования - в пределах от 2 до 30 м в зданиях и
от 1 до 5 м вне их. Для аварийного освещения можно применять только лампы
накаливания или люминесцентные лампы; допускается присоединение к группам
аварийного освещения лампы ДРЛ и ДРИ для увеличения освещенности сверх
нормированной для аварийного режима.
Светильники аварийного освещения
преимущественно выделяются из числа светильников рабочего освещения; в
помещениях, работающих в 1-2 смены, при мощности ламп рабочего освещения 200 Вт
и более предпочтительна установка дополнительных светильников.
Гс-1000 М используются для
аварийного освещения.
Для освещения производственного
помещения будет использовано общее равномерное освещение. Дополнительное
местное освещение, требуемое нормами для некоторых помещений, при необходимости
устраиваются на единичных рабочих местах.
Светотехнический расчёт.
Предварительно обосновывается
величина освещённости в соответствии с нормами освещённости [т.4.1-4.6, л.2],
принимаются коэффициенты отражения [т.5.1, л.2], определяется фон.
Задачей светотехнического
расчёта является определение мощности источников света, обеспечивающих
нормированную освещённость при выбранном типе и расположении светильников.
Выбор схемы и расчёт
осветительных сетей цеха.
Напряжение сети электроосвещения
цехов 380/220 В, при включении ламп на 220 В.
При наличии двухтрансформаторных
подстанций рабочее и аварийное освещение питаются от разных трансформаторов ТП.
Согласно ПУЭ ток защитных
аппаратов не должен превышать 25 А и 63 А для газоразрядных ламп. Число ламп на
группу не должно превышать 20, а люминесцентных светильников на 2 и более ламп -
не более 50.
Ввод в осветительный прибор и
независимый, не встроенный в прибор, пускорегулирующий аппарат выполняется
проводами или кабелем с изоляцией на напряжение не менее 660 В.
Для защиты и управления
осветительными сетями широко используются автоматические выключатели,
преимущественно серии А3100, АБ 25.
Применяются щиты ПР 9000.
Лампы ДРЛ запитываются
шинопроводом ШОС, который получает питание от распределительного пункта 1. лампы
накаливания и люминесцентные лампы получают питание от распределительных
пунктов 2 и 3.
1/144



А3134/120 2/5,8 А3144/400 АВВГ(4х2,5)
ПР9262-136
АВВГ(4х185)тг80
А3134/300 3/50,22


АВВГ(3х70+1х25) ПР9282-139
Рис.8.2.1 Принципиальная схема
питающей сети рабочего освещения.
Комплектный осветительный
шинопровод ШОС предназначен для выполнения четырёхпроводных осветительных
групповых линий в сетях 380/220 В с нулевым проводом на различные токи. Групповые
линии выполнены на 18 и 21 светильник с лампами ДРЛ.
Таблица 8.2.2
|
линия
|
Руст, кВт
|
Iр, А
|
Тип ШП
|
Iном, А
|
iуд, кА
|
|
На 18 свет.
|
19,15
|
59
|
ШОС-73
|
63
|
5
|
|
На 21 свет.
|
22,34
|
69
|
ШОС-73
|
63
|
5
|
Таблица 8.2.1
Освещение завода.
Длина
м
|
Шир.,м
|
h,м
|
S,М2
|
rпот,
|
rстен,
|
rпол,
|
Фон
|
Е,лк
|
Кз
|
Типсвет
|
Кол-во Свет
|
|
24-23хВ-Г
|
114
|
36
|
11,7
|
4104
|
50
|
30
|
10
|
ср
|
400
|
1,8
|
РСПО5-1000/D03
|
114
|
|
23-24хВ-В/4
|
6
|
24
|
11,7
|
144
|
50
|
30
|
10
|
ср
|
200
|
1,8
|
ЛДР 2х80
|
20
|
|
23-24хВ/4-Г
|
6
|
12
|
11,7
|
72
|
50
|
30
|
10
|
ср
|
30
|
|
ППР-200
|
7
|
|
43-44хВ/3-Г
|
6
|
18
|
11,7
|
108
|
50
|
30
|
10
|
ср
|
50
|
|
ППР-200
|
10
|
|
44-45хВ/3-Г
|
6
|
18
|
11,7
|
108
|
50
|
30
|
10
|
ср
|
50
|
|
ППР-20
|
9
|
|
43-47хБ/5-В
|
24
|
6
|
11,7
|
144
|
50
|
30
|
10
|
ср
|
30
|
|
ППР-200
|
8
|
|
45-47хВ-Г
|
12
|
36
|
11,7
|
432
|
50
|
30
|
10
|
ср
|
20
|
|
ППР-200
|
6
|
|
43-45хВ/1-В/2
|
12
|
6
|
11,7
|
72
|
50
|
30
|
10
|
ср
|
20
|
|
ППР-200
|
3
|
|
43,5-45хВ-В/1
|
9
|
6
|
11,7
|
54
|
50
|
30
|
10
|
ср
|
20
|
|
ППР-200
|
2
|
|
44-45хВ/2-В/3
|
6
|
6
|
11,7
|
36
|
50
|
30
|
10
|
ср
|
20
|
|
ППР-200
|
1
|
|
Второй этаж
|
|
|
23-24хВ/1-Г
|
6
|
30
|
11,7
|
180
|
50
|
30
|
10
|
Ср
|
20
|
|
ППР-200
|
9
|
|
43-44хВ/1-Г
|
6
|
30
|
11,7
|
180
|
50
|
30
|
10
|
Ср
|
20
|
|
ППР-200
|
9
|
|
44-45хВ/2-Г
|
6
|
24
|
11,7
|
144
|
50
|
30
|
10
|
Ср
|
200
|
|
ИДР 2х80
|
20
|
|
43,5-У5хВ/1-В
|
9
|
6
|
11,7
|
54
|
50
|
30
|
10
|
ср
|
20
|
|
ППР-200
|
2
|
|
43,5-У5хВ/1-В
|
9
|
6
|
11,7
|
54
|
50
|
30
|
10
|
ср
|
20
|
|
ППР-200
|
2
|
|
Третий этаж
|
|
|
43,5-45хВ/2-В
|
9
|
12
|
11,7
|
108
|
50
|
30
|
10
|
ср
|
50
|
|
ППР-200
|
10
|
|
43-44хВ/2-В/5
|
6
|
18
|
11,7
|
108
|
50
|
30
|
10
|
ср
|
50
|
|
ППР-200
|
20
|
|
44-45хВ/5-Г
|
6
|
6
|
11,7
|
36
|
50
|
30
|
10
|
ср
|
20
|
|
ППР-200
|
1
|
Выбор сечения проводов
производится по расчётному току, по потерям напряжения и по механической
прочности. По механической прочности допускается использование проводов
сечением 2,5-50 мм2 [т.11. - 3, л.2].
По потере напряжения:
åMi - сумма моментов данного и всех последующих по направлению
тока участков с тем же числом проводов в линии, что и на данном участке;
åмi - сумма моментов, питаемых через данный участок линии с иным
числом проводов, чем на данном участке.
a
- коэффициент приведения моментов [т.12-10, л.2].
DU= 5,7% [т.12-6, л.2] зависит от коэффициента мощности,
номинальной мощности и коэффициента и коэффициента загрузки трансформатора.
С - коэффициент, значение
которого принимается 44 [т.12-9, л.2].
Выбор кабелей производится по
расчётному току:
IДОП
>IРАСЧ.
По расчётному току выбираются
защитные аппараты в соответствии с условиями:
IАВТ
³ IР
IУСТ
³ IР
Определим для примера сечение на
головном участке линии:
Mn =
Принимаем стандартное сечение Fст = 50 мм2. По таблице 12-11 [2] определяем
потери напряжения по моменту и выбранному сечению.
DUост = 5,7-0,2 = 5,5
расчёт для остальных участков
осветительной сети ведётся аналогично. Результаты сводятся в таблицу 8.2.3
1
Lип
ИП
3
l12 2
Рис.8.2.2 Схема осветительной
сети
Таблица 8.2.3
Выбор сечения по потери
напряжения.
|
№ уч-ка
|
Длина, м
|
НГ, кВт
|
М=РL
|
m=pl
|
DUост
|
Fстандмм2
|
DU
|
|
Lип
|
3
|
144.94
|
435
|
|
5.7
|
50
|
0.2
|
|
l1
|
9
|
19.15
|
172.35
|
|
5.5
|
2.5
|
|
|
l2
|
9
|
19.15
|
172.35
|
|
5.5
|
2.5
|
|
|
l3
|
48
|
19.15
|
919.2
|
|
5.5
|
4
|
|
|
l4
|
48
|
19.15
|
919.2
|
|
5.5
|
4
|
|
|
l5
|
48
|
1.4
|
67.2
|
|
5.5
|
2.5
|
|
|
l6
|
78
|
1.1
|
85.8
|
|
5.5
|
2.5
|
|
|
l7
|
37
|
0.7
|
25.9
|
|
5.5
|
2.5
|
|
|
l8
|
45
|
1.79
|
50.55
|
|
5.5
|
2.5
|
|
|
l9
|
43.8
|
2.15
|
94.17
|
|
5.5
|
2.5
|
|
|
l10
|
52
|
3.58
|
186.16
|
|
5.5
|
2.5
|
|
|
l21
|
15.6
|
5.8
|
90.48
|
|
5.5
|
2.5
|
1
|
|
l11
|
12.8
|
1.6
|
49
|
|
4.5
|
|
|
l19
|
3
|
2.01
|
|
2.01
|
4.5
|
2.5
|
|
|
l20
|
3
|
2.01
|
|
2.01
|
4.5
|
2.5
|
|
|
l12
|
117
|
50.22
|
5875.7
|
|
5.5
|
35
|
3.8
|
|
l13
|
9
|
22.34
|
201.06
|
|
3.8
|
6
|
|
|
l14
|
9
|
22.34
|
201.06
|
|
3.8
|
6
|
|
|
l15
|
40.8
|
1.43
|
58.34
|
|
3.8
|
2.5
|
|
|
l16
|
36
|
1.25
|
45
|
|
3.8
|
2.5
|
|
|
l17
|
2
|
1.43
|
|
0.96
|
3.8
|
2.5
|
|
|
l18
|
4
|
1.43
|
|
0.96
|
3.8
|
2.5
|
|
Выбор сечения по расчётному току
и окончательно принятое сечение приведены в таблице 8.2.4
Таблица 8.2.4
Выбор сечения по расчётному току.
|
№ уч-ка
|
НГ, кВт
|
Iр, А
|
Сечение
По Iр
|
Сечение
По потери U
|
Прин. сечение
|
Автом.
[2]
|
Iрасч, А
|
|
Lип
|
144,94
|
408
|
185
|
50
|
185
|
А3144
|
400
|
|
l1
|
19,15
|
59
|
16
|
2,5
|
16
|
А3124
|
100
|
|
l2
|
19,15
|
59
|
16
|
2,5
|
16
|
А3124
|
100
|
|
l3
|
19,15
|
59
|
16
|
4
|
16
|
А3124
|
100
|
|
l4
|
19,15
|
59
|
16
|
4
|
16
|
А3124
|
100
|
|
l5
|
1,4
|
2,17
|
2,5
|
2,5
|
2,5
|
А3124
|
50
|
|
l6
|
1,1
|
1,7
|
2,5
|
2,5
|
2,5
|
А3124
|
50
|
|
l7
|
0,7
|
1,1
|
2,5
|
2,5
|
2,5
|
А3124
|
50
|
|
l8
|
1,79
|
2,8
|
2,5
|
2,5
|
2,5
|
А3124
|
50
|
|
l9
|
2,15
|
2,15
|
2,5
|
2,5
|
2,5
|
А3124
|
50
|
|
l10
|
3,58
|
3,58
|
2,5
|
2,5
|
2,5
|
А3124
|
50
|
|
l21
|
5,8
|
8,9
|
2,5
|
2,5
|
2,5
|
А3134
|
120
|
|
l11
|
1,6
|
2,5
|
2,5
|
2,5
|
2,5
|
А3124
|
50
|
|
l19
|
2,01
|
6,2
|
2,5
|
2,5
|
2,5
|
А3124
|
50
|
|
l20
|
2,01
|
6,2
|
2,5
|
2,5
|
2,5
|
А3124
|
50
|
|
l12
|
50,22
|
146,53
|
70
|
35
|
70
|
А3134
|
300
|
|
l13
|
22,34
|
69
|
25
|
6
|
25
|
А3124
|
200
|
|
l14
|
22,34
|
69
|
25
|
6
|
25
|
А3124
|
200
|
|
l15
|
1,43
|
2,2
|
2,5
|
2,5
|
2,5
|
А3124
|
50
|
|
l16
|
1,25
|
1,93
|
2,5
|
2,5
|
2,5
|
А3124
|
50
|
|
l17
|
1,43
|
2,2
|
2,5
|
2,5
|
2,5
|
А3124
|
50
|
|
l18
|
1,43
|
2,2
|
2,5
|
2,5
|
2,5
|
А3124
|
50
|
В электроустановках применяются
следующие технические защитные меры:
применение малых напряжений;
электрическое разделение сетей;
защита от опасности при переходе
напряжения с высшей стороны на низшую;
контроль и профилактика
повреждений изоляции;
компенсация емкостной
составляющей тока замыкания на землю;
защита от случайного
прикосновения к токоведущим частям;
защитное заземление;
зануление;
защитное отключение;
применение электрозащитных
средств.
Применение этих защитных мер
регламентируется ПУЭ, ПТЭ, ПТБ и другими правилами.
Малое напряжение - номинальное
напряжение не более 42 В, применяемое в целях уменьшения опасности поражения
электрическим током. Если номинальное напряжение электроустановки не превышает
длительно допустимой величины напряжения прикосновения, то даже долговременный
контакт человека с токоведущими частями разных фаз или полюсов безопасен.
Наибольшая степень безопасности
достигается при напряжениях до 10 В, так как при таком напряжении ток,
проходящий через человека, не превысит 1 - 1,5 мА. В помещениях с повышенной
опасностью и особо опасных, где сопротивление электрической цепи может быть
снижено, ток, проходящий через человека, может в несколько раз превысить эту
величину.
В производственных переносных
электроустановках для повышения безопасности применятся малые напряжения 12 и
36 В. В помещениях с повышенной опасностью для переносных электроприемников
рекомендуется номинальное напряжение 36 В. Но одним применением малых напряжений
не достигается достаточная степень безопасности, дополнительно принимаются
другие защиты - двойная изоляция, защита от случайных прикосновений и т.д.
Однофазное прикосновение к
токоведущим частям, а также прикосновение к оказавшемуся под напряжением
корпусу, даже незаземленному, при малом напряжении безопасно, так как ток,
проходящий через человека даже при прикосновении к фазе, определяется
сопротивлением изоляции и малым напряжением.
Источником малого напряжения
может быть батарея гальванических элементов, аккумулятор, выпрямительная
установка, преобразователь частоты и трансформатор.
В качестве источников малого
напряжения наиболее часто применяются понизительные трансформаторы. Они
отличаются от других источников малого напряжения простой конструкции и большей
надежностью. Единственное слабое место понизительных трансформаторов -
возможность перехода высшего напряжения первичной обмотки на вторичную. В этом
случае прикосновение к токоведущим частям или незаземленному корпусу,
оказавшемуся под напряжением, в сети малого напряжения равноценно такому же
прикосновению в сети высшего напряжения. Для уменьшения опасности при переходе
высшего первичного напряжения на сторону вторичного малого напряжения вторичная
обмотка трансформатора заземляется или зануляется.
Применение в качестве источника
малого напряжения автотрансформатора запрещена, так как сеть малого напряжения
в этом случае всегда оказывается связанной с сетью высшего напряжения. Применение
малых напряжений весьма эффективная защитная мера, но ее широкому
распространению мешает трудность осуществления протяженной сети малого
напряжения. Поэтому источник малого напряжения должен быть максимально
приближен к потребителю.
Разветвленная сеть большой
протяженности имеет значительную емкость и небольшое активное сопротивление
изоляции относительно земли. Ток замыкания на землю в такой сети может
достигать значительной величины. Поэтому однофазное прикосновение в сети даже с
изолированной нейтралью является, безусловно, опасным.
Если единую, сильно
разветвленную сеть с большой емкостью и малым сопротивлением изоляции разделить
на ряд небольших сетей такого же напряжения, которые будут обладать
незначительной емкостью и высоким сопротивление изоляции, то опасность
поражения резко снизится.
Обычно электрическое разделение
сетей осуществляется путем подключения отдельных электроприемников через
разделительный трансформатор, питающийся от основной разветвленной сети. Возможна
и другая схема, которая применятся значительно реже, а именно: разделение
разветвленной сети на несколько приблизительно одинаковых несвязанных сетей.
Для разделения сетей могут
применяться не только трансформаторы, но и преобразователи частоты и
выпрямительные установки, которые должны связываться с питающей их сетью только
через трансформатор. Область применения защитного разделения сетей -
электроустановки напряжением до 1000 В, эксплуатация которых связана с
повышенной степенью опасности, в частности передвижные электроустановки, ручной
электрифицированный инструмент и т.п.
Повреждение изоляции в
трансформаторе может привести не только к замыканию на корпус, но и к замыканию
между обмотками разных напряжений. В этом случае на сеть низшего напряжения
накладывается более высокое напряжение, на которое эта сеть рассчитана. Наиболее
опасен переход напряжения со стороны 6 или 10 кВ на сторону до 1000 В. Напряжение
35 кВ трансформируется в напряжение до 1000 В значительно реже (только
собственные нужды подстанций).
В результате замыкания между
обмотками сеть низшего напряжения оказывается под напряжение выше 1000 В, на
которое изоляция сети и подключенного электрооборудования не рассчитана. Последствием
этого случая может быть повреждение изоляции, замыкание на корпус и появление
опасных напряжений прикосновения и шага.
Большая степень безопасности
обеспечивается при заземлении средней точки обмотки малого напряжения. Кроме
заземления или зануления вторичной обмотки применяется экран заземлений или
экранная обмотка.
Контроль изоляции - измерение ее
активного или омического сопротивления для обнаружения дефектов и
предупреждения замыканий на землю и коротких замыканий. Состояние изоляции в
значительной мере определяет степень безопасности эксплуатации
электроустановок, поскольку сопротивление изоляции в сетях с изолированной
нейтралью определяет величину тока замыкания на землю, а значит, и тока,
проходящего через человека.
При глухо-заземленной нейтрали
ток замыкания на землю и ток, проходящий через человека, не зависят от величины
сопротивления изоляции. Но при плохом состоянии изоляции часто происходят ее
повреждения, что приводит к замыканиям на землю (корпус) и к коротким
замыканиям. При замыкании на корпус и несрабатывании защиты на отключение
возникает опасность поражения электрическим током, так как нетоковедущие
металлические части, с которыми человек нормально имеет контакт, оказываются
под напряжением.
Чтобы предотвратить замыкания на
землю и другие повреждения изоляции, при которых возникает опасность поражения
электрическим током, а также выходит из строя оборудование, необходимо
проводить испытания повышенным напряжением и контроль сопротивления изоляции.
Приемо-сдаточные испытания
проводятся при вводе в эксплуатацию вновь смонтированных и вышедших из ремонта
электроустановок.
При испытании повышенным
напряжением дефекты изоляции обнаруживаются в результате пробоя и последующего
прожигания изоляции. Выявленные дефекты устраняются, и затем проводятся
повторно испытания исправленного оборудования.
Эксплуатационный контроль
изоляции - измерение ее сопротивления при приемке электроустановки после
монтажа периодически в сроки, установленные Правилами, или в случае обнаружения
дефектов. Сопротивление изоляции измеряется на отключенной установке. При таком
измерении можно определить сопротивление изоляции отдельных участков сети,
электрических аппаратов, машин и т.п.
Сопротивление изоляции
нелинейное - оно зависит от величины приложенного напряжения. Поэтому
измерительное напряжение должно быть не ниже номинального напряжения
электроустановки или несколько больше, что позволяет проверить электрическую
прочность изоляции. Однако чрезмерно высокое измерительное напряжение может
повредить изоляцию, не имеющую дефектов.
Чтобы получить представление о
величине сопротивления изоляции всей сети, измерение надо производить под
рабочим напряжением с подключенными потребителями. Такой контроль изоляции
возможен только в сетях с изолированной нейтралью, так как в сети с
глухозаземленной нейтралью малое сопротивление заземления нейтрали и прибор (мегомметр)
показывает нуль. Этим способом можно измерить только сопротивление изоляции фаз
относительно земли, так как сопротивление межфазной изоляции в работающей сети
шунтируется источником питания и нагрузкой сети.
Измерение сопротивления изоляции
под рабочим напряжением позволяет определить состояние изоляции всей сети,
включая источник и электроприемники. Полученная таким образом величина
сопротивления изоляции позволяет определить степень безопасности эксплуатации
данной сети.
Постоянный контроль изоляции -
измерение сопротивления изоляции под рабочим напряжением в течение всего
времени работы электроустановки с действием на сигнал. Величина сопротивления
изоляции отсчитывается по шкале прибора. При снижении сопротивления изоляции до
предельно допустимой величины или ниже прибор подает звуковой или световой
сигнал или оба сигнала вместе.
Защита от замыканий на землю,
действующая на сигнал, применяется для обнаружения дефектов изоляции - глухих
замыканий на землю. Такая защита реагирует на напряжение фаз относительно
земли, на напряжение нулевой последовательности или на ток нулевой
последовательности.
Ток замыкания на землю, а
значит, и ток, проходящий через человека, в сети с изолированной нейтралью
зависит не только от сопротивления изоляции, но и от емкости сети относительно
земли.
Поскольку невозможно уменьшить
емкость сети, снижение тока замыкания на землю достигается путем компенсации
его емкостной составляющей индуктивностью.
В случае неполной компенсации
емкости наблюдается некоторая емкостная составляющая или при перекомпенсации
индуктивная составляющая тока замыкания на землю. Однако и в этих случаях
полный ток замыкания на землю снижается. Полная компенсация - явление редкое,
обычно бывают отклонения в ту или другую сторону.
В сетях выше 1000 В активная
проводимость изоляции невелика, по сравнению с емкостной и не влияет на ток
замыкания на землю.
Компенсация емкостной
составляющей тока замыкания на землю применяется обычно в сетях выше 1000 В,
где компенсация служит для гашения перемежающейся дуги при замыкании на землю и
снижения возникающих при этом перенапряжении. Одновременно уменьшается ток
замыкания на землю.
Прикосновение к токоведущим
частям всегда может быть опасным даже в сети напряжением до 1000 В с
изолированной нейтралью, с хорошей изоляцией и малой емкостью и, конечно, в
сетях с заземленной нейтралью и сетях напряжением выше 1000 В. В последнем
случае опасно даже приближение к токоведущим частям.
В электроустановках до 1000 В
применение изолированных проводов уже обеспечивает достаточную защиту от
напряжения при прикосновении к ним. Изолированные провода, находящиеся под
напряжением выше 1000 В не менее опасны, чем неизолированные.
Чтобы исключить прикосновение
или опасное приближение к изолированным токоведущим частям, необходимо
обеспечить их недоступность посредством ограждений, блокировок и расположения
токоведущих частей на недоступной высоте или в недоступном месте.
Защитным заземлением называется
преднамеренное электрическое соединение с землей или ее эквивалентом
металлических нетоковедущих частей, которые могут оказаться под напряжением.
Заземление может быть эффективно
только в том случае, если ток замыкания на землю не увеличивается с уменьшением
сопротивления заземления. Это возможно в сетях напряжением свыше 1000 В с
заземленной нейтралью. В этом случае замыкание на землю является коротким
замыканием, причем срабатывает максимальная токовая защита.
При двойном глухом замыкании на
землю эффективность заземления резко снижается, так как ток замыкания на землю
зависит от величины сопротивлений тех заземлений, которые участвуют в цепи
замыкания.
Заземляющее устройство -
совокупность заземлителя и заземляющих проводников. По расположению
заземлителей относительно заземленных корпусов заземления делятся на выносные и
контурные.
Выносное заземление защищает
только за счет малого сопротивления заземления.
В качестве искусственных
заземлителей в контурном заземлении применяют стальные прямоугольные и круглые
стержни, угловую сталь, стальные трубы, допускается применение
электропроводящего бетона.
В открытых электроустановках
отдельные корпуса электрооборудования присоединяются непосредственно к заземлителю
проводами.
В ПУЭ нормируются сопротивления
заземляющих устройств в зависимости от напряжения электроустановок и мощности
источников питания.
Занулением называется
преднамеренное электрическое соединение с нулевым защитным проводником
металлических нетоковедущих частей, которые могут оказаться под напряжением. Зануление
применяется в сетях напряжением
до 1000 В.
В сети с глухозаземленной
нейтралью напряжением до 1000 В защитное заземление не эффективно, так как ток
глухого замыкания на землю зависит от сопротивления заземления.
Основное назначение зануления -
обеспечить срабатывание максимальной токовой защиты при замыкании на корпус. Для
этого ток короткого замыкания должен значительно превышать уставку защиты или
номинальный ток плавких вставок.
Повторное заземление нулевого
провода снижает напряжение на корпусе в момент короткого замыкания, особенно
при обрыве нулевого провода, тем самым повышает безопасность.
Устройство зануления проверяется
при вводе электроустановки в эксплуатацию, периодически в процессе работы и
после ремонта.
Защитное отключение - система защиты,
обеспечивающая автоматическое отключение электроустановки при возникновении в
ней опасности поражения электрическим током. Эта опасность возникает при
следующих повреждениях электроустановки: замыкании на землю, снижении
сопротивления изоляции, неисправностях заземления и устройства защитного
отключения. Чтобы обеспечить безопасность, защитное отключение должно
осуществлять некоторую совокупность из следующих защит: от глухих и неполных
замыканий на землю, от утечек, автоматический контроль цепи заземления,
самоконтроль, т.е. автоматический контроль исправности защитного отключения.
Защитное отключение можно
применять в качестве единственной меры защиты; в качестве основной меры защиты
совместно с дополнительным заземлением, а также в дополнение к заземлению. Наиболее
высокие требования должны предъявляться к тем устройствам защитного отключения,
которые применяются как единственная мера защиты.
В случае, когда защитное
отключение является единственной мерой защиты, неисправность его оставляет
электроустановку без защиты. Поэтому оно должно осуществлять самоконтроль, что
исключает возможность работы электроустановки при неисправном защитном
отключении. Самоконтроль не снижает требования к надежности защитного
отключения, иначе возможны неоправданные перебои в электроснабжении.
Защитное отключение, применяемое
как основная мера совместно с заземлением, обеспечивает достаточную степень
безопасности, если оно удовлетворяет изложенным требованиям.
Если защитное отключение
применено в дополнение к заземлению, оно должно обеспечивать безопасность при
прикосновении к заземленным частям. При этом основные защитные меры должны быть
надежны и обеспечивать безопасность без защитного отключения.
При эксплуатации сетей и
установок в них возможны повреждения различных видов. Повреждаемость их
вызывается старением изоляции, дефектами заводского изготовления, попаданием
влаги, коммутационными перенапряжениями, некачественными ремонтами,
неправильным обслуживанием.
Характер повреждения и
последствия различны. Для уменьшения размеров повреждений и обеспечения
скорейшего восстановления нормального режима работы ЭП предусматриваются
различные виды защиты.
Для проверки выбранных защит
будут нужны расчеты однофазных и многофазных токов коротких замыканий (кз).
При расчете токов кз в сетях до
1000 В необходимо учитывать активное и индуктивное сопротивления
короткозамкнутой сети. Сопротивление системы до вводов трансформаторов можно не
учитывать и считать, что питание силовых трансформаторов осуществляется от ИБМ
и периодическая составляющая тока кз практически не изменяется во времени и
остается постоянной до момента его отключения (I’’= I¥).
и
- суммарные активные и реактивные сопротивления
прямой последовательности цепи кз.
номинальное линейное напряжение сети
до 1000 В.
Если отсутствуют данные о
переходных сопротивлениях контактных соединений, можно применять:
распределительные щиты на
подстанциях - 15мОм;
на шинах ШП и промежуточных
распределительных щитов - 20мОм;
на промежуточных
распределительных щитов - 20мОм.
Сопротивление внешней питающей
сети до понижающего трансформатора учитывается только индуктивное и приведенное
к ступени НН:

действительное сопротивление внешней
питающей сети.
По трехфазному току кз
определяют кз
;
Ударный ток кз:
Ударный коэффициент принимается:
равным 1,3 при кз на
распределительных щитах, питающихся непосредственно от трансформаторов;
равным 1,0 при более удаленных
точках кз.
Сопротивления кабельных линий
сведены в таблицу 9.1.1
Таблица 9.1.1
Сопротивления кабельных линий.
|
Наименование
линий
|
Длинна,
м
|
|
|
,
мОм
|
,
мОм
|
|
1
|
2
|
3
|
4
|
6
|
|
9ПР-10
|
25
|
1,98
|
0,07
|
49,5
|
1,7
|
|
9ПР-ЭП13
|
15
|
5,26
|
0,09
|
78,9
|
1,35
|
|
ШМА-ШП2
|
25
|
0,34
|
0,057
|
8,5
|
1,43
|
|
ШМА-ШП3
|
25
|
0,34
|
0,057
|
8,5
|
1,43
|
|
ШП2-2ПР
|
25
|
1,98
|
0,07
|
49,5
|
1,43
|
|
2ПР-19 (1)
|
20
|
6,41
|
0,087
|
128,2
|
1,74
|
|
19 (1) - 19 (2)
|
5
|
6,41
|
0,087
|
32,03
|
0,44
|
|
2ПР-19
|
8
|
6,41
|
0,087
|
5,28
|
0,69
|
|
ШП3-3РП
|
8
|
1,98
|
0,07
|
15,86
|
0,56
|
|
3ПР-В22
|
15
|
5,26
|
0,09
|
52,6
|
0,9
|
|
3ПР-В24
|
18
|
5,26
|
0,09
|
68,38
|
1,17
|
|
ШР3-9 (1)
|
20
|
5,26
|
0,09
|
105,2
|
1,8
|
|
9 (1) - 9 (2)
|
8
|
5,26
|
0,09
|
42,08
|
0,72
|
|
ШП3-2
|
5
|
5,26
|
0,09
|
26,3
|
0,45
|
|
ШМА-9ПР
|
10
|
0,34
|
0,057
|
3,4
|
0,57
|
Сопротивления шинопроводов
сведены в таблицу 9.1.2.
Таблица 9.1.2
Сопротивления шинопроводов.
|
Наим. ШП
|
Что присоед.
|
На каком расстоянии, м
|
|
|
мОм
|
мОм
|
|
ШМА
|
9ПР
|
2
|
0,031
|
0,017
|
0,061
|
0,034
|
|
ШП3
|
20
|
0,031
|
0,017
|
0,61
|
0,034
|
|
ШП2
|
20
|
0,031
|
0,017
|
0,61
|
0,34
|
|
ШП2
|
2ПР
|
108
|
0,15
|
0,17
|
18,36
|
52,92
|
|
ШП3
|
3ПР
|
6
|
0,15
|
0,17
|
1,02
|
2,94
|
|
ЭП9
|
90
|
0,15
|
0,17
|
13,5
|
15,3
|
|
ЭП2
|
51
|
0,15
|
0,17
|
7,65
|
8,67
|
Расчет трехфазных, двухфазных и
ударных токов кз сведен в таблицу 9.1.3.
Таблица 9.1.3. Ударные токи КЗ. 
|
  Точка
кз
|
,
мОм
|
,
мОм
|
, А
|
, А
|
, А
|
|
1
|
2
|
3
|
4
|
5
|
6
|
|
1
|
18,1
|
3,6
|
12112,44
|
10537,82
|
22202,1
|
|
2
|
36,56
|
4, 204
|
6074,02
|
5284,4
|
7451,0
|
|
3
|
106
|
5,95
|
2104,27
|
1830,71
|
2967,02
|
|
4
|
135,46
|
5,55
|
1648,79
|
1434,45
|
2324,8
|
|
5
|
50,1
|
6,46
|
4425,03
|
3849,78
|
6239,3
|
|
6
|
86,3
|
24,82
|
2489,24
|
2165,64
|
3509,8
|
|
7
|
234,5
|
25,56
|
947,16
|
824,03
|
1326,03
|
|
8
|
266,55
|
2,18
|
838,57
|
729,56
|
1174,0
|
|
9
|
157,58
|
25,51
|
1400,28
|
1218,25
|
1974,39
|
|
10
|
41,6
|
5,03
|
5334,45
|
4640,97
|
7521,57
|
|
1
|
2
|
3
|
4
|
5
|
6
|
|
11
|
85,62
|
22,13
|
2527,65
|
2199,05
|
3563,99
|
|
12
|
127,7
|
22,85
|
1724,72
|
1500,51
|
2414,6
|
|
13
|
95,5
|
14,15
|
2315,34
|
2014,35
|
3264,64
|
|
14
|
78,34
|
6,61
|
2843,22
|
2473,60
|
3980,51
|
|
15
|
150,94
|
7,51
|
1479,09
|
1286,80
|
2085,51
|
|
16
|
166,72
|
7,78
|
1339,29
|
1165,18
|
1888,39
|
Согласно ПЭУ однофазный ток кз
можно рассчитать по формуле:
- сопротивление петли фаза - нуль
полное сопротивление трансформатора.
Для комплектных шинопроводов
вместо сопротивлений обратной последовательности задается сопротивление петли
фаза-нуль, включающее сопротивление шинопровода и сопротивления аппаратов и
переходных контактов, начиная от нейтрали понижающего трансформатора.
Сопротивление трансформатора
зависит от сопротивления обмоток.
Для электропроводок, выполненных
3-х или 4-х проводной линией проводами в трубах или кабелями в алюминиевой
оболочке, зависит от способа прокладки.
Сопротивления кабельных линий
приведены в таблице 9.2.1., шинопроводов - 9.2.2.
Таблица 9.2.1
Сопротивления кабельных линий.
|
 Наименование
кабельной линии
|
Длинна,
м
|
|
, мОм
|
|
1
|
2
|
3
|
4
|
|
9ПР-10
|
25
|
3,08
|
77
|
|
9ПР-13
|
15
|
7,49
|
112,35
|
|
ШМА-ШП2
|
25
|
0,69
|
17,25
|
|
ШМА-ШП3
|
25
|
0,69
|
17,25
|
|
ШП2-2ПР
|
25
|
3,08
|
77
|
|
2ПР-19 (1)
|
20
|
17,8
|
356
|
|
19 (1) - 19 (2)
|
5
|
17,8
|
89
|
|
2ПР-19
|
8
|
17,8
|
142,4
|
|
ШП3-3ПР
|
8
|
3,08
|
24,64
|
|
3ПР-В22
|
10
|
7,49
|
74,9
|
|
3ПР-В22
|
5
|
17,8
|
89
|
|
3ПР-В24
|
13
|
7,49
|
97,37
|
|
3ПР-В24
|
5
|
17,8
|
89
|
|
ШП3-19 (1)
|
20
|
11,3
|
226
|
|
9 (1) - 9 (2)
|
8
|
11,3
|
90,4
|
|
ШП2-2
|
5
|
7,49
|
37,45
|
|
ШМА-9ПР
|
1,5
|
15
|
Таблица 9.2.2
Сопротивления шинопроводов.
|
 Наименование ШП
|
Что присоединяется
|
На каком расстоянии
|
|
, мОм
|
|
ШМА
|
9ПР
|
2
|
0,123
|
0,246
|
|
ШП3
|
20
|
0,123
|
2,46
|
|
ШП2
|
20
|
0,123
|
2,46
|
|
ШП2
|
2ПР
|
108
|
0,49
|
52,92
|
|
ШП3
|
3ПР
|
6
|
0,49
|
2,94
|
|
ЭП9
|
90
|
0,49
|
44,1
|
|
ЭП2
|
51
|
0,49
|
24,99
|
Данные и расчет однофазных токов
кз приведены в таблице 9.2.3
Таблица 9.2.3
Расчет однофазных токов КЗ.
|
Точка кз
|
1
|
2
|
3
|
4
|
5
|
6
|
7
|
8
|
|
 мОм
|
40
|
55,2
|
132,3
|
167,6
|
59,71
|
189,6
|
545,6
|
350,1
|
|
, А
|
5500
|
3982,2
|
1664
|
1313
|
3684
|
1160,2
|
403,2
|
628,4
|
|
Точка кз
|
9
|
10
|
11
|
12
|
13
|
14
|
15
|
16
|
|
 мОм
|
332,0
|
59,71
|
329,81
|
420,21
|
367,26
|
87,29
|
176,3
|
176,3
|
|
, А
|
662,6
|
3684
|
667,1
|
523,6
|
599
|
2520,3
|
1248,2
|
1248
|
Все линии силовой сети,
отдельные разветвленные участки, ответвления и ЭП должны иметь защиту от
коротких замыканий.
Аппараты защиты необходимо
устанавливать:
на вводах от ТП;
на отходящих от щитов линиях;
в местах ответвления от питающей
магистрали к защитам (или ввод в щитах);
в местах, где сечение
проводников уменьшается, или где это необходимо для соблюдения селективности.
В случае необходимости
разрешается относить аппараты защиты от начала питающей линии по направлению
ответвления. Для ответвлений, выполненных проводниками в трубах или с негорючей
оболочкой, прокладываемых в труднодоступных местах, длина незащищенного участка
может быть до 30 метров.
В качестве защитных аппаратов
применяются предохранители или автоматические выключатели.
В тех случаях, когда по условиям
технологического прогресса или по режиму работы сети возможны длительные
перегрузки проводов (кабелей) требуется также защита от перегрузки.
В качестве аппаратов защиты от
перегрузки используются магнитные пускатели с тепловым реле и автоматы с
тепловыми расцепителями.
Сочетание различных аппаратов (вышестоящего
и нижестоящего) определяется условием селективности зашиты.
Вопрос о возможности
осуществления избирательности защиты решается в каждом конкретном случае
вероятностными характеристиками автоматов и предохранителей с использованием
карты селективности. В логарифмическом масштабе строятся защитные
характеристики аппаратов всех ступеней, наносятся I расч. max и токи кз и определяется
время срабатывания каждого аппарата.
Селективное отключение возможно,
если:
-
время отключения вышестоящей ступени зашиты,
-
нижестоящей.
Соотношения между
и
для
различных аппаратов различны.
Выбор плавких вставок
предохранителей при защите от коротких замыканий.
Номинальные токи должны быть
равны или несколько больше длительно допустимых токов защищаемых проводов.
Плавкая вставка должна надежно
выдерживать кратковременные пики тока, вызываемые пусками ЭП и другими
эксплуатационными режимами сети.
Ответвления к ЭП, не имеющим
:
,
номинальный ток ЭП. Ответвления к ЭД.
,
пусковой ток.
a=2,5 для легких условий пуска.
a=2
для тяжелых условий пуска.
При нескольких подключенных к
линии ЭД или линии, питающей смешанную нагрузку
- максимальный расчетный ток в линии
от ЭП
- коэффициент использования
- номинальный ток ЭД с наибольшим
пусковым током

- наибольший
пусковой ток из ЭД, входящих в группу.
По расчетным значениям выбирают
плавкую вставку согласно шкале стандартизированных значений номинальных токов
плавких вставок и тип предохранителя.
ПЭУ нормирует соотношение между
допустимыми токами проводов и токами плавких вставок:
кратность допустимого тока
проводника по отношению к току плавкой вставки.
Для обеспечения минимального
времени отключения однофазного тока кз необходимо проверить выполнение условия:
m=3 для
помещений с нормальной окружающей средой, m=4 - для
взрывоопасных помещений.
Условие является условием для
выбора предохранителя для защиты от перегрузки. Выбор автоматов при защите от
коротких замыканий.
1.
2.
Номинальные токи распределителей
выбираются в зависимости от типа автомата и наличия тепловых или
комбинированных расцепителей.
Номинальные токи тепловых
расцепителей для ответвлений и линий:
,
для одиночного ЭП;
расчетный ток линии, питающий группу
ЭП.
Для автоматов с комбинированным
расцепителем обязательна проверка невозможности срабатывания электромагнитных
расцепителей от.
- ток отсечки расцепителя,
пиковый ток линии или пусковой ток
ЭП
Необходима проверка условий:
-
защита от перегрузок
m=3 для
помещения с нормальной окружающей средой; m=6 - со
взрывоопасной.
1. Определяем и выбираем типы
предохранителей

А
Принимаем НПН - 60 А.
Для ЭП, запитанных по цепочке
А
Учитываем два условия:
А

А
Выбираем ПНП - 60 А.
Выбор остальных предохранителей
сведен в таблицу 9.3.1
Таблица 9.3.1
Выбор предохранителей.
|
Ответвления к ЭП №
|
, А
|
Тип предохранителя
|
, А
|
|
19
|
8,8
|
НПН - 60
|
10
|
|
19 (1) - 19 (2)
|
10,3
|
|
10
|
|
10
|
132
|
ПН2 - 250
|
150
|
|
13
|
48
|
ПН2 - 100
|
50
|
|
В22
|
30,8
|
|
40
|
|
В24
|
3,4
|
НПН - 60
|
10
|
Определим типы автоматов и их
номинальные токи для ЭП.
Токи расцепителей выбирают
больше номинальных токов ЭП.
Таблица 9.3.2
Автоматические выключатели.
|
Ответвления
к ЭП №
|
, А
|
Тип АВ
|
, А
|
|
9
|
18+18
|
АЕ 2056
|
40
|
|
2
|
129,8
|
А 3716
|
125
|
Устанавливаем невозможность
срабатывания АВ при пуске ЭД.
А

А
А
А
Определяем токи в питающих
линиях к распределительным пунктам и шинопроводов.
Таблица 9.3.3. Токи в питающих
линиях.
|
Ответв. к
|
2ПР
|
3ПР
|
9ПР
|
ШП2
|
ШП3
|
ШМА - 1
|
ШМА - 2
|
|
, А
|
11,39
|
51,36
|
70,36
|
320
|
340
|
467,7
|
409,8
|
Пиковый ток линии определяется
при пуске наиболее мощного ЭП:
2ПР:
А
3ПР:
А
9ПР:
А
ШП2:
А
ШП3:
А
Таблица 9.3.4. Ток расцепителя
АВ.
|
  Ответвл. к
|
, А
|
, А
|
, А
|
Тип АВ
|
А
|
А
|
|
2ПР
|
11,39
|
154
|
20
|
АЕ2055
|
100
|
240
|
|
3ПР
|
29,9
|
160,3
|
31,5
|
АЕ2055
|
100
|
378
|
Условие выполняется:
2ПР: 240>154×1,25=192,5 А
3ПР: 378>160×1,25=200 А
Таблица 9.3.5
Выбор предохранителей.
|
Ответвл.
к
|
, А
|
, А
|
Тип
П
|
, А
|
, А
|
|
9ПР
|
350
|
140
|
ПН2 - 400
|
200
|
400
|
|
3ПР
|
160
|
64
|
ПН2 - 250
|
200
|
250
|
|
2ПР
|
154
|
61,1
|
|
200
|
250
|
|
ШП2
|
803
|
321
|
ПН2 - 600
|
400
|
600
|
|
ШП3
|
1094
|
438
|
|
500
|
600
|
Рассчитанное будет удобно свести
в таблицу.
Будет проверено условие
Таблица 9.3.6.
Проверка по току.
|
Ответвл.
к
|
, А
|
Тип
аппар.
|
|

|
|
|
|
|
1
|
2
|
3
|
4
|
5
|
6
|
7
|
8
|
|
ЭП10
|
55
|
ПН2-250
|
150
|
|
0,33
|
49,5
|
90
|
|
ЭП13
|
20
|
ПН2-100
|
50
|
|
0,33
|
16,5
|
38
|
|
ЭП19 (1-2)
|
7,4
|
НПН -60
|
10
|
|
0,33
|
3,3
|
29
|
|
ЭП19
|
3,7
|
|
10
|
|
0,33
|
3,3
|
29
|
|
1
|
2
|
3
|
5
|
6
|
7
|
8
|
|
В22
|
11
|
ПН-100
|
40
|
|
1
|
40
|
38
|
|
В24
|
1,2
|
НПН-60
|
10
|
|
1
|
10
|
38
|
|
ЭП9 (1-2)
|
18,2
|
АЕ2056
|
40
|
480
|
0,22
|
8,8
|
38
|
|
ЭП2
|
129,8
|
А3716
|
125
|
1500
|
0,33
|
41,25
|
210
|
|
2ПР
|
11,39
|
АЕ2055
|
20
|
240
|
0,22
|
4,4
|
90
|
|
3ПР
|
29,9
|
|
31,5
|
378
|
0,22
|
6,93
|
90
|
|
2ПР
|
154
|
ПН2-250
|
200
|
|
0,33
|
66
|
90
|
|
3ПР
|
160
|
|
200
|
|
0,33
|
66
|
90
|
|
9ПР
|
350
|
ПН2-400
|
200
|
|
1
|
200
|
255
|
|
ШП2
|
803
|
ПН2-600
|
400
|
|
0,33
|
132
|
510
|
|
ШП3
|
1094
|
|
500
|
|
0,33
|
165
|
510
|
Проверка по условиям:
Таблица 9.3.7.
|
Ответвл. к
|
, А
|
, А
|
,
А
|
, А
|
,
А
|
|
2ПР
|
2165,64
|
240
|
360
|
1160,2
|
300
|
|
ЭП9
|
2199,05
|
480
|
720
|
667,1
|
600
|
|
ЭП2
|
2014,35
|
1500
|
2050
|
599
|
180,0
|
|
3ПР
|
2473,60
|
378
|
567
|
2520,3
|
472,5
|
Чувствительность защиты участков
сети к не проверяем, так как их протяженность небольшая и токи достаточны для
обеспечения нужной чувствительности.
Необходимо проверить
чувствительность предохранителей:
Таблица 9.3.8.
Проверка чувствительности.
|
Ответвления к
|
, А
|
, А
|
, А
|
|
ЭП10
|
1663,57
|
150
|
450
|
|
ЭП13
|
1313,04
|
50
|
200
|
|
2ПР
|
1160,15
|
200
|
600
|
|
ЭП19 (1-2)
|
403,2
|
10
|
30
|
|
ЭП19
|
628,36
|
10
|
30
|
|
3ПР
|
2520,33
|
200
|
600
|
|
В22
|
1248,16
|
40
|
120
|
|
В24
|
1247,94
|
10
|
30
|
|
9ПР
|
3982,2
|
200
|
600
|
|
ШП2
|
3684,47
|
400
|
1200
|
|
ШП3
|
3684,47
|
500
|
1500
|
Магнитные пускатели
предназначены для управления (пуска, остановки) АД мощностью до 75 кВт, а также
для защиты их от перегрузок.
Номинальный ток теплового реле
выбирается по номинальному току ЭП:
Выбор магнитных пускателей
приведен в таблице 9.3.9.
Таблица
9.3.9.
|
Ответвл. к
|
, А
|
типы
|
в пускателе
|
|
пускателя
|
тепл. реле
|
|
В22
|
11
|
ПМЕ-222
|
ТРН-25
|
12,5
|
|
В24
|
1,2
|
ПМЕ-122
|
ТРН-10
|
12,5
|
|
3ПР
|
72,6
|
ПАЕ-421
|
|
|
Выберем автомат, защищающий
линию, питающую ШМА.
А
А

Принимаем АВМ-4Н
12×200>1,25×1494
,
770>0,33×200
10537,82>1,5×2400=3600 А
5500>1,25×2400
Аналогично выбирается секционный
автомат АВМ-10Н по номинальному току шин (расчетному).
В данном дипломном проекте было
рассмотрено электроснабжение завода механоконструкций, а именно, были
рассчитаны электрические нагрузки завода и его освещение, выбраны схемы его
внешнего и внутреннего электроснабжения. Также был проведен расчет
электроснабжения инструментально-механического цеха.
В результате расчета была
определена расчетная нагрузка, осветительная нагрузка и суммарная расчетная нагрузка
завода Sр=49661.3 кВА.
В результате расчета внутреннего
электроснабжения завода были выбраны мощности цеховых трансформаторных
подстанций и схема распределительных сетей завода. Было выбрано основное
оборудование на напряжениях 110 и10 кВ.
Для ГПП применена схема “Два
блока с выключателями и неавтоматической перемычкой со стороны линий".
Рассмотрен вопрос
электроснабжения отдельно взятого цеха. На примере цеха №1 (инструментально-механического)
произведён расчёт силовой и осветительной нагрузки и выбрано основное
оборудование. Также рассчитаны токи КЗ и выбраны аппараты защиты.
В экономической части дипломного
проекта было проведено технико-экономическое сравнение двух вариантов внешнего
электроснабжения завода на 35 и 110 кВ. В результате сравнения суммарных затрат
на внешнее электроснабжение было выбрано питающее напряжение 110 кВ с меньшими
годовыми затратами.
В разделе "Безопасность и
экологичность" был рассмотрен вопрос о разработке мероприятий по охране
труда электрики при электроснабжении завода механоконструкций.
1. Справочник по проектированию
электроснабжения, линий электропередачи и сетей / Под ред. Я.М. Большама, В.И. Круповича,
М.Л. Самовера - М.: Энергия, 1974. - 696с.
2. Правила устройства электроустановок.
(7 издание) - М.: Энергия, 2005. - 645с.
3. Справочник по электроснабжению
промышленных предприятий/Под ред.А. А. Фёдорова. - М.: Энергия, 1973.
4. ЭСПП в примерах и задачах / Под
ред. А.И. Артёмова. - С.: 2000. - 300с.
5. Справочник по проектированию
электроэнергетических систем / Под ред. С.С. Рокотяна. - М.: Энергоатомиздат,
1985. - 348с.
6. Электроснабжение промышленных
предприятий и установок/Под ред. Липкина Б.Ю. - М.: Высш. Школа, 1981. - 376с.
7. Электрическая часть станций и
подстанций / Под. ред. Б.Н. Неклепаева. - М.: Энергия, 1972. - 336с.
8. Справочная книга для
проектирования электрического освещения/Под ред. Г.М. Кнорринга. - Л.: Энергия,
1976. - 384с.
9. Основы электроснабжения
промышленных предприятий/Под. ред.А. А. Ермилова. - М.: Энергия, 1975. - 208с.
10. Электромагнитные переходные
процессы/Под. ред. С.А. Ульянова. - М.: Энергия, 1970. - 520с.
11. Основы техники безопасности в
электроустановках / Под. ред. П.А. Долина. - М.: Энергоатомиздат, 1984. - 447с.
Приложение 1
Генплан и план распределительной
сети.
Приложение 2
Силовая схема электроснабжения
цеха.
Приложение 3
Световая схема электроснабжения
цеха.
Приложение 4
Расчётная схема замещения.