Электроснабжение деревообрабатывающего завода
Содержание
1.
Электроснабжение деревообрабатывающего завода
.1 Исходные
данные
. Расчет электрических
нагрузок по заводу
.1 Расчет осветительной
нагрузки
2.2 Расчет
электрических нагрузок по заводу
.3 Выбор
числа цеховых трансформаторов и компенсация реактивной мощности на напряжение
0,4 кВ
.4 Уточненный
расчет электрических нагрузок по заводу
. Выбор схемы
внешнего электроснабжения
.1 I вариант схемы внешнего
электроснабжения завода (110 кВ)
.2 II вариант схемы внешнего
электроснабжения завода (37 кВ)
. Выбор оборудования напряжением 10 кВ
4.1 Расчет
токов короткого замыкания на шинах РП
.2 Выбор
аппаратуры на напряжение 10 кВ (РП)
.
Технико-экономическое сравнение вариантов схем внутреннего электроснабжения
комбината
.1 Виды схем
внутреннего электроснабжения предприятий
.2 Расчет
технико-экономического сравнения схем внутреннего электроснабжения
деревообрабатывающего завода
. Средства
измерительной техники для измерения показателей качества электрической энергии
.1
Автоматический регулятор напряжения (АРН-ЭО)
6.2
Нерегулируемые установки компенсации реактивной мощности КРМ 10(6)
7.
Безопасность жизнедеятельности
.1 Анализ
условий труда
.2 Расчет
зануления электрооборудования электроремонтного цеха
.
Экономическая часть
.1 Цели разработки проекта
.2 Основная информация о проекте
.3 Определение капитальных вложений в строительство подстанции
8.4 Определение капитальных вложений в строительство
прилегающих сетей
8.5 Определение себестоимости передачи электроэнергии и прибыли
8.6
Определение NPV (чистой текущей стоимости)
Заключение
Список
литературы
электрический нагрузка трансформатор замыкание
Введение
Развитие строительства электрических станций повлекло за
собой необходимость проектирования систем электроснабжения.
Для расчета и проектирования цеховых сетей, выбора количества
и мощности цеховых трансформаторов и трансформаторных подстанций созданы
специальные методы, разработана методика определения электрических нагрузок и
т.д.
Но, несмотря на это, в области ЭПП существуют проблемы,
которые необходимо решать:
· рациональное построение систем ЭПП;
· компенсации реактивной мощности в системах
ЭПП;
· применение переменного тока, оперативного,
для РЗА;
· корректное нахождение ожидаемых
электрических нагрузок;
· вопросы конструирования универсальных
удобных в использования цеховых электрических сетей;
· комплектное исполнение цеховых и
общезаводских систем питания и конструкции подстанций.
Тема дипломного проекта "Электроснабжение
деревообрабатывающего завода".
Цель проекта: выбор приемлемой в экономическом и технологическом
плане схемы электроснабжения деревообрабатывающего завода.
В зависимости от категории потребителей электроэнергии и
особенностей технологического процесса зависит надёжность системы
электроснабжения, неверная оценка особенностей технологического процесса может
привести к снижению надежности системы электроснабжения и к ненужным тратам на
лишнее резервирование.
Проект содержит: расчет электрических нагрузок, выбор
мощности трансформаторов и нахождение их местоположения ,выбор и расчет
питающих и распределительных подстанций, выбору электрооборудования, аппаратов
защиты и вопросы электробезопасности, решения по электрическому освещению.
Решения учитывают категорию надежности электроприемников и соответствуют
требованиям ПУЭ и СНиП.
1. Электроснабжение деревообрабатывающего завода
Деревообрабатывающие предприятия делятся на следующие виды, которые
зависят от вида сырья и выпускаемой продукции.
) Лесопильные производства - это такие производства, сырьем для которых
служат круглый лес, а продукцией являются доски, брусья, или бруски.
Для производства пиломатериалов могут использоваться лесопильные рамы.
Двухэтажные, полутроэтажные или одноэтажные; ленточнопильные, бревнопильные
станки; круглопильные; бревнопильные станки.
) Деревообрабатывающие предприятия - это такие для которых сырьем служат
пиломатериалы ДСТП, ДВП, шпон строганный, фанера. А в качестве продукции
выпускают оконные, дверные блоки, строительные детали (половые доски, плинтуса,
стропила, лаи).
) Мебельное предприятие - это такие которые в качестве сырья используют
пиломатериалы черновые мебельные, заготовки, ДСТП, ДВП, МДФ, лакированная ДСТП,
клеевые материалы, отделочные материалы (эмали, лаки, грунтовки, красители и
т.д.)
Любое деревообрабатывающее предприятие в своем составе имеет следующие
структурные подразделения:
А) склады сырья;
Б) производственные цеха и участки;
В) расчетный конструкторско-технологический отдел;
Г) бухгалтерско-экономический.
Структура технологического процесса.
Производственный процесс - это совокупность всех процессов которые
применяются для превращения сырья в готовую продукцию.
Производственный процесс состоит из технологического процесса, процесса
снабжения и сбыта продукций, процессов конструкторско-технологической
подготовки, ремонтно-энергетической подготовки, социальной службы и т.д.
Технологический процесс - это часть производственного процесса при
котором происходит изменение размеров, формы/ или свойств сырья и материалов
(раскрой, сушка, строгание, фрезерование, склеивание и облицовка, отделка, сборка)
Операция - это часть технологического процесса, которая выполняется на
одном и том же станке, одним и тем же инструментом.
Операций бывают: проходные и позиционные. р
Проходная операция - эта такая при которой деталь или заготовка движется
с одинаковой скоростью мимо режущего инструмента без остановки.
Позиционнаяр операцияр -эта такая при которой заготовка или деталь
крепиться неподвижно в определенном положений относительно режущего
инструмента. А инструмент во время операций подвигается на заготовку.
Деталью называют мельчайшую часть изделия форма и размеры которой заданы
деталировочными рчертежами.
Рабочее место - это часть производственной площади, оборудованная
станком, столом инструментами для выполнения одной или нескольких операции.
Склады сырья вр лесопильном производстве
необходимы для того что бы обеспечить бесперебойную работу по распиловки
бревен.
.1 Исходные данные
Питание может быть осуществлено от подстанции энергосистемы, на которой
установлены два трехобмоточных трансформатора мощностью по 31,5 МВА,
напряжением 110/37/10,5 кВ. Трансформаторы работают раздельно. Реактивное
сопротивление системы на стороне 110 кВ, отнесенное к мощности системы - 0,2.
Расстояние от подстанции энергосистемы до завода 6 км. Завод работает в две
смены. Исходные данные представлены в таблице 1.2.
Таблица 1.2 - Электрические нагрузки по заводу
|
Наименование
|
Кол-во ЭП
|
Установленная мощность, кВт
|
|
|
Одного ЭП, Рн
|
Суммарная, åРн
|
|
1
|
2
|
3
|
4
|
|
1 Лесопильный цех
|
100
|
1-100
|
2500
|
|
2 Сушильный цех
|
50
|
10-80
|
950
|
|
3 Механический цех
|
39
|
4-40
|
400
|
|
4 Заготовительный
(раскройный)
|
44
|
1-85
|
1000
|
|
5 Столярный цех №1
|
40
|
3-40
|
1200
|
|
6 Столярный цех №2
|
50
|
1-50
|
1400
|
|
7 Мебельный цех
|
30
|
1-28
|
550
|
|
8 Материальный склад
|
8
|
1-10
|
60
|
|
9 Компрессорные:
|
|
|
|
|
а) 0,4 кВ
|
8
|
10-20
|
100
|
|
б) СД 6 кВ
|
4
|
800
|
3200
|
|
10 Биржа сырья
|
30
|
10-40
|
700
|
|
11 Сборочный цех
|
60
|
1-20
|
1720
|
|
12 Цех прессованных плит
|
10
|
1-10
|
60
|
|
13 Заводоуправление
|
20
|
0,5-14
|
100
|
|
14 Электроремонтный цех
|
66
|
10-80
|
1800
|
|
15 Насосная
|
8
|
40-100
|
560
|
|
16 Гараж
|
20
|
5-28
|
280
|
|
17 Столовая
|
30
|
1-40
|
320
|
|
|
|
|
2.
Расчет электрических нагрузок по заводу
.1 Расчет осветительной нагрузки
Расчет росветительной нагрузки при
определении нагрузки предприятия предлагается производить по удельной плотности
осветительной нагрузки на квадратный метр производственных площадей и
коэффициенту спроса [8].
По этому методу расчетнаяр осветительная
нагрузка принимается равной средней мощности освещения за наиболее загруженную
смену и определяется по формулам:
Рр 0 = Кс 0∙Ру0, кВт;
(2.1)
Qр
0 = tgφ∙Рp0, кВАр, (2.2)
где Кс0 - коэффициент спроса по активной мощности
осветительной нагрузки, числовые значения которого принимаются по таблицам;
tgφ - коэффициент реактивной мощности,
определяется по известному cosφ осветительной установки;
Ру0 - установленная мощность приемников освещения по цеху,
отделу и т.п. определяется по удельной осветительной нагрузке 1 м2
поверхности пола и известной производственной площади, кВт.
Установленная мощность приемников освещения определяется по формуле:
Ру0 = ρ0∙F,
кВт, (2.3)
где ρ0
- удельная расчетная мощность, кВт/м2;
F -
площадь пола производственного помещения, м2.
Величина ρ0 зависит от рода помещений и выбирается по
справочнику.
Расчет осветительной нагрузки предприятия приводится в таблице 2.1 в
следующей последовательности:
по генеральному плану предприятия замеряется и вычисляется с учетом
масштаба генплана длина и ширина каждого производственного помещения и
территории предприятия в метрах; р
вычисляется площадь освещаемой поверхности для каждого производственного
помещения, площадь наружного освещения территории вычисляется как разность
площади всей территории предприятия и суммы площадей, занятых производственными
рпомещениями;
для каждого цеха и территории предприятия выбирается удельная плотность
осветительной нагрузки на 1 м2 и вычисляется установленная мощность
приемников освещения по формуле (2.3); р
по таблице определяется в зависимости от объекта освещения коэффициент
спроса осветительной нагрузки и вычисляется расчетная осветительная нагрузка по
формуле (2. 1).
2.2 Расчет электрических нагрузок по заводу
Расчет электрических нагрузок напряжением до 1 кВ по цехам завода
производим методом упорядоченных диаграмм упрощенным способом [8]. Результаты
расчета силовых и осветительных нагрузок по цехам сведены в таблицу 2.2.
2.3 Выбор числа цеховых трансформаторов и компенсация
реактивной мощности на напряжение 0,4 кВ
Правильное определение числа и мощности цеховых трансформаторов возможно
только путем технико-экономических расчетов с учетом следующих факторов:
категории надежности электроснабжения потребителей; компенсации реактивных
нагрузок на напряжении до 1кВ; перегрузочной способности трансформаторов в
нормальном и аварийном режимах; шага стандартных мощностей; рэкономичных режимов работы трансформаторов в
зависимости от графика нагрузки.
Составим схему замещения показанную на рисунке 2.1.
Рисунок 2.1 - Схема замещения реактивной мощности на шинах 0,4 кВ
Таблица 2.1 - Расчет осветительной нагрузки
|
Наименование
производственного помещения
|
Размеры помещения
|
Площадь помещения, м2
|
Удельная осветительная
нагрузка ро, кВт/м2
|
Коэффициент спроса Кc
|
Установленная мощность
освещения Руо кВт
|
Расчетная осветительная
нагрузка
|
cosf
|
tgf
|
|
|
|
|
|
|
Рро, кВт
|
Qро, кВт
|
|
|
|
1 Лесопильный цех
|
190×30
|
5700
|
0,015
|
0,8
|
85,5
|
68,4
|
34,2
|
0,9
|
0,5
|
|
2 Сушильный цех
|
160×30
|
4800
|
0,015
|
0,8
|
72,0
|
57,6
|
28,8
|
0,9
|
0,5
|
|
3 Механический цех
|
105×22,5
|
2362,5
|
0,015
|
0,8
|
35,4
|
28,35
|
14,2
|
0,9
|
0,5
|
|
4 Заготовительный
(раскройный)
|
70×30
|
2100
|
0,015
|
0,8
|
31,5
|
25,2
|
12,6
|
0,9
|
0,5
|
|
5 Столярный цех № 1
|
75×22,5
|
1687,5
|
0,015
|
0,8
|
25,3
|
20,25
|
10,1
|
0,9
|
0,5
|
|
6 Столярный цех № 2
|
45×22,5
|
1012,5
|
0,015
|
0,8
|
15,19
|
12,15
|
6,1
|
0,9
|
0,5
|
|
7 Мебельный цех
|
225×40
|
9000
|
0,015
|
0,8
|
135,00
|
108
|
54
|
0,9
|
0,5
|
|
8 Материальный склад
|
65×55
|
3575
|
0,01
|
0,6
|
35,8
|
21,45
|
0
|
1
|
0
|
|
9 Компрессорная
|
80×25
|
2000
|
0,012
|
0,7
|
24,0
|
16,8
|
0
|
1
|
0
|
|
10 Биржа сырья
|
220×65
|
14300
|
0,015
|
0,8
|
214,5
|
171,6
|
85,8
|
0,9
|
0,5
|
|
11 Сборочный цех
|
235×57,5
|
13512,5
|
0,015
|
0,8
|
202,7
|
162,2
|
81,1
|
0,9
|
0,5
|
|
12 Цех прессованных плит
|
200×22,5
|
4500
|
0,015
|
0,8
|
67,50
|
54
|
27
|
0,9
|
0,5
|
|
13 Заводоуправление
|
(100×55)-(35×25)
|
4750
|
0,02
|
0,9
|
95,0
|
85,5
|
42,8
|
0,9
|
0,5
|
|
14 Электроремонтный цех
|
80×80
|
6400
|
0,015
|
0,8
|
96,0
|
76,8
|
38,4
|
0,9
|
0,5
|
|
15 Насосная
|
(65×32,5)-(30×10)
|
1812,5
|
0,012
|
0,7
|
21,75
|
15,2
|
0
|
1
|
0
|
|
16 Гараж
|
(80×32,5)-(45×10)-(15×10)
|
2000
|
0,01
|
0,6
|
20,00
|
12
|
0
|
1
|
|
17 Столовая
|
(90×47,5)-(42,5×10)-(25×25)
|
3225
|
0,02
|
0,9
|
64,50
|
58,05
|
0
|
1
|
0
|
|
Территория
|
246487,5
|
0,002
|
1
|
492,98
|
492,98
|
246,49
|
0,9
|
0,5
|
|
|
Наименование
цехов и групп ЭП
|
Кол-во ЭП n
|
Номинальная
мощность
|
m
|
Ки
|
cosf
|
tgf
|
Средняя
нагрузка
|
nэ
|
Км
|
Расчетная
мощность
|
Ip, A
|
|
|
Рmin/ Pmax кВт
|
∑Рн кВт
|
|
|
|
|
Рсм кВт
|
Qсм кВАр
|
|
|
Рр кВт
|
Qр, кВАр
|
Sр, кВА
|
|
|
|
|
|
|
|
|
|
|
|
|
|
|
|
|
|
|
1
|
2
|
2
|
3
|
44
|
5
|
6
|
7
|
8
|
9
|
10
|
11
|
12
|
13
|
14
|
15
|
|
1 Лесопильный цех
|
|
|
|
|
|
|
|
|
|
|
|
|
|
|
|
|
силовая
|
120
|
5-50
|
2000
|
>3
|
0,7
|
0,8
|
0,75
|
1400
|
1050
|
80
|
1,06
|
1484
|
1053
|
|
|
|
осветительная
|
|
|
|
|
|
|
|
68,4
|
34,2
|
|
|
68,4
|
34,2
|
|
|
|
Итого
|
|
|
|
|
|
|
|
1468,4
|
1084,2
|
|
|
1552,4
|
1087,2
|
1895,2
|
2879,5
|
|
2 Сушильный цех
|
|
|
|
|
|
|
|
|
|
|
|
|
|
|
|
|
силовая
|
225
|
1-55
|
3600
|
>3
|
0,3
|
0,65
|
1,17
|
1080
|
1262,6
|
131
|
1,08
|
1166,4
|
1262,7
|
|
|
|
осветительная
|
|
|
|
|
|
|
|
144,3
|
72,15
|
|
|
144,3
|
72,2
|
|
|
|
Итого
|
|
|
|
|
|
|
|
1224,3
|
1334,8
|
|
|
1310,7
|
1334,8
|
1870,7
|
2842,3
|
|
3 Механический
цех
|
|
|
|
|
|
|
|
|
|
|
|
|
|
|
|
|
силовая
|
130
|
2-45
|
2000
|
>3
|
0,3
|
0,65
|
1,17
|
600
|
701,5
|
89
|
1,1
|
660
|
701,5
|
|
|
|
осветительная
|
|
|
|
|
|
|
|
57,6
|
28,8
|
|
|
57,6
|
28,8
|
|
|
|
Итого
|
|
|
|
|
|
|
|
657,6
|
730,3
|
|
|
717,6
|
730,3
|
1023,9
|
1555,6
|
|
4 Заготовительный (раскройный)
|
|
|
|
|
|
|
|
|
|
|
|
|
|
|
|
|
силовая
|
44
|
1-85
|
1000
|
>3
|
0,3
|
0,65
|
1,17
|
300
|
350,74
|
24
|
1,28
|
384
|
350,74
|
|
|
|
осветительная
|
|
|
|
|
|
|
|
28,4
|
14,2
|
|
|
28,4
|
14,18
|
|
|
|
Итого
|
|
|
|
|
|
|
|
328,4
|
364,9
|
|
|
412,4
|
364,9
|
550,6
|
836,6
|
|
5 Столярный цех № 1
|
|
|
|
|
|
|
|
|
|
|
|
|
|
|
|
|
силовая
|
|
1-55
|
900
|
>3
|
0,3
|
0,7
|
1,02
|
270
|
275,46
|
33
|
1,24
|
334,8
|
275,46
|
|
|
|
осветительная
|
|
|
|
|
|
|
|
20,3
|
10,1
|
|
|
20,25
|
10,13
|
|
|
|
Итого
|
|
|
|
|
|
|
|
290,3
|
285,5
|
|
|
355,05
|
285,59
|
455,66
|
692,3
|
Таблица 2.2 - Расчет нагрузок по цехам завода тяжелого
машиностроения, U=0,4кВ
|
1
|
2
|
3
|
4
|
5
|
6
|
7
|
8
|
9
|
10
|
11
|
12
|
13
|
14
|
15
|
16
|
|
6 Столярный цех № 2
|
|
|
|
|
|
|
|
|
|
|
|
|
|
|
|
|
силовая
|
60
|
1-25
|
70
|
>3
|
0,2
|
0,6
|
1,33
|
54
|
72
|
22
|
1,4
|
75,6
|
72
|
|
|
|
осветительная
|
|
|
|
|
|
|
|
12,15
|
6,08
|
|
|
12,15
|
6,08
|
|
|
|
Итого
|
|
|
|
|
|
|
|
66,15
|
78,08
|
|
|
87,75
|
78,08
|
117,46
|
178,4
|
|
7 Мебельный цех
|
|
|
|
|
|
|
|
|
|
|
|
|
|
|
|
|
силовая
|
56
|
1-70
|
1600
|
>3
|
0,3
|
0,65
|
1,17
|
480
|
561,18
|
46
|
1,16
|
556,8
|
561,18
|
|
|
|
осветительная
|
|
|
|
|
|
|
|
108
|
54
|
|
|
108
|
54
|
|
|
|
Итого
|
|
|
|
|
|
|
|
588
|
615,18
|
|
|
664,8
|
615,18
|
905,76
|
1376,2
|
|
8 Материальный склад
|
|
|
|
|
|
|
|
|
|
|
|
|
|
|
|
|
силовая
|
8
|
1-20
|
70
|
>3
|
0,3
|
0,8
|
0,75
|
21
|
15,75
|
7
|
1,8
|
37,8
|
17,325
|
|
|
|
осветительная
|
|
|
|
|
|
|
|
21,45
|
0
|
|
|
21,45
|
0
|
|
|
|
Итого
|
|
|
|
|
|
|
|
42,45
|
15,75
|
|
|
59,25
|
17,325
|
61,73
|
93,8
|
|
9 Компрессорная
|
|
|
|
|
|
|
|
|
|
|
|
|
|
|
|
|
силовая
|
10
|
8-25
|
200
|
>3
|
0,6
|
0,7
|
1,02
|
120
|
122,42
|
10
|
1,26
|
141,6
|
122,42
|
|
|
|
осветительная
|
|
|
|
|
|
|
|
16,8
|
8,4
|
|
|
16,8
|
8,4
|
|
|
|
Итого
|
|
|
|
|
|
|
|
136,8
|
130,82
|
|
|
158,4
|
130,82
|
205,44
|
312,1
|
|
10 Биржа сырья
|
|
|
|
|
|
|
|
|
|
|
|
|
|
|
|
|
силовая
|
60
|
1-60
|
3000
|
>3
|
0,5
|
0,7
|
1,02
|
1500
|
1530,3
|
60
|
1,11
|
1620
|
1530,3
|
|
|
|
осветительная
|
|
|
|
|
|
|
|
171,6
|
85,8
|
|
|
171,6
|
85,8
|
|
|
|
Итого
|
|
|
|
|
|
|
|
1671,6
|
1616,1
|
|
|
1791,6
|
1616,1
|
2412,81
|
3665,9
|
|
11 Сборочный цех
|
|
|
|
|
|
|
|
|
|
|
|
|
|
|
|
|
силовая
|
100
|
2-50
|
2200
|
>3
|
0,3
|
0,65
|
1,17
|
660
|
88
|
1,1
|
726
|
771,63
|
|
|
|
осветительная
|
|
|
|
|
|
|
|
162,15
|
81,08
|
|
|
162,15
|
81,08
|
|
|
|
Итого
|
|
|
|
|
|
|
|
822,1
|
852,71
|
|
|
888,15
|
852,71
|
1231,23
|
1870,7
|
|
12 Цех прессованных плит
|
|
|
|
|
|
|
|
|
|
|
|
|
|
|
|
|
силовая
|
52
|
3-50
|
1600
|
>3
|
0,6
|
0,8
|
0,75
|
960
|
720
|
52
|
1,1
|
1046,4
|
720
|
|
|
|
осветительная
|
|
|
|
|
|
|
|
54
|
27
|
|
|
54
|
27
|
|
|
|
Итого
|
|
|
|
|
|
|
|
1014
|
747
|
|
|
1100,4
|
747
|
1330,00
|
2020,7
|
|
13
Заводоуправление
|
|
|
|
|
|
|
|
|
|
|
|
|
|
|
|
|
силовая
|
32
|
1-20
|
300
|
>3
|
0,4
|
0,7
|
1,02
|
120
|
122,4
|
30
|
1,19
|
142,8
|
122,42
|
|
|
|
осветительная
|
|
|
|
|
|
|
|
85,5
|
0
|
|
|
85,5
|
0
|
|
|
|
Итого
|
|
|
|
|
|
|
|
205,5
|
122,4
|
|
|
228,3
|
122,42
|
259,05
|
393,6
|
|
14 Электроремонтный цех
|
|
|
|
|
|
|
|
|
|
|
|
|
|
|
|
|
силовая
|
66
|
10-80
|
1800
|
>3
|
0,4
|
0,75
|
0,88
|
720
|
634,9
|
45
|
1,14
|
820,8
|
634,98
|
|
|
|
осветительная
|
|
|
|
|
|
|
|
76,8
|
38,4
|
|
|
76,8
|
38,4
|
|
|
|
Итого
|
|
|
|
|
|
|
|
796,8
|
673,38
|
|
|
897,6
|
673,38
|
1122,11
|
1704,9
|
|
15Насосная
|
|
|
|
|
|
|
|
|
|
|
|
|
|
|
|
|
силовая
|
10
|
50-100
|
800
|
<3
|
0,6
|
0,7
|
1,02
|
480
|
489,7
|
10
|
1,26
|
604,8
|
538,67
|
|
|
|
осветительная
|
|
|
|
|
|
|
|
15,23
|
0
|
|
|
15,23
|
0
|
|
|
|
Итого
|
|
|
|
|
|
|
|
495,2
|
489,7
|
|
|
620,03
|
538,67
|
821,34
|
1247,9
|
|
16 Гараж
|
|
|
|
|
|
|
|
|
|
|
|
|
|
|
|
|
силовая
|
25
|
1-120
|
1700
|
>3
|
0,2
|
0,7
|
1,02
|
340
|
346,87
|
25
|
1,34
|
455,6
|
346,87
|
|
|
|
осветительная
|
|
|
|
|
|
|
|
12
|
0
|
|
|
12
|
0
|
|
|
|
Итого
|
|
|
|
|
|
|
|
352
|
346,87
|
|
|
467,6
|
346,87
|
582,21
|
884,6
|
|
17 Столовая
|
|
|
|
|
|
|
|
|
|
|
|
|
|
|
|
|
осветительная
|
|
|
|
|
|
|
|
58,05
|
0
|
|
|
58,05
|
0
|
|
|
|
Итого
|
|
|
|
|
|
|
|
58,05
|
0
|
|
|
58,05
|
0
|
|
|
|
Освещение
территории
|
|
|
|
|
|
|
|
|
|
|
|
492,98
|
246,49
|
551,17
|
837,4
|
|
Итого на шинах
0,4 кВ
|
|
|
|
|
|
|
|
|
|
|
|
13173
|
10789,7
|
17093
|
25970,1
|
Данные для расчета:
Рp0,4 = 13173,41 кВт;p0,4 = 10789,69 кВАр;p0,4
= 17093,04 кВА.
Завод относится ко II
категории потребителей, завод работает в две смены, следовательно, коэффициент
загрузки трансформаторов Кзтр=0,8. Принимаем трансформатор мощностью
Sнт=1000 кВА.
Для каждойр технологически
концентрированной группы цеховых трансформаторов одинаковой мощности
минимальное их число, необходимое для питания наибольшей расчетной активной
нагрузки, рассчитывается по формуле [8]:
,
где
Рр 0,4 - суммарная расчетная активная нагрузка;
Кз
- коэффициент загрузки трансформатора;
Sнт - принятая номинальная мощность трансформатора;
DN - добавка до ближайшего целого числа.
Экономически целесообразное число трансформаторов определяется по
формуле:
N т..э = N min + m, (2.4)
где m - дополнительное число трансформаторов;
N т..э - определяется удельными затратами
на передачу реактивной мощности с учетом постоянных составляющих капитальных
затрат З*п/ст.
З*п/ст= 0,5; Кз = 0,8; N min = 17; DN = 0,53.
Тогда из справочника по кривым определяем m, для нашего случая m =1, значит:
N т..э = 17+1=18 трансформаторов
По выбранному числу трансформаторов определяют наибольшую реактивную
мощность Q1, кВАр, которую целесообразно передать через
трансформаторы в сеть напряжением до 1 кВ, определяется по формуле:
, (2.5)
Из условия баланса реактивной мощности на шинах 0,4 кВ определим величину
Qнбк 1, кВАр:
нбк 1+Q1=Qр 0,4, (2.6)нбк 1= Qр 0,4
- Q1=10789,69 - 5815,61= 4974,08 кВАр.
Дополнительная мощность Qнбк2 в большинстве случаев меньше 0,
то расчет ведется по первой составляющей Qнбк 1.
Определим мощность одной батареи конденсаторов, приходящуюся на каждый
трансформатор, кВАр:
(2.7)
Выбираем
батарею конденсатора НБК: УКБН-0,38-300-150У30.
На
основании расчетов, полученных в данном пункте, составляется таблица 2.3, в
которой показано распределение низковольтной нагрузки по цеховым ТП.
Распределим Qнбк по ТП пропорционально их мощностям.
Исходные данные:
Qр
0,4= 10789,69
кВАр;
Qнбк= 4974,08 кВАр.
Данные для ТП1, ТП2, ТП3:
Qр
ТП1,2,3=2807,4
кВАр;
Qр
нбк= х.
Расчетная реактивная мощность батарей конденсаторов, кВАр, определяется
по формуле:
, (2.8)
Таблица
2.3 - Распределение нагрузок цехов по ТП
|
№ ТП
|
Sнт, кВА
|
Qнбк, кВАр
|
№ цехов
|
Рр 0,4, кВт
|
Qр 0,4, кВАр
|
Sр 0,4,
|
Кз
|
|
ТП1 2×1000
|
2×(2×1000)+1×1000
|
5×300= 1500
|
1
|
1552,4
|
1087,2
|
кВА
|
|
|
ТП2 2×1000
|
|
|
1а
|
529,2
|
359,1
|
|
|
|
ТП3 1×1000
|
|
|
4
|
412,35
|
364,92
|
|
|
|
|
|
5
|
355,05
|
285,59
|
|
|
|
|
|
6
|
87,75
|
78,08
|
|
|
|
|
|
7
|
664,8
|
615,18
|
|
|
|
|
|
8
|
59,25
|
17,325
|
|
|
|
Итого
|
3660,8
|
2807,395
|
|
|
|
Qвбк
|
0
|
-1500
|
|
|
|
Итого'
|
3660,8
|
1307,395
|
3887,2
|
0,78
|
|
ТП4 2×1000
|
2×(2×1000)++1×1000
|
5×300=1500
|
2
|
1310,7
|
1334,81
|
|
|
|
ТП5 2×1000
|
|
|
13
|
228,3
|
122,42
|
|
|
|
ТП6 1×1000
|
|
|
3
|
717,6
|
730,28
|
|
|
|
|
|
9
|
158,4
|
130,82
|
|
|
|
|
|
14
|
897,6
|
673,38
|
|
|
|
|
|
осв.
|
492,98
|
246,49
|
|
|
|
Итого
|
3805,58
|
3238,2
|
|
|
|
Qвбк
|
0
|
-1500
|
|
|
|
Итого'
|
3805,58
|
1738,2
|
4183,7
|
0,84
|
|
ТП7 2×1000
|
2×1000++1×1000
|
3×300=900
|
11
|
888,15
|
852,71
|
|
|
|
ТП8 1×1000
|
|
|
16
|
467,6
|
346,87
|
|
|
|
|
|
17
|
839,25
|
642,73
|
|
|
|
Итого
|
2195
|
1842,31
|
|
|
|
Qвбк
|
0
|
-900
|
|
|
|
Итого'
|
2195
|
942,31
|
2388,7
|
0,8
|
|
ТП9 2×1000
|
2×(2×1000)++1×1000
|
5*300=1500
|
12
|
1100,4
|
747
|
|
|
|
ТП10 2×1000
|
|
|
10
|
1791,6
|
1616,11
|
|
|
|
ТП11
1×1000
|
|
|
15
|
620,03
|
538,67
|
|
|
|
Итого
|
3512,03
|
2901,78
|
|
|
|
Qвбк
|
0
|
-1500
|
|
|
|
Итого'
|
3512,03
|
1401,78
|
3781,4
|
0,76
|
Фактическая реактивная мощность, кВАр, равна:
Qф
ТП1,2,3=4x300+1х50 =1250 кВАр
Нескомпенсированная реактивная мощность, кВАр, определяется по формуле:
Qнеск= Qр ТП1 - Qф
ТП, (2.9)
Qнеск= Qр ТП1,2,3 - Qф
ТП1,2,3=
2807,4-1250=1557,4
Данные для ТП4, ТП5, ТП6:
Qр
ТП4,5,6=3238,2 кВАр,
Qр
нбк= х.
Расчетная реактивная мощность батарей конденсаторов:
кВАр
Фактическая
реактивная мощность:
Нескомпенсированная
мощность:
Qнеск= Qр ТП4,5,6
- Qф ТП4,5,6=
3238,2-1450=1788,2 кВАр
Данные
для ТП7, ТП8:
Qр ТП7,8,9= 1842,31 кВАр,
Qр нбк= х..
Расчетная
реактивная мощность батарей конденсаторов равна:
кВАр
Фактическая
реактивная мощность:
Qф ТП7,8=3x300=900 кВАр
Нескомпенсированная
реактивная мощность равна:
Qнеск= Qр ТП7,8,9
- Qф ТП7,8,9=
1842,31-900=942,31 кВАр
Данные
для ТП9, ТП10, ТП1:
Qр
ТП10,11,12= 2901,78 кВАр,
Qр нбк= х.
Расчетная
реактивная мощность батарей конденсаторов равна:
кВАр
Фактическая
реактивная мощность:
Qф
ТП10,11,12=4x300+1х100=1300
кВАр
Нескомпенсированная
реактивная мощность:
Qнеск= Qр ТП9,10,11
- Qф ТП9,10,11=
2901,78-1300=1601,78 кВАр
Уточненное
распределение Qнбк по ТП
сведем в таблицу 2.4
Таблица
2.4 - Уточненное распределение Qнбк по ТП
|
№ ТП
|
Qр тп, кВАр
|
Qр нбк,
кВАр
|
Qф.РП, ВАр
|
Qнеск., кВАр
|
|
ТП1,ТП2,ТП3
|
2807,40
|
1294,22
|
1250
|
1557,40
|
|
ТП4,ТП5,ТП6
|
3238,2
|
1492,82
|
1450
|
1788,2
|
|
ТП7,ТП8,
|
1842,31
|
849,31
|
900
|
942,31
|
|
ТП9,ТП10,ТП11
|
2901,78
|
1337,73
|
1300
|
1601,78
|
|
Итого
|
10789,69
|
4974,08
|
4900
|
5889,69
|
.4 Уточненный расчет электрических нагрузок по заводу
2.4.1 Определение потерь мощности в ЦТП
Для ЦТП выбираем трансформаторы ТМЗ-1000-6/0,4 с параметрами: Sн=1000 кВА, ΔPхх=2,45 кВт, ΔPкз=12,2 кВт , Iхх=1,4 %, Uкз=5,5 %.
Расчет потери мощности проводим по формулам:
ΔР=ΔРхх+к2з×ΔРкз кВт; (2.10)
кВАр, (2.11)
кВт, (2.12)
кВАр.
(2.13)
Результаты
расчетов сводим в таблицу 2.5
Таблица
2.5 - Потери мощности в ТП
|
ТП1,ТП2,ТП3
|
ТП4,ТП5,ТП6
|
ТП7,ТП8
|
ТП9,ТП10,ТП11
|
Итого
|
|
ΔPт, кВт
|
9,87
|
11,06
|
10,26
|
9,5
|
40,69
|
|
ΔQт, кВАр
|
47,46
|
52,81
|
49,2
|
45,77
|
195,24
|
|
∑Pт, кВт
|
49,35
|
55,3
|
51,3
|
47,5
|
203,45
|
|
∑Qт, кВАр
|
237,3
|
264,05
|
246
|
228,85
|
976,2
|
.4.2 Определение расчетной мощности синхронных двигателей
Используем СД для компенсации реактивной мощности на стороне ВН [9].
Данные СД:
Рн СД =1250 кВт;
cos j = 0,9;
NСД = 4;
Кз = b =
0,85.
Определим расчетные мощности для СД по формулам:
Р р СД = Р н СД ´NСД ´Кз =1250 ´ 4 ´ 0,85 = 4250 кВт,
Q р СД = Р р СД ´ tg j = 4250 ´ 0,48 =2040 кВАр.
2.4.3 Определение расчетной мощности ДСП
Дана ДСП-12М2, для нее выбираем трансформатор ЭТЦПК-2500/10-74У3, с
соединением звезда-треугольник 11 группа, ∆(Ү)/∆-0(11).
Данные трансформатора:
Sн=5 кВА;
cos φ=0,82;
Кз=0,6;
U1=10 кВ;
N=2.
Расчетные мощности ДСП определяем по формуле:
РрДСП=Sн∙cosφ∙N∙Кз=5000∙0,82∙2∙0,6=4920
кВт,
QрДСП= РрДСП ∙tgφ=4920∙0,7=3444 кВАр.
Потери в печных трансформаторах, с учетом, что ∆Ртр=2%
от Sн и ∆Qтр=10% от Sн, определяются по формулам:
∆РтрДСП=0,02∙5000=100 кВт; ∆QтрДСП=0,1∙5000=500 кВАр,
∑∆РтрДСП=2∙100=200 кВт; ∑∆QтрДСП=2∙500=1000 кВАр.
.4.4 Расчет компенсации реактивной мощности на шинах 10 кВ РП
Составим схему замещения, показанную на рисунке 2.2.
Рисунок 2.2 - Схема замещения реактивной нагрузки на шинах 10 кВ
Баланс реактивной мощности для шин 10 кВ ГПП, кВАр, определяется по
формулам:
∑Q=0,
∑Qпотр=∑Qист,
Qр0,4+∆Qтр+QрДСП+∆QтрДСП+Qрез-Qэ-QНБК -QСД-QВБК=0, (2.14)
∑Qр= Qр0,4+∆Qтр+QрДСП+∆QтрДСП=10789,69+976,2+3444+500=15710.
Резервная мощность, кВАр, определяется по формуле:
Qрез=0,1×ΣQр =0,1∙15710=1571
Мощность, поступающая от энергосистемы, кВАр, определяется по формуле:
Qэ=tgφэ×ΣPрзав=(0,23-0,25)×ΣPрзав (2.15)
Суммарная расчетная мощность завода, кВТ, определяется по формуле:
ΣPрзав=Рр0,4+∆Ртр+РрДСП+∆РтрДСП+РрСД=13173,41+203,45+4920+
+100+4250 =22647
Отсюда мощность, поступающая от энергосистемы, кВАр, равняется:
Qэ =0,23∙22647=5209
Мощность ВБК, кВАр, определим из условия баланса реактивной мощности:
QВБК=Qр0,4+∆Qтр+QрДСП+∆QтрДСП+Qрез-Qэ-QНБК-QСД= =10789,69+195,24+3444+
+500+1571-4974,08-5209-2040 = 4278
Т.к. расчетная реактивная мощность QрДСП=3444 кВАр, то мощность одной печи составит 1722 кВАр.
Принимаем для индивидуальной компенсации реактивной мощности ДСП батареи
конденсаторов мощностью 1500 кВАр. Выбираем 2×УКЛ(П)56М-6,3-1500 и 2×УКЛ(П)56М-6,3-600 на шины
Уточненный расчет электрических нагрузок по заводу приведен в таблице
2.6.
Таблица 2.6 - Уточненный расчет электрических нагрузок
|
№ ТП
|
№ цехов
|
Количество ЭП
|
Установленная мощность
|
Ки
|
Средняя нагрузка за
максимально загруженную смену
|
э
|
Км
|
Расчетная мощность
|
Кз
|
|
|
n
|
Рmin/Pmax кВт
|
Общая ∑Рн квт
|
|
Рсм кВт
|
Qсм кВАр
|
|
|
Рр, кВт
|
Qр, кВАр
|
Sр
|
|
|
ТП1,ТП2,ТП3
|
1
|
120
|
2-50
|
2000
|
|
400
|
1050
|
|
|
|
|
|
|
|
5*1000
|
1а
|
31
|
8-150
|
600
|
|
420
|
315
|
|
|
|
|
|
|
|
4
|
44
|
1-85
|
1000
|
|
300
|
350,74
|
|
|
|
|
|
|
|
5
|
56
|
2-55
|
900
|
|
270
|
275,46
|
|
|
|
|
|
|
|
6
|
33
|
1-25
|
270
|
|
54
|
72
|
|
|
|
|
|
|
|
8
|
8
|
1-20
|
70
|
|
21
|
15,75
|
|
|
|
|
|
|
|
7
|
56
|
1-70
|
1600
|
|
480
|
561,18
|
|
|
|
|
|
|
|
силовая
|
|
348
|
8-150
|
6440
|
0,46
|
2945
|
2640,13
|
86
|
1,1
|
3239,5
|
2640,13
|
|
|
|
осветительная
|
|
283,8
|
131,19
|
|
|
|
Qнбк
|
|
0
|
-1250
|
|
|
|
Итого
|
|
3523,3
|
1521,32
|
3837,7
|
0,77
|
|
ТП4,ТП5,ТП6
|
2
|
225
|
1-55
|
3600
|
|
1080
|
1262,66
|
|
|
|
|
|
|
|
5*1000
|
3
|
130
|
2-45
|
2000
|
|
600
|
701,48
|
|
|
|
|
|
|
|
9
|
10
|
8-25
|
200
|
|
120
|
122,42
|
|
|
|
|
|
|
|
13
|
32
|
1-20
|
300
|
|
120
|
122,42
|
|
|
|
|
|
|
|
14
|
66
|
10-80
|
1800
|
|
720
|
634,98
|
|
|
|
|
|
|
|
силовая
|
|
463
|
1-80
|
7900
|
0,33
|
2640
|
2843,96
|
198
|
1,09
|
877,6
|
2843,96
|
|
|
|
осветительная
|
|
381
|
182,1
|
|
|
|
|
|
|
|
|
|
|
|
освещение территории
|
|
|
|
|
|
|
|
|
|
492,98
|
246,49
|
|
|
|
Qнбк
|
|
|
|
|
|
|
|
|
|
0
|
-1450
|
|
|
|
Итого
|
|
|
|
|
|
|
|
|
|
3751,58
|
1576,06
|
4069,2
|
0,81
|
|
ТП7,ТП8
|
11
|
100
|
2-50
|
2200
|
|
660
|
771,63
|
|
|
|
|
|
|
|
3*1000
|
16
|
25
|
1-120
|
1700
|
|
340
|
346,87
|
|
|
|
|
|
|
|
17
|
32
|
1-160
|
2100
|
|
630
|
642,73
|
|
|
|
|
|
|
|
силовая
|
|
157
|
1-160
|
6000
|
0,27
|
1630
|
1761,23
|
75
|
1,16
|
1890,8
|
1761,23
|
|
|
|
осветительная
|
|
|
|
|
|
|
|
|
|
|
|
|
|
|
Qнбк
|
|
|
|
|
|
|
|
|
|
232,2
|
81,08
|
|
|
|
Итого
|
|
|
|
|
|
|
|
|
|
0
|
-900
|
|
|
|
|
|
|
|
|
|
|
|
|
2123
|
942,31
|
2322,7
|
0,77
|
|
ТП9,ТП10,ТП11
|
10
|
60
|
1-60
|
3000
|
|
1500
|
1530,31
|
|
|
|
|
|
|
|
5*1000
|
12
|
52
|
3-50
|
1600
|
|
960
|
720
|
|
|
|
|
|
|
|
15
|
10
|
50-100
|
800
|
|
480
|
489,7
|
|
|
|
|
|
|
|
силовая
|
|
122
|
1-100
|
5400
|
0,54
|
2940
|
2740,01
|
108
|
1,08
|
2740,01
|
|
|
|
осветительная
|
|
|
|
|
|
|
|
|
|
240,83
|
112,8
|
|
|
|
Qнбк
|
|
|
|
|
|
|
|
|
|
0
|
-1300
|
|
|
|
Итого
|
|
3416,03
|
1552,81
|
3752,4
|
|
|
|
|
|
|
|
|
0,75
|
|
Итого 0,4 кВ
|
|
12813,91
|
5592,5
|
|
|
|
|
|
|
|
|
|
|
|
∑Pт∑Qт
|
|
204,35
|
980,4
|
|
|
|
|
|
|
|
|
|
|
|
Итого нагрузка,приведенная
к шинам 6кВ
|
13018,2
|
6572,9
|
|
|
|
|
|
|
|
|
|
|
|
|
Нагрузка 10 кВ
|
|
Компрессорная
|
9
|
4
|
1250
|
5000
|
|
4250
|
-2040
|
|
|
|
|
|
|
|
Цех прессованных плит
|
10
|
2
|
5000
|
10000
|
|
4920
|
3444
|
|
|
|
|
|
|
|
трансформаторы ДСП
|
|
|
|
|
|
100
|
500
|
|
|
|
|
|
|
|
Qвбк
|
|
0
|
-4200
|
|
|
|
|
|
|
|
|
|
|
|
Всего по заводу
|
|
22188,2
|
3776,9
|
22507,4
|
|
|
|
|
|
|
|
|
|
3. Выбор схемы внешнего электроснабжения
При решении задач оптимизации промышленного электроснабжения возникает
необходимость сравнения большого количества вариантов [9].
Много вариантность задач промышленной энергетики обуславливает проведение
технико-экономического расчета, рцелью
которого является определение оптимального варианта схемы, параметров
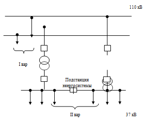
электросети и ее элементов. Схема питания завода представлена на рисунке 3.1.
Рисунок 3.1 - Схема питания завода от подстанций энергосистемы.
Для технико-экономического сравнения вариантов электроснабжения завода
рассмотрим два варианта:
I
вариант - ЛЭП 110 кВ,
II
вариант - ВЛ 37 кВ.
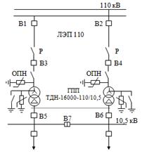
.1 I Вариант схемы внешнего электроснабжения завода (110 кВ)
Для данного варианта электрическая схема внешнего питания представлена на
рисунке 3.2.
Годовые приведенные затраты, у.е/год, определяются по формуле:
Зг=ЕК+И (3.1)
Капитальные затраты, у.е., определим по формуле:
КI=КВ1,В2+КЛЭП+КтрГПП+КВ3,В4+Краз+КОПН
(3.2)
Рисунок 3.2 - I вариант схемы электроснабжения
Годовые издержки производства, у.е., определим по формуле:
ИI=Иа+Ипот.эн+Иэкспл.
(3.3)
Выбираем электрооборудование по I варианту.
Выбираем трансформаторы ГПП. Полная расчетная мощность ГПП, кВА,
определяется по формуле:
Выбираем
два трансформатора мощностью 10000 кВА.
Коэффициент
загрузки определим по формуле:
Паспортные
данные трансформатора:
Тип
т -ра-ТДН -16000/110;
Sн, кВА-16000;
ΔPхх,
кВт-26;
ΔPкз,
кВт-85;
Uкз,%.-10,5;
Iхх,%- 0,85.
Потери
мощности в трансформаторах. Потери активной мощности, кВт, определяются по
формуле:
Потери
реактивной мощности, кВАр, определяются по формуле:
Потери
энергии в трансформаторах при двухсменном режиме работы составляют Твкл=4000ч
, Тмакс=3000ч. Тогда время максимальных потерь, ч, определяются по
формуле:
Потери
активной энергии в трансформаторах, кВтч, определяется по формуле:
ΔW=2(ΔPхх∙Tвкл+ΔPкз∙
τ ∙Kз2), (3.4)
ΔW=2(26∙4000+85∙1575∙0,712)=342972,78.
Расчет
ЛЭП-110 кВ.
Полная
мощность, проходящая по ЛЭП, кВА, определяется по формуле:
Расчетный
ток, проходящий по одной линии, А, вычисляется по формуле:
Ток
аварийного режима, А, находится по формуле: Iаb=2∙Iр=2∙57,6=115,2
По
экономической плотности тока определяем сечение проводов, мм2,
определяется по формуле:
где
j=1,1 - экономическая плотность тока при Тм=3000ч
и алюминиевых проводах, А/мм2.
Принимаем
провод АС -70 с Iдоп=265 А.
Проверим
выбранные провода по допустимому току:
а)
при расчетном токе: Iдоп=265
А>Iр=57,6 А;
б)
при аварийном режиме: Iдоп ав=1,3∙Iдоп=1,3∙265=344,5 A>Iав=115,2 A.
Окончательно
выбираем провод АС-70.
Определим
потери электроэнергии в ЛЭП110, кВтч, определим по формуле:
где
R=r0∙L=0,46∙5=2,3
Ом;
r0=0,46 Ом/км;
l=5 - длина
линии, км.
Выбор
выключателей, разъединителей и ОПН на U=110 кВ.
Перед
выбором аппаратов составим схему замещения (рисунок 3.3) и рассчитаем ток
короткого замыкания.
Рисунок
3.3 - Схема замещения для расчета токов к.з.
Найдем
параметры схемы замещения:
Sб=1000 МВА;
Uб=115 кВ;
Хс= 0,4 о.е.
Определим
токи и мощности короткого замыкания по формулам:
После расчета
токов произведем выбор оборудования.
Установим выключатель-разъединитель В1,В2,В3 и В4. Его параметры сведем в
таблицу 3.1.
Таблица 3.1 - Характеристики выключателя - разъединителя
|
Тип
|
LTB 145
|
HPL 170-245
|
HPL 362-420
|
HPL 550
|
|
Номинальное напряжение, кВ
|
110
|
160/220
|
330
|
500
|
|
Номинальный ток, А
|
3150
|
4000
|
4000
|
4000
|
|
Номинальный ток отключе-
ния, кА
|
40
|
50
|
63
|
63
|
|
Номинальная частота, Гц
|
50/60
|
50/50
|
50/60
|
50
|
ограничители перенапряжений: ОПНп-110/420/56-10 III УХЛ1.
Определим капитальные затраты для выбранного оборудования:
а) Затраты на выключатели - разъединители В1,В2,В3,В4:
КВ1÷В4=4×19,88= 79,532 тыс.у.е.
б) Затраты на ЛЭП на двухцепной
железобетонной опоре:
Куд=13500 у.е./км.
КЛЭП=L×Куд=5×13,5=67,5 тыс.у.е.
в) Затраты на трансформаторы ГПП:
Ктр ГПП=2×53=106 тыс.у.е.
г) Затраты на ОПНп:
КОПНп=2∙1,01 =2,02 тыс.у.е.
Суммарные затраты первого варианта, тыс. у.е, определяются по формуле:
КΣ1=КВ1-В4-разъед+КЛЭП +КОПНп+
Кт гпп, (3.5)
КΣ1=79,532 +67,5+106+2,02=255,02 тыс.у.е.
Суммарные издержки, тыс. у.е., рассчитываются по формуле:
SИI=Иа+Ипот+Иэ (3.6)
Амортизационные отчисления, тыс у.е., определяются по формуле:
Иа: Иа=Еа. К (3.7)
Для ВЛ-115 кВ на железобетонных опорах - Еа=0,028.
Для распредустройств и подстанций - Еа=0,063.
Рассчитаем издержки:
а) Издержки на эксплуатацию ЛЭП:
Иэкс ЛЭП=0,028×КЛЭП=0,028×67,5=1,89 тыс.у.е.
б) Амортизация ЛЭП:
Иа ЛЭП=0,028×КЛЭП=0,028×67,5=1,89 тыс.у.е.
в) Издержки на эксплуатацию оборудования:
Иэкс об=0,03×Коб=5,41 тыс.у.е.
г) Амортизация оборудования:
Иа об=0,063×Коб=11,36 тыс.у.е.
д) Определим издержки на потери электроэнергии, с учетом, что стоимость
потерь электроэнергии Со=0,08 тг/кВт. ч:
Ипот.=Сo×( Wтргпп+ Wлэп)=0,08×(342973+72161,6)=33,21 тыс.y.e.
Суммарные издержки:
ИΣ1=Иа+Ипот+Иэ=11,36+1,89+5,41+1,89+33,21=53,76 тыс. у.е.,
ИΣ1=53,76 тыс.y.e.
Приведенные суммарные затраты являющиеся мерой стоимости, определяются по
выражению:
ЗI=0,12×КΣ1+ ИΣ1=0,12×247,77+53,76=83,49 тыс.у.е.,
где Е=0,12-нормативный коэффициент эффективности капиталовложе - ний ЗI, тыс. у.е.
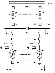
3.2 II Вариант схемы внешнего электроснабжения завода (37 кВ)
Для данного варианта электрическая схема внешнего питания представлена на
рисунке 3.4.
Выбираем электрооборудование по II варианту.
Выбираем трансформаторы ГПП:
Паспортные данные трансформатора:
Тип т -ра-ТДН -16000/37/10,5;
Sн, кВА-16000;
ΔPхх, кВт-21;
ΔPкз, кВт-90;
Uкз,%-8;
Iхх,%-0,75.
Потери мощности в трансформаторах. Потери активной мощности, кВт,
определяются по формуле:
Рисунок 3.4 - Второй вариант схемы электроснабжения
Потери реактивной мощности, кВАр, определяются по формуле:
Потери
энергии в трансформаторах при двухсменном режиме работы составляют Твкл=4000ч
, Тмакс=3000ч. Тогда время максимальных потерь, ч, определяются по
формуле:
Потери
активной энергии в трансформаторах, кВтч, определяется по формуле (3.4):
ΔW=2(21∙4000+90∙1575∙0,712)=3109,12
кВтч.
Расчет
ЛЭП-35 кВ. Полная мощность, проходящая по ЛЭП, кВА, определяется по формуле:
Расчетный
ток, проходящий по одной линии, А, вычисляется по формуле:
Ток
аварийного режима, А, находится по формуле:
Iаb=2×Iр=2×179=358А.
По
экономической плотности тока определяем сечение проводов, мм2,
определяется по формуле:
мм2,
где j=1,1 А/мм2 экономическая
плотность тока при Тм=3000ч.
Принимаем
провод АС-150, где r0=0,21
Ом/км, х0= 0,35 Ом/км и Iдоп = 445 А .
Проверим
по допустимому току в нормальном режиме:
а)
при расчетном токе: Iдоп=445А>Iр=179 А;
б)
при аварийном режиме: Iдоп ав=1,3∙Iдоп=1,3∙445=578,5 A>Iав=358 A.
Определим
потери электроэнергии в ЛЭП-37кВ, кВтч, определим по формуле:
где
R=1,05 Ом/км;
l= 5 - длина
линии, км.
Выбираем
трансформаторы энергосистемы:
Тип
т -ра: ТДTН - 40000/110;
Sн, кВА-40000;
Uвн, кВ-115;
Uнн, кВ-38,5;
ΔPхх,
кВт-43;
ΔPкз,
кВт-200;
Uкз,%-10,5;
Iхх,% 0,6.
Определим
γ1-коэффициент
долевого участия завода в мощности трансформатора
системы по формуле:
Выбор выключателей,
разъединителей и ОПН на стороне U=37 кВ.
Перед
выбором аппаратов составим схему замещения, как показано на рисунке 3.5 и
рассчитаем ток короткого замыкания в о.е.
Рисунок 3.5 - Схема замещения для расчета токов к.з.
Найдем параметры схемы замещения:
Sб=1000 МВА;
Uб=37 кВ.
Определим
токи и мощности короткого замыкания по формулам:
Выбираем
В1, В2 по аварийному току трансформаторов системы, рассчитанному по формулам:
Выбираем
выключатели типа BМУЭ-35Б-25/1250УХЛ1.Его параметры сведем в таблицу
3.2.
Коэффициент
долевого участия завода в стоимости выключателей В1 и В2 определяется по
формуле:
Таблица
3.2 - Параметры выключателя
|
Паспортные данные
|
Расчетные данные
|
Условия выбора
|
|
Uн= 37кВ Iн=1250 А Iоткл= 25 кА Iдин= 64 кА
|
Uр= 37 кВ
Iавтр сист=1249,8
А Iк1= 5,16
кА Iуд1=13,1
кА
|
Uн³Uр Iн³ Iртр сист Iоткл³ Iк1 Iдин³ iуд1
|
Найдем ток, проходящий через выключатель В3:
IВ3= IАВ/2 =179,39 А
Принимаем выключатель BМУЭ-35Б-25/1250УХЛ1.
Его параметры сведем в таблицу 3.3.
Таблица 3.3 - Параметры выключателя
|
Паспортные данныеРасчетные
данныеУсловия выбора
|
|
|
|
Uн=37 кВ Iн= 1250А Iоткл=25 кА Iдин= 64 кА
|
Uр= 37 кВ
Iавтр сист=624,9
А Iк1=5,1
кА iуд1=13,1
кА
|
Uн³Uр Iн³ Iртр сист Iоткл³ Iк1 Iдин³ iуд1
|
Коэффициент долевого участия завода в стоимости выключателя В3,
определяется по формуле:
g3=
Выключатели В4-В5 выбираем как
выключатель-разъеденитель. Его параметры сведем в таблицу 3.4.
Таблица
3.4 - Характеристики выключателя - разъединителя
|
Тип
|
LTB 72.5
|
|
Номинальное напряжение, кВ
|
35
|
|
Номинальный ток, А
|
3150
|
|
Номинальный ток отключе-
ния, кА
|
40
|
|
Номинальная частота, Гц
|
50/60
|
Выключатели В6-В7 выбираем по аварийному току завода:
Iав.завода=358,8 А
Принимаем выключатель С-35М-630-10У1 с параметрами сведенными в таблицу
3.5.
Таблица 3.5 - Параметры выключателя
|
Паспортные данные
|
Расчетные данные
|
Условия выбора
|
|
Uн= 37кВ Iн= 630А Iоткл= 10кА Iдин= 64кА
|
Uр=37 кВ Iавтр
сист= 358,8 А Iк1= 5,16 кА iуд1= 13,1 кА
|
Uн³Uр Iн³ Iртр сист Iоткл³ Iк1 Iдин³ iуд1
|
Принимаем ОПНп-35/400/40,5-10УХЛ.1
Определим капитальные затраты для выбранного оборудования:
а) Затраты на трансформатор ГПП:
Ктр ГПП = 2×37 = 74 тыс.у.е
б) Затраты на трансформаторы системы:
в) Затраты на выключатели В1 и В2:
КВ1,В2 = γ2∙2∙КВ = 2∙0,29∙3,17
=1,82 тыс.у.е.
г) Затраты на выключател В3:
КВ3= γ3∙КВ = 0,28∙5,54 = 1,58 тыс.у.е.
д)Затраты на выключатели:
КВ4,В5+ разъед. = 4×КВ = 4×7,61 = 30,44 тыс.у.е.
е) Затраты на ЛЭП-37 кВ на двухцепной
железобетонной опоре:
Клэп = 5∙15,2 = 76 тыс.у.е.
ж) Затраты на ОПНп:
КОПНп = 2×КОПНп = 2∙0,03 = 0,06 тыс.у.е.
Суммарные затраты на оборудование для II варианта, определяются по формуле:
КΣ2= Ктр ГПП +КЛЭП 10+КВ4,В5+разъед.
+Ктр.сис∙γ1+ КВ1,В2∙γ2+КВ3∙γ3 +КОПНп
КΣ2 = 300,86 тыс.у.е.
Определим издержки:
а) Издержки на эксплуатацию оборудования:
Иэкс об = 0,03∙Коб = 6,75 тыс.у.е.,
б) Амортизация оборудования:
Иа об = 0,063∙Коб = 14,17 тыс.у.е.
в) Издержки на эксплуатацию ЛЭП:
Иэкс ЛЭП = 0,028∙КЛЭП = 2,13 тыс.у.е.
г) Амортизация ЛЭП:
Иа ЛЭП = 0,028∙КЛЭП = 2,13 тыс.у.е.
д) Определим издержки на потери электроэнергии, с учетом, что стоимость
потерь электроэнергии Со=0,08 тг/кВт. ч:
Ипот.= Сo×(WЛЭП10+ΔW) = 0,08×(310912+319563) = 50,42 тыс.y.e.
Суммарные издержки:
ИΣ2=Иа+Ипот+Иэ=6,75+14,17+2,13+2,13=75,6
тыс. у.е.
Приведенные суммарные затраты:
З=0,12∙КΣ2+ ИΣ2=111,7 тыс.у.е.
Составим сводную таблицу 3.6 по всем вариантам.
Таблица 3.6 - Результаты ТЭР
|
Вариант
|
Uном ,кВ
|
КΣ т.у.е
|
ИΣ т.у.е
|
З т.у.е
|
|
I
|
110
|
247,77
|
53,76
|
83,49
|
|
II
|
37
|
300,86
|
75,6
|
111,7
|
Вывод: проходит I
вариант по
минимальным годовым потерям в трансформаторе и ЛЭП.
4. Выбор оборудования напряжением 10 кВ
4.1 Расчет токов короткого замыкания на шинах РП
Составим схему замещения для расчета токов к.з., как показано на рисунке
4.1.
Найдем параметры схемы замещения:
Sб=1000 МВА;
Uб=10,5 кВ;
Xс= 0,4 о.е..

Ток короткого замыкания определяется по формуле:
В компрессорной установлено 4 синхронных двигателя типа СДН 14-56-10УЗ со
следующими характеристиками:
Выбираем
кабель к СД по экономической плотности тока:
Fэ =
Принимаем
кабель ААШв-10-(3×50),
Расчет
минимального сечения кабеля по току к.з. по формуле:
Окончательно
принимаем кабель ААШв-10-(3
70), где Iдоп=165 А, x0 = 0,09
Ом/км, r0 = 0,625
Ом/км, l=30м=0,03км.
Сопротивление
кабельной линии, питающей СД, определяется по формуле:
Ток
КЗ от СД, определяется по формулам:
Суммарный
ударный ток, определяется по формуле:
Мощность
КЗ, определяется по формуле:
4.2 Выбор аппаратуры на напряжение 10 кВ (РП)
Выбор вводных выключателей В1÷В2.
Определим расчетную мощность по формуле:
Sр =
кВА
Расчетный
ток определяется по формуле:
Iр=
Аварийный
ток определяется по формуле:
Iа=2×Iр=2×627=1254 А
Принимаем
выключатель BB/TEL-10-1600-25УЗ.
Проверим
выбранный выключатель, результаты сведем в таблицу 4.1.
Выбор
секционного выключателя В3.
Через
секционный выключатель проходит половина мощности, проходящей через вводные
выключатели. Следовательно, аварийный ток, проходящий через выключатель: IАВ=627A.
Принимаем
выключатель BB/TEL-10-630-25УЗ.
Таблица
4.1 - Выбор выключателя BB/TEL-10-1600-25УЗ
|
Паспортные данные
|
Расчетные данные
|
Uн=10 кВ Iн=1600 A Iоткл=25 кА Iпред скв = 52
кА
Sкз=432,5 МВ∙АU=10 кВ
IАВ=1254 А
Iкз=10,4 кА
IУД
= 26,4 кА
Проверим выбранный выключатель. Результаты расчета внесем в таблицу 4.2.
Таблица 4.2 - Выбор выключателя BB/TEL-10-630-25УЗ
|
Паспортные данные
|
Расчетные данные
|
Uн=10 кВ Iн=630A Iоткл=25 кА Iпред скв =52
кА
Sкз=432,5 МВ∙АU=10 кВ
IАВ=627 А
Iкз=10,4 кА
IУД
= 26,4 кА
Выбор выключателей отходящих линий:
1) Магистраль ГПП-ТП 1-ТП-2-ТП-3.
(4.1)
Расчетный
ток:
Аварийный
ток:
Ip=Ia/2=107,7 A
Принимаем
выключатель BB/TEL-10-630-12,5У2.
Проверим
выбранный выключатель (см. таблица 4.3).
Таблица
4.3 - Выбор выключателя
Uн=10 кВ Iн=630A Iоткл=12,5 кА Iскв=25,5 кА
U=10 кВ
Iав=215,4 А
Iкз=10,4 кА
Iy=26,4 кА
|
|
|
|
Привод ПЭ
|
2) ГПП-ТП4-ТП5-ТП6.
(4.2)
Принимаем
выключатель BB/TEL-10-630-12,5У2.
Проверим
выбранный выключатель (см. таблица 4.4).
Таблица
4.4 - Выбор выключателя
Uн=10 кВ Iн=630A Iоткл=12,5 кА Iскв=25,5 кА
U=10 кВ
Iав=225,4 А
Iкз=10,4 кА
Iy=26,4 кА
|
|
|
|
Привод ПЭ
|
3) Магистраль РП-ТП7-ТП8.
.
Принимаем
выключатель BB/TEL-10-630-12,5У2.
Проверим
выбранный выключатель, значения сведем в таблицу 4.5.
Таблица
4.5 - Выбор выключателя
Uн=10 кВ Iн=630A Iоткл=12,5 кА Iскв=25,5 кА
U=10 кВ
Iав=140 А
Iкз=10,4 кА
Iy=26,4 кА
|
|
|
|
Привод ПЭ
|
4) Магистраль РП-ТП9-ТП10-ТП11.
(4.3)
Принимаем
выключатель BB/TEL-10-630-12,5У2.
Проверим
выбранный выключатель, значения сведем в таблицу 4.6.
Таблица
4.6 - Выбор выключателя
Uн=10 кВ Iн=630A Iоткл=12,5 кА Iскв=25,5 кА
U=10 кВ
Iав=212 А
Iкз=10,4 кА
Iy=26,4 кА
|
|
|
|
Привод ПЭ
|
5) Выключатели РП-СД.
,
Принимаем
выключатель BB/TEL-10-630-12,5У2.
Проверим
выбранный выключатель, значения сведем в таблица 4.7.
Таблица
4.7 - Выбор выключателя
Uн=10 кВ Iн=630A Iоткл=12,5 кА Iскв=25,5 кА
U=10 кВ
Iав=65 А
Iкз=10,4 кА
Iy=26,4 кА
|
|
|
|
Привод ПЭ
|
6) Выключатели к ДСП.
РрДСП=SН∙КЗ∙cosφ=5000∙0,85∙0,7=2975 кВт,
QрДСП=РрДСП∙tgφ=2975∙0.62=1844,5 кВАр,
QВБК=1350 кВАр.
(4.4)
Принимаем
выключатель BB/TEL-10-630-12,5У2.
Проверим
выбранный выключатель, значения сведем в таблицу 4.8.
Таблица
4.8 - Выбор выключателя
Uн=10 кВ Iн=630A Iоткл=12,5 кА Iскв=25,5 кА
U=10 кВ
Iав=178 А
Iкз=10,4 кА
Iy=26,4 кА
|
|
|
|
Привод ПЭ
|
8) Выключатели
РУ-ВБК.
,
Принимаем
выключатель BB/TEL-10-630-12,5У2.
Проверим
выбранный выключатель, значения сведем в таблицу 4.9.
Таблица
4.9 - Выбор выключателя
Uн=10 кВ Iн=630A Iоткл=12,5 кА Iскв=25,5 кА
U=10 кВ
Iав=33 А
Iкз=10,4 кА
Iy=26,4 кА
|
|
|
|
Привод ПЭ
|
Выбор трансформаторов тока.
Условия выбора ТТ:
-
по напряжению установки: Uном тт
Uном уст-ки;
по
току: Iном тт
Iрасч;
по
электродинамической стойкости;
по
вторичной нагрузки: Sн2
Sнагр расч;
по
термической стойкости: Iт2tт>Bк;
по
конструкции и классу точности.
Трансформаторы
тока ввода.
На
вводах к шинам первой и второй секции и на секционном выключателе примем
трансформатор тока ТЛ-6 У3 (Iн = 1500
А; Sн =30 ВА, Uн=6 кВ, Iдин=81 кА,
Iдоп .терм.ст.=31,5
кА, tдоп=4 с).
Приведем
нагрузку трансформатора тока, значения сведем в таблицу 4.10.
Таблица
4.10 - Нагрузка трансформатора тока
|
Прибор
|
Тип
|
Фаза А, ВА
|
Фаза В, ВА
|
Фаза С, ВА
|
|
A
|
Э-350
|
0,5
|
0,5
|
0,5
|
|
W
|
Д-365
|
0,5
|
-
|
0,5
|
|
Var
|
И-395
|
0,5
|
-
|
0,5
|
|
Wh
|
САЗ-И681
|
2,5
|
2,5
|
2,5
|
|
Varh
|
СРУ-И689
|
2,5
|
2,5
|
2,5
|
|
Итого
|
6,5
|
5,5
|
6,5
|
Сопротивление приборов определяется по формуле:
где
Sприб. -
мощность, потребляемая приборами, кВА; I2 - вторичный номинальный ток прибора, А.
Допустимое
сопротивление проводов, определяется по формуле:
Принимаем
провод АКРТВ F=2,5 мм2.
R2 = Rприб + Rпров + Rк-тов =
0,26 + 0,056 + 0,1 = 0,416 Ом,
S2 = R2 •
= 0,416 ´
52 = 10,4 ВА.
Условия
проверки трансформатора тока сведем в таблицу 4.11.
Таблиц
4.11 - Условия проверки ТТ ТЛ-6У3
|
Расчетные величины
|
По каталогу
|
|
Uн=10 кВ
|
Uн=10 кВ
|
|
Iав=1239
А
|
Iн=1500 А
|
|
iуд=26,4
кА S2 р=10,4
ВА
|
Iдин= 81
кА S2 р=10,4
ВА
|
Трансформатор тока на линии ГПП-ТП1-ТП2-ТП3.
Выберем нагрузку трансформаторов тока по таблице 4.12.
Сопротивление приборов определяется по формуле:
Таблица 4.12 -Нагрузка трансформатора тока
|
Прибор
|
Тип
|
А, ВА
|
В,ВА
|
С, ВА
|
|
A
|
Э-350
|
0,5
|
0,5
|
0,5
|
|
Wh
|
САЗ-И681
|
2,5
|
2,5
|
2,5
|
|
Varh
|
СР4-И689
|
2,5
|
2,5
|
2,5
|
|
W
|
Д-355
|
0,5
|
-
|
0,5
|
|
Var
|
Д-345
|
0,5
|
-
|
0,5
|
|
Итого
|
|
6,5
|
5,5
|
6,5
|
,
где
Sприб. -
мощность, потребляемая приборами, кВА;
I2 - вторичный номинальный ток прибора, А.
Допустимое
сопротивление проводов:
Принимаем
провод АКР ТВ F=2,5мм2, тогда:
S2=R2´
=0,42´52=10,5 ВА,
R2=Rприб+Rпров+Rк-тов=0.26+0,056+0,1=0,42
Ом.
Примем
трансформатор тока ТПЛК-10У3, его данные сведем в таблицу 4.13.
Таблица
4.13 - Расчет трансформатор тока ТПЛК-6У3
|
Расчетные величины
|
По каталогу
|
|
Uн=10 кВ
|
Uн=10 кВ
|
|
Iав=215,4
А
|
Iн=1000А
|
|
S2 р=10,5
ВА
|
S2 н=20
ВА
|
|
iуд=26,4
кА
|
Iдин= 81
кА
|
Выбор трансформаторов тока на СД. Значения нагрузки трансформатора тока
сведем в таблицу 4.14.
Таблица 4.14 - Нагрузка трансформатора тока
|
Прибор
|
Тип
|
А, ВА
|
В, ВА
|
С, ВА
|
|
Aмперметр
|
Э-350
|
0,5
|
0,5
|
0,5
|
|
Aмперметр
|
Э-350
|
0,5
|
0,5
|
0,5
|
|
Aмперметр
|
Э-350
|
0,5
|
0,5
|
0,5
|
|
Эл.счетчик
|
САЗ-И681
|
2,5
|
2,5
|
2,5
|
|
Эл.счетчик
|
СР4-И689
|
2,5
|
2,5
|
2,5
|
|
W
|
Д-355
|
0,5
|
-
|
0,5
|
|
Var
|
Д-345
|
0,5
|
-
|
0,5
|
|
Итого
|
|
7,5
|
6,5
|
7,5
|

Принимаем
провод АКРТВ с сечением F=2,5 мм2.
S2=R2´
=0,456´52=11,4 ВА,
R2=Rприб+Rпров+Rк-тов=0,3+0,056+0,1=0,456
Ом.
Примем
ТПЛК-10У3 с расчетными данными сведенными в таблицу 4.15.
Таблица
4.15 - Расчетные величины
|
Расчетные величины
|
По каталогу
|
|
Uн=10 кВ
|
Uн=10 кВ
|
|
Iр=65 А
|
Iн=100А
|
|
S2 р=11,4
ВА
|
S2 н=20
ВА
|
Трансформаторы на остальные элементы СЭС:
на линии к ТП4-ТП5-ТП6: ТПЛК-10У3;
на линии к ТП7-ТП8: ТПЛК-10У3;
на линии к ТП9-ТП10-ТП11: ТПЛК-10У3.
Для всех элементов СЭС ТА: ТЗЛН-10.
Выбор трансформаторов напряжения.
Трансформаторы напряжения выбираются по следующим условиям:
-
по напряжению установки: Uном
Uуст;
по
вторичной нагрузки: Sном2
S2расч;
по
классу точности;
по
конструкции и схеме соединения.
Нагрузка
трансформатора напряжения сведем в таблицу 4.16.
Таблица
4.16 - Нагрузка трансформатора напряжения
|
Прибор
|
Тип
|
Sоб-ки ,
ВА
|
Число об-к
|
cos
|
sin
|
Число приборов
|
РСУМ , Вт
|
QСУМ ,
вар
|
|
V
|
Э-335
|
2
|
2
|
1
|
0
|
1
|
4
|
-
|
|
W
|
Д-335
|
1,5
|
2
|
1
|
0
|
1
|
3
|
-
|
|
Var
|
И-335
|
1,5
|
2
|
1
|
0
|
1
|
3
|
-
|
|
Wh
|
СА3-И681
|
3 Вт
|
2
|
0,38
|
0,925
|
10
|
60
|
145,8
|
|
Varh
|
СР4-И689
|
3 вар
|
2
|
0,38
|
0,925
|
10
|
60
|
145,8
|
|
Итого
|
|
|
|
|
|
|
120
|
291,6
|
Расчетная вторичная нагрузка:
Принимаем трансформатор напряжения типа НТМК - 10- 66 У3 (таблица 4.17)
Таблица 4.17 - Данные трансформатор напряжения типа НТМК
|
Uн т=10
кВ
|
Uн т=10
кВ
|
|
Sн 2=315,33
кВА
|
Sр 2=193,5
ВА
|
|
Схема соединения обмоток
|
Выключатели
нагрузки к цеховым трансформаторам. Расчёт токов, проходящих по кабелям,
приведён ниже.
Токи, проходящие по линиям к цеховым подстанциям:
ТП1: Iав = 215,4 А ; ТП7: Iав = 133 А ;
ТП2: Iав = 107,7 А ; ТП8: Iав = 66,5 А ;
ТП3: Iав = 53,85 А ; ТП9: Iав = 212 А ;
ТП4: Iав = 233 А ; ТП10: Iав = 106 А ;
ТП5: Iав = 116,5 А ; ТП11:Iав = 53 А .
ТП6: Iав = 58,3 А ;
Для всех трансформаторов принимаем выключатель нагрузки типа ВНПу - 10 /
400 -10У3, его данные сведем в таблицу 4.18.
Выбор шин ГПП. Сечение шин выбирают по длительно допустимому току и
экономической целесообразности. Проверку шин производят на электродинамическую
и термическую стойкость к токам КЗ.
Выбираем твердотянутые алюминиевые шины прямоугольного сечения марки
АТ-80´6; Iдоп=1625 А (одна полоса на фазу, Iав=215,4 А; iуд=21,9 кА):
а) Iдоп ³ Iав;
Таблица 4.18 - Данные по выключателю нагрузки
|
Паспортные данные UH = 10 кВ
|
Расчётные данные UP = 10 кВ
|
|
IH =
400 A Iскв = 25 кА
|
Iав = 53
А - 233 A iуд=21,9 кА
|
б) проверка по термической стойкости к Iкз:
Fmin=a´Iкз´
=12×8,63×1=103,56 < 480 мм2;
в)
проверка по динамической стойкости к iуд кз : sдоп=700
кгс/см2:
W = 0,167´b´h2 = 4,8 см3,
где
L=80 см-расстояние между изоляторами;
а=60
см-расстояние между фазами;
b=0,8 см-толщина
одной полосы;
h=6 см-ширина
(высота) шины.
Из
условия видно, что шины динамически устойчивы.
Выбор
изоляторов. р Жесткие шины крепятся на опорных
изоляторах, выбор которых производится по следующим условиям:
- по номинальному напряжению:Uном ³ Uуст;
по допустимой нагрузке: Fдоп ³ Fрасч.
Выбираем
изолятор типа ОНШ-6-500У1 (Fразруш =500
кгс).
Fдоп = 0,6´Fразруш =
0,6 ´ 500 =300 кгс. (> 110,6 кгс),
условие
выполняется.
Выбор силовых
кабелей отходящих линий от шин ГПП и между ТП.
Выбор кабелей производится по следующим условиям:
-
по экономической плотности тока:
- по минимальному сечению Fmin =a´Iкз´Ötп;
по
условию нагрева рабочим током Iдоп каб
Iр;
по
аварийному режиму Iдоп
ав
Iав;
по
потере напряжения DUдоп
DUрас.
ГПП-ТП 1:
Sр=3913 кВА, Iав=215,4 А, Iр=Iав/2=107,7 А.
.
Принимаем
кабель ААШв-10-(3х95) с Iдоп=205 А.
Iдоп=205 А>Ip=107,7
A.
1.3×Iдоп=266,5 А>Iав=215,4
A.
ТП 1-ТП2:
Sр=1956,5 кВА, Iав=107,7А, Iр=Iав/2=53,85 А.
.
Принимаем
кабель ААШв-10-(3х95) с Iдоп=205 А.
Iдоп=205 А>Ip=53,85
A.
,3×Iдоп=266,5
А>Iав=107,7 A.
ТП2-ТП3:
Sр=978,25 кВА, Iав=53,85 А, Iр=Iав/2=53,85/2=27А.
.
Принимаем
кабель ААШв-10-(3х95) с Iдоп=205 А.
Iдоп=205 А>Ip=27
A.
1.3×Iдоп=266,5 А>Iав=53,85
A.
Все
расчетные данные выбора кабелей занесены в таблицу 4.19
Таблица 4.19 - Кабельный журнал
|
Наименование
участка
|
Sр,
кВА
|
Кол-во кабелей
в траншее
|
По
экономической плотности тока
|
По току
короткого замыкания
|
По условию
нагрева рабочим током
|
По аварийному
режиму
|
По допустимой
нагрузке, мм2
|
Выбранный
кабель
|
Iдоп,
A
|
|
|
|
jэ
|
Fэ,
мм2
|
Iк,
кA
|
S, мм2
|
Iдоп каб, A
|
Iр, A
|
1,3Iдоп, А
|
Iав,
A
|
Кп
|
Fдоп,
мм
|
|
|
|
ГПП-ТП1
|
4650,2
|
4
|
1,4
|
91,3
|
10,4
|
78,9
|
205
|
127,8
|
266,5
|
255,7
|
0,8
|
95
|
ААШв-10-(3x95)
|
205
|
|
|
|
|
|
|
|
|
|
|
|
|
|
|
|
|
ГПП-ТП4
|
5046,9
|
4
|
1,4
|
99,1
|
10,4
|
78,9
|
205
|
138,8
|
266,5
|
277,5
|
0,8
|
95
|
ААШв-10-(3x95)
|
205
|
|
ГПП-ТП7
|
2905,3
|
4
|
1,4
|
57,1
|
10,4
|
78,9
|
165
|
79,9
|
214,5
|
159,8
|
0,8
|
50
|
ААШв-10-(3x70)
|
165
|
|
ГПП-ТП9
|
4635,0
|
4
|
1,4
|
91,0
|
10,4
|
78,9
|
205
|
127,4
|
266,5
|
254,9
|
0,8
|
95
|
ААШв-10-(3x95)
|
205
|
|
ТП1-ТП2
|
2325,1
|
2
|
1,4
|
45,7
|
10,4
|
78,9
|
165
|
63,9
|
214,5
|
127,8
|
0,9
|
50
|
ААШв-10-(3x70)
|
165
|
|
ТП2-ТП3
|
1162,5
|
1
|
1,4
|
22,8
|
10,4
|
78,9
|
165
|
32,0
|
214,5
|
63,9
|
1
|
25
|
ААШв-10-(3x70)
|
165
|
|
ТП4-ТП5
|
2523,4
|
2
|
1,4
|
49,6
|
10,4
|
78,9
|
165
|
69,4
|
214,5
|
138,8
|
0,9
|
50
|
ААШв-10-(3x70)
|
165
|
|
ТП5-ТП6
|
1261,7
|
1
|
1,4
|
24,8
|
10,4
|
78,9
|
165
|
34,7
|
214,5
|
69,4
|
1
|
25
|
ААШв-10-(3x70)
|
165
|
|
ТП7-ТП8
|
1452,7
|
2
|
1,4
|
28,5
|
10,4
|
78,9
|
165
|
39,9
|
214,5
|
79,9
|
0,9
|
25
|
ААШв-10-(3x70)
|
165
|
|
ТП9-ТП10
|
2317,5
|
2
|
1,4
|
45,5
|
10,4
|
78,9
|
165
|
63,7
|
214,5
|
127,4
|
0,9
|
50
|
ААШв-10-(3x70)
|
165
|
|
ТП10-ТП11
|
1158,7
|
1
|
1,4
|
22,8
|
10,4
|
78,9
|
165
|
31,9
|
214,5
|
63,7
|
1
|
25
|
ААШв-10-(3x70)
|
165
|
|
ГПП-СД
|
1389,0
|
1
|
1,4
|
23,2
|
10,4
|
78,9
|
165
|
214,5
|
65,0
|
1
|
25
|
ААШв-10-(3x70)
|
165
|
|
ГПП-ДСП
|
3232,0
|
1
|
1,4
|
63,6
|
10,4
|
78,9
|
205
|
89,0
|
266,5
|
178,0
|
1
|
95
|
ААШв-10-(3x95)
|
205
|
|
ГПП-ВБК
|
600,0
|
2
|
1,4
|
11,8
|
10,4
|
78,9
|
165
|
16,5
|
214,5
|
33,0
|
0,9
|
50
|
ААШв-10-(3x70)
|
165
|
5. Технико-экономическое сравнение вариантов схем внутреннего
электроснабжения комбината
.1 Виды схем внутреннего электроснабжения предприятий
Электрическая сеть строится на базе следующих принципов:
максимальное приближение ЦП к приемникам;
исключение "холодного" (т. е. обесточенного) резерва;
раздельная работа ИП по условиям надежности электроснабжения и снижения
уровня токов КЗ;
применение АВР для питания приемников I категории;
ступенчатое распределение электрической энергии (принципы распределенной
коммутации и распределенной трансформации);
широкое применение кабельных (а не воздушных) линий электропередачи.
Первые двартребования выбираются
экономическими соображениями, причем первое вызвано стремлением сократить
потери мощности и энергии, а второе - снизить капитальные затраты на сооружение
сети. Выполнить второе требование для приемников I категории удается не всегда,
а для приемников особой группы вообще невозможно, обычно стараются иметь
"скрытый" резерв, например, трансформаторы в нормальном режиме
недогружены, а в послеаварийных - несут полную нагрузку и т. д.
Третье требование обусловлено стремлением исключить влияние повреждений в
одной части системы электроснабжения на оставшиеся в работе части. Короткие
замыкания сопровождаются резким снижением напряжения в поврежденной части. При
раздельной работе напряжение в неповрежденной части снижается незначительно.
Приемники продолжают практически нормально функционировать.
Нужно подчеркнуть принципиальную разницу в требованиях к параллельной
работе источников в энергосистеме и системе электроснабжения. В энергосистеме
все источники включают на параллельную синхронную работу. В системе
электроснабжения стремятся к раздельной работе источников питания.
Раздельная работа источников питания уменьшает уровень токов КЗ по
сравнениюр с параллельной работой, и
уменьшение тока КЗ снижает требования к электрооборудованию по
электродинамической и термической стойкости и в конечном счете приводит к его
удешевлению.
Это требование также обусловлено экономическими соображениями, т. к.
оборудование, рассчитанное на более низкий уровень тока КЗ, получается менее
дорогим и громоздким.
Использование АВРрдиктуется требованиями
к надежности электроснабжения приемников I категории с одновременным
обеспечением условия раздельной работы ИП.
Широкое применение кабельных линий объясняется факторами безопасности и
ограниченности территории, т. к. охранные зоны ВЛ занимают много места. Помимо
этого, замыкание на землюр оборванной фазы ВЛ
напряжением 6-35 кВ создает опасные для людей и животных напряжения шага или
(и) прикосновения.
Ступенчатое распределение электрической энергии объясняется стремлением
упростить схему и снизить стоимость ЦП. По существу, РП является как бы
продолжением (секцией) сборных шин ЦП (принцип распределенной коммутации).
Совокупность ЦП-линии-рРП получается более
дешевой и надежной, чем сложное двух-трехэтажное РУ ЦП без использования РП, и
этот принцип реализуют магистральные схемы, с помощью которых к одному
источнику подключают одной линией несколько приемников, удаленных друг от друга
на некоторое расстояние.
На первых этапах развития систем электроснабжения распределение
электроэнергии на территории потребителя осуществлялось с помощью сетей
напряжением до 1 кВ. рЭто приводило к большим
затратам проводникового материала (кабельной продукции) и было связано с
повышенными потерями в системе. Принцип распределенной трансформации, т. е.
сооружение, кроме главной, понизительной подстанции (ГПП) непосредственно
вблизи от потребителя ТП с высшим напряжением 6-10 кВ и низшим до 1 кВ,
позволил передавать по территории города электроэнергию напряжением 6-10 кВ, а
не на 0,4 кВ при меньших токах, соответственно. Это дало возможность
существенно уменьшить объем токоведущих частей, снизило потери мощности и
энергии.
Электроснабжающие сети по существу представляют собой группу (часто
кольцо) ПС и линий с высшим напряжением 220-35 кВ, причем часть (или все) ПС
расположены на территории города. Такие ПС называют подстанциями глубокого
ввода высокого напряжения, а на промышленных предприятиях - главными
понижающими подстанциями (ГПП).
К схемам внутризаводского электроснабжения при напряжении выше
1 кВ относятся сети распределения электроэнергии напряжением 6-35 кВ.
Внутризаводское распределениерэлектроэнергии
выполняется по магистральной, радиальной или смешанной схеме в зависимости от
территориального размещения нагрузок, их величины, требуемой степени надежности
питания. При прочих равных условиях применяются магистральные или смешанные
схемы как наиболее экономичные.
Радиальные рсхемы распределения
электроэнергии применяются главным образом в тех случаях, когда нагрузки
расположены в различных направлениях от центра питания. Они могут быть 2-х
ступенчатыми или 1-ступенчатыми. 1-ступенчатые схемы применяются главным
образом на малых предприятиях, а 2-ступенчатые - на больших.
Радиальная схема электроснабжения напряжением выше 1 кВ представлена на
рисунке 5.1.
Преимущества радиальных схем -этор
простота выполнения и надежность эксплуатации, возможность применения простой и
надежной защиты и автоматизации. Недостатком такой схемы является то, что при
аварийном отключении питающей радиальной линии на цеховом РП3 нарушается
электроснабжение несколькихр цеховых ТП (3, 4,
5). Для устранения этого недостатка радиальную схему питания (РП1 и РП2) делают
от двух независимых источников (разные шины ГПП) и для повышения надежности
применяют АВР.
Применение радиальных схем электроснабжения увеличивает количество
высоковольтных аппаратов, что увеличивает капитальные затраты. Магистральная
схема электроснабжения напряжением выше 1 кВ представлена на рисунке 5.2 и 5.3.
Магистральные схемы применяют в системе внутреннего электроснабжения
предприятий в том случае, р когда потребителей
достаточно много и радиальные схемы питания явно нецелесообразны, обычно
магистральные схемы обеспечивают присоединение пяти-шести п/ст с общей
мощностью потребителей не более 5000¸6000 кВА.
Эта схема характеризуется пониженной надежностью питания, но дает
возможность уменьшить числор отключающих
аппаратов и более удачно скомпоновать потребителей для питания.
Когда необходимо сохранить преимущества магистральных схем и обеспечить
высокую надежность питания, применяют систему транзитных сквозных магистралей,
и в этой схеме при повреждении любой из питающих магистралей высшего напряжения
питание надежно обеспечивают по второй магистрали путем автоматического
переключения потребителей на секцию шин низшего напряжения трансформатора, роставшегося в работе. Это переключение происходит
со временем 0,1-0,2 с, что практически не отражается на электроснабжении
потребителей.
В практике проектирования и эксплуатации СЭС промышленных предприятий
редко встречаются схемы, построенные только по радиальному или только
магистральному принципу, так обычно крупные и ответственные потребители или
приемники питают по радиальной схеме. Средние и мелкие потребители группируют ри их питание осуществляют по магистральному
принципу. Такое решение позволяет создать схему внутреннего электроснабжения с
наилучшими технико-экономичными показателями.
Схема смешанного питания представлена на рисунке 5.4.
5.2 Расчет технико-экономического сравнения схем внутреннего
электроснабжения деревообрабатывающего завода
Построение электрических сетей напрямую связано с индивидуальностью
предприятия, его темпами развития и др. Вместе с тем удается объединить схемы в
три группы, рсоответствующие категориям
надежности электроснабжения.
В электроснабжении пока нет единства терминов. К сожалению, каждая
отрасль (промышленность, рсельское хозяйство,
коммунально-бытовой сектор, военные объекты и др.) ри
использует свои термины, не дающие ясного геометрического представления
о построении сети. Представляется, что наиболее удачными являются термины
"радиальная", р
"магистральная" и "смешанная" схемы электроснабжения.
.2.1 Смешанная схема электроснабжения завода
При смешанном электроснабжении количество кабелей в траншее от ЗРУ к ТП9,
ТП10, ТП11 и ДСП составляетр 5 штук. Из них 2
кабеля ААШв-10-(3х70) идут на ДСП и 3 кабеля ААШв-10-(3х95) соответственно на рТП9-ТП11 (см. чертеж 1).
Число кабелей в траншее к ТП7 и ТП8 составляет 3 штуки. Это кабели
ААШв-10-(3х95)
Отличие смешанной схемы внутреннего электроснабжения завода, от
магистральной заключается в размещении и соединении ТП между собой.
Следовательно, ризменяется длина и количество
кабелей, количество выключателей. Так же при смешанном электроснабжении 50%
нагрузки цеха №13 покрывается за счет ТП7 и 50% за счет ТП6. Данные изменения
показаны в таблице 5.1.
По генплану завода тяжелого машиностроения при схеме смешанного
электроснабжения рассчитываем длину кабелей, далее определяем их стоимость порсправочным данным. Также в однолинейной схеме
электроснабжения завода отображаются изменения, т.е. добавляются дополнительные
выключатели и линии.
Таблица 5.1 - Распределение нагрузок цехов по ТП
|
№ ТП
|
Sнт, кВА
|
Qнбк, кВАр
|
№ цехов
|
Рр 0,4 кВт
|
Qр 0,4 кВАр
|
Sр 0,4 кВА
|
Кз
|
|
|
1
|
2
|
3
|
4
|
5
|
6
|
7
|
8
|
|
|
ТП1 2*1000
|
2*(2*1000)++1*1000
|
5*300= 1500
|
1
|
1552,4
|
1087,2
|
|
|
|
|
ТП2 2*1000
|
|
|
1а
|
529,2
|
359,1
|
|
|
|
|
ТП3 1*1000
|
|
|
4
|
412,35
|
364,9
|
|
|
|
|
|
|
5
|
355,05
|
285,6
|
|
|
|
|
|
|
6
|
87,75
|
78,1
|
|
|
|
|
|
|
7
|
664,8
|
615,1
|
|
|
|
|
|
|
8
|
59,25
|
17,3
|
|
|
|
|
Итого
|
3660,8
|
2807,3
|
|
|
|
Qвбк
|
0
|
-1500
|
|
|
|
Итого'
|
3660,8
|
1307,3
|
3887,2
|
0,78
|
|
ТП4 2*1000
|
2*(2*1000)+
+1*1000
|
5*300=1500
|
2
|
1310,7
|
1334,8
|
|
|
|
ТП5 2*1000
|
|
|
13 (50%)
|
114,15
|
61,2
|
|
|
|
ТП6 1*1000
|
|
|
3
|
717,6
|
730,2
|
|
|
|
|
|
9
|
168
|
130,8
|
|
|
|
|
|
14
|
897,6
|
673,4
|
|
|
|
|
|
осв.
|
492,9
|
246,5
|
|
|
|
Итого
|
3701,03
|
3176,9
|
|
|
|
Qвбк
|
0
|
-1500
|
|
|
|
Итого'
|
3701,03
|
1676,9
|
4063,2
|
0,81
|
|
ТП7 2*1000
|
2*1000+ +1*1000
|
3*300=900
|
11
|
888,2
|
852,7
|
|
|
|
ТП8 1*1000
|
|
|
16
|
467,6
|
346,9
|
|
|
|
|
|
17
|
839,3
|
642,7
|
|
|
|
|
|
13 (50)%
|
114,2
|
61,21
|
|
|
|
Итого
|
2309,2
|
1903,5
|
|
|
|
Qвбк
|
0
|
-900
|
|
|
|
Итого'
|
2309,2
|
1003,5
|
2517,7
|
0,84
|
|
ТП9 2*1000
|
2*(2*1000)+
+1*1000
|
5*300=1500
|
12
|
1110
|
747
|
|
|
|
ТП10 2*1000
|
|
|
10
|
1836,6
|
1616,1
|
|
|
|
ТП11 1*1000
|
|
|
15
|
620,03
|
538,6
|
|
|
|
Итого
|
3566,6
|
2901,7
|
|
|
|
Qвбк
|
0
|
-1500
|
|
|
|
Итого'
|
3566,6
|
1401,7
|
3832,2
|
0,77
|
|
|
|
|
|
|
|
|
|
|
|
|
|
|
Выбор выключателей:
1) Магистраль ГПП-ТП7.
, (5.1)
,
Расчетный
ток:
Принимаем
выключатель BB/TEL-10-630-12,5У2.
Проверим
выбранный выключатель (таблица 5.2).
Таблица
5.2 - Проверка выключателя
Uн=10 кВ Iн=630A Iоткл=12,5 кА Iскв=25,5 кА
U=10 кВ
Iав=84А
Iкз=10,4 кА
Iy=26,4 кА
|
|
|
|
Привод ПЭ
|
2) Магистраль ГПП-ТП8.
, (5.2)
Принимаем
выключатель BB/TEL-10-630-12,5У2.
Проверим
выбранный выключатель (таблица 5.3).
Таблица
5.3 - Проверка выключателя
Uн=10 кВ Iн=630A Iоткл=12,5 кА Iскв=25,5 кА
U=10 кВ
Iав=60 А
Iкз=10,4 кА
Iy=26,4 кА
|
|
|
|
Привод ПЭ
|
3) Магистраль ГПП-ТП4-ТП5-ТП6.
Принимаем
выключатель BB/TEL-10-630-12,5У2.
Проверим
выбранный выключатель (таблица 5.4).
Таблица
5.4 - Проверка выключателя
Uн=10 кВ Iн=630A Iоткл=12,5 кА Iскв=25,5 кА
U=10 кВ
Iав=225 А
Iкз=10,4 кА
Iy=26,4 кА
|
|
|
|
Привод ПЭ
|
4) Магистраль ГПП-ТП9-ТП10.
(5.3)
Принимаем
выключатель BB/TEL-10-630-12,5У2.
Проверим
выбранный выключатель (таблица 5.5) .
Таблица
5.5 - Проверка выключателя
Uн=10 кВ Iн=630A Iоткл=12,5 кА Iскв=25,5 кА
U=10 кВ
Iав=175 А
Iкз=10,4 кА
Iy=26,4 кА
|
|
|
|
Привод ПЭ
|
5) Магистраль ГПП-ТП11.
Принимаем
выключатель BB/TEL-10-630-12,5У2.
Проверим
выбранный выключатель (таблица 5.6).
Таблица
5.6 - Проверка выключателя
Uн=10 кВ Iн=630A Iоткл=12,5 кА Iскв=25,5 кА
U=10 кВ
Iав=38 А
Iкз=10,4 кА
Iy=26,4 кА
|
|
|
|
Привод ПЭ
|
Выбор силовых кабелей:
Выбор кабелей производится по следующим условиям:
-по
экономической плотности тока:
по минимальному сечению Fmin =a´Iкз´Ötп;
по
условию нагрева рабочим током Iдоп каб
Iр;
по
аварийному режиму Iдоп
ав
Iав;
по
потере напряжения DUдоп
DUрас.
ГПП-ТП 7:
Sр=1518 кВА, Iав=84 А, Iр=Iав/2=42 А.
Принимаем
кабель ААШв-10-(3х95) с Iдоп=205 А.
Iдоп=205А>Ip=42A.
1,3×Iдоп=266,5 А>Iав=84
A.
ГПП-ТП 8:
Sр=1084 кВА, Iав=60 А, Iр=Iав/2=30 А.
Принимаем
кабель ААШв-10-(3х95) с Iдоп=205 А.
Iдоп=205 А>Ip=30
A.
1.3×Iдоп=266,5 А>Iав=60
A.
ГПП-ТП 4-ТП 5-ТП6:
Sр=4094 кВА, Iав=225 А, Iр=Iав/2=112,5 А.
Принимаем
кабель ААШв-10-(3х95) с Iдоп=205 А.
Iдоп=205 А>Ip=112,5
A.
1.3×Iдоп=266,5 А>Iав=225A.
ГПП-ТП 9 - ТП 10:
Sр=3176 кВА, Iав=175 А, Iр=Iав/2=87,5 А.
Принимаем
кабель ААШв-10-(3х95) с Iдоп=205 А.
Iдоп=205 А>Ip=87,5
A.
1.3×Iдоп=266,5 А>Iав=175
A.
ГПП-ТП 11:
Sр=683 кВА, Iав=38 А, Iр=Iав/2=19 А.
Принимаем
кабель ААШв-10-(3х95) с Iдоп=205 А.
Iдоп=205 А>Ip=19
A.
Определим капитальные затраты с учетом того, что стоимость выключателя BB/TEL-10-630 составляет 2,886 тыс у.е. за 1 штуку (Кв=2,886
тыс. у.е.), цена кабеля ААШв-10-(3х95) составляет 11,4 у.е. за 1 м:
ГПП - ТП7:
Затраты на выключатели BB/TEL-10-630:
КВ=2×КВ=2×2,886=5,772 тыс. у.е.
Затраты на кабель ААШв-10-(3х95):
Клэп=20,46×11,4=233,2 у.е.
ГПП - ТП8:
Затраты на выключатели BB/TEL-10-630:
КВ=1×КВ=1×2,886=2,886 тыс. у.е.
Затраты на кабель ААШв-10-(3х95):
Клэп=38,61×11,4=440,2 у.е.
ГПП - ТП9-ТП10:
Затраты на выключатели BB/TEL-10-630:
КВ=2×КВ=2×2,886=5,772 тыс.у.е.
Затраты на кабель ААШв-10-(3х95):
Клэп=51,81×11,4=590,6 у.е.
ГПП - ТП11:
Затраты на выключатели BB/TEL-10-630:
КВ=2×КВ=1×2,886=2,886 тыс.у.е.
Затраты на кабель ААШв-10-(3х95):
Клэп=33,99×11,4=387,5 у.е.
Для данной схемы электроснабжения добавляются 2 линии, поэтому необходимы
2 дополнительных трансформатора тока ТПЛК-10УЗ, стоимость которых составляет
1,68 ртыс. у.е за 1 штуку. Общая стоимость
выключателей составит 17,316 тыс. у.е., затраты на кабели составят 1,65 тыс
у.е., затраты на ТТ составят 3,36 тыс. у.е. р
Следовательно капитальные затраты на смешанную схему электроснабжения составят
22,326 тыс. у.е.
5.2.2 Магистральная схема электроснабжения завода.
В траншее к ТП7 и ТП8 проложен 1 кабель. Это кабели ААШв-10-(3х70).
Распределение нагрузок цехов по ТП показаны в таблице 5.7.
Таблица 5.7 - Распределение нагрузок цехов по ТП
|
№ ТП
|
Sнт, кВА
|
Qнбк, кВАр
|
№ цехов
|
Рр 0,4, кВт
|
Qр 0,4, кВАр
|
Sр 0,4, кВА
|
Кз
|
|
ТП1 2*1000
|
2*(2*1000)++1*1000
|
5*300=1500
|
1
|
1552,4
|
1087,2
|
|
|
|
ТП2 2*1000
|
|
|
1а
|
529,2
|
359,1
|
|
|
|
ТП3 1*1000
|
|
|
4
|
412,35
|
364,92
|
|
|
|
|
|
5
|
355,05
|
285,59
|
|
|
|
|
|
6
|
87,75
|
78,08
|
|
|
|
|
|
7
|
664,8
|
615,18
|
|
|
|
|
|
8
|
59,25
|
17,325
|
|
|
|
Итого
|
3660,8
|
2807,39
|
|
|
|
Qвбк
|
0
|
-1500
|
|
|
|
Итого'
|
3660,8
|
1307,39
|
3887,25
|
0,78
|
|
ТП4 2*1000
|
2*(2*1000)+
+1*1000
|
5*300=1500
|
2
|
1310,7
|
1334,81
|
|
|
|
ТП5 2*1000
|
|
|
13
|
228,3
|
122,42
|
|
|
|
ТП6 1*1000
|
|
|
3
|
717,6
|
730,28
|
|
|
|
|
|
9
|
168
|
130,82
|
|
|
|
|
|
14
|
897,6
|
673,38
|
|
|
|
|
|
осв.
|
492,98
|
246,49
|
|
|
|
Итого
|
3815,18
|
3238,2
|
|
|
|
Qвбк
|
0
|
-1500
|
|
|
|
Итого'
|
3815,18
|
1738,2
|
4192,49
|
0,84
|
|
ТП7 2*1000
|
2*1000++1*1000
|
3*300=900
|
11
|
888,15
|
852,71
|
|
|
|
ТП8 1*1000
|
|
|
16
|
467,6
|
346,87
|
|
|
|
|
|
|
17
|
839,25
|
642,73
|
|
|
|
Итого
|
2195
|
1842,31
|
|
|
|
Qвбк
|
0
|
-900
|
|
|
|
Итого'
|
2195
|
942,31
|
2388,7
|
0,8
|
|
ТП9 2*1000
|
2*(2*1000)++1*1000
|
5*250=1250
|
12
|
1110
|
747
|
|
|
|
ТП10 2*1000
|
|
|
10
|
1836,6
|
1616,11
|
|
|
|
ТП11 1*1000
|
|
|
15
|
620,03
|
538,67
|
|
|
|
Итого
|
3566,63
|
2901,78
|
|
|
|
Qвбк
|
0
|
-1500
|
|
|
|
Итого'
|
3566,63
|
1401,78
|
3832,21
|
0,77
|
По генплану завода тяжелого машиностроения при схеме магистрального
электроснабжения рассчитываем длину кабелей, р
далее определяем их стоимость по справочным данным. Также изменения
отображаются в однолинейной схеме электроснабжения завода.
Выбор выключателей:
1) ГПП-ТП4-ТП5-ТП6.
(5.4)
Принимаем
выключатель BB/TEL-10-630-12,5У2.
Проверим
выбранный выключатель (таблица 5.8).
Таблица
5.8 - Проверка выключателя
Uн=10 кВ Iн=630A Iоткл=12,5 кА Iскв=25,5 кА
U=10 кВ
Iав=225,4 А
Iкз=10,4 кА
Iy=26,4 кА
|
|
|
|
Привод ПЭ
|
2) Магистраль ГПП-ТП7-ТП8
(5.5)
Принимаем
выключатель BB/TEL-10-630-12,5У2.
Проверим
выбранный выключатель.
Условия
проверки сведем в таблицу 5.9.
Таблица
5.9 - Проверка выключателя
Uн=10 кВ Iн=630A Iоткл=12,5 кА Iскв=25,5 кА
U=10 кВ
Iав=140 А
Iкз=10,4 кА
Iy=26,4 кА
|
|
|
|
Привод ПЭ
|
)
Магистраль ГПП-ТП9-ТП10-ТП11
(5.6)
Принимаем
выключатель BB/TEL-10-630-12,5У2.
Проверим
выбранный выключатель (таблица 5.10).
Таблица
5.10 - Проверка выключателя
Uн=10 кВ Iн=630A Iоткл=12,5 кА Iскв=25,5 кА
U=10 кВ
Iав=212 А
Iкз=10,4 кА
Iy=26,4 кА
|
|
|
|
Привод ПЭ
|
Выбор силовых кабелей
Выбор кабелей производится по следующим условиям:
-по
экономической плотности тока:
-по минимальному сечению Fmin =a´Iкз´Ötп;
по
условию нагрева рабочим током Iдоп каб
Iр;
по
аварийному режиму Iдоп
ав
Iав;
по
потере напряжения DUдоп
DUрас.
ГПП-ТП4-ТП5-ТП6:
Sр=4093,64 кВА, Iав=225,4 А, Iр=Iав/2=112,7 А.
Принимаем
кабель ААШв-10-(3х95) с Iдоп=205 А.
Iдоп=205А>Ip=112,7A.
1,3×Iдоп=266,5 А>Iав=225,4
A.
ГПП-ТП7-ТП8:
Sр=2549 кВА, Iав=140 А, Iр=Iав/2=70 А.
Принимаем
кабель ААШв-10-(3х95) с Iдоп=205 А.
Iдоп=205 А>Ip=70A.
1.3×Iдоп=266,5 А>Iав=140
A.
ГПП-ТП 9-ТП10-ТП11:
Sр=3859 кВА, Iав=212 А, Iр=Iав/2=106 А.
Принимаем
кабель ААШв-10-(3х95) с Iдоп=205 А.
Iдоп=205 А>Ip=106
A.
1.3×Iдоп=266,5 А>Iав=212
A.
Определим капитальные затраты:
ГПП - ТП7-ТП8:
Затраты на выключатели BB/TEL-10-630:
КВ=2×КВ=2×2,886=5,772 тыс. у.е.
Затраты на кабель ААШв-10-(3х95):
Клэп=45,54×11,4=519,2 у.е.
ГПП - ТП9-ТП10-ТП11:
Затраты на выключатели BB/TEL-10-630:
КВ=2×КВ=2×2,886=5,772 тыс. у.е.
Затраты на кабель ААШв-10-(3х95):
Клэп=52,14×11,4=594,4 у.е.
Общая стоимость выключателей составит 11,544 тыс у.е. и затраты на кабели
составаят 1,113 у.е. Следовательно общие капитальные затраты для магистральной
схемы электроснабжения составят 12,657 тыс. у.е.
Из проведенного технико-экономического сравнения схем внутреннего
электроснабжения заводар тяжелого
машиностроения можно сделать выводы о достоинствах и недостатках магистральных
и смешанных схем электроснабжения.
Магистральная схема так же характеризуется пониженной надежностью
питания, но дает возможность уменьшить число отключающих аппаратов и более
удачно скомпоновать потребителей для питания.
Достоинство радиальных схем: рмаксимальная
простота; аварийное отключение радиальной линии не отражается на
электроснабжении остальных потребителей. И ее недостаток: большой расход
кабельной продукции обусловливает высокую стоимость системы. Кроме того, при
одиночных радиальных линиях невысока надежность электроснабжения.
Магистральные схемы имеют следующие достоинства:
лучшая загрузка линий, т. к. к каждой линии подключена не одна, а группа
ТП;
меньший расход кабелей;
на ЦП и РП нужно устанавливать меньшее количество выключателей.
Недостатки одиночных магистралей заключаются в трудностях при отыскании
места повреждения магистрали и в более низкой надежности электроснабжения по
сравнению с радиальной схемой. Последнее объясняется тем, что на надежность
работы магистрали влияют показатели надежности стороны ВН ТП, рвключая силовые трансформаторы.
Вывод. Был произведен расчет
нагрузок по заводу,
выбор числа и мощности цеховых ТП. Предложены два варианта питания завода,
произведен технико-экономический расчет и сравнение вариантов по суммарным
затратам после чего из предложенных вариантов был выбран с большим напряжением
(питание подходит от шин 115 кВ на ГПП, расположенную на территории комбината).
В работе было проведено технико-экономическое сравнение вариантов схем
внутреннего электроснабжения завода (магистральной и смешенной). При сравнении
стоимости оборудования и кабельных линий наиболее экономически выгодной
оказалась магистральная схема электроснабжения.
6. Средства измерительной техники для измерения показателей
качества электрической энергии
6.1 Автоматический регулятор напряжения (АРН-ЭО)
Многочисленные исследования показателей качества электроэнергии,
проведенные за последние несколько лет при проведении сертификации
электрической энергии в распределительных электрических сетях 6-10/0,4 кВ в
системах электроснабжения городов и промышленных предприятий, показали, что
напряжение в сети во многих случаях значительно отличается от ртребуемого нормативными документами. Как нам
известно, напряжение в сети выше номинального, особенно в ночное время, когда
включается вся осветительная нагрузка. р В
подавляющем большинстве городских электрических сетей, от которых питаются
системы уличного и внутреннего освещения как городские, так и промышленные,
напряжение в сети, особенно в вечернее и ночное время, выше номинального на 5 -
10 %.
Для решения данной задачи был разработан специализированный
автоматический регулятор напряжения (АРН-ЭО), позволяющий поддерживать
напряжение в сети на заданном уровне с высокой точностью.
Его использование позволяет решить две основные задачи: р
автоматически поддерживать напряжение вр
сети электрического освещения в диапазоне от номинального напряжения 220 В до
210 В (- 4,5 % от номинального);
автоматическое включение ри отключение
освещения в соответствии с необходимой длительностью работы освещения для
каждых суток в течение года, либо осуществление этих функций из единого
диспетчерского центра в составе АСУ.
В настоящее время серийно выпускается несколько типоразмеров такого
регулятора - от 5 кВт до 250 кВт. Это позволяет покрыть практически весь
реальный диапазон существующих систем освещения в жилищнокоммунальном
хозяйстве, р уличном освещении, объектах
муниципальной собственности (школы, больницы, административные учреждения и
т.д.). Широкое применение такое устройств также может найти в различных
бизнес-единицах (магазины, фабричные цеха и т.д).
Использование настоящего регулятора дает следующие результаты:
снижение потребления электроэнергии на освещение при сохранении
нормативных требований к освещенности объектов ( в среднем на 25 % );
- увеличение срока службы электрических ламп и другого осветительного
оборудованияр ( в 1,5 - 2 раза ).
С целью проверки работоспособности и э эффективности применения данного
оборудования был проведен ряд экспериментов в системах электрического освещения
промышленных предприятий (инструментальное производство, мясокомбинат и т.д.).
В городском хозяйстве - административное помещение (школа), уличное освещение в
нескольких городах. Полученные результаты во всех случаях практически
совпадают.
Компенсация реактивной нагрузки промышленных и приравненных к ним
потребителей выполняется в соответствии с действующими нормативными документами
по ррасчетам с потребителями за компенсацию
реактивной мощности и по компенсации реактивной мощности в электрических сетях
промышленных предприятий.
Компенсирующие устройства рекомендуется устанавливать непосредственно у
электроприемников. р Для жилых и общественных
зданий компенсация реактивной нагрузки не предусматривается.
Выбор мощности и места установки компенсирующих устройств (статических
тиристорных компенсаторов и синхронных компенсаторов, батарей конденсаторов
шунтовой и продольной компенсации, управляемых и неуправляемых шунтирующих
реакторов и других регулируемых средств компенсации реактивной мощности). рВ основной и распределительной сети производится
исходя из необходимости повышения пропускной способности сети в нормальных и
послеаварийных режимах, условий включения линий, защиты от внутренних
перенапряжений, поддержания необходимых уровней напряжения, обеспечения
непрерывного быстрого регулирования напряжения.
6.2 Нерегулируемые установки компенсации реактивной мощности
КРМ 10(6)
Нерегулируемые установки компенсации реактивной мощности типа КРМ-10(6)
напряжением 10 кВр и 6 кВ, частотой 50 Гц,
мощностью от 450 до 3150 кВАр предназначены для повышения значения коэффициента
мощности (cos φ) в электрических распределительных трёхфазных сетях
промышленных предприятий и других объектов, показаны на рисунке 3.5.
КРМ-10(6) обеспечивает: защиту от превышения номинального тока; защиту от
доступа к токоведущим частям, находящимся под напряжением; индикацию тока
конденсаторных батарей; аварийную сигнализацию при срабатывании защиты [24].
Применение КРМ-10(6) позволяет снизить потери электроэнергии и повысить
эффективность электроустановок, одновременно повышая качество электроэнергии
непосредственно в сетях предприятия.
Установки КРМ-10(6) имеют следующие особенности:
силовые конденсаторы CPEFS фирмы "ZEZ SILKO", трехфазные,
предназначены дляркомпенсации реактивной
мощности. Электроды конденсатора изготовлены из алюминиевой фольги,
диэлектриком является полипропиленовая пленка, пропитанная специальной
жидкостью;
конденсаторы имеют встроенные разрядные резисторы;
для повышения надежности и с целью защиты от аварийных режимов, в ячейках
конденсаторнойрбатареи устанавливаются
дополнительные высоковольтные предохранители (в соответствии с п.5.6.20 ПУЭ);
Рисунок 6.1 - Нерегулируемые установки компенсации реактивной мощности
типа КРМ-10
модульный принцип построения, позволяет постепенно наращивать мощность
установки;
рустановки
КРМ-10(6) являются отдельно стоящими и в состав РУ-6(10) не входят. Подключение
установок КРМ-10(6) к РУ-10(6) осуществляется кабелем через ячейку с силовым
выключателем и релейной защитой, что в свою очередь значительно повышает
надежность работы;
низкие рмассогабаритные характеристики.
Применение КРМ-10(6) позволяет снизить потери электроэнергии и повысить
эффективность рэлектроустановок, одновременно
повышая качество электроэнергии непосредственно в сетях предприятия.
Регулируемое устройство КРМ-0,4 позволяет:
поддерживать необходимое для потребителя значение коэффициента мощности в
автоматическом режиме в пределах 0,8.1 путем подключения/отключения ступеней
конденсаторных батарей;
выполнять подключениер и отключение
ступеней конденсаторных батарей в ручном режиме;
обеспечить индикацию тока в цепи конденсаторной батареи, а так же
аварийную и другие виды индикации, предусмотренные в автоматическом регуляторе;
осуществлять мониторинг значения коэффициента мощности cos φ;
- повысить качество электроэнергии непосредственно в сетях предприятия;
снизить общие расходы на электроэнергию;
уменьшить нагрузку рэлементов
распределительной сети, увеличить их срок службы.
7. Безопасность жизнедеятельности
.1 Анализ условий труда
К вспомогательным подразделениям, обеспечивающим функциониро- вание
основного производства деревообрабатывающего завода, относится цех №12
(электроремонтный), ркоторый производит
обслуживание электрооборудования предприятия.
Оборудование во вспомогательных цехах размещается с учетом очередности
стадий (операций) технологического процесса, обеспечения безвредных ри безопасных условий работы и в соответствии с
Общесоюзными нормами технологического проектирования механообрабатывающих и
сборочных цехов предприятий машиностроения, приборостроительных и
металлообрабатывающихр ОНТП 07-96.
Предельно допустимые концентрации вредных веществ в воздухе рабочей зоны
должны соответствовать требованиям ГОСТ 12.1.005-88 и "Предельно
допустимым концентрациям вредных веществ в воздухе рабочей зоны."
Механическая обработка металлов на станках сопровождается выделением
пыли, стружки, туманов масел и эмульсий, которые через вентиляционную систему
выбрасываются из помещений.
Пыль, образующаяся в процессе абразивной обработки, состоит на 30-40% из
материала абразивного круга, па 60-70% из материала обрабатываемого изделия, а
количество выделяющейся пыли зависит от размеров и твердости обрабатываемого
материала, диаметра и окружной скорости круга, а также способа подачи изделия
/10/.
Санитарные нормы выполняют обеспечение оптимальных или допустимых
параметров микроклимата производственных помещений с учетом 5 категорий работ,
характеризующихся различным уровнем энерготрат. Нормы регламентируют
температуру, влажность, скорость движения воздуха и интенсивность теплового
облучения работающих (с учетом площади облучаемой поверхности тела),
температуру внутренних поверхностей, ограждающих рабочую зону конструкций
(стен, пола, потолка) или устройств (например, экранов), температуру наружных
поверхностей технологического оборудования, перепады температуры воздухар по высоте и горизонтали рабочей зоны, ее изменения
в течение смены, а также предусматривают необходимые мероприятия по защите
рабочих мест от радиационного охлаждения. исходящего от поверхности стекла
оконных проемов
Для решения вышеперечисленных проблем проводится разработка технических
решений по обеспечению безопасности условий труда. А именно расчет зануления
электрооборудования электроремонтного цеха и расчет вентиляции цеха.
7.2 Расчет зануления электрооборудования электроремонтного
цеха
Так как у нас существует большая вероятность поражения электрическим
током человека, при соприкосновении с металлическими частями
электрооборудования, оказавшимися под напряжением при замыкании фазы на корпус
или землю, то нам необходимо обезопасить его или сократить до минимума действие
электрического тока на организм. Для этой цели применяют: защитное заземление; рзануление; защитное отключение; использование
средств защиты; ограждение опасной зоны с вывешиванием плакатов и знаков
безопасности; применение световой и звуковой сигнализации.
Зануление - преднамеренное электрическое соединение металлических
нетоковедущих частей электроустановки, могущих оказаться под напряжением, с
глухозаземленной нейтральной точкой обмотки источника тока в трехфазных сетях.
При занулении открытых проводящих частей время автоматического отключения
питания не должно превышать значений, указанных в таблице 7.1 [14].
Таблица 7.1 -
Наибольшее допустимое время защитного автоматического отключения при занулении
открытых проводящих частей
|
Номинальное
фазное напряжение U0, В
|
Время
отключения, с
|
|
127
|
0,8
|
|
220
|
0,4
|
|
380
|
0,2
|
|
Более 380
|
0,1
|
Принципиальная схема зануления приведена на рисунке 7.1. На схеме видно,
что ток короткого замыкания Iкз в фазном проводе зависит от фазного
напряжения сети Uф и полного сопротивления цепи,
складывающегося из полных сопротивлений обмотки трансформатора Zт/3, фазного проводника Zф, нулевого защитного проводника Zн, внешнего индуктивного сопротивления петли фазный проводник-
нулевой защитный проводник (петля фаза - нуль) Xп, активного сопротивления заземления нейтрали трансформатора R0.
Рисунок 7.1 - Принципиальная схема сети переменного тока с занулением
Рисунок 7.2 - Полная расчетная схема зануления
Поскольку R0, как правило, велико по сравнению с
другими элементами цепи, параллельная ветвь, образованная им, создает
незначительное увеличение тока короткого замыкания, что позволяет пренебречь
им. рВ то же время такое допущение ужесточаетр требования к занулению и значительно упрощает
расчетную схему, представленную на рисунке 7.3.
Рисунок 7.3 - Упрощенная схема зануления
В этом случае выражение короткого замыкания Iкз (А) в комплексной форме будет:
Iкз = Uф / ( Zт / 3
+ Zф + Zн +jХn),
(7.1)
где Uф - фазное напряжение сети, В;
С учетом последнего:
Iкз = Uф / ( Zт / 3 + Zn ) (7.2)
При расчете зануления принято применять допущение, при котором для
вычисления действительного значения ( модуля ) тока короткого замыкания Iкз модули сопротивления обмотки
трансформатора и петли фаза - нуль Zт / 3 и Zп складываются арифметически.Это допущение также
ужесточает требования безопасности и поэтому считается допустимым, хотя и
вносит некоторую неточность ( 5% ).
Полное сопротивление петли фаза - нуль в действительной форме
определяется из выражения:
, Ом
(7.3)
Формула
для поверочного расчета определяется из (7.2) и (7.3) с учетом коэффициента
кратности К тока короткого замыкания, определяемого требованиями к занулению:
, (7.4)
где
Iн- номинальный ток аппарата защиты, которым защищен
электроприемник.
Расчет зануления производится для оборудования электроремонтного цеха.
Исходные данные:
напряжение сети - 0,38 кВ;
мощность трансформатора - 1600 кВА;
мощность электроприемника (станок) Р=10 кВт;
длина кабеля L1=140м;
Кабель проложен в трубе Т50.
Схема замещения приведена на рисунке 7.4.
Iнпр=32А
Рисунок 7.4 - Схема замещения
Определим токи нагрузки и выбор аппаратов защиты:
Iнпв=32 А; Iна=50 А.
Определим
полные сопротивления элементов цепи:
а)
сопротивление трансформатора для группы соединения D/У0 - 11 Zт=0,025
Ом./15/;
б)
сопротивление кабеля: ААШВ-1-(3∙50)+(1∙35); Zн.ф.о.=1,8 Ом/км /16/;
в)
сопротивление провода: АПВ-1(3∙6)+(1∙4); Zн.ф.о.=15,2 Ом/км /16/.п=
Zп.ф.о.∙L1=1,8∙0.14=0,25Омп=15,2∙0,042=0,664Ом
Определим
токи КЗ:
Определение
времени срабатывания аппарата защиты: плавкой вставки определяется по защитной
характеристике плавкой вставки, а для автомата примем по /17/. Время отключения
автоматического выключателя возьмем равным 0,2 секунды.
Потенциал корпуса поврежденного оборудования:
Uк1=Iкз×Zн1=0,852×0,12=102,24В,
где Zн1 - сопротивление нулевой жилы кабеля
ААШВ-1-(3∙50)+(1∙35).
где
r - удельное сопротивление алюминиевой жилы принимается
равной 0,028 Ом×мм2/м;
S - сечение
жилы, мм2;
L - длина
проводника, м.
Uк2 = Iкз× (Zн2∙ Zн3 )=
244,8(0,09+,012)= 25 В,
где
Zн2 -
сопротивление нулевого провода, Zн2 = Rн2.
Ток, проходящий через тело человека, равен:
8. Экономическая часть
8.1 Цели разработки
проекта
Целью разработки проекта является
строительство подстанции 110/10 кВ и прилегающих к ней сетей 110 и 10 кВ. р
Строящаяся подстанция предназначена для
реализации электроэнергии деревообрабатывающему заводу данного района со
стороны 110 и 10 кВ.
Проектируемую подстанцию и прилегающие к
ней сети предполагается разместить вне населенных пунктов в равнинной
местности, а так же сооружение ЛЭП 110 и 10 кВ предполагается с использованием
железобетонных опор.
Для строительства подстанции, передачи
электроэнергии по тарифу, который ниже действующего, р создается АО
"НУРКИЯС И Ко", чтобы создать конкуренцию действующей
монопольной организации на розничном рынке по передаче электроэнергии.
Целью создания АО - получение прибыли от
передачи электроэнергии с шин подстанции до потребителя. р
8.2 Основная информация о
проекте
Проведя анализ энергоснабжения потребителей данного
района, мы можем предположить, что строительство ЛЭП 110 кВ АО "НУРКИЯС И Ко" позволит нам продавать
дополнительную электроэнергию районным потребителям. При этом снижается дефицит
электроэнергии данном районе.
Расчетный период включает в себяр время строительства
энергообъекта, период временной эксплуатации и годы с режимом нормальной
эксплуатации до окончательного физического срока службы основного
энергетического оборудования ПС.
Для стоимостной оценки результата используются
действующие цены и тарифы Т=11,47 тенге за 1 кВт ч без НДС. Тариф на отпуск
электроэнергию будет складываться из тарифар
энергопроизводящей организации, городских сетей или АРЭК, национальных
электрических сетей, а также установленного тарифа АО.
На ПС устанавливается современное
высокоавтоматизированное оборудование, что обеспечивает высокий уровень
надежности электроснабжения.
В соответствии со строительными нормами
срок строительства подстанции, установленной мощности 2x16 MBА, и прилегающих сетей
110 и 10 кВ принят равным одному году. р
В соответствии с нормами освоения
введенных энергомощностей была определена программа отпуска электроэнергии на
шинах подстанции, приведенная в таблице 8.1.
Таблица 8.1 - Программа отпуска
электроэнергии на шинах подстанции
|
Показатель
|
1
|
2
|
3
|
|
Коэффициент
нагрузки, %
|
0,84
|
0,84
|
0,84
|
|
Поступление
энергии в сеть, кВт час
|
39193563,5
|
39193563,5
|
39193563,5
|
Экологическая ситуация в районе размещения
электросети находится в пределах установленных санитарных норм.
Строительство подстанции и прилегающих
сетей не приведёт к ухудшению экологической ситуации в районе.
8.3 Определение
капитальных вложений в строительство подстанции
Капиталовложения в подстанцию определяются
по приведенным в справочнике укрупненным показателям стоимости суммированием
следующих составляющих:
·
РУ
110 и 10 кВ;
·
трансформаторы
ТДН-16000-115/10,5;
·
постоянная
часть затрат.
Капитальные затраты на сооружение
подстанции определяются составом оборудования:
КП/СТ = ∑Кi · ni + Кпост
где Ki - расчетные стоимости
распределительных устройств, трансформаторов, а также дополнительные
капиталовложения линейных ячеек, оборудованных высокочастотной связью; ni - соответственно число
единиц перечисленного оборудования;Кпост - постоянная часть затрат по
подстанции, малозависящая от мощности подстанции;
Расчетная стоимость ячеек РУ учитывает
стоимость выключателей, разъединителей, трансформаторов тока и напряжения, ОПН,
аппаратуры управления, сигнализации, РЗ и А, р контрольных кабелей, ошиновки, строительных
конструкций и фундаментов, а также соответствующих строительно-монтажных работ.
Расчетная стоимость трансформаторов
включает затраты на ошиновку, шинопроводы, грозозащиту, р заземление, контрольные
кабели, РЗ, строительные конструкции и строительно-монтажные работы.
Показатели постоянной части затрат по
подстанции учитывают полную расчетную стоимость подготовки и благоустройства
территории, общеподстанционногор пункта управления, устройств расхода на собственные нужды, аккумуляторной
батареи, компрессорной, подъездных и внутриплощадочных дорог, средств связи и
телемеханики, маслохозяйства, водопровода, канализации, наружного освещения и
прочих общеподстанционныхр
элементов.
Все расчеты капиталовложений в подстанцию
сведены в таблицу 8.2.
Таблица 8.2 - Капиталовложения в объект
|
РУ или
оборудование
|
Число ячеек или
элементов оборудования
|
Цена одной
ячейки или единицы оборудования, млн.тенге.
|
Общая
стоимость, млн.тенге.
|
|
РУ 110 кВ
|
2
|
19,63
|
39,26
|
|
РУ 10 кВ
|
16
|
1,52
|
24,32
|
|
Трансформаторы
|
2
|
35,94
|
71,88
|
|
Постоянные
затраты
|
-
|
59,1
|
59,1
|
|
Итого:
|
195,56
|
Мы рассчитываем только затраты на ячейки и на
трансформаторы, а все остальные затраты у нас входят в постоянные затраты.
8.4 Определение
капитальных вложений в строительство прилегающих сетей
Стоимость сооружения ЛЭП определяется
основными ее параметрами: напряжением, типом опор, маркой рпроводов и конструкцией
фазы, районом строительства, характеристикой трассы и климатическими условиями
и укрупненно рассчитывается по выражению:
КЛЭП = kуд · L
где Куд.i - рудельные показатели
стоимости 1 км линии, соответствующие уровню напряжения и количеству цепей, а
также учитывающий определенные условия прохождения трассы (по равнине, лес - не
более 10% от длины трассы, доставка грузов до трассы - не более 20 км и
развозка оборудования по трассе - не более 10 км);
L = 6 км -
длина линии;
Расчеты капиталовложений по линиям
электропередач сводим в таблицу 8.3.
Таблица 8.3 - Капитальные вложения в ЛЭП
|
Линия
|
Общая длина
линии, км
|
Стоимость
одного км. длины линии, млн.тенге.
|
Общая стоимость
линии, млн. тенге (с учетом строительных работ, оборудования)
|
|
ВЛ 110 кВ
|
6
|
4,052
|
24,312
|
|
Итого:
|
24,312
|
Общие капитальные вложения в строительство
энергообъекта составят:
КЭС = КП/СТ + КЛЭП=195,56+24,312=219,872
млн. тенге
8.5 Определение
себестоимости передачи электроэнергии и прибыли
Издержки производства п/ст ри прилегающих сетей
связаны с затратами на содержание подстанции, распределительных устройств и
линий электропередач.
Кроме того, передача и распределение
электроэнергии связаны с частичной потерей ее при ртранспортировке по линиям
электропередач и трансформации. Поскольку такие потери связаны с процессом
передачи, то их стоимость включается в состав ежегодных издержек:
Иперед = Иэкс + Ипот,
где Иэкс - суммарные затраты
электросетевых хозяйств энергосистемы на ремонтно-эксплуатационное обслуживание
сетей, тенге/год;
Ипот - суммарная стоимость
потерь в сетях системы, тенге./год.
Произведем расчет затрат электросетевых
хозяйств на ремонтно-эксплуатационное обслуживание сетей:
Иэкс = Иам + Иоб/рем,
где Иам - ежегодные издержки на
амортизацию (реновацию), тенге/год:
,
где аам - нормы отчислений на амортизацию, %/год;
Иоб/рем - издержки на обслуживание и ремонты
(капитальный и текущие), тенге/год:
,
где αоб/рем - нормы отчислений на
обслуживание электрических сетей и ремонты, %/год.
Расчет эксплуатационных издержек сводится
в виде таблицы 8.4.
Таблица 8.4 - Эксплуатационные издержки
распределения энергии
|
Элемент
|
Кап. вложения,
млн.тенге
|
αам,%
|
αоб,%
|
Иам, млн. тенге/год
|
Иобсл, млн. тенге/год
|
Иэкспл, млн. тенге/год
|
|
п/ст 110/10 кВ
|
195,56
|
4
|
3
|
7,82
|
5,87
|
13,69
|
|
ЛЭП 110 кВ
|
24,312
|
4
|
3
|
0,97
|
0,73
|
1,7
|
|
Итого:
|
8,79
|
6,6
|
15,39
|
Себестоимость передачи электроэнергии:
тенге/кВт
ч,
где Эгод=16948,66×2308,19=39,12млн. кВт ч - годовое
энергопотребление предприятия.
Стоимость
электроэнергии:
Т = 11,47 тенге/кВтч - тариф за электроэнергию
АО "НУРКИЯС И Ко" заключает договора по
поставке электроэнергии со следующими поставщиками:
Тгор.сети (РЭК) = 1,9 тенге/кВтч - тариф за передачу
электроэнергии городским сетям или РЭК;
Тэпо = 5,1 тенге/кВтч - тариф за электроэнергию, установленный
энергопроизводящей организацией;
ТНЭС = 0,24 тенге/кВтч - тариф на услуги по передаче
электроэнергии по национальным электрическим сетям.
Капитальные вложения на оборудование, строительство, монтаж и
пуск подстанции:
КП/СТ = 195,56 млн. тенге
Капитальные вложения на оборудование, строительство, монтаж
ЛЭП:
КЛЭП = 24,312млн. тенге
Выручка от прогнозируемого объема передачи
электроэнергии трансформаторному заводу АО "НУРКИЯС И Ко"
составит:
VАО "НУРКИЯС И Ко" = Т × Эгод = 11,47× 39,12 = 448,706 млн. тенге
Из прогнозируемой выручки АО "НУРКИЯС И Ко"
произведет следующие выплаты:
- Выплаты по договору АО "НУРКИЯС И Ко"
составят:
0,14×39,12 = 5,477 млн. тенге
- Выплаты городским сетям за передачу электроэнергии
составят:
1,9×39,12
= 74,33 млн. тенге
Выплаты национальным электрическим сетям составят:
0,24×
39,12 = 9,39 млн. тенге
- Выплаты энергопроизводящим предприятиям
составят:
5,1×
39,12 = 199,512 млн.
тенге
Остаток из прогнозируемой выручки за
передачу электроэнергии составит:
Vост = 448,706 - 5,477 - 74,33 - 9,39 - 199,512= 160 млн.
тенге
Прибыль: П= Vост×И=160×106-15,39×106=144,61×106 тенге.
Чистая прибыль за вычетом налога 20% составит:
ЧПр=Пр(1-0,2) =
144,61× 0,8 = 115,688 млн. тенге
Полученная прибыль будет направлена на погашения
инвестиционных средств и кредита и составит 40% от чистой прибыли.
Пр = 115,688× 0,6 =
69,4 млн. тенге
.6 Определение NPV (чистой текущей стоимости)
Для определения NPV,
необходимо спрогнозировать величину финансовых потоков в каждый год проекта, а
затем привести их к общему знаменателю, для сравнения во времени. То есть NPV - это разница между суммой денежных
поступлений порождаемых реализацией проекта и дисконтированных текущих
стоимостей и всех затрат необходимых для реализации этого проекта.
Чистая приведенная стоимость определяется:
где
CF - ежегодные денежные поступления;
n - годы
реализации проекта;
Iо - полные суммарные инвестиции;
r - процентная
ставка.
Полученные
результаты сведем в таблицу 8.5.
Таблица
8.5 - Результаты расчета чистой текущей стоимости
|
Годы
|
CF, млн. тенге
|
1/(1+ε)n
|
Текущая стоимость
|
|
0
|
-219,872
|
1
|
-219,872
|
|
1
|
67,2
|
0,909
|
-158,78
|
|
2
|
67,2
|
0,826
|
-103,244
|
|
3
|
67,2
|
0,751
|
-52,76
|
|
4
|
67,2
|
0,683
|
-6,86
|
|
5
|
67,2
|
0,621
|
34,87
|
Вывод: срок окупаемости объекта с учетом
дисконтирования составит 4,2 года. Проект строительства подстанции и ЛЭП
является эффективным.
Заключение
Тема дипломной работы "Электроснабжение
деревообрабатывающего завода".
Был
произведен расчет нагрузок по заводу, выбор числа и мощности цеховых ТП. рПредложены два варианта питания завода,
произведен технико-экономический расчет и сравнение вариантов по суммарным
затратам после чего из предложенных вариантов был выбран с большим напряжением
(питание подходит от шин 115 кВ на ГПП, расположенную на территории комбината).
В работе было проведено технико-экономическое сравнение вариантов схем
внутреннего электроснабжения завода (магистральной и смешенной). При сравнении
стоимости оборудования и кабельных линий наиболее экономически выгодной
оказалась магистральная рсхема
электроснабжения.
Питание цехов осуществляется кабельными линиями, проложенными
в траншее. Сделан расчет токов короткого замыкания на шинах ГПП и РП. На
основании этих данных были выбраны выключатели на различных участках цепи. Были
рассчитаны показатели финансовой эффективности: срок окупаемости проекта,
внутренняя норма прибыли. Проект окупился на 4 год использования. Был сделан
анализ условий труда в механическом цеху. Был сделан акустический расчет
помещения, результат которого показал, что мероприятий по снижению шума не
требуются. Был сделан расчет зануления. Расчет в механическом цеху показал, что обеспечивается требуемый степень электробезопасности. рВремя срабатывания автомата соответствует нормам, что позволяет персоналу чувствовать себя защищенным при повреждении оборудования. Учитывая все сделанные
расчеты и анализы по данной схеме снабжения бумажной фабрики, можно заключить, рчто в целом предложенная
схема электроснабжения отвечает требованиям безопасности жизнедеятельности,
надежности использования и экономичности.
Список
литературы
. Живаевар О.П., Методические указания и задания к выполнению
курсовой работы для студентов всех форм обучения специальности 050718р - Электроэнергетика. р
. Правила устройства электроустановок. - М.: Главгосэнегронадзор России, 1998. - 607с.
3. А.А.
Федоров, Э.М.
Ристхейн. Электроснабжение промышленных предприятий: Учебник для
ВУЗов. - М.: Энергия,
1981. - 360с.
4. А.А. Ермилов. рОсновы электроснабжения промышленных предприятий. - М.:
Энергоатомиздат, 1983. -
208с.
. В.Н.
Князевский. рОсновы электроснабжения промышленных предприятий: Учебник для ВУЗов. -
М.: Энергия, 1986. - 408с.
. Б.Н.
Неклепаев, И.П. Крючков. Электрическая часть станций и подстанций: Справочные материалы. - М.: Энергия, 1986. - 465с.
. Ю.Г.
Барыбин, р Л.Е. Федоров. Справочник по проектированию электрических сетей и электрооборудования. - М.: Энергоатомиздат, 1991. - 465с.
8. А.А.
Федоров. Справочник по проектированию промышленных предприятий. - М.:
Энергия, 1991. - 370с.
. Кудрин Б.И. Электроснабжение промышленных предприятий: Учебник для
студентов высших учебныхрзаведений/ Б.И. Кудрин.-М.:
Интенмет Инжиринг, 2005.-672 с.
. Неклепаев Б.И., Крючков И.П. Электрическая часть станций и подстанций. Справочные материалы для курсовогори дипломного проектирования. - М.: Энергоатомиздат, 1988. -
608с.
. Барыбин Ю.Г., рФедоров Л.Е., Зименкова М.Г., Смирнова А.Г. Справочник по проектированию электроснабжения. 1990.
12. Справочник по электроснабжению и электрооборудованию. Том 2. /Под общ. ред. А.А.Федорова; - М: Энергоатомиздат, 2006-568с. р
13. Л.Д.Рожкова, В.С.Козулин. Электрооборудование станций и подстанций. 3-е издание, переработанное и дополненное; -р М:
Энергоатомиздат, 2007-648с.
. "Электроэнергия. Совместимость технических средств. Нормы качества электроэнергии в СЭС".р
15. Справочник по проектированию электрических сетей и электрооборудования /Под ред. Ю.Г. Барыбина и др. - М.: р Энергоатомиздат, 2007. -
464с.: ил.
16. Справочная книга для проектирования электрического освещения /Под ред. Г.М. Кнорринга. Л., р "Энергия",
1976. - 384 с.