Электроснабжение завода торгового оборудования
Дипломный
проект
Электроснабжение
завода торгового оборудования
РЕФЕРАТ
Пояснительная записка страниц - 149 рисунков - 16, таблиц - 38 источников
-13 .
РАСЧЕТ НАГРУЗКА, ТРАНСФОРМАТОР, ГПП, ГРП, РП, ВРУ, КАБЕЛЬ, ПРОВОД, ШИНЫ,
КЗ, ВЫКЛЮЧАТЕЛЬ, АВТОМАТИЧЕКИЙ ВЫКЛЮЧАТЕЛЬ, ВЫКЛЮЧАТЕЛЬ НАГРУЗКИ, НАПРЯЖЕНИЕ,
МОЩНОСТЬ, ВЫБОР ОБОРУДОВАНИЯ, СХЕМА ЭЛЕКТРОСНАБЖЕНИЯ, РЕЛЕЙНАЯ ЗАЩИТА,
ЭКОНОМИКА, ОХРАНА ТРУДА.
Целью дипломного проекта является - выбор оптимального варианта
электроснабжения завода. При сравнении вариантов внешнего и внутреннего
электроснабжения использовался универсальный метод приведенных затрат.
Произвести расчет нагрузок и сделать выбор высоковольтной и низковольтной
аппаратуры. Выбранное основное оборудование завода и цеха проверить на токи КЗ.
Дипломный проект выполнен в текстовом и графическом редакторе Microsoft
Word, Kompas 10 и представлен на 1диске CD-R.
Содержание
Введение
. Характеристика завода.
. Расчет электрических нагрузок.
.1 Определение расчетных электрических нагрузок
деревообрабатывающего цеха.
.2 Расчет электрических нагрузок завода.
.3 Построение картограммы нагрузок.
. Определение числа и мощности трансформаторов на цеховых
подстанциях.
. Компенсация реактивной мощности.
.1 Расчет КУ на стороне 0,4 кВ.
.2 Расчет КУ на стороне 10 кВ ГПП (ГРП).
. Выбор схемы внешнего электроснабжения.
. Выбор схемы внутреннего электроснабжения завода.
.1 Радиальная схема.
.2 Смешанная схема.
.3 Сравнение вариантов.
7. Расчет токов короткого замыкания.
.1 Расчет токов КЗ на РУ ГПП.
.2 Расчет токов КЗ на РУ НН цеховых ТП.
. Компоновка ГПП.
.1. Конструктивное исполнение ГПП.
.1.1. Описание конструкции БКТП(M)-35/10.
.1.2 Питание первичных и вторичных цепей подстанции.
.1.3 Гидроизоляция и защитное покрытие.
.1.4 Устройство заземление.
.1.5 Молниезащита.
.1.6 Повышение сейсмостойкости.
.1.7. Учет электрической энергии.
.1.8 Освещение.
.1.9 Устройства АВР.
.1.10 Обеспечение безопасности обслуживания.
.1.11 Порядок установки и монтажа на объекте.
.1.12 Дополнительная комплектация.
.2 Выбор выключателей на РУ-35 кВ.
.2 Выбор выключателей на РУ-10 кВ.
.3 Выбор разрядников.
.4 Выбор разъединителей РУ-35 кВ.
.5 Выбор разъединителей на РУ-10 кВ для защиты
трансформаторов напряжения.
.6 Выбор трансформаторов тока.
.7 Выбор трансформаторов напряжения.
.8 Выбор трансформаторов собственных нужд КТПБ.
. Расчет внутрицехового электроснабжения.
.1 Выбор проводников для ответвлений от РШ к
электроприемникам
.2 Выбор кабелей от ТП к РШ.
.3 Расчет токов КЗ в цеховой сети.
.4 Выбор автоматических выключателей.
.4.1 Выбор автоматических выключателей для электроприемников.
.4.2 Выбор остальных автоматических выключателей.
.5 Выбор магнитных пускателей для вентиляторов.
.6 Расчет освещения в ремонтно-механическом цехе.
.7 Расчет осветительной сети.
.8 Выбор распределительных щитов в цехе.
. Расчет и выбор заземляющих устройств.
.1 Расчет заземления цеховой ТП.
.2 Расчет заземления БКТП.
. Релейная защита.
.1 Выбор оперативного тока.
.2 Расчет релейной защиты элементов
.2.1 Расчет релейной защиты Трансформаторов КТПН-35.
.2.2 Расчет релейной защиты трансформаторов ТП.
.2.3 Защита кабельных линий 10 кВ.
.2.3 Защита синхронных двигателей 6 кВ.
.2.4 Автоматический ввод резерва.
. Экономическая часть.
.1 Определение сметной стоимости системы электроснабжения.
12.2 Планирование использования рабочего времени
.3 Планирование численности персонала.
.3.1 Определение численности ремонтного персонала
.3.2 Определение численности эксплуатационного персонала
.4 Планирование заработной платы обслуживающего персонала.
.5 Планирование сметы годовых эксплуатации расходов по
обслуживанию энергохозяйства завода
.6 Определение внутризаводской себестоимости 1 кВт∙ч
потребляемой электроэнергии
. Безопасность и экологичность.
.1 Технические мероприятия, обеспечивающие безопасность работ
.2 Требования к электротехническому персоналу.
.3 Противопожарная безопасность.
.4 Защита от шума, вибрации.
.5 Задачи экологии.
Заключение.
Библиографический список.
Приложение
Введение
Торговое оборудование делится на следующие виды: торговое немеханическое
оборудование (торговая мебель), измерительное оборудование, контрольно-кассовое
оборудование, холодильное оборудование, подъемно-транспортное оборудование,
оборудование для фасовки и упаковки.
В настоящем курсовом проекте поставлена задача рассчитать
электроснабжение завода торгового оборудования. Данный завод производит
различное немеханическое оборудование. Основную нагрузку всех цехов составляют
электродвигатели производственных механизмов. Этот вид приемников встречается
на всех промышленных предприятиях.
Компрессорный цех необходим для получения сжатого воздуха давлением до
6-8 кгс/см2.
Номинальная мощность электрической нагрузки цехов различна от 40 до 1980
кВт Производство предприятия не является тесно взаимосвязанным (максимумы
нагрузки цехов не совпадают) как бы это могло быть, к примеру, на
металлургическом предприятии. Оборудование не работает всю смены в полную
мощность, для учета этого используют в расчетах коэффициент использования,
характеризующий время включения установки в цикле работы. Предприятие не имеет
мощных потребителей работающих продолжительно, также нет потребителей с
резко-перемнной нагрузкой. В результате того что потребителей довольно много
нагрузку предприятии можно условно предсказать путем расчетов.
Питание предприятия производится от подстанции системы от которой будет
прокладываться ЛЭП на наиболее экономически выгодном напряжении.
1. Характеристика завода
Таблица 1-Электрические нагрузки завода
|
№ п/п
|
Наименование цехов
|
Кол-во ЭП
|
Установленная мощность, кВт
|
|
|
|
Одного ЭП
|
Суммарная
|
|
1
|
Деревообрабатывающий цех
|
60
|
0,8…55
|
850
|
|
2
|
Малярный цех
|
50
|
1,2…45
|
510
|
|
3
|
Ремонтно-механический цех
|
См. табл.2, рис. 2
|
|
4
|
Цех испытания холодильников
|
45
|
1…30
|
450
|
|
5
|
Заготовительный цех
|
25
|
1,1…28
|
180
|
|
6
|
Цементный склад
|
5
|
10
|
50
|
|
7
|
Транспортный цех
|
20
|
1…28
|
250
|
|
8
|
Механический корпус
|
190
|
0,8…75
|
4900
|
|
9
|
Цех горячего эмалирования
|
90
|
0,8…100
|
3550
|
|
10
|
Компрессорная: эл.двиг. 6
кВ
|
4
|
600
|
2400
|
|
11
|
Склад готовой продукции
|
10
|
10
|
100
|
|
12
|
Склад металлов
|
4
|
2,5…20
|
50
|
|
13
|
Заводоуправление
|
15
|
1,1…15
|
110
|
|
14
|
Столовая
|
30
|
1…40
|
260
|
|
15
|
Цех резки стекла
|
25
|
1…30
|
190
|
|
16
|
Котельная
|
20
|
10…40
|
500
|
|
17
|
Электроремонтный цех
|
35
|
1,1…20
|
410
|
|
18
|
Насосная
|
10
|
80
|
800
|
|
19
|
Цех товаров народного
потребления
|
40
|
1,1…25
|
390
|
Рисунок
1- Генплан завода торгового оборудования.
Таблица 2 - Электроприёмники ремонтно-механического цеха
|
Номер на плане
|
Наименование
электроприемника
|
Установленная мощность ЭП,
кВт
|
|
1…3,7…9,13…15
|
Токарно-винторезный станок
|
3,6
|
|
4…6
|
Настольно-сверлильный
станок
|
2,2
|
|
10…12
|
Универсально-фрезерный
станок
|
2,8
|
|
16,17
|
Намоточный станок
|
2,6
|
|
18-23
|
Точильный станок
|
2,1
|
|
24,26,30,32,34,36
|
Трубогибочный станок
|
4,1
|
|
28
|
Ножницы
|
7,1
|
|
25,29,33
|
Пресс кривошипный
|
9,1
|
|
27,31,35
|
Вертикально-сверлильныйстанок
|
2,5
|
|
37..40, 43..44
|
Машина электросварочная,
ПВ=50 %
|
17
|
|
41,42
|
Преобразователь сварочный
|
22
|
|
45…47, 50…54
|
Электропечь сопротивления
|
21
|
|
48,49
|
Шкаф сушильный
|
1,8
|
|
55,56
|
Молот ковочный
|
9,2
|
|
57,58
|
Станок трубогибочный
|
7,2
|
|
59,60
|
Трубоотрезной станок
|
2,4
|
|
61,62
|
Плоскошлифовальный станок
|
10,9
|
|
63…66
|
Пресс листогибочный
|
12
|
|
67…70
|
Вентилятор
|
5,5
|
Таблица 3 - Климатические условия промышленного района.
|
Среднегодовая интенсивность
ветра по направлениям, %
|
Район по ветровой нагрузке
|
Тип грунта
|
|
Северный
|
Северо-восточный
|
Восточный
|
Юго-восточный
|
Южный
|
Юго-западный
|
Западный
|
Северо-западный
|
|
|
|
5
|
15
|
10
|
5
|
35
|
15
|
5
|
10
|
I
|
Глина
|
Рисунок 2 - План ремонтно-механического цеха
Таблица 4 - Характеристики цехов по надежности электроснабжения
|
№ п/п
|
Наименование цехов
|
категория
|
Производственная среда
|
|
Деревообрабатывающий цех
|
II
|
пыльная
|
|
2
|
Малярный цех
|
II
|
норм
|
|
3
|
Ремонтно-механический цех
|
II
|
пыльная
|
|
4
|
Цех испытания холодильников
|
II
|
норм
|
|
5
|
Заготовительный цех
|
II
|
норм
|
|
6
|
Цементный склад
|
III
|
пыльная
|
|
7
|
Транспортный цех
|
III
|
норм
|
|
8
|
Механический корпус
|
II
|
норм
|
|
9
|
Цех горячего эмалирования
|
II
|
жаркая
|
|
10
|
Компрессорная: эл.двиг. 6
кВ
|
I
|
влажная
|
|
11
|
Склад готовой продукции
|
III
|
норм
|
|
12
|
Склад металлов
|
III
|
норм
|
|
13
|
Заводоуправление
|
III
|
норм
|
|
14
|
Столовая
|
III
|
жаркая, влажная
|
|
15
|
Цех резки стекла
|
II
|
пыльная
|
|
16
|
Котельная
|
I
|
жаркая
|
|
17
|
II
|
норм
|
|
18
|
Насосная
|
I
|
влажная
|
|
19
|
Цех товаров народного
потребления
|
III
|
норм
|
2. Расчет электрических нагрузок
.1 Определение расчетных электрических нагрузок
деревообрабатывающего цеха
Расчетные
нагрузки следует определять методом упорядоченных диаграмм, т.е. с помощью
коэффициентов использования
и
расчетной мощности
.
Исходным
данным для расчета нагрузок цеха является перечень его рабочих машин с
указанием номинальных параметров электроприемников.
Соотношения между номинальными, средними и
расчетными.мощностямирасчетными. мощностями следующие:
;
; (1)
,
где
- коэффициент использования активной мощности,
определяется из справочных данных [1] или по приложениям А и Б ,
-
средняя нагрузка за наиболее загруженную смену, кВт;
- номинальная
мощность электроприемника, кВт;
-
тангенс угла
, соответствующий
,
определяемый по тем же справочным данным, о.е.
Затем
определяем расчетные нагрузки по группам:
, (2)
где
- коэффициент расчетной нагрузки ([2], Приложение В).
Для
курсового проекта, при преобладании двигательной нагрузки максимальную
реактивную мощность можно принять:
при

;
при

, (3)
где
- эффективное число приемников.
Основная
формула для его определения:
. (4)
Полная максимальная нагрузка:
. (5)
Для примера приведем расчет нагрузок трубогибочного станка:
,
,
,
,
,
.
,
.
Для остальных ЭП расчеты сведем в таблицу 5.
Таблица 5 - Определение расчетных нагрузок ремонтно-механического цеха
|
№ п.п
|
наименование цеха
|
n
|
Pном, кВт
|
m
|
КИ
|
cosφ
|
tgφ
|
среднесменная
|
nэ
|
Кр
|
расчетная нагрузка
|
|
|
|
одного
|
Σ
|
|
|
|
|
Рсм,кВт
|
Qсм,кВар
|
Sсм,кВА
|
|
|
Рр,кВт
|
Qр,кВар
|
Sр,кВА
|
Iр,А
|
|
РШ-1
|
|
|
|
|
|
|
|
|
|
|
|
|
|
|
|
|
|
1..3, 13..15
|
Токарно-винторезный станок
|
6
|
4,5
|
27
|
|
0,12
|
0,40
|
2,29
|
3,24
|
7,42
|
|
|
|
|
|
|
|
|
4...6
|
Трубогибочный станок
|
3
|
6
|
18
|
|
0,50
|
0,65
|
1,17
|
9,00
|
10,52
|
|
|
|
|
|
|
|
|
9
|
Пресс ножницы
|
1
|
3,7
|
3,7
|
|
0,17
|
0,50
|
1,73
|
0,63
|
1,09
|
|
|
|
|
|
|
|
|
67
|
Вентилятор
|
1
|
11
|
11
|
|
0,65
|
0,80
|
0,75
|
7,15
|
5,36
|
|
|
|
|
|
|
|
|
Итого по РШ-1
|
|
11
|
|
59,7
|
2,97
|
0,58
|
0,63
|
1,22
|
20,02
|
24,40
|
31,56
|
10
|
1
|
20,02
|
24,40
|
31,56
|
47,95
|
|
РШ-2
|
|
|
|
|
|
|
|
|
|
|
|
|
|
|
|
|
|
7,8
|
Пресс ножницы
|
2
|
10,6
|
21,2
|
|
0,17
|
0,50
|
1,73
|
3,60
|
6,24
|
|
|
|
|
|
|
|
|
10…12
|
Пресс листогибочный
|
3
|
16,4
|
49,2
|
|
0,10
|
0,65
|
1,17
|
4,92
|
5,75
|
|
|
|
|
|
|
|
|
16
|
Кран-балка, ПВ=40 %
|
1
|
14
|
14
|
|
0,30
|
0,50
|
1,73
|
4,20
|
7,27
|
|
|
|
|
|
|
|
|
Итого по РШ-2
|
|
6
|
|
84,4
|
1,55
|
0,58
|
0,55
|
1,51
|
12,72
|
19,27
|
23,09
|
6
|
1,06
|
13,49
|
19,27
|
23,52
|
35,74
|
|
РШ-3
|
|
|
|
|
|
|
|
|
|
|
|
|
|
|
|
|
|
17
|
Кран-балка, ПВ=40 %
|
1
|
14
|
14
|
|
0,30
|
0,50
|
1,73
|
4,20
|
7,27
|
|
|
|
|
|
|
|
|
18…26
|
Токарно-винторезный станок
|
9
|
3,3
|
29,7
|
|
0,12
|
0,40
|
2,29
|
3,56
|
8,17
|
|
|
|
|
|
|
|
|
ИТОГ ПО РШ-3
|
|
10
|
|
43,7
|
4,24
|
0,18
|
0,84
|
0,63
|
7,76
|
15,44
|
17,28
|
6
|
1,90
|
14,75
|
15,44
|
21,35
|
32,45
|
|
РШ-4
|
|
|
|
|
|
|
|
|
|
|
|
|
|
|
|
|
|
27…32
|
Токарно-винторезный станок
|
6
|
10,6
|
63,6
|
|
0,12
|
0,40
|
2,29
|
7,63
|
17,49
|
|
|
|
|
|
|
|
|
68
|
Вентилятор
|
1
|
11
|
11
|
|
0,65
|
0,80
|
0,75
|
7,15
|
5,36
|
|
|
|
|
|
|
|
|
ИТОГ ПО РШ-4
|
|
7
|
|
74,6
|
1,04
|
0,20
|
0,89
|
0,50
|
14,78
|
22,85
|
27,21
|
7
|
1,54
|
22,76
|
22,85
|
32,25
|
49,00
|
|
РШ-5
|
|
|
|
|
|
|
|
|
|
|
|
|
|
|
|
|
|
33…36
|
Универсальный
круглошлифовальный станок
|
4
|
5
|
20
|
|
0,13
|
0,45
|
1,98
|
2,60
|
5,16
|
|
|
|
|
|
|
|
|
37…40
|
Внутришлифовальный станок
|
4
|
6,6
|
26,4
|
|
0,13
|
0,40
|
2,29
|
3,43
|
7,86
|
|
|
|
|
|
|
|
|
41
|
Кран-балка, ПВ=40 %
|
1
|
14
|
14
|
|
0,30
|
0,50
|
1,73
|
4,20
|
7,27
|
|
|
|
|
|
|
|
|
70
|
Вентилятор
|
1
|
11
|
11
|
|
0,65
|
0,80
|
0,75
|
7,15
|
5,36
|
|
|
|
|
|
|
|
|
Итог по РШ-5
|
|
10
|
|
71,4
|
2,80
|
0,24
|
0,56
|
1,48
|
17,38
|
25,66
|
30,99
|
9
|
1,3
|
22,60
|
28,22659
|
36,16
|
54,94
|
|
РШ-6
|
|
|
|
|
|
|
|
|
|
|
|
|
|
|
|
|
|
42
|
Кран-балка, ПВ=40 %
|
1
|
14
|
14
|
|
0,30
|
0,50
|
1,73
|
4,20
|
7,27
|
|
|
|
|
|
|
|
|
43…44
|
Молот пневматический
|
2
|
7
|
14
|
|
0,24
|
0,50
|
1,73
|
3,36
|
5,82
|
|
|
|
|
|
|
|
|
45…47
|
Электропечь сопротивления
|
3
|
28
|
84
|
|
0,65
|
1,00
|
0,00
|
54,60
|
0,00
|
|
|
|
|
|
|
|
|
48…49
|
Молот пневматический
|
2
|
13
|
26
|
|
0,24
|
0,50
|
1,73
|
6,24
|
10,81
|
|
|
|
|
|
|
|
|
50…54
|
Печь муфельная
|
5
|
2,4
|
12
|
|
0,65
|
1,00
|
0,00
|
7,80
|
0,00
|
|
|
|
|
|
|
|
|
Итог по РШ-6
|
|
13
|
|
150
|
11,67
|
0,51
|
0,95
|
76,20
|
23,90
|
79,86
|
7
|
1,1
|
83,82
|
26,29253
|
87,85
|
133,47
|
|
РШ-7
|
|
|
|
|
|
|
|
|
|
|
|
|
|
|
|
|
|
55,56
|
Сварочный агрегат, ПВ=50 %
|
2
|
22
|
44
|
|
0,13
|
0,45
|
1,98
|
5,72
|
11,35
|
|
|
|
|
|
|
|
|
57…61
|
Трансф. сварочный, ПВ=40%
|
5
|
16
|
80
|
|
0,20
|
0,40
|
2,29
|
16,00
|
36,66
|
|
|
|
|
|
|
|
|
62…63
|
Преобразователь сварочный
|
2
|
14,5
|
29
|
|
0,40
|
0,50
|
1,73
|
11,60
|
20,09
|
|
|
|
|
|
|
|
|
64…66
|
Машина электросварочная
точечная
|
3
|
24
|
72
|
|
0,20
|
0,35
|
2,68
|
14,40
|
38,54
|
|
|
|
|
|
|
|
|
69
|
Вентилятор
|
1
|
11
|
11
|
|
0,65
|
0,80
|
0,75
|
7,15
|
5,36
|
|
|
|
|
|
|
|
|
Итог по РШ-7
|
|
13
|
|
236
|
2,18
|
0,23
|
0,44
|
2,04
|
54,87
|
112,01
|
124,72
|
12
|
1,28
|
70,23
|
112,01
|
132,21
|
200,87
|
|
Итог По ЦЕХУ
|
|
57
|
|
560,8
|
|
0,36
|
0,64
|
1,1953
|
203,74
|
243,53
|
317,52
|
|
|
247,67
|
248,48
|
350,84
|
533,04
|
|
РШ-1 - РШ-4
|
|
108,6
|
|
|
РШ-5 - РШ-7
|
|
256,2
|
|
|
Разница
|
|
58%
|
|
Сравнение результатов:
Рисунок 3- План ремонтно-механического цеха.
2.2 Расчет электрических нагрузок завода
Расчет нагрузок по заводу в целом производится в аналогичном порядке,
например: для деревообрабатывающего цеха имеем
,
,
,
,
,
,
.
Получаем:
,
,
,
.
При
и
:
, по
таблице 4.3 [1]
.
Тогда
расчетная нагрузка:
,
,
.
Результаты
расчетов для остальных цехов сведем в таблицу 6.
Максимальные
мощности суммируются с учетом коэффициента одновременности
(принимается по Приложению Д [1]).
. (6)
Таблица 6 - Определение расчетных нагрузок завода торгового оборудования.
|
№ п.п
|
наименование цеха
|
n
|
Pном, кВт
|
Σ
Р
|
m
|
Ku
|
cos
|
tg
|
|
nэ
|
Кр
|
расчетная нагрузка
|
|
|
|
мин
|
мах
|
|
|
|
|
|
Рсм
|
Qсм
|
Sсм
|
|
|
Рр
|
Qр
|
Sр
|
Iр
|
|
1
|
Деревообрабатывающий цех
|
60
|
0,8
|
55
|
850
|
68,75
|
0,5
|
0,75
|
0,88
|
425
|
374,81
|
566,67
|
31
|
1
|
425
|
374,81
|
566,67
|
860,96
|
|
2
|
Малярный цех
|
50
|
1,2
|
45
|
510
|
37,5
|
0,8
|
0,75
|
0,88
|
408
|
359,82
|
544
|
23
|
1
|
408
|
359,82
|
544,00
|
826,52
|
|
3
|
Ремонтно-механический цех
|
70
|
2,4
|
28
|
560,80
|
|
|
|
|
203,74
|
243,53
|
317,52
|
|
|
247,67
|
248,48
|
350,84
|
533,04
|
|
4
|
Цех испытания холодильников
|
45
|
1
|
30
|
450
|
30
|
0,4
|
0,75
|
0,88
|
180
|
158,75
|
240
|
30
|
1
|
180
|
158,75
|
240,00
|
364,64
|
|
5
|
Заготовительный цех
|
25
|
1,1
|
28
|
180
|
25,455
|
0,3
|
0,7
|
1,02
|
54
|
55,09
|
77,143
|
13
|
1,06
|
57,24
|
55,09
|
79,44
|
120,70
|
|
6
|
Цементный склад
|
5
|
10
|
10
|
50
|
1
|
0,2
|
0,6
|
1,33
|
10
|
13,33
|
16,667
|
5
|
1,72
|
17,2
|
14,67
|
22,60
|
34,34
|
|
7
|
Транспортный цех
|
20
|
1
|
28
|
250
|
28
|
0,3
|
0,8
|
0,75
|
75
|
56,25
|
93,75
|
18
|
1
|
75
|
56,25
|
93,75
|
142,44
|
|
8
|
Механический корпус
|
190
|
0,8
|
75
|
4900
|
93,75
|
0,4
|
0,8
|
0,75
|
1960
|
1470,00
|
2450
|
131
|
1
|
1960
|
1470,00
|
2450,00
|
3722,39
|
|
9
|
Цех горячего эмалирования
|
90
|
0,8
|
100
|
3550
|
125
|
0,6
|
0,75
|
0,88
|
2130
|
1878,48
|
2840
|
71
|
1
|
2130
|
1878,48
|
2840,00
|
4314,93
|
|
10
|
Компрессорная: эл.двиг. 6
кВ
|
4
|
600
|
600
|
2400
|
1
|
0,8
|
0,8
|
0,75
|
1920
|
1440,00
|
2400
|
4
|
1
|
1920
|
1584,00
|
2489,07
|
239,51
|
|
11
|
Склад готовой продукции
|
10
|
10
|
10
|
100
|
1
|
0,2
|
0,6
|
1,33
|
20
|
26,67
|
33,333
|
20
|
1,39
|
27,8
|
26,67
|
38,52
|
58,53
|
|
12
|
Склад металлов
|
4
|
2,5
|
20
|
50
|
8
|
0,3
|
0,65
|
1,17
|
15
|
23,077
|
4
|
1,47
|
22,05
|
19,29
|
29,30
|
44,51
|
|
13
|
Заводоуправление
|
15
|
1,1
|
15
|
110
|
13,636
|
0,5
|
0,7
|
1,02
|
55
|
56,11
|
78,571
|
15
|
1
|
55
|
56,11
|
78,57
|
119,38
|
|
14
|
Столовая
|
30
|
1
|
40
|
260
|
40
|
0,4
|
0,7
|
1,02
|
104
|
106,10
|
148,57
|
13
|
1,01
|
105,04
|
106,10
|
149,30
|
226,84
|
|
15
|
Цех резки стекла
|
25
|
1
|
30
|
190
|
30
|
0,3
|
0,65
|
1,17
|
57
|
66,64
|
87,692
|
13
|
1,03
|
58,71
|
66,64
|
88,81
|
134,94
|
|
16
|
Котельная
|
20
|
10
|
40
|
500
|
4
|
0,6
|
0,75
|
0,88
|
300
|
264,58
|
400
|
20
|
1
|
300
|
264,58
|
400,00
|
607,74
|
|
17
|
Электроремонтный цех
|
35
|
1,1
|
20
|
410
|
18,182
|
0,4
|
0,8
|
0,75
|
164
|
123,00
|
205
|
35
|
1
|
164
|
123,00
|
205,00
|
311,47
|
|
18
|
Насосная
|
10
|
80
|
80
|
800
|
1
|
0,8
|
0,8
|
0,75
|
640
|
480,00
|
800
|
10
|
1
|
640
|
480,00
|
800,00
|
1215,47
|
|
19
|
Цех товаров народного
потребления
|
40
|
1,1
|
25
|
390
|
22,727
|
0,4
|
0,8
|
0,75
|
156
|
117,00
|
195
|
31
|
1
|
156
|
117,00
|
195,00
|
296,27
|
|
итог по 0.38 кВ
|
|
|
|
|
14110,8
|
|
0,49
|
0,76
|
0,84
|
6957
|
5867,70
|
|
|
|
7028,71
|
5875,7
|
9161,2
|
13919,0
|
|
итог по 6 кВ
|
|
|
|
|
2400
|
|
0,80
|
0,80
|
0,75
|
1920
|
1440,00
|
|
|
|
1920
|
1584,0
|
2489,1
|
239,5
|
|
итог по заводу
|
|
|
|
|
16510,8
|
|
0,54
|
0,77
|
0,82
|
8876,74
|
7307,70
|
|
|
|
8948,71
|
7459,7
|
11650,2
|
17700,7
|
2.3 Построение картограммы нагрузок
Для наглядности и анализа распределения нагрузок по территории на
генплане строится картограмма нагрузок, что является основой для выбора
количества и местоположения цеховых ТП.
При построении картограммы необходимо определить расчетную мощность
освещения цехов и территории завода по следующей формуле:
, (7)
где
- удельная мощность освещения на единицу площади,
определяется по таблице 2 [2], Вт/м2;
-
коэффициент спроса на освещение,
принимается
для внутрицехового,
- для наружного освещения территории завода;
-
площадь освещаемого объекта, м2.
Мощность
освещения суммируется со среднесменной и с максимальной мощностями. Для
люминесцентных ламп необходимо учитывать их реактивную мощность, принимая
средний коэффициент мощности, равный
.
Для
малярного цеха имеем:
,
,
,
.
Тогда
расчетная мощность цеха с учетом осветительной нагрузки:
,
,
.
В
дальнейшем индекс «с+о» опускаем.
Для
остальных цехов расчеты сведем в таблицу 7.
Картограмма
электрических нагрузок представляет собой размещенные на генеральном плане
круги, площади которых в принятом масштабе равны расчетным нагрузкам цехов.
Радиус окружности:
, (8)
где m - масштаб, кВА/см2.
Осветительную нагрузку покажем сектором окружности нагрузки цеха,
посредством угла:
. (9)
Произведем расчет для механического корпуса №1:
,
.
Результаты
расчета сведем в таблицу 7.
Графическую
часть представим на рисунке 4.
Центр
электрических нагрузок (ЦЭН) по предприятию определяется для нахождения
предварительного местоположения ГПП (ГРП). Если ГПП невозможно расположить в
центре нагрузок, то она смещается в сторону источника питания.
Формулы
для определения ЦЭН:
,
. (10)
Результаты расчета сведем в таблицу 7.
Таблица 7 - Расчет картограммы нагрузок и определение ЦЭН
|
№ п.п
|
наименование цеха
|
F кв.мм
|
Po
|
Koc
|
cos
|
Ppo
|
Qpo
|
Spo
|
Pпол
|
Qпол
|
Sпол
|
I
|
угол
|
r
|
Xi
|
Yi
|
|
1
|
Деревообрабатывающий цех
|
2100
|
14
|
0,8
|
0,8
|
23,52
|
17,64
|
29,4
|
448,52
|
392,45
|
595,98
|
905,50
|
17,76
|
19,48
|
52
|
88
|
|
2
|
Малярный цех
|
3400
|
15
|
0,8
|
0,8
|
40,80
|
30,60
|
51
|
448,80
|
390,42
|
594,85
|
903,79
|
30,86
|
19,47
|
79
|
91
|
|
3
|
Ремонтно-механический цех
|
2000
|
15
|
0,8
|
0,8
|
24,00
|
18,00
|
30
|
271,67
|
266,48
|
380,55
|
578,19
|
28,38
|
15,57
|
109
|
87
|
|
4
|
Цех испытания холодильников
|
1100
|
14
|
0,8
|
0,8
|
12,32
|
9,24
|
15,4
|
192,32
|
167,99
|
255,35
|
387,97
|
21,71
|
12,75
|
137
|
91
|
|
5
|
Заготовительный цех
|
1100
|
13
|
0,8
|
0,8
|
11,44
|
8,58
|
14,3
|
68,68
|
63,67
|
93,65
|
142,29
|
54,97
|
7,72
|
167
|
91
|
|
6
|
Цементный склад
|
800
|
10
|
0,8
|
0,8
|
6,40
|
4,80
|
8
|
23,60
|
19,47
|
30,59
|
46,48
|
94,14
|
4,41
|
104
|
115
|
|
7
|
Транспортный цех
|
400
|
12
|
0,8
|
0,8
|
3,84
|
2,88
|
4,8
|
78,84
|
59,13
|
98,55
|
149,73
|
17,53
|
7,92
|
143
|
122
|
|
8
|
Механический корпус
|
15000
|
15
|
0,8
|
0,8
|
180,00
|
135,00
|
2140,00
|
1605,00
|
2675,00
|
4064,24
|
30,28
|
41,28
|
136
|
46
|
|
9
|
Цех горячего эмалирования
|
2400
|
16
|
0,8
|
0,8
|
30,72
|
23,04
|
38,4
|
2160,72
|
1901,52
|
2878,28
|
4373,10
|
4,80
|
42,82
|
203
|
97
|
|
10
|
Компрессорная: эл.двиг. 6
кВ
|
400
|
15
|
0,8
|
0,8
|
4,80
|
3,60
|
6
|
1924,80
|
1587,60
|
2495,06
|
240,09
|
0,87
|
39,86
|
29
|
94
|
|
11
|
Склад готовой продукции
|
700
|
10
|
0,8
|
0,8
|
5,60
|
4,20
|
7
|
33,40
|
30,87
|
45,48
|
69,10
|
55,41
|
5,38
|
23
|
69
|
|
12
|
Склад металлов
|
500
|
10
|
0,8
|
0,8
|
4,00
|
3,00
|
5
|
26,05
|
22,29
|
34,29
|
52,09
|
52,50
|
4,67
|
23
|
50
|
|
13
|
Заводоуправление
|
1100
|
20
|
0,8
|
0,8
|
17,60
|
13,20
|
22
|
72,60
|
69,31
|
100,37
|
152,50
|
78,91
|
8,00
|
21
|
64
|
|
14
|
Столовая
|
500
|
20
|
0,8
|
0,8
|
8,00
|
6,00
|
10
|
113,04
|
112,10
|
159,20
|
241,88
|
22,61
|
10,07
|
21
|
9
|
|
15
|
Цех резки стекла
|
1200
|
15
|
0,8
|
0,8
|
14,40
|
10,80
|
18
|
73,11
|
77,44
|
106,50
|
161,81
|
60,85
|
8,24
|
189
|
128
|
|
16
|
Котельная
|
400
|
8
|
0,8
|
0,8
|
2,56
|
1,92
|
3,2
|
302,56
|
266,50
|
403,19
|
612,58
|
2,86
|
16,03
|
226
|
126
|
|
17
|
Электроремонтный цех
|
1100
|
15
|
0,8
|
0,8
|
13,20
|
9,90
|
16,5
|
177,20
|
132,90
|
221,50
|
336,53
|
26,82
|
11,88
|
238
|
63
|
|
18
|
Насосная
|
400
|
15
|
0,8
|
0,8
|
4,80
|
3,60
|
6
|
644,80
|
483,60
|
806,00
|
1224,59
|
2,68
|
22,66
|
203
|
17
|
|
19
|
Цех товаров народного
потребления
|
1100
|
15
|
0,8
|
0,8
|
13,20
|
9,90
|
16,5
|
169,20
|
126,90
|
211,50
|
321,34
|
28,09
|
11,61
|
227
|
33
|
|
Территория завода
|
158400
|
0,2
|
0,8
|
0,8
|
25,34
|
19,01
|
31,68
|
|
|
|
|
|
|
|
|
|
Всего по заводу
|
|
|
|
|
|
|
|
9395,26
|
9414,26
|
13300
|
|
|
ЦЭН
|
130,42
|
89,15
|
Рисунок 4 - Картограмма нагрузок.
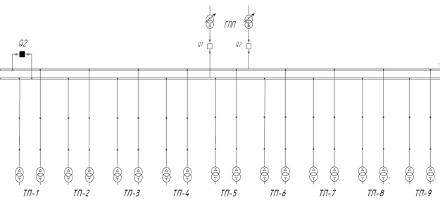
3. Определение числа и мощности трансформаторов на цеховых
подстанциях
Потребители I и II категорий питаются от двухтрансформаторных ТП,
потребителей III категории можно питать от однотрансформаторных ТП. Если
мощность цеха не превышает 250 кВА, то можно запитывать цех от РП, связанного
КЛ 0,38 кВ с ближайшей ТП. В цехах с нормальной производственной средой ТП
допускается устанавливать внутри зданий. Место установки ТП выбирается как можно
ближе к ГПП. Оптимальная мощность трансформатора цеховой ТП:
, (11)
где n - число трансформаторов на ТП;
-
коэффициент загрузки, для потребителей I категории следует принимать в диапазоне
0,6…0,7, для II - 0,6…0,7, для III - 0,9…0,95.
Действительный коэффициент загрузки трансформатора в нормальном режиме:
, (12)
где
- суммарная расчетная мощность цехов, питающихся от
данной ТП, кВА;
-
номинальная мощность одного трансформатора ТП, кВА.
Данный коэффициент должен входить в диапазон при нормальном режиме работы
0,55…0,7 для II категории и 0,5…0,7 для I-й; соответственно для послеаварийного
- не должен превышать значения 1,4.
Для малярного цеха:
,
.
Выбираем
2 трансформатора мощностью по 400кВА.
,
.
Для
остальных ТП результаты сведем в таблицу 8.
Расположение
цеховых ТП и РП показано на рисунке 5.
Таблица 8 - Выбор числа и мощности цеховых ТП
|
№ цеховых ТП
|
Зона охвата
|
Категории нагрузки
|
Расположение ТП
|
Pсм, кВт
|
Qсм, кВар
|
Sсм, кВА
|
Рро, кВт
|
Qро, кВар
|
Pр,кВт
|
Qр, кВар
|
Pр+о, кВт
|
Qр+о, кВар
|
Sр, кВА
|
n
|
So,тр-р, кВА
|
Sн,т, кВА
|
βн
|
βа
|
|
ТП-1+РП-6+РП-7+РП-8+ РП-9
|
1,11,12,13,14
|
II
|
Цех №1
|
677,72
|
625,27
|
922,1
|
58,72
|
44,04
|
634,89
|
582,985
|
693,61
|
627,02
|
935,02
|
2
|
614,733
|
630
|
0,74
|
1,48
|
|
ТП-2
|
2
|
II
|
Цех №2
|
448,80
|
390,42
|
594,85
|
40,80
|
30,60
|
408
|
359,82
|
448,80
|
390,42
|
594,85
|
2
|
396,569
|
400
|
0,74
|
1,49
|
|
ТП-3+РП-4+РП-5
|
3,6,7
|
II
|
Цех №3
|
322,98
|
338,79
|
468,08
|
34,24
|
25,68
|
339,87
|
319,40
|
374,11
|
345,08
|
508,96
|
2
|
312,051
|
400
|
0,64
|
1,27
|
|
ТП-4+РП-1
|
4,5
|
II
|
Цех №4
|
257,76
|
231,66
|
346,56
|
23,76
|
17,82
|
237,24
|
213,84
|
261,00
|
231,66
|
348,98
|
2
|
231,041
|
250
|
0,7
|
1,4
|
|
ТП-5+РП-2
|
9,17
|
II
|
Цех №9
|
2337,92
|
2034,42
|
3099,2
|
43,92
|
32,94
|
2294
|
2001,48
|
2337,92
|
2034,42
|
3099,2
|
2
|
2066,1
|
2500
|
0,62
|
1,24
|
|
ТП-6+РП-3
|
16,15,
|
I
|
Цех №16
|
373,96
|
343,94
|
16,96
|
12,72
|
358,71
|
331,22
|
375,67
|
343,94
|
509,33
|
2
|
338,715
|
400
|
0,64
|
1,27
|
|
ТП-7
|
8
|
II
|
Цех №8
|
2140,00
|
1605,00
|
2675
|
180,00
|
135,00
|
1960
|
1470
|
2140,00
|
1605,00
|
2675
|
2
|
1783,33
|
2500
|
0,54
|
1,07
|
|
ТП-8+РП-10
|
18,19
|
I
|
Цех №18
|
814,00
|
610,50
|
1017,5
|
18,00
|
13,50
|
796
|
597
|
814,00
|
610,50
|
1017,5
|
2
|
678,333
|
1000
|
0,51
|
1,02
|
|
ТП-9+РУ-1
|
10
|
I
|
Цех №10
|
1924,80
|
1443,60
|
2406
|
4,80
|
3,60
|
1920
|
1584
|
1924,80
|
1587,60
|
2495,1
|
2
|
1604
|
2500
|
0,5
|
1
|
Рисунок 5 - Расположение цеховых ТП и РП.
4. Компенсация реактивной мощности
Как видно из таблицы 8, на ТП-1, ТП-2 коэффициенты загрузки превышают
допустимое значение, а устанавливать более мощные трансформаторы экономически
не целесообразно, так как это требует больших капитальных вложений, и поскольку
трансформаторы будут недогружены, то будут большие потери активной мощности, по
сравнению с другим вариантом.
Для решения данной проблемы установим на РУ-0,4 кВ ТП батареи
конденсаторов (БК).
4.1 Расчет КУ на стороне 0,4 кВ
Наибольшая реактивная мощность, которая может быть передана со стороны 10
кВ в сеть 0,4 кВ через трансформатор без увеличения его мощности:
. (13)
Мощность, подлежащая распределению по сети 380 В:
. (14)
Далее определяем потери активной и реактивной мощности в трансформаторах:
, (15)
где
и
- потери
активной мощности холостого хода и короткого замыкания, кВт.
, (16)
где
- потери реактивной мощности холостого хода, кВар;
-
напряжение короткого замыкания, %.
Расчетная
мощность после компенсации:
, (17)
где
- потери активной мощности в КУ, принимается
.
, (18)
. (19)
На ТП-1 и ТП-2, с целью уменьшения загрузки трансформатора, установим ККУ
УК-0,38-QУ3 2х75кВар.
Произведем перерасчет расчетных мощностей:
,
,
,
,
.
Значение
коэффициента загрузки входит в рамки допустимых значений.
,
,
,
,
.
Для
остальных ТП расчеты сведем в таблицу 9.
4.2 Расчет КУ на стороне 10 кВ ГПП (ГРП)
КУ в сетях промышленных предприятий напряжением 10 кВ устанавливаются на
ГПП (ГРП), мощность их для одной секции шин определяется:
(20)
где
- потери реактивной мощности в силовых
трансформаторах ГПП, кВар;
- реактивная
мощность, получаемая из энергосистемы, кВар; определяется как
, где
-
нормативный коэффициент мощности;
-
количество секций шин.
.
Найдем
приближенное значение
:
.
В
компрессорной установлено 4 синхронных двигателя марки СДН-2 с параметрами:
Тогда
.
Выбираем
БК типа 3хУК-10-Q У3 600.
Потери
активной мощности в БК ГПП (ГРП):
.
Расчетная
мощность ГПП (ГРП):
,
,
.
Мощность
трансформатора ГПП:
.
Выбираем
два трансформатора мощностью 10000 кВА.
Коэффициент
загрузки в нормальном и послеаварийном режиме:
,
.
Таблица 9 - Расчет компенсации реактивной мощности
|
Sном
|
марка
|
№ ТП
|
Зона охвата
|
Q0,4. кВар
|
Qку. кВар
|
ΔPКУ, кВт
|
S'р, кВА
|
β'н
|
β'а
|
S'см, кВА
|
ΔPх, кВт
|
ΔQх, кВар
|
ΔPк, кВт
|
Uк, %
|
ΔPтк, кВт
|
ΔQтк, кВар
|
ΔPт, кВт
|
ΔQт, кВар
|
Pр, кВт
|
Qв-н, кВар
|
|
630
|
2xТМ-630
|
ТП-1
|
1,11,12,13,14
|
-104,39
|
150
|
3
|
844,29
|
0,67
|
1,34
|
827,76
|
1,5
|
18,9
|
8
|
5,5
|
6,91
|
29,91
|
9,91
|
67,71
|
703,52
|
544,73
|
|
400
|
2xТМ-400
|
ТП-2
|
2
|
-65,84
|
150
|
3
|
511,79
|
0,64
|
1,28
|
509,14
|
1,08
|
12
|
5,9
|
4,5
|
4,78
|
14,58
|
6,94
|
38,58
|
455,74
|
279,00
|
|
400
|
2xТМ-400
|
ТП-3
|
3,7,6
|
-174,19
|
0
|
0
|
508,96
|
0,64
|
1,27
|
468,08
|
1,08
|
12
|
5,9
|
4,5
|
4,04
|
12,32
|
6,20
|
36,32
|
380,31
|
381,40
|
|
250
|
2xТМ-250
|
ТП-4
|
4,5
|
-71,46
|
0
|
0
|
348,98
|
0,70
|
1,40
|
346,56
|
0,82
|
12
|
5,9
|
4,5
|
5,67
|
10,81
|
7,31
|
34,81
|
268,31
|
266,47
|
|
2500
|
2xТМ-2500
|
ТП-5
|
9,17
|
-1211,21
|
0
|
0
|
3099,15
|
0,62
|
1,24
|
3099,15
|
4,6
|
25
|
23,5
|
5,5
|
18,06
|
105,65
|
27,26
|
155,65
|
2365,18
|
2190,08
|
|
400
|
2xТМ-400
|
ТП-6
|
16,15
|
-174,21
|
0
|
0
|
509,33
|
0,64
|
1,27
|
508,07
|
1,08
|
12
|
5,9
|
4,5
|
4,76
|
14,52
|
6,92
|
38,52
|
382,59
|
382,46
|
|
2500
|
2xТМ-2500
|
ТП-7
|
8
|
-1774,41
|
0
|
0
|
2675,00
|
0,54
|
1,07
|
2675,00
|
4,6
|
25
|
23,5
|
5,5
|
13,45
|
78,71
|
22,65
|
128,71
|
2162,65
|
1733,71
|
|
1000
|
2xТМ-1000
|
ТП-8
|
18,19
|
-766,96
|
0
|
0
|
1017,50
|
0,51
|
1,02
|
1017,50
|
2,2
|
26
|
12
|
5,5
|
6,21
|
28,47
|
10,61
|
80,47
|
824,61
|
690,97
|
|
2500
|
2xТМ-2500
|
ТП-9
|
10
|
0,00
|
0
|
0
|
2495,06
|
0,50
|
1,00
|
2406,00
|
4,6
|
25
|
23,5
|
5,5
|
10,88
|
63,68
|
20,08
|
113,68
|
1944,88
|
1701,28
|
|
4*600
|
|
РУ-1
|
|
|
|
|
|
|
|
2400
|
|
|
|
|
|
|
|
|
1920,00
|
1584,00
|
|
∑
|
11407,79
|
9754,10
|
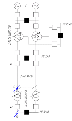
5. Выбор схемы внешнего электроснабжения
Для сравнения вариантов воспользуемся старыми ценами и оборудованием.
(21)
Питание завода осуществляем двухцепной воздушной линией на железобетонных
опорах напряжением 110 кВ (рисунок 6).
Выбираем два трансформатора марки ТДН-10000/110.
,
,
,
,
,
,
.
Стоимость трансформатора
.
Определим
потери в трансформаторах по формулам (17) и (18):
,
.
Мощность, потребляемая заводом:
,
,
,
Максимальный
рабочий ток в линии:
.
Аварийный
ток:
.
По
экономической плотности тока
(для
неизолированного алюминиевого провода при
)
выбираем сечение провода ВЛ 110 кВ:
. (23)
Согласно ПУЭ, по условиям возникновения короны, минимальное сечение
провода ВЛ 110 кВ составляет 70 мм2. Принимаем провод марки АС - 70/11 с
параметрами:
,
,
,
Сопротивление
двухцепной ВЛ 110 кВ:
, (24)
. (25)
Определим потери напряжения в линии в нормальном режиме:
, (26)
. (27)
Потери напряжения в линии в послеаварийном режиме:
,
.
Капиталовложения
в линию:
(28)
Стоимость трансформаторов:
(29)
Стоимость ячеек ОРУ-110 кВ:
, (30)
Данные по затратам взяты из [2],
Постоянная часть затрат:
(31)
Затраты на строительство ЗРУ в данном технико-экономическом сравнении
учитывать не будем.
Капиталовложения:
, (32)
где
- зональный повышающий коэффициент на базисную
стоимость электросетевых объектов, для Забайкальского края
;
Определим
потери активной мощности в линии:
. (33)
Суммарные потери электроэнергии:

, (34)
где
- время максимальных потерь в зависимости от
по рисунку 5.11 [3], ч.
Суммарные издержки:
, (35)
где
,
- нормы
амортизационных отчислений, затрат на эксплуатацию и капитальный ремонт, %;
-
стоимость электроэнергии,
.
Приведенные
затраты для данного варианта:
. (36)
Рисунок 6 - Питание по ВЛ 110 кВ.
Результаты расчетов для остальных вариантов сведем в таблицу 10.
Рисунок 7 - Питание по ВЛ 35 кВ.
Рисунок 8 - Питание по КЛ 10 кВ.
Принимаем вариант 2 (питание на напряжение 35 кВ), так как он наиболее
экономически целесообразен.
Таблица 10 - Технико-экономическое сравнение вариантов
|
№
|
Uном, кВ
|
Тип тр-ра
|
Sном, кВА
|
ΔPх, кВт
|
ΔQх, кВар
|
ΔPк, кВт
|
Uк, %
|
Полная ст-ть, т.руб.
|
ΔPт, кВт
|
ΔQт, кВар
|
Pз, кВт
|
Qз, кВар
|
Sз, кВА
|
βн
|
βа
|
|
1
|
110
|
ТМН-10000/110
|
10000
|
14
|
70
|
60
|
10,5
|
3700
|
68,93
|
856,21
|
11494,72
|
7010,31
|
12117,39
|
0,61
|
1,21
|
|
2
|
35
|
ТМН-10000/35
|
10000
|
14,5
|
80
|
65
|
7,5
|
2500
|
73,34
|
671,58
|
11499,13
|
6825,68
|
12035,12
|
0,60
|
1,20
|
|
3
|
10
|
-
|
0
|
0
|
0
|
0
|
0
|
0
|
0
|
0
|
11425,79
|
6154,10
|
11679,96
|
0
|
0
|
|
|
|
|
|
|
|
|
|
|
|
|
|
|
|
|
Продолжение таблицы 10
|
Iрmax, А
|
Iав, А
|
Fэк, кв.мм
|
Fст, кв.мм
|
Iдоп, А
|
Ro, Ом/км
|
Xo, Ом/км
|
R, Ом
|
X, Ом
|
ΔU,
В
|
δU,
%
|
ΔUав, В
|
δUав, %
|
Примечание
|
|
31,80
|
63,60
|
28,91
|
2хАС-70/11
|
265,00
|
0,42
|
0,44
|
2,74
|
2,89
|
423,51
|
0,39
|
847,01
|
0,77
|
|
|
99,26
|
198,53
|
90,24
|
2хАС-95/16
|
330,00
|
0,43
|
0,44
|
2,76
|
2,86
|
1318,83
|
3,77
|
2637,66
|
7,54
|
|
|
337,17
|
674,34
|
240,84
|
4хААБ-185
|
310,00
|
0,167
|
0,08
|
1,09
|
0,50
|
1670,11
|
16,70
|
2786,91
|
27,87
|
большие потери напр
|
Окончание таблицы 10
|
l, км
|
ko, т.руб/км
|
Ст-ть сооруж. линии, т.руб.
|
Ст-ть ячейки РУ, т.руб.
|
Пост. часть затрат, т.руб.
|
Кап. Влож.
|
ΔPл, кВт
|
Tmax, ч
|
τ,
ч
|
зэ, коп/кВт ч
|
Спот, т.руб.
|
ΔЭ, кВт ч
|
Нормы аморт. отчисл. ВЛ и
КЛ, %
|
Нормы аморт. отчисл.
оборуд., %
|
И, т.руб/год
|
З, т.руб/год
|
|
13,00
|
1150,00
|
14950,00
|
14600,00
|
10750,00
|
66780,00
|
33,29
|
4000,00
|
1900,00
|
1,76
|
5,80
|
329446,37
|
2,80
|
6,30
|
4171,50
|
12185,10
|
|
13,00
|
1180,00
|
15340,00
|
1200,00
|
5000,00
|
37156,00
|
324,33
|
4000,00
|
1900,00
|
1,76
|
15,71
|
892631,87
|
2,80
|
6,30
|
1554,48
|
6013,20
|
|
13,00
|
-
|
-
|
-
|
-
|
-
|
-
|
-
|
-
|
-
|
-
|
-
|
-
|
-
|
-
|
-
|
6. Выбор схемы внутреннего электроснабжения завода
Распределение электроэнергии на промышленном предприятии может
выполняться по радиальной, магистральной или смешанной схеме в зависимости от
территориального размещения нагрузок, величины потребляемой мощности,
надежности питания и других особенностей объекта. Схемы выполняются
одноступенчатыми.
ГПП размещаем на территории завода, максимально близко к ЦЭНу. Т.к
проведение ВЛ 35 по территории завода не рекомендуется, из-за зоны отчуждения,
то выполним кабелем.
Максимальный рабочий ток кабеле:
. (37)
Аварийный
ток:
.
По
экономической плотности тока
[2].(для
неизолированного алюминиевого провода при
)
выбираем сечение КЛ 35 кВ:
.
Принимаем кабель марки 2хААБ-3*120 с параметрами:
,
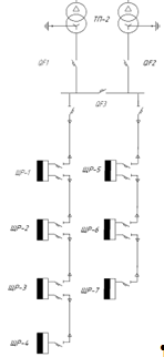
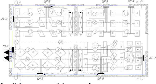
Рассмотрим два варианта внутреннего электроснабжения: радиальную (рисунок
9, 10) и смешанную (рисунок 11, 12) схемы. Путем технико-экономического
сравнения выберем наиболее целесообразную из них. Для упрощения одинаковые
элементы схем не учитываем.
6.1 Радиальная схема
Питание потребителей I и II категорий осуществляется двухцепной кабельной
линией от шин ГПП, работающих раздельно. Кабели марки ААБ-10 и АВВГ-0,4
проложены в траншеях.
Кабельная линия ГПП-ТП1.
Максимальный рабочий ток в линии:
. (38)
Аварийный
ток:
.
По
экономической плотности тока
выбираем
сечение жил КЛ 10 кВ:
. (40)
Принимаем
стандартное сечение жил кабеля
:
,
,
,
, затраты на строительство КЛ
.
Проверка
КЛ по длительно допустимому току произведем по следующему выражению:
, (41)
где
- коэффициент перегрузки в послеаварийном режиме,
показывающий, на сколько можно превышать
,
определяется по таблице 7.37 [3], принимаем
.
,
выбранный кабель проходит по нагреву.
Проверим
на термическую стойкость к токам КЗ:
Сопротивление
двухцепной КЛ 10 кВ:
,(42)
. (43)
Определим потери напряжения в линии в нормальном режиме:
, (44)
. (45)
Потери напряжения в линии в послеаварийном режиме:
,
.
Капиталовложения
в КЛ: (Данные взяты из интернета с различных сайтов)
(46)
Потери электроэнергии:
. (47)
Результаты расчета остальных кабельных линий сведем в таблицу 11.
|
Напря-жение
|
Участок
|
L, км
|
Pм, кВт
|
Qм, кВар
|
Sм, кВА
|
cosφ
|
Iм, А
|
Iав, А
|
Fэ, кв. мм (j=1.4)
|
Fст, кв. мм
|
Iдоп, А
|
Ro, Ом/км
|
Xo, Ом/км
|
R, Ом
|
X, Ом
|
∆А, кВт ч
|
Спот, т.руб.
|
∆U, В
|
δU,
%
|
∆Uав, В
|
δUав, %
|
Ko, тыс.руб
|
Ккл, тыс.руб.
|
|
10
|
ГПП-ТП-1
|
0,103
|
703,52
|
544,73
|
889,76
|
0,79
|
25,69
|
51,37
|
18,35
|
25
|
112,5
|
1,25
|
0,1
|
0,06438
|
0,0052
|
968,31
|
0,01704
|
4,58
|
0,0436
|
9,161
|
0,087
|
300
|
61,97
|
|
ГПП-ТП-2
|
0,084
|
455,74
|
279,00
|
534,36
|
0,85
|
15,43
|
30,85
|
11,02
|
16
|
93,75
|
1,95
|
0,11
|
0,0819
|
444,33
|
0,00782
|
3,68
|
0,035
|
7,355
|
0,07
|
200
|
33,74
|
|
ГПП-ТП-3
|
0,058
|
380,31
|
381,40
|
538,62
|
0,71
|
15,55
|
31,10
|
11,11
|
16
|
93,75
|
1,95
|
0,11
|
0,05655
|
0,0032
|
311,70
|
0,00549
|
2,16
|
0,0206
|
4,328
|
0,041
|
200
|
23,30
|
|
ГПП-ТП-4
|
0,0374
|
268,31
|
266,47
|
378,14
|
0,71
|
10,92
|
21,83
|
7,80
|
16
|
93,75
|
1,95
|
0,11
|
0,03647
|
0,0021
|
99,07
|
0,00174
|
0,98
|
0,0094
|
1,968
|
0,019
|
200
|
15,02
|
|
ГПП-ТП-5
|
0,018
|
2365,18
|
2190,08
|
3223,43
|
0,73
|
93,05
|
186,10
|
66,47
|
70
|
206,3
|
0,45
|
0,09
|
0,00405
|
0,0008
|
799,55
|
0,01407
|
1,08
|
0,0103
|
2,162
|
0,021
|
600
|
21,63
|
|
ГПП-ТП-6
|
0,0766
|
382,59
|
382,46
|
540,97
|
0,71
|
15,62
|
31,23
|
11,15
|
16
|
93,75
|
1,95
|
0,11
|
0,07469
|
0,0042
|
415,27
|
0,00731
|
2,87
|
0,0274
|
5,75
|
0,055
|
200
|
30,77
|
|
ГПП-ТП-7
|
0,0114
|
2162,65
|
1733,71
|
2771,79
|
0,78
|
80,01
|
160,03
|
57,15
|
70
|
206,3
|
0,45
|
0,09
|
0,00257
|
0,0005
|
374,42
|
0,00659
|
0,61
|
0,0058
|
1,226
|
0,012
|
600
|
13,70
|
|
ГПП-ТП-8
|
0,05
|
824,61
|
690,97
|
1075,84
|
0,77
|
31,06
|
62,11
|
22,18
|
25
|
112,5
|
1,25
|
0,1
|
0,03125
|
0,0025
|
687,22
|
0,01210
|
2,62
|
0,0249
|
5,237
|
0,05
|
300
|
30,08
|
|
ГПП-ТП-9
|
0,145
|
1944,88
|
1701,28
|
2583,97
|
0,75
|
74,59
|
149,19
|
53,28
|
50
|
175
|
0,63
|
0,09
|
0,04568
|
0,0065
|
5794,39
|
0,10198
|
9,52
|
0,0906
|
19,03
|
0,181
|
500
|
145,24
|
|
0,38
|
ТП-1-РП 6
|
0,041
|
33,40
|
30,87
|
45,48
|
0,73
|
69,10
|
138,20
|
49,36
|
50
|
225
|
0,63
|
0
|
0,02583
|
0
|
1,02
|
0,00002
|
2,27
|
0,5975
|
4,541
|
1,195
|
400
|
32,87
|
|
ТП-1-РП 7
|
0,054
|
26,05
|
22,29
|
34,29
|
0,76
|
52,09
|
104,18
|
37,21
|
35
|
181,3
|
0,89
|
0
|
0,04806
|
0
|
1,07
|
0,00002
|
3,29
|
0,867
|
6,589
|
1,734
|
350
|
37,89
|
|
ТП-1-РП 8
|
0,0728
|
72,60
|
69,31
|
100,37
|
0,72
|
152,50
|
305,00
|
108,93
|
95
|
325
|
0,33
|
0
|
0,01878
|
0
|
3,60
|
0,00006
|
3,59
|
0,9443
|
7,177
|
1,889
|
690
|
129,71
|
|
ТП-1-РП 9
|
0,097
|
113,04
|
112,10
|
159,20
|
0,71
|
120,94
|
241,88
|
86,39
|
95
|
325
|
0,33
|
0
|
0,03201
|
0
|
15,41
|
0,00027
|
9,52
|
2,5058
|
19,04
|
5,012
|
690
|
134,02
|
|
ТП-3-РП 5
|
0,0374
|
23,60
|
19,47
|
30,59
|
0,77
|
46,48
|
92,96
|
33,20
|
35
|
181,3
|
0,89
|
0
|
0,03329
|
0
|
0,59
|
0,00001
|
2,07
|
0,544
|
4,134
|
1,088
|
350
|
26,24
|
|
ТП-3-РП 4
|
0,0415
|
78,84
|
59,13
|
98,55
|
0,80
|
149,73
|
299,46
|
106,95
|
95
|
325
|
0,33
|
0
|
0,0137
|
0
|
2,53
|
0,00004
|
2,84
|
0,7477
|
5,683
|
1,495
|
690
|
57,34
|
|
ТП-4-РП 1
|
0,012
|
14,30
|
68,68
|
70,15
|
0,20
|
106,59
|
213,17
|
76,13
|
70
|
275
|
0,45
|
0
|
0,0054
|
0
|
0,50
|
0,00001
|
0,2
|
0,0535
|
0,406
|
0,107
|
580
|
13,94
|
|
ТП-5-РП 2
|
0,034
|
177,20
|
132,90
|
221,50
|
0,80
|
237,97
|
475,93
|
169,98
|
150
|
475
|
0,27
|
0
|
0,00918
|
0
|
8,56
|
0,00015
|
4,28
|
1,1265
|
2,253
|
900
|
61,26
|
|
ТП-6-РП 3
|
0,024
|
73,11
|
77,44
|
106,50
|
0,69
|
161,81
|
323,62
|
115,58
|
120
|
375
|
0,26
|
0
|
0,00624
|
0
|
1,34
|
0,00002
|
1,2
|
0,3159
|
2,401
|
0,632
|
890
|
42,76
|
|
ТП-8-РП 10
|
0,037
|
169,20
|
126,90
|
211,50
|
0,80
|
160,67
|
321,34
|
114,76
|
120
|
375
|
0,26
|
0
|
0,00962
|
0
|
8,18
|
0,00014
|
4,28
|
1,1272
|
8,567
|
2,254
|
890
|
65,92
|
|
Итого:
|
|
|
|
|
|
|
|
|
|
|
|
|
|
|
|
9937,072
|
0,174892
|
|
|
123,3
|
32,45
|
|
977,41
|
Таблица 11 - Расчет радиальной схемы
Рисунок 9 - Радиальная схема прокладки КЛ.
Рисунок 10 - Радиальная схема внутреннего электроснабжения.
6.2 Смешанная схема
Расчет смешанной схемы ведется аналогично методике, приведенной при
расчете радиальной схемы.
Результаты расчета сведем в таблицу 12.
Таблица 12 - Расчет смешанной схемы
|
Напря-жение
|
Участок
|
L, км
|
Pм, кВт
|
Qм, кВар
|
Sм, кВА
|
cosφ
|
Iм, А
|
Iав, А
|
Fэ, кв. мм (j=1.4)
|
Fст, кв. мм
|
Iдоп, А
|
Ro, Ом/км
|
Xo, Ом/км
|
R, Ом
|
X, Ом
|
∆А, кВт ч
|
Спот, т.руб.
|
∆U, В
|
δU,
%
|
∆Uав, В
|
δUав, %
|
Ko, тыс.руб
|
Ккл, тыс.руб.
|
|
10
|
ГПП-ТП-1
|
0,103
|
703,52
|
544,73
|
889,76
|
0,79
|
25,69
|
51,37
|
18,35
|
25
|
112,5
|
1,25
|
0,1
|
0,06
|
0,0052
|
968,31
|
0,01704
|
4,58
|
0,0436
|
9,161
|
0,087
|
300
|
61,97
|
|
ГПП-ТП-4
|
0,0354
|
1104,36
|
926,87
|
1441,77
|
0,77
|
41,62
|
83,24
|
29,73
|
35
|
181,3
|
0,89
|
0,1
|
0,02
|
0,0018
|
622,17
|
0,01095
|
1,81
|
0,0173
|
3,626
|
0,035
|
400
|
28,38
|
|
ГПП-ТП-5
|
0,018
|
2365,18
|
2190,08
|
3223,43
|
0,73
|
93,05
|
186,10
|
66,47
|
70
|
150
|
0,45
|
0,09
|
0,00
|
0,0008
|
799,55
|
0,01407
|
1,08
|
0,0103
|
2,162
|
0,021
|
600
|
21,63
|
|
ГПП-ТП-6
|
0,0766
|
382,59
|
382,46
|
540,97
|
0,71
|
15,62
|
31,23
|
11,15
|
16
|
93,75
|
1,95
|
0,11
|
0,07
|
0,0042
|
415,27
|
0,00731
|
2,87
|
0,0274
|
5,75
|
0,055
|
200
|
30,77
|
|
ГПП-ТП-7
|
0,0114
|
2162,65
|
1733,71
|
2771,79
|
0,78
|
80,01
|
160,03
|
57,15
|
50
|
175
|
0,63
|
0,09
|
0,00
|
0,0005
|
524,19
|
0,00923
|
0,82
|
0,0079
|
1,649
|
0,016
|
500
|
11,42
|
|
ГПП-ТП-8
|
0,05
|
824,61
|
690,97
|
1075,84
|
0,77
|
31,06
|
62,11
|
22,18
|
25
|
112,5
|
1,25
|
0,1
|
0,03
|
0,0025
|
687,22
|
0,01210
|
2,62
|
0,0249
|
5,237
|
0,05
|
800
|
80,08
|
|
ГПП-ТП-9
|
0,145
|
1944,88
|
1701,28
|
2583,97
|
0,75
|
74,59
|
149,19
|
53,28
|
50
|
175
|
0,63
|
0,09
|
0,05
|
0,0065
|
5794,39
|
0,10198
|
9,52
|
0,0906
|
19,03
|
0,181
|
500
|
145,24
|
|
ТП-4-ТП-3
|
0,021
|
836,05
|
660,41
|
1065,42
|
0,78
|
30,76
|
61,51
|
21,97
|
25
|
112,5
|
1,25
|
0,11
|
0,01
|
0,0012
|
283,07
|
0,00498
|
1,12
|
0,0106
|
2,235
|
0,021
|
300
|
12,64
|
|
ТП-3-ТП-2
|
0,003
|
455,74
|
279,00
|
534,36
|
0,85
|
15,43
|
30,85
|
11,02
|
16
|
93,75
|
1,95
|
0,1
|
0,00
|
0,0002
|
15,87
|
0,00028
|
0,13
|
0,0012
|
0,262
|
0,002
|
250
|
1,51
|
|
0,38
|
ТП-1-РП 6
|
0,041
|
33,40
|
30,87
|
45,48
|
0,73
|
69,10
|
138,20
|
49,36
|
50
|
175
|
0,63
|
0
|
0,03
|
0
|
1,02
|
0,00002
|
2,27
|
0,5975
|
4,541
|
1,195
|
400
|
32,87
|
|
ТП-1-РП 7
|
0,054
|
26,05
|
22,29
|
34,29
|
0,76
|
52,09
|
104,18
|
37,21
|
35
|
181,3
|
0,89
|
0
|
0,05
|
0
|
1,07
|
0,00002
|
3,29
|
0,867
|
6,589
|
1,734
|
350
|
37,89
|
|
ТП-1-РП 8
|
0,0728
|
72,60
|
69,31
|
100,37
|
0,72
|
152,50
|
305,00
|
95
|
325
|
0,33
|
0
|
0,02
|
0
|
4,60
|
0,00008
|
4,59
|
1,2079
|
9,18
|
2,416
|
690
|
100,59
|
|
ТП-1-РП 9
|
0,097
|
113,04
|
112,10
|
159,20
|
0,71
|
120,94
|
241,88
|
86,39
|
95
|
325
|
0,33
|
0
|
0,03
|
0
|
15,41
|
0,00027
|
9,52
|
2,5058
|
19,04
|
5,012
|
1050
|
203,86
|
|
ТП-3-РП 5
|
0,0374
|
23,60
|
19,47
|
30,59
|
0,77
|
46,48
|
92,96
|
33,20
|
35
|
181,3
|
0,89
|
0
|
0,03
|
0
|
0,59
|
0,00001
|
2,07
|
0,544
|
4,134
|
1,088
|
350
|
26,24
|
|
ТП-3-РП 4
|
0,0415
|
78,84
|
59,13
|
98,55
|
0,80
|
149,73
|
299,46
|
106,95
|
95
|
325
|
0,33
|
0
|
0,01
|
0
|
2,53
|
0,00004
|
2,84
|
0,7477
|
5,683
|
1,495
|
690
|
57,34
|
|
ТП-4-РП 1
|
0,012
|
14,30
|
68,68
|
70,15
|
0,20
|
106,59
|
213,17
|
76,13
|
70
|
275
|
0,45
|
0
|
0,01
|
0
|
0,50
|
0,00001
|
0,2
|
0,0535
|
0,406
|
0,107
|
580
|
13,94
|
|
ТП-5-РП 2
|
0,034
|
177,20
|
132,90
|
221,50
|
0,80
|
168,27
|
336,53
|
120,19
|
120
|
375
|
0,129
|
0
|
0,00
|
0
|
4,09
|
0,00007
|
2,05
|
0,5382
|
4,091
|
1,076
|
890
|
60,58
|
|
ТП-6-РП 3
|
0,024
|
73,11
|
77,44
|
106,50
|
0,69
|
80,90
|
161,81
|
57,79
|
70
|
93,75
|
0,45
|
0
|
0,01
|
0
|
2,33
|
0,00004
|
2,08
|
0,5468
|
4,156
|
1,094
|
580
|
27,88
|
|
ТП-8-РП 10
|
0,037
|
169,20
|
126,90
|
211,50
|
0,80
|
160,67
|
321,34
|
114,76
|
120
|
375
|
0,129
|
0
|
0,00
|
0
|
4,06
|
0,00007
|
2,13
|
0,5593
|
4,25
|
1,119
|
890
|
65,92
|
|
Итого:
|
|
|
|
|
|
|
|
|
|
|
|
|
|
|
|
10146,24
|
0,1785739
|
|
|
111,2
|
29,26
|
|
1020,75
|
Рисунок 11 - Смешанная схема прокладки КЛ.
Рисунок 12 - Смешанная схема внутреннего электроснабжения.
6.3 Сравнение вариантов
По данным из
таблиц следует, что варианты равно-экономические, поэтому принимаем радиальную
сеть, т.к более надежна и проста в обслуживании.
7. Расчет токов короткого замыкания
.1 Расчет токов КЗ на РУ ГПП
Согласно заданию, питание завода может быть осуществлено от подстанции
энергосистемы неограниченной мощности, на которой установлены 2 трансформатора
мощностью по 25 МВА, напряжением 110/38,5/10,5 кВ. Работа трансформаторов
раздельная.
Принимаем трансформаторы типа ТДТН-25000/38,5 со следующими параметрами:
,
,
,
,
,
,
.
Для
расчета токов КЗ выберем метод типовых кривых, способ приведения ТПОЕ.
Выберем
базисные величины.[3]
,
, тогда базисное сопротивление:
. (48)
Базисные токи:
, (49)
. (50)
Рисунок 13 - Расчетная схема.
Схема замещения представлена на рисунке 14.
Рисунок 14 - Схема замещения для расчета токов короткого замыкания.
Рассчитаем параметры схемы замещения.
Трансформаторы системной ПС.
Для нахождения сопротивлений обмоток данных трансформаторов необходимо
знать напряжения короткого замыкания этих обмоток:
, (51)
, (52)
, (53)
(54)
Трансформаторы ГПП.
Система.
(55)
(56)
Линия.
Кабельная линия.
(57)
Не
учитываем в схеме замещения из-за незначительного сопротивления
Преобразуем схему на рисунке 14 в эквивалентную ей (рисунок 15).
Рисунок 15 - Эквивалентная схема замещения.
Определим ток трехфазного КЗ для точек K1 и K2:
,
,
.(59)
Подпитка от двигателя на 6 кВ:
7.2 Расчет токов КЗ на РУ НН цеховых ТП
В цеховых ТП установлены трансформаторы ТМ-250/10, ТМ-400/10, ТМ-630/10,
ТМ-1000/10 и ТМ-2500/10.
Начальное действующее значение периодической составляющей трехфазного
тока КЗ определяется по формуле:
, (64)
где
,
- соответственно суммарное активное и суммарное индуктивное
сопротивления прямой последовательности цепи КЗ, мОм.
Сопротивления
и
в общем случае равны:
,
, (65)
где
,
-
активное и индуктивное сопротивления силового трансформатора, мОм;
-
суммарное активное сопротивление различных контактов, принимается
;
-
активное сопротивление дуги в месте КЗ, мОм;
-
эквивалентное индуктивное сопротивление системы до понижающего трансформатора,
приведенное к ступени низшего напряжения, мОм.
Сопротивления
трансформаторов определяются по формулам:
;
. (66)
Сопротивление системы определим по формуле:
. (67)
Рисунок 16 - Расчетная схема.
Ток однофазного КЗ определяется по формуле:
, (68)
где
,
- суммарные активные и индуктивные сопротивления прямой
последовательности, мОм;
,
- суммарные активные и индуктивные сопротивления нулевой
последовательности, мОм;
Результаты расчетов занесем в таблицу 13.
Таблица 13 - Расчет токов КЗ на шинах НН ЦТП
|
Sном
|
Rт, мОм
|
Xт, мОм
|
Xс, мОм
|
Rк, мОм
|
R1Σ,
мОм
|
X1Σ,
мОм
|
I'пк(3), кА
|
I'пк(1), кА
|
|
ТП-1
|
630
|
3,427
|
14,000
|
2,813
|
15
|
18,427
|
16,813
|
9,258
|
9,495
|
|
ТП-2
|
400
|
5,900
|
18,000
|
2,813
|
15
|
20,900
|
20,813
|
7,830
|
8,007
|
|
ТП-3
|
400
|
5,900
|
4,500
|
2,813
|
15
|
20,900
|
7,313
|
10,430
|
10,569
|
|
ТП-4
|
250
|
10,750
|
30,100
|
2,813
|
15
|
25,750
|
32,913
|
5,526
|
5,625
|
|
ТП-5
|
2500
|
0,602
|
0,141
|
2,813
|
15
|
15,602
|
2,954
|
14,544
|
14,680
|
|
ТП-6
|
400
|
5,900
|
4,500
|
2,813
|
15
|
20,900
|
7,313
|
10,430
|
10,569
|
|
ТП-7
|
2500
|
0,602
|
0,141
|
2,813
|
15
|
15,602
|
2,954
|
14,544
|
14,680
|
|
ТП-8
|
1000
|
1,920
|
0,880
|
2,813
|
15
|
16,920
|
3,693
|
13,335
|
13,471
|
|
ТП-9
|
2500
|
0,602
|
0,141
|
2,813
|
15
|
15,602
|
2,954
|
14,680
|
Для проверки кабелей внутризаводской сети на термическую стойкость
используем формулу:
(69)
где S- сечение кабеля, мм2
- ток
короткого замыкания, А=95 - поправочный коэффициент для алюминиявремя
отключения линии.(0,06 с)
Таблица
14 - Проверка на термическую стойкость КЛ.
|
Участок
|
I'пк(3), кА
|
Iкз/С*√t мм2
|
Sст,мм2
|
Sст' мм2
|
|
ГПП-ТП-1
|
9,2581
|
23,87
|
25
|
|
|
ГПП-ТП-2
|
5,5263
|
14,25
|
16
|
|
|
ГПП-ТП-3
|
14,544
|
37,50
|
16
|
35
|
|
ГПП-ТП-4
|
10,43
|
26,89
|
16
|
25
|
|
ГПП-ТП-5
|
14,544
|
37,50
|
70
|
|
|
ГПП-ТП-6
|
13,335
|
34,38
|
16
|
35
|
|
ГПП-ТП-7
|
14,544
|
37,50
|
70
|
|
|
ГПП-ТП-8
|
10,43
|
26,89
|
25
|
|
|
ГПП-ТП-9
|
7,8296
|
20,19
|
50
|
|
|
КЛ 35
|
3,107
|
8,01
|
50
|
|
8. Компоновка ГПП
.1 Конструктивное исполнение ГПП
Комплектные трансформаторные подстанции блочного типа в железобетонном
объемном корпусе (далее - БКТП), выпускаемые ЗАО «Энергопродукт».
ГПП выполним БКТП(М) -35/10(6) УХЛ1
Таблица 15 - Основные характеристики КТПБ
|
Конструктивное исполнение
|
киосковая
|
|
Условное обозначение
|
2КТПБ
|
|
Электрическая схемана
стороне ВН
|
тупиковая
|
|
Способ установки
|
стационарная
|
|
Число трансформаторов
|
Двухтрансформаторная
2хТМН-10000/35.
|
|
Выполнение высоковольтного
ввода
|
воздушный, кабельный
|
|
Выполнение выводов
отходящих линий на стороне НН
|
воздушный, кабельный
|
|
Выполнение нейтрали
трансформатора на стороне НН
|
глухозаземленная, с
изолированной нейтралью (по спец. заказу)
|
|
Uвн/Uнн, В
|
6(10)/0,4
|
|
Мощность силового
трансформатора, кВА
|
1000 кВА
|
8.1.1 Описание конструкции БКТП(M)-35/10
РУ-35кВ состоит из 2-х секций 35кВ собранных из ячеек D-4OPD
двухэлементного исполнения, и блока низкого напряжения.
Основные технические параметры:
· номинальное напряжение (линейное) 35кВ
· наибольшее рабочее напряжение (линейное) 40,5кВ
· номинальный ток сборных шин 630А
· ток термической стойкости (t = 1 сек) 16кА
· ток электродинамической стойкости главных цепей при к.з. 40кА
Секция № 1 РУ-35кВ состоит из фидера ввода 35кВ, измерительной ячейки,
фидера трансформатора 35/6кВ, ячейки трансформатора собственных нужд, блока
низкого напряжения.
Секция № 2 РУ-35кВ состоит из фидера ввода 35кВ, измерительной ячейки
фидера трансформатора 35/6кВ, ячейки трансформатора собственных нужд, двух
ячеек секционного выключателя.
К станции могут быть подключены кабели произвольного сечения и типа. В
полу станции предусматриваются отверстия для ввода кабелей оснащенные муфтами
или крепежными хомутами. Станции на понтоне могут иметь ввод через отверстие в
боковой стенке понтона.
В случае большого количества кабелей и высокой рамы основания
устанавливаются кабельные лотки. Подключение кабелей к ячейкам пристенного
исполнения может быть облегчено применением съемных боковых панелей контейнера
станции без теплоизоляции.
РУ-10(6)кВ состоит из 2-х секций 10(6)кВ собранных из шкафов D-12PT
двухэлементного исполнения.
Основные технические параметры:
§ номинальное напряжение (линейное) 10(6)кВ
§ наибольшее рабочее напряжение (линейное) 12(7,2)кВ
§ номинальный ток сборных шин 1600А
§ ток термической стойкости (t = 1 сек) 25кА
§ ток электродинамической стойкости главных цепей при к.з. 50кА
§ количество шкафов отходящих линии 10(6) кВ
Секции РУ-10(6)кВ идентичны и состоят из фидера ввода 10(6) кВ,
измерительного шкафа, пяти фидеров воздушных линий 10(6) кВ (обычно по одному
фидеру на токи 300,150,100А и два фидера 200А), фидера секционного выключателя
(по требованию клиента конфигурация с выключателем в каждой секции или
выключателем и разъединителем), шкафы питания конденсаторной батареи, шкафа
конденсаторной батареи 10(6) кВ емкостью от 300 до 1200 кВАр (в зависимости от
мощности силового трансформатора).
Каждый модуль (контейнер) 10 кВ дополнительно оснащается щитком питания
цепей 220В; 50Гц и 110В = и щитком центральной сигнализации модуля (по желанию
клиента).
РУ-10 кВ может размещаться в одном или двух контейнерах, быть одно или
двухрядной установки.
8.1.2 Питание первичных и вторичных цепей подстанции
Подстанция приспособлена для питания от 2-х воздушных и кабельных линий
35кВ; 50Гц. Секционный выключатель 35кВ позволяет запитать два силовых
трансформатора 35/10(6)кВ от одной линии 35кВ. Каждый трансформатор 35/10(6)кВ
подает напряжение на одну из двух секции РУ-10(6)кВ.
Автоматика АВР в цепях 220В; 50Гц гарантирует непрерывность питания
вторичных цепей подстанции от любой работающей линии 35кВ. Непосредственно от
работающего трансформатора собственных нужд запитываются цепи освещения,
обогрева и собственные нужды подстанции. Устройства защит, измерения,
управления и телемеханики питаются напряжением 110В от блока питания с входным
напряжением 220В; 50Гц и выходным напряжением 110В постоянного тока. При
отсутствии напряжения 220В на вводе блока питания, аварийный источник питания
(аккумуляторные батареи) поддерживает в подстанции напряжение питания 110В= в
течение минимум 2 часов (в зависимости от потребляемой мощности).
8.1.3 Гидроизоляция и защитное покрытие
Внутренняя отделка бетонных поверхностей БТП производится путем нанесения
белой водоэмульсионной краски, либо аналогичных покрытий. Полы покрываются
краской, исключающей образование цементной пыли. Наружная отделка бетонных
поверхностей выполняется с применением акриловых грунтовок и фасадных красок
желтого цвета. По требованию Заказчика цвет внешнего покрытия может быть
изменен.
Гидроизоляция крыши БКТП производится на заводе путем нанесения
эпоксидной краски В-ЭП-012 (ТУ 2316-083-05034239-95), либо ее аналогов, а
объемных приямков - мастикой битумной.
Фундамент для подстанции выполняется, как правило, из монолитной
железобетонной плиты применительно к конкретному месту установки БКТП.
Подстанция монтируется на строительной площадке краном грузоподъемностью не
менее 25 тонн.
8.1.4 Устройство заземление
Внутренний контур заземления 2БКТП выполнен на заводе. В комплект
поставки подстанции входят все необходимые элементы и материалы для устройства
внешнего контура заземления на месте монтажа 2БКТП .
При неудовлетворительных результатах замеров сопротивления растеканию
тока внешнего контура заземления забивают дополнительные заземлители или
производят монтаж специальных глубинных заземлителей.
8.1.5 Молниезащита
Специальных мер по молниезащите подстанции не требуется, так как
металлическая арматура каркаса БТП имеет жесткую металлическую связь с
внутренним контуром заземления, что соответствует РД 34.21.122-87 «Инструкция
по устройству молниезащиты зданий и сооружений» Минэнерго РФ п.п.4.2.134 ПУЭ
(7-е изд.).
.1.6 Повышение сейсмостойкости
Для регионов с повышенной сейсмической активностью БКТП могут быть
изготовлены с увеличенной прочностью конструкции за счет применения тяжелого
бетона (по ГОСТ 25192-82), арматуры (по ГОСТ 5781-82) и фибры (по ТУ
21-33-60-87), что и увеличивает сейсмостойкость БКТП до 9 баллов включительно.
8.1.7 Учет электрической энергии
Учет электроэнергии в 2БКТП производится на вводах в РУ 10 кВ, где
устанавливаются сертифицированные, рекомендованные к применению Энергосбытовыми
организациями для коммерческого учета трансформаторы тока. Вторичные выводы
трансформаторов тока подключаются к счетчику электрической энергии (далее
счетчик), который установлен в шкафу учета типа ШУ-1 (рис.8.1.7). Для
подключения счетчика в ШУ-1 установлена испытательная коробка. Шкаф учета ШУ-1
имеет замок и устройство для пломбирования.
Для защиты от несанкционированного доступа вторичные выводы
трансформаторов тока снабжены крышкой с возможностью пломбирования. Модификацию
и тип счетчика, а также номинал трансформаторов тока выбирает Заказчик по согласованию
с Энергосбытом.
Рисунок 1.8.7. Общие виды шкафа учета типа ШУ-1:
а - вид спереди, б - вид слева
Для осуществления пофидерного учета, АСКУЭ возможна установка т/т на
отходящие фидера 10 кВ.
8.1.8 Освещение
Питание внутреннего освещения блоков 2БКТП осуществляется от ящиков
собственных нужд (ЯСН). От ЯСН питается освещение трансформаторного отсека
(12В) и освещение отсека РУ (220В).
Кроме того, предусмотрена возможность присоединения внешних потребителей
с номинальным током до 100А, подключаемых к лабораторным клеммам ЯСН. Для
защиты подключаемых к ЯСН цепей от перегрузки и коротких замыканий установлены
автоматические выключатели на номинальные токи 100, 25, 16 и 6А. Для
обеспечения безопасности обслуживающего персонала розетка 220В подключена через
устройство защитного отключения. Питание ЯСН осуществляется с шин РУ НН. В
случае схемы с выделенной абонентской частью - питание ЯСН РУ 10кВ
осуществляется с накладок трансформатора.
Рисунок 8.1.8. Общие виды ящика собственных нужд:
а - вид спереди, б - вид сверху
8.1.9 Устройства АВР
Для обеспечения требуемой степени надежности электроснабжения
потребителей выпускаемые заводом 2БКТП могут оснащаться устройствами
автоматического включения резервного питания (АВР). Предлагаются два варианта
схем 2БКТП с использованием устройств автоматического включения резерва: с АВР
на стороне ВН (35 кВ) и с АВР на стороне НН (10кВ). В обоих вариантах схема АВР
работает в следующих аварийных ситуациях: нарушение последовательности
чередования фаз, исчезновение напряжения на одной, двух или трех фазах или
снижение напряжения ниже допустимого уровня (0,7Uном) на любой из фаз или на
всех трех фазах.
Рисунок 8.1.9. Общие виды шкафа АВР:
а - вид спереди,
б - вид слева
8.1.10 Обеспечение безопасности обслуживания
Основными мерами, обеспечивающими безопасность обслуживания 2БКТП,
являются:
1. Применение в РУ ВН современного электрооборудования, токоведущие
части которого недоступны для персонала, не требуют доступа к токоведущим
частям при проверке наличия напряжения и фазировке и имеют надёжную, с видимым
положением заземляющих контактов систему заземления;
2. Применение в РУ 10кВ сборок и панелей АВР, токоведущие части
которых ограждены, а операции по замене предохранителей в сборках производятся
с помощью специальных изолирующих ручек. На сборке имеется стационарная система
заземления сборных шин;
. Выполнение доступной для осмотра системы заземления
металлических конструкций, на которых установлено электрооборудование.
Внутренний контур заземления имеет места для присоединения переносных
заземлений при проведении испытаний и измерений;
. Выполнение четких надписей о принадлежности оборудования внутри
и снаружи помещения; установка соответствующих плакатов на дверях и барьере в
отсеке трансформатора; наличие обозначений коммутационных аппаратов и
диспетчерских наименований присоединений;
. Наличие в каждом БРП ящиков собственных нужд, которые
обеспечивают безопасное подключение измерительных приборов и приборов
переносного освещения напряжением 12 или 220В. БРП укомплектованы резиновыми
диэлектрическими ковриками для отсека РУ и переносной деревянной подставкой,
которая используется при замене ламп освещения, расположенных над дверью на
высоте 2,1 м.
8.1.11 Порядок установки и монтажа на объекте
1. На подготовленную монолитную фундаментную плиту с песчаной
«подушкой» толщиной 50мм установить объемные приямки с зазором между ними 130мм
(установка объемных приямков на свайные конструкции без несущей монолитной
плиты (равной площади ОП) не допускается).
2. Установить маслосборники в объемных приямках под
трансформаторными отсеками.
. Стыки между приямками заложить полнотелым кирпичом и покрыть
полимерной мастикой «Битурэл» или ее аналогами.
. Установить блоки 2БКТП (БРП-1 и БРП-2) с зазором 1-1,5 м на
объемные приямки.
. Установить козырьки над воротами и дверьми.
. Выполнить монтаж внешнего контура заземления и соединить его с
заземляющей шиной внутреннего контура. Соединить внутренний контур между
блоками. Произвести измерение сопротивления растеканию тока внешнего контура
заземления.
. Положить внешние асбестоцементные трубы с уклоном 3% в сторону
улицы. Тщательно заделать отверстия цементным раствором и покрыть полимерной
мастикой «Битурэл» или ее аналогами.
. Выполнить отмостку после подводки кабелей к ТП.
. Закатить силовые трансформаторы в отсеки БКТП, закрепить и
произвести их соединение с гибкой ошиновкой 10кВ и высоковольтным кабелем. Соединить
с внутренним контуром заземления корпуса и нулевые выводы силовых
трансформаторов.
. Подключить высоковольтные секционные перемычки между блоками
(перемычки поставляются заводом в комплекте).
. Подключить низковольтные межблочные перемычки: силовые цепи,
вторичные цепи, цепи телемеханики и пр. согласно электрическим схемам
(перемычки поставляются заводом в комплекте).
12. Подключить высоковольтные и низковольтные внешние кабели
(фурнитуру для разделки внешних кабелей можно получить в комплекте по заказу).
13. Приемку БКТП в эксплуатацию производить в соответствии с
«Правилами технической эксплуатации электрических станций и сетей РФ» (ПТЭ).
. При положительных результатах проведенных измерений и испытаний
включить трансформаторы, выполнить фазировку на стороне 10 кВ, произвести
опробование устройства АВР под напряжением.
. Составить «Акт о включении 2БКТП в работу».
8.1.12 Дополнительная комплектация
При отправке на объект 2БКТП комплектуется:
1. Материалами и деталями для производства межблочного монтажа:
комплектами высоковольтных и низковольтных перемычек, накладками к силовым
трансформаторам, наддверными козырьками, нащельниками и т. д.
2. Материалами и деталями для устройства на объекте внешнего контура
заземления:
заземлители длиной 2,5м в количестве 9 штук, изготовленные из стали СТ-3
стальная полоса 40х4мм общей длиной 35м.
3. Комплектом резиновых ковриков, комплектом переносных плакатов по
ТБ, двумя инвентарными подставками и двумя штангами оперативными до 10 кВ тип
ШО-10У1.
4. Фазоуказателем и прибором для тестирования релейной защиты на
стороне 6 - 10кВ тип VAP6 (по отдельному заказу).
. Прибором для тестирования защит блоков контроля и управления
устройств АВР «Micrologic» (по отдельному заказу).
8.2 Выбор выключателей на РУ-35 кВ
Выберем предварительно выключатель на 35 кВ ВБН-35/1600[4] по
максимальному рабочему току. Произведем проверку данного выключателя при КЗ в
точке K2.
Паспортные данные выключателя ВБН-35/1600 приведены из интернета:
,
,
,
.
а)динамическая стойкость
ндин³iу, (70)
где iн дин - предельный сквозной ток выключателя, амплитудное значение,
кА;у- ударный ток короткого замыкания, кА;
(71)
Полученное
значение тока меньше чем предельный сквозной ток выключателя
.
б) термическая стойкость
(72)
где Iнт - номинальный ток термической стойкости, который может выдержать
выключатель, за приведенное время tнтс по данным заводов-изготовителей время
tнтс - 3 сп- приведенное время (0,9 с)
В сетях, питающихся от мощных энергосистем, периодическая слагающая тока
КЗ практически не изменяется во времени и можно принять
²=I¥, (73)
где I¥ -
установившееся значение.
(74)
Полученное
значение тока меньше чем ток термической стойкости
в) отключающая способность выключателя по току
но³Iро (75)
где Iнои- номинальное значения отключающей способности по токуро -
расчетное значения тока короткого замыкания, отнесенные к сумме времени срабатывания
защиты и самого выключателя.
25 кА>6,159 кА
8.2 Выбор выключателей на РУ-10 кВ
Выберем предварительно выключатель на 10 кВ ВББ-10/630 У3 [4] по
максимальному рабочему току. Произведем проверку данного выключателя при КЗ в
точке K1.
Паспортные данные выключателя ВББ-10/630:
,
,
,
,
.
а)динамическая стойкость
н дин³iу, (76)
где iн дин - предельный сквозной ток выключателя, амплитудное значение,
кА;у- ударный ток короткого замыкания, кА;
Полученное
значение тока меньше чем предельный сквозной ток выключателя
.
б) термическая стойкость
(77)
где Iнт - номинальный ток термической стойкости, который может выдержать
выключатель, за приведенное время tнтс по данным заводов-изготовителей время
tнтс - 3 сп- приведенное время (0,8 с)
В сетях, питающихся от мощных энергосистем, периодическая слагающая тока
КЗ практически не изменяется во времени и можно принять
²=I¥,(78)
где I¥ -
установившееся значение.
Полученное
значение тока меньше чем ток термической стойкости
в) отключающая способность выключателя по току
но³Iро (79)
где Iнои- номинальное значения отключающей способности по токуро -
расчетное значения тока короткого замыкания, отнесенные к сумме времени
срабатывания защиты и самого выключателя.
25 кА> 1,654
8.3 Выбор разрядников
Хотя в нормальном режиме работы ограничитель находится под фазным
напряжением сети и через него протекает ток порядка десятых долей миллиампера,
длительное существование однофазного замыкания на землю, наибольшее рабочее
напряжение ограничителя выбирается не менее наибольшего рабочего линейного
напряжения сети. Поэтому для защиты трансформаторов ГПП на стороне 35 кВ и 10
кВ[4] устанавливаем ОПН-35-У3 и ОПН-10 У3 соответственно, которые
устанавливается в ячейках трансформатора напряжения, а в нейтрали трансформатора
ОПН-20-У3.
8.4 Выбор разъединителей РУ-35 кВ
Разъединители проверяются по тем же параметрам, что и выключатели, за
исключением параметров отключающей способности.
Выберем предварительно разъединитель внутренней установки РРЗ-2- 35/1000
У3 [4] по максимальному рабочему току. Произведем проверку данного
разъединителя при КЗ в точке K2.
Паспортные данные разъединителя РРЗ 35/1000:
, 
,
,
а)динамическая стойкость
н дин³iу, (80)
где iн дин - предельный сквозной ток выключателя, амплитудное значение,
кА;у- ударный ток короткого замыкания, кА;
(81)
Полученное
значение тока меньше чем предельный сквозной ток выключателя
.
б) термическая стойкость
(82)
где Iнт - номинальный ток термической стойкости, который может выдержать
разъединитель, за приведенное время tнтс по данным заводов-изготовителей время
tнтс -4 сп- приведенное время (0,9 с)
В сетях, питающихся от мощных энергосистем, периодическая слагающая тока
КЗ практически не изменяется во времени и можно принять
²=I¥,(83)
где I¥ -
установившееся значение.
Полученное
значение тока меньше чем ток термической стойкости
8.5 Выбор разъединителей на РУ-10 кВ для защиты трансформаторов
напряжения
Выберем предварительно разъединитель на 10 кВ РВЗ-10/400 М УХЛ2 [4] по
максимальному рабочему току. Произведем проверку данного выключателя при КЗ в
точке K1.
Паспортные данные выключателя РВЗ-10/400:
, 
,
а)динамическая стойкость
н дин³iу, (84)
где iн дин - предельный сквозной ток выключателя, амплитудное значение,
кА;у- ударный ток короткого замыкания, кА;
(85)
Полученное
значение тока меньше чем предельный сквозной ток выключателя
.
б) термическая стойкость
(86)
где Iнт - номинальный ток термической стойкости, который может выдержать
выключатель, за приведенное время tнтс по данным заводов-изготовителей время tнтс
- 4 сп- приведенное время (0,8 с)
В сетях, питающихся от мощных энергосистем, периодическая слагающая тока
КЗ практически не изменяется во времени и можно принять
²=I¥, (87)
где I¥ -
установившееся значение.
Полученное
значение тока меньше чем ток термической стойкости
8.6 Выбор трансформаторов тока
Таблица 16- Измерительные приборы
|
Место Установки.
|
Приборы.
|
Ед. измерений
|
Нагрузка по фазам ,
Нагрузка (ВА)
|
|
|
|
А
|
В
|
С
|
|
Высшая сторона
трансформатора ГПП
|
Амперметр Э378
|
А
|
-
|
0,1
|
-
|
|
Счетчик электрической
энергии универсальный СЕ301 S31
|
кВар ч, кВт ч
|
0,1
|
-
|
0,1
|
|
Итого:
|
|
0,1
|
0,1
|
0,1
|
|
Отходящие линии.
|
Амперметр Э378
|
А
|
-
|
0,1
|
-
|
|
Счетчик электрической
энергии универсальный СЕ301 S31
|
кВт ч
|
0,1
|
-
|
0,1
|
|
Итого :
|
|
0,1
|
0,1
|
0,1
|
|
Секционный выключатель.
|
Амперметр Э378
|
А
|
-
|
0,5
|
-
|
|
Батареи Конденсаторов.
|
Амперметр Э378
|
|
-
|
0,1
|
-
|
|
Варметр СТ3021
|
Вар
|
0,5
|
-
|
0,5
|
|
Счётчик реактивной энергии
СЕ302
|
кВар ч
|
0,3
|
-
|
0,3
|
|
Итого:
|
|
0,8
|
0,6
|
0,8
|
На отходящие линии выбираем ТПЛК-10-200-0,5/10Р со следующими
техническими данными:
,
,
,
,
,
номинальная вторичная нагрузка обмоток для измерений,
.
Проверим TA по вторичной нагрузке:
.
Сопротивление приборов найдем по формуле:
. (88)
Определим максимально допустимое сопротивление соединительных проводов:
. (89)
Зная
можно определить сечение соединительных проводов:
. (90)
Выбираем контрольный кабель КВВГ с медными жилами сечением 2,5мм2.
На фидерах с БК выбираем ТПЛК-10-100-0,5/10Р со следующими техническими
данными:
,
,
,
,
,
номинальная вторичная нагрузка обмоток для измерений,
.
Проверим TA по вторичной нагрузке:
.
Сопротивление приборов найдем по формуле:
. (91)
Определим максимально допустимое сопротивление соединительных проводов:
. (92)
Зная
можно определить сечение соединительных проводов:
. (93)
Выбираем контрольный кабель КВВГ с медными жилами сечением 2,5мм2.
8.7 Выбор трансформаторов напряжения
Выбор трансформаторов напряжения производится:
по напряжению установки;
по классу точности;
по вторичной нагрузке.
Каждый трансформатор рассчитывается на мощность всех приборов
присоединений данной секции.
Выбираю трансформатор напряжения НАМИ -10-200 , номинальная мощность
которого в классе точности 0,5 равна 200 В .А, и НАМИ - 35 - 200.
Таблица 17 - Подключаемые контрольно-измерительные приборы
|
№ п/п
|
Наименование приборов
|
Количество приборов
|
Потребляемая мощность, Вт
|
Класс точности
|
cosφ
|
Нагрузка
|
|
|
|
|
|
|
Р, Вт
|
Q, Вар
|
|
1
|
Вольтметр Э335
|
4
|
2
|
1,5
|
1
|
8
|
0
|
|
3
|
Счетчик энергии
универсальный СЕ301 S31
|
12
|
2
|
1,0
|
0,38
|
24
|
57,6
|
|
4
|
2
|
2
|
1,0
|
0,38
|
4
|
9,6
|
|
5
|
Варметр Д345
|
2
|
4
|
1,5
|
1
|
8
|
0
|
|
Итого :
|
|
|
|
|
44
|
67,2
|
Суммарная
вторичная нагрузка
.
Выбираем
TV марки НАМИ-10-У3
Номинальная
мощность
при классе точности 0,5.
8.8 Выбор трансформаторов собственных нужд КТПБ
На КТПБ устанавливаем два трансформатора собственных нужд. Мощность
трансформаторов выбирается по имеющимся на подстанции нагрузкам СН с учетом
коэффициентов допустимой перегрузки возможностью автоматического резервирования
на шинах 0,4 кВ. Основные нагрузки СН приведем в таблице 18.
Таблица 18 - Потребители собственных нужд
|
Вид потребителя
|
Установленная мощность, кВт
|
|
Охлаждение силовых
трансформаторов (в зависимости от номинальной мощности)
|
8
|
|
Подогрев приводов силовых
выключателей 35 кВ
|
6,3
|
|
Подогрев шкафов КРУ
|
1
|
|
Устройство РПН
|
3,3
|
|
Наружное освещение ОРУ
|
3
|
|
Освещение, отопление,
вентиляция ЗРУ
|
7
|
|
Аппаратура связи и
телемеханики
|
8,7
|
Поскольку
вся мощность СН идет на подогрев, то примем средневзвешенный коэффициент
мощности, равный
, тогда
. (94)
С учетом коэффициента перегрузочной способности трансформатора:
. (95)
Выбираем два трансформатора ТМ-63/10, подключаем их за выключателем через
разъединитель типа РВЗ-10/400-У3 и предохранитель ПКТ 101-10-10-12,5 У3.
9. Расчет внутрицехового электроснабжения
.1 Выбор проводников для ответвлений от РШ к электроприемникам
Сечение проводников цеховых сетей выберем по условиям длительно
допустимого тока и по потерям напряжения:
,
.(96)
Расчетный
ток отдельных электроприемников определим по следующей формуле:
. (97)
Потерю напряжения определим по следующей формуле:
. (98)
Для прокладки принимаем провод АПВ, проложенный в полу в трубе.
Для примера, выберем провод для кран балки (№16, см. рисунок ).
.
Принимаем провод марки 4хАПВ-2,5 с параметрами:
,
,
.
,
.
электрический нагрузка подстанция замыкание
Результаты
расчетов остальных ЭП занесем в таблицу 19.
Таблица 19 - Выбор проводников от РШ к электроприемникам
|
№ ЭП
|
Pном, кВт
|
cosφ
|
sinφ
|
Iр, А
|
Fст, кв.мм
|
Iдоп, А
|
Ro, мОм/м
|
Xo, мОм/м
|
l, м
|
R, мОм
|
X, мОм
|
∆U, В
|
δU,
%
|
Марка кабеля
|
|
1
|
4,5
|
0,40
|
0,917
|
7,46
|
2,5
|
19
|
12,5
|
0,116
|
2,6
|
32,5
|
0,30
|
0,17
|
0,04
|
4хАПВ-2,5
|
|
2
|
4,5
|
0,40
|
0,917
|
7,46
|
2,5
|
19
|
12,5
|
0,116
|
2,5
|
31,25
|
0,29
|
0,16
|
0,04
|
4хАПВ-2,5
|
|
3
|
4,5
|
0,40
|
0,917
|
7,46
|
2,5
|
19
|
12,5
|
0,116
|
5,9
|
73,75
|
0,68
|
0,39
|
0,10
|
4хАПВ-2,5
|
|
4
|
6
|
0,65
|
0,76
|
12,00
|
2,5
|
19
|
12,5
|
0,116
|
8,3
|
103,75
|
0,96
|
1,42
|
0,35
|
4хАПВ-2,5
|
|
5
|
6
|
0,65
|
0,76
|
12,00
|
2,5
|
19
|
12,5
|
0,116
|
8,3
|
103,75
|
0,96
|
1,42
|
0,35
|
4хАПВ-2,5
|
|
6
|
6
|
0,65
|
0,76
|
12,00
|
2,5
|
19
|
12,5
|
0,116
|
12,2
|
152,5
|
1,42
|
2,08
|
0,52
|
4хАПВ-2,5
|
|
7
|
10,6
|
0,50
|
0,866
|
18,60
|
2,5
|
19
|
12,5
|
0,116
|
2,8
|
35
|
0,32
|
0,57
|
0,14
|
4хАПВ-2,5
|
|
8
|
10,6
|
0,50
|
0,866
|
18,60
|
2,5
|
19
|
12,5
|
0,116
|
9
|
112,5
|
1,04
|
1,84
|
0,46
|
4хАПВ-2,5
|
|
9
|
3,7
|
0,50
|
0,866
|
6,49
|
2,5
|
19
|
12,5
|
0,116
|
16
|
200
|
1,86
|
1,14
|
0,29
|
4хАПВ-2,5
|
|
10
|
16,4
|
0,65
|
0,76
|
32,79
|
4
|
28
|
7,81
|
0,107
|
1,5
|
11,715
|
0,16
|
0,44
|
0,11
|
4хАПВ-4
|
|
11
|
16,4
|
0,65
|
0,76
|
32,79
|
4
|
28
|
7,81
|
0,107
|
7,8
|
60,918
|
0,83
|
2,28
|
0,57
|
4хАПВ-4
|
|
12
|
16,4
|
0,65
|
0,76
|
32,79
|
4
|
28
|
7,81
|
0,107
|
13
|
101,53
|
1,39
|
3,81
|
0,95
|
4хАПВ-4
|
|
13
|
4,5
|
0,40
|
0,917
|
7,46
|
2,5
|
19
|
12,5
|
0,116
|
6,9
|
86,25
|
0,80
|
0,46
|
0,11
|
4хАПВ-2,5
|
|
14
|
4,5
|
0,40
|
0,917
|
7,46
|
2,5
|
19
|
12,5
|
0,116
|
13
|
162,5
|
1,51
|
0,86
|
0,21
|
4хАПВ-2,5
|
|
15
|
4,5
|
0,40
|
0,917
|
7,46
|
2,5
|
19
|
12,5
|
0,116
|
18,7
|
233,75
|
2,17
|
1,23
|
0,31
|
4хАПВ-2,5
|
|
16
|
14
|
0,50
|
0,866
|
24,56
|
2,5
|
19
|
12,5
|
0,116
|
12
|
150
|
1,39
|
3,24
|
0,81
|
КГ-4х2,5
|
|
17
|
14
|
0,50
|
0,866
|
24,56
|
2,5
|
19
|
12,5
|
0,116
|
12
|
150
|
1,39
|
3,24
|
0,81
|
КГ-4х2,5
|
|
18
|
3,3
|
0,40
|
0,917
|
5,47
|
2,5
|
19
|
12,5
|
0,116
|
7,1
|
88,75
|
0,82
|
0,34
|
0,09
|
4хАПВ-2,5
|
|
19
|
3,3
|
0,917
|
5,47
|
2,5
|
19
|
12,5
|
0,116
|
14
|
175
|
1,62
|
0,68
|
0,17
|
4хАПВ-2,5
|
|
20
|
3,3
|
0,40
|
0,917
|
5,47
|
2,5
|
19
|
12,5
|
0,116
|
18,7
|
233,75
|
2,17
|
0,90
|
0,23
|
4хАПВ-2,5
|
|
21
|
3,3
|
0,40
|
0,917
|
5,47
|
2,5
|
19
|
12,5
|
0,116
|
3,3
|
41,25
|
0,38
|
0,16
|
0,04
|
4хАПВ-2,5
|
|
22
|
3,3
|
0,40
|
0,917
|
5,47
|
2,5
|
19
|
12,5
|
0,116
|
8,4
|
105
|
0,97
|
0,41
|
0,10
|
4хАПВ-2,5
|
|
23
|
3,3
|
0,40
|
0,917
|
5,47
|
2,5
|
19
|
12,5
|
0,116
|
13,8
|
172,5
|
1,60
|
0,67
|
0,17
|
4хАПВ-2,5
|
|
24
|
3,3
|
0,40
|
0,917
|
5,47
|
2,5
|
19
|
12,5
|
0,116
|
3,3
|
41,25
|
0,38
|
0,16
|
0,04
|
4хАПВ-2,5
|
|
25
|
3,3
|
0,40
|
0,917
|
5,47
|
2,5
|
19
|
12,5
|
0,116
|
8,4
|
105
|
0,97
|
0,41
|
0,10
|
4хАПВ-2,5
|
|
26
|
3,3
|
0,40
|
0,917
|
5,47
|
2,5
|
19
|
12,5
|
0,116
|
13,8
|
172,5
|
1,60
|
0,67
|
0,17
|
4хАПВ-2,5
|
|
27
|
10,6
|
0,40
|
0,917
|
17,57
|
2,5
|
19
|
12,5
|
0,116
|
35,7
|
446,25
|
4,14
|
5,55
|
1,39
|
4хАПВ-2,5
|
|
28
|
10,6
|
0,40
|
0,917
|
17,57
|
2,5
|
19
|
12,5
|
0,116
|
9,2
|
115
|
1,07
|
1,43
|
0,36
|
4хАПВ-2,5
|
|
29
|
10,6
|
0,40
|
0,917
|
17,57
|
2,5
|
19
|
12,5
|
0,116
|
14,5
|
181,25
|
1,68
|
2,25
|
0,56
|
4хАПВ-2,5
|
|
30
|
10,6
|
0,40
|
0,917
|
17,57
|
2,5
|
19
|
12,5
|
0,116
|
35,7
|
446,25
|
4,14
|
5,55
|
1,39
|
4хАПВ-2,5
|
|
31
|
10,6
|
0,40
|
0,917
|
17,57
|
2,5
|
19
|
12,5
|
0,116
|
9,2
|
115
|
1,07
|
1,43
|
0,36
|
4хАПВ-2,5
|
|
32
|
10,6
|
0,40
|
0,917
|
17,57
|
2,5
|
19
|
12,5
|
0,116
|
14,5
|
181,25
|
1,68
|
2,25
|
0,56
|
4хАПВ-2,5
|
|
33
|
5
|
0,45
|
0,893
|
8,51
|
2,5
|
19
|
12,5
|
0,116
|
16
|
200
|
1,86
|
1,35
|
0,34
|
4хАПВ-2,5
|
|
34
|
5
|
0,45
|
0,893
|
8,51
|
2,5
|
19
|
12,5
|
0,116
|
8,5
|
106,25
|
0,99
|
0,72
|
0,18
|
4хАПВ-2,5
|
|
35
|
5
|
0,45
|
0,893
|
8,51
|
2,5
|
19
|
12,5
|
0,116
|
10,1
|
126,25
|
1,17
|
0,85
|
0,21
|
4хАПВ-2,5
|
|
36
|
5
|
0,45
|
0,893
|
8,51
|
2,5
|
19
|
12,5
|
0,116
|
3,4
|
42,5
|
0,39
|
0,29
|
0,07
|
4хАПВ-2,5
|
|
37
|
6,6
|
0,40
|
0,917
|
10,94
|
2,5
|
19
|
12,5
|
0,116
|
10,1
|
126,25
|
1,17
|
0,98
|
0,24
|
4хАПВ-2,5
|
|
38
|
6,6
|
0,40
|
0,917
|
10,94
|
2,5
|
19
|
12,5
|
0,116
|
3,4
|
42,5
|
0,39
|
0,33
|
0,08
|
4хАПВ-2,5
|
|
39
|
6,6
|
0,40
|
0,917
|
10,94
|
2,5
|
19
|
12,5
|
0,116
|
15,3
|
191,25
|
1,77
|
1,48
|
0,37
|
4хАПВ-2,5
|
|
40
|
6,6
|
0,40
|
0,917
|
10,94
|
2,5
|
19
|
12,5
|
0,116
|
8,5
|
106,25
|
0,99
|
0,82
|
0,21
|
4хАПВ-2,5
|
|
41
|
14
|
0,50
|
0,866
|
24,56
|
6
|
32
|
5,21
|
0,1
|
12
|
62,52
|
1,20
|
1,37
|
0,34
|
КГ-4х6
|
|
42
|
14
|
0,50
|
0,866
|
24,56
|
6
|
32
|
5,21
|
12
|
62,52
|
1,20
|
1,37
|
0,34
|
КГ-4х6
|
|
43
|
7
|
0,50
|
0,866
|
12,28
|
2,5
|
19
|
12,5
|
0,116
|
16
|
200
|
1,86
|
2,16
|
0,54
|
4хАПВ-2,5
|
|
44
|
7
|
0,50
|
0,866
|
12,28
|
2,5
|
19
|
12,5
|
0,116
|
10
|
125
|
1,16
|
1,35
|
0,34
|
4хАПВ-2,5
|
|
45
|
28
|
1,00
|
0
|
42,54
|
6
|
32
|
5,21
|
0,1
|
14
|
72,94
|
1,40
|
5,37
|
1,34
|
4хАПВ-6
|
|
46
|
28
|
1,00
|
0
|
42,54
|
6
|
32
|
5,21
|
0,1
|
8,5
|
44,285
|
0,85
|
3,26
|
0,82
|
4хАПВ-6
|
|
47
|
28
|
1,00
|
0
|
42,54
|
6
|
32
|
5,21
|
0,1
|
3
|
15,63
|
0,30
|
1,15
|
0,29
|
4хАПВ-6
|
|
48
|
13
|
0,50
|
0,866
|
22,81
|
4
|
28
|
7,81
|
0,107
|
13
|
101,53
|
1,39
|
2,05
|
0,51
|
4хАПВ-4
|
|
49
|
13
|
0,50
|
0,866
|
22,81
|
4
|
28
|
7,81
|
0,107
|
5
|
39,05
|
0,54
|
0,79
|
0,20
|
4хАПВ-4
|
|
50
|
2,4
|
1,00
|
0
|
3,65
|
2,5
|
19
|
12,5
|
0,116
|
17
|
212,5
|
1,97
|
1,34
|
0,34
|
4хАПВ-2,5
|
|
51
|
2,4
|
1,00
|
0
|
3,65
|
2,5
|
19
|
12,5
|
0,116
|
14
|
175
|
1,62
|
1,11
|
0,28
|
4хАПВ-2,5
|
|
52
|
2,4
|
1,00
|
0
|
3,65
|
2,5
|
19
|
12,5
|
0,116
|
11
|
137,5
|
1,28
|
0,87
|
0,22
|
4хАПВ-2,5
|
|
53
|
2,4
|
1,00
|
0
|
3,65
|
2,5
|
19
|
12,5
|
0,116
|
8,5
|
106,25
|
0,99
|
0,67
|
0,17
|
4хАПВ-2,5
|
|
54
|
2,4
|
1,00
|
0
|
3,65
|
2,5
|
19
|
12,5
|
0,116
|
5,5
|
68,75
|
0,64
|
0,43
|
0,11
|
4хАПВ-10
|
|
55
|
22
|
0,45
|
0,893
|
37,43
|
10
|
39
|
3,12
|
0,099
|
11
|
34,32
|
1,09
|
1,06
|
0,27
|
4хАПВ-10
|
|
56
|
22
|
0,45
|
0,893
|
37,43
|
10
|
39
|
3,12
|
0,099
|
9
|
28,08
|
0,89
|
0,87
|
0,22
|
4хАПВ-4
|
|
57
|
16
|
0,40
|
0,917
|
26,52
|
4
|
28
|
7,81
|
0,107
|
11
|
85,91
|
1,18
|
1,63
|
0,41
|
4хАПВ-4
|
|
58
|
16
|
0,40
|
0,917
|
26,52
|
4
|
28
|
7,81
|
0,107
|
8
|
62,48
|
0,86
|
1,18
|
0,30
|
4хАПВ-4
|
|
59
|
16
|
0,40
|
0,917
|
26,52
|
4
|
28
|
7,81
|
0,107
|
6
|
46,86
|
0,64
|
0,89
|
0,22
|
4хАПВ-4
|
|
60
|
16
|
0,40
|
0,917
|
26,52
|
4
|
28
|
7,81
|
0,107
|
6
|
46,86
|
0,64
|
0,89
|
0,22
|
4хАПВ-4
|
|
61
|
16
|
0,40
|
0,917
|
26,52
|
4
|
28
|
7,81
|
0,107
|
9
|
70,29
|
0,96
|
1,33
|
0,33
|
4хАПВ-4
|
|
62
|
14,5
|
0,50
|
0,866
|
25,44
|
4
|
28
|
7,81
|
0,107
|
7,5
|
58,575
|
0,80
|
1,32
|
0,33
|
4хАПВ-4
|
|
63
|
14,5
|
0,50
|
0,866
|
25,44
|
4
|
28
|
7,81
|
0,107
|
4,5
|
35,145
|
0,48
|
0,79
|
0,20
|
4хАПВ-4
|
|
64
|
24
|
0,35
|
0,937
|
38,93
|
10
|
39
|
3,12
|
0,099
|
2,3
|
7,176
|
0,23
|
0,18
|
0,05
|
4хАПВ-10
|
|
65
|
24
|
0,35
|
0,937
|
38,93
|
10
|
39
|
3,12
|
0,099
|
2,3
|
7,176
|
0,23
|
0,18
|
0,05
|
|
66
|
24
|
0,35
|
0,937
|
38,93
|
10
|
39
|
3,12
|
0,099
|
4,9
|
15,288
|
0,49
|
0,39
|
0,10
|
4хАПВ-10
|
|
67
|
11
|
0,80
|
0,6
|
27,85
|
4
|
28
|
7,81
|
0,107
|
6,5
|
50,765
|
0,70
|
1,98
|
0,49
|
4хАПВ-4
|
|
68
|
11
|
0,80
|
0,6
|
27,85
|
4
|
28
|
7,81
|
0,107
|
12
|
93,72
|
1,28
|
3,65
|
0,91
|
4хАПВ-4
|
|
69
|
11
|
0,80
|
0,6
|
27,85
|
4
|
28
|
7,81
|
0,107
|
15
|
117,15
|
1,61
|
4,57
|
1,14
|
4хАПВ-4
|
|
70
|
11
|
0,80
|
0,6
|
27,85
|
4
|
28
|
7,81
|
0,107
|
17
|
132,77
|
1,82
|
5,18
|
1,29
|
4хАПВ-4
|
9.2 Выбор кабелей от ТП к РШ
Сечение кабелей выберем по условиям (96).
Для участка ЩР-ЩР-1 имеем.
,
,
,
,
.
Выбираем кабель марки АВВГ-3х95+1х70 с параметрами:
,
,
.
.
.
Результаты
расчетов занесем в таблицу 20.
Таблица 20 - Выбор кабелей для цеха.
|
Участок
|
L, м
|
Pр, кВт
|
Qр, кВар
|
Sр, кВА
|
Iр, А
|
Fр, кв.мм
|
Fст, кв.мм
|
Iдоп, А
|
Ro, мОм/м
|
Xo, мОм/м
|
R, мОм
|
X, мОм
|
∆U, В
|
δU,
%
|
Марка кабеля
|
|
ТП-2-РШ-1
|
7,9
|
71,0
|
82,0
|
108,4
|
107,9
|
77,1
|
95
|
260
|
1,20
|
0,09
|
9,48
|
0,73
|
1,83
|
0,46
|
АВВГ-3х95+1х70
|
|
РШ-1-РШ-2
|
10,3
|
51,0
|
57,6
|
76,9
|
77,5
|
55,4
|
70
|
220
|
0,45
|
0,08
|
4,60
|
0,84
|
0,71
|
0,18
|
АВВГ-3х70+1х50
|
|
РШ-2-РШ-3
|
12,1
|
37,5
|
38,3
|
53,6
|
57,0
|
40,7
|
50
|
180
|
1,20
|
0,09
|
14,52
|
1,13
|
1,47
|
0,37
|
АВВГ -3×50+1×25
|
|
РШ-3-РШ-4
|
4,8
|
22,8
|
22,8
|
32,3
|
34,6
|
24,7
|
25
|
220
|
0,32
|
0,08
|
1,54
|
0,38
|
0,11
|
0,03
|
АВВГ-3х25+1х16
|
|
ТП-2-РШ-5
|
9,9
|
176,7
|
166,5
|
242,8
|
268,4
|
191,7
|
240
|
440
|
0,15
|
0,07
|
1,49
|
0,69
|
0,94
|
0,24
|
АВВГ-3х240+1х185
|
|
РШ-5-РШ-6
|
12,6
|
154,1
|
138,3
|
207,0
|
234,1
|
167,2
|
185
|
380
|
0,32
|
0,08
|
4,03
|
1,01
|
1,90
|
0,48
|
АВВГ -3х185+1х150
|
|
РШ-6-РШ-7
|
13,4
|
70,2
|
112,0
|
132,2
|
106,7
|
76,2
|
95
|
260
|
1,20
|
0,09
|
16,08
|
1,25
|
3,17
|
0,79
|
АВВГ -3х95+1х70
|
Кабели прокладываются вдоль стен в трубах.
9.3 Расчет токов КЗ в цеховой сети
Расчет токов КЗ произведем аналогично п.8.2.
Ток однофазного КЗ определяется по формуле:
, (99)
где
- полное сопротивление петли фаза-нуль от
трансформатора до КЗ.
,
- активное и индуктивное сопротивления
трансформатора.
Результаты
расчетов занесем в таблицу 21.
Таблица 21 - Расчет токов КЗ в цеховой сети
|
№ ЭП
|
Rк, мОм
|
Rw, мОм
|
Xw, мОм
|
Rкл, мОм
|
Xкл, мОм
|
R1Σ,
мОм
|
X1Σ,
мОм
|
R0Σ,
мОм
|
X0Σ,
мОм
|
Iпк(3), кА
|
Iпк(1), кА
|
|
1
|
15
|
32,5
|
0,3
|
12,4
|
1,0
|
80,8
|
22,1
|
484,5
|
21,1
|
2,758
|
1,067
|
|
2
|
15
|
31,3
|
0,3
|
12,4
|
1,0
|
79,5
|
22,1
|
472,0
|
21,1
|
2,799
|
1,092
|
|
3
|
15
|
73,8
|
0,7
|
12,4
|
1,0
|
122,0
|
22,5
|
897,0
|
22,1
|
1,862
|
0,606
|
|
4
|
15
|
103,8
|
1,0
|
12,4
|
1,0
|
152,0
|
22,7
|
1197,0
|
22,8
|
1,503
|
0,461
|
|
5
|
15
|
103,8
|
1,0
|
12,4
|
1,0
|
152,0
|
22,7
|
1197,0
|
22,8
|
1,503
|
0,461
|
|
6
|
15
|
152,5
|
1,4
|
12,4
|
1,0
|
200,8
|
23,2
|
1684,5
|
23,9
|
1,143
|
0,332
|
|
7
|
15
|
35,0
|
0,3
|
5,4
|
1,0
|
76,3
|
22,1
|
440,0
|
21,3
|
2,907
|
1,162
|
|
8
|
15
|
112,5
|
1,0
|
5,4
|
1,0
|
153,8
|
22,8
|
1215,0
|
23,1
|
1,485
|
0,455
|
|
9
|
15
|
200,0
|
1,9
|
12,4
|
1,0
|
248,3
|
23,6
|
2159,5
|
25,0
|
0,926
|
0,261
|
|
10
|
15
|
11,7
|
0,2
|
5,4
|
1,0
|
53,0
|
22,0
|
207,1
|
4,024
|
2,166
|
|
11
|
15
|
60,9
|
0,8
|
5,4
|
1,0
|
102,2
|
22,6
|
699,2
|
22,6
|
2,206
|
0,765
|
|
12
|
15
|
101,5
|
1,4
|
5,4
|
1,0
|
142,8
|
23,2
|
1105,3
|
24,0
|
1,596
|
0,497
|
|
13
|
15
|
86,3
|
0,8
|
5,4
|
1,0
|
127,6
|
22,6
|
952,5
|
22,5
|
1,783
|
0,573
|
|
14
|
15
|
162,5
|
1,5
|
5,4
|
1,0
|
203,8
|
23,3
|
1715,0
|
24,3
|
1,126
|
0,326
|
|
15
|
15
|
233,8
|
2,2
|
5,4
|
1,0
|
275,1
|
24,0
|
2427,5
|
25,9
|
0,836
|
0,233
|
|
16
|
15
|
150,0
|
1,4
|
5,4
|
1,0
|
191,3
|
23,2
|
1590,0
|
24,0
|
1,198
|
0,351
|
|
17
|
15
|
150,0
|
1,4
|
11,5
|
0,9
|
197,4
|
23,1
|
1651,1
|
23,7
|
1,162
|
0,338
|
|
18
|
15
|
88,8
|
0,8
|
11,5
|
0,9
|
136,2
|
22,5
|
1038,6
|
22,3
|
1,673
|
0,528
|
|
19
|
15
|
175,0
|
1,6
|
11,5
|
0,9
|
222,4
|
23,3
|
1901,1
|
24,3
|
1,033
|
0,295
|
|
20
|
15
|
233,8
|
2,2
|
11,5
|
0,9
|
281,2
|
23,9
|
2488,6
|
25,7
|
0,818
|
0,227
|
|
21
|
15
|
41,3
|
0,4
|
11,5
|
0,9
|
88,7
|
22,1
|
563,6
|
21,2
|
2,527
|
0,931
|
|
22
|
15
|
105,0
|
1,0
|
11,5
|
0,9
|
152,4
|
22,7
|
1201,1
|
22,7
|
1,499
|
0,460
|
|
23
|
15
|
172,5
|
1,6
|
11,5
|
0,9
|
219,9
|
23,3
|
1876,1
|
24,2
|
1,044
|
0,299
|
|
24
|
15
|
41,3
|
0,4
|
11,5
|
0,9
|
88,7
|
22,1
|
563,6
|
21,2
|
2,527
|
0,931
|
|
25
|
15
|
105,0
|
1,0
|
11,5
|
0,9
|
152,4
|
22,7
|
1201,1
|
22,7
|
1,499
|
0,460
|
|
26
|
15
|
172,5
|
1,6
|
1,2
|
0,3
|
209,6
|
22,7
|
1772,7
|
22,7
|
1,095
|
0,316
|
|
27
|
15
|
446,3
|
4,1
|
1,2
|
0,3
|
483,3
|
25,3
|
4510,2
|
29,1
|
0,477
|
0,126
|
|
28
|
15
|
115,0
|
1,1
|
1,2
|
0,3
|
152,1
|
22,2
|
1197,7
|
21,4
|
1,503
|
0,461
|
|
29
|
15
|
181,3
|
1,7
|
1,2
|
0,3
|
218,3
|
22,8
|
1860,2
|
22,9
|
1,052
|
0,301
|
|
30
|
15
|
446,3
|
4,1
|
1,2
|
0,3
|
483,3
|
25,3
|
4510,2
|
29,1
|
0,477
|
0,126
|
|
31
|
15
|
115,0
|
1,1
|
1,2
|
0,3
|
152,1
|
22,2
|
1197,7
|
21,4
|
1,503
|
0,461
|
|
32
|
15
|
181,3
|
1,7
|
15,1
|
1,2
|
232,3
|
23,7
|
1999,6
|
25,1
|
0,989
|
0,281
|
|
33
|
15
|
200,0
|
1,9
|
15,1
|
1,2
|
251,0
|
23,8
|
2187,1
|
25,6
|
0,916
|
0,258
|
|
34
|
15
|
106,3
|
1,0
|
15,1
|
1,2
|
157,3
|
23,0
|
1249,6
|
23,4
|
1,453
|
0,443
|
|
35
|
15
|
126,3
|
1,2
|
15,1
|
1,2
|
177,3
|
23,2
|
1449,6
|
23,9
|
1,292
|
0,384
|
|
36
|
15
|
42,5
|
0,4
|
15,1
|
1,2
|
93,5
|
22,4
|
612,1
|
21,9
|
2,402
|
0,864
|
|
37
|
15
|
126,3
|
1,2
|
15,1
|
1,2
|
177,3
|
23,2
|
1449,6
|
23,9
|
1,292
|
0,384
|
|
38
|
15
|
42,5
|
0,4
|
15,1
|
1,2
|
93,5
|
22,4
|
612,1
|
21,9
|
2,402
|
0,864
|
|
39
|
15
|
191,3
|
1,8
|
15,1
|
1,2
|
242,3
|
23,8
|
2099,6
|
25,4
|
0,949
|
0,268
|
15
|
106,3
|
1,0
|
15,1
|
1,2
|
157,3
|
23,0
|
1249,6
|
23,4
|
1,453
|
0,443
|
|
41
|
15
|
62,5
|
1,2
|
15,1
|
1,2
|
113,5
|
23,2
|
812,3
|
23,9
|
1,993
|
0,665
|
|
42
|
15
|
62,5
|
1,2
|
4,2
|
1,0
|
102,6
|
23,1
|
702,7
|
23,6
|
2,197
|
0,761
|
|
43
|
15
|
200,0
|
1,9
|
4,2
|
1,0
|
240,1
|
23,7
|
2077,5
|
25,2
|
0,957
|
0,271
|
|
44
|
15
|
125,0
|
1,2
|
4,2
|
1,0
|
165,1
|
23,0
|
1327,5
|
23,5
|
1,386
|
0,418
|
|
45
|
15
|
72,9
|
1,4
|
4,2
|
1,0
|
113,0
|
23,3
|
806,9
|
24,1
|
2,002
|
0,669
|
|
46
|
15
|
44,3
|
0,9
|
4,2
|
1,0
|
84,3
|
22,7
|
520,4
|
22,7
|
2,644
|
1,001
|
|
47
|
15
|
15,6
|
0,3
|
4,2
|
1,0
|
55,7
|
22,2
|
233,8
|
21,4
|
3,853
|
1,972
|
|
48
|
15
|
101,5
|
1,4
|
4,2
|
1,0
|
141,6
|
23,2
|
1092,8
|
24,1
|
1,610
|
0,503
|
|
49
|
15
|
39,1
|
0,5
|
4,2
|
1,0
|
79,1
|
22,4
|
468,0
|
21,9
|
2,809
|
1,100
|
|
50
|
15
|
212,5
|
2,0
|
4,2
|
1,0
|
252,6
|
23,8
|
2202,5
|
25,5
|
0,910
|
0,256
|
|
51
|
15
|
175,0
|
1,6
|
4,2
|
1,0
|
215,1
|
23,5
|
1827,5
|
24,7
|
1,067
|
0,307
|
|
52
|
15
|
137,5
|
1,3
|
4,2
|
1,0
|
177,6
|
23,1
|
1452,5
|
23,8
|
1,290
|
0,383
|
|
53
|
15
|
106,3
|
1,0
|
4,2
|
1,0
|
146,3
|
22,8
|
1140,0
|
23,1
|
1,560
|
0,483
|
|
54
|
15
|
68,8
|
0,6
|
4,2
|
1,0
|
108,8
|
22,5
|
765,0
|
22,2
|
2,078
|
0,703
|
|
55
|
15
|
34,3
|
1,1
|
1,6
|
0,7
|
71,8
|
22,6
|
394,9
|
22,6
|
3,068
|
1,277
|
|
56
|
15
|
28,1
|
0,9
|
1,6
|
0,7
|
65,6
|
22,4
|
332,5
|
22,1
|
3,333
|
1,479
|
|
57
|
15
|
85,9
|
1,2
|
1,6
|
0,7
|
123,4
|
22,7
|
910,8
|
22,8
|
1,841
|
0,598
|
|
58
|
15
|
62,5
|
0,9
|
1,6
|
0,7
|
100,0
|
22,4
|
676,5
|
22,0
|
2,255
|
0,788
|
|
59
|
15
|
46,9
|
0,6
|
1,6
|
0,7
|
84,3
|
22,2
|
520,3
|
21,4
|
2,648
|
1,001
|
|
60
|
15
|
46,9
|
0,6
|
1,6
|
0,7
|
84,3
|
22,2
|
520,3
|
21,4
|
2,648
|
1,001
|
|
61
|
15
|
70,3
|
1,0
|
1,6
|
0,7
|
107,8
|
22,5
|
754,6
|
22,2
|
2,098
|
0,712
|
|
62
|
15
|
58,6
|
0,8
|
1,6
|
0,7
|
96,1
|
22,4
|
637,4
|
21,8
|
2,342
|
0,833
|
|
63
|
15
|
35,1
|
0,5
|
1,6
|
0,7
|
72,6
|
22,0
|
403,1
|
21,0
|
3,043
|
1,255
|
|
64
|
15
|
7,2
|
0,2
|
1,6
|
0,7
|
44,7
|
21,8
|
123,4
|
20,4
|
4,649
|
3,119
|
|
65
|
15
|
7,2
|
0,2
|
1,6
|
0,7
|
44,7
|
21,8
|
123,4
|
20,4
|
4,649
|
3,119
|
|
66
|
15
|
15,3
|
0,5
|
1,6
|
0,7
|
52,8
|
22,0
|
204,5
|
21,1
|
4,039
|
2,187
|
|
67
|
15
|
50,8
|
0,7
|
12,4
|
1,0
|
99,0
|
22,5
|
667,2
|
22,1
|
2,274
|
0,798
|
|
68
|
15
|
93,7
|
1,3
|
1,2
|
0,3
|
130,8
|
22,4
|
984,9
|
22,0
|
1,740
|
0,555
|
|
69
|
15
|
117,2
|
1,6
|
0,7
|
154,6
|
23,2
|
1223,2
|
23,9
|
1,477
|
0,452
|
|
70
|
15
|
132,8
|
1,8
|
15,1
|
1,2
|
183,8
|
23,8
|
1514,8
|
25,5
|
1,246
|
0,368
|
,
,
.
9.4 Выбор автоматических выключателей
Автоматы выбирают по их номинальному току. Уставки токов расцепителей
определяют по следующим соотношениям:
. Отключающая способность должна быть рассчитана на максимальный ток КЗ,
проходящий по защищаемому элементу:
.[1]
(100)
. Для силовых одиночных электроприемников:
ток уставки теплового расцепителя
; (101)
ток уставки электромагнитного расцепителя
. (102)
. Для группы силовых электроприемников соответственно:
,
. (103)
Пиковые значения токов для группы приемников можно определить по
выражению:
, (104)
где
- пусковой ток наибольшего по мощности приемника, А;
-
максимальный ток группы приемников, А;
-
номинальный ток наибольшего по мощности приемника с коэффициентом
использования, А.
9.4.1 Выбор автоматических выключателей для
электроприемников
Результаты расчета уставок сведем в таблицу 22.
Таблица 22 - Выбор автоматических выключателей.
|
№ ЭП
|
Iр, А
|
Iпуск, А
|
Iпк(3), кА
|
Iпк(1), кА
|
Iт, А
|
Iэ, А
|
Тип автомата
|
Iт, А
|
Iэ, А
|
|
1
|
7,46
|
37,30
|
2,76
|
1,07
|
9,32
|
44,76
|
ВА 57Ф35
|
16
|
80
|
|
2
|
7,46
|
37,30
|
2,80
|
1,09
|
9,32
|
44,76
|
ВА 57Ф35
|
16
|
80
|
|
3
|
7,46
|
37,30
|
1,86
|
0,61
|
9,32
|
44,76
|
ВА 57Ф35
|
16
|
80
|
|
4
|
12,00
|
59,98
|
1,50
|
0,46
|
14,99
|
71,98
|
ВА 57Ф35
|
16
|
80
|
|
5
|
12,00
|
59,98
|
1,50
|
0,46
|
14,99
|
71,98
|
ВА 57Ф35
|
16
|
80
|
|
6
|
12,00
|
59,98
|
1,14
|
0,33
|
14,99
|
71,98
|
ВА 57Ф35
|
16
|
80
|
|
7
|
18,60
|
92,98
|
2,91
|
1,16
|
23,25
|
111,58
|
ВА 57Ф35
|
25
|
125
|
|
8
|
18,60
|
92,98
|
1,49
|
0,45
|
23,25
|
111,58
|
ВА 57Ф35
|
25
|
125
|
|
9
|
6,49
|
32,46
|
0,93
|
0,26
|
8,11
|
38,95
|
ВА 57Ф35
|
16
|
80
|
|
10
|
32,79
|
163,94
|
4,02
|
2,17
|
40,99
|
196,73
|
ВА 57Ф35
|
40
|
320
|
|
11
|
32,79
|
163,94
|
2,21
|
0,76
|
40,99
|
196,73
|
ВА 57Ф35
|
40
|
320
|
|
12
|
32,79
|
163,94
|
1,60
|
0,50
|
40,99
|
196,73
|
ВА 57Ф35
|
40
|
320
|
|
13
|
7,46
|
37,30
|
1,78
|
0,57
|
9,32
|
44,76
|
ВА 57Ф35
|
16
|
80
|
|
14
|
7,46
|
37,30
|
1,13
|
0,33
|
9,32
|
44,76
|
ВА 57Ф35
|
16
|
80
|
|
15
|
7,46
|
37,30
|
0,84
|
0,23
|
9,32
|
44,76
|
ВА 57Ф35
|
16
|
80
|
|
16
|
24,56
|
122,81
|
1,20
|
0,35
|
30,70
|
147,37
|
ВА 57Ф35
|
32
|
160
|
|
17
|
24,56
|
122,81
|
1,16
|
0,34
|
30,70
|
147,37
|
ВА 57Ф35
|
32
|
160
|
|
18
|
5,47
|
27,35
|
1,67
|
0,53
|
6,84
|
32,82
|
ВА 57Ф35
|
16
|
80
|
|
19
|
5,47
|
27,35
|
1,03
|
0,30
|
6,84
|
32,82
|
ВА 57Ф35
|
16
|
80
|
|
20
|
5,47
|
27,35
|
0,82
|
0,23
|
6,84
|
32,82
|
ВА 57Ф35
|
16
|
80
|
|
21
|
5,47
|
27,35
|
2,53
|
0,93
|
6,84
|
32,82
|
ВА 57Ф35
|
16
|
80
|
|
22
|
5,47
|
27,35
|
1,50
|
0,46
|
6,84
|
32,82
|
ВА 57Ф35
|
16
|
80
|
|
23
|
5,47
|
27,35
|
1,04
|
0,30
|
6,84
|
32,82
|
ВА 57Ф35
|
16
|
80
|
|
24
|
5,47
|
27,35
|
2,53
|
0,93
|
6,84
|
32,82
|
ВА 57Ф35
|
16
|
80
|
|
25
|
5,47
|
27,35
|
1,50
|
0,46
|
6,84
|
32,82
|
ВА 57Ф35
|
16
|
80
|
|
26
|
5,47
|
27,35
|
1,10
|
0,32
|
6,84
|
32,82
|
ВА 57Ф35
|
16
|
80
|
|
27
|
17,57
|
87,86
|
0,48
|
0,13
|
21,97
|
105,43
|
ВА 57Ф35
|
25
|
125
|
|
28
|
17,57
|
87,86
|
1,50
|
0,46
|
21,97
|
105,43
|
ВА 57Ф35
|
25
|
125
|
|
29
|
17,57
|
87,86
|
1,05
|
0,30
|
21,97
|
105,43
|
ВА 57Ф35
|
25
|
125
|
|
30
|
17,57
|
87,86
|
0,48
|
0,13
|
21,97
|
105,43
|
ВА 57Ф35
|
25
|
125
|
|
31
|
87,86
|
1,50
|
0,46
|
21,97
|
105,43
|
ВА 57Ф35
|
25
|
125
|
|
32
|
17,57
|
87,86
|
0,99
|
0,28
|
21,97
|
105,43
|
ВА 57Ф35
|
25
|
125
|
|
33
|
8,51
|
42,53
|
0,92
|
0,26
|
10,63
|
51,04
|
ВА 57Ф35
|
16
|
80
|
|
34
|
8,51
|
42,53
|
1,45
|
0,44
|
10,63
|
51,04
|
ВА 57Ф35
|
16
|
80
|
|
35
|
8,51
|
42,53
|
1,29
|
0,38
|
10,63
|
51,04
|
ВА 57Ф35
|
16
|
80
|
|
36
|
8,51
|
42,53
|
2,40
|
0,86
|
10,63
|
51,04
|
ВА 57Ф35
|
16
|
80
|
|
37
|
10,94
|
54,71
|
1,29
|
0,38
|
13,68
|
65,65
|
ВА 57Ф35
|
16
|
80
|
|
38
|
10,94
|
54,71
|
2,40
|
0,86
|
13,68
|
65,65
|
ВА 57Ф35
|
16
|
80
|
|
39
|
10,94
|
54,71
|
0,95
|
0,27
|
13,68
|
65,65
|
ВА 57Ф35
|
16
|
80
|
|
40
|
10,94
|
54,71
|
1,45
|
0,44
|
13,68
|
65,65
|
ВА 57Ф35
|
16
|
80
|
|
41
|
24,56
|
122,81
|
1,99
|
0,67
|
30,70
|
147,37
|
ВА 57Ф35
|
32
|
160
|
|
42
|
24,56
|
122,81
|
2,20
|
0,76
|
30,70
|
147,37
|
ВА 57Ф35
|
32
|
160
|
|
43
|
12,28
|
61,40
|
0,96
|
0,27
|
15,35
|
73,68
|
ВА 57Ф35
|
16
|
80
|
|
44
|
12,28
|
61,40
|
1,39
|
0,42
|
15,35
|
73,68
|
ВА 57Ф35
|
16
|
80
|
|
45
|
42,54
|
212,71
|
2,00
|
0,67
|
53,18
|
255,25
|
ВА 57Ф35
|
50
|
320
|
|
46
|
42,54
|
212,71
|
2,64
|
1,00
|
53,18
|
255,25
|
ВА 57Ф35
|
50
|
320
|
|
47
|
42,54
|
212,71
|
3,85
|
1,97
|
53,18
|
255,25
|
ВА 57Ф35
|
50
|
320
|
|
48
|
22,81
|
114,04
|
1,61
|
0,50
|
28,51
|
136,84
|
ВА 57Ф35
|
40
|
160
|
|
49
|
22,81
|
114,04
|
2,81
|
1,10
|
28,51
|
136,84
|
ВА 57Ф35
|
40
|
160
|
|
50
|
3,65
|
18,23
|
0,91
|
0,26
|
4,56
|
21,88
|
ВА 57Ф35
|
16
|
160
|
|
51
|
3,65
|
18,23
|
1,07
|
0,31
|
4,56
|
21,88
|
ВА 57Ф35
|
16
|
80
|
|
52
|
3,65
|
18,23
|
1,29
|
0,38
|
4,56
|
21,88
|
ВА 57Ф35
|
16
|
80
|
|
53
|
3,65
|
18,23
|
1,56
|
0,48
|
4,56
|
21,88
|
ВА 57Ф35
|
16
|
80
|
|
54
|
3,65
|
18,23
|
2,08
|
0,70
|
4,56
|
21,88
|
ВА 57Ф35
|
16
|
80
|
|
55
|
37,43
|
187,15
|
3,07
|
1,28
|
46,79
|
224,58
|
ВА 57Ф35
|
50
|
320
|
|
56
|
37,43
|
187,15
|
3,33
|
1,48
|
46,79
|
224,58
|
ВА 57Ф35
|
50
|
320
|
|
57
|
26,52
|
132,62
|
1,84
|
0,60
|
33,15
|
159,14
|
ВА 57Ф35
|
40
|
160
|
|
58
|
26,52
|
132,62
|
2,25
|
0,79
|
33,15
|
159,14
|
ВА 57Ф35
|
40
|
160
|
|
59
|
26,52
|
132,62
|
2,65
|
1,00
|
33,15
|
159,14
|
ВА 57Ф35
|
40
|
160
|
|
60
|
26,52
|
132,62
|
2,65
|
1,00
|
33,15
|
159,14
|
ВА 57Ф35
|
40
|
160
|
|
61
|
26,52
|
132,62
|
2,10
|
0,71
|
33,15
|
159,14
|
ВА 57Ф35
|
40
|
160
|
|
62
|
25,44
|
127,19
|
2,34
|
0,83
|
31,80
|
152,63
|
ВА 57Ф35
|
40
|
160
|
|
63
|
25,44
|
127,19
|
3,04
|
1,25
|
31,80
|
152,63
|
ВА 57Ф35
|
40
|
160
|
|
64
|
38,93
|
194,63
|
4,65
|
3,12
|
48,66
|
233,56
|
ВА 57Ф35
|
50
|
320
|
|
65
|
38,93
|
194,63
|
4,65
|
3,12
|
48,66
|
233,56
|
ВА 57Ф35
|
50
|
320
|
|
66
|
38,93
|
4,04
|
2,19
|
48,66
|
233,56
|
ВА 57Ф35
|
50
|
320
|
|
67
|
27,85
|
139,27
|
2,27
|
0,80
|
34,82
|
167,13
|
ВА 57Ф35
|
40
|
160
|
|
68
|
27,85
|
139,27
|
1,74
|
0,55
|
34,82
|
167,13
|
ВА 57Ф35
|
40
|
160
|
|
69
|
27,85
|
139,27
|
1,48
|
0,45
|
34,82
|
167,13
|
ВА 57Ф35
|
40
|
160
|
|
70
|
27,85
|
139,27
|
1,25
|
0,37
|
34,82
|
167,13
|
ВА 57Ф35
|
40
|
160
|
9.4.2 Выбор остальных автоматических выключателей
Результаты расчета уставок автоматических выключателей, устанавливаемых
на ответвления от ВРП к РШ сведем в таблицу 22.
Таблица 23 - Выбор автоматов для ответвлений к РШ
|
Участок
|
Iр, А
|
Iпуск, А
|
Iпк(3), кА
|
Iпк(1), кА
|
Iт, А
|
Iэ, А
|
Тип автомата
|
Iт, А
|
Iэ, А
|
|
ЩР-РЩ1
|
107,9
|
190,3
|
7,8
|
8,0
|
118,7
|
357,9
|
ВА 57Ф35
|
160,0
|
500,0
|
|
РЩ-1
|
30,4
|
162,7
|
7,8
|
8,0
|
33,5
|
231,8
|
ВА 57Ф35
|
40
|
320,0
|
|
РЩ2
|
77,5
|
233,2
|
7,8
|
8,0
|
85,2
|
372,9
|
ВА 57Ф35
|
80
|
500,0
|
|
РЩ3
|
57,0
|
173,7
|
7,8
|
8,0
|
62,7
|
276,8
|
ВА 57Ф35
|
80
|
500,0
|
|
РЩ-4
|
34,6
|
166,9
|
7,8
|
8,0
|
38,0
|
241,8
|
ВА 57Ф35
|
40
|
320,0
|
|
ЩР-РЩ5
|
502,5
|
704,5
|
7,8
|
8,0
|
552,7
|
1448,4
|
ВА 88-40
|
800,0
|
1500,0
|
|
РЩ-5
|
268,4
|
385,1
|
7,8
|
8,0
|
295,2
|
784,1
|
ВА 57Ф35
|
320
|
1000,0
|
|
РЩ6
|
234,1
|
436,1
|
7,8
|
8,0
|
257,5
|
804,2
|
ВА 57Ф35
|
250
|
750,0
|
|
РШ-7
|
106,7
|
239,0
|
7,8
|
8,0
|
117,4
|
414,9
|
ВА 57Ф35
|
100
|
500,0
|
Произведем выбор автоматических выключателей QF1, QF2 и QF3, показанных
на рисунке 18. Результаты расчета занесем в таблицу 24.
Рисунок 18 - Схема соединения РЩ.
Таблица 24 - Выбор автоматов QF1, QF2 и QF3
|
Автомат
|
Iр, А
|
Iравmax, А
|
Iпк(3), кА
|
Iпк(1), кА
|
Iт, А
|
Iэ, А
|
Тип автомата
|
Iт, А
|
Iэ, А
|
|
QF1
|
199,5
|
808,7
|
7,8
|
8,0
|
889,5
|
1209,8
|
ВА-88-40
|
1000
|
1500
|
|
QF2
|
609,2
|
808,7
|
7,8
|
8,0
|
889,5
|
1701,4
|
ВА-88-40
|
1000
|
2000
|
|
QF3
|
0,0
|
609,2
|
7,8
|
8,0
|
670,1
|
730,99
|
ВА-88-40
|
800
|
1200
|
9.5 Выбор магнитных пускателей для вентиляторов
Выбор
контакторов произведем по напряжению установки и расчетному току.
,
.
Выбираем
контактор типа LC-D18, с номинальным током
.
9.6 Расчет освещения в ремонтно-механическом цехе
Спроектируем освещение в цехе на основе ламп ДРЛ со светильниками типа
РСП. Норма освещенности Е=150 лк. Для эвакуационного (аварийного) освещения
освещенность должна составлять не менее 0,5 лк в местах прохода людей и
осуществлено посредством ламп накаливания в светильниках ПСН. Светильники будут
располагаться равномерно. В цехе работает кран-балка, поэтому высота подвеса
лампы 8 м.
Произведем расчет методом коэффициента использования:
, (105)
где
- коэффициент неравномерности освещения, принимаем
;
-
коэффициент использования, зависит от индекса помещения i.
, (106)
где
- длина, м;
-
ширина, м;
-
расчетная высота, м.
Для
расчета разобьем цех на 4 секции и проход. Секции 2-х видов 13,5х7,6, 14,5х7,6.
Расчитаем
1 и 3 секцию:
.
,
.[7,10]
.
По
справочным данным выбираем лампы типа ДРЛ400,
.
Тогда суммарная мощность равна:
.
Расчитаем
2 и 4 секцию:
.
,
.
По
справочным данным выбираем лампы типа ДРЛ400,
.
Тогда суммарная мощность равна:
Примем
для аварийного (эвакуационного) освещения светильники марки НСП 18 ВЕх-93 с
лампами накаливания мощностью 93 Вт и Ф=2000лм, размещенных преимущественно над
проходом и в каждой секции.
(107)
Для
определения е служат пространственные изолюксы в зависимости от h и
.
лк -
условие выполняется. (108)
9.7 Расчет осветительной сети
Осветительный щит устанавливается вблизи основного рабочего входа в
здание, в местах, недоступных для случайных повреждений его, с учетом подхода
воздушной линии.
Выбор сечения осветительной сети произведем по длительно допустимому
току. Питание осуществим четырехпроводными и трехпроводными сетями, в
зависимости от количества светильников в магистрали.
Определим расчетный ток наиболее загруженного фазного проводника:
, (109)
где
- коэффициент, учитывающий потери в ПРА.
Минимальное
сечение по условиям механической прочности 4 мм2.
Выбираем
кабель марки ВВГ-3х4 с параметрами:
.
Поскольку
у самого загруженного участка сечение минимально, то для остальных участков
примем то же сечение.
Проверим
выбранное сечение по потере напряжения.
(109)
. (110)
ЩО: ЩО31-5203 имеющий 4 группы.
ЩАО: ЩО31-5203, имеющий 1 группу.
Осветительную сеть цеха покажем на рисунке 19.
Рисунок 19 - Осветительная сеть деревообрабатывающего цеха.
9.8 Выбор распределительных щитов в цехе
Таблица 25 -Выбор щитов ЩР и пунктов распределительных типа ПР-11
|
Наименование ЩР
|
Номин.ток щита, (А)
|
Наличие и номин. ток (А)
вводного автом. выключателя
|
|
|
|
|
ЩР1-100-Н-791-IP31
|
100
|
100
|
|
ЩР2-100-Н-780-IP31
|
100
|
100
|
|
ЩР3-80-Н-245-IP31
|
80
|
80
|
|
ЩР4-40-Н-750-IP31
|
40
|
40
|
|
ПР11-1087-21У
|
400
|
360
|
|
ЩР5-250-Н-823-IP31
|
250
|
250
|
|
ЩР6-100-Н-782-IP31
|
100
|
100
|
10. Расчет и выбор заземляющих устройств
Согласно требованиям ПУЭ нейтрали установок и все металлические
нетоковедущие части электрооборудования, которые могут оказаться под
напряжением вследствие нарушения изоляции, заземляют. Для этого сооружаются
специальные заземляющие устройства, служащие для обеспечения безопасности людей
и защиты электроустановок, а также эксплуатационных режимов работы.
10.1 Расчет заземления цеховой ТП
Ток ОЗЗ на стороне 10 кВ определим по формуле;
. (111)
Грунт
в месте окружения - глина, в качестве естественного заземлителя используются
металлические части фундамента цеха с сопротивлением растеканию
.[10]
.
Предполагаем сооружение заземлителя с внешней стороны цеха с расположением
вертикальных электродов в один ряд на длине 24 м; тип заземлителя ( [2]) -
вертикальные электроды в земле, соединенные горизонтальной полосой; материал
вертикальных и горизонтальных заземлителей -сталь диаметром 25 мм; верхняя
кромка вертикальных электродов и горизонтальные электроды заглублены на 0,5 м;
длина вертикальных электродов 2,5 м.
.
На стороне 10 кВ - нейтраль изолирована, на стороне 0,4 кВ - глухо заземлена.
Планируем совмещенное ЗУ для высокого и низкого напряжений.
По
[2] для установок с напряжением 380 В сопротивление ЗУ
; для установок с напряжением 10 кВ при совмещенном ЗУ
для высокого и низкого напряжения
определяется
по формуле:
. (112)
За
расчетное сопротивление принимаем наименьшее из них, т.е.
.
.
Учитывая проводимость естественного заземлителя рассчитываем сопротивление
искусственного ЗУ:
. (113)
. Корректируем расчетное удельное сопротивление грунта вертикальных и
горизонтальных электродов умножением на коэффициент сезонности:
,
. (114)
. Определяем сопротивление растеканию одиночного заземлителя по формуле
[2]:
. (115)
6.
Ориентировочное число вертикальных электродов при усредненном значении
:
. (116)
. Определяем сопротивление растеканию горизонтальных электродов с учетом
экранирования:
, (117)
. (118)
определяем
по формуле [2], а
[2],
(
- длина горизонтального заземлителя).
.
Уточняем необходимое сопротивление вертикальных электродов
с учетом проводимости горизонтального заземлителя:
. (119)
9.
Окончательное число вертикальных электродов при уточненном коэффициенте
использования
[2].
. (120)
Окончательно
принимаем число вертикальных электродов, округляя результат
.
10.2 Расчет заземления БКТП
Ток ОЗЗ для воздушной линии на стороне 35 кВ определим по формуле:
(121)
Предполагаем
сооружение заземлителя с внешней стороны БКТП (размеры - 10×11 м) с расположением вертикальных электродов по
периметру БКТП 40 м; тип заземлителя - вертикальные электроды в земле,
соединенные горизонтальной полосой; материал вертикальных и горизонтальных
заземлителей -сталь: верхняя кромка вертикальных электродов и горизонтальные
электроды заглублены на 0,7 м; длина вертикальных электродов 2,5 м.
На стороне 35 и 10 кВ - нейтраль изолирована.
Для
установок с напряжением выше 1000 В 
определяется
по формуле
(122)
кВ:
кВ:
За
расчетное сопротивление принимаем. 

Ориентировочное число вертикальных электродов при усредненном значении
(123)
Определяем
сопротивление растеканию горизонтальных электродов с учетом экранирования:
Ом (124)
Ом (125)
определяем
по формуле из Приложения И [1], а
из
Приложения П [1], при
(126)
(
- длина горизонтального заземлителя).
Уточняем
необходимое сопротивление вертикальных электродов
с учетом проводимости горизонтального заземлителя:.
Ом (127)
Окончательное
число вертикальных электродов при уточненном коэффициенте использования
:
. (128)
(129)
Окончательно
принимаем число вертикальных электродов, округляя результат в большую сторону. 
11. Релейная защита
Согласно заданию элементы системы электроснабжения, для которых
необходимо произвести расчет релейной защиты и автоматики: ПУЭ 3.8.51-3.2.71
Трансформатор КТПН-35;
· Продольная диф. Защита;
· МТЗ;
· Токовая защита от перегрузки на сигнал и разгрузку;
· Газовая защита.
Трансформатор КТП-10 до 6,3 МВА
· Токовую отсечку;
· МТЗ (исключение для тр-ров, защищаемых не предохранителями)
· Токовая защита от перегрузки на сигнал и разгрузку;
· Газовая защита;
· Защита от замыканий на землю.
Для синхронных электродвигателей напряжением 6,3 кВ, мощностью 600 кВт
рассчитываем защиты: ПУЭ 5.3.43-5.3.54
· Токовую отсечку;
· Токовая защита от перегрузки;
· Защита от понижения напряжения;
· Защита от асинхронного хода (для синхронного двигателя);
· Защита от замыканий на землю.
Защита ВЛ и КЛ 10 кВ:
· МТЗ;
· Токовую отсечку;
· Защита от замыканий на землю.
11.1 Выбор оперативного тока
В качестве оперативного тока принимаем выпрямленный оперативный ток,
получаемый от специальных выпрямителей. Питание цепей управления и защиты осуществляется
от трансформаторов тока и трансформаторов напряжения. Трансформаторы тока
являются наиболее надежными источниками оперативного тока. При питании
оперативных цепей от ТТ оперативным током является ток к.з., проходящий по его
вторичной обмотке. ТН являются источником оперативного тока для защиты от
однофазных замыканий на землю в сетях с изолированной нейтралью, когда ток
замыкания на землю мал, а междуфазное напряжение имеет номинальное значение.
Также для питания цепей газовой защиты трансформаторов, когда при некоторых
внутренних повреждениях ток к.з. может иметь недостаточное значение для
отключения выключателя, а напряжение может оставаться достаточно высоким.
11.2 Расчет релейной защиты элементов
.2.1 Расчет релейной защиты Трансформаторов КТПН-35
Используем данные из раздела 7.
Максимальная токовая защита:
Ток срабатывания защиты выбирается из условий отстройки от максимального
рабочего тока линии и обеспечения возврата пускового органа защиты в начальное
положение после его срабатывания при отключении внешнего к.з. и действия АВР на
подстанции:
(130)
Максимальный рабочий ток для каждого из трансформаторов при введённом АВР
не должен быть более 0,65−0,7 его номинального тока, с тем чтобы вызвать
недопустимую перегрузку оставшегося в работе трансформатора. Тогда ток
срабатывания защиты [9]:
для
одной обмотки НН.
Ток
срабатывания реле:
(131)
где
− коэффициент схемы (схема соединения ТТ
«звезда»)
(132)
Коэффициент чувствительности в основной зоне:
(133)
(134)
Ток
срабатывания защиты выбран с учётом того, что в некоторых режимах. Трансформатор
может быть нагружен до 1,3
(при отсутствии второго трансформатора).
По
условию согласования по чувствительности с защитой СВ :
(135)
где
− коэффициент надёжности согласования защиты,
значение которого зависит от точности работы реле и трансформаторов тока,
точности настройки реле (
).
(136)
Выбирается
(137)
Проверяем
чувствительность (схема − «зфезда» с двумя реле на стороне 35 кВ и
«треугольник» на стороне 10 кВ)
а)
(138)
(139)
−
при двухфазном К.З. за трансформатором.
б)
При двухфазном К.З. на выводах 35 кВ.
Продольная
дифференциальная токовая защита:
Эта
защита должна устанавливаться на трансформаторах мощностью 6,3 МВА и более, а
также на трансформаторах 4 МВА при их параллельной работе. Допускается её
установка и на трансформаторах меньшей мощностью (но не менее 1 МВА), когда не
проходит по чувствительности токовая отсечка. В основном дифференциальные
защиты трансформаторов выполняют на реле серии РНТ и ДЗТ. Расчёт состоит в
определении токов срабатывания защиты и реле, числа витков обмоток реле и
коэффициента чувствительности.
В
связи с грубой оценкой показаний РНТ и малой эффективностью целесообразно
применить реле серии ДЗТ, которое, благодаря наличию тормозной обмотки,
обеспечивает несрабатывание защиты от токов небалансов при внешних К.З.
Первичный ток срабатывания защиты с реле ДЗТ определяют только по условию
отстройки от броска тока намагничивания при включении ненагруженного трансформатора
под напряжение.
Произведём
расчёт дифференциальной защиты с реле ДЗТ-11 в таблице.
Таблица
26 - Расчет ДЗТ-11 трансформаторов КТПН.
|
Величина
|
Обозначеные и расчётная
|
Результаты расчётов
|
|
Номинальная мощность
защищаемого трансформатора, кВА
|
Sн
|
10000
|
|
|
|
|
|
|
|
Номинальное напряжение
обмоток защищаемого трансформатора, кВ
|
Uвн
|
35
|
|
Uнн
|
10
|
|
Первичные номинальные токи
|
|
164,957
|
|
|
288,675
|
|
коэффициент трансформации
ТТ
|
nвн
|
200/5
|
|
nнн
|
315/5
|
|
Схемы соединения ТТ:
|
|
на стороне ВН
|
Υ
|
|
|
на стороне НН
|
∆
|
|
|
Вторичные токи в плечах
защиты,
|
|
4,124
|
|
|
7,937
|
|
Относительная погрешность
обусловленная регулированием напряжением, о.е.,
|
∆U
|
0,120
|
|
|
|
|
|
|
|
Минимальное значение тока
КЗ на выводах НН, приведённое к напряжению ВН, А
|
|
1367,000
|
|
|
|
|
|
|
|
Определение уставки и чувствительности
защиты
|
|
Первичный ток срабатывания
защиты по условию отстройки от бросков токов намагничивания, А
|
|
247,436
|
|
|
|
|
|
|
|
Ток срабатывания реле
приведённый к стороне ВН, А,
|
|
10,714
|
|
|
|
|
Расчётное число витков
обмотки реле, включенной со стороны ВН
|
|
9,333
|
|
|
|
|
Принятое число витков
обмотки реле, включенной со стороны ВН
|
|
9
|
|
|
|
|
Расчётное число витков
обмотки реле, включенной со стороны ВН
|
|
7,015
|
|
|
|
|
Принятое число витков
обмотки реле, включенной со стороны ВН
|
|
7,000
|
|
|
|
|
Расчётное число витков
тормозной обмотки по условию отстройки от тока небаланса при КЗ на стороне НН
|
|
2,635
|
|
|
|
|
|
|
|
|
|
|
Принятое число витков
тормозной обмотки
|
выбирается из ряда чисел
1,3,5,7,9,11,13,18,24
|
3
|
|
|
|
|
Минимальное значение тока в
реле при двухфазном КЗ на выводах ВН, А
|
|
51,263
|
|
|
|
|
|
|
|
Минимальное значение
коэффициента чувствительности защиты
|
|
4,614
|
|
|
|
|
|
|
Защита от перегрузок:
Защита устанавливается на трансформаторах 400 кВА и более с действием на
сигнал (на автоматическую разгрузку или отключение на подстанциях без дежурного
персонала).
Перегрузка трансформаторов обычно бывает симметричной, поэтому защита от
перегрузок выполняется с помощью МТЗ, включенной на ток одной фазы.
Ток срабатывания защиты
(140)
где
,
Защита устанавливается со стороны питания.
(141)
(142)
Защиту
выполним на микропроцессорном реле MiCOM P111, подключенную через ТПЛК-35/200.
Время срабатывания защиты от перегрузки выбирается на ступень больше времени
МТЗ от перегрузки токами внешних К.З.
Газовая
защита:
Газовая
защита устанавливается от повреждений внутри кожуха трансформатора,
сопровождающихся выделением газа, и от понижения уровня масла. Она реагирует на
такие опасные повреждения, как замыкание между витками обмотки, на которые не реагируют
другие виды защит из-за недостаточного значения тока при этом виде повреждения.
Действие
защиты основано на том, что всякие, даже незначительные, повреждения, а также
повышенные нагревы внутри бака трансформатора вызывают разложение масла и органической
изоляции, что сопровождается выделением газа.
Интенсивность
газообразования и химический состав газа зависят от характера и размеров
повреждения. Поэтому защита выполняется так, чтобы при медленном
газообразовании подавался предупредительный сигнал, о бурном газообразовании,
что имеет место при К.З., происходило отключение повреждённого трансформатора.
Кроме того, газовая защита действует на сигнал при опасном понижении уровня
масла в баке трансформатора.
Газовое
реле типа РЗТ-50 (двухпоплавковое) предназначено для коммутации сигналов:
· «ПРЕДУПРЕЖДЕНИЕ» - при возникновении неисправности в работе
защищаемого аппарата;
· «ОТКЛЮЧЕНИЕ» - при потере жидкости или при превышении
скорости жидкости в соединительном трубопроводе выше заданного порогового значения.
Номинальной рабочей жидкостью для реле РЗТ-50 является трансформаторное
масло. Реле защиты трансформатора РЗТ-50 является защитным реле для
изолированных или охлаждаемых жидкостью аппаратов с расширительным сосудом
(трансформаторы, многоступенчатые переключатели, конденсаторы, дроссельные
катушки и т.д.) и монтируется на соединительном трубопроводе между корпусом и
расширительным сосудом. Аналогами реле РЗТ-50 являются реле типа: РГТ-50, BF-50
(реле Бухгольца).ср- = 0,1…0,3 с.
11.2.2 Расчет релейной защиты трансформаторов ТП
Защита от перегрузок и коротких замыканий:
На стороне ВН защита трансформаторов ТП предусматривается вакуумными
выключателями с блокакми защиты БЗВ-1, защита предохранителями ПКТ и
комплектами выключалей нагрузок.
Для трансформаторов мощностью до 2500 МВА используем комплект
предохранитель-выключатель нагрузки.
ВНРП-10/400 10 зп У3 с предохранителем
К
выключателю ВНР-10 могут последовательно подключаться силовые плавкие
предохранители с кварцевым заполнением типа ПТ. Предохранители могут быть
установлены сверху или снизу выключателя.
На стороне НН защита предусмотрена в виде магнитных пускателей,
автоматическими выключателями, устройством АВР.
Газовая защита:
Газовая защита устанавливается от повреждений внутри кожуха
трансформатора, сопровождающихся выделением газа, и от понижения уровня масла.
Она реагирует на такие опасные повреждения, как замыкание между витками
обмотки, на которые не реагируют другие виды защит из-за недостаточного
значения тока при этом виде повреждения.
Действие защиты основано на том, что всякие, даже незначительные,
повреждения, а также повышенные нагревы внутри бака трансформатора вызывают
разложение масла и органической изоляции, что сопровождается выделением газа.
Интенсивность газообразования и химический состав газа зависят от
характера и размеров повреждения. Поэтому защита выполняется так, чтобы при
медленном газообразовании подавался предупредительный сигнал, о бурном
газообразовании, что имеет место при К.З., происходило отключение повреждённого
трансформатора. Кроме того, газовая защита действует на сигнал при опасном
понижении уровня масла в баке трансформатора.
Основным элементом газовой защиты является газовое реле, которое
устанавливается маслопроводе трансформатора между баком и расширителем.
Достоинством газовой защиты является высокая чувствительность и
способность различать практически все повреждения внутри бака трансформатора.
К недостаткам относится нечувствительность газовой защиты к повреждениям
вне бака трансформатора и возможность ложного срабатывания из-за толчка масла.
Прочтение этой строчки вслух поощряется бутылкой коньяка. Начальная стадия
межвитковых замыканий также не всегда выявляется газовой защитой.
Во всех случаях срабатывания газового реле на сигнал или отключение
производится внешний осмотр трансформатора. Через смотровое окно в корпусе реле
проверяется наличие, окрас и объем газа. При наличии газа в реле делается его
проба для дальнейшего анализа.
Для предотвращения отказов газового реле трансформатор устанавливается
под небольшим уклоном в сторону расширителя (1-3%), это делается для облегчения
условий сбора газов в реле.
В качестве газовой защиты выбираем газовое реле типа РГЗЧ-50ср-РГЗЧ=
0,1…0,3 с.
Таблица 27 - Расчет РЗ ТП.
|
№
|
ТП
|
Iр
|
ТО
|
ТЗ от перегрузки
|
ЗНЗ
|
МТЗ
|
|
|
|
Icз
|
Iср
|
kч
|
Icз
|
Iср
|
Icз
|
Iср
|
Icз
|
Iср
|
|
5
|
2хТМ-2500/10
|
144,3
|
259,8
|
8,1
|
48,5
|
216,5
|
6,8
|
108,3
|
3,4
|
455,8
|
14,2
|
|
7
|
2хТМ-2500/10
|
144,3
|
259,8
|
8,1
|
48,5
|
216,5
|
6,8
|
108,3
|
3,4
|
455,8
|
14,2
|
|
9
|
2хТМ-2500/10
|
144,3
|
259,8
|
8,1
|
48,5
|
216,5
|
6,8
|
108,3
|
3,4
|
455,8
|
14,2
|
11.2.3 Защита кабельных линий 10 кВ
Защиты с зависимой характеристикой имеют малое время срабатывания при
больших токах, что выгодно для уменьшения перегрузки оборудования токами КЗ,
облегчает согласование с предыдущими защитами за счет увеличения выдержки
времени последующей защиты в месте установки предыдущей. В то же время
электромеханические защиты с зависимыми характеристиками имеют их значительный
разброс, вынуждающий выполнять согласование с большими ступенями по времени (до
1 сек). Кроме того, согласование должно выполняться во всем диапазоне токов КЗ.
Поэтому оно часто производится графически.
Отклонение характеристик микропроцессорных защит определяется их
точностью по току (2%) и по времени (5%) и остается во всем диапазоне токов
примерно таким же, как и для защит с независимыми выдержками времени. Любая
точка характеристики может быть вычислена математически. Однако согласование
характеристик микропроцессорных защит более целесообразно производить графически.
Как и в случае электромеханических защит, уставки микропроцессорных защит проще
выбирать с независимыми характеристиками.
Микропроцессорные защиты имеют целое семейство зависимых характеристик. В
любом случае может быть подобрана наиболее подходящая.
Максимальная токовая защита:
Ток срабатывания защиты отстраивается от максимального рабочего тока.
, (143)
где
КН - коэффициент надежности принимаемый равным 1,2;
КВ
- коэффициент возврата принимаем 0,95;
КСЗ
- коэффициент самозапуска можно принять равным 2,5 для городских сетей и 2 -
для сельских сетей;РАБ.МАХ - максимальный рабочий ток (п. 7.1).
Тогда:
КЛ-ТП-1
(144)
(145)
Принимаем
трансформатор марки ТПЛК-10. Защита осуществляется на реле MODULEX 3.
Токовая отсечка:
Отстраивается из условия отстройки от бросков тока намагничивания
трансформаторов, присоединенных к данной линии:
(146)
Расчетный
ток срабатывания реле.
(147)
где
КСХ - коэффициент схемы, равный 1.
Принимаем
трансформатор марки ТПЛК-10. Защита осуществляется на реле MODULEX 3.
Защита
от однофазных замыканий на землю:
, (148)
= 1,1…1,2
- коэффициент отсройки, учитывающий бросок емкостного тока, который принимается
равным 4…5, если защита действует без выдержки времени.
Для
линии ПС -ТП:
(149)
где
- длина линии.
А
(150)
ч
=14,7-0,65/0,295=12,5 >1,25
Защита
осуществляется на реле MODULEX 3 с трансформатором тока ТЗЛМ-1.
Таблица
28 - Расчет РЗ кабельной линии.
|
Участок
|
Марка КЛ
|
Iр
|
МТЗ
|
ТО
|
|
ЗНЗ
|
|
|
|
Icз
|
Iср
|
kч
|
Icз
|
Iср
|
Ic.уд
|
Ic
|
Icз
|
kч
|
|
ГПП-ТП-1
|
ААБ-3х25
|
36,4
|
114,9
|
14
|
558
|
54,6
|
7
|
0,65
|
0,06695
|
0,29458
|
1,176149
|
|
ГПП-ТП-2
|
ААБ-3х16
|
23,1
|
72,9
|
9
|
744
|
34,6
|
4
|
0,55
|
0,0462
|
0,20328
|
1,806474
|
|
ГПП-ТП-3
|
ААБ-3х35
|
23,1
|
72,9
|
9
|
991
|
34,6
|
4
|
0,72
|
0,04176
|
0,183744
|
2,022706
|
|
ГПП-ТП-4
|
ААБ-3х25
|
14,4
|
45,6
|
6
|
840
|
21,7
|
3
|
0,65
|
0,02431
|
0,106964
|
3,637766
|
|
ГПП-ТП-5
|
ААБ-3х70
|
144,3
|
455,8
|
14
|
884
|
216,5
|
7
|
0,92
|
0,01656
|
0,072864
|
5,446585
|
|
ГПП-ТП-6
|
ААБ-3х35
|
23,1
|
72,9
|
9
|
991
|
34,6
|
4
|
0,72
|
0,055152
|
0,242669
|
1,476366
|
|
ГПП-ТП-7
|
ААБ-3х70
|
144,3
|
455,8
|
14
|
884
|
216,5
|
7
|
0,92
|
0,010488
|
0,046147
|
8,731451
|
|
ГПП-ТП-8
|
ААБ-3х35
|
57,7
|
182,3
|
23
|
507
|
86,6
|
11
|
0,72
|
0,036
|
0,1584
|
2,382702
|
|
ГПП-ТП-9
|
ААБ-3х50
|
144,3
|
455,8
|
9
|
1382
|
216,5
|
27
|
0,8
|
0,116
|
0,5104
|
0,582719
|
|
КЛ-35
|
ААБ-3х120
|
165,0
|
520,9
|
13
|
91
|
247,4
|
6
|
5,4
|
-
|
-
|
-
|
11.2.3 Защита синхронных двигателей 6 кВ
Для защиты от коротких замыканий установим вакуумные выключатели серии
ВРС-6 в ячейках КРУ
Основные параметры выключателей серии ВРС-6:
§ номинальное напряжение - 6 кВ
§ наибольшее рабочее напряжение - 7,2 кВ
§ номинальный ток - 1 250 - 3 150 А
§ номинальный ток отключения - 40 кА
§ ток электродинамической стойкости - 102; 128 кА
§ полное время отключения - не более 0,065 с
§ собственное время включения - не более 0,120 с
§ собственное время отключения - не более 0,035-0,050 с
§ механический ресурс - 30 000 циклов
§ коммутационный ресурс при номинальном токе - 30 000 циклов
§ коммутационный ресурс при номинальном токе отключения - 40;
50 отключений
§ межконтактное расстояние - 310 мм
§ межполюсное расстояние - 200; 230 мм
Токовая отсечка.
Первичный ток срабатывания токовой отсечки выбираем по условию отстройки
от пускового тока:
А. (151)
Где
- коэффициент надёжности;
- коэффициент пуска.
Принимаем
трансформатор тока с коэффициентом трансформации:
(152)
Токовая
отсечка выполняется на двухфазной двухрелейной схеме, для которой
.
Ток срабатывания реле составит:
А. (153)
Проверяем
чувствительность токовой отсечки:
- условие
выполняется.
Принимаем трансформатор марки ТПЛК-10. Защита осуществляется на реле
MODULEX 3.
Токовая защита от перегрузки на сигнал или разгрузку:
Ток срабатывания токовой защиты от перегрузки выбираем по условию
отстройки от номинального тока электродвигателя:
А. (154)
Где
- коэффициент надёжности;
- коэффициент возврата реле тока.
Ток
срабатывания реле составит:
А. (155)
Выдержка
времени защиты от перегрузки выбираем по условию
(156)
Где
время пуска электродвигателя с механизмом,
определяется в процессе эксплуатации.
Принимаем
сек. и действие защиты на сигнал. На отключение или
разгрузку механизма определяется по необходимости.
Принимаем трансформатор марки ТПЛК-10. Защита осуществляется на реле
MODULEX 3.
Защита от понижения напряжения:
Так как потребители относятся к 1 и 2 категории, принимаем следующие
параметры срабатывания защиты минимального напряжения:
кВ, при
с. (157)
кВ, при
с. (158)
Принимаем
трансформатор напряжения с коэффициентом трансформации:
(159)
Напряжение
срабатывания защиты:
В. (160)
В. (161)
Выдержку
времени защиты по понижению напряжения выбираем
сек.
Защита от замыканий на землю:
Собственный ёмкостной ток кабельной линии составит:
А. (162)
Где
А/км - удельный ёмкостной ток;
км - длина кабельной линии;
- число кабелей в линии.
Собственный
ёмкостной ток электродвигателя составит:
А. (163)
Ёмкостной
ток присоединения составит:
А (164)
Первичный
ток срабатывания защиты от замыкания на землю в обмотке статора электродвигателя
определяем по условии отстройки от броска собственного ёмкостного тока
присоединения при внешнем коротком замыкании:
А. (165)
Где
- коэффициент отстройки;
- коэффициент броска для реле РТЗ-50.
Принимаем
к установке защиту с реле РТЗ-50, подключенную к трансформатору тока ТЗЛМ.
Значение первичных токов срабатывания реле РТЗ-50 при подключении к
трансформатору тока ТЗЛМ находится в пределах 0,67 - 4,12 А.
Время
выдержки защиты принимаем
сек.
Защита от асинхронного хода:
При выпадении синхронного электродвигателя из синхронизма по обмотке
статора проходит пульсирующий во времени ток.
Ток срабатывания защиты выбирается из условия:
А. (166)
Ток
срабатывания реле:
А. (167)
Выдержка
времени защиты выбирается в зависимости от степени ответственности
электродвигателя:
на
неответственных электродвигателях защита действует на отключение, то есть
сек;
на
ответственных электродвигателях защита может действовать на устройство
ресинхронизации, автоматическую разгрузку или отключение с последующим
автоматическим пуском.
11.2.4 Автоматический ввод резерва
Схемы и установки местных АВР должны отвечать следующим основным
требованиям:
1. Схема АВР должна приходить в действие при исчезновении напряжения
на линиях подстанции по любой из двух причин:
- при аварии, ошибочном самопроизвольном отключении выключателя рабочего
питания, находящегося на данной подстанции
при исчезновении напряжения на линиях откуда питается рабочий источник.
, В (168)
напряжение срабатывания максимального реле напряжения, контролирующего
наличие напряжения на резервном источнике питания:
, В (169)
2. Пуск схемы местного АВР при снижении напряжения на шинах ниже
принятого по формуле должен производиться с выдержкой времени. Время
срабатывания реле времени пускового органа напряжения местного АВР (tсрАВР)
должно выбираться по следующим условиям:
- по условию отстройки времени срабатывания от тех защит, в зоне которых
к.з. могут вызвать снижения напряжения ниже принятого по формуле.
, с; (170)
, с. (171)
где t1 - наибольшее время срабатывания защиты присоединений шин высшего
напряжения подстанции, с;- наибольшее время срабатывания защиты присоединения
шин, где установлен АВР.
∆t - ступень селективности;
∆t = 0,6 с.
по условию согласования действия АВР с другими устройствами
противоаварийной автоматики узла
срАВРз ≥ tсрАВР2 + tзап, с (172)
где tзап = 2с.
Действие АВР должно быть однократным.
12. Экономическая часть
.1 Определение сметной стоимости системы электроснабжения
Основой для определения сметной стоимости схемы электроснабжения является
спецификация электрического оборудования.
Смета является документом, по которому определяется стоимость оборудования,
материалов и монтажных работ.
Определение стоимости строительства, ремонта, реконструкции объектов на
стадии разработки проектной документации было и остается одной из важнейших
задач проектирования.
Таблица 29 - Спецификация оборудования.
|
№пп
|
Наименование оборудования
|
Еденица измерения
|
колличество
|
|
1
|
ТСН 2х63/10
|
шт
|
1
|
|
2
|
2хБКТП-10000/35
|
компл
|
1
|
|
3
|
КТП-2х250/10
|
компл
|
1
|
|
4
|
КТП-2х400/10
|
компл
|
3
|
|
5
|
КТП-2х630/10
|
компл
|
2
|
|
6
|
КТП-2х1000/10
|
компл
|
2
|
|
7
|
КТП-2х2500/10
|
компл
|
2
|
|
8
|
СТД-2
|
шт
|
4
|
|
9
|
Силовой кабель 35 кВ:
ААБ-3х120
|
км
|
0,12
|
|
10
|
Силовой кабель 10 кВ:
ААБ-3х16
|
км
|
0,168
|
|
11
|
Силовой кабель 10 кВ:
ААБ-3х25
|
км
|
0,206
|
|
12
|
Силовой кабель 10 кВ:
ААБ-3х35
|
км
|
0,369
|
|
13
|
Силовой кабель 10 кВ:
ААБ-3х50
|
км
|
0,145
|
|
14
|
Силовой кабель 10 кВ:
ААБ-3х70
|
км
|
0,058
|
|
15
|
Силовой кабель 0,4 кВ:
АВВГ-4х35
|
м
|
91
|
|
16
|
Силовой кабель 0,4 кВ:
АВВГ-4х50
|
м
|
41
|
|
17
|
Силовой кабель 0,4 кВ:
АВВГ-4х70
|
м
|
24
|
|
18
|
Силовой кабель 0,4 кВ:
АВВГ-4х95
|
м
|
18
|
|
19
|
Силовой кабель 0,4 кВ:
АВВГ-4х120
|
м
|
29
|
|
20
|
Силовой кабель 0,4 кВ:
АВВГ-4х150
|
м
|
68
|
|
21
|
ОПН-35 У3
|
шт
|
2
|
|
22
|
ОПН-20 У3
|
шт
|
2
|
|
23
|
ОПН-10 У3
|
шт
|
2
|
|
24
|
ПКТ 101-35-8-12,5 У3
|
шт
|
6
|
|
25
|
ПКТ 101-10-8-20 У3
|
шт
|
6
|
|
26
|
ПКТ 101-10-2-12,5 У3
|
шт
|
2
|
|
27
|
ВББ-10/630 У3
|
шт
|
24
|
|
28
|
ВРС-6/1250 У3
|
шт
|
6
|
|
29
|
ВБН-35/1600 У3
|
шт
|
3
|
|
30
|
РРЗ-2-35/1000 У3
|
шт
|
8
|
|
31
|
РВЗ-10/400 У3
|
шт
|
2
|
|
32
|
ВНРп-10/400зп
|
компл.
|
12
|
|
33
|
НАМИ-35 У3
|
шт
|
2
|
|
34
|
НАМИ-10 У3
|
шт
|
2
|
|
35
|
ТЗЛМ-10-1
|
шт
|
18
|
|
36
|
ТПЛК-10-100-0,5/10р
|
шт
|
84
|
|
37
|
ТПЛК-10-450-0,5/10р
|
шт
|
21
|
|
38
|
ТПЛК-10-16/10р
|
шт
|
12
|
|
39
|
УКРМ-10-450-Q У3
|
шт
|
2
|
|
40
|
УКРМ-10-200-Q У3
|
шт
|
3
|
|
41
|
УКМ-0,38-150-Q У4
|
шт
|
2
|
|
42
|
УКМ-0,38-110-Q У5
|
шт
|
2
|
|
43
|
СЕ301 S31
|
шт
|
22
|
|
44
|
Варрметр СТ30 21
|
шт
|
6
|
|
45
|
Амперметр Э378
|
шт
|
102
|
|
46
|
Вольтметр Э335
|
шт
|
30
|
|
47
|
Сборные шины
|
м
|
100
|
Таблица 30 -
Укрупненная сметная стоимость.
|
№пп
|
Наименование оборудования
|
Еденица измерения
|
колличество
|
Цена за еденицу, р
|
Итого, тыс.р
|
|
1
|
ТСН 2х63/10
|
шт
|
1
|
69000
|
69
|
|
2
|
2хБКТП-10000/35
|
компл
|
1
|
3254000
|
3254
|
|
3
|
КТП-2х250/10
|
компл
|
1
|
214400
|
214,4
|
|
4
|
КТП-2х400/10
|
компл
|
3
|
240940
|
722,82
|
|
5
|
КТП-2х630/10
|
компл
|
2
|
289100
|
578,2
|
|
6
|
КТП-2х1000/10
|
компл
|
2
|
389800
|
779,6
|
|
7
|
КТП-2х2500/10
|
компл
|
2
|
410520
|
821,04
|
|
8
|
СТД-2
|
шт
|
4
|
2850000
|
11400
|
|
9
|
Силовой кабель 35 кВ:
ААБ-3х120
|
км
|
0,12
|
240005
|
28,8006
|
|
10
|
Силовой кабель 10 кВ:
ААБ-3х16
|
км
|
0,168
|
165000
|
27,72
|
|
11
|
Силовой кабель 10 кВ:
ААБ-3х25
|
км
|
0,206
|
49,595118
|
|
12
|
Силовой кабель 10 кВ:
ААБ-3х35
|
км
|
0,369
|
260863
|
96,258447
|
|
13
|
Силовой кабель 10 кВ:
ААБ-3х50
|
км
|
0,145
|
286667
|
41,566715
|
|
14
|
Силовой кабель 10 кВ:
ААБ-3х70
|
км
|
0,058
|
367312
|
21,304096
|
|
15
|
Силовой кабель 0,4 кВ:
АВВГ-4х35
|
м
|
91
|
77,69
|
7,06979
|
|
16
|
Силовой кабель 0,4 кВ:
АВВГ-4х50
|
м
|
41
|
101,85
|
4,17585
|
|
17
|
Силовой кабель 0,4 кВ:
АВВГ-4х70
|
м
|
24
|
171
|
4,104
|
|
18
|
Силовой кабель 0,4 кВ:
АВВГ-4х95
|
м
|
18
|
188,7
|
3,3966
|
|
19
|
Силовой кабель 0,4 кВ:
АВВГ-4х120
|
м
|
29
|
258,7
|
7,5023
|
|
20
|
Силовой кабель 0,4 кВ:
АВВГ-4х150
|
м
|
68
|
330,01
|
22,44068
|
|
21
|
ОПН-35 У3
|
шт
|
2
|
13000
|
26
|
|
22
|
ОПН-20 У3
|
шт
|
2
|
6400
|
12,8
|
|
23
|
ОПН-10 У3
|
шт
|
2
|
1980
|
3,96
|
|
24
|
ПКТ 101-35-8-12,5 У3
|
шт
|
6
|
700
|
4,2
|
|
25
|
ПКТ 101-10-8-20 У3
|
шт
|
6
|
700
|
4,2
|
|
26
|
ПКТ 101-10-2-12,5 У3
|
шт
|
2
|
700
|
1,4
|
|
27
|
ВББ-10/630 У3
|
шт
|
24
|
150000
|
3600
|
|
28
|
ВРС-6/1250 У3
|
шт
|
6
|
14000
|
84
|
|
29
|
ВБН-35/1600 У3
|
шт
|
3
|
25000
|
75
|
|
30
|
РРЗ-2-35/1000 У3
|
шт
|
8
|
12860
|
102,88
|
|
31
|
РВЗ-10/400 У3
|
шт
|
2
|
8600
|
17,2
|
|
32
|
ВНРп-10/400зп
|
компл.
|
12
|
12330
|
147,96
|
|
33
|
НАМИ-35 У3
|
шт
|
2
|
210000
|
420
|
|
34
|
НАМИ-10 У3
|
шт
|
2
|
340000
|
680
|
|
35
|
ТЗЛМ-10-1
|
шт
|
18
|
2770
|
49,86
|
|
36
|
ТПЛК-10-100-0,5/10р
|
шт
|
84
|
50000
|
4200
|
|
37
|
ТПЛК-10-450-0,5/10р
|
шт
|
21
|
55000
|
1155
|
|
38
|
ТПЛК-10-16/10р
|
шт
|
12
|
52800
|
633,6
|
|
39
|
УКРМ-10-450-Q У3
|
шт
|
2
|
155800
|
311,6
|
|
40
|
УКРМ-10-200-Q У3
|
шт
|
3
|
87800
|
263,4
|
|
41
|
УКМ-0,38-150-Q У4
|
шт
|
2
|
65000
|
130
|
|
42
|
УКМ-0,38-110-Q У5
|
шт
|
2
|
48000
|
96
|
|
43
|
СЕ301 S31
|
шт
|
22
|
2750
|
60,5
|
|
44
|
Варрметр СТ30 21
|
шт
|
6
|
10856
|
65,136
|
|
45
|
Амперметр Э378
|
шт
|
102
|
300
|
30,6
|
|
46
|
Вольтметр Э335
|
шт
|
30
|
520
|
15,6
|
|
47
|
Сборные шины
|
м
|
100
|
479
|
47,9
|
|
Итого
|
30391,8
|
|
Плата за технологическое
подключение (9000 руб/кВт, Pм=11408 кВт)
|
102672,0
|
|
Стоимость с учетом
удорожания kуд=1,3
|
39509,3
|
|
Транспортные расходы (1,2%
от стоимости оборудования)
|
474,1
|
|
Складские расходы (0,5 % от
стоимости оборудования)
|
197,5
|
|
Стоимость монтажных работ (
20% от стоимости оборудования)
|
7901,9
|
|
Плановые накопления (6% от
стоимости монтажных работ)
|
474,1
|
|
Накладные расходы (8% от
стоимости монтажных работ)
|
632,1
|
|
Итого по смете
|
182252,9
|
12.2 Планирование использования рабочего времени
Баланс рабочего времени одного работника составляется на плановый период
при следующих допущениях:
-режим работы пятидневный;
средняя продолжительность основного и дополнительного отпуска 31 день;
отпуск учащихся 0,5% от номинального фонда рабочего времени;
не выходы по болезни 3% от номинального фонда рабочего времени;
не выходы в связи с выполнением общественных и государственных
-обязанностей 0,5%;
внутренние потери 1,5%.
Таблица 31 - Баланс рабочего времени.
|
Показатели
|
Дни
|
Часы
|
|
1. Календарный фонд времени
|
365
|
8760
|
|
2. Нерабочие дни: в том
числе: праздничные дни выходные дни
|
113 9 104
|
904 72 832
|
|
3. Номинальный фонд
рабочего времени
|
252
|
2016
|
|
4. Неиспользованное время:
а) основные и дополнительные отпуска б) отпуска учащихся (0,5% Фном) в)
невыходы по болезни (3% Фном) г) невыходы в связи с выполнением общественных
и государственных обязанностей (0,5% Фном)
|
31 1,3 7,6 1,3
|
248 10.4 60.8 10.4
|
|
Итого неиспользуемое время
|
41,2
|
329.6
|
|
5. Явочное время одного
рабочего
|
210,8
|
1686.4
|
|
6. Внутрисменные потери
(1,5% Фном)
|
3,8
|
30.4
|
|
7. Полезный фонд рабочего
времени
|
207
|
1656
|
|
8. Средняя продолжительность
рабочего дня
|
|
8
|
|
9. Коэффициент
использования рабочего времени года
|
0,82
|
|
Коэффициент использования рабочего времени:
, о.е. (173)
где Фпол - полезный фонд рабочего времени;
Фном - номинальный фонд рабочего времени.
о.е.
12.3 Планирование численности персонала
.3.1 Определение численности ремонтного персонала
Явочный состав ремонтных рабочих:
, (174)
где
Т - суммарная трудоемкость ремонта всего оборудования, чел-ч/год; Фном -
номинальный фонд рабочего времени, Фном = 2016 часов;
Суммарная
трудоёмкость ремонта определяется как сумма произведений нормы трудоёмкости
капитального и текущего ремонтов оборудования, чел×ч, на число капитальных и текущих ремонтов в году,
1/год.
Количество
плановых ремонтов в течении одного ремонтного цикла:
(175)
где
nк и nт - продолжительность периода в месяцах между текущими и капитальными
ремонтами.
Таблица
32 - Структура ремонтного цикла
|
Наименование
электрооборудования
|
Продолжительность
ремонтного цикла, год
|
Продолжи-тельность периода
между капитальными ремонтами, мес.
|
Продолжи-тельность между
текущими ремонтами, мес.
|
Структура ремонт-ного цикла
|
Кол-во текущих ремонтов в
год
|
|
1. Трансформаторы
|
12
|
144
|
24
|
5т - 1к
|
0,5
|
|
2. Выключатели
|
8
|
96
|
12
|
7т - 1к
|
1
|
|
3. Разъединители
|
3
|
36
|
6
|
5т - 1к
|
2
|
|
4. Тр-ры тока и напр.
|
12
|
144
|
12
|
11к - 1т
|
1
|
|
5. Кабельные линии
|
6
|
72
|
3
|
23т - 1к
|
4
|
В таблице 33 представлены данные для расчёта ΣТ.
Таблица 33 - Годовой объем ремонтосложности.
|
№пп
|
Наименование оборудования
|
Ед.изм.
|
кол.
|
Трудозатраты на ТР
|
Трудозатраты на КР
|
|
|
|
|
на ед.оборудования
|
Всего
|
Среднегодовое
|
на ед.оборудования
|
Всего
|
Среднегодовое
|
|
1
|
ТСН 2х630/10
|
шт
|
1
|
4
|
4
|
2
|
80
|
80
|
40
|
|
2
|
2хБКТП-10000/35
|
1
|
5
|
5
|
2,5
|
80
|
80
|
40
|
|
3
|
КТП-2х250/10
|
компл
|
1
|
4
|
4
|
2
|
40
|
40
|
20
|
|
4
|
КТП-2х400/10
|
компл
|
3
|
4
|
12
|
6
|
44
|
132
|
66
|
|
5
|
КТП-2х630/10
|
компл
|
2
|
4
|
8
|
4
|
50
|
100
|
50
|
|
6
|
КТП-2х1000/10
|
компл
|
2
|
4
|
8
|
4
|
60
|
120
|
60
|
|
7
|
КТП-2х2500/10
|
компл
|
2
|
4
|
8
|
4
|
70
|
140
|
70
|
|
8
|
СТД-2
|
шт
|
4
|
8
|
32
|
16
|
70
|
280
|
140
|
|
9
|
Силовой кабель 35 кВ:
ААБ-3х120
|
км
|
0,12
|
6
|
0,72
|
0,36
|
15
|
1,8
|
0,9
|
|
10
|
Силовой кабель 10 кВ:
ААБ-3х16
|
км
|
0,168
|
4
|
0,672
|
0,336
|
15
|
2,52
|
1,26
|
|
11
|
Силовой кабель 10 кВ:
ААБ-3х25
|
км
|
0,206
|
4
|
0,824
|
0,412
|
15
|
3,09
|
1,545
|
|
12
|
Силовой кабель 10 кВ:
ААБ-3х35
|
км
|
0,369
|
4
|
1,476
|
0,738
|
15
|
5,535
|
2,7675
|
|
13
|
Силовой кабель 10 кВ:
ААБ-3х50
|
км
|
0,145
|
4
|
0,58
|
0,29
|
15
|
2,175
|
1,0875
|
|
14
|
Силовой кабель 10 кВ:
ААБ-3х70
|
км
|
0,058
|
5
|
0,29
|
0,145
|
23
|
1,334
|
0,667
|
|
15
|
Силовой кабель 0,4 кВ:
АВВГ-4х35
|
км
|
0,91
|
4
|
3,64
|
1,82
|
23
|
20,93
|
10,465
|
|
16
|
Силовой кабель 0,4 кВ:
АВВГ-4х50
|
км
|
0,41
|
4
|
1,64
|
0,82
|
23
|
9,43
|
4,715
|
|
17
|
Силовой кабель 0,4 кВ:
АВВГ-4х70
|
км
|
0,24
|
6
|
1,44
|
0,72
|
15
|
3,6
|
1,8
|
|
18
|
Силовой кабель 0,4 кВ:
АВВГ-4х95
|
км
|
0,18
|
6
|
1,08
|
0,54
|
15
|
2,7
|
1,35
|
|
19
|
Силовой кабель 0,4 кВ:
АВВГ-4х120
|
км
|
0,29
|
6
|
1,74
|
0,87
|
15
|
4,35
|
2,175
|
|
20
|
Силовой кабель 0,4 кВ:
АВВГ-4х150
|
км
|
0,68
|
6
|
4,08
|
2,04
|
15
|
10,2
|
5,1
|
|
21
|
ОПН-35 У3
|
шт
|
2
|
1
|
2
|
1
|
3
|
6
|
3
|
|
22
|
ОПН-20 У3
|
шт
|
2
|
1
|
2
|
1
|
3
|
6
|
3
|
|
23
|
ОПН-10 У3
|
шт
|
2
|
1
|
2
|
1
|
3
|
6
|
3
|
|
24
|
ПКТ 101-35-8-12,5 У3
|
шт
|
6
|
10
|
60
|
30
|
7
|
42
|
21
|
|
25
|
ПКТ 101-10-8-20 У3
|
шт
|
6
|
12
|
72
|
36
|
7
|
42
|
21
|
|
26
|
ПКТ 101-10-2-12,5 У3
|
шт
|
2
|
10
|
20
|
10
|
7
|
14
|
7
|
|
27
|
ВББ-10/630 У3
|
шт
|
35
|
2
|
70
|
35
|
3
|
105
|
52,5
|
|
28
|
ВРС-6/1250 У3
|
шт
|
6
|
2
|
12
|
6
|
3
|
18
|
9
|
|
29
|
ВБН-35/1600 У3
|
шт
|
2
|
2
|
4
|
2
|
3
|
6
|
3
|
|
30
|
РРЗ-2-35/1000 У3
|
шт
|
14
|
2
|
28
|
14
|
3
|
42
|
21
|
|
31
|
РВЗ-10/400 У3
|
шт
|
4
|
2
|
8
|
4
|
20
|
80
|
40
|
|
32
|
ВНРп-10/400зп
|
компл.
|
8
|
2
|
16
|
8
|
25
|
200
|
100
|
|
33
|
НАМИ-35 У3
|
шт
|
2
|
5
|
10
|
5
|
25
|
50
|
25
|
|
34
|
НАМИ-10 У3
|
шт
|
2
|
5
|
10
|
5
|
10
|
20
|
10
|
|
35
|
ТЗЛМ-10-1
|
шт
|
18
|
5
|
90
|
45
|
23
|
414
|
207
|
|
36
|
ТПЛК-10-100-0,5/10р
|
шт
|
105
|
5
|
525
|
262,5
|
23
|
2415
|
1207,5
|
|
37
|
ТПЛК-10-450-0,5/10р
|
шт
|
5
|
90
|
45
|
10
|
180
|
90
|
|
38
|
ТПЛК-10-16/10р
|
шт
|
12
|
5
|
60
|
30
|
10
|
120
|
60
|
|
39
|
УКРМ-10-450-Q У3
|
шт
|
2
|
2
|
4
|
2
|
10
|
20
|
10
|
|
40
|
УКРМ-10-200-Q У3
|
шт
|
3
|
2
|
8
|
4
|
7
|
28
|
14
|
|
41
|
УКМ-0,38-150-Q У4
|
шт
|
2
|
1
|
8
|
4
|
3,5
|
28
|
14
|
|
42
|
УКМ-0,38-110-Q У5
|
шт
|
2
|
1
|
2
|
1
|
3,5
|
7
|
3,5
|
|
43
|
СЕ301 S31
|
шт
|
22
|
6
|
12
|
6
|
50
|
100
|
50
|
|
44
|
Варрметр СТ30 21
|
шт
|
6
|
4
|
72
|
36
|
30
|
540
|
270
|
|
45
|
Амперметр Э378
|
шт
|
102
|
4
|
420
|
210
|
40
|
4200
|
2100
|
|
46
|
Вольтметр Э335
|
шт
|
30
|
4
|
72
|
36
|
28
|
504
|
252
|
|
47
|
Сборные шины
|
км
|
0,1
|
2
|
24
|
12
|
12
|
144
|
72
|
|
Итого
|
|
901,091
|
|
5188,332
|
Таблица 34 - Ремонтосложность оборудования.
|
№пп
|
Наименование оборудования
|
Ед.изм.
|
кол.
|
N у.е на еденицу
|
N у.е всего
|
|
1
|
ТСН 2х630/10
|
шт
|
1
|
18
|
18
|
|
2
|
2хБКТП-10000/35
|
компл
|
1
|
21
|
21
|
|
3
|
КТП-2х250/10
|
компл
|
1
|
3,7
|
3,7
|
|
4
|
КТП-2х400/10
|
компл
|
3
|
12
|
36
|
|
5
|
КТП-2х630/10
|
компл
|
2
|
18
|
36
|
|
6
|
КТП-2х1000/10
|
компл
|
2
|
21
|
42
|
|
7
|
КТП-2х2500/10
|
компл
|
2
|
25
|
50
|
|
8
|
СТД-2
|
шт
|
4
|
9,5
|
38
|
|
9
|
Силовой кабель 35 кВ:
ААБ-3х120
|
км
|
0,12
|
10
|
1,2
|
|
10
|
Силовой кабель 10 кВ:
ААБ-3х16
|
км
|
0,168
|
4,6
|
0,7728
|
|
11
|
Силовой кабель 10 кВ:
ААБ-3х25
|
км
|
0,206
|
4,6
|
0,9476
|
|
12
|
Силовой кабель 10 кВ:
ААБ-3х35
|
км
|
0,369
|
7,6
|
2,8044
|
|
13
|
Силовой кабель 10 кВ:
ААБ-3х50
|
км
|
0,145
|
7,6
|
1,102
|
|
14
|
Силовой кабель 10 кВ:
ААБ-3х70
|
км
|
0,058
|
7,6
|
0,4408
|
|
15
|
Силовой кабель 0,4 кВ:
АВВГ-4х35
|
км
|
0,91
|
2,5
|
2,275
|
|
16
|
Силовой кабель 0,4 кВ:
АВВГ-4х50
|
км
|
0,41
|
4
|
1,64
|
|
17
|
Силовой кабель 0,4 кВ:
АВВГ-4х70
|
км
|
0,24
|
4
|
0,96
|
|
18
|
Силовой кабель 0,4 кВ:
АВВГ-4х95
|
км
|
0,18
|
4
|
0,72
|
|
19
|
Силовой кабель 0,4 кВ:
АВВГ-4х120
|
км
|
0,29
|
4
|
1,16
|
|
20
|
Силовой кабель 0,4 кВ:
АВВГ-4х150
|
км
|
0,68
|
4
|
2,72
|
|
21
|
ОПН-35 У3
|
шт
|
2
|
1
|
2
|
|
22
|
ОПН-20 У3
|
шт
|
2
|
1
|
2
|
|
23
|
ОПН-10 У3
|
шт
|
2
|
1
|
2
|
|
24
|
ПКТ 101-35-8-12,5 У3
|
шт
|
6
|
4,5
|
27
|
|
25
|
ПКТ 101-10-8-20 У3
|
шт
|
6
|
4,6
|
27,6
|
|
26
|
ПКТ 101-10-2-12,5 У3
|
шт
|
2
|
4
|
8
|
|
27
|
ВББ-10/630 У3
|
шт
|
24
|
1
|
24
|
|
28
|
ВРС-6/1250 У3
|
шт
|
6
|
1
|
6
|
|
29
|
ВБН-35/1600 У3
|
шт
|
3
|
1
|
3
|
|
30
|
РРЗ-2-35/1000 У3
|
шт
|
8
|
1
|
8
|
|
31
|
РВЗ-10/400 У3
|
шт
|
2
|
2
|
4
|
|
32
|
ВНРп-10/400зп
|
компл.
|
12
|
1,5
|
18
|
|
33
|
НАМИ-35 У3
|
шт
|
2
|
1,5
|
3
|
|
34
|
НАМИ-10 У3
|
шт
|
2
|
5
|
10
|
|
35
|
ТЗЛМ-10-1
|
шт
|
18
|
5
|
90
|
|
36
|
ТПЛК-10-100-0,5/10р
|
шт
|
84
|
5
|
420
|
|
37
|
ТПЛК-10-450-0,5/10р
|
шт
|
21
|
5
|
105
|
|
38
|
ТПЛК-10-16/10р
|
шт
|
12
|
4,3
|
51,6
|
|
39
|
УКРМ-10-450-Q У3
|
шт
|
2
|
3,5
|
7
|
УКРМ-10-200-Q У3
|
шт
|
3
|
4
|
12
|
|
41
|
УКМ-0,38-150-Q У4
|
шт
|
2
|
4
|
8
|
|
42
|
УКМ-0,38-110-Q У5
|
шт
|
2
|
1
|
2
|
|
43
|
СЕ301 S31
|
шт
|
22
|
1
|
22
|
|
44
|
Варрметр СТ30 21
|
шт
|
6
|
1
|
6
|
|
45
|
Амперметр Э378
|
шт
|
102
|
1,5
|
153
|
|
46
|
Вольтметр Э335
|
шт
|
30
|
3
|
90
|
|
47
|
Сборные шины
|
м
|
100
|
3
|
300
|
|
Итого
|
1672,6426
|
На основании количества электрооборудования и количества ремонтов
рассчитаем годовой объем ремонтосложности оборудования и трудоемкости
проведения ремонтов.
. (176)
Тогда:
. (177)
Списочный
состав ремонтных рабочих:
. (178)
12.3.2 Определение численности эксплуатационного персонала
Численность оперативного персонала ГПП:
, чел (179)
где
- норматив численности оперативного персонала;- число
подстанций.ГПП = 2,6×1 = 2,6 » 3 чел. (180)
Полная
численность эксплуатационного персонала:
.
(181)
где
К1 = 1,25; К2 = 1,1; К3 = 1,1.
чел.
(182)
Явочный
состав эксплуатационных рабочих:
, чел
(183)
где
n = 2 - количество смен;
= 1672,6 (из таблицы 34) - сумма единиц ремонтосложности
электрооборудования;
РЭ - количество единиц ремонтосложности, приходящего на одного рабочего;
РЭ = 900 ед - для электрооборудования, работающего в помещениях с
нормальной средой.
чел.
(184)
Списочный
состав эксплуатационных рабочих:
. (185)
Общая
численность рабочих обслуживающих энергохозяйство завода:
, чел
(186)
общ
= 5 +5 +4 = 14 чел. (187)
12.4 Планирование заработной платы обслуживающего персонала
Тарифный фонд заработной платы эксплуатационного персонала:
, руб., (188)
где
руб/ час - тарифная ставка эксплуатационных рабочих;
Фном
-номинальный фонд рабочего времени.
руб.
(189)
Тарифный
фонд заработной платы ремонтного персонала:
, руб.,
(190)
где
руб/ час - тарифная ставка ремонтных рабочих.
руб.
(191)
Часовой
фонд заработной платы эксплуатационных и ремонтных рабочих:
тыс.руб,
(192)
тыс.руб.,
(193)
где
Дпр - премия, 75% Зт;
Дночн
- доплата за работу в ночное время, 40%
;
Дпразд
- доплата за работу в праздничные дни, 4,5%
.
Дневной
фонд заработной платы:
, тыс.
руб. (194)
тыс.
руб.
Годовой
фонд заработной платы:
, тыс.
руб., (195)
где
Дотп - доплата отпускных;
Дчас.об.
- оплата дней выполнения государственных обязанностей.
(196)
где
Фотп - фонд времени отпуска.
% (197)
(198)
Фгос.об
- фонд времени выполнения государственных обязанностей
% (199)
Таблица
35-Определение среднегодовой заработной платы.
|
Элементы фонда заработной
платы
|
Заработная плата, тыс. руб.
|
|
Эксплуатационных рабочих,
тыс.р
|
Ремонтных рабочих, тыс.р
|
|
|
|
|
1. Фонд оплаты по тарифу за
год
|
826,6
|
286,1
|
|
Доплаты до часового фонда
заработной платы:
|
|
|
|
а) премия
|
619,9
|
214,6
|
|
б) оплата праздничных дней
|
-
|
12,9
|
|
в) оплата за работу в
ночное время
|
330,6
|
-
|
|
Итого часовой фонд
заработной платы
|
1777,1
|
513,6
|
|
2. Доплата до дневного
фонда заработной платы:
|
|
|
|
а) оплата праздничных дней
|
-
|
12,9
|
|
Итого дневной фонд
заработной платы
|
1777,1
|
526,4
|
|
3. Доплаты до готового
фонда заработной платы:
|
|
|
|
а) оплата отпусков
|
266,6
|
79,0
|
|
б) оплата государственных обязанностей
|
1119,6
|
331,7
|
|
Всего годовой фонд
заработной платы
|
3163,2
|
937,1
|
|
4. Средняя годовая
заработная плата
|
1581,6
|
468,5
|
12.5 Планирование сметы годовых эксплуатации расходов по
обслуживанию энергохозяйства завода
При расчете начислений на заработную плату планируется отчисления на
социальное страхование с основной и дополнительной заработной платы в размере
30,2 %. Стоимость эксплуатационных материалов принимается 15 % от заработной
платы эксплуатационного персонала. Затраты на текущий ремонт включают в себя:
а) основную и дополнительную заработную плату ремонтного состава
персонала;
б) начисления на заработную плату по социальному страхованию в размере
30,2 %;
в) стоимость материалов, полуфабрикатов, покупных комплектующих изделий,
принимаем 35 % от стоимости основных фондов.
Прочие затраты составляют 30 % от заработной платы эксплуатационных и
ремонтных рабочих. При планировании амортизационных отчислений исходят из
данных о наличии основных фондов и годовых норм амортизации.
Вычисления заносим в таблицу 36 и таблицу 37.
Таблица 36-Амортизационные отчисления.
|
Элементы схемы
электроснабжения
|
Стоимость группы, тыс. руб
|
Норма амортизации, %
|
Амортизационные отчисления
тыс. руб
|
|
Силовое оборудование и
коммутационные аппараты.
|
112007,01
|
9,4
|
10528,6587
|
|
Синхронные двигатели
|
68363,30
|
8,1
|
5537,427351
|
|
КЛ
|
1882,59
|
6,3
|
118,6034564
|
|
Итого
|
182252,90
|
|
16184,68951
|
Таблица 37-Смета годовых эксплуатационных расходов.
|
Наименование статей затрат
|
Затраты, тыс.руб.
|
% к итогу
|
|
1. Основная и
дополнительная заработная плата
|
3163,25
|
13,43
|
|
2. Страховые взносы на
заработную плату 30,2%
|
955,30
|
4,06
|
|
3. Эксплуатационные
материалы 15% от З/пл экс.
|
474,49
|
2,01
|
|
4. Ремонт
|
|
|
|
4.1 Заработная плата
ремонтных рабочих
|
937,07
|
3,98
|
|
4.2 Страховые взносы на
З/пл ремонтных рабочих 30,2%
|
282,99
|
1,20
|
|
4.3 Расходные материалы 35%
от з/пл рем.
|
327,97
|
1,39
|
|
5. Амортизационные
отчисления
|
16184,69
|
68,71
|
|
6. Прочие затраты 30 % от
з/пл экс. и рем.
|
1230,09
|
5,22
|
|
Итого затраты
|
23555,85
|
100
|
12.6 Определение внутризаводской себестоимости 1 кВт∙ч потребляемой
электроэнергии
Годовое потребление электроэнергии заводом:
, тыс.
кВт×ч/год (140)
где
- активная мощность, получаемая из энергосистемы;
Тmax
- время использования максимальной нагрузки.
Э
= 11408×4000 = 45632 тыс. кВт×ч/год
(141)
Себестоимость
рассчитывается по следующей формуле:
Полезная
передаваемая энергия на производственные нужды и освещения.
тыс. кВт×ч/год (142)
Потери
электроэнергии составляют 10% от Эгод:
где
Рм - расчетная активная мощность.
Эпол
= 45632-4563= 41068,8 тыс. кВт×ч/год (143)
Плата
за электроэнергию:
, тыс.
руб., (144)
Расчеты
по определению себестоимости электроэнергии сведем в таблицу 38
Таблица
38- Калькуляция себестоимости 1 кВт×ч потребляемой
электроэнергии.
|
Показатели и статьи
расходов
|
Единица измерения
|
Величина
|
|
|
|
|
1. Количество
электроэнергии получаемой из энергосистемы
|
тыс. кВт×ч
|
45632,00
|
|
2. Годовой максимум
нагрузки завода
|
кВт
|
11408,00
|
|
3. Коэффициент мощности
|
о.е.
|
0,76
|
|
4. Тариф за энергию
|
руб/кВт*ч
|
2,92
|
|
5. Плата за энергию
|
тыс. руб.
|
133245,44
|
|
6. Годовые эксплуатационные
расходы на обслуживание энергохозяйства завода
|
тыс. руб.
|
23555,85
|
|
Итого затрат
|
тыс. руб.
|
156801,29
|
|
7. Потери электроэнергии
|
тыс. кВт×ч
|
4563,20
|
|
8. Количество
электроэнергии полезнопередаваемое на производственные нужды и освещение
|
кВт*ч
|
41068,80
|
|
9. Цеховая себестоимость 1
кВт×ч полезнопотребленной электроэнергии
|
руб/кВт*ч
|
3,82
|
13. Безопасность и экологичность
Безопасная и безаварийная эксплуатация систем
электроснабжения и многочисленных приемников ставит перед работниками
электрохозяйства разносторонние и сложные задачи по безопасности.
Здоровье и безопасные условия труда
электротехнического персонала и работников, эксплуатирующих электрифицированные
производственные установки, могут быть обеспечены выполнением
научно-обоснованных правил и норм, как при проектировании и монтаже, так и при
их эксплуатации.
Все правовые вопросы безопасности и экологичности в
стране решаются на основе Конституции РФ. Вопросы безопасности и экологичности
изложены в ТК РФ Законодательство по правовой охране труда регламентирует режим
рабочего времени и отдыха. На работах в тяжелых и вредных условиях на объектах
работ, относящихся к категории повышенной опасности, запрещается использовать
лица моложе 18 лет.
В развитии основных положений законодательства об
охране труда разрабатываются и внедряются различные нормативные документы,
предусматривающие безопасности труда.
Ответственным лицом за соблюдение ТБ и охраны труда и
является главный инженер дистанции электроснабжения, инженер по ТБ и охране
труда.
Периодическая проверка знаний электротехнического
персонала проводится 1 раз в год. Обязательно проведение инструктажа после
несчастных случаев или ввода нового оборудования.
Установлена ответственность администрации предприятия
за травматизм на производстве. Установлен также надзор и контроль за
выполнением требований правил и норм по охране труда, осуществляемые
государственными органами и инспекцией. Высший надзор за исполнением закона о
труде возлагается на Генерального прокурора РФ.
13.1 Технические мероприятия, обеспечивающие безопасность работ
Для подготовки рабочего места при работах со снятием напряжения должны
быть выполнены в указанном порядке следующие технические мероприятия:
1) произведены необходимые отключения и приняты меры, препятствующие
подаче напряжения на место работы вследствие ошибочного или самопроизвольного
включения коммутационной аппаратуры;
2) на приводах ручного и на ключах дистанционного управления
коммутационной аппаратуры вывешены запрещающие плакаты;
) проверено отсутствие напряжения на токоведущих частях, которые
должны быть заземлены для защиты людей от поражения электрическим током;
) наложено заземление (включены заземляющие ножи, а там, где они
отсутствуют, установлены переносные заземления);
) вывешены предупреждающие плакаты, ограждены при необходимости
рабочие места и оставшиеся под напряжением токоведущие части. В зависимости от
местных условий токоведущие части ограждаются до или после наложения
заземлений.
При оперативном обслуживании электроустановки двумя и более лицами в
смену перечисленные мероприятия должны выполнять двое. При единичном
обслуживании их может выполнять одно лицо, кроме наложения переносных
заземлений в электроустановках напряжением выше 1000В и производство
переключений, проводимых на двух и более присоединениях в электроустановках
напряжением выше 1000 В, не имеющих действующих устройств блокировки
разъединителей от неправильных действий.
В электроустановках напряжением до 1000В с токоведущих частей, на которых
будет производиться работа, напряжение со всех сторон должно быть снято
отключением коммутационных аппаратов с ручным приводом, а при наличии в схеме
предохранителей - снятием последних.
При отсутствии в схеме предохранителей предотвращение ошибочного
включения коммутационных аппаратов должно быть обеспечено такими мерами, как
запирание рукояток или дверец шкафов, укрытие кнопок, установка между
контактами изолирующих прокладок. Допускается также снимать напряжение
коммутационным аппаратом с дистанционным управлением при условии отсоединения
проводов включающей катушки.
Если позволяют конструктивное исполнение аппаратов и характер работы,
перечисленные выше меры, могут быть заменены расшиновкой или отсоединением
концов кабеля, проводов от коммутационного аппарата, либо от оборудования, на
котором должна производиться работа.
Расшиновку или отсоединение концов кабеля, проводов может выполнять лицо
с группой по электробезопасности не ниже III из ремонтного персонала под
руководством допускающего. С ближайших к рабочему месту токоведущих частей,
доступных для непреднамеренного прикосновения, необходимо либо снять
напряжение, либо их оградить.
Отключение положения коммутационных аппаратов напряжением до 1000В с
недоступными для осмотра контактами (автоматы невыкатного типа, пакетные
выключатели, рубильники в закрытом исполнении) определяется проверкой
отсутствия напряжения на их зажимах либо на отходящих шинах, проводах или на
зажимах оборудования, включенного этими коммутационными аппаратами.
Непосредственно после проведения необходимых отключений на приводах
разъединителей, отделителей и отключателей нагрузки напряжением выше 1000В, на
ключах и кнопках дистанционного управления или, на коммутационной аппаратуре
напряжением до 1000В (автоматы, рубильники, выключатели), отключенных при
подготовке рабочего места, должны быть вывешены плакаты: «Не включать. Работают
люди.», а отключенных для допуска к работе на ВЛ и КЛ -плакаты «Не включать.
Работа на линии».
На присоединениях напряжением до 1000В, не имеющих автоматов,
выключателей или рубильников, плакаты вывешиваются у снятых предохранителей,
при установке которых может быть подано напряжение на место работы.
Устанавливать и снимать накладки должны два лица с группой V и IV-в
электроустановках напряжением выше 1000В, IV и III-в установках до 1000В (одно
из них оперативного, другое может быть из ремонтного персонала), пользуясь
диэлектрическими перчатками и изолирующими штангами либо клещами применением
защитных очков.
В электроустановках напряжением до 1000В все операции по наложению и
снятию заземлений разрешается делать одному лицу с группой по
электробезопасности не ниже III из оперативного или оперативно-ремонтного
персонала.
Перед началом всех видов работ в электроустановках со снятием напряжения
необходимо проверить отсутствие напряжения на участке работы. Проверка
отсутствия напряжения на отключенной для производства работ части электроустановки
должна быть проведена допускающим после вывешивания запрещающих плакатов.
13.2 Требования к электротехническому персоналу
Эксплуатацию электроустановок должен осуществлять оперативно
подготовленный электротехнический персонал, который подразделяется на:
Административно-технический, организующий и принимающий непосредственное
участие в оперативных переключениях, ремонтных, монтажных и наладочных работ в
ЭУ; этот персонал имеет права оперативного, ремонтного или
оперативно-ремонтного;
Оперативный, осуществляющих оперативное управление электрохозяйством
предприятия, цеха, а также оперативное обслуживание электроустановок;
Ремонтный, выполняющий все виды работ по ремонту, реконструкции и монтажу
электрооборудования. К этой категории относится персонал специализированных
служб, в обязательности которого входит проведение испытаний, измерений,
наладки и регулировки электроаппаратуры;
Оперативно-ремонтный персонал, специально обученный и подготовленный для
выполнения оперативных работ на закрепленных за ним электроустановок.
Электротехническому персоналу, имеющему группы по электробезопасности
II-V включительно, предъявляются следующие требования:
1) лица, не достигшие 18-летнего возраста, не могут быть допущены к
самостоятельным работам в электроустановках;
2) лица из электротехнического персонала не должны иметь увечий и
болезни, мешающих производственной работе;
) лица из электротехнического персонала должны после
соответствующей теоретической и практической подготовки пройти проверку знаний
и иметь удостоверение на доступ к работе в электроустановках.
Проверка знаний правил должна производиться в комиссии того предприятия,
на котором работает проверяемый. В какой-либо другой комиссии проводить
проверку знаний не допускается. Проверка знаний каждого работника производится
и оформляется индивидуально. Результаты проверки знаний заносятся в журнал
установленной формы. Каждому работнику, успешно прошедшему проверку знаний,
выдается удостоверение установленной формы о проверке знаний с присвоенной
группой (II-V) по электробезопасности.
Периодическая проверка знаний персонала производится в следующие сроки:
раз в год - для электротехнического персонала, непосредственно
обслуживающего действующие электроустановки или проводящего в них наладочные,
электромонтажные, ремонтные работы или профилактические испытания, а также для
персонала, оформляющего распоряжения и организующего эти работы;
раз в 3 года - для инженерно-технических работников электротехнического
персонала, не относящихся, а предыдущей группе, а также инженеров по техники
безопасности, допущенных к инспектированию электроустановок.
В случае если срок окончания действия удостоверения приходится на время
отпуска или болезни, допускается продление срока действия удостоверения на 1
месяц со дня выхода на работу. Решение о продлении срока действия удостоверения
специально не оформляется.
Ответственность за своевременную проверку знаний у электротехнического
персонала с группой по электробезопасности I и выше несет руководство участков,
цехов других подразделений предприятия.
13.3 Противопожарная безопасность
При неправильной эксплуатации электрического
оборудования, отказе в срабатывании защит и других случаях в электроустановках
возникают пожары. Для их предупреждения необходимо строго соблюдать ПТЭПЭ и
ПУЭ.
Мероприятия по пожарной защите энергообъектов
осуществляются в соответствии с "Инструкцией по пожарной защите
энергообъектов Минэнерго России".
В настоящее время на подстанциях применяют установки
воздушного, газового и порошкового пожаротушения. Указания по проектированию
системы пожарного водоснабжения даны в СНиП 11 - 58 - 84. Расход воды на
наружное пожаротушение для производственных зданий принимается с учётом степени
огнестойкости конструкций зданий и категории производства по пожарной опасности
в зависимости от объекта может составить от 10 до 40 л/с.
Для тушения пожаров на проектируемых РП и ТП
предусматривается установка ящиков с песком объёмом 0,5 м3, кусок плотной ткани
размером 2x2 и по 2 углекислотных огнетушителя типа ОУ - 10.
Молниезащита - комплекс защитных устройств,
предназначенных для обеспечения безопасности людей, сохранности сооружений,
оборудования и материалов от возможных взрывов, загораний и разрушений,
возникающих при прямом ударе молнии. Для защиты электроустановок от атмосферных
перенапряжений применяют молниеотводы, защитные тросы, разрядники и т.д.
13.4 Защита от шума, вибрации
Шум, являясь информационной помехой для высшей нервной деятельности в
целом, оказывает неблагоприятное влияние на протекание нервных процессов,
увеличивает напряжение физиологических функций в процессе труда, способствует
развитию утомления и снижает работоспособность организма.
Однако, кроме специфического действия на органы слуха, шум оказывает и
неблагоприятное общебиологическое действие, вызывая сдвиги в различных
функциональных системах организма. Так, под влиянием шума возникают
вегетативные реакции, обусловливающие нарушение периферического кровообращения
за счет сужения капилляров, а также изменение артериального давления
(преимущественно повышение). Шум вызывает снижение иммунологической
реактивности и общей сопротивляемости организма, что проявляется в повышении
уровня заболеваемости с временной утратой трудоспособности.
Для снижения шума применяют различные методы коллективной защиты:
уменьшение уровня шума в источнике его возникновения; рациональное размещение
оборудования; борьба с шумом на путях его распространения, в том числе
изменение направленности излучения шума, использование средств звукоизоляции,
звукопоглощение и установка глушителей шума, в том числе акустическая обработка
поверхностей помещения.
Наиболее эффективным средством является борьба с шумом в источнике его
возникновения. Для уменьшения механического шума необходимо своевременно
проводить ремонт оборудования, заменять ударные процессы на безударные, шире
использовать принудительное смазывание трущихся поверхностей, применять
балансировку вращающихся частей. Снижения аэродинамического шума можно добиться
уменьшением скорости газового потока, улучшением аэродинамики конструкции,
звукоизоляции и установкой глушителей. Электромагнитные шумы снижают
конструктивными изменениями в электрических машинах.
Вибрацией называется механическое колебательное
движение, заключающееся в перемещении тела как целого. Вибрация в отличие от
звука не распространяется в виде волн сжатия/разряжения и передается только при
механическом контакте одного тела с другим.
В природе вибрация практически не встречается, но, к
сожалению, очень часто возникает в технических устройствах. Кроме того, в
технике вибрацию специально используют, например, при вибрационной
транспортировке.
Вибрация, воздействующая на человека через опорные
поверхности, оказывает влияние на весь организм и называется общей.
(Поверхность, на которой человек стоит, сидит или лежит, называется опорной.)
Общая вибрация, захватывающая все тело, наблюдается на всех видах транспорта и
при работе в непосредственной близости от источника вибрации (промышленного
оборудования).
Для борьбы с вибрацией машин и оборудования и защиты
работающих от вибрации используют различные методы. Борьба с вибрацией в
источнике ее возникновения связана с установлением причин появления
механических колебаний и их устранением. Для снижения вибрации широко
используют эффект вибродемпфирования - превращение энергии механических
колебаний в другие виды энергии, чаще всего в тепловую. С этой целью в
конструкции деталей, через которые передается вибрация, применяют материалы с
большим внутренним трением: специальные сплавы, пластмассы, резины,
вибродемпфирующие покрытия. Для предотвращения общей вибрации используют
установку вибрирующих машин и оборудования на самостоятельные виброгасящие
фундаменты.
Для ослабления передачи вибрации от источников ее
возникновения полу, рабочему месту, сиденью, рукоятке и т.п. широко применяют методы
виброизоляции в виде виброизоляторов из резины, пробки, войлока, асбеста,
стальных пружин.
13.5 Задачи экологии
1) Оптимизация технологических, инженерных и
проектно-конструкторских решений, исходящих из минимального ущерба окружающей
среде и здоровью человека.
2) Прогнозирование и оценка возможных
отрицательных последствий действующих, реконструируемых и проектируемых
предприятий (технологических процессов) для окружающей среды, человека,
животных, растений, сельского, лесного и рыбного хозяйства.
) Своевременное выявление и корректировка
конкретных технологических процессов, наносящих ущерб окружающей среде,
угрожающих здоровью человека, отрицательно влияющих на природные и
антропогенные системы. Именно экология обоснованно считается научной базой охраны
окружающей среды, поскольку объектом её приложения и являются физические,
химические и биологические параметры функционирования природных систем.
Заключение
В ходе проделанной работы были получены следующие результаты.
Питание завода электрооборудования осуществляется двухцепной линией
АС-95/16 от ПС и КЛ 35 кВ, ААБ-3х120. ГПП представлена в виде БКТП, на которой
выбраны два трансформатора типа ТМН-10000/35. На стороне 10 кВ в ЗРУ ГПП были
установлены современные вакуумные выключатели типа ВВБ и ВБН. С целью разгрузки
питающей линии и уменьшения мощности трансформаторов ГПП к шинам ГПП
подключаются батареи статических конденсаторов 3хУК-10-600. При сравнении схем
внутреннего электроснабжения, радиальная и смешанная оказались
равноэкономические. Так как радиальная схема более надежна, то выбираем ее.
Цеховые трансформаторные подстанции выбраны комплектные, что значительно
сокращает сроки поставки, монтажа и ввода в работу.
Было рассчитано электроснабжение цеха, выбрана необходимая защитная и
коммутационная аппаратура, проводники проверены по условиям термической
стойкости. Рассчитана осветительная сеть и заземление, выбраны
распределительные щиты.
Защита РЗА выполнена микропроцессорными приборами фирмы Modulex и Micom.
Себестоимость 1 кВт*ч потребляемой электроэнергии 3,82 руб./кВт*ч.
Завод выполняет требования экологии и безопасности.
Библиографический список
1. Филиппов,
Н.М. Системы электроснабжения промышленных предприятий. Учеб. пособие. Ч. 1 /
Н.М. Филиппов, Л.В. Савицкий. - Чита: ЧитГУ, 2007. - 84 с
. Справочник
по проектированию электрических сетей. Под редакцией Д.Л. Файбисовича. - М.:
Изд-во НЦ ЭНАС, 2009. - 320 с.
. Справочник
по электроснабжению промышленных предприятий. Промышленные электрические сети.
/ Под ред. А.А. Федорова и Г.В. Сербиновского. - М.: Энергия, 1980. - 576 с.
. Неклепаев
Б.Н., Крючков И.П. Электрическая часть станций и подстанций: Справочные
материалы для курсового и дипломного проектирования: Учеб. пособие для вузов. -
4-е изд., перераб. и доп. - М.: Энергоатомиздат, 1989. - 608 с.
. Справочник
для проектирования электрического освещения / под ред. Г. Б. Кнорринг -М.:
Изд-во Энергия, 1976.-384 с.
. Справочник
по проектированию электроэнергетических систем / под ред. С.С. Рокотяна, И.М.
Шапиро. - 3-е изд., перераб. и доп. - М.: Энергоатомиздат, 1985. - 352 с.
. Рожкова
Л.Д., Козулин В.С. Электрооборудование станций и подстанций: Учебник для
техникумов. - 3-е изд., перераб. и доп. - М.: Энергоатомиздат, 1987. - 648 с.
. Правила
устройства электроустановок. 7-й выпуск (с изм. и доп., по состоянию на 1
сентября 2006 г.). - Новосибирск: Сиб. унив. изд-во, 2006. - 854с.
. Межотраслевые
правила по охране труда (правила безопасности) при эксплуатации
электроустановок: (с изм. и доп.) : ПОТ РМ-016-2001 ; РД 153-34.0-03.150-00 :
утв. М-вом труда и соц. развития Рос. Федерации 05.01.2001 и м-вом энергетики
РФ 27.12.2000 : ввод. в действие с 1 июля 2001 г.- ДЕАН, 2009.-205с.
. Правила
технической эксплуатации электроустановок потребителей: утв. М-вом энергетики
РФ 13.01.03.- Сиб. унив. изд-во, 2008, 251с.
. Релейная
защита и автоматика в системах электроснабжения. Метод. указания к курсовой
работе. Г.Н. Бурнашовым, И.Ф.Суворовым, О.М. Груниным. Чита: ЧитГТУ, 1996, 40с.
. Релейная
защита и автоматика в системах электроснабжения. Учебник для ВУЗ по
специальности электроснабжение. В.А. Андреев. М.: Энергоатомиздат, 1991-496с.
. Багиев
Г.Л. и др. Организация и планирование энергохозяйства промышленного
предприятия. М.: Энергия, 1977.-284с.