Холодильные агрегаты в торговом оборудовании

  • Вид работы:
    Курсовая работа (т)
  • Предмет:
    Технология машиностроения
  • Язык:
    Русский
    ,
    Формат файла:
    MS Word
    8,71 Mb
  • Опубликовано:
    2009-11-28
Вы можете узнать стоимость помощи в написании студенческой работы.
Помощь в написании работы, которую точно примут!

Холодильные агрегаты в торговом оборудовании

Федеральное агентство по образованию

Тульский государственный университет

Кафедра «Пищевые Производства»




Контрольно-курсовая работа

Холодильные агрегаты в торговом оборудовании
















Тула

СОДЕРЖАНИЕ

ВВЕДЕНИЕ

1. ТОРГОВОЕ ХОЛОДИЛЬНОЕ ОБОРУДОВАНИЕ

1.1   Классификация и технологические требования

1.2   Сборные холодильные камеры

1.3   Холодильные шкафы

1.4   Охлаждаемые прилавки и витрины

1.5   Морозильные лари-прилавки и льдогенераторы

2. ХОЛОДИЛЬНЫЕ АГРЕГАТЫ

2.1   Гермеричные холодильные агрегаты

2.2   Бессальниковые холодильные агрегаты

2.3   Блочные холодильные машины

3. ПРИЛАВОК ВИТРИНА «Пингвин-В»

3.1 Расчет холодильной машины

ЗАКЛЮЧЕНИЕ

СПИСОК ЛИТЕРАТУРЫ

ВВЕДЕНИЕ

Искусственное охлаждение используется человеком с древнейших времен. Первоначально холод применяли, в частности, для сохранения пищевых продуктов. Еще в Библии упоминается о козьем молоке, охлажденном снегом, собранным 1 горах. В Древнем Египте умели поддерживать пониженную температуру воды, храня ее в сосудах из пористой глины.

Применение искусственного холода значительно расширилось и в настоящее время охватывает многие области, начиная с торговли, строительства, транспорта до консервации живых органов, моделирования космического пространства и получения сверхпроводимости. Одно из ведущих мест в холодильной технике занимают малые холодильные машины, получившие широчайшее распространение в торговле, общественном питании, в быту (холодильные камеры, шкафы, прилавки, витрины, льдогенераторы, кондиционеры, бытовые холодильники и морозильники и т.д.).

На предприятиях торговли и массового питания требуется кратковременное хранение сравнительно небольших запасов продуктов, необходимых для бесперебойной работы, а также охлажденных и замороженных продуктов, полуфабрикатов и готовых блюд для их демонстрации и реализации непосредственно в торговом зале. Для этих целей используют особое торговое холодильное оборудование.

Производство искусственного холода с помощью холодильных машин называется машинным охлаждением. Оно получило в торговле наибольшее распространение в связи с рядом преимуществ: автоматическое поддержание постоянной температуры хранения в зависимости от вида продуктов, рациональное использование полезной емкости для охлаждения продуктов, удобство обслуживания, высокая экономичность и создание необходимых санитарно-гигиенических условий хранения продуктов.

В основу машинного охлаждения положено свойство некоторых веществ кипеть при низкой температуре, поглощая при этом большое количество теплоты из окружающей среды. Такие вещества называют холодильными агентами.

Все холодильные машины работают по следующей схеме (рис. 1).

Рис.  1. Принципиальная схема холодильной машины:

ВТУ — высокий температурный уровень; НТУ — низкий температурный уровень; L — затрачиваемая энергия; (Qо — теплота, отводимая от охлаждаемого объекта (полезная холодопроизводительность); Q — теплота, отдаваемая холодильной машиной в окружающую среду; QT — теплопритоки в охлаждаемый объект

К охлаждаемому объекту из окружающей среды непрерывно подводится теплота Qr. Чтобы температура охлаждаемого объекта не повышалась, холодильная машина должна непрерывно отводить от объекта теплоту Qo = QT. Если QQ > QT, то температура в объекте будет понижаться.

Температура участка холодильной машины, соприкасающегося с охлаждаемым объектом (низкий температурный уровень), должна быть на 5...10°С ниже температуры объекта. При этом теплота от объекта будет переходить к машине без затраты работы (самотеком). Теплота от машины самотеком передается в окружающую среду (воздух, вода).

Для создания разности температурных уровней в машине затрачивается работа L. Эквивалентная ей энергия вместе с отведенной теплотой Qo передается в окружающую среду.

Посредником в этом процессе охлаждения выступает рабочее вещество — холодильный агент, который воспринимает теплоту от объектов охлаждения и затем передает ее внешней среде, циркулируя в холодильной машине, совершает круговой процесс. В качестве холодильных агентов используют фреон-12, фреон-22, фреон-134, 404, 407, 507, применяемый ранее аммиак не используется.

1. ТОРГОВОЕ ХОЛОДИЛЬНОЕ ОБОРУДОВАНИЕ

1.1 Классификация и технические требования

К категории торгового холодильного оборудования относят, как правило, малое и среднее оборудование заводского исполнения, предназначенное для кратковременного хранения охлажденных или замороженных продуктов, полуфабрикатов и готовых блюд, и для демонстрации их при продаже.

Подобное оборудование используют в магазинах и на рынках, в гостиницах, ресторанах и на предприятиях по обработке и хранению скоропортящихся продуктов.

Торговое холодильное оборудование классифицируется по следующим признакам:

По назначению — сборные холодильные камеры, холодильные шкафы, прилавки, витрины, прилавки-витрины, лари.

По условиям использования — для магазинов с традиционным методом продажи и магазинов самообслуживания.

По температурному режиму — среднетемпературные с температурой воздуха в охлаждаемом объеме от 0 до 8 °С (для хранения охлажденных продуктов) и низкотемпературные, с температурой в охлаждаемом объеме -12-23 "С (для замороженных продуктов и мороженого).

По способу охлаждения — с машинным, льдосоляным охлаждением и охлаждением сухим льдом.

По расположению агрегата — с встроенным или отдельно стоящим холодильным агрегатом, централизованным охлаждением.

По климатическим зонам применения — для умеренного климата (температура наружного воздуха до 32°С) и южного исполнения (температура наружного воздуха до 40°С).

Торговое холодильное оборудование — прилавки, витрины, прилавки-витрины, лари устанавливают в торговом зале магазина, камеры и шкафы — в подсобном помещении, шкафы, лари размещают в торговом зале, торгующем традиционным методом и методом самообслуживания.

В крупных магазинах с большим количеством холодильного оборудования и торговой площадью свыше 1000 м2 применяют в основном централизованное холодоснабжение, т. е. все холодильные агрегаты расположены в специальном помещении, находящемся вне торгового зала, там же размещены и пульты управления с приборами автоматического регулирования и защиты.

Применение централизованного холодоснабжения позволяет создавать благоприятные условия в магазине: исключить шум работающего агрегата, более рационально использовать площадь торгового зала, увеличить охлаждаемую емкость оборудования.

Торговое холодильное оборудование оснащают встроенным микропроцессорным блоком управления и мониторинга, позволяющим регулировать и контролировать температуру в охлаждаемых объектах, подавать жидкий хладагент в нужном количестве, управлять процессом оттаивания, защищать холодильное оборудование от опасного режима работы и сигнализировать о техническом состоянии оборудования.

1.2 Сборные холодильные камеры

Малые и средние холодильные камеры широко используют в различных отраслях пищевой индустрии, а также в сфере научных исследований и здравоохранения.

Мелкие холодильные камеры в основном оснащают моноблочными холодильными агрегатами, а более крупные — сплит-системами и библочными аппаратами. Ряд стандартных камер фирмы Huurre (Финляндия) имеют емкость от 1,2 до 17,7 м3.

Холодильный агрегат работает полностью автоматически, подключается к сети при помощи шнура и на панели управления имеет выключатель внутреннего освещения камеры, индикатор автоматического оттаивания и испарения талой воды.

1.3 Холодильные шкафы

Холодильные шкафы можно отнести к группе наиболее универсального и широко используемого торгового оборудования. Они предназначены для кратковременного хранения, демонстрации и продажи на предприятиях торговли и общественного питания предварительно охлажденных или замороженных продуктов, полуфабрикатов и готовых блюд.

По уровню поддерживаемой в охлаждаемом объеме температуры шкафы делят на среднетемпературные (О...8°С) и низкотемпературные (морозильные) (-12...-22°С).

Существует большое число разновидностей холодильных шкафов, различающихся формами, размерами, конструктивным оформлением и техническими характеристиками. Некоторые виды шкафов применяют только для хранения, а другие — для хранения и демонстрации продуктов. Шкафы для хранения продуктов обычно имеют глухие двери, а шкафы для демонстрации товара снабжены стеклянными дверями. Во втором случае изделия называются «шкафы-витрины», так как при сохранении конструктивных особенностей позволяют кроме хранения демонстрировать товар.

Как правило, в большинстве шкафов испаритель конструктивно расположен под «потолком» шкафа. Холодный воздух, имея большую плотность, опускается к нижней полке шкафа, охлаждая на своем пути хранящиеся в шкафу продукты.

Подсветку люминесцентными лампами или гибкими нитевидными световыми элементами, как правило, используют в шкафах-витринах и располагают либо горизонтально под потолком холодильного шкафа, либо вертикально с одной или двух сторон.

Шкафы холодильные выпускают емкостью 0,40; 0,56; 071; 0,81; 1,12; 1,40 м3. Комплектуются встроенным холодильным агрегатом. Холодильные шкафы типа ШХ имеют панельно-каркасную конструкцию. Внутренняя и наружная поверхности облицованы листовым металлом. Между облицовками проложена теплоизоляция из пенопласта или пенополистирола. В охлаждаемой камере устанавливают решетчатые полки.

В настоящее время начат выпуск новых моделей шкафов ШХ-0,56 и ШХ-1,12, которые снабжены автоматической системой оттаивания испарителя, а также ШХ-0,71 одностворчатого, с полезным объемом 0,56 м3 ШХ-1,40 двухстворчатого, с полезным объемом 1,12 м3.

1.4. Охлаждаемые прилавки и витрины

Охлаждаемые витрины предназначены для демонстрации и хранения продуктов в торговых залах магазинов самообслуживания. Их изготавливают с одним или несколькими рядами полок (ярусов) по высоте. В связи с этим различают одно-, двух- и многоярусные витрины.

По уровню температуры в охлаждаемом объеме витрины делят: на среднетемпературные (для хранения охлажденных продуктов) и низкотемпературные (для замораживания продуктов).

В магазине самообслуживания используют прилавки ПХС-2—2, ПХН-2—2, ПХН- 1— 0,15, ПХН-1—0,4. Принятые обозначения расшифровываются следующим образом: например, ПХН-1—0,15:

П — прилавок, X — холодильный, Н — низкотемпературный 1 — первое исполнение со встроенной холодильной машиной, 0,15 — внутренний объем м3.

Одним из самых распространенных видов торгового холодильного оборудования являются охлаждаемые прилавки-витрины представляющие собой комбинированные устройства, состоящие из прилавка для продавца, в котором хранится рабочий запас продаваемых продуктов, и витрины, предназначенной для демонстрации этих продуктов, которые обычно и реализуют покупателям.

Прилавки-витрины имеют встроенные холодильные агрегаты, управление работой которых осуществляется блоком автоматики или микропроцессорным устройством, с внешней стороны имеют сплошное остекление, а со стороны продавца — раздвижные стеклянные дверцы или открытый проем.


Морозильные лари-прилавки. В последнее время они получили широкое распространение для хранения и демонстрации замороженных продуктов.

Морозильные лари-прилавки вместимостью от 170 до 600 л различного исполнения выпускаются многими зарубежными и отечественными производителями. Агрегаты морозильных ларей, как правило, работают на хладагенте R134a. Некоторые модели имеют вентиляторы обдува компрессора, а также выполняют функцию замораживания. Температурный режим устанавливается с помощью терморегулятора. Теплоизоляция — заливная, пенополиуретановая. Внутренняя поверхность морозильника покрыта алюминиевой фольгой.

Льдогенераторы. Представляют собой аппараты для приготовления пищевого льда, используемого на предприятиях общественного питания, который получают путем замораживания воды в специальных аппаратах - льдогенераторах. Изготавливают лед в виде цилиндров или блоков, он кладется в отпускаемые блюда и напитки для охлаждения. Наиболее широкое применение получили следующие аппараты для получения льда: ЛГ-10М, ЛТЭ-35, «ТОРОС-2». Принцип работы этих аппаратов в основном аналогичен, а различия только по производительности, габаритным размерам.

2. ХОЛОДИЛЬНЫЕ АГРЕГАТЫ

Отдельные элементы холодильной установки (компрессоры, теплообменные аппараты, приборы управления и т.д.) часто целесообразно объединить в одно устройство. Такое конструктивное объединение отдельных элементов холодильного оборудования называют агрегатом. Агрегатирование обеспечивает компактность машины, уменьшение длины соединительных трубопроводов при качественном (заводском) соединении, удобство обслуживания. Существенно уменьшается объем монтажных работ на месте установки машины, поскольку наиболее сложные и ответственные операции выполняются на заводах. Там же в большинстве случаев производят продувку агрегатов, удаление из них воздуха и заполнение хладагентом и маслом.

В машинах малой и средней производительности в основном используют компрессорно-конденсаторные агрегаты, состоящие из компрессора с соответствующей арматурой и приводом, конденсатора, вспомогательных аппаратов, приборов автоматики и контрольно-измерительных приборов, собранных на общей раме.

2.1 Герметичные холодильные агрегаты

Герметичные холодильные агрегаты выпускают на базе герметичных поршневых компрессоров с трех- и однофазными электродвигателями, ротационных компрессоров и спиральных компрессоров холодопроизводительностью от 0,5 до 100 кВт.

В зависимости от температуры кипения различают агрегаты: низкотемпературные — для температур кипения -4О...-15°С на хладагентах R22, R134a, R404; среднетемпературные — для температур кипения -15...0°С; высокотемпературные (плюсовые) — для температур кипения 0... 10°С.

Низкотемпературный холодильный агрегат ВН 630(2) (рис. 2), работающий на R22, устанавливают во фризерах для мягкого мороженого, в витринах и другом холодильном оборудовании вместимостью до 4 м3 для создания температур до -18 °С. Он работает от сети трехфазного переменного тока напряжением 220/380 В.

В состав агрегата входят поршневой одноцилиндровый герметичный компрессор и ребристо-трубный четырехсекционный конденсатор, состоящий из форкон-денсатора и собственно конденсатора.

Рис. 2. Низкотемпературный холодильный агрегат ВН 630(2):

1 — плита; 2 — ограждение; 3 — вентилятор; 4 — ресивер с отделителем жидкости; 5 — вентиль оттаивания; 6 — конденсатор; 7 — компрессор; 8 — нагнетательный вентиль; 9 — жидкостный вентиль; 10 — всасывающий вентиль

Для интенсивного охлаждения конденсатора предназначен вентилятор, который «протягивает» поток воздуха через конденсатор и направляет его в сторону компрессора. Вентилятор с кронштейном закреплен на плите агрегата. Этот узел (при необходимости) можно легко снять без демонтажа всего агрегата.

Компрессорно-конденсаторные агрегаты фирмы Danfoss (Дания) холодопроизводительностью от 1,7 до 22,7 кВт предназначены для работы на хладагентах R22, R134a, R404A и R507 в средне- и низкотемпературном диапазонах.

Герметичные компрессоры агрегатов оборудованы смотровым стеклом с резьбовым креплением, всасывающим и нагнетательным клапанами, встроенной защитой по давлению, температуре и току, а также подогревателями картера (авторегулируемыми на 35 Вт).

В комплект агрегатов входят высокоэффективный конденсатор воздушного охлаждения с двумя вентиляторами, ресивер для жидкости, рассчитанный на максимальное рабочее давление 3,3 МПа, с вваренным отсечным клапаном, реле высокого и низкого давлений с автоматической перенастройкой и сигнализацией. Все комплектующие имеют эпоксидное покрытие и закреплены на усиленной раме.

Компрессорно-конденсаторные агрегаты фирмы Copeland (Германия) на базе спиральных компрессоров предназначены для работы на хладагентах R22, R134a, R404A, R507 в высоко-, средне- и низкотемпературном диапазонах от +7 до -30 "С. (Рис. 3, 4)

Рис. 3. Компрессорно-конденсаторный агрегат фирмы Danfoss (Дания)

Рис. 4. Схема компрессорно-конденсаторного агрегата:

1 — конденсатор; 2 — нагнетательная линия; 3 — маслоотделитель; 4 — реле низкого и высокого уровней; 5 — шкаф управления; 6— компрессор; 7— всасывающая линия; 8 — жидкостная линия; 9 — ресивер; 10 — рама

В состав агрегата входят спиральный компрессор со смотровым стеклом, подогревателем картера и вентилями, конденсатор воздушного охлаждения с вентилятором обдува, ресивер с жидкостным вентилем, реле высокого и низкого давлений и блок управления с электронным регулятором скорости вращения вентилятора.

Многокомпрессорные холодильные агрегаты на базе герметичных поршневых компрессоров фирмы Danfoss (Дания) серии AM предназначены для оснащения холодильных камер, складов хранения охлажденных и замороженных продуктов, систем холодо-снабжения торговых предприятий, камер быстрого охлаждения или замораживания, а также для обеспечения технологических процессов и промышленного кондиционирования (рис. 5-6). Параметрический ряд агрегатов состоит из 14 среднетемператур-ных моделей, использующих хладагент R22, и 6 низкотемпературных моделей, использующих хладагент R404. Среднетемпера-турные агрегаты охватывают диапазон холодопроизводительности от 7 до 168 кВт, низкотемпературные агрегаты — от 2,5 до 50 кВт.

В состав многокомпрессорного холодильного агрегата входят следующие оборудование и устройства:

- герметичные поршневые компрессоры, оснащенные запорными вентилями на всасывании и нагнетании, смотровыми стеклами, а также саморегулируемыми картерными подогревателями;

Рис. 5. Общий вид многокомпрессорного холодильного агрегата

- нагнетательная линия в составе: обратный клапан для каждого компрессора, нагнетательный коллектор, запорный вентиль на выходе из агрегата, два прессостата высокого давления для управления вентилятором воздушного конденсатора;

- система отделения и возврата масла в компрессоры в составе: маслоотделитель, поясковый нагреватель маслоотделителя, трубопровод возврата масла со смотровым стеклом и запорным вентилем, линия выравнивания уровня масла и давления в картерах компрессоров с запорным вентилем на каждый компрессор;

Рис. 6. Двухкомпрессорный холодильный агрегат:

1 — рама; 2 — всасывающий коллектор; 3 — нагнетательный коллектор; 4 —

система отделения и возврата масла; 5 — жидкостная линия; б — ресивер; 7 компрессоры; 8 — реле низкого и высокого давлений; 9 — шкаф управления

Рис. 7. Трехкомпрессорный холодильный агрегат:

1 — рама; 2 — нагнетательный коллектор; 3 — всасывающий коллектор; 4 — система отделения и возврата масла; 5 — жидкостная линия; 6 — ресивер; 7 — компрессоры; 8 — реле давления; 9 — шкаф управления

- вертикальный жидкостный ресивер с запорными вентилями на входе и выходе и предохранительным клапаном;

- жидкостная линия в составе: фильтр-осушитель, смотровое стекло, запорный вентиль, соединительные трубопроводы и сервисные штуцеры;

- линия всасывания в составе: фильтр-очиститель со сменным картриджем, всасывающий коллектор, запорный вентиль, соединительные трубопроводы, теплоизоляция. Всасывающий коллектор имеет специальную конструкцию и выполняет функцию отделителя жидкости;

- система контроля и безопасности в составе: прессостаты высо-кого и низкого давлений на каждый компрессор, манометры высокого и низкого давлений;

-   шкаф управления агрегатом, включающий в себя электронный блок управления многокомпрессорными агрегатами и датчик низкого давления.

2.2 Бессальниковые холодильные агрегаты

Агрегаты с бессальниковыми (полугерметичными) компрессорами фирмы Copeland (Германия) предназначены для работы на хладагентах R22, R134a, R404A или R507 (рис. 8).

На агрегаты устанавливают компрессоры моделей DK и DL с воздушным охлаждением электродвигателя либо компрессоры DISCUS с охлаждением электродвигателя всасываемым хладагентом.

Стандартная комплектация агрегата включает в себя:

-   реле высокого и низкого давлений с автоматическим возвратом в исходное положение;

-   дифференциальный датчик давления масла;

-   компрессоры:

-   электродвигатель (полностью защищен встроенным в его оо-мотку терморезистором, устройство защиты от перегрузки находится в присоединительной коробке; однофазные электродвигатели снабжены устройствами защиты от тепловой перегрузки);

Рис. 8. Агрегат с полугерметичным компрессором фирмы Copeland (Германия)

- нагнетательный и всасывающий вентили, соединенные с реле давления (имеется указатель уровня масла и масляный фильтр);

- внутренний предохранительный клапан для 4- и 6-цилиндро-вых компрессоров (заданное значение 3 + 0,3 МПа);

- вибропоглотители и гибкие нагнетательные компенсаторы;

- ресивер с вентилем и переходником для предохранительного клапана;

- конденсатор воздушного охлаждения из медных трубок с алюминиевыми ребрами в кожухе из стальных листов с вентиляторным отражателем; вентиляторы обдува конденсатора.

Компрессорно-ресиверные холодильные агрегаты на базе полугерметичных компрессоров фирмы Bitzer (рис. 9, 10), использующих хладагент R22 или R404A, охватывают диапазон холодопроизводительности от 0,5 до 185 кВт.

Рис. 9. Общий вид компрессорно-ресиверного агрегата на базе полугерметичного компрессора фирмы Bitzer (Германия)

Рис. 10. Компрессорно-ресиверный холодильный агрегат:

1 — регулятор давления конденсации; 2 — маслоотделитель; 3 — рама; 4 — нагнетательная линия; 5 — реле давления; 6 — шкаф управления; 7 — термостат; 8 — компрессор; 9 — вентилятор обдува головки цилиндра; 10 — всасывающая линия; 11 — жидкостная линия; 12 — ресивер

В состав компрессорно-ресиверного холодильного агрегата входят:

- полугерметичный (бессальниковый) компрессор, оснащенный запорными вентилями на всасывании и нагнетании, реле контро-|яя смазки, а также картерным подогревателем;

- линия нагнетания в составе: фильтр-осушитель, смотровое стекло, запорный вентиль, соединительные трубопроводы и сервисные штуцера;

- прессостаты высокого и низкого давления;

- пылевлагозащищенный шкаф управления агрегатом, смонтированный на раме и полностью скоммутированныи с элементами управления компрессорно-ресиверного агрегата.

2.3 Блочные холодильные машины

Одной из основных тенденций в современном холодильном машиностроении являются разработка и внедрение агрегатированных машин в виде одного или нескольких (чаще двух) блоков: моноблоков, библочных агрегатов и сплит-систем.

Моноблочная машина фирмы Technoblock (Италия) представляет собой герметичный холодильный агрегат с воздушным конденсатором, предназначенный для камер малой и средней емкости (рис. 11, 12). Агрегат включает в себя все элементы холодильной машины, соединенные трубопроводами.

Моноблочные агрегаты предназначены для настенного или потолочного монтажа. При этом часть блока, включающую компрессор, конденсатор и электронный блок управления, монтируют на внешней стороне холодильной камеры, а воздухоохладитель помещают внутрь камеры. Монтаж холодильного агрегата сводится к врезке его в стенку или потолок камеры, установке трубопровода для слива талой воды и подключению к системе электроснабжения.

а                                       б

Рис. 12. Общий вид (а) и схема установки (б) моноблока потолочного исполнения

В состав стандартной комплектации оборудования агрегата помимо компрессора, конденсатора и испарителя входят капиллярная трубка в качестве регулятора потока хладагента, фильтр-осушитель, вентиляторы обдува конденсатора и испарителя, соленоидный вентиль оттаивания и микропроцессорный блок управления работой агрегата.

Агрегаты с трехфазным напряжением оснащены прессостатом высокого давления. В низкотемпературных агрегатах устанавливают обогреватель слива талой воды. Оттаивание испарителя в средне- и низкотемпературных агрегатах происходит за счет перепуска горячих паров хладагента из компрессора в испаритель.

Моноблочные установки работают на хладагентах R22 и R404A.

Библочные холодильные машины и сплит-системы представляют собой холодильные установки, выполненные из внешнего компрессорно-конденсаторного и внутреннего испарительного блоков, соединяемых трубопроводами в процессе монтажа агрегата. Библоки и сплит-системы предназначены для оснащения холодильных камер средней и большой емкости, складов хранения охлажденных и замороженных продуктов, а также для обеспечения технологических процессов и промышленного кондиционирования.

Основное отличие библочных агрегатов от сплит-систем при их сходстве в конструкции состоит в том, что сплит-системы как «коммерческое» оборудование устанавливают в малых и средних холодильных камерах, а библоки относятся к категории промышленного оборудования и предназначены для камер средней и большой емкости. Внешний блок сплит-системы монтируют на внешней стороне стенки холодильной камеры, а внутренний блок-воздухоохладитель — на потолке холодильной камеры. В библочном агрегате внешний блок устанавливают на полу вне камеры, а воздухоохладитель — на потолке или на полу холодильной камеры (рис. 13).

Рис. 13. Общий вид (а) и схема установки (б) библочной системы с воздухоохладителем, монтируемым на потолке холодильной камеры

Как сплит-системы, так и библочные машины имеют электронную панель управления режимами работы холодильного агрегата, они оснащены трубопроводами для слива конденсата и талой воды во время оттаивания, которое производится с помощью электронагревателей (ТЭНов), закрепленных непосредственно на самом испарителе.

3. Витрина-прилавок «Пингвин-В»

На предприятиях общественного питания холодильные прилавки и витрины используют для демонстрации и хранения в процессе продажи охлажденных продуктов, холодных блюд, закусок и кондитерских изделий. Прилавки и витрины устанавливаются в торговых залах предприятий и магазинах кулинарии, а так же в буфетах и кафе.

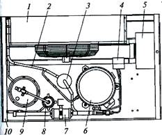
Витрина-прилавок «Пингвин-В» состоит из двух частей, верхней — витрины и нижней — прилавка. Передняя и боковые стороны витрины закрыты двойным полированным стеклом, а со стороны продавца — тремя раздвижными створками, выполненными из оргстекла. Дном витрины служит шесть эмалированных противней, на которые укладываются продукты. Потолок витрины выполнен из нержавеющей стали. Под ним закреплена люминесцентная лампа, освещающая витрину. Прилавок состоит из двух отсеков. Левый служит для хранения продуктов, а в правой находится холодильный агрегат. Закрывается прилавок двумя дверками с самозащелкивающимися запорами.

Средняя температура витрины от -4 до -6°С; внутри прилавка от -2 до -4°С.

Холодильный агрегат состоит из следующих основных частей: испарителя, конденсатора, компрессора и регулирующего вентиля.

Испаритель — это устройство, имеющее вид змеевиковой ребристо-трубной батареи, в которой происходит кипение хладоагента в условиях низкой температуры за счет теплоты, поглощаемой из окружающей среды. Испаритель устанавливается внутри холодильного шкафа, в верхней его части.

Рис. 14. Прилавок-витрина «Пингвин-В»:

1-холодильныи агрегат; 2-терморегулирующий вентиль; 3-теплообменник; 4-жидкостный трубопровод; 5-испаритель витрины; 6-теплоизоляция; 7-полка витрины; 8-раздвижные дверцы; 9-люмин.есцентная лампа; 10-витринные стекла; 11-защитное стекло; 12-противень; 13-полка; 14-сливная трубка

Конденсатор — это устройство, предназначенное для охлаждения паров фреона и превращения их в жидкость. Для ускорения охлаждения фреона через конденсатор продувают воздух специальным вентилятором.

Компрессор — устройство, которое отсасывает пары хладоагента из испарителя и направляет их в конденсатор в сжатом состоянии. Компрессор состоит из цилиндра, поршня и электродвигателя.

Регулирующий вентиль — устройство, регулирующее количество жидкого фреона, подаваемого в испаритель. Кроме того, регулирующий вентиль снижает давление фреона для обеспечения условий низкотемпературного кипения.

Рве. 14. Схема холодильного агрегата.

1-испаритель; 2-компрессор; 3-элекгродвигатель; 4-конденсатор; 5-регулирующий вентиль

Все основные части холодильной машины связаны между собой замкнутой системой трубопроводов, в которой непрерывно циркулирует одно и то же количество фреона и его паров.

Принцип работы машины заключается в следующем: хладоагент, попав в испаритель, закипает, превращается из жидкого состояния в газообразное. При этом активно поглощает тепло от трубок и ребер испарителя. Пары в испарителе отсасывают при помощи компрессора, который направляет их в сжатом состоянии (6-8 атм.) в конденсатор. В конденсаторе при помощи охлаждаемого воздуха, хладоагент, имея высокое давление, переходит в жидкое состояние. Жидкий хладоагент поступает в испаритель через регулирующий вентиль, который снижает давление и регулирует его подачу. Таким образом, в замкнутой системе непрерывно циркулирует одно и то же количество фреона и его паров.

3.1 Расчёт холодильной машины «Пингвин-В»:

Исходные данные для расчёта.

- холодопроизводительность машины Qo = 1,05 кВт;

- вид хладагента: фреон 22 (R22);
- температура кипения to = -19 С;

- температура конденсации tK0H = 25 С;

- Температура перегрева: tBC =to+ (5...10)°C = -19+7 = -12°С.

Температура переохлаждения: tn = tKOH -(3...5)°С = 25 - 4 = 21°С

Рис. 15. Термодинамический цикл работы холодильной машины на хладагенте R22.

Определим основные параметры в узловых точках цикла.

i1 = 695 кДж/кг;             p1 = 2,6 • 105 Па;

i1/ = 700 кДж/кг;            р1/ = 2,6 •105 Па;             V1/ = 0,095 кг/м3;

i2 = 737 кДж/кг;             р2 = 11,6 • 105 Па;

i3 = 711 кДж/кг;             р3= 11,6 • 105Па;

i3/ = 528 кДж/кг;                       р3/ = 11,6 • 105 Па;

i3// = 528 кДж/кг;                       р3// = 9,5•105 Па;

i4 = 528 кДж/кг;                       р4 = 2,6 • 105 Па.

Удельная массовая холодопроизводительность q0, кДж/кг:

qo = i1/ - i4 = 700 - 528 = 172 кДж/кг.

Удельная объёмная холодопроизводительность qv;

qv = q0/ V1/ =172/0,095= 1810,53 Дж/кг.

Определим массу хладагента, циркулирующего в системе М, кг/с:

М = Qo/qo = 1,05/172 = 0,006105 кг/с.

Объём паров хладагента, всасываемого компрессором в единицу времени V, м3/с:

V = М• V1/ = 0,006105 • 0,095 = 0,5799 л.

Объём, описываемый поршнями компрессора Vс:

Vc = V/λ = 5,7998 • 10-4 /0,77 = 7,532 • 10-4 м3/с.

Где λ - коэффициент подачи компрессора, учитывающий объёмные потери в действительном процессе сжатия. Этот коэффициент зависит от отношения давлений Рк/Ро

Рк0 = 11,6/2,6 = 4,46;       λ = 0,77.

По величине Vc подбирают компрессор.

Удельная работа, затраченная на сжатие 1 кг хладагента 1:

i = i2 – i1/ = 737 - 700 = 37 кДж/кг.

Теоретическая мощность, затраченная на сжатие всей массы хладагента NT:

NT = M • 1 = М • (i2 – i1/) = 0,006105 • 37 = 0,2259 кВт.

Индикаторная мощность Ni:

Ni = NT/ ηi = 0,2259 / 0,77 = 0,2934 кВт.

где ηi; — индикаторный к.п.д. компрессора, зависит от отношения давления Рк / Ро определяется по графику.


Ne = Ni / ηм = 0,2931 / 0,85 = 0,3448 кВт.

где ηм - механический к.п.д. компрессора. Для компрессоров средней и малой холодопроизводительности — 0,85.

Мощность электродвигателя, приводящего в действие компрессор, N3JI:

Nэл=Ne/( ηп• ηэл)= 0,3448/(0,95•0,98)=0,3704 кВт

где ηп - к.п.д. передачи, принимается - 0,95;

ηэл — к.п.д. электродвигателя, принимается — 0,96.. .099. Тепловая нагрузка на конденсатор QK:

Qk = Qo + Ni=l,O5• 103 + 0,2931 • 103 = 1,343 кВт.

Определим холодильный коэффициент:

ε =   q0/I =172/37 = 4,649

ЗАКЛЮЧЕНИЕ

Холод является прекрасным консервантом, замедляющим развитие микроорганизмов.

Применение холода дает возможность продлить сроки хранения скоропортящихся продуктов, устранить сезонность в продаже некоторых видов товаров, снизить потери, перевозить продукты на дальние расстояния, создать непрерывную холодильную от производства до потребителя. Для обеспечения непрерывной холодильной цепи строят холодильники в местах производства, перевозят товар в специальном транспорте (вагонах-рефрижераторах, авторефрижераторах), хранят в охлаждаемом оборудовании (камерах, шкафах, прилавках, витринах) в магазинах.

Широкое использование холода — одно из основных направлений технического прогресса в торговле.

В данной работе рассмотрена классификация холодильного оборудования, применяемого в торговле, холодильных агрегатов; вкратце  описано каждое их них. Выбран прилавок-витрина «Пингвин-В». Приведен расчет холодильной машины.

СПИСОК ЛИТЕРАТУРЫ

1. Золин В.П. Технологическое оборудование предприятий общественного питания: Учеб. Для нач. проф. образования: Учеб. Пособие для сред. Проф. Образования. – М.: ПрофОбрИздат, 2001.- 248 с.

2. Парфентьева Т.Р., Миронова Н.Б., Петухова А.А., Филиппова Н.М. Оборудование торговых предприятий: Учеб. для нач. проф. образования.- М.: ИРПО; Изд. Центр «Академия», 2000. – 128 с.

3. Румянцев Ю.Д., Калюнов В.С. Холодильная техника: Учеб. для вузов. – СПБ.:Изд-во «Профессия», 2003. 360 с.,ил.


Не нашли материал для своей работы?
Поможем написать уникальную работу
Без плагиата!
Без нейросетей!