Электроснабжение механического цеха серийного производства
Содержание
Введение
1. Общая часть
1.1 Характеристика помещений цеха
1.2 Анализ электропотребителей цеха
1.3 Категория надёжности электроснабжения цеха
1.4 Исходные данные проектирования
2. Специальная часть
2.1 Выбор способа и схемы электроснабжения распределительных сетей
2.2 Расчёт электрической нагрузки распределительного шкафа методом
упорядоченных диаграмм
2.3 Расчёт электрической нагрузки силового оборудования цеха
2.4 Расчёт рабочего и аварийного освещения цеха
2.5 Компенсация реактивной мощности
2.5.1 Расчёт электрической нагрузки цеха до компенсации
2.5.2 Расчёт и выбор комплектно-конденсаторной установки
2.6 Расчёт и выбор числа и мощности силовых трансформаторов
2.7 Расчёт и выбор пускозащитной аппаратуры
2.7.1 Выбор предохранителя FU1
2.7.2 Выбор типа предохранителей, установленных в распределительных
шкафах
2.7.3 Выбор типов распределительных шкафов
2.8 Расчет и выбор распределительных сетей
2.8.1 Выбор сечений проводников по длительно-допустимому току
2.8.2 Проверка выбранных сечений проводников на соответствие
защитным аппаратам
2.8.3 Проверка выбранных сечений проводников на допустимую потерю
напряжения
2.8.4 Расчёт и выбор труб
2.9 Выбор месторасположения и типа комплектной трансформаторной
подстанции
2.10. Выбор схемы электроснабжения и расчёт питающих сетей
напряжением до 1 кВ
2.10.1 Расчёт и выбор типов номинальных параметров автоматических
выключателей
2.10.2. Расчёт и выбор питающих сетей напряжением до 1 кВ
2.11 Расчёт выбор питающей сети высокого напряжения
2.12 Расчёт и выбор заземляющего устройства
Список использованных источников
Введение
Одной из наиболее актуальных задач в нашей стране является
планомерное развитие ее хозяйственно-экономического комплекса. В условиях
рыночной экономики главным фактором повышения эффективности национальной
экономики становятся не отдельные достижения науки и техники, а высокий научный
и технологический уровень всего производственного комплекса. Этот уровень
определяется в первую очередь состоянием машиностроения как отрасли. В этом
плане встают наиболее остро вопросы, связанные с улучшением, реорганизацией,
развитием и модернизацией отрасли в целом и каждого предприятия в отдельности.
В свою очередь любая модернизация промышленных машиностроительных предприятий,
либо создание новых, ставит первоочередную задачу организации полноценного,
экономичного и эффективного электроснабжения производственных мощностей, в том
числе станкового парка.
В настоящем курсовом проекте рассматривается некоторый опыт
проектирования электроснабжения отдельного участка механического цеха серийного
производства, предназначенного для серийного выпуска продукции для завода
тяжелого машиностроения.
Курсовой проект состоит из общей и специальной частей. В
общей части рассматриваются основные данные помещения, оборудования и т.д.,
необходимые для проведения расчетов. В специальной части приведены методы и
непосредственно сами расчеты по организации электроснабжения участка цеха
машиностроительного производства.
электроснабжение механический цех сеть
1. Общая
часть
1.1 Характеристика
помещений цеха
Механический цех серийного производства (МЦСП) разделен на
следующие участки:
станочное отделение;
трансформаторная подстанция (ТП);
ремонтный участок;
бытовые помещения;
склад;
фрезерный участок;
заточной участок;
вентиляционная.
В помещении станочного отделения осуществляется основная
производственная деятельность МЦСП, обработка заготовок и деталей. Станочное
отделение является сухим помещением с нормальной средой, температура окружающей
среды не превышает 30°С, отсутствует химически активная среда, пожаро- и
взрывоопасные вещества. Степень защиты оболочки электрооборудования IP 44.
Характеристики участков по условиям окружающей среды,
технологическому назначению, наличию зон пожаро- и взрывоопасности приведены
ниже в таблице 1.
Таблица 1 - Характеристики помещений цеха
|
Наименование участка
|
Технологическое назначение
|
Условия окружающей среды
|
Категория взрыво - и пожароопасности
|
Степень защиты оболочки
|
|
1
|
2
|
3
|
4
|
5
|
|
ТП
|
трансформация электроэнергии и передача её
потребителям
|
нормальное
|
пожароопасное, класса П1
|
IP 54
|
|
станочное отделение
|
обработка деталей из металла на станках
|
сухое с нормальной средой
|
пожароопасное класса П-2а
|
IP 44
|
|
фрезерный участок
|
обработка деталей из металла на станках
|
сухое с нормальной средой
|
пожароопасное класса П-2а
|
IP 44
|
|
заточной участок
|
обработка деталей из металла на станках
|
сухое с нормальной средой
|
пожароопасное класса П-2а
|
IP 44
|
|
ремонтный участок
|
обработка деталей из металла
|
сухое с нормальной средой
|
пожароопасное класса П-2а
|
IP 44
|
|
склад
|
хранение инструмента, приспособлений,
материалов, готовой продукции
|
сухое с нормальной средой,
|
пожароопасное класса П-2а
|
IP 44
|
|
вентиляционная
|
приток чистого и вытяжка загрязненного воздуха
|
нормальное
|
отсутствует
|
IP 22
|
|
бытовые помещения
|
Решение орг. вопросов, отдых рабочих
|
сухое с нормальной средой,
|
пожароопасное, класса П-2а
|
IP 44
|
1.2 Анализ
электропотребителей цеха
В данном цехе используется электрооборудование, которое имеет
следующие технологические назначения:
металлообрабатывающее оборудование (токарные, фрезерные
станки и т.д.);
подъемно-транспортное оборудование (кран мостовой);
металлообрабатывающие станки (заточный, сверлильный,
токарный, шлифовальный, фрезерный, болтонарезной, резьбонарезной станки);
деревообрабатывающие станки;
бытовые приборы (холодильник, электроплита);
сварочное оборудование (сварочный трансформатор, стол
сварщика);
санитарно-техническое оборудование (вентиляторы);
Электропотребители подключены на трёхфазное напряжение 380В
(вентиляторы, станки), на однофазное напряжение 220В (холодильник) и однофазное
380В (сварочный трансформатор, электроплита). Остальное электрооборудование
работает в длительном режиме.
Большинство электроприемников подключено на трехфазное
напряжение 380В (металлообрабатывающее,, подъемно-транспортное оборудование),
кроме однофазных электроприемников 220В (наждачные, заточные станки, магнитный
дефектоскоп) частотой 50Гц. Электропотребители цеха работают как в длительном
режиме (металлообрабатывающее оборудование), так и в повторно-кратковременном
(подъемно-транспортное оборудование).
1.3 Категория
надёжности электроснабжения цеха
Категорией надёжности электроснабжения
называют способность электрической системы обеспечивать предприятие и отдельные
объекты электроэнергией надлежащего качества без аварийных перерывов. В
отношении обеспечения надежности электроснабжения электроприемники (ЭП)
разделяются по правилам устройства электроустановок (ПУЭ) на три категории.
Различают 3 категории надёжности электроснабжения:
категория - к ней относятся электропотребители, перерыв в
электроснабжении которых может вызвать угрозу жизни человека, повреждение
дорогостоящего оборудования, массовый брак продукции и т.д. Потребители этой
категории питаются от двух независимых источников электроэнергии. Перерыв
электроснабжения допускается на время автоматического переключения с одного
источника на другой.
категория - к этой категории относятся электропотребители,
перерыв в электроснабжения которых может вызвать массовый недовыпуск продукции
и простой рабочих, нарушение жизнедеятельности городских и сельских жителей.
Питание потребителей осуществляется от двух независимых источников. При выходе
из строя одного источника энергии переключение на другой источник энергии
производит выездная оперативная бригада или оперативный персонал.
3 категория - к этой категории относятся
электропотребители, которые не относятся к 1-й и 2-й категориям. Потребители
этой категории питаются от одного источника электроэнергии, а перерыв их
электроснабжения допускается на время не более суток.
Для электроприемников данной категории
допустимы перерывы электроснабжения на время, необходимое для включения
резервного питания дежурным персоналом или выездной оперативной бригадой. При
наличии централизованного резерва допускается питание электроприемников II
категории одним трансформатором, т. к перерыв в электроснабжения может вызвать
массовый недовыпуск продукции и простой рабочих.
1.4 Исходные
данные проектирования
Для выполнения электроснабжения цеха необходимо указать
основные показателями цеха, параметры нагрузки цеха и технические параметры
электропотребителей, которые заносятся в таблицы 2, 3 и 4 соответственно.
Таблица 2 - Основные показатели цеха
|
Наименование
|
Единицы измерения
|
Величина
|
|
1. Напряжение на первичной стороне силового
трансформатора, кВ6,3
|
|
|
|
Продолжение таблицы 2
|
|
|
|
2. Высота цеха, Н
|
м
|
8,0
|
|
3. Число использования максимума нагрузки, Тм
|
ч
|
3000
|
|
4. Мощность генератора, SГ
|
кВА
|
28
|
|
5. Индуктивное сопротивление генератора, хГ
|
о. е.
|
0,12
|
|
6. Длинна высоковольтной линии, l
|
км
|
0,9
|
|
7. Коэффициент мощности энергосистемы, -0,96
|
|
|
|
8. Сопротивление грунта, Ом/м90
|
|
|
|
9. Агрессивность грунта по отношению к стали
|
-
|
нет
|
|
10. Время срабатывания защиты, tз
|
с
|
0,3
|
Таблица 3 - Параметры нагрузки цеха
|
Наименование
|
Единицы измерения
|
Величина
|
|
1. Установленная мощность силового
оборудования; кВт710
|
|
|
|
2. Коэффициент использования -0,3
|
|
|
|
3. Коэффициент мощности -0,7
|
|
|
|
4. Эффективное число электроприёмников шт20
|
|
|
|
5. Коэффициент максимума -1,3
|
|
|
|
6. Категория надёжности электроснабжения
|
-
|
3
|
|
7. Установленная мощность рабочего освещения кВт54
|
|
|
|
8. Коэффициент спроса -0,9
|
|
|
|
9. Коэффициент мощности -0,85
|
|
|
|
10. Категория надёжности электроснабжения
|
-
|
2
|
|
11. Установленная мощность аварийного освещения кВт11
|
|
|
|
12. Коэффициент спроса -1
|
|
|
|
Продолжение таблицы 2
|
|
|
|
13. Коэффициент мощности -1
|
|
|
|
14. Категория надёжности электроснабжения
|
-
|
1
|
Таблица 4 - Техническими параметрами электропотребителей
|
Наименование ЭП
|
№ по плану
|
Количество, шт
|
КПД Мощность,
|
|
|
1
|
2
|
3
|
4
|
5
|
|
1. Карусельно-фрезерный станок
|
1, 2, 3
|
3
|
0,85
|
15
|
|
2. Станок заточный 1фазн.
|
4, 5
|
2
|
0,86
|
3,5
|
|
3. Станок наждачный 1фазн.
|
6, 7
|
2
|
0,86
|
3,2
|
|
4. Вентилятор приточный
|
8
|
1
|
0,85
|
32
|
|
5. Вентилятор вытяжной
|
9
|
1
|
0,83
|
28
|
|
6. Продольно-строгальный станок
|
10
|
1
|
0,85
|
34
|
|
7. Плоскошлифовальный станок
|
11, 12
|
2
|
0,83
|
25
|
|
8. Продольно-фрезерный станок
|
13, 14, 15
|
3
|
0,85
|
18,5
|
|
9. Резьбонарезной станок
|
16, 17, 18
|
3
|
0,83
|
12
|
|
10. Токарно-револьверный станок
|
19, 20
|
2
|
0,85
|
15
|
|
11. Полуавтомат фрезерный
|
21, 22, 23, 24, 25, 26,27, 28
|
8
|
0,85
|
9,5
|
|
12. Зубофрезерный станок
|
29, 30
|
2
|
0,86
|
10
|
|
13. Полуавтомат зубофрезерный
|
31, 32, 33, 34
|
4
|
0,83
|
12
|
|
14. Кран мостовой ПВ = 60 % сosφ=0,92
|
35
|
1
|
0,84
|
18
|
2.
Специальная часть
2.1 Выбор
способа и схемы электроснабжения распределительных сетей
Распределительной сетью называется сеть от распределительных
шкафов до электропотребителей.
Распределительный шкаф (ШР) - это электротехническое
устройство, служащие для приёма и распределения электроэнергии между
электропотребителями, а также для их защиты от аварийных режимов.
Распределительные шкафы устанавливаются, как правило, в центре нагрузок, а
также в местах, не мешающих технологическому процессу и удобных для
эксплуатации и ремонта. В данном цехе распределительные шкафы располагаются у
стен.
Существует 3 схемы выполнения распределительных сетей.
Радиальная схема (рисунок 1) - это схема электроснабжения
распределительных сетей, при которой электропотребитель получает питание по
своей отдельной линии. Таким образом, при выходе из строя одной питающей линии
остальные электропотребители продолжают получать питание. Однако при такой
схеме используется большое количество пуско-защитной аппаратуры и кабельной
продукции.
Рисунок 1 - Радиальная схема распределительной сети
Магистральная схема (рисунок 2) - это схема электроснабжения
распределительных сетей, при которой несколько электропотребителей получают
питание от одной линии.
Рисунок 2 - Магистральная схема распределительной сети
Смешанная схема (рисунок 3) - это схема электроснабжения
распределительных сетей, при которой электропотребители получают электроэнергию
как по радиальной, так и по магистральной схемам.
Рисунок 3 - Смешанная схема распределительной сети
Подключение электропотребителей к распределительным шкафам в
механическом цехе производится как по радиальным, так и по смешанным схемам
распределительных сетей.
В данном курсовом проекте используется радиальная схема
распределительной сети.
Для подключения электропотребителей применяется как открытая
(по конструкциям, в коробах), так и скрытая (в трубах подготовки пола)
электропроводка. Способ прокладки электропроводки зависит от технологического
процесса, условий окружающей среды, наличия пыли, химически активной среды, зон
взраво- и пожароопасности. Например, электропроводка в венткамере выполняется
открыто в коробе, чтобы защитить проводку от технологической пыли.
2.2 Расчёт
электрической нагрузки распределительного шкафа методом упорядоченных диаграмм
Электрической нагрузкой для цеха является силовое
оборудование и электроосвещение. Расчёт электрической нагрузки является важным
элементом проектирования цехов, предприятий, участков. В зависимости от
рассчитанной мощности выбирают число и мощность силовых трансформаторов, марку
и сечение питающих линий высокого и низкого напряжения, а также тип
пускозащитных аппаратов распределительных шкафов.
Приведён пример расчёта силового оборудования для
распределительного шкафа (ШР) №1 (по плану).
Исходные данные выбираются из таблицы 4 и заносятся в таблицу
5
По справочным данным находятся значения ки, cosφ, tgφ и заносятся в таблицу 5
Таблица 5 - Данные электропотребителей, подключённых к ШР1
|
№ по плану
|
Технологическое название
|
Рн, кВт
|
КПД
|
ПВ, %
|
Uн, В
|
kU
|
cosφ
|
tgφ
|
|
21
|
Полуавтомат фрезерный
|
9,5
|
0,85
|
-
|
380
|
0,12
|
0,4
|
2,30
|
|
22
|
Полуавтомат фрезерный
|
9,5
|
0,85
|
-
|
380
|
0,12
|
0,4
|
2,30
|
|
23
|
Полуавтомат фрезерный
|
9,5
|
0,85
|
-
|
380
|
0,12
|
0,4
|
2,30
|
|
27
|
Полуавтомат фрезерный
|
9,5
|
0,85
|
-
|
380
|
0,12
|
0,4
|
2,30
|
|
28
|
Полуавтомат фрезерный
|
9,5
|
0,85
|
-
|
380
|
0,12
|
0,4
|
2,30
|
|
29
|
Зубофрезерный станок
|
10
|
0,86
|
-
|
380
|
0,12
|
0,4
|
2,30
|
|
33
|
Полуавтомат зубофрезерный
|
12
|
0,83
|
-
|
380
|
0,12
|
0,4
|
2,30
|
|
34
|
Полуавтомат зубофрезерный
|
12
|
0,83
|
-
|
380
|
0,12
|
0,4
|
2,30
|
Схема распределительного шкафа представлена на рисунке 4.

Все ЭП относятся к одной технологической группе.
Определяется активная сменная мощность Рсм, кВт, по формуле
Рсм=ku х ∑ Рн1…8 (1)
Рсм=0,12 х 81,5 = 9,78 кВт
Реактивная сменная мощность Qcм, кВАр, определяется по
формуле
м= Рсм х tgφ (2)м= 9,78 х 2,30
=22,494 кВАр
Суммарная сменная активная мощность ШР Рсм∑, кВт
определяется по формуле
Рсм∑ = Рсм (3)
Рсм∑ = 9,78 кВт
Суммарная сменная реактивная мощность ШР Qcм∑, кВАр
определяется по формуле
м∑ = Qcм (4)м∑ = 22,494 кВАр
Средневзвешенное значение функции tgφ определяется по формуле
tgφсрв = Qcм∑ /
Рсм∑ (5)
tgφсрв = 22,494/ 9,78
= 2,3
Полная среднесменная мощность ШР1 Scм∑, кВА,
определяется по формуле
(6)м∑ =√ 9,78 І + 22,494І = 24,53
кВА
Средневзвешенное значение коэффициента мощности cosφсрв определяется по формуле
cosφсрв = Рсм∑ /
Scм∑ (7)
cosφсрв = 9,78/24,53 = 0,399
Суммарная установленная мощность ЭП Ру∑, кВт,
подключенных к ШР1, определяется по формуле
Ру∑ =∑ Рн1+ Рн2+ Рн3+ Рн4+ Рн5+ Рн6+ Рн7+ Рн8 (8)
Ру∑ = 9,5+9,5+9,5+9,5+9,5+10+12+12 = 81,5 кВт
Действительное число ЭП n 8 шт.
Средневзвешенное значение коэффициента использования
определяется по формуле
срв = Рсм∑ / Ру∑ (9)срв = 9,78/81,5 = 0,12
Эффективное число ЭП nэф, шт, определяется по формуле
эф =
(10)
6642, 25
nэф = 839,25 = 7,91
По данным значений nэф и kи срв находится значение коэффициента
максимума kм
м = f (nэф; kUсрв) (11)м = f (7,91; 0,12) = 2,59
Активная расчётная мощность ШР1 Рр кВт, определяется по
формуле
Рр = kм х Рсм∑ (12)
Рр =2,59 х 9,78 = 25,33 кВт
Реактивная расчётная мощность ШР1 Qр, кВАр, определяется по
формуле
р = 1,1 х Qcм∑, т.к. nэф <10, nэф = 7,91 (13)р = 1,1
х 22,494 = 24,7434 кВАр
Полная реактивная мощность ШР1 Sр, кВа, определяется по
формуле
(14)р =√ 25,33 І + 24,7434 І = 35,41 кВа
Расчётный ток ШР1
, А, определяется по
формуле
(15)р = 35,41/1,73 х 380 = 53,86 А
Выбирается ЭП с наибольшим пусковым током. Для ШР1 это - ЭП13
(Полуавтомат зубофрезерный). Находится его номинальный ток
, А, по формуле
(16)н1= 1,73 х 380 х 0,4 х 0,83 = 54,98 А
Пусковой ток данного ЭП
, А, определяется по
формуле
, (17)
где
- коэффициент пуска (для
).
= 6 х 54,98 = 329,88 А
Пиковый ток ШР1
, А, рассчитывается по
формуле
(18)пик = 53,86 + 329,88 - 0,12 х 54,98 =
377,1424 А
Данные расчётов заносятся в таблицу 6.
Таблица 6.
|
PсмΣ, кВт
|
Qcм∑, кВАр кВар
|
tgφ срв
|
SсмΣ, кВа
|
cosφсрв
|
n
|
kU
|
m
|
nэф
|
kм
|
Рр, кВт
|
Qp, кВАр
|
Sp, кВА
|
Iр
|
Iн1, А
|
In1, А
|
Iпик, А
|
Ру∑, кВт
|
|
9,78
|
22,494
|
2,3
|
24,53
|
0,399
|
8
|
0,12
|
1,2
|
7,91
|
2,59
|
25,33
|
24,7434
|
35,41
|
53,86
|
54,98
|
329,88
|
377,1424
|
81,5
|
2.3 Расчёт
электрической нагрузки силового оборудования цеха
Исходные данные для расчёта выбраны из таблицы 3 и занесены в
таблицу 7
Таблица 7 - Параметры силового оборудования
|
Параметр
|
, кВт
|
|
|
, шт
|
|
Категория надёжности электроснабжения
|
|
Значение
|
710
|
0,3
|
0,75
|
20
|
1,3
|
3
|
Активная сменная суммарная мощность силового оборудования
, кВт, определяется по
формуле
(19)смΣ сил = 710 х 0,3 = 213 кВт
Определяется средневзвешенное значение математической функции
силового оборудования
соответствующее
при
= 0.7
= 0,9 (20)
Реактивная сменная суммарная мощность силового оборудования
, кВАр, определяется по
формуле
(21)м∑ сил = 213 х 1,02 = 217,26 кВАр
Активная расчётная мощность силового оборудования
, кВт, определяется по
формуле
Рр сил = PсмΣ сил х kм сил
(12)
Рр сил = 213 х 1,3 = 276,9 кВт
Реактивная расчётная мощность силового оборудования
, кВАр, определяется по
формуле
, т.к.
(22)Р сил = 217,26 кВАр
Полная расчётная мощность силового оборудования
, кВА, определяется по
формуле
(23)сил = √ 276,9 І + 217,26 І = 351,96 кВА
Расчётный ток силового оборудования
, А, определяется по
формуле
(24)р = 351,96/1,73 х 380 = 535,38 А
Для определения пикового тока силового оборудования находятся
номинальный
, А, и пусковой
, А, токи
электропотребителя с максимальным пусковым током по формулам (25), (26), (27)
соответственно
(25)н сил= 1,73 х 380 х 0,8 х 0,83 = 27,49 А
(26)= 6 х 27,49 = 164,94 А
Пиковый ток силового оборудования
, А, определяется по
формуле (27)
(27)пик сил = 535,38 + 164,94 - 0,12 х 27,49 =
697, 0212 А
2.4 Расчёт
рабочего и аварийного освещения цеха
Расчёт электрической нагрузки производится совместно для
рабочего и аварийного освещения. Исходные данные для расчёта приводятся в
таблице 8
Таблица 8 - Параметры нагрузки освещения цеха
|
Параметр
|
, кВт
|
|
|
Категория надёжности электроснабжения
|
|
Значение для рабочего освещения
|
54
|
0,9
|
0,85
|
2
|
|
Продолжение таблицы 8
|
|
Значение для аварийного освещения
|
11
|
1
|
1
|
1
|
Активные сменные мощности рабочего
, кВт, и аварийного
, кВт, освещения
определяются по формуле
(28)см РО = 0,9 х 54 = 48,6 кВтсм АО = 1 х 11 =
11 кВт
Средневзвешенные значения математической функции
рабочего
и аварийного
освещения определяются
по соответствующим значениям
(29)
Для
= 0,83
Реактивные сменные мощности рабочего
, кВАр, и аварийного
, кВАр, освещения
определяются по формуле (2)
м РО = 48,6 х 0,48 = 23,33 кВАрм АО = 11 х 0 = 0 кВАр
Активные расчётные мощности рабочего
, кВт, и аварийного
, кВт, освещения
определяются по формуле
(30)р РО = Pсм РО = 48,6 кВтр АО = Pсм АО = 11
кВт
Реактивные расчётные мощности рабочего
, кВАр, и аварийного
, кВАр, освещения
определяются по формуле
р РО = Qcм РО (31)р РО = Qcм РО = 23,33 кВАрр АО = Qcм АО = 0
кВАр
Полные расчётные мощности рабочего
, кВА, и аварийного
, кВА, освещения
определяется по формуле (14)
РО = √ 48,6 І + 23,33 І = 53,9 кВАРО = √ 11 І + 0
І = 11 кВА
Расчётные токи рабочего
, А, и аварийного
, А, освещения определяются
по формуле (15)
р РО = 1,73 х 0,38 = 81,67 Ар РО = 1,73 х 0,38 = 16,67 А
Суммарная активная сменная мощность рабочего и аварийного
освещения
, кВт, определяются по формуле
(32)см ∑ осв = 48,6 + 11 = 59,6 кВт
Суммарная установленная мощность рабочего и аварийного
освещения
, кВт, определяются по формуле
(33)у осв = 54 + 11 = 65 кВт
Суммарная реактивная сменная мощность рабочего и аварийного
освещения
, кВАр, определяются по формуле
(34) Qсм∑ осв = 23,33 + 0 = 23,33 кВАр
Активная расчётная мощность рабочего и аварийного освещения
, кВт, определяются по
формуле
(35)р осв = 59,6 кВт
Реактивная расчётная мощность рабочего и аварийного освещения
, кВАр, определяются по формуле
, т.к.
(36)р осв = 23,33 кВАр
2.5
Компенсация реактивной мощности
Работа машин и аппаратов переменного тока, основанная на
принципе электромагнитной индукции, сопровождается процессом непрерывного
изменения изменением магнитного потока в их магнитопроводах и полях
рассеивания. Поэтому подводимый к ним поток мощности должен содержать не только
активную составляющую Р, но и реактивную составляющую индуктивного характера Q,
необходимую для создания магнитных полей, без которых процессы преобразования
энергии, рода тока и напряжения невозможны.
Компенсация реактивной мощности может выполняться как
естественным (уменьшение потребления реактивной мощности), так и искусственным
(установка источников реактивной мощности) способами.
2.5.1 Расчёт
электрической нагрузки цеха до компенсации
Расчёт полной электрической нагрузки цеха выполняется на
основе данных расчёта электрической нагрузки на стороне низкого напряжения КТП
и расчёта электрической нагрузки электроосвещения цеха, которые приведены в
таблице 9
Таблица 9 - Параметры электрических нагрузок силового
оборудования и электроосвещения цеха
|
, кВт
|
, кВт
|
, кВАр
|
, кВт
|
, кВАр
|
, А
|
, А
|
|
Силовое оборудование
|
710
|
196
|
217,26
|
276,9
|
217,26
|
27,49
|
329,88
|
|
Электроосвещение
|
54
|
59,6
|
23,33
|
59,6
|
23,33
|
|
|
Активная установленная мощность цеха
, кВт, определяются по
формуле
(37)у цех = 710 + 54 = 764 кВт
Активная сменная суммарная мощность цеха
, кВт, определяются по
формуле
(38) P см ∑ цех = 196 +59,6 = 255,6 кВт
Реактивная сменная суммарная мощность цеха
, кВАр, определяются по
формуле
(39)см ∑ цех = 217,26 + 23,33 = 240,59
кВАр
Полная сменная мощность цеха
, кВА, определяются по
формуле (6)
м цех =√ 255,6 І + 240,6І = 351,03 кВА
Средневзвешенное значение коэффициента мощности цеха
определяются по формуле
(7)
сosφсрв цех = 255,6/351,03 =
0,73
Средневзвешенное значение математической функции
цеха определяются по
формуле (5)
gφсрв цех = 240,6/ 255,6
= 0,941
Активная расчётная мощность цеха
, кВт, определяются по
формуле
, (40)
где
- коэффициент несовпадения максимума нагрузки
для активной мощности.
р цех = 0,95 х (276,9 + 59,6) = 319,7 кВт
Реактивная расчётная мощность цеха
, кВАр, определяется по
формуле
(41)р цех = 0,98 х (217,26 + 23,33) = 235,78
кВАр
Полная расчётная мощность цеха
, кВА, определяются по
формуле (14)
м цех =√ 319,7 І + 235,78І = 397,24 кВА
Расчётный ток цеха
, А, определяются по
формуле (15)
р цех = 397,24/1,73 х 380 = 604,26 А
Пиковый ток цеха
, А, определяются по
формуле (18)
пик цех = 604,26 + 329,88 - 0,12 х 54,98 = 930,54А
2.5.2 Расчёт
и выбор комплектно-конденсаторной установки
Для выбора мощности и типа комплектно-конденсаторных
установок используются данные расчёта электрической нагрузки силового
оборудования и электроосвещения цеха, которые приведены в таблице 10
Таблица 10 - Параметры электрической нагрузки цеха
|
Наименование
|
|
, кВт
|
|
, кВАр
|
, кВАр
|
, кВт
|
|
Величина
|
0,94
|
255,6
|
0,941
|
240,59
|
235,78
|
319,7
|
Средневзвешенное значение математической функции
определяются по определяются по значению
функции
Желаемое значение мощности ККУ
, кВАр, определяются по формуле
(42)ККУ жел = 255,6 х (0,941 - 0,36) = 148,5 кВАр
Из справочных данных выбирается стандартное значение мощности ККУ
, кВАр, при условии
(43)
Выбирается значение мощности ККУ - 150 кВАр, т.к.150 кВАр‹ 240,59
кВАр.
Реактивная сменная суммарная мощность цеха после компенсации
, кВАр, определяются по формуле
(44)см ∑ цех ПК = 240,59 - 150 = 90,59 кВАр
Полная сменная суммарная мощность цеха после компенсации
, кВА, определяются по формуле (6)
м∑ цех ПК = √ 255,6І + 90,59І = 271,18 кВА
Определяется средневзвешенное значение коэффициента мощности цеха
после компенсации
по формуле
(45) сosφсрв ПК =
255,6/ 271,18 = 0,942
Сравниваются полученные значения
со значением
(46)
,942 ≈ 0,94 - верно
Значит, выбирается ККУ с номинальной мощностью 150 кВАр, а её
технические данные заносятся в таблицу 11
Таблица 11 - Технические параметры ККУ
|
Тип
|
, кВ
|
, кВАр
|
Кол-во и мощности ступеней,
|
Габариты , мм
|
|
УКМ - 0,38 - 150 У3
|
0,38
|
150
|
3 50
|
700 500 1200
|
Номинальный ток ККУ
, А, определяется по
формуле
(47)н ККУ = 150/ (1,73 х 0,38) = 288,17 А
Реактивная расчётная мощность цеха после компенсации
, кВАр, определяется по
формуле
(48)см ∑ цех ПК = 235,78 - 150 = 85,78
кВАр
Полная расчётная мощность цеха после компенсации
, кВА, определяется по формуле
(14)
р цех ПК = √ 319,7І + 85,78І = 331,01 кВА
Расчётный ток цеха после компенсации
, А, определяются по
формуле (15) А, по формуле (25)
р цех ПК = 331,01/ (1,73 х 0,38) = 503,51А
Пиковый ток цеха после компенсации
, А, определяются по
формуле (18)
пик цех ПК = 503,51+329,88 - 0,12 х 54,98 =826,79 А
2.6 Расчёт и
выбор числа и мощности силовых трансформаторов
В механическом цеху серийного производства присутствуют
электропотребители первой и второй категорий надёжности электроснабжения.
К потребителю первой категории относится аварийное освещение
цеха, а к потребителю второй категории - рабочее освещение цеха.
Исходные данные для выполнения расчёта и выбора числа и
мощности силовых трансформаторов приводятся в таблице 12
Таблица 12 - Исходные данные для выполнения расчёта и выбора
числа и мощности силовых трансформаторов
|
, кВ
|
, кВ
|
, кВт
|
|
, кВт
|
, шт
|
Тм, ч
|
, кВт
|
, кВт
|
, кВАр
|
, кВАр
|
|
6,3
|
0,4
|
255,6
|
0,942
|
319,7
|
>10
|
3000
|
11
|
48,6
|
0
|
23,33
|
Средневзвешенное значение математической функции
определяются по
соответствующему значению
Реактивная сменная суммарная мощность цеха после компенсации
, кВАр, определяются по
формуле (21)
см ∑ цех ПК = 255,6 х 0,035 = 8,95 кВАр
Полная сменная суммарная мощность цеха после компенсации
, кВА, определяются по
формуле (6)
см ∑ цех ПК = √ 255,6І + 8,95І = 255,77 кВА
Реактивная расчётная мощность цеха после компенсации
, кВАр, определяются по
формуле (22)
р цех ПК = 8,95 кВАр
Полная расчётная мощность на стороне низкого напряжения
, кВА, определяются по
формуле (14)
р цех ПК = √319,7І + 8,95І = 319,83 кВА
Активные
, кВт, и реактивные
, кВАр, потери мощности в
силовом трансформаторе и в высоковольтных линиях
, кВт, определяются по
формулам
(49)
∆ Р Т = 0,02 х 319,83 = 6,4 кВт
(50)
∆Q Т = 0,1 х 319,83 = 31,98 кВАр
(51)
∆ Р П = 0,03 х 319,83 = 9,6 кВт
Полная расчётная мощность на стороне высокого напряжения
, кВА, определяются по
формуле
(52)р ВН = √ (319,7 + 6,4 + 9,6) І + (8,95
+ 31,98) І = 338,19 кВА
Расчётная мощность силового трансформатора
, кВА, с учётом
коэффициента загрузки определяются по формуле
, (53)
где
- допустимый коэффициент нагрузки, который, при
преобладании потребителей III категории надёжности электроснабжения, равен 0,92
Т1 = 338, 19/ 0,92 = 367,59 кВА
Выбирается ближайшее большее стандартное значение мощности
силового трансформатора
, кВА
Определяется фактическое значение коэффициент нагрузки
, и сравнивается со
значением допустимого коэффициента нагрузки
(54)
β Тф = 338, 19/ 400 = 0,85
Сравнивается, при условии
(55)
,92 > 0,85 - верно
Значение коэффициента заполнения графика нагрузки
, определяется по формуле
(56)
Число использования максимума нагрузки
, ч, определяется по
формуле
(57)
По данным значений
и
, а также по кривым
кратностей допустимых нагрузок трансформаторов определяется коэффициент
допустимой перегрузки
(58)
Расчётная мощность силового трансформатора
, кВА, с учётом
, определяется по формуле
Т2 =
/
(59)Т2 = 297,73 /1,02 = 297,73 кВА
С учётом значений SТ1 и SТ2Выбирается стандартное значение
мощности силового трансформатора и его технические данные заносятся в таблицу
13
Таблица 13 - Технические данные силового трансформатора
|
Тип
|
, кВА
|
, кВ
|
, кВ
|
Потери, кВт
|
, %
|
, %
|
Габариты , мм
|
|
|
|
|
Х.Х.
|
К.З.
|
|
|
|
|
ТМФ-400
|
400
|
0,4
|
1,1
|
5,5
|
4,5
|
2,1
|
1400 1080 1900
|
Активная расчётная суммарная мощность потребителей I-й и II-й
категорий надёжности электроснабжения
, кВт, определяется по
формуле
(60)
Реактивная расчётная суммарная мощность потребителей I-й и
II-й категорий надёжности электроснабжения
, кВАр, определяется по
формуле
(61)
Полная расчётная мощность потребителей I-й и II-й категорий
надёжности электроснабжения
, кВА, определяется по формуле (14)
Процентное соотношение потребителей I-й и II-й категорий
надёжности электроснабжения
, %, определяется по формуле
100 (62)
Так как процентное соотношение потребителей I-й и II-й категорий
надёжности электроснабжения не превышает 30%, то выбирается 1 силовой
трансформатор с резервированием на низкой стороне от ближайшей цеховой
трансформаторной подстанции.
2.7 Расчёт и
выбор пускозащитной аппаратуры
Пускозащитной аппаратурой называются аппараты,
предназначенные для коммутации и защиты электрических сетей от перегрузок и
коротких замыканий. К таким аппаратам относятся автоматические выключатели,
магнитные пускатели и предохранители.
Автоматические выключатели служат для автоматического
размыкания электрических цепей при перегрузках и КЗ, при недопустимых снижениях
напряжения, а также для нечастого включения цепей вручную.
Магнитные пускатели предназначены для пуска двигателей и
защиты от перегрузок.
Предохранители предназначены для защиты цепей от режимов
короткого замыкания и, изредка, от перегрузок.
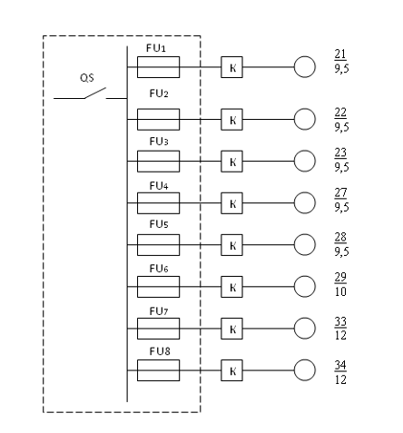
Ниже приводится схема распределительного шкафа, с
установленными в нём защитными аппаратами, питающих и распределительных сетей
(Рисунок 5).
Рисунок 5 - Принципиальная электрическая схема ШР1
2.7.1 Выбор
предохранителя FU1
Номинальный ток электропотребителя
, А, определяется по
формуле (16)
Пусковой ток электропотребителя
, А, определяется по
формуле (17)
Желаемое значение тока плавкой вставки предохранителя,
установленного в ящике,
, А, определяется по формуле
, (63)
где
- коэффициент условий пуска: при тяжёлом пуске
= 1,6; при лёгком
= 2,5.
По значению
выбирается большее стандартное значение тока
плавкой вставки предохранителя
, А, при условии
(64)
- верно
Выбирается предохранитель типа ПН - 2 - 150;
.
По справочным данным определяется тип предохранителя, которые
заносятся в таблицу 14
Таблица 14 - Технические данные ящика 1Я
|
№ ЭП
|
I н, А
|
I п, А
|
α
|
Iпв жел, А
|
I пв ст, А
|
Iн пред, А
|
Тип пре- дохранителя
|
|
1
|
46,4
|
278,4
|
2,5
|
111,34
|
120
|
150
|
ПН-2-100
|
2.7.2 Выбор
типа предохранителей, установленных в распределительных шкафах
Выбора типов предохранителей, установленных в
распределительном шкафу, рассматривается на примере предохранителя FU1.
Номинальный ток потребителя
, А, который защищается
предохранителем, определяется по формуле (25)
Пусковой ток потребителя
, А, который защищается
предохранителем, определяется по формуле (17)
Желаемое значение тока плавкой вставки предохранителя
, А, определяется по
формуле (63)
По значению
выбирается большее стандартное значение тока
плавкой вставки предохранителя
, А, при условии (64)
- верно
Типы остальных предохранителей определяются аналогично.
Данные расчётов заносятся в таблицу 15
Таблица 15 - Технические данные предохранителей,
установленных в ШР1
|
№ ЭП
|
А
|
|
А
|
|
А
|
А
|
А
|
Тип
|
|
21
|
56,8
|
6
|
664,66
|
2,5
|
111,36
|
120
|
250
|
ПН-2-250
|
|
22
|
56,8
|
6
|
664,66
|
2,5
|
111,36
|
120
|
250
|
ПН-2-250
|
|
23
|
56,8
|
6
|
664,66
|
2,5
|
111,36
|
120
|
250
|
ПН-2-250
|
|
27
|
56,8
|
6
|
664,66
|
2,5
|
111,36
|
120
|
250
|
ПН-2-250
|
|
28
|
56,8
|
6
|
664,66
|
2,5
|
111,36
|
120
|
250
|
ПН-2-250
|
|
29
|
56,8
|
6
|
664,66
|
2,5
|
111,36
|
120
|
250
|
ПН-2-250
|
|
33
|
56,8
|
6
|
664,66
|
2,5
|
111,36
|
120
|
250
|
ПН-2-250
|
|
Продолжение таблицы 15
|
|
34
|
56,8
|
6
|
664,66
|
2,5
|
111,36
|
120
|
250
|
ПН-2-250
|
|
Резерв
|
-
|
-
|
-
|
-
|
-
|
-
|
250
|
ПН-2-250
|
2.7.3 Выбор
типов распределительных шкафов
Выбор распределительных шкафов производится по числу
предохранителей, их номинальным токам, степени защиты. Технические данные шкафа
ШР1 заносятся в таблицу 16
Таблица 16 - Технические данные распределительного шкафа ШР1
|
Тип
|
Рубильник на вводе
|
Число трёхполюсных групп предохранителей, их
номин. ток , А, на отходящих линиях
|
Габариты мм
|
|
Тип
|
, А при IP54 У2
|
|
|
|
ШР11-73710
|
Р18-373
|
320
|
|
|
2.8 Расчет и
выбор распределительных сетей
Распределительной сетью называется сеть от распределительных
шкафов до электропотребителей. Электропотребители подключаются к ШР посредством
проводов или кабелей, совокупность которых представляет собой электропроводку.
Электропроводка может быть открытой (подвески, лотки, короба и т.д.), так и
скрытой, при которой кабеля или провода прокладываются скрыто в кабельных
каналах стен и потолков или в трубах подготовки пола.
2.8.1 Выбор
сечений проводников по длительно-допустимому току
Для подключения электропотребителей к ШР1 используется
скрытая прокладка кабелей в трубах подготовки пола при температуре 25єС.
Проводка выполнена кабелем марки ВВГ с тремя фазными и одной нулевой жилами.
Жилы кабеля выполнены из меди, изоляция и оболочка - из поливинилхлорида,
защитный покров отсутствует. Выбор сечений кабелей рассматривается на примере
одного из участков распределительной сети от ШР1 - участка 18Н-1.
Номинальный ток, подключаемого этим кабелем, потребителя
, А, определяется по
формуле (25)
По справочным данным определяется ближайшее большее значение
длительно-допустимого тока
, А, к номинальному току ЭП
При этом должно выполняться условие
(65)
- условие выполняется
В соответствии со значением
, выбирается кабель ВВГ 3
1,5+1
1,5 мм2.
Выбор сечений проводников остальных участков
распределительной сети от ШР2 производится аналогичным способом.
Данные выбора заносятся в таблицу 17.
Таблица 17 - Данные выбора сечений проводников
распределительной сети
|
наименование участка
|
, А
|
, А
|
єС
|
S, мм2
|
|
А
|
Марка, сечение, мм2
|
l, м
|
, %
|
|
21-Н1
|
10,75
|
15
|
25
|
3 1,5+1 1,5
|
0,33
|
30
|
ВВГ 3 1,5+1 1,5
|
8,1
|
0,47
|
|
22-Н1
|
10
|
15
|
25
|
3 1,5+1 1,5
|
0,33
|
30
|
ВВГ 3 1,5+1 1,5
|
16,7
|
0,47
|
|
23-Н1
|
7,96
|
15
|
25
|
3 1,5+1 1,5
|
0,33
|
20
|
ВВГ 3 1,5+1 1,5
|
9,2
|
0,47
|
|
27-Н1
|
7,51
|
15
|
25
|
3 1,5+1 1,5
|
0,33
|
20
|
ВВГ 3 1,5+1 1,5
|
11,5
|
0,47
|
|
28-Н1
|
21,49
|
27
|
25
|
3 4+1 2,5
|
0,33
|
50
|
ВВГ 3 4+1 2,5
|
14,7
|
0,47
|
|
29-Н1
|
3,04
|
15
|
25
|
3 1,5+1 1,5
|
0,33
|
15
|
ВВГ 3 1,5+1 1,5
|
8
|
0,47
|
|
33-Н1
|
5,78
|
15
|
25
|
3 1,5+1 1,5
|
0,33
|
15
|
ВВГ 3 1,5+1 1,5
|
11,5
|
0,47
|
|
34-Н1
|
5,78
|
15
|
25
|
3 1,5+1 1,5
|
0,33
|
15
|
ВВГ 3 1,5+1 1,5
|
11,5
|
0,47
|
2.8.2
Проверка выбранных сечений проводников на соответствие защитным аппаратам
Распределительная сеть от ШР1 защищаются предохранителями,
установленными в распределительном шкафу.
Для выполнения проверки необходимо знать следующие параметры:
коэффициент защиты
, значение которого
определяется по справочным данным для определённого защитного аппарата (для
предохранителей
, т.к. сеть не требует защиты от перегрузок);
ток срабатывания защитного аппарата
, А - для предохранителей
значение
равно значению тока
плавкой вставки
, А;
значение длительно-допустимого тока
, А.
Алгоритм проверки выбранных сечений проводников на
соответствие защитным аппаратам приводится на примере одного из участков
распределительной сети - участка 21-Н1.
Должно выполняться условие
(66)
- условие выполняется
Следовательно, выбранное сечение кабеля соответствует
защитному аппарату. Проверка на соответствие других выбранных сечений
проводников производится аналогично. Данные проверки заносятся в таблицу 17.
2.8.3
Проверка выбранных сечений проводников на допустимую потерю напряжения
Потерей напряжения называется алгебраическая разность между
напряжением источника питания и напряжения в точке подключения
электропотребителя. Сумма допустимых потерь напряжения питающей и
распределительной сетей не должна превышать 3%.
Для определения потери напряжения данной распределительной
сети определяется потеря напряжения на участке от распределительного шкафа №1
до наиболее удалённого потребителя, то есть на участке 34-Н1.
Удельное сопротивление
,
, определяется по формуле
, (67)
где
- удельная проводимость,
(для меди 
).
Удельное реактивное сопротивление
,
, определяется по
справочным данным (
).
Значение математической функции
определяется по
соответствующему значению
Расчётное значение потери напряжения
, %, определяется по
формуле
(68)
Полученное расчётное значение
, %, сравнивается с
допустимым значением для распределительных сетей
, %, при условии
- условие выполняется
Следовательно, выбранное сечение кабеля удовлетворяет
требованиям.
2.8.4 Расчёт
и выбор труб
Для скрытой прокладки проводников в трубах подготовки пола
применяются стальные (электросварные или водогазопроводные),
поливинилхлоридные, полиэтиленовые и полипропиленовые трубы. Выбор материала
труб зависит от условий окружающей среды и технологического процесса. Так,
например, при прокладке проводки рекомендуется применять стальные трубы- во
взрыво- и пожароопасных зонах помещений, ПВХ трубы - при прокладке по
трудносгораемым основаниям, а полиэтиленовые и полипропиленовые трубы - только
по несгораемым основаниям.
Для подключения электропотребителей к распределительному
шкафу №2 используется трубная прокладка кабелей марки ВВГ с применением
поливинилхлоридных и стальных труб. Трубы прокладываются на глубине 0,3 м от
уровня чистого пол. Стальные трубы применяются для выполнения выхода кабеля из
пола, так как он нуждается в защите от механических повреждений. Подвод кабеля
от стальной трубы к электропотребителю выполняется с помощью гибкого ввода.
Для выполнения трубной прокладки электропроводки необходимо
составить специальный проектный документ "Трубозаготовительную ведомость",
в котором указывается маркировка трассы, материал и диаметр труб, начало и
конец трассы, участки трубных заготовок.
Таблица 18 - Трубозаготовительная ведомость
|
№ трассы
|
Труба
|
Трасса
|
Участки трубной трассы
|
|
обознач.
|
длина
|
начало
|
конец
|
|
|
21-Н1
|
ТВ20 ТС20
|
7,1 1,1 м
|
ШР1
|
ЭП21
|
0,5-90˚-6,1-120˚-0,5 0,5-90˚-0,6
|
|
22-Н1
|
ТВ20 ТС20
|
14,6м 1,1 м
|
ШР1
|
ЭП22
|
0,5-90˚-1,6-90˚-2,7-135˚-7,5-135˚2-120˚-0,3
0,5-90˚-0,6
|
|
23-Н1
|
ТВ20 ТС20
|
8,2 1,1 м
|
ШР1
|
ЭП23
|
0,5-90˚-3-135˚-4,7 0,5-90˚-0,6
|
|
27-Н1
|
ТВ20 ТС20
|
10,5 1,1 м
|
ШР1
|
ЭП27
|
0,5-90˚-2,6-120˚-7,4 0,5-90˚-0,6
|
|
28-Н1
|
ТВ20 ТС20
|
13,7 1,1 м
|
ШР1
|
ЭП28
|
0,5-90˚-1,6-90˚-3,3-135˚-5,1-135˚-2,8-90˚-0,4
0,5-90˚-0,6
|
|
29-Н1
|
ТВ20 ТС20
|
7 1,1 м
|
ШР1
|
ЭП29
|
|
33-Н1
|
ТВ20 ТС20
|
10,5 1,1 м
|
ШР1
|
ЭП33
|
0,5-90˚-9,4-120˚-0,6 0,5-90˚-0,6
|
|
34-Н1
|
ТВ20 ТС20
|
10,5 1,1 м
|
ШР1
|
ЭП34
|
0,5-90˚-9,4-120˚-0,6 0,5-90˚-0,6
|
Затем выполняется сводка труб, с указанием материала трубы и
диаметра по возрастающей: Труба поливинилхлоридная
ТУ6 - 0,5.1646 - 83 Ш 20 мм = 71,6 м
Труба стальная газосварная
ГОСТ 10704 - 76 Ш 20 мм = 7,7 м
2.9 Выбор
месторасположения и типа комплектной трансформаторной подстанции
Комплектная трансформаторная подстанция (КТП - для внутренней
и КТПН - для наружной установки) - подстанция, состоящая из трансформаторов и
блоков комплектно распределительных устройств (КРУ или КРУН), поставляемых в
собранном или полностью подготовленном для сборки виде.
Силовые трансформаторы подразделяются на сухие, масляные и с
заполнением негорючим жидким диэлектриком.
По местонахождению на территории объекта различают следующие
трансформаторные подстанции (ТП):
отдельно стоящие на расстоянии от зданий;
пристроенные, непосредственно примыкающие к основному зданию
снаружи;
встроенные, находящиеся в отдельных помещениях внутри здания,
но с выкаткой трансформаторов наружу;
внутрицеховые, расположенные внутри производственных зданий с
размещением электрооборудования непосредственно в
производственном или
отдельном закрытом помещении с выкаткой электрооборудования в
цех.
2.10. Выбор
схемы электроснабжения и расчёт питающих сетей напряжением до 1 кВ
Питающей сетью называется сеть от распределительного
устройства трансформаторной подстанции до распределительных шкафов, щитков
освещения, мощных электропотребителей.
Питающая сеть цеха изображена на рисунке 9.
Рисунок 9 - Схема электроснабжения питающей сети
Данные для расчёта приводятся в таблице 19
Таблица 19 - Данные расчётных и пиковых токов питающей сети
|
Ввод, цех
|
|
|
|
|
Кабельная перемычка
|
|
, А
|
434,42
|
34,37
|
81,67
|
16,67
|
228,17
|
98,46
|
|
, А
|
768,42
|
56,8
|
81,67
|
16,67
|
228,17
|
98,46
|
2.10.1 Расчёт
и выбор типов номинальных параметров автоматических выключателей
Автоматические выключатели применяются в сети
электроснабжения для защиты их от аварийных режимов работы (перегрузок, КЗ и
т.д.). Алгоритм выбора типа и номинальных параметров автоматических
выключателей рассматривается на примере автомата
.
Должно выполняться условие
(69)
Определяется желаемое значение тока срабатывания теплового
элемента
, А, по формуле
(70)
Определяется желаемое значение тока магнитного расцепителя
, А, по формуле
(71)
Должно выполняться условие
, (72)
где
- стандартное значение тока срабатывания
теплового элемента, значение которого определяется по справочным данным.
Стандартное значение тока магнитного расцепителя
, А, определяется по
формуле
, (73)
где k - коэффициент отсечки, значение которого определяется
по справочным данным.
Должно выполняться условие
(74)
- верно
По справочным данным определяются тип и номинальные параметры
автоматического выключателя
. Типы остальных автоматических выключателей
определяются аналогично. Данные расчётов заносятся в таблицу 20.
Таблица 20 - Тип и номинальные параметры автоматических
выключателей
|
Тип шкафа
|
Название автомата
|
обозначения
|
Тип выключателя
|
Iн. авт. А
|
Тип нагрузхок
|
I р. А
|
Iпик. А
|
1.1 - Iр. А
|
1.25-Iпик. А
|
К
|
Iуэ. ст. А
|
Магистраль
|
|
ШНВ 1
|
вводный
|
QF1
|
ВА51-33
|
630
|
ввод
|
296.9
|
874.7
|
326.5
|
1093.3
|
110
|
|
|
|
линейный
|
QF2
|
ВА51-33
|
|
|
|
|
|
|
|
|
|
|
линейный
|
QF3
|
ВА51-33
|
|
ШР1
|
226.3
|
804.1
|
248.9
|
1005.1
|
10
|
|
1
|
|
линейный
|
QF4
|
ВА51-33
|
|
ЩО
|
90.1
|
90.1
|
99.1
|
112.6
|
10
|
|
2
|
|
линейный
|
QF5
|
ВА51-33
|
|
ЩАО
|
24.6
|
224.6
|
27
|
30.75
|
10
|
|
3
|
|
линейный
|
QF6
|
ВА51-33
|
|
ККУ1
|
151.9
|
151.9
|
167
|
189.8
|
10
|
|
4
|
|
линейный
|
QF7
|
ВА51-33
|
|
Каб. перем.
|
100.4
|
100.4
|
110.4
|
125.5
|
10
|
|
5
|
|
линейный
|
QF8
|
ВА51-33
|
|
Каб. перем.
|
100.4
|
100.4
|
110.4
|
125.5
|
10
|
|
6
|
2.10.2. Расчёт
и выбор питающих сетей напряжением до 1 кВ
Питающие сети данного цеха выполняются кабелям марки АНРГ.
Пример выбор сечения кабеля питающей линии рассматривается на
примере участка М1. Данный участок выполнен кабелем марки АНРГ, приложенным
открыто в воздухе на кабельных подвесках при температуре 25єС. Выбор сечения
производится по длительно-допустимому току. Данные для выбора приведены в
таблице 19.
По справочным данным определяется ближайшее большее значение
длительно-допустимого тока
, А, при условии
- условие выполняется
В соответствии со значением
, выбирается кабель АНРГ 3
120+1
35 мм2.
Выбор сечений остальных кабелей питающей сети осуществляется
подобным образом.
Выбранное сечение кабеля проверяется на соответствие
защитному аппарату - автоматическому выключателю QF2 (по рисунку 9).
Должно выполняться условие
- условие выполняется
Следовательно, выбранное сечение кабеля соответствует
защитному аппарату.
Далее выполняется проверка выбранного сечения кабеля на
допустимую потерю напряжения. Проверка выполняется для участка М2 питающей сети
до наиболее удалённого распределительного шкафа - ШР1.
Определяется расчётное значение потери напряжения
, %, по формуле (68)
,
- удельное сопротивление,
, значение которого
определяется по формуле (67)
- удельное реактивное сопротивление,
, значение которого
определяется по справочным данным (для кабельной линии до 1 кВ
, 
).
Значение математической функции
определяется по
соответствующему значению
Полученное расчётное значение
, %, сравнивается с
допустимым значением для распределительных сетей
, % при условии
- условие выполняется
Следовательно, выбранное сечение кабеля удовлетворяет
требованиям.
2.11 Расчёт
выбор питающей сети высокого напряжения
Высоковольтный кабель предназначен для передачи
электроэнергии от центральной распределительной подстанции (ЦРП) до
трансформаторной подстанции (ТП). Выбор марки и сечения высоковольтного кабеля
зависит от условий прокладки, условий окружающей среды и коррозии.
Для подключения комплектно-трансформаторной подстанции
применяется высоковольтный кабель марки ААП2ЛШВУ, то есть кабель с алюминиевыми
жилами, усовершенствованной бумажной изоляцией, алюминиевой оболочкой.
Бронь из плоской металлической. Кабель прокладывается в земле
в траншее один при
. Длина кабеля равна 0,9 км. Грунт агрессивен по
отношению к стали.
Выбор сечения кабеля производится по длительно-допустимому
току и экономической плотности тока.
Значение тока, протекающего по высокой стороне трансформатора
, А, определяется по
формуле
(75)
По справочным данным определяется ближайшее большее значение
длительно-допустимого тока
, А, к току
При этом должно выполняться условие
- условие выполняется
В соответствии со значением
, выбирается кабель
ААП2ЛШВУ 3
10 мм2 - 6кВ.
Определяется желаемое значение сечения кабеля по
экономической плотности тока
, мм2, по формуле
, (76)
где
- экономическая плотность, значение которой
определяется по таблице
(77)
Из числа стандартных значений сечений кабелей выбирается
ближайшее большее к значению
, мм2, при условии
(78)
- верно
Следовательно, выбирается кабель м. ААП2ЛШВУ 3
35 мм2 - 6 кВ.
Из найденных значений сечений кабеля по длительно-допустимому
току и экономической плотности тока выбирается большее
Следовательно, выбирается кабель ААП2ЛШВУ 3
35 мм2 - 6кВ.
Расчётное значение потери напряжения
, %, определяется по
формуле (68)
,
где
определяется по формуле (67)
определяется по справочным данным (для кабельной
линии 6 кВ и сечении кабеля 35 мм2 
).
Значение математической функции
определяется по
соответствующему значению
Полученное расчётное значение
, %, сравнивается с
допустимым значением для питающих сетей
, %
- условие выполняется
Следовательно, выбранное сечение кабеля удовлетворяет
требованиям.
Затем определяется расчётное значение суммарной потере
напряжения в сетях электроснабжения
, %, по формуле
(79)
Полученное расчётное значение
, %, сравнивается с
допустимым суммарным значением для распределительных, питающих сетей и
высоковольтных линий
, %
- верно.
2.12 Расчёт и
выбор заземляющего устройства
Для заземления устройств можно использовать как естественные
(водопроводные и другие металлические трубы, кроме трубопроводов с горючими
веществами), так и искусственные заземлители (стальные стержни, забитые в грунт
и соединенные между собой стальной полосой).
Для заземления электрооборудования КТП данного цеха
применяются искусственные заземлители - стальные прутья, забитые в грунт и
соединённые между собой горизонтальным заземлителем (полосовой сталью),
проложенным на глубине 0,6 м. Исходные данные для расчёта приведены в таблице
21
Таблица 26 - исходные данные расчёта и выбора заземляющего
устройства
|
Наименование
|
Величина
|
|
1. Ширина здания, а, м
|
32
|
|
2. Длина здания, в, м
|
48
|
|
3. Длина кабельной линии высокого напряжения,
l, м
|
0,9
|
|
4. Напряжение первичной обмотки силового
трансф., Uн1, кВ
|
6,3
|
|
5. Сопротивление грунта, , Ом/м
|
90
|
|
6. Коррозийная активность грунта по отношению к
стали
|
да
|
|
7. Глубина заложения горизонтальных
заземлителей, t, м
|
0,6
|
|
8. Горизонтальный заземлитель, полосовая сталь,
мм
|
40Ч4
|
|
9. Вид вертикального заземлителя
|
прутья
|
|
10. Коэффициент сезонности,
|
1,5
|
Ток замыкания на землю
, А, определяется по
формуле
(80)
Определяется расчётное сопротивление заземляющего устройства
, Ом
(81)
В соответствие с ПУЭ определяется величина сопротивления
заземляющего устройства
, Ом, общего для установок высокого и низкого
напряжения
Так как заземлитель выполнен из круглой стали диаметром 20 мм
и длиной 5 м каждый, то его сопротивление определяется по формуле
(82)
Так как длина вертикальных заземлителей l и расстояние между
ними a равны 5 м, то коэффициент экранирования
, определяется по формуле
(83)
Затем, определяется количество заземлителей п, шт, по формуле
(84)
Так как
шт, то необходимо учитывать сопротивление
горизонтального заземлителя
(85)
Определяется длина горизонтальной полосы
, м, по формуле
(86)
Определяется необходимое сопротивление вертикальных
заземлителей
, Ом, по формуле
(87)
Определяется уточнённое количество вертикальных заземлителей
, шт, по формуле
(88)
Список
использованных источников
.
Барыбин Ю.Г., Крупович В.Н. Справочник по проектированию электроснабжения. -
М.: Энергия, 1990 г.
.
Барыбин Ю.Г., Федоров Л.Е. Справочник по проектированию электрических сетей и
электрооборудования. - М.: Энергия, 1990 г.
.
Конюхова Е.А. Электроснабжение объектов. - М.: Издательство
"Мастерство"; Высшая школа, 2001 г.
.
Липкин Б.Ю. Электроснабжение промышленных предприятий. - М.: Высшая школа, 1990
г.
.
Постников Н.П. Электроснабжение промышленных предприятий. - М.: Стройиздат,
1990 г.
.
Правила устройства электроустановок (ПУЭ). - М.: Энергоатомиздат, 2002 г.
.
Сибикин Ю.Д., Яшков В.А. Электроснабжение предприятий и установок нефтяной
промышленности. - М.: ОАО "Издательство "Недра", 1997 г.
.
Указания по проектированию электроснабжения промышленных предприятий. - М.:
Стройиздат, 1985 г.
.
Указания по компенсации реактивной мощности в распределительных сетях. - М.:
Энергия, 1974 г.