Разработка системы электроснабжения механического цеха тяжелого машиностроения
Содержание
Введение
1. Краткая характеристика производства и потребителей электроэнергии
2.
Определение категории надежности потребителей, выбор схем электроснабжения
. Расчет
электрических нагрузок
. Выбор
напряжений
. Расчет тока
короткого замыкания
. Выбор числа
и мощности трансформатора
. Выбор
высоковольтного оборудования
. Выбор
сечения питающих линий
Заключение
Список
использованных источников
Введение
электроснабжение трансформатор ток замыкание
Системой электроснабжения называют совокупность устройств производства,
передачи и распределения электроэнергии (далее ЭЭ). Системы электроснабжения
промышленных предприятий (далее ПП) создаются для обеспечения питания ЭЭ
промышленных приемников, к которым относятся электродвигатели разных машин и
механизмов, электрические печи, электролизные установки, аппараты и машины для
электрической сварки, осветительные установки и др.
Задача электроснабжения (ЭС) ПП возникла одновременно с широким
внедрением электропривода в качестве движущей силы различных машин и механизмов
и строительством электростанций. Первые электростанции сооружались в городах
для освещения и питания электрического транспорта, а также при фабриках и
заводах. Позднее появилась возможность сооружения электрических станций в
местах залежей топлива (торфа, угля, нефти) или местах использования энергии
воды независимо от мест нахождения потребителей ЭЭ - городов и ПП. Передача ЭЭ
на большие расстояния к центрам потребления стала осуществляться линиями
электропередачи (ЛЭП) высокого напряжения.
В настоящее время большинство потребителей получают ЭЭ от энергосистемы.
В то же время на ряде предприятий продолжается сооружение и собственных
теплоэлектростанций.
Необходимость в производстве ЭЭ на фабрично-заводских электростанциях
обуславливается следующими причинами:
потребность в теплоте для технологических целей и отопления, и
фиктивностью попутного производства при этом ЭЭ;
необходимостью резервного питания для ответственных потребителей (второй
независимый источник питания);
необходимость использования вторичных ресурсов;
большой удаленностью некоторых предприятий от энергосистем.
По мере развития электропотребления усложняются и системы
электроснабжения (СЭС) ПП. В них включаются сети высоких напряжений,
распределительные сети, а в ряде случаев и сети промышленных
теплоэлектростанций. Возникает необходимость внедрять автоматизацию СЭС ПП и
производственных процессов, осуществлять в широких масштабах диспетчеризацию
процессов производства с применением телесигнализации и телеуправления, и вести
активную работу по экономии ЭЭ.
Переход на автоматизированные системы управления может быть успешным
только при наличии средств автоматики и квалифицированных инженеров в области
автоматизированного электроснабжения.
1. Краткая характеристика производства и потребителей электроэнергии
Механический цех тяжелого машиностроения (МЦТМ) предназначен для
серийного производства изделий. Является крупным вспомогательным цехом завода
машиностроения и выполняет заказы основных цехов. Подготовительные операции
выполняет станочное отделение (обдирку) изделий для дальнейшей обработки их на
анодно-механических станках. Для этого установлено основное оборудование:
обдирочные, шлифовальные, анодно-механические станки и др. В МЦТМ предусмотрены
производственные, вспомогательные, служебные и бытовые помещения.
Электроснабжение (ЭСН) осуществляется от главной
понизительной подстанции (ГПП) в соответствии с заданной электрической схемой,
которая предназначена для ЭСН всего предприятия. В перспективе от этой же
цеховой ТП намечается дополнительное ЭСН других ЭП с расчетными мощностями:
Рдоп =675 кВт, Qдоп=900 квар
Количество рабочих смен - 2. Размеры цеха А х В х Н=48 х 30 х 9 м.
Перечень оборудования цеха дан в таблице, необходимо
учесть освещение в размере 10% от мощности цеха. Мощность электропотребления (Рэп)
указана для одного электроприемника.
Расположение оборудования показано на плане
Перечень оборудования участка МЦТМ
|
№ на плане
|
Наименование оборудования
|
Вариант
|
Примечание
|
|
|
1
|
2
|
3
|
|
|
|
Рэп, кВт
|
|
|
1…5
|
Шлифовальные станки
|
|
|
50
|
|
|
6, 16, 18…20
|
Обдирочные станки типа
РТ-341
|
|
|
45
|
|
|
17
|
Краны мостовые
|
|
|
40 кВА
|
ПВ=25%
|
|
21…23, 29…31
|
Обдирочные станки типа
РТ-250
|
|
|
35
|
|
|
24…28, 34…36
|
Анодно-механические станки
типа МЭ-31
|
|
|
18,4
|
|
|
7…15
|
Анодно-механические станки
типа МЭ-12
|
|
|
10
|
|
|
32
|
Вентилятор вытяжной
|
|
|
18
|
|
|
33
|
Вентилятор приточный
|
|
|
20
|
|
Схема ЭСН МЦТМ
План механического цеха тяжелого машиностроения
Приведем мощность трехфазного электроприемника №17 к длительному режиму:
- для электроприемников ПКР
Для
дополнительной нагрузки в перспективе:
Коэффициент
использования дополнительной нагрузки примем равным 0,5.
Распределим
потребителей механического цеха тяжелого машиностроения по РП (таблица 1.2).
Таблица
1.2 - Распределение основного оборудования механического цеха тяжелого
машиностроения по РП
|
№ РП
|
№ на плане
|
Наименование ЭО
|
Кол-во
|
, кВтКи, о.е. , о.е.
|
|
|
|
РП-1
|
1…5
|
Шлифовальные станки
|
5
|
50
|
0,2
|
0,65
|
|
6,16
|
Обдирочные станки типа
РТ-341
|
2
|
45
|
0,2
|
0,65
|
|
РП-2
|
7…15
|
Анодно-механические
станкитипа МЭ-12
|
9
|
10
|
0,14
|
0,5
|
|
РП-3
|
17
|
Краны мостовые
|
1
|
10
|
0,35
|
0,5
|
|
24...28, 34…36
|
Анодно-механические станки
типа МЭ-31
|
8
|
18,4
|
0,17
|
0,65
|
|
РП-4
|
18..20
|
Обдирочные станки типа
РТ-341
|
3
|
45
|
0,2
|
0,65
|
|
21…23, 29…31
|
Обдирочные станки типа
РТ-250
|
6
|
35
|
0,2
|
0,65
|
|
32
|
Вентилятор вытяжной
|
1
|
18
|
0,65
|
0,8
|
|
33
|
Вентилятор приточный
|
1
|
20
|
0,65
|
0,8
|
2. Определение
категории надежности потребителей, выбор схем электроснабжения
В отношении обеспечения надежности электроснабжения электроприемники
разделяют на следующие три категории:
Электроприемники I категории - электроприемники, перерыв электроснабжения
которых может повлечь за собой: опасность для жизни людей, значительный ущерб
народному хозяйству; повреждение дорогостоящего основного оборудования,
массовый брак продукции, расстройство сложного технологического процесса,
нарушение функционирования особо важных элементов коммунального хозяйства. Из
состава электроприемников I категории выделяют особую группу электроприемников,
бесперебойная работы которых необходима для безаварийного останова производства
с целью предотвращения угрозы жизни людей, взрывов, пожаров и повреждения
дорогостоящего основного оборудования.
Электроприемники II категории - электроприемники, перерыв
электроснабжения которых приводит к массовому недо- отпуску продукции, массовым
простоям рабочих, механизмов и промышленного транспорта, нарушению нормальной
деятельности значительного количества городских и сельских жителей.
Электроприемники III категории - все остальные электроприемники, не
подходящие под определения I и II категорий.
Электроприемники I категории должны обеспечиваться электроэнергией от
двух независимых взаимно резервирующих источников питания, и перерыв их
электроснабжения при нарушении электроснабжения от одного из источников питания
может быть допущен лишь на время автоматического восстановления питания.
Для электроснабжения особой группы электроприемников I категории должно
предусматриваться дополнительное питание от третьего независимого взаимно
резервирующего источника питания.
Если резервированием электроснабжения нельзя обеспечить необходимой
непрерывности технологического процесса или если резервирование
электроснабжения экономически нецелесообразно, должно быть осуществлено
технологическое резервирование, например, путем установки взаимно резервирующих
технологических агрегатов, специальных устройств безаварийного останова
технологического процесса, действующих при нарушении электроснабжения.
Электроснабжение электроприемников I категории с особо сложным
непрерывным технологическим процессом, требующим длительного времени на
восстановление рабочего режима, при наличии технико-экономических обоснований
рекомендуется осуществлять от двух независимых взаимно резервирующих источников
питания, к которым предъявляются дополнительные требования, определяемые
особенностями технологического процесса.
Электроприемники II категории рекомендуется обеспечивать электроэнергией
от двух независимых взаимно резервирующих источников питания.
Для электроприемников II категории при нарушении электроснабжения от
одного из источников питания допустимы перерывы электроснабжения на время,
необходимое для включения резервного питания действиями дежурного персонала или
выездной оперативной бригады.
Допускается питание электроприемников II категории по одной BJI, в том
числе с кабельной вставкой, если обеспечена возможность проведения аварийного
ремонта этой линии за время не более 1 суток. Кабельные вставки этой линии
должны выполняться двумя кабелями, каждый из которых выбирается по наибольшему
длительному току BJI. Допускается питание электроприемников II категории по
одной кабельной линии, состоящей не менее чем из двух кабелей, присоединенных к
одному общему аппарату.
При наличии централизованного резерва трансформаторов и возможности
замены повредившегося трансформатора за время не более 1 суток допускается
питание электроприемников II категории от одного трансформатора.
Для электроприемников III категории электроснабжение может выполняться от
одного источника питания при условии, что перерывы электроснабжения,
необходимые для ремонта или замены поврежденного элемента системы
электроснабжения, не превышают 1 суток.
Выбор схемы электроснабжения.
Распределительные внутрицеховые сети - это сети, к которым
непосредственно подключаются различные ЭП цеха Распределительные сети
выполняются с помощью распределительных шинопроводов (ШРА) и распределительных
пунктов. По своей структуре схемы внутрицеховых электрических сетей могут быть
радиальными, магистральными и смешанными. Радиальные схемы применяют при
наличии групп сосредоточенных нагрузок с неравномерным распределением их по
площади цеха, во взрыво- и пожароопасных цехах, в цехах с химически активной и
аналогичной средой
Схема внутрицеховой сети определяется технологическим процессом
производства, планировкой помещений цеха, взаимным расположением ТП, ЭП и
вводов питания, расчетной мощностью, требованиями бесперебойности
электроснабжения, технико-экономическими соображениями, условиями окружающей
среды. Внутрицеховые сети делятся на питающие и распределительные. Питающие
отходят от источника питания (ТП) к распределительным пунктам (РП), к
распределительным шинопроводам или отдельным крупным ЭП.
Достоинством радиальных схем является их высокая надежность, т.к. авария
на одной линии не влияет на работу ЭП, подключенных к другой линии.
Недостатками радиальных схем являются: малая экономичность, связанная со значительным
расходом проводникового материала, труб, распределительных пунктов; большое
число защитной и коммутационной аппаратуры.
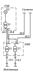
На рисунке 2.1 показана схема электроснабжения приемников 2 и 3 категории
по бесперебойности.
Рисунок 2.1 - Схема электроснабжения МЦТМ
. Расчет
электрических нагрузок
Расчет произведем методом коэффициента максимума.
Производим
деление электроприемников на группы при помощи коэффициента использования 
, если 
, то
электроприемники относятся к группе А, если 
, то к
группе Б.
Все
электроприемники с переменным графиком нагрузки (группа А)
Расчет
электрически нагрузок РП-1
Исходные данные приведены в таблице 3.1
Таблица 3.1 Характеристики оборудования РП-1
|
Тип установки
|
Количество ЭП (Ni),
шт
|
Номинальная мощность ЭП (Pном,i),
кВт
|
Коэффициент мощности (cosφ)
|
Коэффициент использования
(Ки,i)
|
Группа
|
|
Шлифовальные станки
|
5
|
50
|
0,65
|
0,2
|
А
|
|
Обдирочные станки типа
РТ-341
|
2
|
45
|
0,65
|
0,2
|
А
|
Определяем суммарную номинальную активную мощность ЭП подключенных к РП-1
Определяем
номинальную реактивную мощность группы
,
Определяем
среднюю активную мощность
Определяем
среднюю реактивную мощность
Определяем
эффективное число электроприемников
Определяем
коэффициент использования группы
По
таблице на с.26 /1/ находим коэффициент максимума (
) для
6,985,
значение которого находится в пределах 6¸7, при
0,2 Занесем все в таблицу 3.2.
Таблица 3.2
Значения
коэффициента максимума
|
Коэффициент использования Эффективное число электроприемников
|
|
|
6
|
7
|
|
Коэффициент максимума
|
|
0,2
|
2,24
|
2,1
|
Коэффициент
максимума (
) рассчитываем методом кусочно-линейной интерполяции.
Составляем
уравнение прямой
, проходящей через точки с координатами
Коэффициенты a и b, входящие в уравнение прямой, определяются по
формулам:
;
Тогда
коэффициент максимума по активной мощности (
) при
.
Определяем
коэффициент максимума по реактивной мощности (
):
Определяем
расчетную активную мощность (
, кВт):
Сравним
полученное значение
с суммарной номинальной мощностью трех наиболее
мощных электроприемников:
Определяем расчетную реактивную мощность
кВар.
Определяем средний коэффициент мощности

Определяем
полную расчетную мощность
Определяем
расчетный ток
Расчеты
для остальных РП и цеха в целом проводятся аналогично. Результаты сведены в
таблицу 3.4.
Таблица 3.4 - Сводная таблица расчетных данных
|
№ ЭП
|
Нагрузка установленная
|
Нагрузка средняя за смену
|
Нагрузка максимальная
|
|
Pн
|
n
|
Pнсум
|
Ки
|
сosφ
|
tanφ
|
Pс, кВт
|
Qс, квар
|
Sс, кВА
|
nэ
|
Км
|
К'м
|
Pр, кВт
|
Qр, квар
|
Sр, кВА
|
Iр, А
|
|
1
|
2
|
3
|
4
|
5
|
6
|
7
|
8
|
9
|
10
|
11
|
12
|
13
|
14
|
15
|
16
|
17
|
|
РП 1
|
|
1…5
|
50
|
5
|
250
|
0,2
|
0,65
|
1,17
|
-
|
-
|
-
|
-
|
-
|
-
|
-
|
-
|
-
|
-
|
|
6,16
|
45
|
2
|
90
|
0,2
|
0,65
|
1,17
|
|
|
|
|
|
|
|
|
|
|
|
Итого по РП 1
|
-
|
7
|
340
|
0,2
|
-
|
-
|
68,0
|
79,501
|
|
6,985
|
2,102
|
1,1
|
150
|
175,369
|
230,769
|
350,63
|
|
РП 2
|
|
7…15
|
10
|
9
|
90
|
0,14
|
0,5
|
1,73
|
-
|
-
|
-
|
-
|
-
|
-
|
-
|
-
|
-
|
-
|
|
Итого по РП 2
|
-
|
9
|
90
|
0,14
|
-
|
-
|
12,6
|
21,824
|
2,272
|
1,1
|
30
|
51,962
|
60
|
91,16
|
|
РП 3
|
|
17
|
10
|
1
|
10
|
0,35
|
0,5
|
1,73
|
-
|
-
|
-
|
-
|
-
|
-
|
-
|
-
|
-
|
-
|
|
24…28, 34…36
|
18,4
|
8
|
147,2
|
0,17
|
0,65
|
1,17
|
|
|
|
|
|
|
|
|
|
|
|
Итого по РП 3
|
-
|
9
|
157,2
|
0,181
|
-
|
-
|
28,524
|
35,318
|
|
8,799
|
2,031
|
1,1
|
57,929
|
38,85
|
69,75
|
105,98
|
|
РП 4
|
|
18…20
|
45
|
3
|
135
|
0,2
|
0,65
|
1,17
|
-
|
-
|
-
|
-
|
-
|
-
|
-
|
-
|
-
|
-
|
|
21…23, 29…31
|
35
|
6
|
210
|
0,2
|
0,65
|
1,17
|
|
|
|
|
|
|
|
|
|
|
|
32
|
18
|
1
|
18
|
0,65
|
0,8
|
0,75
|
|
|
|
|
|
|
|
|
|
|
|
33
|
20
|
1
|
20
|
0,65
|
0,8
|
0,75
|
|
|
|
|
|
|
|
|
|
|
|
Итого по РП-4
|
-
|
11
|
383
|
0,245
|
-
|
-
|
93,7
|
99,795
|
|
10,367
|
1,717
|
1,0
|
160,895
|
99,195
|
189,016
|
287,19
|
|
Итого по цеху*
|
-
|
36
|
971,2
|
0,209
|
-
|
-
|
202,824
|
235,838
|
|
27,357
|
1,362
|
1
|
276,186
|
235,838
|
363,178
|
551,81
|
Примечание - * без учета потребления мощности на освещение
Учет электрического освещения
Согласно заданию, необходимо учесть освещение в размере 10% от мощности
цеха.
Расчетная мощность цеха (см. таблицу 3.4) - 276,186 кВт. Следовательно,
потребляемая мощность на освещения
Росв = 0,1∙276,186=27,6кВт
Выполним расчет электрических нагрузок цеха с учетом мощности
потребляемой на освещение и дополнительной мощности на перспективу. Коэффициент
использования освещения kи примем равным 0,85; cosφ=0,8(газоразрядные лампы).
Результат расчета приведен в таблице 3.5.
Таблица 3.5 - Сводная таблица расчетных данных по цеху с учетом мощности
потребляемой на освещение и дополнительной нагрузки на перспективу
|
№ ЭП
|
Нагрузка установленная
|
Нагрузка средняя за смену
|
Нагрузка максимальная
|
|
Pн
|
n
|
Pнсум
|
Ки
|
сosφ
|
tanφ
|
Pс, кВт
|
Qс, квар
|
Sс, кВА
|
nэ
|
Км
|
К'м
|
Pр, кВт
|
Qр, квар
|
Sр, кВА
|
Iр, А
|
|
Итого по цеху
|
-
|
38
|
1672,8
|
0,337
|
-
|
-
|
563,784
|
703,433
|
|
5,701
|
1,832
|
1,1
|
1032,933
|
773,776
|
1290,613
|
1960,94
|
Компенсация
реактивной мощности (расчет мощности КУ)
Произведем расчет мощности компенсирующего устройства для цеховой ТП без
учета дополнительной нагрузки на перспективу.
Реактивной мощностью дополнительно нагружаются питающие и
распределительные сети предприятия, соответственно увеличивается общее
потребление электроэнергии. Меры по снижению потребления реактивной мощности:
естественная компенсация без применения специальных компенсирующих устройств
(КУ); искусственная компенсация с применением КУ.
Для искусственной компенсации реактивной мощности применяются специальные
КУ, являющиеся источниками реактивной энергии емкостного характера.
К техническим средствам компенсации реактивной мощности относятся
следующие виды КУ: конденсаторные батареи (КБ), синхронные двигатели,
вентильные статические источники реактивной мощности (ИРМ).
Таблица 4.1 - Исходные данные для расчета
|
Параметр
|
  , кВт , кВар , кВА
|
|
|
|
|
|
без компенсирующего
устройства
|
0,8
|
0,75
|
1032,933
|
773,776
|
1290,613
|
Расчетный коэффициент мощности:
Определяется
расчетная мощность компенсирующего устройства:
,
где
- коэффициент, учитывающий повышение коэффициента
мощности естественным способом, принимается
= 0,9,
/1/, с. 33;
tgφ и tgφ к- коэффициенты реактивной мощности
до и после компенсации.
Компенсацию реактивной мощности по опыту эксплуатации производят до получения
значения cosφk= 0,92…0,95.
Задавшись cosφk из этого промежутка, определяют tgφ
к.
Принимается cosφk = 0,95, тогда tgφ к = 0,33.
кВар.
Окончательно выбираем установку по каталогу компании
"Матик-Электро" компенсации реактивной мощности с номинальной
мощностью 350 кВар. Устанавливаем УКМ 58-0,4-350-30 У3 с мощностями ступеней
регулирования 1х50+3х100 кВар.
Определяются
фактические значения
и
после
компенсации реактивной мощности:
;
.
Определим
расчетную мощность с учетом компенсации и потерь
;
Результаты
расчетов сводятся в "Сводную ведомость нагрузок".
Таблица
4.2 - Сводная ведомость нагрузок
|
Параметр
|
  , кВт , кВар , кВА
|
|
|
|
|
|
Всего на НН без КУ
|
0,8
|
0,75
|
1032,933
|
773,776
|
1290,613
|
|
КУ
|
|
|
|
350
|
|
|
Всего на НН с КУ
|
0,937
|
0,373
|
1032,933
|
423,776
|
1116,484
|
|
Потери
|
|
|
22,329
|
111,648
|
113,859
|
|
Всего ВН с КУ
|
|
|
1055,262
|
535,424
|
1183,324
|
. Выбор
напряжений
Приёмники электрической энергии современных промышленных предприятий
могут быть подразделены на группы, различающиеся по мощности, режиму работы,
напряжению, роду тока.
Большая часть электроприёмников - электродвигатели производственных
механизмов, электрическое освещение, электрические печи, электросварочные
установки - являются, как правило, потребителями трёхфазного переменного тока
промышленной частоты- 50 Гц.
Согласно ГОСТ 721-62, номинальные линейные напряжения электрических сетей
в электроустановках до 1000 В должны соответствовать при трёхфазном переменном
токе: 220, 380, 660 В.
Наибольшее распространение на промышленных предприятиях имеют установки
переменного напряжения 380/220В с глухо-заземлённой нейтралью. Выбор данного
напряжения и рода тока обеспечивает возможность использования общих
трансформаторов для питания силовой и осветительной нагрузки, а также снижение
потерь электроэнергии в цеховых сетях - по сравнению с напряжением 220/127В.
Указанное напряжение следует применять во всех случаях, где этому не
препятствуют какие - либо местные условия и если технико-экономическими
расчётами не доказана целесообразность применения более высокого напряжения.
Наибольшая мощность трёхфазных электроприёмников, питаемых от системы
напряжением 380/220В, не должна превышать величины, допускающей применение
контакторов на ток 600 А.
В целях уменьшения опасности поражения электрическим током используют
малое напряжение - номинальное напряжение не более 42 В. Малые напряжения
применяют главным образом для ручных электрических инструментов, переносных
ламп и ламп местного освещения в помещениях, где требуются особые меры безопасности.
В качестве источников малых напряжений служат обычно понижающие
трансформаторы. Чтобы исключить опасность перехода высшего напряжения на
сторону низшего или на корпус, вторичную обмотку и корпус понижающего
трансформатора заземляют или зануляют.
Исторически в сетях среднего напряжения Советского Союза получили
распространение напряжения 6 и 10 кВ.
Для промышленных предприятий напряжение 6 кВ может оказаться
целесообразным в двух случаях: при питании предприятия от ТЭЦ на генераторном
напряжении 6 кВ и при значительной доле электродвигателей 6 кВ в суммарной
нагрузке предприятия.
Использование напряжения 6 кВ на промпредприятиях определялось
отсутствием электродвигателей 10 кВ во всем диапазоне мощностей
В настоящее время принято при новом строительстве сетей электроснабжения
применять напряжение 10 кВ, также осуществлять перевод сетей 6 кВ на напряжение
10 кВ. Основным преимуществом напряжения 10 кВ является более высокая
пропускная способность при практически одинаковой конструкции оборудования
(например кабели)
5. Расчет тока короткого замыкания
Последовательность расчета тока короткого замыкания выглядит следующим
образом:
) составляется расчетная однолинейная схема установки,
) выбирается место условного короткого замыкания,
) задаются базисными условиями,
) выражают сопротивления всех элементов в относительных единицах,
) составляют схему замещения,
) приводят расчетную схему к простейшему виду путем постепенного
преобразования,
) определяют токи короткого замыкания,
) определяют начальное действующее значение периодической составляющей
тока короткого замыкания и значения этой составляющей в произвольный момент
времени,
) определяют ударный ток короткого замыкания.
Допущения при расчете токов короткого замыкания:
) в течение всего процесса короткого замыкания ЭДС всех генераторов
совпадают по фазе,
) не учитывается насыщение магнитных систем, что позволяет считать
постоянным и не зависящим от тока индуктивные сопротивления всех элементов
короткозамкнутой цепи,
) пренебрегают намагничивающими токами силовых трансформаторов,
) не учитывают емкости всех элементов короткозамкнутой цепи, включая
воздушные и кабельные линии,
) считают, что трехфазная система является симметричной,
) не учитываются активные сопротивления электрической цепи при расчете
действующего значения периодической составляющей, если результирующее активное
сопротивление не превышает 30% результирующего индуктивного сопротивления.
Рис. 3.1.1Расчетная схема
Составим схему замещения.
Рис. 3.1.2 Схема замещения
. Выбираем базисные условия:
200 МВА;
кВ;
, 
кА;
2. Определяем параметры схемы замещения при выбранных базисных
условиях:
· Система С:
=
о.е.
· трансформатор:
;
· генератор:
· воздушная линия:
Переведем
в относительные и относительные базисные величины кабельную линию CL1 по
формуле:
,
Для
сокращения схемы все последовательные индуктивные сопротивления складываются:
Х1=Σ Г+T1+ΔL3
X2=Σ C+ΔL1
X3=Σ T3+CL1
Х1=1+1.2+0.072+2.272 o.e.2=0.274+0.393=0.667 o.e.3=2.381+2.1=4.481
o.e.
Схема сократилась до "звезды":
Преобразуем схему из "звезды" в "треугольник" по
правилу:
,
,
,
Получаем
схему:
Дальше
отбрасывается цепочка Т-С:
где
и
-
результирующие индуктивные сопротивления
цепей
С-КЗ и Т-КЗ.
Определим
расчетное индуктивное сопротивление Системы и турбогенераторов:
,
Тогда
ток трехфазного короткого замыкания и начальное действующее значение
периодической составляющей тока короткого замыкания не будут равны:
для
Системы:
для
турбогенераторов:
.
где
,
,
.
Начальное
действующее значение периодической составляющей тока короткого замыкания:
.
Ток
трехфазного короткого замыкания:
.
Ударный
ток:
.
6. Выбор
числа и мощности трансформатора
При проектировании систем электроснабжения установка одно
трансформаторных подстанций рекомендуется при полном резервировании ЭП 1 и 2
категорий по сетям низкого напряжения и для питания ЭП 3 категории, когда по
условиям подъездных дорог, а также по мощности и массе возможна замена
поврежденного трансформатора в течении не более одних суток и при наличии
централизованного резерва. Правильный выбор числа и мощности трансформаторов на
подстанциях промышленных предприятий является одним из основных вопросов
рационального построения системы электроснабжения. В нормальных условиях
силовые трансформаторы должны обеспечивать питание всех ЭП предприятия. Как
правило, трансформаторов на подстанциях должно быть не более двух.
Двух трансформаторные подстанции применяются при значительном числе
потребителей 1 и 2 категорий, при сосредоточенных нагрузках на данном участке с
высокой удельной плотностью, а также если имеются ЭП особой группы. На крупных
трансформаторных подстанциях число трансформаторов не более двух.
Принимаем к установке два трансформатора.
Потери в трансформаторе приближенно (см раздел Компенсация реактивной
мощности):
;
Результирующая мощность на стороне высокого напряжения (ВН) из табл. 4.2
Определим
расчетную мощность трансформатора с учетом потерь и компенсации реактивной
мощности:
Выбираем
два трансформатора с номинальной мощностью 1000 кВА и сведем его параметры в
таблицу 7.1.
Таблица
7.1 - Технические данные трансформатора ТМЗ-1000/10
|
Тип
|
Номинальная мощность Sном.Т,
кВА
|
Номинальное высшее
напряжение UВН, кВ
|
Номинальное низшее
напряжение UНН, кВ
|
Потери КЗ ДРкз,
кВт
|
Потери ХХ ДРхх,
кВт
|
Напряжение КЗ uк,
%
|
Ток ХХ Iх, %
|
|
ТМЗ
|
1000
|
10
|
0,4
|
12,2
|
1,9
|
5,5
|
1,7
|
Силовой масляный трансформатор ТМЗ-1000/10
Силовой масляный трансформатор герметичный с защитой масла, с
естественным охлаждением типа ТМЗ предназначен для преобразования электрической
энергии переменного тока одного напряжения в электрическую энергию переменного
тока другого напряжения в трехфазных сетях энергосистем, а так же для питания
различных потребителей в сетях переменного тока частотой 50 Гц.
Защищенные понижающие трехфазные трансформаторы ТМЗ выпускаются мощностью
от 250 до 2500 кВА и предназначены для установки на крупных промышленных
объектах и в комплектных трансформаторных подстанциях (КТП) внутренней и
наружной установки.
Трансформаторы ТМЗ выполнены в герметичном исполнении, в качестве
конструктивной защиты масла используется сухой азот, расположенный между
зеркалом масла и крышкой трансформатора.
В трансформаторах ТМЗ предусмотрена возможность регулирования напряжения
по пяти ступеням. Переключение на другой диапазон напряжения проводится
высоковольтным переключателем в ручном режиме при отключенном от сети
трансформаторе со стороны ВН и НН с диапазоном регулирования ±2х2,5% от
номинального напряжения.
Конструкция
трансформатора ТМЗ-1000/10
Масляный трансформатор ТМЗ - это трехфазный масляный трансформатор с
защитой масла с естественным охлаждением. Бак трансформатора сварной,
прямоугольной формы.
Для увеличения поверхности охлаждения применяются радиаторы.
Подъем трансформатора ТМЗ осуществляется за крюки, расположенные под
верхней крышкой бака. В нижней части бака имеются пробка для слива масла,
пробка для взятия пробы, болт заземления.
Вводы ВН и НН расположены на торцевых стенках бака, изоляторы проходные
фарфоровые. При токе ввода 1000 А и выше на токоведущих стержнях крепятся
специальные контактные зажимы с лопаткой (контактные зажимы, флажки),
обеспечивающие подсоединение плоской шины.
На стенке маслоазоторасширителя устанавливается маслоуказатель для
контроля уровня масла. На маслоуказателе нанесены три контрольные метки,
соответствующие уровню масла в неработающем трансформаторе при различных
температурах.
Азотная подушка, расположенная между зеркалом масла и крышкой
трансформатора, обеспечивает защиту масла от окисления и компенсирует
температурные колебания объема масла.
Для измерения температуры верхних слоев масла в баке устанавливаются
термометрический сигнализатор.
Для контроля внутреннего давления и сигнализации о предельно допустимых
величинах давления устанавливаются мановакуумметр.
Для защиты трансформатора устанавливается предохранительная диафрагма или
реле давления, которые срабатывают при достижении в баке давления 0.75 атм и
газы выходят наружу.
Структура
условного обозначения трансформатора ТМЗ - 1000/10 УХЛ1 10/0,4 Д/Ун-11
· Т - трансформатор трехфазный
· М - масляное охлаждение с естественной циркуляцией воздуха и
масла
· З - защитная азотная подушка
· 1000 - номинальная мощность, кВА
· 10 - напряжение обмотки высокого напряжения, кВ
· УХЛ1 - климатическое исполнение и категория размещения по
ГОСТ 15150-69
· 10 - напряжение обмотки высокого напряжения, кВ
· 0,4 - напряжение обмотки низкого напряжения, кВ
· Д - схема соединения обмотки высокого напряжения
(треугольник)
· У - схема соединения обмотки низкого напряжения (звезда)
· н - наличие изолированной нейтрали
· 11 - группа соединения обмоток
Технические
характеристики трансформатора ТМЗ-1000/10
Трансформаторы ТМЗ изготавливаются в соответствии со стандартом МЭК-76 и
ГОСТ 16555-75, выпускаются с номинальным напряжением первичной обмотки
(высокого напряжения) до 10 кВ включительно и вторичной обмотки (низкого
напряжения) на 0.4 или 0.69 кВ.
Трансформаторы выпускаются с различными уровнями потерь холостого хода и
короткого замыкания:
· уровень потерь А согласно ТУ У 31.1-00213440-024-2006
· уровень потерь В согласно ТУ У 3.49-05758084-016-2000
Предельное отклонение технических параметров трансформаторов составляют:
· напряжение короткого замыкания ±10%
· потери короткого замыкания на основном ответвлении +10%
· потери холостого хода +15%
· полная масса +10%
Условия
эксплуатации трансформатора ТМЗ-1000/10
Высота над уровнем моря - до 1000 м
Температура окружающего воздуха:
· для умеренного климата - от -45°С до +40°С (исполнение
"У")
· для холодного климата - от -60°С до +40°С (исполнение
"ХЛ")
Относительная влажность воздуха - не более 80% при температуре +25°С.
Трансформаторы не рассчитаны для работы:
· во взрывоопасной и агрессивной среде
· при вибрации и тряске
· при частых включениях и отключениях со стороны питания до 10
раз в сутки
Определим коэффициент загрузки трансформатора
Определим
потери активной мощности в трансформаторе
,
где
- потери в стали, равны паспортным потерям ХХ, кВт;
- потери
в обмотках, равны паспортным потерям КЗ, кВт;
-
коэффициент загрузки трансформатора (см. п. 5).
Определим
потери реактивной мощности в трансформаторе
,
где
- потери реактивной мощности на намагничивание, кВар;
,
- потери
реактивной мощности рассеяния в трансформаторе при номинальной нагрузке, кВар;
- ток
холостого хода трансформатора, %;
-
напряжение короткого замыкания,%;
-
номинальная мощность трансформатора, кВА;
7. Выбор высоковольтного оборудования
Выберем сечение кабеля по условию нагрева. За расчетную мощность примем
мощность трансформатора КТП с учетом 40% перегрузки
.
Выберем
алюминиевый трехжильный бронированный кабель сечением
.8/2.1=38.4/3=12.8
берем
сечение 16 мм2 с Iдл.доп=90 А.
Вк=
Iп.о. (tр.з.+tc.в.Ta) = 2,542*(0,01+0,03+0,05)=0,59
кА2с
Линии
высокого напряжения подвержены повреждениям в большей степени, чем все
остальное электрооборудование промышленных предприятий. На воздушных и
кабельных линиях возможны многофазные и однофазные короткие замыкания,
замыкания на землю, обрыв проводов и т.п.
Произведем
проверку кабеля
ном ≥ Uсети.ном.
10кВ ≥ 10 кВдлит ≥ Iнорм.макс. 90А ≥
57Адлит.доп. ≥ Iдлит.макс. 90А ≥ 70А≥ Sт=
16 ≥
Кабель
выбран верно.
В
данном случае выбор для защиты линии условно высокого напряжения применяем
выключатель внутренней установки типа BB/TEL-630/10/20
Технические
характеристики:
Ток
номинальный Iном= 630А
Номинальный
ток отключения Iном.откл= 32кА
Время
отключения 30 м.с.
Ток
термической стойкости Iтерм.= 20 кА*с
Ток
динамической стойкости Iдин = 51 кА
Произведем
проверку выключателя нагрузки по номинальным параметрам
ном ≥ Uсети.ном.
10 кВ ≥ 10 кВном ≥ I норм.макс. 630 А ≥
57 Аном ≥ Iдлит.макс. 630А ≥ 80,8Апр.с
≥ Iп.о 51А ≥ 2,54А
Iоткл.ном ≥ Ini 32A ≥ 2.54AТ2tT
202*1≥ 0.59
Также
в помещении КТП будет установлен разъединитель РВЗ-10/630 II УЗ,
предназначенный для отключения и включения под напряжением участков
электрической цепи высокого напряжения при отсутствии нагрузочного тока.
Разъединитель
нужен для изменения схемы соединения; для безопасного проведения работ на
отключенном участке и при определенных условиях, для включения и отключения
зарядных токов воздушных линий, тока холостого хода трансформаторов.
Рисунок -
Разъединитель РВЗ-10/630 II УЗ
Разъединители внутренней установки РВЗ-10/630 используются в целях
коммутации для участков электрических цепей под напряжением без нагрузочного
тока и в целях изменения схем соединения, обеспечивают безопасность работ на
отключенных участках. Применяются для включения/отключения зарядного тока
воздушной и кабельной линии либо холостых токов трансформаторов и токов
небольших нагрузок. Приборы оснащены рычажными приборами для ручного включения
и отключения.
Требования к условиям эксплуатации разъединителей РВЗ-10/630 не сильно
отличаются от требований к аналогичным устройствам. Рабочая высота может
достигать до 1000 метров над уровнем моря. Необходим свободный доступ наружного
воздуха. Колебания температуры и влажности воздуха могут несущественно
отличатся от этих параметров на открытом воздухе. Например, разъединители
РВЗ-10/630 могут применяться в металлических помещениях без обогрева, под
навесом, в кожухах комплектных устройств, кузовах, палатках, прицепах.
Необходимо избегать прямого воздействия солнечных лучей и атмосферных осадков
на изделия. В помещениях с установленными разъединителями концентрация
агрессивных паров и газов не должны превышать допустимых концентраций во
избежание разрушение изоляции и защитного покрытия. Помещения должны быть
закрытыми, пожаро-и взрывобезопасными.
Особенности конструкции
Разъединители РВЗ-10/630 являются трехполюсными с тремя токопроводами на
одной раме с одним общим приводным рычагом и валом, при вращении которого три
контактных ножа одновременно включаются либо отключаются. Токопроводы состоят
из фиксированных контактов и подвижных контактных ножей. Неподвижный контакт -
это медная шина, согнутая под прямым углом. Подвижный - две медные полосы,
находящиеся на небольшом расстоянии друг от друга. Для придания жесткости пластины
ножа разработаны и изготавливаются в коробчатой форме. С одной стороны
неподвижный контакт крепится к колпачку изолятора и подводящей шине. Другая его
сторона при включении входит в зазор между пластинами ножа, которые прижимаются
к поверхности неподвижного контакта с помощью пружин. Контактные ножи могут
поворачиваться вокруг оси прикрепленной к неподвижному контакту. Сближение
пластин контактных ножей ограничивается втулкой в отключенном положении.
Благодаря трению, которое возникает между пластинами ножа и неподвижным
контактом удаляются окислы с контактных поверхностей, что обеспечивает
надежность работы устройства.
Разъединители внутренней установки РВЗ-10/630 используются в целях
коммутации для участков электрических цепей под напряжением без нагрузочного
тока и в целях изменения схем соединения, обеспечивают безопасность работ на
отключенных участках. Применяются для включения/отключения зарядного тока
воздушной и кабельной линии либо холостых токов трансформаторов и токов
небольших нагрузок. Приборы оснащены рычажными приводами для ручного включения
и отключения.
Технические характеристики
Выбираем ближайшую стандартную мощность разъединителя. В данном случае
выбираем разъединитель типа РВЗ-10/630 II Уз со следующими техническими
данными:
Номинальное напряжение Uном = 10 кВ.
Номинальный ток Iном = 630 А.
Наибольшее рабочее напряжение Umax=12кВ.
Ток электродинамической стойкости Iдин=51 кА
Необходимо проверить Разъединитель по номинальным параметрам
;
;
;
-
условие выполняется;
Ток
термической стойкости аппарата:
-
условие выполняется;
-
условие выполняется.
Так
как все условия выполняются, значит, Разъединитель выбран верно и подходит для
установки.
8. Выбор
сечения питающих линий
По назначению электрические сети делятся на питающие и распределительные.
Питающей сетью называют линии, идущие от вводно-распределительного
устройства до силовых распределительных пунктов в силовой сети и до групповых
щитков в осветительной сети.
Распределительной сетью называют линии, идущие от распределительных
пунктов до силовых электроприемников в силовой сети и от групповых щитков
освещения до светильников в осветительной сети.
В качестве питающих линий принимаем кабели с алюминиевыми жилами типа
АВВГ с ПВХ изоляцией в ПВХ оболочке, прокладываемые в воздухе, четырехжильные.
В качестве распределительных линий принимаем провода с алюминиевыми
жилами типа АПВ с изоляцией из ПВХ пластиката, прокладываемые в воздухе,
четырехжильные (для трехфазных ЭП), двухжильные (для однофазных ЭП).Условие
выбора кабеля по нагреву:
>
,
где
- длительно-допустимый ток кабеля, А, каталог ОАО
"Электрокабель" Кольчугинский завод" /10/
-
расчетный ток группы электроприемников (электроприемника).
Для
трехфазных электроприемников с двигательной нагрузкой
,
где
- номинальная мощность ЭП, кВт;
- номинальное напряжение ЭП, 0,38 кВ;
- КПД ЭП, о.е. (для всех ЭД примем 0,89);
, с. 20.
По каталогу /10/ выбираем два кабеля сечением 16 мм2 с
длительно-допустимым током 2х183=366 А.
Расчет
сечения для остальных групп электроприемников аналогичен, результаты расчета
сведены в таблицу 8.1.
Таблица
8.1 - Сводная ведомость питающих и распределительных линий
|
№ потребителя
|
Расчетный ток РП/ЭП, А
|
Допустимый ток кабеля, А
|
Сечение, мм2
|
|
РП-1
|
350,63
|
366
|
АВВГ 4х50
|
|
РП-2
|
91,96
|
117
|
АВВГ 4х50
|
|
РП-3
|
105,98
|
117
|
АВВГ 4х50
|
|
РП-4
|
287,19
|
334
|
АВВГ 4х50
|
|
ЭП №1-5
|
94,840
|
130
|
АВВГ 4х25
|
|
ЭП №6,16, 18-20
|
85,356
|
130
|
АВВГ 4х25
|
|
ЭП №17
|
19,184
|
28
|
АПВ 4х4
|
|
ЭП №21-23, 29-31
|
66,388
|
80
|
АПВ 4х25
|
|
ЭП №24-28, 34-36
|
34,335
|
40
|
АПВ 4х8
|
|
ЭП №7-15
|
19,184
|
28
|
АПВ 4х4
|
|
ЭП №32
|
33,589
|
40
|
АПВ 4х8
|
|
ЭП №33
|
37,321
|
60
|
АПВ 4х16
|
|
ЩО
|
52,417
|
60
|
АПВ 4х16
|
Выбор электрического оборудования
Для зашиты распределительных пунктов и электроприемников выберем
автоматические выключатели.
Автоматические выключатели предназначены для отключений при КЗ и
перегрузках в электрических сетях, отключений при недопустимых снижениях
напряжения, а также для включений и отключений электрических цепей. Выключатели
имеют тепловой и электромагнитный расцепители, иногда только ЭМР.
Условия выбора автоматических выключателей:
;
;
- для
линии с одним ЭД;
- для
групповой линии с несколькими ЭД;
- для
линии без ЭД,
где
- номинальный ток автомата, А;
-
номинальный ток расцепителя, А;
-
длительный ток в линии, А;
-
максимальный то в линии, А;
-
номинальное напряжение автомата, В;
-
напряжение сети, В;
;
- для
линии без ЭД;
- для
линии с одним ЭД;
- для
групповой линии с несколькими ЭД,
где
- кратность отсечки;
- ток
отсечки, А;
-
пусковой ток, А,
,
где
- кратность пускового тока. Принимается
=6,5-7,5 - для АД;
-
номинальный ток, А;
-
пиковый ток,
,
где
- пусковой ток наибольшего по мощности ЭД, А;
-
номинальный ток наибольшего в группе АД, А;
-
максимальный ток на группу.
Выберем
автомат для защиты РП-1.
Выбираем
автоматический выключатель с
Пиковый
ток для РП-1
;
;
Принимаем
.
Согласование
расцепителя с защищаемым проводником
,
где
- допустимый ток проводника, А;
Для
РП-3 выбран кабель АВВГ 4х240 с
,
следовательно расцепитель автомата согласуется с защищаемым проводником.
Окончательно
выбираем автоматический выключатель ВА-51-37 с характеристиками:
;
;
;
Для
остальных РП и электроприемников расчет проводится аналогично по приведенным
выше формулам. Выбранные аппараты защиты сведены в таблицу 9.1.
Таблица
9.1 - Выбор аппаратов защиты
|
№ п/п
|
Наименование ЭП
|
Iном.а,А
|
Iном.р,А
|
Io
|
Iоткл, кА
|
Тип
|
|
1
|
Вводной выключатель НН
трансформатора
|
2500
|
2500
|
10
|
65
|
ВА50-43
|
|
2
|
РП 1
|
400
|
320
|
10
|
25
|
ВА51-37
|
|
3
|
РП 2
|
400
|
320
|
10
|
25
|
ВА51-37
|
|
4
|
РП 3
|
400
|
320
|
10
|
25
|
ВА51-37
|
|
5
|
РП 4
|
400
|
320
|
10
|
25
|
ВА51-37
|
|
6
|
ЭП №1
|
100
|
100
|
10
|
7
|
ВА51-31
|
|
7
|
ЭП №2
|
100
|
100
|
10
|
7
|
ВА51-31
|
|
8
|
ЭП №3…5
|
100
|
100
|
10
|
7
|
ВА51-31
|
|
9
|
ЭП №6,17,36
|
25
|
20
|
10
|
3,8
|
ВА51-31
|
|
10
|
ЭП №7…16
|
160
|
125
|
10
|
12,5
|
ВА51-31
|
|
11
|
ЭП №18…20
|
100
|
80
|
10
|
7
|
ВА51-31
|
|
12
|
ЭП №21…23
|
100
|
31,5
|
10
|
6
|
ВА51-31
|
|
13
|
ЭП №24…35
|
100
|
50
|
10
|
6
|
ВА51-31
|
|
14
|
Щит освещения
|
100
|
80
|
10
|
7
|
ВА51-31
|
Заключение
В данном курсовом проекте была разработана система электроснабжения
механического цеха тяжелого машиностроения. Был рассчитан ток трехфазного
короткого замыкания.
На основе плана расположения электрооборудования была составлена
радиальная схема электроснабжения и определено необходимое количество
распределительных пунктов. Схема электроснабжения полностью согласована с
заданным электрооборудованием.
В курсовом проекте были определены расчётные нагрузки, в результате
которых мы выбрали силовой масляный трансформатор герметичный с защитой масла,
с естественным охлаждением для комплектной трансформаторной подстанции. С целью
проведения ремонтных работ на участках электрической цепи высокого напряжения
трансформатора выбрали выключатель нагрузки, разъединитель и проверили их на
устойчивость динамическим и термическим токам.
Опираясь на схему электроснабжения, мы выбрали и рассчитали кабельные
линии от ГПП до КТП, и от КТП до выбранного распределительного пункта РП1. От
РП1 к электроприемникам решено было протянуть по стенам, потолку в коробах. По
условиям проверки на термическую стойкость все кабели признаны выдержавшими
испытания.
Для защиты электрооборудования РП1 от токов КЗ и перегрузок выбраны
автоматические выключатели.
В результате проделанных расчетов можно сделать вывод, что
электроснабжение механического цеха тяжелого машиностроения разработано верно и
отвечает всем требованиям современной нормативной технической документации.
Список использованных источников
1. Ю.М.
Миронов, А.Н. Миронова. Электрооборудование и электроснабжение
электротермических, плазменных и лучевых установок М.: Энергоатомиздат, 1991,
376 с.
. Ополева
Г.Н. Схемы и подстанции электроснабжения: Справочник: учеб. пособие. - М.: ИД
"ФОРУМ": ИНФРА - М. 2009. - 480 с. 480 (Высшее образование).
. Кудрин
Б.И. Электроснабжение промышленных предприятий: Учебник для вузов. - М.:
Интермет Инжиниринг, 2006. - с. 672
. Справочник
по энергоснабжению и электрооборудованию промышленных предприятий и
общественных зданий / Под общ. ред. профессоров МЭИ (ТУ) С.И. Гамазина, Б.И.
Кудрина, С.А. Цырука. - М.: Издательский дом МЭИ, 2010. - 746 с.
. В.П.
Шеховцов Расчет и проектирование схем электроснабжения. Методическое пособие
для курсового проектирования. - М. ФОРУМ, ИНФРА-М., 2003. - 214 с.
. Неклепаев
Б.Н., Крючков И.П., Электрическая часть станций и подстанций: Справочные
материалы для курсового и дипломного проектирования. Уч. пособие для вузов. -
М. Энергоатомиздат, 1989