Электроснабжение механического цеха машиностроительного завода

  • Вид работы:
    Курсовая работа (п)
  • Предмет:
    Неопределено
  • Язык:
    Русский
    ,
    Формат файла:
    MS Word
    324,93 kb
  • Опубликовано:
    2007-03-29
Вы можете узнать стоимость помощи в написании студенческой работы.
Помощь в написании работы, которую точно примут!

Электроснабжение механического цеха машиностроительного завода

ВВЕДЕНИЕ

Создание энергосистем и объединение их между собой на огромных территориях стало основным направлением развития электроэнергетики мира в 20 веке. Это обусловлено отличительной особенностью отрасли, в которой производство и потребление продукции происходят практически одновременно. Невозможно накопление больших количеств электроэнергии, а устойчивая работа электростанции и сетей обеспечивается в очень узком диапазоне основных параметров режима. В этих условиях надежное электроснабжение от отдельных электростанций требует резервирование каждой станции, как по мощности, так и по распределительной сети.

Известно, что объединенная работа энергосистем позволяет уменьшить необходимую установленную мощность в основном за счет разновременности наступления максимумов электрической нагрузки объединения, включая и поясной сдвиг во времени, сокращения необходимых резервов мощности вследствие малой вероятности одновременной крупной аварии во всех объединяемых системах.

Кроме того, удешевляется строительство электростанций за счет укрупнения их агрегатов и увеличения дешевой мощности на ГЭС, используемой только в переменной части суточного графика электрической нагрузки. В объединении может быть обеспечено рациональное использование энергомощностей и энергоресурсов за счет оптимизации режимов загрузки различных типов электростанций.

Но главным преимуществом энергообъединения является возможность широкого маневрирования мощностью и электроэнергией на огромных территориях в зависимости от реально складывающихся условий. Дополнительное электросетевое строительство, связанное с созданием энергообъединений, не требует больших затрат, так как при их формировании используются в основном линии электропередачи, необходимые для выдачи мощности электростанций, а затраты на них с лихвой окупаются удешевлением строительства крупной электростанции по сравнению с несколькими станциями меньшей мощности. И, следовательно, только объединенная работа энергосистем позволяет обеспечить более экономичное, надежное и качественное электроснабжение потребителей.

Однако параллельная работа энергосистем на одной частоте требует создания соответствующих систем управления их функционированием, включая и противоаварийное управление, а также координации развития энергосистем. Это обусловлено тем, что системные аварии в большом объединении охватывают огромные территории и при современной «глубине» электрификации жизни общества приводят к тяжелейшим последствиям и огромным ущербам.

Поскольку электроэнергия «не складируется», при возникновении дефицита она не может быть свободно куплена на мировом рынке и доставлена в любое место, как и другие продукты и товары. Поэтому обеспечение надежного и экономичного электроснабжения требует заблаговременного начала строительства новых генерируемых источников и электрических сетей, так как энергетические объекты весьма дороги и трудоемки. При этом необходимо обеспечить рациональный состав этих источников по используемым энергоресурсам, их основным техническим характеристикам; их регулировочным возможностям в суточном, недельном и годовом разрезе, а также их размещение.

Для этого необходима координация развития энергосистем и энергообъединений путем прогнозирования, как на долгосрочную, так и на краткосрочную перспективу, которое должно периодически повторяться. Последнее обусловлено тем, что все исходные данные для прогнозирования весьма неопределенны даже в условиях плановой экономики страны. Очевидно, что в условиях рыночной экономики эта неопределенность многократно возрастает.

1. ОБЩАЯ ЧАСТЬ

1.1 Краткая характеристика электрооборудования ТП

Механический цех машиностроительного завода предназначен для серийного производства изделий. Для этой цели установлено основное оборудование: обдирочные, шлифовальные, анодно-механические станки и др.

На стороне 10 кВ трансформатора установлена ячейка КСО-366, с выключателем нагрузки, трансформатором тока и трансформатором напряжения. Так же установлены шины и изоляторы.

Защита от токов короткого замыкания на стороне 0,4 кВ выполнена автоматическими выключателями серии ВА51Г-25.

Распределительная сеть выполнена шинопроводом марки ШМА 73У3, двумя распределительными шинопроводами марки ШРА-4 и ШРА2, так же распределительным шкафом серии ПР85. Соединение с электроприемниками осуществляется проводами марки АПРТО. Соединение шинопроводов и распределительного шкафа осуществляется кабелями марки АПВГ.

Наименование

Количество

Pном,

кВт

Ки

Cos /

tg

ПВ, %

Pn,

кВт

Шлифовальные

станки

5

63

0,14

0,5/1,5



Обдирочные

Станки типа РТ-341

5

35

0,17

0,65/0,76



Кран мостовой

1

38

0,1

0,5/1,5

40

60

Обдирочные станки типа РТ-250

6

28

0,17

0,65/0,76



Анодно-механические станки типа МЭ-31

8

17,2

0,17

0,65/0,76



Анодно-механические станки типа МЭ-12

9

8

0,17

0,65/0,76



Вентилятор вытяжной

1

25

0,6

0,8/0,6



Вентилятор приточный

1

28

0,6

0,8/0,6



1.2 Ведомость электрических нагрузок

2. РАСЧЕТНО – ТЕХНИЧЕСКАЯ ЧАСТЬ

2.1 Определение электрических нагрузок от силовых потребителей.

Таблица 2.1 Исходные данные.

Наименование

Количество

Pном,

кВт

Ки

Cos /

tg

ПВ, %

Pn,

кВт

Шлифовальные

станки

5

63

0,14

0,5/1,5



Обдирочные

Станки типа РТ-341

5

35

0,17

0,65/0,76



Кран мостовой

1

38

0,1

0,5/1,5

40

60

Обдирочные станки типа РТ-250

6

28

0,17

0,65/0,76



Анодно-механические станки типа МЭ-31

8

17,2

0,17

0,65/0,76



Анодно-механические станки типа МЭ-12

9

8

0,17

0,65/0,76



Вентилятор вытяжной

1

25

0,6

0,8/0,6



Вентилятор приточный

1

28

0,6

0,8/0,6




Рассчитываем среднесменную активную мощность:                                                   (2. 1)

                       

  Определяем коэффициент силовой сборки:

                                                                (2. 2)

Определяем средний коэффициент использования:

                                                            (2. 3)

     

Определяем сумму номинальных мощностей электроприемников:     Определяем эффективное число электроприемников:

                                                      (.2. 4)

Определяем коэффициент максимума:

                                             [1., с. 54, таб. 2.13]

Определяем максимальную активную мощность:

                                                        (2. 5)

Определяем среднесменную реактивную мощность:

                                                         (2. 6)

т.к. , то

Определяем полную максимальную мощность:

                                                    (2. 7)


Таблица 2.2 Расчетные данные.

Наименование

∑Pном,кВт

m

Pсм, кВар

Qсм, кВар

Kmax

Pmax,

кВт

Qmax,кВар

Smax,кВар

Шлифовальные

станки

315

-

44,1

66,1

-

-

-

-

-

Обдирочные

Станки типа РТ-341

175

-

30

22,8

-

-

-

-

-

Кран мостовой

38

-

19

28,5

-

-

-

-

-

Обдирочные станки типа РТ-250

168

-

28,5

21,6

-

-

-

-

-

Анодно-механические станки типа МЭ-31

137,6

-

23,4

17,8

-

-

-

-

-

Анодно-механические станки типа МЭ-12

72

-

12,2

9,2

-

-

-

-

-

Вентилятор вытяжной

25

-

15

11,2

-

-

-

-

-

Вентилятор приточный

28

-

17

12,7

-

-

-

-

-

Итого:

959

8

170

190

6

2,24

381

209

255

2.2 Расчет и выбор компенсирующего устройства

Передача значительного количества реактивной мощности из энергосистемы к потребителям нерациональна по следующим причинам: возникают дополнительные потери активной мощности и энергии во всех элементах системы электроснабжения, обусловленные загрузкой их реактивной мощностью, и дополнительные потери напряжения в питательных сетях. Ввод источника реактивной мощности приводит к снижению потерь в период максимума нагрузки в среднем на 0,081 кВт/квар. В настоящее время степень компенсации в период максимума составляет 0,25 квар/кВт, что значительно меньше экономически целесообразной компенсации, равной 0,6 квар/кВт.

При выборе средств компенсации реактивной мощности в системах электроснабжения промышленных предприятий необходимо различать по функциональным признакам две группы промышленных сетей в зависимости от состава их нагрузок: первая группа - сети общего назначения (сети с режимом прямой последовательности основной частоты 50 Гц.); вторая группа – сети со специфическими нелинейными, несимметричными  и резко переменными нагрузками.

Наибольшая суммарная реактивная нагрузка предприятия, принимаемая для определения мощности компенсирующей установки равна: QM1=KHCQP, где KHC – коэффициент учитывающий несовпадения по времени наибольшей активной нагрузки энергосистемы и реактивной нагрузки предприятия.

По входной реактивной мощности QЭ1 определяют суммарную мощность компенсирующего устройства предприятия, а по назначению QЭ2 регулируемую часть компенсирующего устройства.

Суммарную мощность компенсирующего устройства QЭ1 определяют по балансу реактивной мощности на границе электрического раздела предприятия и энергосистемы в период наибольшей активной нагрузки энергосистемы: QK1=QM1+QЭ2. Для промышленных предприятий с присоединяемой суммарной мощностью трансформаторов менее 750 кВ*А значение мощности компенсирующего устройства QЭ1 задается энергосистемой и является обязательным при выполнении проекта электроснабжения предприятия.

По согласованию с энергосистемой, выдавшей технические условия на присоединение потребителей, допускается принимать большую по сравнению с QЭ1 суммарную мощность компенсирующего устройства, если это снижает приведенные затраты на систему электроснабжения предприятия в целом.

Средствами компенсации реактивной мощности являются в сетях общего назначения батареи конденсаторов (низшего напряжения – НБК и высшего напряжения – ВБК) и синхронные двигатели в сетях со специфическими нагрузками, дополнительно к указанным средствам, силовые резонансные фильтры (СРФ), симметрирующие и фильтросимметрирующие устройства, устройства динамической и статической компенсации реактивной мощности с быстродействующими системами управления (СТК) и специальные быстродействующие синхронные компенсаторы (ССК).

Компенсация реактивной мощности в электрических сетях общего назначения напряжением до 1000 В

К сетям напряжением до 1000 В. на промышленных предприятиях подключается большая часть потребителей реактивной мощности. Коэффициент мощности нагрузки низкого напряжения не превышает 0,8. Сети напряжением 380-660 В электрически более удалены от источников питания, поэтому передача реактивной мощности в сети низкого напряжения требует увеличения сечений проводов и кабелей, повышения мощности силовых трансформаторов и сопровождается потерями активной и реактивной мощностей. Затраты, обусловленные перечисленными факторами можно уменьшить или даже устранить, если осуществляется компенсация реактивной мощности непосредственно в сети низкого напряжения.

Источниками реактивной мощности в сети низкого напряжения являются синхронные двигатели напряжением 380-660 В. и конденсаторные батареи. При решении задачи компенсации реактивной мощности требуется установить оптимальное соотношение между источниками реактивной мощности низкого напряжения и высокого напряжения, принимая во внимание потери электрической энергии на генерацию реактивной мощности источниками низкого напряжения и высокого напряжения, потери электрической энергии на передачу QMAX.T из сети высшего напряжения в сеть низшего напряжения и удержание трансформаторной подстанции в случае загрузки их реактивной мощностью.

Выбор оптимальной мощности низшего напряжения батареи конденсаторов осуществляют одновременно с выбором цеховой трансформаторной подстанции. Расчетную мощность низшего напряжения батареи конденсаторов округляют до ближайшей стандартной мощности комплектных компенсирующих устройств. Основные технические характеристики нерегулируемой низшего напряжения батареи конденсаторов приведены в таблице, а регулируемые по току и напряжению.

Для каждой цеховой трансформаторной подстанции рассчитывают возможность распределения найденной мощности ПБК в цеховой сети. Критерием целесообразности такого решения является снижение приведенных затрат, обусловленное разгрузкой сети низшего напряжения от реактивной мощности.

Сущность cos φ.

Текущий коэффициент мощности в каждый момент времени:

,                                                (2. 8)

где и  - соответственно активная, кажущаяся и реактивная мощности в момент временник , кВт, кВ*А, квар..

Активная и реактивная мощности предприятий изменяются не только в течении длительных промежутков времени (суток, месяцев), но и в течении одной производственной смены.

Значение коэффициента мощности в момент времени ti наиболее точно определяется по фазометру. При отсутствии фазометра cos φ определяется одним из следующих способов:

1. двумя трехфазными ваттметрами или одним ваттметром с переключателем, изменяющим в некоторый момент времени P и Q определяет значение

,                                                            (2. 9)

затем по tg φ находится в таблице соответствующий ему

cos φi;

2. двумя ваттметрами измеряется активная мощность Р1 и Р2 и определяется

,                                                    (2. 10)

где Р1  и Р2 - показания ваттметра для фаз А и С соответственно;

3. амперметром, вольтметром и трехфазным ваттметром измеряют ток, напряжение и активная мощность. Затем находят

,                                                          (2. 11)

 где I, U и Р - соответственно действующие значения тока, напряжения и мощности, одновременно определяемые по приборам, А, кВ, кВт.

Оптимальный коэффициент мощности cos φ соответствует оптимальному

,

где РМ , QЭ - активная и реактивная мощности.

Расчет и выбор компенсирующего устройства.

                                                           (2. 12)

                  

                                                (2. 13)

                                       (2. 14)

                                    (2. 15)

                                                          (2. 16)

2.3 Выбор числа и мощности трансформаторов

Как и синхронные генераторы, они являются основным электрическим оборудованием, обеспечивающим передачу и распределение электроэнергии от электростанций к потребителям.

С помощью трансформаторов осуществляется повышение напряжение до величин (110, 220, 330, 500 кВ.), необходимых для линий электропередач энергосистем, а также многократное ступенчатое понижение напряжений до величин, применяемых непосредственно в приемниках электроэнергии (10; 0,3; 0,66; 0,38; 0,22; 0,127 кВ.).

Для компенсации потерь напряжения в электрических сетях повышающие трансформаторы имеют высшее напряжение на 10 % выше номинального напряжения сети, а понижающие трансформаторы – низкие напряжения на 5-10 % выше номинального напряжения сети. В зависимости от числа обмоток трансформаторы делят на двух - и трехобмоточные. Каждый трансформатор характеризуется номинальными данными: мощностью, токами первичной и вторичной обмоток, потерями холостого хода, потерями короткого замыкания, напряжением короткого замыкания и током холостого хода, а также группой соединения.

Напряжением короткого замыкания трансформатора называется напряжение, которое необходимо подвести к одной из обмоток при замкнутой накоротко другой, чтобы в последней протекал ток номинальный.

Током холостого хода называется ток, который при номинальном напряжении устанавливается в одной обмотке при разомкнутой другой.

Группой соединения называется угловое (кратное 30 °) смещение векторов между одноименными вторичными и первичными линейными напряжениями обмоток трансформатора.

Под номинальной следует понимать нагрузку, равную номинальному току, который трансформатор может нести непрерывно в течение всего срока службы при номинальных температурных условиях. Для всех трансформаторов в зависимости от условий эксплуатации определяется резервом трансформаторной мощности, графиком нагрузки и температурой окружающей среды, могут быть допущены перегрузки.

В обмотках и в стали магнитопровода трансформатора, включенного под нагрузку выделяется значительное количество теплоты. Чтобы поддерживать температуру нагрева трансформатора в указанных пределах, необходимо в течение срока эксплуатации трансформатора непрерывно отводить выделяющуюся в нем теплоту в окружающее пространство, т.е. эффективно охлаждать трансформатор.

Из условия

.

Выбираем один трансформатор, т.е. .

Рассчитываем мощность, необходимую для выбора трансформатора:

                                                              (2.17)

Предполагаем к установке трансформатор типа ТСЗ – 630/10

Проверяем выбранный трансформатор по коэффициенту загрузки:

                                                       (2.28)


Рисунок 2. Схема подключения цеховых трансформаторов.

2.4 Выбор схемы и напряжения ТП

Для получения наиболее экономичного варианта электроснабжения предприятия в целом напряжение каждого звена системы электроснабжения должно выбираться, прежде всего, с учетом напряжения смежных звеньев. Выбор напряжений основывается на сравнении технико-экономических показателей различных вариантов в случаях, когда:

1)   от источника питания можно получать энергию при двух напряжениях или более;

2)   при проектировании электроснабжения предприятий приходится расширять существующие подстанции и увеличивать мощность заводских электростанций;

3)   сети заводских электростанций связывать с сетями энергосистем.

Предприятие при выборе вариантов следует отдавать варианту с более высоким напряжением даже при небольших экономических преимуществах (не превышающих 10-25%) низшего из сравниваемых напряжений.

Для питания крупных и особо крупных предприятий следует применять напряжение 110, 150, 220, 330 и 500 кВ. На первых ступенях распределения энергия на таких крупных предприятиях следует применять напряжения 1000, 150 и 220 кВ.

Напряжение 35 кВ в основном рекомендуется использовать для распределения энергии на первой ступени средних предприятий при отсутствии значительного числа электродвигателей напряжением выше 1000 В, а также для частичного распределения энергии на крупных предприятиях, где основное напряжение первой ступени равно 110-220 кВ. В частности, напряжение 35 кВ можно применять для полного или частичного внутризаводского распределения электроэнергии при наличии:

а) мощных электроприемников на 35 кВ (сталеплавильных печей, мощных ртутно-выпрямительных установок и др.);

б) электроприемников повышенного напряжения, значительно удаленных от источников питания;

в) подстанций малой и средней мощности напряжением 35/0,4 кВ, включенных по схеме «глубокого ввода».

Напряжение 10 кВ необходимо использовать для внутризаводского распределения энергии:

а) на предприятиях с мощными двигателями, допускающими непосредственное присоединение к сети 10 кВ;

б) на предприятиях небольшой и средней мощности при отсутствии или незначительном числе двигателей на 6 кВ;

в) на предприятиях, имеющих собственную электростанцию с напряжением генераторов 10 кВ.

Напряжение 6 кВ обычно применяют при наличии на предприятии:

а) значительного количества электроприемников на 6 кВ;

б) собственной электростанции с напряжением генераторов 6 кВ.

Системы электроснабжения разделяют на систему внешнего электроснабжения (воздушные линии от подстанции энергосистемы до главной понизительной подстанции ГПП или распределительного пункта ЦРП) и систему внутреннего электроснабжения (распределительной линии от ГПП или ЦРП до цеховых трансформаторных подстанций).

Схемы внешнего или внутреннего электроснабжения выполняют с учетом особенностей режима работы потребителей, возможностей дальнейшего расширения производства, удобства обслуживания и т.д.

В данном курсовом проекте питание механического цеха осуществляется кабелем, который соединен с алюминиевыми шинами. Через них осуществляется питание силового трансформатора, который защищен от токов короткого замыкания автоматическим выключателем. Магистральная сеть 0,4 кВ выполнена магистральным шинопроводом, который запивается от ввода 0,4 кВ трансформатора при помощи блока «трансформатор-магистраль». От магистрального шинопровода через кабели питаются два распределительных шинопровода, которые защищены от токов короткого замыкания и токов перегруза автоматическими выключателями. Распределительный шкаф питается от магистрального, он защищен от токов короткого замыкания и токов перегруза автоматическим выключателем. Электроприемники запитываются через алюминиевые провода. Они защищены от токов короткого замыкания и токов перегруза автоматическими выключателями.

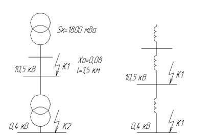
2.5 Расчет токов короткого замыкания

В электрических установках могут возникать различные виды короткого замыкания, сопровождающиеся резким увеличением тока. Поэтому электрическое оборудование, устанавливаемое в системах электрического снабжения, должно быть устойчивым к токам короткого замыкания и выбираться с учетом величин этих токов.

Основными причинами возникновений этих коротких замыканий в сети могут быть: повреждения изоляции от частей электрических установок; направленного действия обслуживающего персонала; перекрытия токоведущих частей установки.

Короткие замыкания в сети может сопровождаться: прекращением питания потребителей, присоединенных к точкам в которых произошло короткое замыкание; нарушением нормальной работы других потребителей, подключенные к поврежденным участкам сети, вследствие уменьшения напряжения на этих участках; нарушением нормального режима работы энергосистемы.

Для предотвращения короткого замыкания, уменьшение их последствий необходимо: устранить причины, вызывающие короткое замыкание; применить быстродействующие выключатели; применить АРН для быстрого восстановления напряжения генераторов; правильно вычислить величины токов короткого замыкания и по ним выбрать необходимую аппаратуру, защиту и сортировать средства для ограничения токов короткого замыкания.

В современных мощных электроустановках ударные токи короткого замыкания достигают очень больших значений. Возникающие при этом механические усилия между отдельными токоведущими частями машин, аппаратов и элементов распределительных устройств способны вызвать значительные повреждения.

Поэтому для надежной работы электрической установки все её элементы должны обладать достаточной динамикой, устойчивостью против этих максимальных механических усилий при возникновении ударного тока.

В мощных электрических установках токи короткого замыкания достигают больших величин, что электрическое оборудование электростанций и подстанций, а также сечение кабелей приходится выбирать не по условиям нормального режима, а из условия обеспечения устойчивости их при коротком замыкании, применение электрооборудования и кабелей, рассчитано на большие токи короткого замыкания, приводят к значительному увеличению затрат на сооружение электрических установок и их сетей.

Рисунок 3. Расчетная схема и схема замещения.

Определяем сопротивление всех элементов схемы:

                                                            (2. 29)


Кабельные линии:

                                                      (2. 30)

Трансформатор:

                                                      (2. 31)


Определяем токи короткого замыкания в заданных точках:

                                                                (2. 31)

                                                           (2. 32)

                                                  (2. 33)

                                                               (2. 34)

                                                          (2. 35)

                                                      (2. 36)

Определяем ударные токи в заданных точках:

                                                          (2. 37)

                                                        (2. 38)

Определяем мощность короткого замыкания в заданных точках:

                                                      (2. 39)

                                                     (2. 40)

2.6 Расчет и выбор распределительной сети 0,38 кВ.

2.6.1 Расчет и выбор защитной аппаратуры.

Выбираем выключатель к распределительному шинопроводу ШРА-1.

                                                            (2. 41)

                                                           (2. 42)

                                             (2. 43)

                                   п = 10

Выбираем выключатель ВА 51-39.

Выбираем выключатель к распределительному шинопроводу ШРА-2.

                                                          

                                                        

                                          

                                                      

                              п = 10

Выбираем выключатель ВА51-39

Выбираем выключатель к распределительному щиту.

                                                                 

  

                                              

                                                      

                                                 п = 10  

Выбираем выключатель ВА 51 -39

Выбираем выключатель к распределительному шинопроводу ШРА-2.

                                                          

                                                       

                                         

                                                      

                            п = 2

Выбираем выключатель ВА53-41

Выбираем выключатель к шлифовальным станкам.

                                                          

                                                       

                                                     

                            п = 7

Выбираем выключатель ВА51Г-25

Выбираем выключатель к обдирочным станкам типа РТ-341.

                                                         

                                                       

                                                     

                            п = 7

Выбираем выключатель ВА51Г-25

Выбираем выключатель к мостовому крану.

                                                          

                                                       

                                                     

                            п = 7

Выбираем выключатель ВА51Г-25

Выбираем выключатель к обдирочным станкам типа РТ-250.

                                                         

                                                        

                                                     

                            п = 7

Выбираем выключатель ВА51Г-25

Выбираем выключатель к анодно-механическим станкам типа МЭ-31.

                                                         

                                                       

                                                      

                            п = 7

Выбираем выключатель ВА51Г-25

Выбираем выключатель к анодно-механическим станкам типа МЭ-12

                                                          

                                                       

                                                     

                            п = 7

Выбираем выключатель ВА51Г-25

Выбираем выключатель к вытяжному вентилятору.

                                                         

                                                       

                                                      

                            п = 7

Выбираем выключатель ВА51Г-25

Выбираем выключатель к анодно-механическим станкам типа МЭ-31.

                                                          

                                                       

                                                     

                            п = 7

Выбираем выключатель ВА51Г-25

2.6.2 Расчет и выбор проводов и кабелей.

Выбираем кабель к распределительному щиту.

                                                         (2. 36)

                                                    (2. 37)

Выбираем четырехжильный кабель с алюминиевыми жилами АПВГ-70.

Выбираем провода к шлифовальным станкам.

                                                        

                                                    

Выбираем провод АПРТО сечением 35 мм2.

Выбираем провода к обдирочным станкам типа РТ-341.

                                                        

                                                   

Выбираем провод АПРТО сечением 16 мм2.

Выбираем провода к мостовому крану.

                                                        

                                                   

Выбираем провод АПРТО сечением 16мм2.

Выбираем провода к обдирочным станкам типа РТ-250.

                                                        

                                                   

Выбираем провод АПРТО сечением 10 мм2.

Выбираем провода к анодно-механическим станкам типа МЭ-31.

                                                       

                                                   

Выбираем провод АПРТО сечением 6 мм2.

Выбираем провода к анодно-механическим МЭ-12.

                                                       

                                                   

Выбираем провод АПРТО сечением 2,5 мм2.

Выбираем провод к приточному вентилятору.

                                                       

                                                   

Выбираем провод АПРТО сечением 10 мм2.

Выбираем провод к вытяжному вентилятору.

                                                       

                                                   

Выбираем провод АПРТО сечением 6 мм2.

2.6.3 Расчет и выбор распределительных шинопроводов.

Выбираем шинопровод ШРА1.

Рассчитываем среднесменную активную мощность по формуле 2.3

Определяем средний коэффициент использования по формуле 2.5

Определяем эффективное количество потребителей

значит nэ=2.

Определяем коэффициент максимума.

kmax=3,11.                                                       [1., с. 55, таб. 2.15]

Определяем максимальную активную мощность по формуле 2.7.

Определяем среднесменную реактивную мощность по формуле 2.8.

т. к. пэ<10, то

Определяем полную максимальную мощность по формуле 2.9.

Определяем максимальный ток.

                                                      (2. 38)

Выбираем шинопровод марки ШРА-4.

Выбираем шинопровод ШРА-2.

Рассчитываем среднесменную активную мощность по формуле 2.3.

Определяем средний коэффициент использования по формуле 2.5.

Определяем эффективное количество потребителей

Определяем коэффициент максимума.

kмах = 3,11                                              [1., с. 55, таб. 2.15]

Определяем максимальную активную мощность по формуле 2.7.

Определяем среднесменную реактивную мощность по формуле 2.8.

т.к. пэ <10, то

Определяем полную максимальную мощность по формуле 2.9.

Определяем максимальный ток по формуле 2.38.

Выбираем шинопровод марки ШРА-4.

Выбираем распределительный щит РШ.

Рассчитываем среднесменную активную мощность по формуле 2.3.

Определяем средний коэффициент использования по формуле 2.5.

т. к. т<3, а kи.ср.<0,2, то пэ определяется по формуле

Определяем коэффициент максимума

kмах = 3,11.                                             [1., с. 55, таб. 2.15]

Определяем среднесменную реактивную мощность по формуле 2.6.

Определяем максимальную активную мощность по формуле 2.7.

т.к. пэ < 10, то

Определяем полную максимальную мощность по формуле 2.8.

Определяем максимальный ток по формуле 2.38

Выбираем распределительный шкаф ПР 85.

Ток магистральный шинопровод выбирается по сумме максимальных токов распределительных шинопроводов.

Выбираем шинопровод марки ШМА 73У3.

2.7 Расчет и выбор питающего кабеля

Силовые кабели выбираются по конструктивному выполнению, по напряжению и по экономической плотности тока, проверяют на максимальный ток нагрузки, на потерю напряжения при номинальном и аварийном режиме и на термическую устойчивость при коротком замыкании.

Рассчитываем длительный ток:

                                                          (2. 39)

Рассчитываем экономически выгодное сечение:

                                                           (2. 40)

где jэк – максимальная плотность тока А/мм2 для алюминиевых кабелей с бумажной изоляцией. Полученное сечение округляем до ближайшего стандартного по условию: Sрасч >Sэк, выбираем Sэк ст=25 мм2, марка кабеля ААБ-25.

Выбранное сечение кабеля проверяется.

1. На допустимую потерю напряжения. При этом ориентировочно можно считать, что в данном курсовом проекте считаются допустимыми следующие потери: линии напряжением 6-10 кВ внутри предприятия – 5%. Необходимо учесть, что в кабельных линиях при любом сечении жил кабеля – активное сопротивление больше реактивного и последним можно пренебречь. Тогда выражение упрощается:

                                       (2. 41)

значение R=1,24

                                     (2. 42)

,                                          (2. 43)

где cosφ – значение после компенсации; l - 0,018х3 = 0,054 м.

Получено значение соответствует норме.

2. На нагрев токами нормального режима:

,                                (2. 44)

где t0 – начальная температура прокладки кабеля.

tдоп – допустимая температура нагрева для данного вида кабеля.

                                               (2. 45)

IДОП – длительно допустимый ток для данного вида кабелей.

Выбранное сечение кабеля удовлетворяет условию термической стойкости на длительный ток. Выбираем кабель марки ААБ сечением 25 мм2.

2.8. Расчет и выбор высоковольтного оборудования

Выбираем трансформатор тока.

Таблица 2.3 Выбор трансформатора тока.

Табличные данные

Расчетные данные

Трансформатор тока с номинальным током 50 А не проходит по условию, т.к. ударный ток значительно превышает допустимый. Поэтому предполагаем к установке трансформатор тока с номинальным током 100 А. Данный трансформатор тока удовлетворяет условию по ударной стойкости.

Выбираем трансформатор тока типа ТПЛК-10.

Выбираем трансформатор напряжения.

Выясним, какую мощность потребляют катушки напряжения счетчиков активной и реактивной энергии.

Счетчик активных ватт часов:

Счетчик реактивный:

Если к трансформатору напряжения подключаются счетчики, класс точности 0,5. S предполагаемого трансформатора 75 ВхА, класс точности 0,5.

Выбираем трансформатор напряжения типа НОМ-10-66 ТЗ.

На высокой стороне ставим ячейку КСО-366

Табличные данные

Расчетные данные


Устанавливаем выключатель нагрузки ВНМ-10 с приводом пружинным серии ПП-16. Выключатель допускает автоматическое отключение при перегорании одного из предохранителей.

Принцип действия выключателя основан на гашении электрической дуги, возникающей при размыкании дугогасительных контактов, потоком газа, образующегося в результате воздействия высокой температуры дуги на твердое газогенерирующее вещество.

Выбор шин.

Определяем номинальный ток.

                                                           (2. 46)

Выбираем шины: 15х3 мм., IДОП = 165 А.

  Релейная защита

На цеховых подстанциях обычно устанавливают силовые трансформаторы мощностью до 1000 кВ*А. На них устанавливают максимально-токовую защиту, защиту от однофазных замыканий на землю на стороне низшего напряжения; газовую защиту – для трансформаторов внутрицеховых подстанций мощностью от 400 кВ*А и выше.

Указанные защиты применяют в зависимости от типа аппаратов, установленных на стороне высшего напряжения: высоковольтный выключатель, выключатель нагрузки или предохранители. Применение последних значительно удешевляет установку и упрощает защиту.

Защиту предохранителями и выключателями нагрузки выполняют для трансформаторов мощностью до 1000 кВ*А напряжением до 10 кВ с предохранителями ПК на 100 А и мощностью не более 2500 кВ*А напряжением 35 кВ с предохранителями ПК-35Н на 40 А; отключаемая мощность короткого замыкания не должна превышать 200 МВ*А.

Высоковольтные предохранители типа ПК при установке на них соответствующих плавких вставок обеспечивают защиту трансформатора от внутренних повреждений и междуфазных коротких замыканиях на выводах.

Защиту от однофазных замыканий на землю осуществляют автоматическим выключателем с максимальным расцепителем, установленным на стороне низшего напряжения, или трансформатором тока ТТ на нулевом проводе при прямом присоединении  трансформатора с глухозаземленной нейтралью к шинопроводу.

2.10 Выбор защитного заземления

Заземление какой-либо части электроустановки – преднамеренное соединение её с заземляющим устройством с целью сохранения в ней низкого потенциала и обеспечение нормальной работы системы или её элементов в выбранном режиме. Различают три вида заземлений: рабочее, защитное и заземление молниезащиты.

Рабочее заземление сети – соединение с землей некоторых точек сети со следующей целью: снижение уровня изоляции элементов электроустановки, эффективная защита сети разрядниками от атмосферных перенапряжений, снижение коммутационных перенапряжений, упрощение релейной защиты от однофазных коротких замыканий, возможность удержания поврежденной линии в работе.

Те или другие перечисленные свойства сети приобретают в зависимости от способа её заземления, в соответствии, с чем различают:

1. Незаземленные сети, в которых с землей соединяются только нейтрали первичных обмотках измерительных трансформаторов напряжения, сопротивление которых очень велико;

2. Заземление через дугогасящие реакторы, или компенсированные сети;

3. Эффективно заземленные сети.

Изоляция оборудования в эффективно заземленных сетях выбирается по фазному напряжению.

Рабочее заземление осуществляется непосредственно или через специальные аппараты: пробивные предохранители, разрядники и резисторы.

Электроустановки переменного тока напряжением до 1000 В. допускаются к применению как с глухозаземленной, так и с изолированной нейтралью, а – тока – с глухозаземленной или изолированной средней точкой. В четырехпроводных сетях трехфазного тока и трехпроводных сетях – тока обязательное глухое заземление нейтрали или средней точки.

В электрических установках напряжением 110 кВ и выше нейтрали заземляются наглухо, а нейтрали напряжением – 3, 6, 10, 20, 35 кВ не заземляются или заземляются через конденсаторные установки.

При заземлении электрических установок особое внимание необходимо обращать на заземление металлических корпусов передвижных и переносных электроприемников, передвижных установок и механизмов.

В электрических установках напряжением до 1000 В, с изолированной от земли нейтралью, используемой для заземления электрического оборудования, сопротивление заземляющего устройства не должно быть более 4 Ома.

В электрических установках напряжением до 1000 В. с глухозаземленной нейтралью сопротивление заземляющего устройства, к которым присоединяются нейтрали генераторов или трансформаторов, должно быть не более 2, 4, 8 Ом.

Отклонение электрических установок при однофазных замыканиях на землю может осуществляться при помощи защитного отключения, которое выполняется в дополнение к заземлению или занулению.

Если невозможно выполнить заземление, или зануление, и обеспечить защитное отключение электрической установки, то допускается обслуживание электрического оборудования с изолирующих площадок. При этом должна быть исключена возможность одновременного прикосновения к незаземленным частям электрического оборудования и частям зданий или оборудованию имеющем соединение с землей.

В данном курсовом проекте внешний контур защитного заземления выполнен электродами, в количестве 9 штук. Электроды соединены между собой в общий контур полосовой стальной шиной по периметру. Соединение внутреннего контура с внешним контуром выполняется полосовой сталью на сварке, выход полосы через стену в асбестоцементной трубе. Заземление электрических приемников выполняется гибким проводником на сварке.

Выбираем прутковые электроды.

Рассчитываем удельное сопротивление грунта.

                                                           (2. 47)

Выбираем грунт – глина,

Выбираем коэффициент повышенного удельного сопротивления

Определяем сопротивление одиночного заземлителя:

                                                      (2. 48)

Определяем сопротивление заземляющего устройства при условии, что оно является общим для напряжения 6 и 0,4 кВ.

                                                            (2. 49)

Берем по ПУЭ для напряжения 0,38 кВ.

Определяем количество электродов:

                                                       (2. 50)


2.11 Учет и контроль электроэнергии

Расчетным учетом электроэнергии называется учет выработанной, а также отпущенной потребителям электроэнергии для денежного расчета за неё. Счетчики, устанавливаемые для расчетного учета, называются расчетными счетчиками (класса 2), с классом точности измерительных трансформаторов - 0,5.

Техническим (контрольным) учетом электроэнергии называется учет для контроля расхода электроэнергии электростанций, подстанций, предприятий, зданий, квартир и т.п. Счетчики, устанавливаемые для технического учета, называются контрольными счетчиками (класса 2,5) с классом точности измерительных трансформаторов – 1.

При определении активной энергии необходимо учитывать энергию: выработанную генераторами электростанций; потребленную на собственные нужды электростанций и подстанций; выданную электростанциями в распределительные сети; переданную в другие энергосистемы или полученную от них; отпущенную потребителям и подлежащую оплате.

Кроме того, необходимо контролировать соблюдение потребителями заданных им режимов потребления и баланса электроэнергии, установления удельных норм расхода электроэнергии и проведения хозрасчета.

Расчетные счетчики активной электроэнергии на подстанции энергосистемы должны устанавливаться:

1)   для каждой отходящей линии электропередачи, принадлежащей потребителям;

2)   для межсистемных линий электропередачи – по два счетчика со стопорами, учитывающих полученную и отпущенную электроэнергии;

3)   на трансформаторах собственных нужд;

4)   для линий хозяйственных нужд или посторонних потребителей (поселок и т.п.), присоединенных к шинам собственных нужд.

Расчетные счетчики активной электроэнергии на подстанциях потребителей должны устанавливаться:

1)   на вводе (приемном конце) линии электропередачи в подстанцию:

2)   на стороне высокого напряжения трансформаторов при наличии электрической связи с другой подстанцией энергосистемы;

3)   на границе раздела основного потребителя и субабонента.

Контрольные счетчики технического учета. Эти счетчики включают в сеть низшего напряжения (до 1000 В), что имеет ряд преимуществ:

установка счетчика обходится дешевле (чем на стороне высшего напряжения);

появляется возможность определить потери в трансформаторах и в сети высшего напряжения;

монтаж и эксплуатация счетчиков значительно проще.

Требования, предъявляемые к контрольным счетчикам в отношении класса точности, значительно ниже, чем требования, предъявляемые к расчетным счетчикам, поскольку по контрольным счетчикам не производят денежных расчетов. Поэтому контрольные счетчики могут подключаться к измерительным трансформаторам тока класса точности 1.

Допускается установка контрольных счетчиков технического учета на вводе предприятия, если расчетный учет с ним ведется по счетчикам, установленным на подстанциях энергосистем.

Для измерения активной энергии в трехфазных сетях при неравномерной нагрузке применяют двух- и трех системные счетчики. В трехфазных сетях с нулевым проводом сумма токов отдельны фаз не равна нулю и поэтому двухсистемные счетчики непригодны.

В четырехпроводных сетях при неравномерной нагрузке применяют трехсистемные счетчики или двухсистемные счетчики с тремя токовыми катушками.

Рисунок 5. Схема включения трехфазного счетчика типов СА4, СА4У для измерения активной электроэнергии в четырехпроводной сети напряжением до 1000 В.

Похожие работы на - Электроснабжение механического цеха машиностроительного завода

 

Не нашли материал для своей работы?
Поможем написать уникальную работу
Без плагиата!
Без нейросетей!