Проектирование электроснабжения и электрического освещения механического цеха тяжелого машиностроения
Курсовая работа
Проектирование электроснабжения и
электрического освещения механического цеха тяжелого машиностроения
Введение
электрический
освещение трансформатор
Системой
электроснабжения называется комплекс устройств предназначенных для
производства, передачи и распределения электроэнергии.
Сложность вопросов проектирования систем электроснабжения
промышленных предприятий заключается в оптимальном, рациональном и эффективном
решении этой проблемы. Именно комплексное решение данной задачи в совокупности
с необходимыми требованиями и стандартами электроснабжения позволяют
экономически и технически грамотно работать всему предприятию.
Нет необходимости говорить тяжелом финансовом состоянии
промышленности, поэтому руководителям предприятий нужно решать данную проблему.
Одними из самых прогрессивных мер в этом направлении являются мероприятия по
сбережению энергоресурсов и, следовательно, уменьшению энергоемкости
выпускаемой продукции, что приводит к снижению её себестоимости и повышению
конкурентоспособности. Оптимальное сочетание экономических и технических
решений при проектировании систем электроснабжения совместно с внедрением
энергосберегающих технологий есть наиболее существенная мера решения этой
задачи.
Качество электроэнергии в нашей энергосистеме часто не
удовлетворяет нормам установленным ГОСТ. В этом повинны предприятия, на которых
не всегда соблюдаются правила устройств электроустановок, а также не
применяются технические решения по уменьшению влияния электроприемников
(полупроводниковые преобразователи, вентильные электроприводы, дуговые печи, и
т.д.) на качество электроэнергии.
Технически правильное решение при создании систем
электроснабжения исключает появление недопустимых отклонений параметров
электроэнергии (падение напряжения), неравномерное распределение токов по
фазам, удорожание ремонтных, монтажных и эксплуатационных работ. Все это влияет
на производительность предприятия и качество продукции.
Проект электроснабжение предприятия должен учитывать
возможность дальнейшего развития и укрупнения производства и связанного с этим
увеличения потребляемой мощности.
Основной целью задания ставится закрепление полученных на
протяжении всего курса обучения знаний, получение опыта проектирования системы
электроснабжения конкретного предприятия и подготовка к выполнению дипломного
проекта.
2. Определение центра электрических нагрузок цеха
Исходные данные
Краткая характеристика производства и потребителей ЭЭ
Механический цех тяжелого машиностроения (МЦТМ) предназначен для
серийного производства изделий.
Он является крупным вспомогательным цехом завода машиностроения и
выполняет заказы основных цехов. Станочное отделение выполняет подготовительные
операции (обдирку) изделий для дальнейшей обработки их на анодно-механических
станках.
Для этой цели установлено основное оборудование, обдирочные,
шлифовальные, анодно-механические станки и др.
В цехе предусмотрены производственные, вспомогательные, служебные и
бытовые помещения.
МЦТМ получает ЭСН от ГПП или ПГВ завода.
Расстояние от ГПП до цеховой ТП - 1,2 км. Напряжение 6 и 10 кВ. На ГПП
подается ЭСН от ЭНС, расстояние - 8 км. Количество рабочих смен - 2.
Потребители цеха относятся к 2 и 3 категории надежности ЭСН, работают в
нормальной окружающей среде. Грунт в районе цеха - песок с температурой 120 0С.
Каркас здания МЦТМ смонтирован из блоков-секций длиной 6 м каждый.
Размеры цеха А х В х Н = 48 х 30 х 9 м.
Вспомогательные, бытовые и служебные помещения двухэтажные высотой 4 м.
Перечень оборудования цеха дан в таблице 1.
Мощность электропотребления (Рэп) указана для одного
электроприемника.
Расположение основного оборудования показано на плане (рис.5)
Таблица 1
|
№
|
Наименование ЭП
|
Координата Х,м У,м
|
Рн кВт
|
tg ᵩ
|
Qн кВар
|
|
1
|
Шлифовальный станок
|
5
|
27
|
88,5
|
1,73
|
153,1
|
|
2
|
Шлифовальный станок
|
13
|
27
|
88,5
|
1,73
|
153,1
|
|
3
|
Шлифовальный станок
|
21
|
27
|
88,5
|
1,73
|
153,1
|
|
4
|
Шлифовальный станок
|
29
|
27
|
88,5
|
1,73
|
153,1
|
|
5
|
Шлифовальный станок
|
37
|
27
|
88,5
|
1,73
|
153,1
|
|
6
|
Обдирочный Станок Типа
РТ-341
|
43
|
27
|
1,33
|
59,8
|
|
7
|
Анодно-механический станок
Типа МЭ-12
|
3
|
21
|
10
|
1,17
|
11,7
|
|
8
|
Анодно-механический станок
Типа МЭ-12
|
7
|
21
|
10
|
1,17
|
11,7
|
|
9
|
Анодно-механический станок
Типа МЭ-12
|
11
|
21
|
10
|
1,17
|
11,7
|
|
10
|
Анодно-механический станок
Типа МЭ-12
|
15
|
21
|
10
|
1,17
|
11,7
|
|
11
|
Анодно-механический станок
Типа МЭ-12
|
19
|
21
|
10
|
1,17
|
11,7
|
|
12
|
Анодно-механический станок
Типа МЭ-12
|
23
|
21
|
10
|
1,17
|
11,7
|
|
13
|
Анодно-механический станок
Типа МЭ-12
|
27
|
21
|
10
|
1,17
|
11,7
|
|
14
|
Анодно-механический станок
Типа МЭ-12
|
31
|
21
|
10
|
1,17
|
11,7
|
|
15
|
Анодно-механический станок
Типа МЭ-12
|
35
|
21
|
10
|
1,17
|
11,7
|
|
16
|
Обдирочный Станок Типа
РТ-341
|
43
|
21
|
45
|
59,8
|
|
17
|
Кран мостовой
|
4
|
15
|
60
|
1,73
|
103,8
|
|
18
|
Обдирочный Станок Типа
РТ-341
|
31
|
15
|
45
|
1,33
|
59,8
|
|
19
|
Обдирочный Станок Типа
РТ-341
|
35
|
15
|
45
|
1,33
|
59,8
|
|
20
|
Обдирочный Станок Типа
РТ-341
|
39
|
15
|
45
|
1,33
|
59,8
|
|
21
|
Обдирочный Станок Типа РТ-250
|
31
|
12
|
35
|
1,33
|
46,5
|
|
22
|
Обдирочный Станок Типа
РТ-250
|
35
|
12
|
35
|
1,33
|
46,5
|
|
23
|
Обдирочный Станок Типа
РТ-250
|
39
|
12
|
35
|
1,33
|
46,5
|
|
24
|
Анодно-механический
станокТипа МЭ-31
|
5
|
9
|
18,4
|
1,17
|
21,5
|
|
25
|
Анодно-механический станок
Типа МЭ-31
|
9
|
9
|
18,4
|
1,17
|
21,5
|
|
26
|
Анодно-механический
станокТипа МЭ-31
|
13
|
9
|
18,4
|
1,17
|
|
27
|
Анодно-механический станок
Типа МЭ-31
|
17
|
9
|
18,4
|
1,17
|
21,5
|
|
28
|
Анодно-механический станок
Типа МЭ-31
|
21
|
9
|
18,4
|
1,17
|
21,5
|
|
29
|
Обдирочный Станок Типа
РТ-250
|
31
|
9
|
35
|
1,33
|
46,5
|
|
30
|
Обдирочный Станок Типа
РТ-250
|
35
|
9
|
35
|
1,33
|
46,5
|
|
31
|
Обдирочный Станок Типа
РТ-250
|
39
|
9
|
35
|
1,33
|
46,5
|
|
32
|
Вентилятор вытяжной
|
44
|
9
|
28
|
0,75
|
21
|
|
33
|
Вентилятор приточный
|
46
|
9
|
30
|
0,75
|
22,5
|
|
34
|
Анодно-механический станок
Типа МЭ-31
|
13
|
3
|
18,4
|
1,17
|
21,5
|
|
35
|
Анодно-механический станок Типа
МЭ-31
|
17
|
3
|
18,4
|
1,17
|
21,5
|
|
36
|
Анодно-механический станок
Типа МЭ-31
|
21
|
3
|
18,4
|
1,17
|
21,5
Для расчета выбираем Метод упорядоченных диаграмм
Рр= Км*Ки*Руст
где:
Руст - сумма установленных мощностей
Км - коэффициент максимума
Ки - коэффициент использования
.2 Реактивную нагрузку Qн ,находим по формуле: Qн = Рн*tg ᵩ
tgᵩ =  = 
 ,- берем
из справочника
для
шлифовальных станков  - 0,5 ; tgᵩ
- 1,73
для
анодно-механических станков  - 0,65 ; tgᵩ
-1,17
для
обдирочных станков  - 0,6 ; tgᵩ
- 1,33
для
крана мостового  - 0,5 ; tgᵩ
- 1,73
для
вентиляторов  - 0,8 ; tgᵩ
- 0,75
Делаем
расчеты и заполняем таблицу 1.
.3
Центры активной нагрузи Ра находим по формулам
Хц.а.н
=  ; Уц.а.н
= 
Хц.а.н
= 
= =
= = = 25,90  26
Уц.а.н
= 
 =  = 18,19 18,2
.4
Центры реактивной нагрузки Qн ,находим
по формулам
Хц.р.н
=  ; Уц.р.н
= 
Хц.р.н
=34783,2/ 1768,1=19,7
Уц.р.н
= 34261,2/1768,1=19,4
3.
Расчёт системы электроснабжения цеха методом упорядоченных диограмм
1. В таблицу №2 ,графу2, записываем наименование узла для которого
проводится определение электрических нагрузок.
Последовательность- вначале записываются электроприёмники длительного
режима работы с переменным графиком работы, затем электроприёмники с
повторно-переменным режимом работы (кратковременный).
2.
В графу 3 в числитель число рабочих, в знаменатель-число резервных (если нет-0)
.
В графу 4 по каждой группе записывают при одинаковой мощности ЭП группы-
номинальная установленная мощность в кВт. При ЭП разной мощности номинальная
мощность наименьшего по мощности и через тире номинальная мощность наибольшего.
4. В графу 5 в виде дроби в числитель суммарная установленная мощность
только рабочих ЭП данной группы, в знаменатель суммарная мощность резервных ЭП.
Однофазные ЭП приведённые к продолжительности 100% учитываются как трёхфазные.
.Графа 6 заполняется по всему расчётному узлу. Если m- заведомо >3, эта величина не
определяется, а записывается m>3.
. Графы 7 и 8 для отдельных групп приёмников выбираются из справочных
материалов.
.Графа 9 - средняя нагрузка за максимально загруженную смену
Pсм =Kn(гр.7)хPн (гр5) кВт
Мощность резервных ЭП не учитывается.
.Графа 10 - средняя реактивная нагрузка.
Qcм= Pсм(гр9)х (гр8)
кВАр
9.Для
заполнения графы 7 и 8 по узлу необходимо подвести итоги по графам 5 ; 9; 10;
Средневзвешенное значение.
Кu=
tg =
10.Заполнение графы 11- число эквивалентных приёмников.
Если m<3 то nэ=n
При m>3
nэ=
Если
nэ>n ,то nэ=n
При
числе отдельных ЭП в группе n>3 , но при nэ<4
расчётная нагрузка.
Pm=∑Рн х
Кз
Кз-
коэффициент загрузки.
Кз=0,9-
длительный ; Кз=0,75- повторно-кратковременный
11.Графа
12 коэффициент максимума определяется с использованием специальной таблицы или
графика как функция числа эквивалентных приёмников и от средневзвешенного
коэффициента использования. nэ и Кu
12.Графа 13 максимальная активная нагрузка от силовых ЭП узла.
Pm=Кm (гр.12) х Pсм(гр.9) кВт
.Графа 14 максимальная реактивная нагрузка
При nэ≤10 Qm=1,1 х Qсм
При nэ>10 Qm=Qсм
.Для ЭП с практически постоянным режимом работы коэффициент максимума
принимается =1
Pm=Km х Кu х Pн =Кu х Рн Qm=Qсм
.Графа 15 максимальная полная нагрузка от силовых ЭП.
Sm= кВА
Sm= кВА
Подставляя
значения, заполняем таблицу№2
4.Расчёт
систем искусственного освещения цеха по методу использования светового потока
Цель расчёта- определить количество светильников, необходимых для
освещения рабочих мест и расчёт мощности осветительной установки.
Ф=

Еmin-минимальная нормируемая освещённость
в люксах.
K- коэффициент запаса.
S- освещаемая площадь в квадратных
метрах.
Z- коэффициент минимальной
освещённости.
N- число светильников.
n- число ламп в светильнике.
ɳ-
коэффициент использования светового потока в долях единицы.
Р=N×n×P1
P1-мощность
одной лампы.
Основные этапы расчёта:
.Выбрать систему освещения.
.Обосновать нормированную освещённость рабочих мест (3 разряда). От 300
до 500 люкс.
.Выбрать источник света (лампа ДРЛ).
.Выбрать тип светильника (ДРП-01).
.Определить коэффициент запаса освещённости и коэффициент неравномерности
освещения.
.Оценить коэффициент отражения поверхностей в помещении.
.Расчитать индекс помещения.
.Найти коэффициент использования светового потока.
Для
производственных помещений с незначительным пылевыделением коэффициент
пылевыделения
Zn=50%=30%
Zp=10%
=A×B / h×(A+B)
и
В- длинна и ширина;
h-высота
установки светильника.
h=H-hсв-hр=9-1,5-1=7,5м
При
А=48м
В=30м
h=7,5м
i=48×30 /7,5×(48+30)=5,27
Коэффициент
использования светового потока- сложная функция зависящая от типа светильника и
индекса помещения
|
i
|
0,5
|
1,0
|
3,0
|
5,0
|
|
ɳ
|
0,21
|
0,4
|
0,61
|
0,67
|
ɳ=0,67
 =0,6
Ф=23000
Коэффициент
запаса К- учитывает запылённость помещения и снижения светового потока лампы в
процессе её эксплуатации.
При запылении менее 1 мг/см 3 для люминисцентных ламп К=1,5
Коэффициент минимальной освещённости Z характеризует неравномерность освещения
Z=L/h
Z=1,15
-при расположении светильников в ряд для ламп ДРЛ
L=7,5×1,15=8,6 -расстояние между рядами
светильников.
Кс-коэффициент
спроса равен 0,95
Рос.ц=Кс×Р=0,95×400=380 Вт
Р=N×Pос=52×380=19,8
кВт
tg
=1,4-величина сдвига фаз
Реактивная мощность
Qос.ц=Рос.ц× tg =19,8×1,4=27,7 кВт
Для
определения потребляемой электрической мощности с учётом электроосветительной
установки:
Sm=
Sm= 430кВт
5.Выбор трансформатора
Число и мощность трансформаторов выбираются по:
Графику нагрузки потребителя и подсчитанным величинам средней и
максимальной мощности;
Технико-экономическим показателям отдельных намеченных вариантов числа и
мощности трансформаторов с учётом капитальных затрат и эксплуатационных
расходов;
Категории потребителей с учётом наличия у потребителей нагрузок 1-й
категории, требующих надлежащего резервирования;
Экономически целесообразному режиму, под которым понимается режим,
обеспечивающий минимум потерь мощности и электроэнергии в трансформаторе при
работе по заданному графику нагрузки.
При
удельной плотности и суммарной нагрузке наиболее экономично использовать
трансформаторы 630 кВА
При 3-й категории надёжности достаточно использование одного
трансформатора.
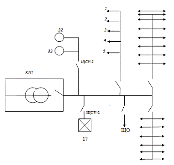
6.
Схема электроснабжения цеха

Заключение
1.
Для соблюдения нормативной освещённости (от 300 до 500лк) в механическом цехе
тяжелого машиностроения требуется установить светильники марки ДРП-01-400 с
лампой ДРЛ-400 в количестве 52 штук.
2. Установить один трансформатор 6-10/0,4кВ мощностью 630кВА ,так как два
по 250кВА не поместятся по габаритам(при 3 категории надёжности иметь один
трансформатор в резерве).
Список
литературы
1.
Б.Н.
Неклепаев И.П. Крючков Электрическая часть станций и подстанций М:
Энергоатомиздат, 1989 г.
2.
Правила
устройства электроустановок М: 1996 г.
3.
Справочник
по проектированию электроснабжения / Под ред. Д.Г. Барыбина и др. М:
Энергоатомиздат, 1990
4.
Федоров
А.А. Смирнв Л.Е. Учебное пособие для курсового и дипломного проектирования по
ЭсПП М: Энергоатомиздат 1987 г.
5.
Методические
указания для выполнения курсового проекта по ЭсПП. Сост. С.Г. Диев А.Я.
Киржбаум
6.
Справочник
по проектированию электрических сетей и систем /Под ред. С.С. Рокотяна, И.М.
Шапиро М: Энергоатомиздат 1985 г.
7.
В.К.
Грунин, С.Г. Диев, В.В. Карпов, В.Ф. Небускин, В.К. Федоров, А.В. Щекочихин
Расчет электрических нагрузок, выбор главных схем и оборудования промышленных
предприятий, 2001 г.
Похожие работы на - Проектирование электроснабжения и электрического освещения механического цеха тяжелого машиностроения
|