Проектирование электроснабжения механического цеха серийного производства

  • Вид работы:
    Курсовая работа (т)
  • Предмет:
    Физика
  • Язык:
    Русский
    ,
    Формат файла:
    MS Word
    1,21 Мб
  • Опубликовано:
    2015-04-05
Вы можете узнать стоимость помощи в написании студенческой работы.
Помощь в написании работы, которую точно примут!

Проектирование электроснабжения механического цеха серийного производства

Введение

Электроснабжение - обеспечение потребителей электрической энергией. электроснабжение цех трансформатор кабель

Энергосистема - совокупность электростанций электрических и тепловых сетей, соединенных между собой и связанных общностью режимов в непрерывном процессе производства преобразования передачи и распределения электрической тепловой энергии при общем управлении этим режимом.

Электрическая часть энергосистемы - совокупность электроустановок электрических станций и электрических сетей энергосистемы.

Электроэнергетическая система - электрическая часть энергосистемы и питающиеся от нее приемники электрической энергии, объединенные общностью процесса производства передачи распределения и потребления электрической энергии.

Система электроснабжения - совокупность электроустановок, предназначенных для обеспечения потребителей электрической энергии (внешнее электроснабжение, внутризаводское электроснабжение, внутрицеховое электроснабжение).

Централизованное электроснабжение - это электроснабжение потребителей электрической энергии.

Электрическая сеть - совокупность электроустановок, предназначенных для передачи и распределения электрической энергии, состоящих из подстанций, распределительных устройств, токопроводов, воздушных и кабельных линий электропередачи, работающих на определенной территории.

Приемники электрической энергии - это аппараты, агрегаты и др., предназначенные для преобразования электрической энергии в другой вид энергии.

Потребители электрической энергии - это электроприёмник или группа электроприёмников, объединенных технологическим процессом и размещающихся на определенной территории.

Целью данного проекта является:

Целью курсового проекта является проектирование электроснабжения механического цеха серийного производства.

Задачи данного проекта:

расчёт передачи, распределение и потребление электроэнергии; - облегчение резервирования мощностей и повышение технического уровня эксплуатации;

расчёт полной мощности и расчётного тока;

выбор кабелей, проводов для данных элекроприёмников;

расчёт и выбор компенсирующих устройств;

расчёт рабочего и аварийного освещения;

выбор и расчёт мощности трансформаторов;

выбор аппаратуры защиты;

расчёт токов короткого замыкания;

расчёт заземления;

определение платы за электроэнергию.

1. Описательная часть

1.1 Характеристика объекта


Электромеханический цех (ЭМЦ) предназначен для подготовки заготовок из металла для электрических машин с последующей их обработкой различными способами.

Он является одним из цехов металлургического завода, выплавляющего и обрабатывающего металл. ЭМЦ имеет станочное отделение, в котором установлено штатное оборудование: слиткообдирочные, токарные, фрезерные, строгальные, анодно-механические станки и др.

В цехе предусмотрены помещения для цеховой ТП, вентиляторной, инструментальной, для бытовых нужд и пр. ЭМЦ получает ЭСН от подстанции глубокого ввода (ПГВ). Расстояние от ПГВ до цеховой ТП - 0,5 км, а от ЭНС до ПГВ - 10 км. Напряжение на ПГВ - 10 кВ.

Количество рабочих смен - 2. Потребители ЭЭ цеха имеют 2 и 3 категорию надежности ЭСН.

Грунт в районе ЭМЦ - песок с температурой +20°С. Каркас здания цеха смонтирован из блоков-секций длиной 8 и 9 м каждый.

Размеры цеха А*В*Н =48*30*9 м.

Вспомогательные помещения двухэтажные высотой 4 м.

Потребители электроэнергии это совокупность машин, аппаратов, линий электропередачи и вспомогательных устройств, предназначена для производства, преобразования, передачи и распределение электрической энергии.

Всё электрооборудование в цехе относится к потребителям низкого напряжения, так как все установки работают от сети 220/380 Вольт.

В электромеханическом цехе все ЭП работают от сети тока нормальной частоты 50 Гц.

Перечень оборудования электромеханического цеха дан в таблице 1.

Мощность электропотребления (Рэп) указана для одного электроприемника.

Таблица 1 - Перечень оборудования электромеханического цеха

№ на плане

Наименование ЭО

Рэп, кВт

Примечание

1

2

3

4

1, 21

Краны мостовые

36 кВ*А

ПВ = 25 %

2, 3, 22, 23

Манипуляторы электрические

3,2


6, 28

Точильно-шлифовальные станки

2


7, 8, 26, 27

Настольно-сверлильные станки

2,2


9, 10, 29, 30

Токарные полуавтоматы

10


11 … 14

Токарные станки

13


15…20, 33…37

Слиткообдирочные станки

3


24, 25

Горизонтально-фрезерные станки

7


31, 32

Продольно-строгальные станки

10


38 … 40

Анодно-механические станки

75


41

Тельфер

5


42, 43

Вентиляторы

4,5



По режиму работы ЭП делят на три группы:

С продолжительным режимом работы;

С повторно-кратковременным режимом работы;

С кратковременным режимом работы.

Кратковременный режим работы.

Режим, при котором относительно редкие периоды нагрузки сменяются периодами отключённого состояния, причём за время нагрузки части электротехнического устройства не успевают нагреться до установившейся температуры, а за время паузы успевают охладиться до температуры охлаждающей среды.

Продолжительный режим работы.

Режим электрического аппарата, машины - режим работы, при котором период нагрузки током без отключения продолжается столь долго, что все части аппарата (машины) приобретают установившуюся температуру (при неизменных условиях охлаждения).

Повторно-кратковременный режим работы.

Режим отличается самым меньшим энергопотреблением. Износ компрессора при нем, однако, достаточно высок.

План расположения электрооборудования ЭМЦ представлен на рисунке 1.

Рисунок 1 - План расположения электрооборудования в ЭМЦ

1.2 Определение категорий надежности и выбор схемы электроснабжения

Надёжность электроснабжения заключается в обеспечении предприятия электроэнергией хорошего качества, то есть работы должны проводиться без срыва плана производства и без аварийных перерывов в электроснабжении. Электроприемники электромеханического цеха относятся ко второй категории потребителей, так как перерыв в их электроснабжении приводит к массовому недоотпуску продукции, простою рабочих мест и механизмов.

Схема электроснабжения по назначению состоит из двух видов схем:

высоковольтная - питающая сеть напряжением 10 кВ;

низковольтная - распределительная сеть электроснабжения потребителей цеха (участка) на напряжение 0,4 кВ.

Питающая сеть берет начало с подстанции глубокого ввода (ПГВ). Распределительная сеть берёт начало с комплектной трансформаторной подстанции (КТП) через распределительное устройство (РУ) и прилегающие к КТП распределительные пункты (РП).

При выборе схемы учитывается единичная мощность электроприемников и их размещения, характер производства, надежность электроснабжения, расположение подстанций, конструктивное выполнение сети.

На участке от ПГВ до цеховой КТП принимается радиальная схема питания цеховой КТП. Высоковольтная линия проложена в земле кабелем.

В курсовом проекте принимается цеховая КТП с одним трансформатором, так как цех имеет вторую категорию по степени надежности электроснабжения КТП устанавливается внутри цеха. Силовой шкаф запитывается по радиальной схеме от цеховой КТП.

По распределению нагрузки (как высоковольтной, так и низковольтной) используется радиальная схема электроснабжения потребителей.

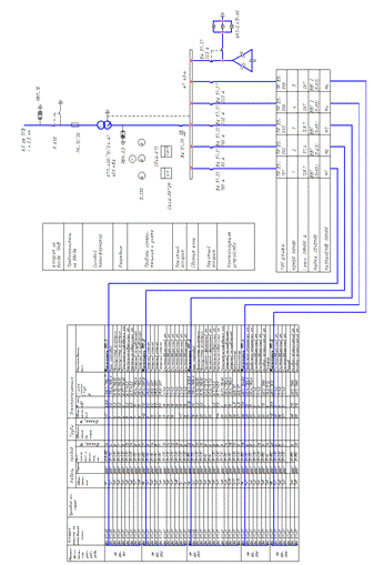
Схема электроснабжения электромеханического цеха указана на рисунке 2.

Рисунок 2 - Схема электроснабжения электромеханического цеха

.3 Мероприятия безопасного проведения работ в электроустановках

Проектом предусмотрено выполнение защитных мер электробезопасности в полном объеме, предусмотренном ПУЭ.

Для питания электропотребителей до 1000 В приняты четырех проводные сети переменного тока напряжением 400/230 В с глухо-заземленной нейтралью.

Занулению подлежат металлические корпуса всех электрических машин, трансформаторов, аппаратов и светильников, вторичные обмотки измерительных трансформаторов, металлические корпуса и каркасы распределительных щитов, шкафов управления, кабельные конструкции.

В качестве заземляющих устройств применяются горизонтальные и глубинные заземлители. Горизонтальные прокладываются в траншее на глубине от 0.5 до 1м. Глубинные заземлители в виде вертикальных электродов, установленных на глубину от 5 до 30 м, исходя из обеспечения переходного сопротивления заземления не более значений, регламентируемых ПЭЭП.

На всех протяженных металлических конструкциях и между параллельно проложенными металлическими трубопроводами при их сближениях на расстояние не менее 10 см устраиваются металлические перемычки.

Защита от заноса высокого потенциала по внешним наземным или подземным коммуникациям осуществляется присоединением их на вводе в здание к главной заземляющей шине.

Защита силовых трансформаторов на стороне ВН осуществляется предохранителями. Все распределительные устройства подстанций и остальные распределительные щиты, от которых осуществляется питание электропотребителей укомплектованы всеми необходимыми видами защиты от перегрузок и коротких замыканий.

2. Расчетная часть

2.1 Расчет электрических нагрузок

При расчете силовых нагрузок важное значение имеет правильное определение величины электрической нагрузки во всех элементах силовой сети. Завышение нагрузки может привести к перерасходу материала, удорожанию строительства; занижение нагрузи - к уменьшению пропускной способности электрической сети и невозможности обеспечения нормальной работы силовых электроприемников.

Применяем расчет методом упорядочных диаграмм. Группируем ЭП по коэффициенту использования , т.е. ЭП имеющие одинаковый технологический процесс, но не одинаковую мощность.

Определяем среднюю активную мощность за наиболее загруженную смену:

 [1]

где Ки - коэффициент использования, который показывает, как используется активная мощность за смену и cos φ;

ƩРном - суммарная мощность, кВт.

Рср1 = 0,1 · 36 = 3,6 кВт

Рср2 = 0,1 · 2 · 3,2 = 0,64 кВт

Рср3 = 0,14 · 2 = 0,28 кВт

Рср4 = 0,14 · 4,4 = 0,62 кВт

Рср5 = 0,14 · 20 = 2,8 кВт

Определим среднюю реактивную мощность за наиболее загруженную смену:

Qср = Рср · tgφ [2]

где Рср - средняя активная мощность, кВт

Qср1 = 3,6 · 1,73 = 6,23 кВАр

Qср2 = 0,64 · 1,73 = 1,11 кВАр

Qср3 = 0,28 · 1,73 = 0,48 кВАр

Qср4 = 0,62 · 1,73 = 1,07 кВАр

Qср5 =2,8 · 1,73 = 4,84 кВАр

Определяем сумму активной и реактивной мощности:

Ʃ = 3,6 + 0,64 + 0,28 + 0,62 + 2,8 = 7,94

ƩQ = 6,23 + 1,11 + 0,48 + 1,07 + 4,84 = 13,73

    :

-1 = Ʃ / Ʃ [3]

где ƩРср - сумма активной мощности, кВт

ƩРном - общая мощность по РП-1, кВт

КиРП-1 = 7,94 / 68,8 = 0,12

Определяем модуль силового распределительного пункта m по формуле:

m = Рмакс / Рмин [4]

где Рмакс - номинальная мощность наибольшего электроприемника, кВт;

Рмин - номинальная мощность наименьшего электроприемника, кВт;

m = 36 / 2 = 18

Определяем эффективное число электроприемников - это число однородных по режиму работы электроприемников одинаковой мощности, которое дает то же значение расчетного максимума, что и группа электроприемников, различных по мощности и режиму работы.

n* = n1 / n [5]

n*= 7 / 8 = 0.875

P* = Рn1 / Рн.n [6]

P*= 32,8 / 68,8 = 0,48

nэ* = f(n*,P*) = 0,28

nэ = nэ* · n [7]

nэ = 0,28 · 8 = 2,24

Определяем коэффициент максимума активной мощности в зависимости от эффективного числа и общего коэффициента использования для РП-1

Кмакс = 3,22

Рмакс = Кмакс · ƩРср [8]

где Кмакс - коэффициент максимума;

ƩРср - сумма активной мощности, кВт

Рмакс = 3,22 · 7,94 = 25,6 кВт

Определяем максимальную реактивную мощность

Принимает:

Qмакс = 1,1 · ƩQср, если nэф ≤ 10 [9]

Qмакс = ƩQср, если nэф > 10

где ƩQср - сумма реактивной мощности, кВАр

Qмакс = 1,1 · 13,73 = 15,1 кВАр Рмакс

Определяем полную максимальную мощность:

 [10]

где Рмакс - максимальная мощность в, кВт;

Qмакс - максимальная реактивная мощность, кВАр.


Определим максимальный расчетный ток нагрузки:

 [11]

где Sмакс - полная максимальная мощность, кВА;

Uном - номинальное напряжение, кВ.

Iмакс = 29,7 / (√3 · 0,38) = 45 А

Расчет для остальных групп электроприемников аналогичен. Определяем общую силовую нагрузку по электромеханическому цеху:

ƩРмакс = Рмакс РП-1 + Рмакс РП-2 + Рмакс РП-3 + Рмакс РП-4 + Рмакс РП-5 [12]

ƩРмакс = 25,6 + 33,3 + 44 + 50 + 72,5 = 225,4 кВт

ƩQмакс = Qмакс РП-1 + Qмакс РП-2 + Qмакс РП-3 + Qмакс РП-4 + Qмакс РП-5 [13]

ƩQмакс = 15,1 + 17,82 + 23,32 + 26,6 + 41,87 = 124,71 кВАр

ƩSмакс = Sмакс РП-1 + Sмакс РП-2 + Sмакс РП-3 + Sмакс РП-4 + Sмакс РП-5 [14]

ƩSмакс = 29,7 + 37,8 + 49,8 + 56,6 + 83,7 = 257,6 кВА.

Результаты расчетов заносятся в сводную ведомость нагрузок по цеху, таблица 2.



.2 Расчет осветительной нагрузки

Целью расчета является выбор количества светильников, определение мощности источников света, расположение их в помещение цеха, а также расчет осветительной сети.

Исходными данными являются: назначение - электромеханический цех и его размеры:

А = 48 м - длина;

В = 30 м - ширина;

Н = 9 м - высота.

hр - пол

Норма освещенности для данного производственного помещения: Еmin=200 Лк.

Для производственного помещения выбираем рабочее равномерное общее освещение, а также аварийное освещение.

В качестве светильника выбираем светильник типа РСП 13 со степенью защиты 53 , классом светораспределения - П, КСС в нижнюю полусферу глубокий Г1 (0,8-1,2).

Расстояние от светильника до рабочей поверхности, м:

Нр = Н - (hс - hр) [15]

где Н = 9 м- высота помещения;

hс = 0,7 м - высота свеса;

hр = 0 м - высота рабочей поверхности (пол).

Нр = 9 - (0,7 + 0) = 8,3 м.

Расстояние между светильниками для КСС Г1:

L = (0,8 - 1,2) ∙ Нр [16]

L = 0,8 * 8,3 = 6,64 м.

Расстояние от края светильника до стен:

l = 0,5 ∙ L [17]

l = 0,5*6,64 = 3,32 м.

Количество светильников в ряду:

 [18]


Количество рядов:

nв =  [19]

nв = = 4 шт.

Общее количество светильников:

nc = nв *nа [20]

nc = 7*4 = 32 шт.

Расстояние между светильниками в одном ряду:

LА=  [21]

LА =  = 6,89 м.

Расстояние между рядами:

LВ= [22]

LВ =  = 7,78 м

Определяем показатель помещения

i =  [23]

i =  = 2,78

По справочнику с учётом коэффициентов отражения и показателя помещения находим коэффициент использования светового потока:

rпот=0,5; rст=0,3; rп=0,1:

u = 73%

Рассчитаем световой поток одой лампы в Лм, если коэффициент минимальной освещённости z = Еср / Еmin = 1,2:

Фл =  [24]

где Kз = 2 - коэффициент запаса;

Еmin - нормированная освещённость, лк.

л.р. =  = 29589 лм.

По найденному значению Фл подбираем лампу, поток которой должен отличаться не более, чем на (-10 - +20)%.

Принимаем лампу ДРЛ 700(6) - 3 имеющую следующие технические данные:

номинальная мощность лампы Рн = 700 Вт; световой поток Фл = 40,6 клм.

Общая мощность световой установки:

Руст = Рл *nсв [25]

Руст = 700*32 = 22400 Вт.

Составим схему расположения светильников рабочего освещения в цехе рисунок 2.

Рисунок 2 - План расположения светильников в цехе.

Для аварийного освещения выбираем лампы типа ЛН (лампы накаливания).

Норма освещенности аварийного освещения составляет не менее 5% от нормы рабочего освещения, то есть:

Е = Еmin*0,05 [26]

Е = 200*0,05 = 10 лк

Выбираем светильник типа НСП 20, источник света которого должен иметь мощность 500 Вт, для создания кривой силы света Д3, класс светораспределения светльника - П, степень защиты IP52.

По заданной мощности лампы светильника НСП 20, Рл=500Вт, выберем ЛН типа Г125-135-500 с номинальным световым потоком, Фл=9200 лм.

Определим количество ламп для аварийного освещения преобразовав формулу (20):

nс =  =  = 6 шт.

Выбираем светильники типа НСП.

Линии освещения питают светильники с лампами накаливания, коэффициент мощности которых cosj =1.

Рассчитаем осветительную сеть рабочего освещения, схема которой приведена на рисунке 3.

Рисунок 3 - Схема осветительной сети аварийного освещения.

Выберем осветительные щиты. При выборе осветительного щитка необходимо чтобы выполнялось условие:

Iном.щ ³ I [27]

где Iном.щ- номинальный ток осветительного щитка, А;

I-расчетный ток питающей линии, А.

Для рабочего освещения выберем щит серии ЯОУ -8503, так как выполняется условие

Iном.щ = 63 А ³ 50 А = I1-2

Для аварийного освещения выберем осветительный щиток серии ЯОУ - 8504, так как выполняется условие

Iном.щ = 63 А ³ 28 А = I1-2

Таблица 3 - Технические данные осветительных щитков серий ЯОУ - 8503 и ЯОУ - 8504 на напряжение 380/220В.

Тип

Автоматический выключатель


Тип

Номинальный ток, А

Количество

ЯОУ - 8503

АЕ - 2044 - 10

63

6

ЯОУ - 8504

АЕ - 2046 - 10

63

2


Определим осветительную нагрузку цеха

Определим потребляемую активная мощность осветительной сети:

Росв = Руд · Sцех · Кспроса [28]

где Руд - удельная мощность, Руд = 16,2 Вт/м2,

Sцех - площадь цеха,

Sцех = А·В = 48 · 30 = 1440 м2.

Кспроса - коэффициент спроса, Кспроса = 0,92

Росв = 16,2 · 1440 · 0,92 = 21,5 кВт;

Определим реактивную мощность осветительной сети:

Qосв = Росв · tg φ [29]

Для светильников с лампами накаливания коэффициент мощности

cos φ = 0.85, откуда tg φ = 0,6, тогда:

Qосв = 21,5 · 0,6 = 12,9 кВАр

Условия выполняются.

Аналогичным образом рассчитано число светильников и их суммарная длина для вспомогательных помещений, расчет показан в таблице 2.

При этом для всех вспомогательных помещений выбраны светильники ЛПО12-2х40-904 с лампами ЛБ40-1.

Общее число светильников ЛПО12-2х40-904 в цехе: Nл =4

Таблица 4 - Расчет числа светильников для помещений цеха

Помещение

Ен, лк

h, м

А, м

В, м

n

i

η, о.е.

Ф, лм

N

Станочное отделение


5

50

30

 

3,75

0,9

20536

42

Трансформаторная

300

2,34

18

8,2

 

2,4

0,9

3514

21

Бытовка

75

2,34

6

6

1

1,28

0,48

4218

2

Инструментальная



6

6

1

1,28

0,48

4218

2

Склад



6

6

1

0,58

3491

2

Помещение мастера



6

5

1

1,16

0,58

2909

2

Вентиляторная



6

6

1

1,28

0,48

4218

2

Комната отдыха



4

6

1

1,02

0,48

5625

1


2.3 Компенсация реактивной мощности и выбор компенсирующих устройств

Повышение коэффициента мощности электроустановок зависит от снижения потребления реактивной мощности.

Для улучшения коэффициента мощности (повышения cos φ или уменьшения tg φ) существует два способа:

Улучшение коэффициента мощности без применения компенсирующих устройств (естественная компенсация):

упорядочение технологического процесса (не допущение простоя оборудования)

замена малонагруженных трансформаторов и двигателей на трансформаторы и двигатели меньшей мощности;

замена трансформаторов и другого электрооборудования старых конструкций на новые, более совершенные с меньшими потерями на перемагничивание и т.д.;

качественный ремонт двигателей;

отключение при малой нагрузке части силовых трансформаторов.

Если не удается улучшить коэффициент мощности до необходимой нормы естественным образом, применяют компенсирующие устройства (искусственная компенсация)

статические конденсаторы;

синхронные двигатели;

синхронные генераторы.

Определим расчетную мощность компенсирующего устройства

Qку = Рмакс · (tg φ1 - tg φ2) · α [30]

где Рмакс - максимальная активная мощность цеха:

Рмакс = ƩРмакс + Росв = 225,4 + 21,5 = 246,9 кВт

tg φ1 - коэффициент мощности до компенсации:

tg φ1 = Qмакс / Рмакс,

где Qмакс и Рмакс - суммарные расчетные нагрузки с учетом осветительной нагрузки:

Qмакс = ƩQмакс + Qосв [31]

Qмакс = 124,71 + 12,9 = 137,61 кВАр

tg φ1 = 137,61 / 146,9 = 0,56

tg φ2 - коэффициент мощности, который должен быть получен после компенсации, tg φ2 = 0,3;

α - коэффициент, учитывающий улучшение коэффициента мощности без применения компенсирующих устройств, α = 0,9

Qку = 246,9 · (0,56 - 0,3) · 0,9 = 58 кВАр.

По полученной реактивной мощности выбираем компенсирующее устройство: УКЗ - 0,415 - 60 со ступенчатым регулированием по 20 кВАр.

Так как компенсирующее устройство является источником реактивной мощности, то Qмакс по цеху найдем из разности:

Qмакс = Qрасч - Qку [32]

Qмакс = 137,61 - 58 = 79,61 кВАр

Определим полную мощность по цеху без учета потерь:

 (33)


Определим коэффициент мощности cos φ цеха с учетом компенсирующего устройства:

cos φ = Рмакс / Sмакс [34]

cos φ = 246,9 / 259,4 = 0,96,

соответственно tg φ = 0,29

Определим реактивную мощность Qмакс цеха с учетом компенсирующего устройства:

Qср = Рср · tg φ [35]

Qср = 74,34 · 0,29 = 21,6 кВАр

Сos φ получился равным заданному, следовательно, расчет произведен верно.

2.4 Выбор типа, числа и расчет мощности силовых трансформаторов на подстанции

Так как потребители электромеханического цеха относятся ко 2 категории надежности электроснабжения, то для питания его электроэнергией выбираем один трансформатор КТП-400/10/0,4/-У1.

Определим потери в трансформаторе:

Активные потери, ΔР = 2%

Р = 0,02 · Sтр [36]

ΔР = 0,02 · 400 = 8 кВт;

Активная мощность с учетом потерь:

Рмакс = Рмакс. р. + ΔР [37]

Рмакс = 246,9 + 8 = 254,9 кВт;

Реактивные потери, ΔQ = 10%

ΔQ = 0,1 · 400 = 40 кВАр

Реактивная мощность с учетом потерь

Qмакс = Qмакс. р. + ΔQ [38]

Qмакс = 79,61 + 40 = 119,6 кВАр;

Определим полную мощность цеха с учетом потерь:


Определим коэффициент загрузки трансформатора:

Кзагр. тр. = Sитог / Sном.тр. [39]

Кзагр. тр. = 276,9 / 400 = 0,69

.5 Выбор точек и расчет токов короткого замыкания

Коротким замыканием называется всякое замыкание между фазами, а в сетях с глухозаземленной нейтралью также замыкание одной или нескольких фаз на землю.

Расставим на схеме точки короткого замыкания (Kl, К2).

Рисунок 4 - а) схема расчетная; б) схема замещения; в) эквивалентная схема

Расчет токов к.з. в точках К1 и К2.

Составляем расчетную схему.

Сопротивление трансформатора:

Rтр = 5,5 мОм

Xтр = 17,1 мОм

Сопротивление кабеля от ГРП до РП1:

Rк = r0 · Lк

Xк = x0 · Lк,

где r0 и x0 - активное и индуктивное сопротивления одного метра кабеля, мОм

Rк = 0,195 · 14 = 2,73 мОм

Xк = 0,081 · 14 = 1,134 мОм

Упрощается схема замещения, вычисляются эквивалентные сопротивления на участках между точками КЗ и наносятся на схему:

Rэ1 = Rтр + Rsf1 + Rsf2 [40]

Rэ1= 5.5 + 0.15 + 0.15 = 5,8 мОм;

Xэ1 = Xтр + Xsf1 + Xsf2 [41]

Xэ1= 17,1 + 0,15 + 0,17 = 17,42 мОм;

Rэ2 = Rsf3 + Rк [42]

Rэ2= 0,7 + 2,73 = 3,43 мОм;

Xэ2 = Xsf3 + Xк [43]

Xэ2 = 0,7 + 1,134 = 1,834 мОм.

Определим сопротивления до каждой точки КЗ и заносятся в "Сводную ведомость" таблицу 6:

Rк1 = Rэ1 = 5,8 мОм; Xк1 = Xэ1 = 17,42 мОм

 [44]

Rк2 = Rэ2 = 3,43 мОм; Xк2 = Xэ2 = 1,834 мОм

Rк1 / Xк1 = 5,8 / 17,42 = 0,33;

Rк2 / Xк2 = 3,43 / 1,834 = 1,87

Определим коэффициенты Ку - ударный коэффициент и q - коэффициент действующего значения ударного тока:

Ку1 = f (Rк1 / Xк1) = f(0,33) = 1,32

Ку2 = f (Rк2 / Xк2) = f(1,87) = 1

 [45]


Определим токи КЗ и результаты занесем в "Сводную ведомость":

Iк1 = Uном / √3 · Zк1 [46]

Iк1= 400 / 1,73 · 0,0184 = 12,6 кА;

Iк2 = Uном / √3 · Zк2 = 400 / 1,73 · 0,0039 = 59,2 кА;

Iук1 = q1 · Iк1 [47]

Iук1= 1,1 · 12,6 = 13,86 кА;

Iук2 = q2 · Iк2 = 1 · 59,2 = 59,2 кА;

iук1 = √2 · Ку1 · Iк1 [48]

iук1 = 1,4 · 1,32 · 12,6 = 23,5 кА;

iук2 = √2 · Ку2 · Iк2 = 1,4 · 1 · 59,2 = 83,7 кА.

Таблица 5 - Сводная ведомость токов КЗ:

Точка КЗ

Rк, мОм

Xк, мОм

Zк, мОм

Rк / Xк

Ку

q

Iк, кА

iук, кА

1

2

3

4

5

6

7

8

9

К1

5,8

17,42

18,4

0,33

1,32

1,1

12,6

23,5

К2

3,43

1,834

3,9

1,87

1

1

59,2

83,7


.6 Выбор основного оборудования на подстанции и аппаратов защиты

Все шинопроводы, провода и кабели выбираются с учётом характера окружающей среды, размещением технологического оборудования, токов протекающим по ним напряжения.

Трансформаторы ТМ 400/10 на ТП комплектуются с вводным устройством ВНП-17 и предохранителями ПК-6 100А.

.6.1 Расчет пусковых токов

Для расчета составляем таблицу 6, в которую вносим значения пусковых токов. Расчет ведем для мостового крана.

Определяем номинальный ток:

Iном = Рном / √3 · Uном · cos φ [49]

где Рном - номинальная мощность электроприемника, кВт;

Uном - напряжение сети, Uном = 380В;

Iном = 36 / 1,73 · 0,38 · 0,5 = 109,4 А

Определяем пусковой ток, для этого необходимо знать во сколько раз увеличивается ток при пуске двигателей, т. е. необходимо отношение пускового тока к номинальному току - кратность пускового тока, которая зависит от пуска двигателя: легкий, средний, тяжелый. То есть чем больше усилие, тем больше кратность пускового тока.

Для мостового крана кратность пускового тока Iпуск / Iном = 6, тогда пусковой ток Iпуск мостового крана, равна:

Iпуск = Iном · 6 [50]

Iпуск = 109,4 · 6 = 654,4 А;

Определим пусковой ток для РП-1 как сумму номинальных токов потребителей РП-1 и пускового тока самого мощного потребителя:

Iпуск. РП-1 = ƩIном РП-1 + Iпуск. наиб. = 756,11 А.

Аналогично определяем токи для остальных потребителей.

.6.2 Выбор проводов кабелей и автоматических выключателей

Рассчитаем установки теплового и электромагнитного расцепителя для автоматических выключателей и результаты занесем в таблицу 6.

Ток теплового расцепителя должен больше или равен току длительному, деленному на 0,85:

Iт.р. ≥ Iдл / 0,85

где Iдл - длительный ток электроприемника, А;

,85 - коэффициент, учитывающий взаимный нагрев автоматов в одном шкафу.

Iрасч1 = 109,4 / 0,85 = 128,7 А;

Iрасч2 = 9,72 / 0,85 = 11,4 А;

Iрасч3 = 6,07 / 0,85 = 7,14 А;

Iрасч4 = 6,7 / 0,85 = 7,9 А;

Iрасч5 = 30,4 / 0,85 = 35,8 А;

Принимаем токи установок тепловых расцепителей и выбираем тип автоматических выключателей:

Iприн1 = 160 А - ВА 51-33;

Iприн2 = 12,5 А - ВА 51-31;

Iприн3 = 10 А - ВА 51-31;

Iприн4 = 10 А - ВА 51-31;

Iприн5 = 40 А - ВА 51-31.

Ток принятый электромагнитного расцепителя (мгновенный) должен быть в 10 раз больше принятого тока уставки теплового расцепителя.

Iприн.эл.расц. = Iприн.т.р. · 10

Iприн.эл.расц.1 = 160 · 10 = 1600 А;

Iприн.эл.расц.2 = 12,5 · 10 = 125 А;

Iприн.эл.расц.3 = 10 · 10 = 100 А;

Iприн.эл.расц.4 = 10 · 10 = 100 А;

Iприн.эл.расц.5 = 40 · 10 = 400 А.

Расчетный ток длительно-допустимой нагрузки должен быть в 1,25 больше значения расчетного тока теплового расцепителя:

Iрасч.дл.доп. = Iрасч.тепл.расц. · 1,25

Iрасч.дл.доп.1 = 128,7 · 1,25 = 161 А;

Iрасч.дл.доп.2 = 11,4 · 1,25 = 14,25 А;

Iрасч.дл.доп.3 = 7,14 · 1,25 = 9 А;

Iрасч.дл.доп.4 = 7,9 · 1,25 = 10 А;

Iрасч.дл.доп.5 = 35,8 · 1,25 = 45 А;

.7 Расчет и выбор питающих и распределительных линий

Выберем марку провода от РП-1 до каждого потребителя, при условии, что:

Iдоп. ≥ Iдл

для мостового крана - ВВГ (5х70);

для манипулятора электрического - ВВГ (5х1,5);

для точильно-шлифовального - ВВГ (5х1,5);

для настольного сверлильного станка - ВВГ (5х1,5);

для токарного полуавтомата - ВВГ (5х10).

По РП-1 выбираем автоматический выключатель ВА 51-33 и кабель ВВГ (5х95), таблица 6.

К отдельным электроприемникам медный кабель прокладываем в трубе в полу скрытой проводкой. От ВРУ к распределительным шкафам прокладываем кабель однопроводный с полиэтиленовой изоляцией в поливинилхлоридной оболочке открыто по стене на скобах на высоте 3 - 3,5 метра.

Согласно ПУЭ для силовых сетей отклонение напряжения от номинального должно составлять не более 5%.

Для сетей электрического освещения промышленных предприятий и общественных зданий допустимое отклонение напряжения -2,5 +5%.

Потерю напряжения рассчитываем:

ΔUрасч = M / S · С < ΔUдоп = 5% [51]

где S - сечение провода (кабеля), мм2;

C - коэффициент, который принимаем С=77 для медных проводов, С=46 для алюминиевых проводов;

М - момент нагрузки, кВт · м, M = P · L,

где Р - номинальная мощность;

L - длина провода, м.


Проверяем на допустимую потерю напряжения сечения проводов от распределительных пунктов до потребителей.

Расчет производим для мостового крана:

М = 36 · 4 = 144 кВт · м;

ΔUрасч = 144 / 70 · 77 = 0,03% < ΔUдоп = 5%

Так как ΔUрасч = 0,03% < ΔUдоп = 5%, то делаем вывод, что кабель марки ВВГ (5х70) от мостового крана проходит по условию.

Аналогично проверяем другие сечения проводов (кабелей) и результаты заносим в таблицу 7.

Таблица 7 - Потери напряжения в отходящих линиях

Наименование потребителя

Номинальная мощность, Рном, кВт

Длина провода (кабеля), L, м

Поперечное сечение, S, мм2

Момент нагрузки, М, кВт·м

Потери напряжения, ΔU, %

1

2

3

4

5

6

РП-1






Кран мостовой

36

4

70

144

0,03

Манипулятор электрический

3,2

6

1,5

19,2

0,17

Манипулятор электрический

3,2

7

1,5

22,4

0,2

Точильно-шлифовальный станок

2

9

1,5

18

0,16

Настольный сверлильный станок

2,2

12

1,5

26,4

0,23

Настольный сверлильный станок

2,2

14

1,5

30,8

0,27

Токарный полуавтомат

10

8

10

80

0,1

Токарный полуавтомат

10

9

10

90

0,12

Магистраль РП-1

68,8

14

95

963,2

0,13

РП-2






Токарный станок

13

9

16

117

0,1

Токарный станок

13

14

16

182

0,15

Токарный станок

13

8

16

104

0,08

Токарный станок

13

7

16

91

0,07

Слиткообдирочный станок

3

12

1,5

36

0,3

Слиткообдирочный станок

3

14

42

0,4

Слиткообдирочный станок

3

12

1,5

36

0,3

Слиткообдирочный станок

3

16

1,5

48

0,4

Слиткообдирочный станок

3

8

1,5

24

0,2

Слиткообдирочный станок

3

6

1,5

18

0,16

Магистраль РП-2

70

11

25

770

0,4

РП-3






Кран мостовой

36

9

70

324

0,06

Манипулятор электрический

3,2

10

1,5

32

0,3

Манипулятор электрический

3,2

12

1,5

38,4

0,3

Горизонтально-фрезерный станок

7

8

4

56

0,2

Горизонтально-фрезерный станок

7

6

4

42

0,14

Настольный сверлильный станок

2,2

8

1,5

17,6

0,15

Настольный сверлильный станок

2,2

5

1,5

11

0,1

Точильно-шлифовальный станок

2

9

1,5

18

0,15

Токарный полуавтомат

10

14

10

140

0,18

Токарный полуавтомат

10

18

10

180

0,23

Вентиляторная

4,5

10

1,5

45

0,4

Вентиляторная

4,5

9

1,5

40,5

0,35

Магистраль РП-3

91,8

12

95

1101,6

0,15

РП-4






Продольно-строгальный станок

10

6

10

60

0,08

Продольно-строгальный станок

10

8

10

80

0,1

Слиткообдирочный станок

3

7

1,5

21

0,18

Слиткообдирочный станок

3

12

1,5

36

0,3

Анодно-механический станок

75

9

95

675

0,1

Тельфер

5

14

4

70

0,23

Магистраль РП-4

106

18

95

1908

0,26

РП-5






Слиткообдирочный станок

3

6

1,5

18

0,16

Слиткообдирочный станок

3

5

1,5

15

0,13

Слиткообдирочный станок

3

7

1,5

21

0,18

Анодно-механический станок

75

9

95

675

0,1

Анодно-механический станок

75

10

95

750

0,1

Магистраль РП-5

159

20

95

3180

0,4



2.8 Расчёт сети заземления

Строим заземляющее устройства для подстанции 10/0,4 кВ. Сопротивление заземляющего устройства не должно превышать 4 Ом, так как электроустановка совмещает напряжение свыше и ниже 1 кВ.

Грунт в районе подстанции состоит из песка. Выбираем удельное сопротивление грунта, р = 800 Ом · м.

Определим расчетное сопротивлении одного вертикального электрода:

Rв = 0,3 · ρ · Ксез.в [52]

Rв = 0,3 · 800 · 1,7 = 408 Ом,

где ρ - удельное сопротивление грунта (песка);

Ксез.в - коэффициент сезонности Ксез.в = F (верт., II) = 1,7

Определим предельное сопротивление совмещенного ЗУ:

 [53]

Rзу1 = 125 / Iз [54]

Rзу1 = 125 / 10 = 12,5 Ом;

Для расчета принимаем Rзу1 = 4Ом,

Но так для расчета ρ > 100 Ом·м, то для расчета принимается:

Rзу ≤ 4 · ρ / 100 = 4 · 800 / 100 = 32 Ом

Определим количество вертикальных электродов:

без учета экранирования (расчетное):

N’в.р = Rв / Rзу [55]

N’в.р = 408 / 32 = 12,75

Принимаем N’в.р = 13;

с учетом экранирования:

Nв.р = N’в.р / ηв [56]

Nв.р = 13 / 0,59 = 22,

где ηв = 0.59.

Определим уточненное значение сопротивления вертикальных и горизонтальных электродов:

Rв = Rв / Nв · ηв [57]

Rв = 408 / 22 · 0,59 = 31,4 Ом,

 [58]


где Lп - длина по периметру закладки,

Lп = (А + 2) · 2 + (В + 2) · 2 [59]

Lп = (48 + 2) · 2 + (30 + 2) · 2 = 100 + 64 = 164 м.

горизонтальная полоса b = 4·10-3

Определим фактическое сопротивление ЗУ:

Rзу.ф = Rв · Rг / Rв + Rг [60]

Rзу.ф = 3310,6 / 136,83 = 24,2 Ом.

Так как Rзу.ф = 24,2 Ом < 32 Ом, то делаем вывод, что расчет выполнен верно. Контур заземления состоит из 22 вертикальных электродов, и соединительной стальной полосы диной 164 метра.

Заключение

В результате курсового проекта было спроектировано электроснабжение электромеханического цеха. Требовалось выполнить: описательную часть проекта, расчетную часть проекта и графическую часть.

В описательной части проекта была выполнена характеристика потребителей цеха, то есть все электроприёмники характеризовались по напряжению, по режиму работы, по роду тока, по степени бесперебойности. Также в описательной части была описана однолинейная электрическая схема, с учетом количества и мощностей станков и установок применяем для цеха радиальную схему электроснабжения.

В расчетной части был произведен расчет электрических нагрузок, который произведён с целью выявления полной максимальной мощности цеха необходимой для последующего выбора трансформаторов. Выбрано компенсирующее устройство УК3-0,415-60, необходимое для снижения реактивной мощности и повышения коэффициента мощности. Выбрана комплектная трансформаторная подстанции КТП -400/10/0,4-У1. На подстанции устанавливаем один трансформатор ТМ - 400-10/0,4.

Были выбраны питающие и распределительные сети напряжением до 1000 В, выбраны 5 распределительных пунктов, два щита освещения серий ЯОУ-8503 и ЯОУ-8504. Также к ним была выбрана защита от токов короткого замыкания и перегрузок. Для выполнения защитных функций были выбраны автоматические выключатели с комбинированным расцепителем, выбираем выключатели ВА51-31, ВА51-33, ВА51-37, ВА51-39, тип шкафа ПР 85-157, ПР 85-092, ПР 85-093, ПР 85-096. Для защиты рабочего персонала был произведен расчет заземляющих устройств. В качестве проводникового материала необходимого для подключения электрооборудования, был произведён выбор проводов и кабелей. В ходе курсового проекта спроектирована однолинейная схема, план подключения оборудования с распределительными сетями.

Список используемой литературы

1.        Федоров А.А., С Г.В. Справочник по электроснабжению промышленных предприятий. - М.: Энергия, 1974. - 528 с.

2.        Шеховцов В.П., Расчет и проектирование схем электроснабжения. - М.: ФОРУМ-ИНФРА 2005. - 214 с.

.          Алиев И.И., Справочник по электротехнике и электрооборудованию. 5-е издание. - Ростов, Феникс, 2004. - 480 с.

.          Правила устройства электроустановок, 6-е издание, Госэнергонадзор Москва 2000.

.          Неклепаев Б.Н., Крючков И.П. Электрическая часть станций и подстанций. - М.: Энергоатомиздат, 1989. - 608 с.

.          Епанешников М.М. Электрическое освещение. М: Энергия, 1973. - 352 с.

.          Справочник по проектированию электроэнергетических систем.

Похожие работы на - Проектирование электроснабжения механического цеха серийного производства

 

Не нашли материал для своей работы?
Поможем написать уникальную работу
Без плагиата!
Без нейросетей!