Разработка внутрицеховой электрической сети

  • Вид работы:
    Курсовая работа (т)
  • Предмет:
    Физика
  • Язык:
    Русский
    ,
    Формат файла:
    MS Word
    818,95 Кб
  • Опубликовано:
    2012-11-17
Вы можете узнать стоимость помощи в написании студенческой работы.
Помощь в написании работы, которую точно примут!

Разработка внутрицеховой электрической сети

ЗАДАНИЕ

. Выбрать и обосновать выбор места положения трансформаторной подстанции (ТП) и распределительного пункта (РП), схему распределительной сети питания электроприемников.

. На плане задания нанести распределительную сеть подвода питания к РП и электрооборудованию, с учетом мест расположения всего оборудования цеха.

. Произвести расчет нагрузок для РП методом коэффициентов использования и коэффициентов максимума (методом упорядоченных диаграмм).

. Произвести выбор марки и площадей сечений проводников для электроприемников и РП. Обосновать выбранную марку проводника.

. Произвести расчет токов трехфазного и однофазного короткого замыкания.

. Произвести выбор аппаратов защиты, согласовать сечения проводников с аппаратами защиты. Обосновать выбранную серию аппаратов защиты.

. Произвести проверку на чувствительность аппаратов защиты к токам однофазного короткого замыкания.

ВВЕДЕНИЕ

Электроснабжение промышленных предприятий является неотъемлемой частью энергетики, так как промышленные предприятия потребляют около 70% вырабатываемой в стране электрической энергии. Поэтому системы электроснабжения промышленных предприятий должны обеспечивать соответствующую надежность и экономичность.

В процессе создания систем электроснабжения необходимо учитывать выбор оптимальных напряжений питающих электросетей, условие присоединения промышленного предприятия к энергосистеме, улучшение схем и конструкции заводских электрических сетей, выбор оптимального числа и сечения проводов и кабелей, а также вопросы безопасности и экономичности.

1. ИСХОДНЫЕ ДАННЫЕ


В табл. 1.1 представлены данные о приемниках электрической энергии.

Таблица 1.1

номер по плану

Наименование оборудования

Pn, кВт

n, шт

1

заточный станок

1,6

1

2

шлифовальный станок

1,7

1

3

шлифовальный станок

2,8

1

4

шлифовальный станок

14

1

5

шлифовальный станок

10

1

6

сварочный автомат

7,5

1

9

шлифовальный станок

4,5

4

10

вытяжной вентилятор

2,8

2

42

шлифовальный станок

14,7

1

43

уневерсально-шлифовальный станок

10

1

44

точильно-шлифовалный станок

7,2

1

45

уневерсально-заточный станок

14

1

46

плоскошлифовальный станок

12,8

1

47

точильно-шлифовалный станок

7,7

1

48

ножницы листовые

5,38

1

57

токарно-винторезный станок

3,7

4

58

токарно-лобовой станок

4,5

2

59

универсальный токарный станок

10

1

60

токарный станок

1

1

61

кран-балка электрическая

25,3

1


Генеральный план цеха

На рис.1.1 представлен генеральный план цеха.

Рис. 1.1

2. КРАТКОЕ ОПИСАНИЕ ТЕХНОЛОГИЧЕСКОГО ПРОЦЕССА РЕМОНТНО-МЕХАНИЧЕСКОГО ЦЕХА


Ремонтно-механический цех относится к вспомогательным цехам ЧАО «Крымский Титан». Основное направление работы цеха - изготовление запасных частей, отдельных узлов, оказание технологической помощи в аварийной ситуации путем изготовления или восстановления деталей.

Цех оснащен станочным парком, имеющим в своем структурном подразделении токарные, фрезерные, шлифовальные, строгальные и сверлильные станки, предназначенные как для обработки металлических заготовок и деталей, так и для изготовления различных деталей из различного рода пластмасс.

Цех не серийного производства. Электроприемники цеха не связаны между собой технологическим процессом, их работа происходит независимо друг от друга и остановка одного или нескольких из них не вызывает остановки других электроприемников. Среда в помещении цеха нормальная. Ремонтно-механический цех по надежности электроснабжения относится к III категории.

Для главных приводов токарных, шлифовальных и других станков применяют трехфазные асинхронные двигатели из серии 4А с короткозамкнутым ротором с синхронной частотой 1500 или 3000 об/сек.

3. ВЫБОР РОДА ТОКА И НАПРЯЖЕНИЯ


Так как в технологическом процессе участвуют электроприемники, питающиеся от сети с переменным электрическим током, то при проектировании данной системы электроснабжения рассматривают питание переменным электрическим током.

Обычно в сетях внутрицехового электроснабжения для питания силовых и осветительных электрических приемников используют три основные ступени напряжения: 380 \ 220; 660 \ 380. Выбор той или иной ступени напряжения зависит от значений потребляемой мощности, вида производства, индивидуальных мощностей электрических приемников и других факторов. Поэтому выбор напряжения должен производиться комплексно.

Характеристика ступеней напряжения:

система напряжения 380 \ 220 В наиболее полно удовлетворяет условиям питания потребителя в силу возможности совместного питания осветительных и силовых потребителей и относительно низкого фазного напряжения.

система напряжения 660\380 В обладает рядом преимуществ: на сооружение цеховых сетей расходуется меньше цветного металла, потери электроэнергии в этих сетях меньше, чем в сетях 380\220В; возможность применения более мощных цеховых трансформаторов (до 2500кВт). Однако для питания осветительной нагрузки в сетях 660В надо устанавливать специальные трансформаторы 660\220 В, для измерительных цепей напряжения необходимо дополнительно устанавливать трансформаторы напряжением 660/100 В. Ступень напряжения 660/380 получило широкое применение в горнодобывающей отрасли. Для обеспечения безопасности, простоты эксплуатации и экономичности системы внутрицехового электроснабжения механического цеха используется система напряжения 380 \ 220 В, как наиболее оптимально отвечающая данным требованиям.

4. ВЫБОР СХЕМЫ ЭЛЕКТРОСНАБЖЕНИЯ


Цеховые сети выполняются по радиальным и магистральным схемам. От шин НН подстанции отходит питающая линия, которая по радиальной или магистральной схеме обеспечивает питание цеховых РП, а от них по распределительной сети электроприемники.

Характеристики схем электроснабжения:

магистральные схемы питания используются для равномерно распределенной нагрузки в цехах, где приемники расположены близко друг к другу. Магистральные схемы удобны для машиностроительного производства, где возможна перегруппировка приемников, изменение технологического процесса.

радиальные схемы: распределительные сети (от цеховых РП) выполняются по радиальной схеме, что дает возможность оперативно заменить или переносить ЭП, не оказывая влияние на общецеховую систему электроснабжения.

Выбираем для данной системы электроснабжения радиальную схему исходя из того, что радиальная сеть имеет высокую надежность питания ЭП, при ней обеспечивается удобства автоматизации отдельных технологических элементов сети, автоматизация переключений и более удобное выполнение релейной защиты. Выбор также обусловлен наличием в цехе относительно мощных ЭП.

Силовые распределительные пункты.

Для распределения электроэнергии и защиты сетей от токов короткого замыкания применяют распределительные пункты (шкафы) с плавкими предохранителями или автоматическими выключателями. В сетях переменного тока напряжением 380В частотой 50 и 60Гц выпускаются шкафы ПР8501. Ввод проводников с алюминиевыми и медными жилами в шкафы допускается как сверху, так и снизу.

Силовые пункты и шкафы выбираются с условием воздуха рабочей зоны, числа подключаемых приемников и их расчетной нагрузки так, чтобы расчетный ток группы ЭП, подключенных к пункту должен быть не больше номинального тока распределительного пункта.

Выбираем шкафы типа ПР8501: шкаф (пункт) распределительный класса низкого напряжения комплектного устройства ввода и распределения электроэнергии; группа класса - распределение энергии с применением автоматических выключателей переменного тока; напольной установки; степень защиты IP21 ввод снизу кабелем с пластмассовой изоляцией. Шкафы для распределительных пунктов (РП) принимаем с выключателями ВА51Г-31, ВА51Г-25, ВА51Г-35 без выключателей на вводе с зажимами. РП устанавливаем в местах удобных для обслуживания. Конструктивно шкафы размещаем на полу, у стен.

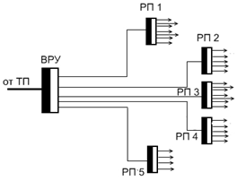
Схема питания РП.

Рис. 4.1

ТП - трансформаторная подстанция

ВРУ - Вводно-распределительное устройство

РП - распределительная подстанция

5. РАСЧЕТ ЭЛЕКТРИЧЕСКИХ НАГРУЗОК ЦЕХА


Расчет электрических нагрузок является первоочередной и наиболее ответственной задачей.

Для расчета нагрузки цеха используем метод упорядоченных диаграмм. Данный метод применяется для массовых электроприемников. Он устанавливает связь рабочей нагрузки с режимом работы электроприемников на основе вероятностной схемы формирования графика групповой нагрузки.

Нагрузка промышленных предприятий или отдельных цехов обычно состоит из электроприемников различной мощности. Поэтому все электроприемники цеха разбиваются на группы приемников однотипного режима работы с выделением в каждой группе характерных подгрупп электроприемников с одинаковыми коэффициентами использования и мощности.

5.1 Расчет силовой нагрузки цеха


Определяем значение Pн для ЭП позиции № 6, 48, 61 по формуле:


Далее в расчетах используем лишь данное значение мощности.

Таблица 5.1 Группа потребителей

РП-1

№ позиции

Количество потребителей

Pn, кВт

1

1

1

1,6

2

2

1

1,7

3

3

1

2,8

4

4

1

14

5

5

1

10

6

6

1

7,5

7

10

1

2,8

РП-2


7

40,4

8

9

4

4,5

9

10

1

2,8



5

20,8

РП-3




10

42

1

14,7

11

43

1

10

12

44

1

7,2

13

45

1

14

14

46

1

12,8

15

47

1

7,7

16

48

1

5,38

РП-4


7

71,78

17

57

3

3,7

18

58

2

4,5

РП-5


5

20,1

19

57

1

3,7

20

59

1

10

21

60

1

1

22

61

1

25,3



4

40


Данные трансформатора ТМ-400/10:

Номинальная мощность - S=0,4 МВА;

Напряжение - UВН = 10 кВ, UНН = 0,4 кВ, UК=4,5 %;

Мощность КЗ - PКЗ = 5,5 кВт;

Сопротивления - ZT = 16 мОм, ZT(1) = 129 мОм.

Порядок определения расчетной нагрузки по методу упорядоченных диаграмм следующий:

Для электроприемников с повторнократковременным режимом номинальная мощность определяется по формуле:

                                                                             (5.1)

где  - мощность ЭП по паспорту, кВт.

ПВ - продолжительность включения в относительных единицах.

Рассчитываем среднесменные нагрузки  и .

 кВт,                                                                        (5.2)

Где  - коэффициент использования для данной группы электроприемников, определяется по табл. 1-3 [Л1]

 - суммарная номинальная мощность данной группы электроприемников, кВт.

, кВ∙Ар,                                                  (5.3)

ПВ - продолжительность включения в относительных единицах.

Рассчитываем среднесменные нагрузки  и .

tgj - коэффициент мощности для данной группы электроприемников

(таблица 2.1[Л3]).

Определяем число эффективных (приведенных) электроприемников nэ. Число электроприемников определяют по следующим показателям:

а) по количеству фактически присоединенных электроприемников к источнику питания n;

б) показателю силовой сборки m;

в) коэффициента использования средних мощностей ;

г) активной номинальной мощности по индивидуальному графику .

,                                                                                      (5.4)

Где  - значение мощности наиболее мощного электроприемника в группе, кВт;

 - значение мощности наименее мощного электроприемника в группе, кВт.

                                                                                  (5.5)

                                                                                (5.6)

По таблице 3,2 [Л2] определяем значения коэффициента максимума Кmax, который соответствует значениям Ки и nэ. По коэффициенту максимума определяют значение максимальной расчетной нагрузки Pmax.

Pmax = Kmax × Pсм, кВт                                                                 (5.7)

Qmax = K’max × Pн, кВ∙Ар,                                                            (5.8)

Где К’max - определяется из условия K’max = 1,1 если nэф £ 10 или K’max = 1 если nэф >10.

Определяем значение расчетной полной мощности, максимальное значение расчетного тока Imax и cosj, соответствующий этой нагрузке.

                                                                 (5.9)

                                                                             (5.10)

Исходные данные и результаты расчета сведены в табл. 5.3.

Для примера рассмотрим расчет нагрузки на РП-1.

Подсоединяем к РП-1 электроприемники с номерами 1, 2, 3, 4; 5, 6, 7, 10.

Разбиваем электроприемники на группы с одинаковыми Ки, cosj.

Определяем среднесменную нагрузку по формулам (5.2) и (5.3) для первой группы в которую вошел станок 1.

 = 0,12 × 1,6=0,19 кВт;

 == 0,44 кВАр.

Аналогично определяем нагрузку для остальных групп электроприемников, входящих в нагрузку РП-1.

Определяем модуль силовой сборки по формуле (5.4):

.

Определяем средний коэффициент использования по формуле (5.5):

 > 0,2.

Определяем средний cosj по формуле (5.6):

 .

Значения n,  и m удовлетворяют следующему условию:

n ³ 5; m >3;  > 0,2; ¹ const.

То значение n~nэ: (5.11)

По табл. 4-3 [Л.2] определяем значение  с помощью интерполяции:

Определяем значение максимальной расчетной нагрузки по формулам (5.7) и (5.8):

 = 1,69×14,24 = 24,06 кВт;

т.к. nэф = 7 <10, то  = 1,1

 = 1,1 × 24,06×1,37=35,99 кВАр.

Определяем значение расчетной полной мощности по формуле (5.9):

 кВ∙А.

Определяем максимальное значение расчетного тока по формуле (5.10):

 А.

5.2 Выбор местоположения цеховой трансформаторной подстанции


Местоположение трансформаторной подстанции определяем с помощью картограммы, на которую нанесены координаты каждого электроприемника (рис. 1).

С помощью картограммы мы условно находим центр нагрузок цеха как активных (Xа, Ya), так и реактивных (Xp, Yp), мощностей по формулам:

, мм,                                                                        (5.12)

Где  - номинальная мощность i-го электроприемника, кВт;

- координата по оси абсцисс на картограмме i-го электроприемника, мм.

, мм                                                                         (5.13)

Где  - координата по оси ординат на картограмме i-го электроприемника, мм.

Таблица 5.2 Координаты местоположения расчетных нагрузок

Позиция ЭП по плану

Расчетная мощность ЭП Pp

Координата ЭП по оси Х

Координата ЭП по оси Y

Произведение кВт ммПроизведение кВт мм



кВт

мм

мм

кВт мм

кВт мм

1

1,6

11

102

17,6

163,2

2

1,7

18,5

102

31,45

173,4

3

2,8

24

102

67,2

285,6

4

14

12

94

168

1316

5

10

25

250

940

6

7,5

35

82

262,5

615

9_1

4,5

43,5

102,5

195,75

461,25

9_2

4,5

50

102,5

225

461,25

9_3

4,5

56

102,5

252

461,25

9_4

4,5

63

102,5

283,5

461,25

10_1

2,8

15

110

42

308

10_2

2,8

52,5

110

147

308

42

14,7

92

62

1352,4

911,4

43

10

93

53

930

530

44

7,2

94

44

676,8

316,8

45

14

103

63

1442

882

46

12,8

103,5

53,5

1324,8

684,8

47

7,7

104

45

800,8

346,5

48

5,38

118

64

634,84

344,32

57_1

3,7

201

63

743,7

233,1

57_2

3,7

201

47,5

743,7

175,75

57_3

3,7

213,5

55,5

789,95

205,35

57_4

3,7

213,5

47

789,95

173,9

58_1

4,5

201

56

904,5

252

58_2

4,5

213,5

62,5

960,75

281,25

59

10

228

63

2280

630

60

1

231,5

51

231,5

51

61

25,3

242

50

6122,6

1265


193,08



22670,29

13237,37


Производим расчеты по формулам (5.12) и (5.13): в результате получили расчетные координаты трансформаторной подстанции:

Xа =117 мм Ya=68,6 мм.

Выбираем пристроенную ТП и устанавливаем ее в отдельное огороженное предназначенное специально для этого помещение. То есть пристроенного к контуру здания цеха с выкаткой трансформаторов на улицу, вход в ТП осуществляется со стороны улицы. Располагаем ТП ближе к питающей линии от ГПП, чтобы исключить обратные потоки мощности и тем самым уменьшить потери энергии в линии. Окончательно выбираем место положение ТП с координатами XрТП = 215 мм, YрТП = 117 мм и указываем его на картограмме (рис.2).

трансформаторный подстанция цех

Рис.2 Расположение ТП с координатами XрТП = 215 мм, YрТП = 117 мм

6. ВЫБОР ТИПА И СЕЧЕНИЯ ПРОВОДНИКОВ


Распределительная сеть выполняется кабелем на участках от ТП до РП и изолированными проводами в трубах проложенных в полу на участках от РП до ЭП. Сечение проводников выбирается по допустимому нагреву с соблюдением условий прокладки и условий окружающей среды.

Так как среда в помещении цеха нормальная, то принимаем температуру внутри цеха 25° С. Питающая сеть, выполненная кабелем АВВГ, проложена на скобах. При этом распределительные пункты питаются от отдельно проложенных кабелей, а электроприемники от проводов лежащих рядом и влияющих друг на друга.

Для определения сечения проводников от электроприемников находим их расчетные токи по формуле:

, А.                                                             (6.1)

где , Рн - номинальная мощность двигателя ЭП, кВт;

Uн - номинальное напряжение сети, Uн = 380 В;

cosjн - номинальный коэффициент мощности электроприемника;

hн - номинальный КПД двигателя.

На станках установлены асинхронные электродвигатели серии 4А с синхронной частотой вращения 3000об/мин и мощностью равной или большей мощности станков.

Данные для расчета приведены в таблице 6.1.

Для примера определим ток от станка ЭП №1, мощность электродвигателя станка Pн = 1,6 кВт; cos j = 0,4; hн = 0,81

кратность пускового тока Кп =6,5

Пусковой ток двигателя определяем по формуле;

Iп1 = Iр1 × Кп1                                                                                (6.2)

Iп1 = 7,5 ×6,5 =48,8 А

Аналогично находим токи остальных электроприемников и заносим их в таблицу 6.1.

Таблица 6.1

Характеристики электроприемников и их расчетные параметры

№ позиции по плану

Номинальная мощность ЭП Рн, кВт

Коэффициент мощности сosf

КПД, н

Кратность пускового тока Кп

Расчетный ток Iр, А

Пусковой ток Iп, А

РП-1 - ЭП-1

1,6

0,4

0,81

6,5

7,5

48,8

РП-1 - ЭП-2

1,7

0,65

0,81

6,5

4,9

31,9

РП-1 - ЭП-3

2,8

0,65

0,845

6,5

7,7

50,3

РП-1 - ЭП-4

14

0,65

0,88

7,5

37,2

278,9

РП-1 - ЭП-5

10

0,65

0,88

7,5

26,6

199,2

РП-1 - ЭП-6

7,5

0,35

0,875

7,5

32,6

244,2

РП-2 - ЭП-9_1

4,5

0,65

0,865

7,5

12,2

91,2

РП-2 - ЭП-9_2

4,5

0,65

0,865

7,5

12,2

91,2

РП-2 - ЭП-9_3

4,5

0,65

0,865

7,5

12,2

91,2

РП-2 - ЭП-9_4

4,5

0,65

0,865

7,5

12,2

91,2

РП-1 - ЭП-10_1

2,8

0,8

0,845

6,5

6,3

40,9

РП-2 - ЭП-10_2

2,8

0,8

0,845

6,5

6,3

40,9

РП-3 - ЭП-42

14,7

0,65

0,88

7,5

39,0

292,8

РП-3 - ЭП-43

10

0,65

0,88

7,5

26,6

199,2

РП-3 - ЭП-44

7,2

0,65

0,875

7,5

19,2

144,3

РП-3 - ЭП-45

14

0,4

0,88

7,5

60,4

453,2

РП-3 - ЭП-46

12,8

0,65

0,88

7,5

34,0

255,0

РП-3 - ЭП-47

7,7

0,65

0,875

7,5

20,6

154,3

РП-3 - ЭП-48

5,38

0,65

0,875

7,5

14,4

107,8

РП-4 - ЭП-57_1

3,7

0,4

0,865

7,5

16,2

121,9

РП-4 - ЭП-57_2

3,7

0,4

0,865

7,5

16,2

121,9

РП-4 - ЭП-57_3

3,7

0,4

0,865

7,5

16,2

121,9

РП-5 - ЭП-57_4

3,7

0,4

0,865

7,5

16,2

121,9

РП-4 - ЭП-58_1

4,5

0,4

0,865

7,5

19,8

148,2

РП-4 - ЭП-58_2

4,5

0,4

0,865

7,5

19,8

148,2

10

0,4

0,88

7,5

43,2

323,7

РП-5 - ЭП-60

1

0,4

0,6

5

6,3

31,7

РП-5 - ЭП-61

25,3

0,5

0,885

7,5

86,9

651,5


По условию, что Iдоп > Iр, согласно таблице 1.3.5. [Л.4] выбираем для присоединения электроприемника № 1 провод с сечением F = 2,5 мм 2 с Iдоп.= 21 А. Марка проводов АПВ (алюминиевый с поливинилхлоридной изоляцией) проложенных в трубах.

Аналогично выбираем провода для остальных электроприемников и заносим в табл. 6.2

Таблица 6.2 Данные расчета и выбора проводов

Участок сети

Мощность электроприемника Р, кВт

Расчетный ток Iр, А

Марка провода или кабеля

Допустимый ток Iдоп, А

Сечение провода F, мм2

Длина участка L, м

РП-1 - ЭП-1

1,6

7,5

АПВ

21

2,5

5,4

РП-1 - ЭП-2

1,7

4,9

АПВ

21

2,5

2,4

РП-1 - ЭП-3

2,8

7,7

АПВ

21

2,5

1,4

РП-1 - ЭП-4

14

37,2

АПВ

67

16

5,2

РП-1 - ЭП-5

10

26,6

АПВ

37

6

2,4

РП-1 - ЭП-6

7,5

32,6

АПВ

67

16

4,4

РП-2 - ЭП-9_1

4,5

12,2

АПВ

21

2,5

4,4

РП-2 - ЭП-9_2

4,5

12,2

АПВ

21

2,5

3,6

РП-2 - ЭП-9_3

4,5

12,2

АПВ

21

2,5

2,2

РП-2 - ЭП-9_4

4,5

12,2

АПВ

21

2,5

0,8

РП-1 - ЭП-10_1

2,8

6,3

АПВ

21

2,5

3,8

РП-2 - ЭП-10_2

2,8

6,3

АПВ

21

2,5

2,8

РП-3 - ЭП-42

14,7

39,0

АПВ

88

25

7,2

РП-3 - ЭП-43

10

26,6

АПВ

37

6

8,8

РП-3 - ЭП-44

7,2

19,2

АПВ

21

2,5

11,6

РП-3 - ЭП-45

14

60,4

АПВ

67

16

4,6

РП-3 - ЭП-46

12,8

34,0

АПВ

67

16

6,6

РП-3 - ЭП-47

7,7

20,6

АПВ

37

6

6,2

РП-3 - ЭП-48

5,38

14,4

АПВ

21

2,5

2,2

РП-4 - ЭП-57_1

3,7

16,2

АПВ

37

6

7

РП-4 - ЭП-57_2

3,7

16,2

АПВ

37

6

6,2

РП-4 - ЭП-57_3

3,7

16,2

АПВ

37

6

6,2

РП-5 - ЭП-57_4

3,7

16,2

АПВ

37

6

9

РП-4 - ЭП-58_1

4,5

19,8

АПВ

37

6

8

РП-4 - ЭП-58_2

4,5

19,8

АПВ

37

6

5

РП-5 - ЭП-59

10

43,2

АПВ

67

16

2,6

РП-5 - ЭП-60

1

6,3

АПВ

21

2,5

5,2

РП-5 - ЭП-61

25,3

86,9

АПВ

167

70

2,4


Сечение жил кабелей питающей сети выбираем по расчетному максимальному току РП.

Например для РП1: Imax = 122,8 А, выбираем кабель АВВГ четырехжильный с сечением жилы F = 50 мм , Iдоп1 = 161. по табл. 1.3 [Л.5].

Таблица 6.3 Результаты выбора кабелей для РП

Участок сети

Расчетный ток I, A

Сечение кабеля F, мм2

Допустимый ток Iдоп, А

Марка кабеля

Длина участка L, м

ВРУ-РП1

122,8

50

161

АВВГ

41,4

ВРУ -РП2

54,9

16

82

АВВГ

34

ВРУ -РП3

214,2

120

271

АВВГ

29,8

ВРУ -РП4

88,3

25

105

АВВГ

7,2

ВРУ -РП5

152,6

120

271

АВВГ

6,8


Расчетная схема для ЭП представлена на рис. 6.1.

ТМН630/10                                                                     ЭП1

                                   l = 41,4 м                 l = 5,4 м

Рис. 6.1

7. РАСЧЕТ ТОКОВ КОРОТКОГО ЗАМЫКАНИЯ


Расчет тока трехфазного короткого замыкания.

Для расчета токов короткого замыкания составим схему замещения рис. 7.1

Схема сети для расчета токов короткого замыкания:

а) расчетная схема. б) схема замещения.

Рис. 7.1

где: Zтр - сопротивление трансформатора по таблице 8.10 [Л.2], Ом;кб - сопротивление кабельной линии по таблице 8.16 [Л.2], Ом;пр - сопротивление провода по таблице 8.16 [Л.2 ], Ом.

Трехфазный ток короткого замыкания определяется на шинах трансформаторной подстанции по формуле:

 ,А                                                                              (7.1)

где: Uс.ном - номинальное напряжение на шинах ТП = 400 В;тр - сопротивление трансформатора, Ом.

Расчет тока однофазного короткого замыкания.

Ток однофазного короткого замыкания определяется на зажимов ЭП (по схеме замещения рис. 10,б)

,А                                                                         (7.2)

где: Uф.ср - среднее фазное напряжение (на 5 % больше номинального напряжения), Uф.ср = 230 В.;п(ф-0) - полное сопротивление петли фаза-нуль (определяем по формуле (2.50), Ом;тр - сопротивление трансформатора при однофазном коротком замыкании (определяем по табл. 8.10 [Л.2]), Ом.

,Ом                                           (7.3)

где: Zп.КЛ(ф-0) - сопротивление петли фаза-нуль кабеля (определяется по таблице 8.16 [Л.2], )Ом;КЛ - длина кабельной линии в метрах (определяем по таблице 5.5), м;пр(ф-0) - сопротивление провода (определяется по таблице 8.16 [Л.2]), мОм/м;пр - длина провода в метрах (определяем по таблице 5.4), м.

Произведем расчет однофазного тока короткого замыкания для электроприемника № 1:

 мОм

 А

Аналогично определяются токи однофазного короткого замыкания для других ЭП. Результаты расчета сведены в таблицу 7.1.

Таблица 7.1

Результаты расчетов тока однофазного короткого замыкания

Участок цепи

Длина

Удельное сопротивление ф-0

Полное сопротивление Z(ф-0)

Iк.з однофазный


кабеля

провода

кабеля

провода


Iк.з


Lкб, м

Lпв, м

L, мОм/м

L, мОм/м

Ом

А

РП-1 - ЭП-1

41,4

5,4

1,46

29,64

221

872,9

РП-1 - ЭП-2

41,4

2,4

1,46

29,64

132

1317,4

РП-1 - ЭП-3

41,4

1,4

1,46

29,64

102

1586,9

РП-1 - ЭП-4

41,4

5,2

1,46

7,41

99

1620,0

РП-1 - ЭП-5

41,4

2,4

1,46

12,34

90

1728,5

РП-1 - ЭП-6

41,4

4,4

1,46

12,34

115

РП-1 - ЭП-10_1

41,4

3,8

1,46

29,64

173

1064,4

РП-2 - ЭП-9_1

34

4,4

7,41

29,64

382

540,7

РП-2 - ЭП-9_2

34

3,6

7,41

29,64

359

572,6

РП-2 - ЭП-9_3

34

2,2

7,41

29,64

317

638,6

РП-2 - ЭП-9_4

34

0,8

7,41

29,64

276

721,8

РП-2 - ЭП-10_2

34

2,8

7,41

29,64

335

608,6

РП-3 - ЭП-42

29,8

7,2

0,78

7,41

77

1923,1

РП-3 - ЭП-43

29,8

8,8

0,78

12,34

132

1315,5

РП-3 - ЭП-44

29,8

11,6

0,78

29,64

367

560,9

РП-3 - ЭП-45

29,8

4,6

0,78

4,43

44

2655,2

РП-3 - ЭП-46

29,8

6,6

0,78

12,34

105

1557,3

РП-3 - ЭП-47

29,8

6,2

0,78

18,52

138

1270,2

РП-3 - ЭП-48

29,8

2,2

0,78

29,64

88

1749,7

РП-4 - ЭП-57_1

7,2

7

2,96

29,64

229

846,2

РП-4 - ЭП-57_2

7,2

6,2

2,96

29,64

205

927,1

РП-4 - ЭП-57_3

7,2

6,2

2,96

29,64

205

927,1

РП-4 - ЭП-58_1

7,2

8

2,96

29,64

258

763,0

РП-4 - ЭП-58_2

7,2

5

2,96

29,64

170

1082,3

РП-5 - ЭП-57_4

6,8

9

1,46

29,64

277

719,5

РП-5 - ЭП-59

6,8

2,6

1,46

7,41

29

3185,9

РП-5 - ЭП-60

6,8

5,2

1,46

29,64

164

1110,8

РП-5 - ЭП-61

6,8

2,4

1,46

2,96

17

3831,3



8. ВЫБОР И ПРОВЕРКА ЗАЩИТНОЙ АППАРАТУРЫ ДО 1000 В


Автоматические выключатели - более совершенные защитные устройства по сравнению с предохронителями. Это аппараты многократного действия,в которых не требуется заменять защитные элементы, как это делают в предохранителях. Выключатели служат как для включения, так и для отключения рабочих токов потребителей.

В качестве защитного аппарата выбираются автоматические воздушные выключатели серии ВА51. Выключатели выбирают по следующим условиям:

по номинальному напряжению автоматического выключателя;

                                                                                       (8.1)

где  - номинальное напряжение сети.  = 380 В

по номинальному току теплового расцепителя ;

                                                                                    (8.2)

где  = 1,1...1,3 - коэффициент надежности учитывающий разброс времени срабатывания теплового расцепителя;

Iр - максимальный рабочий ток, А

по току срабатывания электромагнитного расцепителя

                                                                                (8.3)

где  = 1,25 - коэффициент запаса,

 - максимальный ток с учетом пуска электродвигателей, А.

Рабочий ток магистрали ТП-РП:

                                                                               (8.4)

Максимальный ток одного ЭД - это его пусковой ток, а группы ЭД:

                                                                         (8.5)

где - наибольший пусковой ток одного ЭД;

 - коэффициент одновременности работы потребителей. Для производственных потребителей =0,9.

- сумма рабочих токов ЭП без одного, пусковой ток которого наибольший, А.

Например, рассмотрим выбор автомата для ЭП1 :

 = 7,5 А , тогда

 А,

 А,

 А,

Выбираем автоматический выключатель серии ВА51-25. номинальный ток автомата  25 А ,ток теплового расцепителя-10 А, кратность тока электромагнитного расцепителя -=7.

 условие выполнено

А,

>58,5 условие выполнено

Таким образом, данный выключатель по всем параметрам подходит.

Для линии ВРУ-РП1:

А

Выбираем автоматический выключатель серии ВА52Г33 номинальный ток автомата =160, ток уставки теплового расцепителя-=160А, имеющий нерегулируемую обратно зависящую от тока характеристику. Принимаем кратность тока электромагнитного расцепителя =14.

,

 условие соблюдено

Условие несрабатывания электромагнитного расцепителя при пуске электродвигателя:

,

,

следовательно, условие выполнено.

Аналогично выбираются автоматические выключатели для других ЭП, РП. Результаты выбора сводятся в таблицу 8.1.

Таблица 8.1 Результаты выбора автоматических выключателей

Позиция

Токи

Расчетные токи

Тип выключателя

Номинальный ток выключателя

Токи расцепителей

Предел. коммут способн


Расчетный Iр, А

Максимальный Imax, А

Теплового Iн.т.расч., А

Электромагнитного Iэ.р. расч, А



Теплового

Электромагнитного








Iном., А

Iн.т., А

Iэ.р., А

Iпр.., кА

РП1

110,5

832,7

132,6

1040,84

ВА52Г33

160

160

2240

15

РП-1 - ЭП-1

7,5

48,8

9,0

58,5

ВА51-25

25

10

70

2

РП-1 - ЭП-2

4,9

31,9

5,9

38,3

ВА51-25

25

8

56

2

РП-1 - ЭП-3

7,7

50,3

9,3

60,4

ВА51-25

25

10

70

2

РП-1 - ЭП-4

37,2

278,9

44,6

334,7

ВА51-29

63

50

350

8

РП-1 - ЭП-5

26,6

199,2

31,9

239,1

ВА51-29

63

31,5

315

8

РП-1 - ЭП-6

32,6

244,2

39,1

293,0

ВА51-29

63

50

350

8

РП-1 - ЭП-10_1

6,3

40,9

7,6

49,1

ВА51-25

25

10

70

2

РП-2

49,4

128,0

59,3

160,02

ВА52Г33

160

80

1120

15

РП-2 - ЭП-9_1

12,2

91,2

14,6

109,4

ВА51-25

25

16

112

2

РП-2 - ЭП-9_2

12,2

91,2

14,6

109,4

ВА51-25

25

16

112

2

РП-2 - ЭП-9_3

12,2

91,2

14,6

109,4

ВА51-25

25

16

112

2

РП-2 - ЭП-9_4

12,2

91,2

14,6

109,4

ВА51-25

25

16

112

2

РП-2 - ЭП-10_2

6,3

40,9

49,1

ВА51-25

25

10

70

2

РП-3

192,8

1491,2

231,3

1864,06

ВА51-35

250

250

2500

15

РП-3 - ЭП-42

39,0

292,8

46,9

351,4

ВА51-29

63

63

441

8

РП-3 - ЭП-43

26,6

199,2

31,9

239,1

ВА51-29

63

31,5

315

8

РП-3 - ЭП-44

19,2

144,3

23,1

173,1

ВА51-25

25

25

175

2

РП-3 - ЭП-45

60,4

453,2

72,5

543,9

ВА51-31

100

80

560

8

РП-3 - ЭП-46

34,0

255,0

40,8

306,0

ВА51-29

63

50

350

8

РП-3 - ЭП-47

20,6

154,3

24,7

185,1

ВА51-29

63

31,5

220,5

8

РП-3 - ЭП-48

14,4

107,8

17,2

129,3

ВА51-25

25

20

140

2

РП-4

79,4

477,2

95,3

596,51

ВА52Г33

160

100

1400

15

РП-4 - ЭП-57_1

16,2

121,9

19,5

146,2

ВА51-25

25

25

175

2

РП-4 - ЭП-57_2

16,2

121,9

19,5

146,2

ВА51-25

25

25

175

2

РП-4 - ЭП-57_3

16,2

121,9

19,5

146,2

ВА51-25

25

25

175

2

РП-4 - ЭП-58_1

19,8

148,2

23,7

177,8

ВА51-29

63

31,5

315

2

РП-4 - ЭП-58_2

19,8

148,2

23,7

177,8

ВА51-29

63

31,5

315

2

РП-5

137,3

1081,0

164,8

1351,28

ВА51-35

250

250

2500

15

РП-5 - ЭП-57_4

16,2

121,9

19,5

146,2

ВА51-25

25

25

175

2

РП-5 - ЭП-59

43,2

323,7

51,8

388,5

ВА51-29

63

63

441

8

РП-5 - ЭП-60

6,3

31,7

7,6

38,0

ВА51-25

25

10

70

2

РП-5 - ЭП-61

86,9

651,5

104,2

781,8

ВА51-31

100

160

1120

8

 

8.1 Согласование и проверка защитной аппаратуры


В соответствии с ПУЭ условия согласования для проводников с поливинилхлоридной изоляцией и для кабелей с бумажной и поливинилхлоридной изоляцией и выключателей с обратно зависимой от тока характеристикой теплового расцепителя следующие:

доп > Iн.т                                                                                       (8.6)

Проверка автомата на чувствительность к току однофазного короткого замыкания в самой удаленной точке производится по условию:

                                                                                         (8.7)

Для надежного срабатывания Кч ³ 3.

Например для РП 1 Iн.т = 160 А, то берется сечение кабеля F =50 мм Iдоп =161 А.

н.т < Iдоп                                                                                       (8.8)

А < 161 А.

Чувствительность к току однофазного короткого замыкания в удаленной точке (ЭП1) для РП1:

Условие выполняется.

По проверке на ток трехфазного короткого замыкания все выключатели подходят, так как предельная коммутационная способность у них больше тока трехфазного короткого: выключатель ВА51Г-35:

 

Аналогично согласовываются проводники ко всем РП и ЭП и проверяются автоматические выключатели. Результаты согласования заносим в табл. 8.2 и 8.3

Таблица 8.2


Ток тепл. расцеп. авт.

Сечение кабеля

Допустимый ток

Номер РП

Iн.т., А

F, мм

Fдоп, А

РП1

160

50

161

РП2

80

16

82

РП3

250

120

271

РП4

100

25

105

РП5

250

120

271


Таблица 8.3

Позиция

Ток теплового

Ток

Коэффициент

Сечение

Допустимый ток


расцепителя

однофазного КЗ

чувствительности




Iн.т, А

Iкз, А

Кч

F, мм2

Iдоп, А

РП-1 - ЭП-1

10

872,9

87,3

2,5

21

РП-1 - ЭП-2

8

1317,4

164,7

2,5

21

РП-1 - ЭП-3

10

1586,9

158,7

2,5

21

РП-1 - ЭП-4

50

1620,0

32,4

16

67

РП-1 - ЭП-5

31,5

1728,5

54,9

6

37

РП-1 - ЭП-6

50

1458,1

29,2

16

67

РП-1 - ЭП-10_1

10

1064,4

106,4

2,5

21

РП-2 - ЭП-9_1

16

540,7

33,8

2,5

21

РП-2 - ЭП-9_2

16

572,6

35,8

2,5

21

РП-2 - ЭП-9_3

16

638,6

39,9

2,5

21

РП-2 - ЭП-9_4

16

721,8

45,1

2,5

21

РП-2 - ЭП-10_2

10

608,6

60,9

2,5

21

РП-3 - ЭП-42

63

1923,1

30,5

16

67

РП-3 - ЭП-43

31,5

1315,5

41,8

6

37

РП-3 - ЭП-44

25

560,9

22,4

6

37

РП-3 - ЭП-45

80

2655,2

33,2

25

88

РП-3 - ЭП-46

1557,3

31,1

16

67

РП-3 - ЭП-47

31,5

1270,2

40,3

6

37

РП-3 - ЭП-48

20

1749,7

87,5

2,5

21

РП-4 - ЭП-57_1

25

846,2

33,8

6

37

РП-4 - ЭП-57_2

25

927,1

37,1

6

37

РП-4 - ЭП-57_3

25

927,1

37,1

6

37

РП-4 - ЭП-58_1

31,5

763,0

24,2

6

37

РП-4 - ЭП-58_2

31,5

1082,3

34,4

6

37

РП-5 - ЭП-57_4

25

719,5

28,8

6

37

РП-5 - ЭП-59

63

3185,9

50,6

16

67

РП-5 - ЭП-60

10

1110,8

111,1

2,5

21

РП-5 - ЭП-61

160

3831,3

23,9

70

167


Результаты согласования автоматов и проводов ЭП удовлетворяют условию, следовательно, данные автоматы подходят для защиты линии данного сечения.

ЗАКЛЮЧЕНИE

В данном расчетно-графическом задании была разработана внутрицеховая электрическая сеть напряжением до 1кВ. Расчет силовой нагрузки был произведен методом упорядоченных диаграмм для расчета ЭП с разными нагрузками. Этот метод достаточно прост и дает точные результаты.

В результате расчета выбрали место расположения трансформаторной подстанции. По расчетным нагрузкам приемников определили сечение кабелей и проводов, по которым протекает расчетный ток. При этом соблюдалось условие, что по проводнику протекает ток меньший, чем допустимый.

Выполнив проверку величины потерь и колебаний напряжения, сделали вывод, что они не превышают пределов, заданных нормативно технической документацией.

По результатам расчета токов короткого замыкания, рабочих и пусковых токов выбрана защитная аппаратура для электроприемников цеха.

Таким образом, разработана надежная и экономичная внутрицеховая сеть для питания электрических потребителей, отвечающая всем необходимым условиям.

Похожие работы на - Разработка внутрицеховой электрической сети

 

Не нашли материал для своей работы?
Поможем написать уникальную работу
Без плагиата!
Без нейросетей!