Электроснабжение завода по переработке нефти
Некоммерческое акционерное общество
Алматинский университет энергетики и
связи
Кафедра Электроснабжения промышленных
предприятий
Специальность 5В0718 -
Электроэнергетика
КУРСОВАЯ РАБОТА
По дисциплине «Проектирование систем
электроснабжения»
На тему:
Электроснабжение завода по
переработке нефти
Выполнил Фируз И.
Группа Эсн- 09-4
Руководитель: ст. преподаватель
Живаева О.П
Алматы 2013
Задание
Тема проекта Электроснабжение завода по переработке нефти
Исходные данные принять из сборника заданий в соответствии с номером
заданий.
Содержание курсового проекта:
а) расчет электрических нагрузок по цехам и предприятиям в целом и
составление картограммы нагрузок завода;
б) выбор числа и мощности трансформаторов, места расположения цеховых
подстанций;
в) выбор напряжения и электрической схемы внешнего и внутреннего
электроснабжения предприятия;
г) компенсация реактивной мощности;
д) расчет токов короткого замыкания и выбор аппаратуры, кабелей высокого
напряжения;
е) релейная защита, автоматика и учет электроэнергии (без расчета);
ж) конструктивное выполнение проектируемой подстанции;
з) спецификация на основное электрооборудование проектируемой подстанции.
Перечень графического материала:
а) генплан завода с нанесением на него картограммы нагрузок, подстанций и
внутризаводской сети высокого напряжения;
б) схема электроснабжения завода;
в) план и разрезы проектируемой подстанции.
Дата выдачи задания
Срок сдачи законченного проекта
Содержание
Введение
. Исходные данные
на проектирование
. Расчет электрических
нагрузок по заводу
.1 Расчет
осветительной нагрузки
.2 Расчет
низковольтных электрических нагрузок по предприятию
.3 Выбор числа
цеховых трансформаторов и компенсация реактивной мощности на напряжение 0,4 кВ
.4 Определение
потерь мощности в ЦТП
.5 Определение
высоковольтных расчетных нагрузок
.6 Расчет
компенсации реактивной мощности на шинах 6 кВ РП
.7 Расчет
низковольтной и высоковольтной нагрузки по предприятию
. Сравнение
вариантов внешнего электроснабжения
. Выбор
оборудования и расчет токов короткого замыкания U>1кВ
.1 Расчет токов
короткого замыкания Iкз с учетом подпитки от СД
.2 Выбор
оборудования
.2.1 Выбор
выключателей
.2.2 Выбор
трансформаторов тока
.2.3 Выбор
трансформаторов напряжения
.2.4 Выбор
выключателей нагрузки
.2.5 Выбор силовых
кабелей отходящих линий
.2.6 Выбор шин ГПП
.2.7 Выбор
изоляторов
Заключение
Список
использованной литературы
Введение
Ускорение научно-технического прогресса диктует
необходимость совершенствования промышленной энергетики, создания экономичных,
надежных систем электроснабжения промышленных предприятий внедрение и
рациональную эксплуатацию высоковольтного электрооборудования, снижения
непроизводственных расходов электроэнергии при ее передаче, распределении и
потреблении, широкое внедрение устройств управления, распределения и
потребления электроэнергии на базе современной вычислительной техники. Все это
поднимает проблему подготовки высококвалифицированных специалистов.
И нефтеперерабатывающая отрасль является исключением.
Где начинается мощность электрической нагрузки цехов различны от 40 до 3000
кВт, суммарная номинальная мощность составляет 16680 кВт. С учетом
коэффициентов использования среднесменная и расчетные мощности будут меньше,
т.к. оборудование не работает всею смену в полную мощность. Предприятие не
имеет мощных потребителей работающих продолжительно и так как потребителей
довольно много то нагрузку предприятие можно условно предсказать путем
расчетов.
Электроснабжение нефтеперерабатывающего завода
производиться от подстанции системы от которой будет прокрадываться ЛЭП, на
наиболее экономически выгодном напряжении.
В ходе выполнения дипломного проекта развиваются
навыки самостоятельного решения задач и практического применения теоретических
знаний. Дипломный проект имеет цель правильного решения и выбора уровня
напряжения питающей сети воздушных и кабельных линий, электрооборудования.
1.
Исходные данные
Тема «Электроснабжение завода по переработке нефти»
Питание может быть осуществлено от подстанции энергосистемы
неограниченной мощности, на которой установлены два трехобмоточных
трансформатора мощностью по 63 МВА, напряжением 115/37/6.3 кВ (трансформаторы
работают раздельно). Мощность к.з. на стороне 115 кВ трансформаторов равна 1400
МВА. Сведения
об электрических нагрузках по цехам завода приведены в таблице 1.1.
Таблица 1.1
Электрические нагрузки по
цехам
|
№ п/п
|
Наименование
|
Кол-во ЭП n
|
Установленная мощность одного ЭП,
Pн, кВт
|
Рн
|
|
1
|
2
|
3
|
4
|
5
|
|
1
|
Установки прямой гонки
|
60
|
1÷ 85
|
2500
|
|
2
|
Сырьевой парк №1
|
32
|
1÷40
|
280
|
|
3
|
Установка термического крекинга
|
56
|
8÷75
|
1800
|
|
4
|
Элоу
|
55
|
1÷140
|
1600
|
|
5
|
Сырьевой парк №2
|
22
|
1÷35
|
310
|
|
6
|
Установка каталитического крекинга
|
56
|
10-85
|
3000
|
|
7
|
Товарно-насосная
|
17
|
10-200
|
1700
|
|
8
|
Водозабор:
|
|
|
|
|
А) 0.4 кВ
|
20
|
1÷40
|
300
|
|
Б) СД 6 кВ
|
4
|
630
|
2520
|
|
9
|
Электроремонтный цех
|
45
|
5÷40
|
300
|
|
10
|
Сырьевой цех
|
25
|
1÷40
|
800
|
|
11
|
Парк готовой продукции
|
26
|
1÷45
|
500
|
|
12
|
Нефтеловушка
|
18
|
10÷20
|
180
|
|
13
|
Ремонтно- механический цех
|
24
|
10-25
|
350
|
|
14
|
Заводоуправление
|
48
|
1-15
|
500
|
|
15
|
Склад
|
10
|
5-10
|
40
|
Освещение
цехов и территории определить по площади.
2. Расчет электрических нагрузок
2.1 Расчет осветительной нагрузки
Расчет осветительной нагрузки при определении нагрузки предприятия
производим упрощенным методом по удельной плотности осветительной нагрузки на
квадратный метр производственных площадей и коэффициенту спроса.
По этому методу расчетная осветительная нагрузка принимается равной
средней мощности освещения за наиболее загруженную смену и определяется по
формулам:
(2.1)
(2.2)
где Кco - коэффициент спроса по активной мощности осветительной нагрузки,
tgо - коэффициент реактивной мощности,
определяется по cosj,
Руо - установленная мощность приемников освещения по цеху,
определяется по удельной осветительной нагрузке на 1м2 поверхности
пола известной производственной площади;
F -
площадь производственного помещения, которая определяется по генеральному плану
завода, м2;
удельная расчетная мощность, кВт/м2.
Все расчетные данные заносятся в таблицу 2.1 - Расчет осветительной нагрузки.
2.2 Расчет
электрических нагрузок по предприятию
Расчет электрических нагрузок напряжением до 1 кВ по цехам предприятия
производим также методом упорядоченных диаграмм упрощенным способом. Результаты
расчета силовых и осветительных нагрузок по цехам сведены в таблицу 2.2 -
Расчет электрических нагрузок по цехам напряжением 0,4кВ.
2.3 Выбор
числа цеховых трансформаторов и компенсация реактивной мощности на напряжение
0,4 кВ
Правильное определение числа и мощности цеховых трансформаторов возможно
только путем технико-экономических расчетов с учетом следующих факторов:
категории надежности электроснабжения потребителей; компенсации реактивных
нагрузок на напряжении до 1кВ; перегрузочной способности трансформаторов в
нормальном и аварийном режимах; шага стандартных мощностей; экономичных режимов
работы трансформаторов в зависимости от графика нагрузки.
Данные для расчета:
Рp0,4= 9447.08кВт;p0,4= 5902.7квар;p0,4=
11139.5 кВА.
Завод относится ко 2 категории потребителей, завод работает в две смены,
следовательно, коэффициент загрузки трансформаторов Кзтр=0,8.
Принимаем трансформатор мощностью Sнт=1600 кВА.
Таблица 2.1
Расчет осветительной нагрузки
|
№№ по плану
|
Наименование производственного помещения
|
Размеры помещения, длина (м) ´ширина (м)
|
Площадь помещения, м2
|
Удельная осветительная нагрузка о, кВт/м2
|
Коэфф. спроса, Кс
|
Установленная мощность освещения, Рyо, кВт
|
Расчетная мощность осветительной нагрузки
|
cosj
/ tgj
|
Тип источника света
|
|
|
|
|
|
|
|
Рро, кВт
|
Qро, квар
|
|
|
|
1
|
2
|
3
|
4
|
5
|
6
|
7
|
8
|
9
|
10
|
11
|
|
1
|
Установки прямой гонки
|
31.5x94.5
|
2976.7
|
0,014
|
0,8
|
41.67
|
33.33
|
16
|
0,9/0,48
|
ДРЛ
|
|
2
|
Сырьевой парк №1
|
77x119
|
9163
|
0,01
|
0,6
|
91.63
|
54.97
|
0
|
1/0
|
ЛН
|
|
3
|
Установка термического крекинга
|
98x119
|
11662
|
0,014
|
0,8
|
163.26
|
130.6
|
62.68
|
0.9/0.48
|
ДРЛ
|
|
4
|
Элоу
|
101.5x56
|
5684
|
0,014
|
0,8
|
79.576
|
63.65
|
30.68
|
0,9/0,48
|
ДРЛ
|
|
5
|
Сырьевой парк №2
|
77x112
|
8624
|
0,01
|
0,6
|
86.24
|
51.74
|
0
|
1/0
|
ЛН
|
|
6
|
Установка каталитического крекинга
|
91x112
|
10192
|
0,014
|
0,8
|
142.68
|
114.14
|
54.78
|
0.9/0.48
|
ДРЛ
|
|
7
|
Товарно-насосная
|
38.5x94.5
|
3638.25
|
0,013
|
0,7
|
47.29
|
33.1
|
0
|
1/0
|
ЛН
|
|
8
|
Водозабор:
|
24.5x45.5
|
1114.75
|
0,013
|
0,7
|
14.49
|
10.143
|
0
|
1/0
|
ЛН
|
|
9
|
Электроремонтный цех
|
49x25
|
1225
|
0,014
|
0,8
|
17.15
|
13.73
|
6.58
|
0,9/0,48
|
ДРЛ
|
|
10
|
Сырьевой цех
|
255.5x115.5
|
29510
|
0,014
|
0,8
|
413.14
|
333.71
|
160.18
|
0,9/0,48
|
ДРЛ
|
|
11
|
Парк готовой продукции
|
56x108.5
|
6076
|
0,01
|
0,6
|
60.76
|
36.45
|
0
|
1/0
|
ЛН
|
|
12
|
Нефтеловушка
|
28x56
|
1568
|
0,014
|
0,8
|
21.95
|
17.56
|
8.42
|
0,9/0,48
|
ДРЛ
|
|
13
|
Ремонтно- механический цех
|
28x56
|
1568
|
0,014
|
0,8
|
21.95
|
17.56
|
8.42
|
0.9/0.48
|
ДРЛ
|
|
14
|
Заводоуправление
|
42x140
|
5880
|
0,02
|
0,9
|
117.6
|
105.84
|
50.8
|
0,9/0,48
|
ЛЛ
|
Склад
|
21x112
|
2352
|
0,01
|
0.6
|
23.52
|
14.11
|
0
|
1/0
|
ЛН
|
|
16
|
Территория
|
350x570.5
|
98386.05
|
0.005
|
1
|
491.93
|
491.93
|
236.126
|
0,9/0,48
|
ДРЛ
|
Таблица 2.2
Расчет электрических нагрузок по цехам, U = 0,4кВ
|
№ цехов
|
Наименование цехов
|
Кол-во ЭП, n
|
Установленная мощность, кВт
|
m
|
Kи
|
cosj
/tgj
|
Средние нагрузки
|
nэ
|
Kм
|
Расчетные нагрузки
|
Iр, А
|
|
|
|
Рн min¸ Рн max
|
åPн
|
|
|
|
Pсм, кВт
|
Qсм, квар
|
|
|
Pp, кВт
|
Qp, квар
|
Sp, кВА
|
|
|
1
|
2
|
3
|
4
|
5
|
6
|
7
|
8
|
9
|
10
|
11
|
12
|
13
|
14
|
15
|
16
|
|
1
|
Установки прямой гонки
|
|
|
|
|
|
|
|
|
|
|
|
|
|
|
|
а) силовая
|
60
|
1÷85
|
2500
|
>3
|
0,5
|
0,75/0.88
|
1250
|
1100
|
59
|
1,11
|
1387.5
|
1100
|
|
|
|
б) осветительная
|
|
|
|
|
|
|
|
|
|
|
33.33
|
16
|
|
|
|
Итого
|
|
|
|
|
|
|
|
|
|
|
1420.8
|
1116
|
1806.7
|
2581
|
|
2
|
Сырьевой парк №1
|
|
|
|
|
|
|
|
|
|
|
|
|
|
|
|
а) силовая
|
32
|
1÷40
|
280
|
> 3
|
0,3
|
0,8/0.75
|
84
|
63
|
14
|
1,45
|
121.8
|
63
|
|
|
|
б) осветительная
|
|
|
|
|
|
|
|
|
|
|
54.97
|
0
|
|
|
|
Итого
|
|
|
|
|
|
|
|
|
|
|
176.77
|
63
|
1877
|
2681
|
|
3
|
Установка термического крекинга
|
|
|
|
|
|
|
|
|
|
|
|
|
|
|
|
а) силовая
|
56
|
8÷ 75
|
1800
|
> 3
|
0.65
|
0,85/0,62
|
1170
|
725.4
|
48
|
1.08
|
1263.6
|
725.4
|
|
|
|
б) осветительная
|
|
|
|
|
|
|
|
|
|
|
130.6
|
62.68
|
|
|
|
Итого
|
|
|
|
|
|
|
|
|
|
|
1394.2
|
788.1
|
1602
|
2289
|
|
4
|
Элоу
|
|
|
|
|
|
|
|
|
|
|
|
|
|
|
|
а) силовая
|
55
|
1÷ 140
|
1600
|
> 3
|
0,5
|
0,8/0.75
|
800
|
600
|
23
|
1,17
|
936
|
600
|
|
|
|
б) осветительная
|
|
|
|
|
|
|
|
|
|
|
63.65
|
30.55
|
|
|
|
Итого
|
|
|
|
|
|
|
|
|
|
|
999.65
|
630.55
|
1182
|
1688
|
|
5
|
Сырьевой парк №2
|
|
|
|
|
|
|
|
|
|
|
|
|
|
|
|
а) силовая
|
22
|
1÷ 35
|
310
|
> 3
|
0,3
|
0,8/0.75
|
93
|
69.75
|
18
|
1,37
|
127.4
|
69.75
|
|
|
|
б) осветительная
|
|
|
|
|
|
|
|
|
|
|
51.74
|
0
|
|
|
|
Итого
|
|
|
|
|
|
|
|
|
|
|
179.14
|
69.75
|
192.2
|
274.6
|
|
6
|
Установка каталитического крекинга
|
|
|
|
|
|
|
|
|
|
|
|
|
|
|
|
а) силовая
|
56
|
10÷ 85
|
3000
|
< 3
|
0,5
|
0,8/0.75
|
1500
|
1125
|
56
|
1.11
|
1665
|
1125
|
|
|
|
б) осветительная
|
|
|
|
|
|
|
|
|
|
|
114.14
|
54.78
|
|
|
|
Итого
|
|
|
|
|
|
|
|
|
|
|
1779.14
|
1179.8
|
2135
|
3050
|
|
7
|
Товарно-насосная
|
|
|
|
|
|
|
|
|
|
|
|
|
|
|
|
а) силовая
|
17
|
10÷200
|
1700
|
> 3
|
0,6
|
0,8/0,75
|
1020
|
765
|
17
|
1,16
|
1183.2
|
765
|
|
|
|
б) осветительная
|
|
|
|
|
|
|
|
|
|
|
33.1
|
0
|
|
|
|
Итого
|
|
|
|
|
|
|
|
|
|
|
1216.3
|
765
|
1436.87
|
2052.6
|
|
8
|
Водозабор:
|
|
|
|
|
|
|
|
|
|
|
|
|
|
|
|
а) силовая
|
20
|
1÷ 40
|
300
|
> 3
|
0,6
|
0,8/0,75
|
180
|
135
|
15
|
1.18
|
212.4
|
135
|
|
|
|
б) осветительная
|
|
|
|
|
|
|
|
|
|
|
10.14
|
0
|
|
|
|
Итого
|
|
|
|
|
|
|
|
|
|
|
222.5
|
135
|
260.28
|
371.8
|
|
9
|
Электроремонтный цех
|
|
|
|
|
|
|
|
|
|
|
|
|
|
|
|
а) силовая
|
45
|
5÷ 40
|
300
|
< 3
|
0,3
|
0,8/0,75
|
90
|
67.5
|
15
|
1.41
|
126.9
|
67.5
|
|
|
|
б) осветительная
|
|
|
|
|
|
|
|
|
|
|
13.72
|
6.58
|
|
|
|
Итого
|
|
|
|
|
|
|
|
|
|
|
140.62
|
74.08
|
158.9
|
227.05
|
|
10
|
Сырьевой цех
|
|
|
|
|
|
|
|
|
|
|
|
|
|
|
|
а) силовая
|
25
|
1÷ 40
|
800
|
> 3
|
0,3
|
0,8/0.75
|
240
|
180
|
25
|
1.28
|
307.2
|
180
|
|
|
|
б) осветительная
|
|
|
|
|
|
|
|
|
|
|
333.71
|
160.18
|
|
|
|
Итого
|
|
|
|
|
|
|
|
|
|
|
640.9
|
340.18
|
725.58
|
1036.5
|
|
11
|
Парк готовой продукции
|
|
|
|
|
|
|
|
|
|
|
|
|
|
|
|
а) силовая
|
26
|
1÷ 45
|
500
|
> 3
|
0,3
|
0,8/0,75
|
150
|
112.5
|
22
|
1.28
|
192
|
112.5
|
|
|
|
б) осветительная
|
|
|
|
|
|
|
|
|
|
|
36.45
|
0
|
|
|
|
Итого
|
|
|
|
|
|
|
|
|
|
|
228.48
|
112.5
|
254.6
|
363.78
|
|
12
|
Нефтеловушка
|
|
|
|
|
|
|
|
|
|
|
|
|
|
|
|
а) силовая
|
18
|
10÷20
|
180
|
> 3
|
0,3
|
0,7/1,02
|
54
|
55
|
18
|
1.37
|
73.98
|
55
|
|
|
|
б) осветительная
|
|
|
|
|
|
|
|
|
|
|
17.56
|
8.42
|
|
|
|
Итого
|
|
|
|
|
|
|
|
|
|
|
91.54
|
63.42
|
111.36
|
363.78
|
|
13
|
Ремонтно-механический цех
|
|
|
|
|
|
|
|
|
|
|
|
|
|
|
|
а) силовая
|
24
|
10÷ 25
|
350
|
> 3
|
0,3
|
0,7/1,02
|
105
|
107.1
|
24
|
1,28
|
134.4
|
107.1
|
|
|
|
б) осветительная
|
8.42
|
|
|
|
Итого
|
|
|
|
|
|
|
|
|
|
|
151.96
|
115.5
|
190.88
|
272.6
|
|
14
|
Заводоуправление
|
|
|
|
|
|
|
|
|
|
|
|
|
|
|
|
а) силовая
|
48
|
1÷ 15
|
500
|
> 3
|
0,3
|
0,7/1,02
|
150
|
153
|
48
|
1.16
|
174
|
153
|
|
|
|
б) осветительная
|
|
|
|
|
|
|
|
|
|
|
105.84
|
50.8
|
|
|
|
Итого
|
|
|
|
|
|
|
|
|
|
|
279.84
|
203.8
|
346.2
|
494.5
|
|
15
|
Склад
|
|
|
|
|
|
|
|
|
|
|
|
|
|
|
|
а) силовая
|
10
|
5÷ 10
|
40
|
> 3
|
0,3
|
0,8/0.75
|
12
|
9
|
8
|
1,6
|
19.2
|
9.9
|
|
|
|
б) осветительная
|
|
|
|
|
|
|
|
|
|
|
14.11
|
0
|
|
|
|
Итого
|
|
|
|
|
|
|
|
|
|
|
33.31
|
9.9
|
34.7
|
49.6
|
|
16
|
Освещение территории
|
|
|
|
|
|
|
|
|
|
|
|
|
|
|
|
а) силовая
|
|
|
|
|
|
|
|
|
|
|
8955.15
|
5666.58
|
|
|
|
б) осветительная
|
|
|
|
|
|
|
|
|
|
|
491.93
|
236.13
|
|
|
|
Итого
|
|
|
|
|
|
|
|
|
|
|
9447.08
|
5902.7
|
11139.5
|
15913.6
|
|
|
|
|
|
|
|
|
|
|
|
|
|
|
|
|
|
Для каждой технологически концентрированной группы цеховых
трансформаторов одинаковой мощности минимальное их число, необходимое для
питания наибольшей расчетной активной нагрузки, рассчитывается по формуле
где
- суммарная расчетная активная нагрузка;
-
коэффициент загрузки трансформатора;
-
принятая номинальная мощность трансформатора;
-
добавка до ближайшего целого числа
Экономически целесообразное число трансформаторов
определяется по формуле
где
- дополнительное
число трансформаторов;
-
определяется удельными затратами на передачу реактивной мощности с учетом
постоянных составляющих капитальных затрат.
Тогда из справочника по кривым определяем m, для нашего случая m = 0, значит
трансформаторов.
По выбранному числу трансформаторов определяют наибольшую
реактивную мощность Q1, которую целесообразно передать через трансформаторы
в сеть напряжением до 1 кВ, определяется по формуле
Рисунок 2.1
Из условия баланса реактивной мощности на шинах 0,4 кВ определим величину
Qнбк Σ
Отсюда
Определим мощность одной батареи конденсаторов, приходящуюся на каждый
трансформатор
Выбираем
батареи конденсаторов типа УКМ-0,4-250-50 У3.
На
основании расчетов, полученных в данном пункте, составляется таблица 4, в
которой показано распределение низковольтной нагрузки по цеховым ТП.
Таблица
4
Распределение низковольтной нагрузки по цеховым ТП
|
№ТП, Sн.тр, QНБК
|
№ цехов
|
РР0,4, кВт
|
QР0,4, квар
|
SР0,4, кВA
|
Кз
|
|
1
|
2
|
3
|
4
|
5
|
6
|
|
ТП 1(2х1600)кВА QНБК=2х250=500квар
|
1
|
1420.8
|
1116
|
|
|
|
2
|
176.7
|
63
|
|
|
|
5
|
179.14
|
69.75
|
|
|
|
8
|
222.5
|
135
|
|
|
|
9
|
140.62
|
74.08
|
|
|
|
12
|
91.54
|
63.43
|
|
|
|
13
|
151.96
|
115.5
|
|
|
|
15
|
33.31
|
9.9
|
|
|
|
QНБК
|
|
|
-500
|
|
|
|
Итого
|
|
2416.57
|
1146.65
|
2674.81
|
0.84
|
|
ТП 2(2х1600)кВА ТП
3(2х1600)кВА QНБК=4х250=1000квар QНБК
|
3
|
1394.2
|
788.1
|
|
|
|
6
|
1779.14
|
1179.8
|
|
|
|
7
|
1216.3
|
765
|
|
|
|
14
|
279.84
|
203.8
|
|
|
|
|
|
-1000
|
|
|
|
Итого
|
|
4669.48
|
1936.7
|
5055.181
|
0.79
|
|
ТП 4(2х1600)кВА
|
4
|
999.65
|
630.55
|
|
|
|
QНБК=2х250=500квар
|
10
|
640.9
|
340.18
|
|
|
|
Освещение территории
|
11
|
224.48
|
112.5
|
|
|
|
QНБК
|
|
491.93
|
236.126
|
|
|
|
Итого
|
|
2356.96
|
819.356
|
2495.317
|
0.78
|
2.4
Определение потерь мощности в ЦТП
Фактические потери активной и реактивной мощности в силовых
трансформаторах равны
где
активные потери холостого хода;
активные
потери короткого замыкания;
ток
холостого хода трансформатора, %;
напряжение
короткого замыкания трансформатора, %;
коэффициент
загрузки трансформатора;
количество
трансформаторов
Таблица
5
Технические характеристики трансформатора
|
Тип трансформатора
|
Напряжение, кВ
|
Потери, Вт
|
Напряжение кз, %
|
Ток хх, %
|
|
ВН
|
НН
|
хх
|
Кз
|
|
|
|
ТПС(З)-1600
|
6-10
|
0,4
|
2750
|
13500
|
6,0
|
0,7
|
Трехфазные сухие трансформаторы с литой изоляцией типа ТПС З (с кожухом)
мощностью 250-2500 кВА и класса напряжения до 10 кВ предназначены для
преобразования электрической энергии в электросетях трехфазного переменного
тока частотой 50 Гц. Устанавливаются в промышленных помещениях и общественных
зданиях, к которым предъявляют повышенные требованиям в части пожаробезопасности,
взрывозащищенности, экологической чистоты.
Обмотки низшего напряжения изготавливаются из алюминиевой фольги с
изоляцией из стеклотканевого препрега. Обмотки высшего напряжения заливаются
эпоксидной смолой в вакуумзаливочной машине.
Трансформаторы выпускаются в исполнении со степенью защиты IP00 или IP21. Против перегрева трансформаторы защищены тепловой
позисторной защитой, встроенной в обмотку низшего напряжения и выведенной на
клеммы теплового реле. Регулирование напряжения до ±5% ступенями по 2,5%. ПБВ
(переключение без возбуждения путем перестановки перемычек).
Трансформаторы не предназначены для работы в условиях тряски, вибрации,
ударов, в химически активной, взрывоопасной, содержащей пыли окружающей среде.
Структура условного обозначения трансформатора: ТСЛ (З) - Х/Х УЗ
Т - трехфазный;
С - охлаждение естественное воздушное;
Л - тип изоляции;
(З) - исполнение защищенное;
- Х
- типовая мощность в киловольт-амперах;
Х - класс напряжения обмотки ВН;
УЗ - климатическое исполнение и категория размещения.
ТП 1,
Кз=0,84; N=2.
ТП2,ТП 3
Кз=0,79; N=4.
ТП2; Кз=0,78; N=2.
Суммарные потери в трансформаторах
2.5
Определение высоковольтных расчетных нагрузок
Используем СД для компенсации реактивной мощности на стороне ВН.
Определение расчетных активных и реактивных мощностей для СД
Выбираем
тип СДН-2-16-44-12
.6 Расчет
компенсации реактивной мощности на шинах 6 кВ РП
Рисунок
2.2
Составляется уравнение баланса реактивной мощности для шин 6 кВ ГПП:
где
величина резерва реактивной мощности на предприятии,
определяется по формуле
входная
реактивная мощность задается энергосистемой как экономически оптимальная
реактивная мощность, которая может быть передана предприятию в период
наибольшей нагрузки энергосистемы и определяется по формуле
.
.
Для
индивидуальной компенсации реактивной мощности на шинах выбираем высоковольтные
батареи конденсатора типа 2хУКЛ-6.3-450 У3.
2.7 Расчет
низковольтной и высоковольтной нагрузки по предприятию
Расчет силовой нагрузки по предприятию, включая низковольтную и
высоковольтную нагрузки, потери в трансформаторах ЦТП, приведены в таблице 6.
Таблица 6
Уточненный расчет мощности по промышленному предприятию
|
№№ ТП, Sнт,
QБК ТП
|
№ цеха
|
n
|
Pn min -Pn max
|
SPн
|
Ки
|
Средняя мощность
|
nэ
|
Kм
|
Расчетные мощности
|
Kз
|
|
|
|
|
|
|
Рсм, кВт
|
Qcм, квар
|
|
|
Рр, кВт
|
Qр, квар
|
Sp, кВА
|
|
|
1
|
2
|
3
|
4
|
5
|
6
|
7
|
8
|
9
|
10
|
11
|
12
|
13
|
14
|
|
ТП1, (2х1600)кВА
|
1
|
60
|
1÷85
|
2500
|
0.5
|
1250
|
1100
|
|
|
|
|
|
|
|
2
|
32
|
1÷40
|
280
|
0.3
|
84
|
63
|
|
|
|
|
|
|
|
5
|
22
|
1÷35
|
310
|
0.3
|
93
|
69.75
|
|
|
|
|
|
|
|
8
|
20
|
1÷40
|
300
|
0.6
|
180
|
135
|
|
|
|
|
|
|
|
9
|
45
|
5÷40
|
300
|
0.3
|
90
|
67.5
|
|
|
|
|
|
|
|
12
|
18
|
10÷20
|
180
|
0,3
|
54
|
55
|
|
|
|
|
|
|
|
13
|
24
|
1-15
|
500
|
0.3
|
150
|
153
|
|
|
|
|
|
|
|
15
|
10
|
5-10
|
40
|
0.3
|
12
|
9
|
|
|
|
|
|
|
|
Силовая
|
|
231
|
1-85
|
4410
|
0.4
|
1913
|
1652.25
|
103.7
|
1.08
|
2066
|
1652.25
|
|
|
|
Осве-ная 213.13 78.84 QНБК -500 Итого
2279.13 1231.09 2590.3 0.81
|
|
ТП 2, ТП3. (4х1600) кВА Силовая ОсветительнQНБК
|
3
|
56
|
8÷75
|
1800
|
1170
|
725.4
|
|
|
|
|
|
|
|
6
|
56
|
10÷85
|
3000
|
0.5
|
1500
|
1125
|
|
|
|
|
|
|
|
7
|
17
|
10÷200
|
1700
|
0.6
|
1020
|
765
|
|
|
|
|
|
|
|
14
|
48
|
1÷15
|
500
|
0.3
|
12
|
9
|
|
|
|
|
|
|
|
|
177
|
1÷200
|
7000
|
0.5
|
3702
|
2624.4
|
70
|
1.10
|
4072.2
|
2624.4
|
|
|
|
|
|
|
|
|
|
|
|
|
383.68
|
168.26
|
|
|
|
|
|
|
|
|
|
|
|
|
|
-1000
|
|
|
|
Итого
|
|
|
|
|
|
|
|
|
|
4455.8
|
1792.6
|
4802.8
|
0.75
|
|
ТП 4
|
4
|
55
|
1-140
|
1600
|
0.5
|
800
|
600
|
|
|
|
|
|
|
|
(2х1600)кВА
|
10
|
25
|
1-40
|
800
|
0.3
|
180
|
180
|
|
|
|
|
|
|
|
11
|
26
|
1-45
|
500
|
0.3
|
112.5
|
112.5
|
|
|
|
|
|
|
|
Силовая
|
|
106
|
1-140
|
2900
|
0.4
|
892.5
|
892.5
|
41.4
|
1.15
|
1368.5
|
892.5
|
|
|
|
Осветительн
|
|
|
|
|
|
|
|
|
|
433.81
|
190.73
|
|
|
|
Освещ. терит
|
|
|
|
|
|
|
|
|
|
491.93
|
236.12
|
|
|
|
QНБК
|
|
|
|
|
|
|
|
|
|
|
-500
|
|
|
|
Итого
|
|
|
|
|
|
|
|
|
|
2294.24
|
819.35
|
2436.16
|
0.76
|
|
Итого по заводу 0,4кВ
|
|
|
|
|
|
|
|
|
|
9029.17
|
3843.04
|
|
|
|
ΔРтрΣ,
ΔQтрΣ
|
|
|
|
|
|
|
|
|
|
91.17
|
581.47
|
|
|
|
Итого по заводу 10кВ
|
|
|
|
|
|
|
|
|
|
9120.34
|
4424.5
|
10136.9
|
|
|
|
|
|
|
|
|
|
|
|
|
|
|
|
|
Водозабор
|
|
|
|
|
|
|
|
|
|
2142
|
1028.16
|
|
|
|
QВБК
|
|
|
|
|
|
|
|
|
|
|
-900
|
|
|
|
Итого по заводу
|
|
|
|
|
|
|
|
|
|
11262.3
|
4552.6
|
12147.67
|
|
|
|
|
|
|
|
|
|
|
|
|
|
|
|
|
3.
Сравнение вариантов внешнего электроснабжения
При решении задач оптимизации промышленного электроснабжения возникает
необходимость сравнения большого количества вариантов.
Много вариантность задач промышленной энергетики обуславливает проведения
технико-экономического расчета, целью которого является определение
оптимального варианта схемы, параметров электросети и ее элементов
Для технико-экономического сравнения вариантов электроснабжения завода
рассмотрим три варианта:
1. I вариант - ЛЭП 110 кВ;
2. II вариант - ЛЭП 35 кВ;
3. III вариант - ЛЭП 6 кВ.
Вариант 1
Рисунок 3.1 - Первый вариант схемы электроснабжения
Выбираем электрооборудование по I варианту.
Выбираем трансформаторы ГПП
Рассмотрим 2 трансформатора мощностью 10000 кВА:
Таблица
7
Технические характеристики трансформатора
|
Тип трансформатора
|
Напряжение, кВ
|
Потери, кВт
|
Напряжение кз,%
|
Ток хх, %
|
|
ВН
|
НН
|
хх
|
кз
|
|
|
|
ТДН-10000/110
|
115
|
11
|
10
|
58
|
10,5
|
0,4
|
Трансформатор силовой, трехфазный, двухобмоточный, с естественной
циркуляцией масла и принудительной циркуляцией воздуха, с регулированием
напряжения под нагрузкой (РПН), с диапазоном регулирования ± 9х1,78% со стороны
ВН. Автоматическое управление осуществляется от автоматического контроллера
поставляемого вместе трансформатором. Применение трансформатора типа ТДН
позволяет обеспечить потребителю надежное электроснабжение в течение всего
срока эксплуатации.
Структура условного обозначения ТДН-Х/110-У1
Т- трансформатор трехфазный;
Д - принудительная циркуляция воздуха и естественная циркуляция масла;
Н - с регулированием напряжения под нагрузкой (РПН);
Х - номинальная мощность, кВА;
-класс напряжения, кВ;
У1 - климатическое исполнение и категория размещения по ГОСТ 15150.
Определим потери мощности в трансформаторах ГПП:
Определим потери электрической энергии в трансформаторах ГПП:
где
- число часов включения, для трехсменной работы
- число
часов использования максимума потерь и зависит от числа часов использования
максимума нагрузки:
где
- число часов использования максимума
Выбираем сечение проводов ЛЭП 110 кВ
Определим мощность, проходящую по ЛЭП
а)
определим сечение по экономической плотности тока (jэ)
где
плотность тока для воздушных линий.
Принимаем
стандартное ближайшее сечение Fэ=70мм2,
Iдоп= 265А
б)
по условию потерь на «корону»
Так
как для ВЛ 110 кВ минимальное сечение 70 мм2, то принимается провод
марки АС -70, Iдоп=265 А.
в)
на нагрев рабочим током
Iдоп .пров.> Iр, (265А
> 29.4А)
г)
по аварийному режиму
,3
´ Iдоп .пров.>
Iав.,
(345> 58.71А)
Окончательно
принимаем провод марки АС-70, I доп = 265
А
Определим
потери электрической энергии в ЛЭП 110 кВ
где
-
удельное активное сопротивление АС-70
Выбор
оборудования на U=110 кВ.
Перед
выбором аппаратов составим схему замещения (рисунок 3.2) и рассчитаем ток
короткого замыкания.
Рисунок 3.2- Схема замещения
Определяем базисный ток
Определяем сопротивление системы
Определяем
сопротивление ЛЭП
Определяем ток короткого замыкания в точке К-1
Определяем ток короткого замыкания в точке К-2
Определяем
ударный ток в точке К-1
Определяем
ударный ток в точке К-2
Мощность
короткого замыкания
После
расчета токов КЗ произведем выбор оборудования
·
выключатели В1,
В2, В3, В4: LTB-145
·
разъединители: NSA123/1000
·
ограничители
перенапряжения: PEXLIM 110кВ, Uн=110 кВ
Определим капитальные затраты на выбранное оборудование
1) Затраты на трансформаторы ГПП
Ктр.гпп=2∙(73.3)= 146.4 млн.тг.
2) Затраты на ЛЭП-110 кВ
КЛЭП-110=l∙Клэп=5,5∙(3.6)= 19.8 млн.тг.
3) Затраты на выключатели В1-В4
КВ1-В4=4∙(12)= 48 млн. тг.
4) Затраты на разъеденитель
Кразъед.= 4∙(3)=12 млн.тг.
5) Затраты на ОПН
КОПН=4∙(0.6) = 2.4млн.тг.
Суммарные затраты
SКI= Ктр.гпп + КЛЭП-110 +КВ1-В4+ Кразъед. + КОПН,
SКI=48 +19.8+12 +2.4 +146.4=228.6
млн.тг.
Суммарные издержки рассчитываются по формуле
SИI=Иа+Ипот+Иэксп,
Амортизационные отчисления Иа: Иа=Еа.
К
Для ВЛ-110 кВ на железобетонных опорах Еа=0,028
Для распредустройств и подстанций Еа=0,063
Амортизационные отчисления на оборудование
Иа.обор.=Еа.обор∙SКобор.=Еа.обор∙( КВ1-В4+ Кразъед. + КОПН+Ктр.гпп),
Иа.обор =0,063∙(48 +12 +2.4+146.4)=13.15 млн.тг.
Амортизационные отчисления на ЛЭП
Иа.лэп=Еа.лэп∙Клэп=0,028∙19.8=554 тыс. тг.
Суммарные амортизационные отчисления
Иа= Иа.обор +Иа.лэп=12+0,64 =12.64
млн.тг
Издержки на эксплуатацию оборудования:
Иэкспл.обор.=Еэкспл.обор. ∙SКобор=0,03∙208.8=6.26
млн. тг
Издержки на эксплуатацию ЛЭП
Иэкспл.лэп=Еэкспл.лэп. Клэп=
0,028∙19.8 =554 тыс. тг..
Стоимость потерь электроэнергии Со=12 тг./кВт.∙ч
Определим издержки на потери электроэнергии:
Ипот=Со∙(DWтр. гпп+DWЛЭП-110)=12∙(262439.18+44742.5)=3.6
млн.тг.
Определим суммарные издержки
SИI=Иа+Иэксп+Ипот=(13.155+0.55)+(6.26+0.55)+3.68=24.21.тг.
Приведенные затраты, являющиеся мерой стоимости, определяются по выражению
ЗI = Е . (КI+ИI )=0,12∙(228.61 +24.21)= 30.33млн.тг.
где Е = 0,12 - нормативный коэффициент эффективности капиталовложений
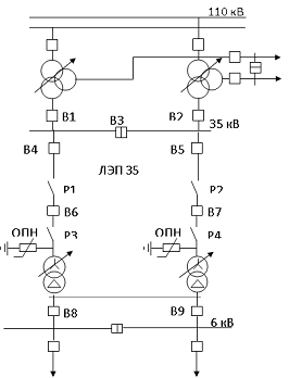
Вариант 2
Рисунок 3.3 Второй вариант схемы электроснабжения
Выбираем электрооборудование по II варианту.
Выбираем трансформаторы ГПП
Принимаем 2 трансформатора 210000кВА, Кз=0,6 типа
ТДНС-10000/35-У1
Таблица
9
Технические характеристики трансформатора
|
Тип трансформатора
|
Напряжение, кВ
|
Потери, кВт
|
Напряжение кз,%
|
Ток хх, %
|
|
ВН
|
НН
|
Хх
|
кз
|
|
|
|
ТДНС-10000/35
|
36,75
|
6.3
|
8.5
|
60
|
8.0
|
0,3
|
Трансформатор силовой, трехфазный, двухобмоточный, с естественной
циркуляцией масла и принудительной циркуляцией воздуха, с регулированием
напряжения под нагрузкой (РПН), с диапазоном регулирования ± 8х1,5% со стороны
ВН. Автоматическое управление осуществляется от автоматического контроллера
поставляемого вместе трансформатором. Предназначены для работы в электрических
сетях собственных нужд электростанции. Применение трансформатора типа ТДНС
позволяет обеспечить потребителю надежное электроснабжение в течение всего
срока эксплуатации.
Структура условного обозначения ТДНС-Х/35-У1
Т- трансформатор трехфазный;
Д - с естественной циркуляция масла и принудительной циркуляцией воздуха;
Н- с регулированием напряжения под нагрузкой (РПН);
С - предназначен для работы в электрических сетях собственных нужд
электростанции;
Х - номинальная мощность, кВА;
35 - класс напряжения, кВ;
У1 - климатическое исполнение и категория размещения по ГОСТ 15150.
Определим потери мощности в трансформаторах ГПП

Определим потери электрической энергии в трансформаторах ГПП
где
- число часов включения, для трехсменной работы
- число
часов использования максимума потерь и зависит от числа часов использования
максимума нагрузки(
)
Выбираем сечение проводов ЛЭП 35 кВ
Определим мощность, проходящую по ЛЭП
а)
определим сечение по экономической плотности тока (jэ)
где
-плотность тока для воздушных линий.
Принимаем
стандартное ближайшее сечение сечение Fэ= 95мм2, Iдоп= 330 А, АС-95
б)
на нагрев рабочим током АС 95
Iдоп .пров.> Iр, (330А
> 91.35А)
в)
по аварийному режиму
,3
´ Iдоп .пров.>
Iав.,
(429А> 182.7 А)
Окончательно
принимаем провод марки АС-95 ,I доп= 330А
Определим
потери электрической энергии в ЛЭП 35 кВ
где
-
удельное активное сопротивление АС-95
Выберем трансформаторы энергосистемы
Выбираем два трансформатора типа ТДТН-63000/110/35/6
Трансформатор силовой, трехфазный, трехобмоточный, с естественной
циркуляцией масла и принудительной циркуляцией масла и принудительной
циркуляцией воздуха, с регулированием напряжения под нагрузкой (РПН), с
диапазоном регулирования ±9х1,78% со стороны ВН, с переключением ответвлений
без возбуждения (ПБВ), с диапазоном регулирования ±2х2,5% со стороны СН.
Автоматическое управление осуществляется от автоматического контролера
поставляемого вместе с трансформатором. Применение трансформатора типа ТДТН -
обеспечить потребителю надежное электроснабжение в течение всего срока
эксплуатации.
Таблица 10
Паспортные данные
|
Тип трансформатора
|
Напряжение, кВ
|
Потери, кВт
|
Напряжение кз,%
|
Ток хх, %
|
|
ВН
|
СН
|
НН
|
хх
|
Кз
|
ВН-СН
|
ВН-НН
|
СН-НН
|
|
|
ТДТН-63
000/110/35/6
|
115
|
38,5
|
6.6
|
50
|
290
|
10,5
|
18.0
|
7.0
|
0,3
|
Структура условного обозначения ТДТН-Х/110/35-У1
Т-трансформатор трехфазный;
Д - с естественной циркуляция масла и принудительной циркуляцией воздуха;
Т-трехобмоточный;
Н - с регулированием напряжения под нагрузкой (РПН);
Х - номинальная мощность, кВА; 110 -класс напряжения, кВ;
35 - класс напряжения, кВ;
У1 - климатическое исполнение и категория размещения по ГОСТ 15150.
Найдем g1-коэффициент долевого участия проектируемого завода в мощности
трансформаторов энергосистемы:
Найдем потери электроэнергии в трансформаторах ГПП
Выбор
оборудования на U=35 кВ
Перед
выбором аппаратов составим схему замещения (рисунок 3.4) и рассчитаем ток
короткого замыкания.
Рисунок 3.4
Определяем базисный ток
Определяем сопротивление трансформатора системы
Определяем сопротивление ЛЭП
Определяем ток короткого замыкания в точке К-1
Определяем ток короткого замыкания в точке К-2
Определяем ударный ток в точке К-1
Определяем
ударный ток в точке К-2
Мощность короткого замыкания
После
расчета токов КЗ произведем выбор
Выключатели В1, В2 выбираем по аварийному току трансформаторов системы.
Найдем ток, проходящий через выключатели В1и В2
электроснабжение нефтеперабатывающий
трансформатор силовой
Выбираем выключатели В1,В2 типа 38РМ31-12В
Таблица 11
Проверка выключателя
|
Паспортные данные
|
Расчетные данные
|
Условия выбора
|
|
Uн= 38 кВ Iн= 1200 А Iоткл= 31,5 кА Iдин=82 кА
|
Uр= 35 кВ Iав.В1,В2= 1009.26 А Iк1=2.5кА iуд1= 6.36кА
|
Uн³Uр Iн³ Iав.тр сист Iоткл³ Iк1 Iдин³ iуд1
|
Найдем ток, проходящий через выключатель В3
Выбираем выключатели В3 типа 38РМ31-12В
Таблица 12
Проверка выключателя
|
Паспортные данные
|
Расчетные данные
|
Условия выбора
|
|
Uн= 38 кВ Iн= 1200 А Iоткл= 31,5 кА Iдин= 82 кА
|
Uр= 35кВ IрВ3= 504.13 А Iк1= 2.5А iуд1= 6.36 кА
|
Uн³Uр Iн³ Iр.тр сист Iоткл³ Iк1 Iдин³ iуд1
|
Выключатели В4-В7 выбираем по аварийному току завода: Iав.= 182.7 А
Выбираем выключатели В4-В7 типа 38РМ31-12В.
Таблица 13
Проверка выключателя
|
Паспортные данные
|
Расчетные данные
|
Условия выбора
|
|
Uн=38 кВ Iн= 1200 А Iоткл= 31,5 кА Iдин= 82 кА
|
Uр= 35 кВ Iав= 182.7 А Iк1=2.5 кА iуд1= 6.36кА
|
Uн³Uр Iн³ Iртр сист Iоткл³ Iк1 Iдин³ iуд1
|
Выбираем разъединители типа NSA72.5/1250
·
Uн Uр;
35кВ 35кВ.
·
Iн Iав; 1600А 182.7А.
·
Iпред.сквоз.дин Iу; 79кА 5.18кА.
·
Iпред.терм.ст-ти Iкз; 31.5кА 2.036кА.
Выбираем ограничители перенапряжения:
РEXLIM 35кВ,
Uн=35 кВ.
Определим капитальные затраты на выбранное оборудование
) Затраты на трансформаторы ГПП
Ктр.гпп=2∙(315 000∙200)= 126 млн.тг.
) Затраты на ЛЭП-35 кВ
КЛЭП-35=l∙Клэп=5,5∙(30 000∙150)= 24.75 млн.тг.
) Затраты на выключатели В4-В7
КВ4-В7=4∙(40000∙200)= 32 млн. тг.
) Затраты на разъеденитель
Кразъед.= 4∙(10000∙200)=8 млн.тг.
) Затраты на ОПН
КОПН=2∙(3500∙200) = 1.4 млн.тг.
) Затраты на трансформаторы системы
Ктр.сист=g1∙2∙Ктр.сист= 0,092 ∙2∙
(360) = 662.4 млн.тг.
) Затраты на выключатели В1,В2
КВ1,В2=g2∙2∙КВ1,В2= 0,15 ∙2∙(8000000) = 2.4 млн.тг..
8) Затраты
на выключатель В3
КВ3=g3∙КВ3= 0,076∙ (8000000)= 0.6млн. тг.
Суммарные затраты
SКII= КВ4-В7+ КЛЭП-35+Кразъед.+ КОПН+
Ктр.гпп+Ктр.сист.+ КВ1-В2 + КВ3,
SКII=32+8+24.75+1.4+126+662.4+2.4+0.6=857.71млн.тг.
Суммарные издержки рассчитываются по формуле:
SИII=Иа+Ипот+Иэ.
Амортизационные отчисления Иа: Иа=Еа.
К
Для ВЛ-35 кВ на железобетонных опорах Еа=0,028
Для распредустройств и подстанций Еа=0,063
Амортизационные отчисления на оборудование
Иа.обор.=Еа.обор×SКобор.=Еа.обор×( КВ4-В7+Кразъед+КОПН+Ктр.гпп+Ктр.сист.+КВ1-В2
+КВ3); Иа.обор.=0,063∙832.96=52.47
млн.тг.
Амортизационные отчисления на ЛЭП
Иа.лэп=Еа.лэп∙Клэп=0,028∙24.75=0.693млн.тг.
Суммарные амортизационные отчисления
Иа= Иа.обор +Иа.лэп=52.47+0.693 =53
млн.тг
Издержки на эксплуатацию оборудования
Иэкспл.обор.=Еэкспл.обор. ∙S Кобор.=0,03∙832.96=24.98
млн.тг.
Издержки на эксплуатацию ЛЭП
Иэкспл.лэп=Еэкспл.лэп. Клэп=0,028∙24.75=0.693
млн.тг.
Суммарные издержки на эксплуатацию
Иэкспл= Иэкспл.обор.+ Иэкспл.лэп
=24.98+0.693=25.68 млн. тг
Стоимость потерь электроэнергии Со=12 тг/кВт∙ч
Определим издержки на потери электроэнергии
Ипот=Со(DWтр. гпп+DWЛЭП-35 +DWтр. сист)
Ипот =12∙(249350.8+45376.9+616744.5)=10.9тыс.тг.
Определим суммарные издержки
SИII=Иа+Ипот+Иэксп=53+10.9+25.68=89.58
млн.тг.
Приведенные затраты, являющиеся мерой стоимости, определяются по
выражению
ЗII=Е.( КII+ИII)=0,12∙(857.71+89.58)=113.67
млн.тг.
где Е=0,12-нормативный коэффициент эффективности капиталовложений
Вариант 3
Рисунок 3.5 - Третий вариант схемы электроснабжения
Выбираем электрооборудование по III варианту.
) Выберем сечение ЛЭП-6 кВ
Определим мощность, проходящую по ЛЭП
Выбираем
сечение проводов ЛЭП 6кВ
а)
Определим сечение по экономической плотности тока
где
плотность тока для воздушных линий.
Так как для ЛЭП 6 кВ максимальное сечение 120 мм2,то принимаем
F=5×120= 600мм2 > 485.2мм2
Количество проводов в одной цепи получилось 5, то дальнейший расчет не
целесообразен с экономической и технической точки зрения невозможно и большие
потери.
Определим потери электроэнергии в ЛЭП-6 кВ
где
- удельное активное сопротивление АС-120
По конструктивному исполнению и по потерям электроэнергии рассмотрение
этого варианта не целесообразно.
Таблица 17
|
Варианты
|
Uн, кВ
|
КS, млн. тг.
|
ИS, млн. тг.
|
ЗS, млн. тг.
|
|
I
|
110
|
228.6
|
24.205
|
30.34
|
|
II
|
35
|
857.71
|
89.58
|
113.67
|
Вывод: проходит I вариант по минимальным годовым потерям в трансформаторе и
ЛЭП.
4. Выбор
оборудования и расчет токов короткого замыкания U>1кВ
4.1 Расчет
токов короткого замыкания Iкз (U= 6 кВ) с учетом подпитки от СД
Рисунок 4.1 Схема замещения электроснабжения ГПП
Sб=1000МВА; хс= 0,71 ; Uб= 6.3кВ.
Определяем базисный ток
Токи КЗ в точке К-1, К-2 рассчитаны выше, то остается рассчитать токи в точках
К-3.
Определяем ток короткого замыкания в точке К-3
Рассчитаем
ток подпитки от СД
В цехе
установлено 4 синхронных двигателя типа СДН-2-16-36-10 со следующими
характеристиками:
Таблица 18
|
Тип
|
Рном,кВт
|
Uном,кВ
|
f,об/мин
|
x//d,%
|
xl,%
|
Ta
|
|
|
|
|
|
|
с
|
рад
|
|
СДНЗ-2-16-36-10
|
630
|
6
|
600
|
21.4
|
21.4
|
0,056
|
17.5
|
Находим полную мощность СД
Определяем
расчетный ток СД
Выбираем
марку и сечения кабеля к СД
а)
по экономической плотности тока
б)
по минимальному сечению
Принимаем кабель маркой ААШв-6-(3х120) , Iдоп= 265>54.6 А.
Данные кабеля: r0= 0,27 Ом/км; х0=0,323
Ом/км.
Тогда
ток короткого замыкания от двигателей будет равен
Суммарный
ток КЗ в точке К-3 на шинах 6 кВ с учетом подпитки от двигателей компрессорной будет
равен
Ударный
ток в точке К-3
Мощность
КЗ
4.2
Выбор оборудования
4.2.1
Выбор выключателей
Расчетный
ток
Выбираем
выключатель типа ВВ/TEL-6-20/1600У2
Секционный
выключатель
Принимаем
выключатель типа ВВ/TEL-6-20/1600У2
Таблица 19
|
Вводные выключатели
|
Секционный выключатель
|
|
Расчетные
|
Паспортные
|
Расчетные
|
Паспортные
|
|
Uн , кВ
|
6
|
6
|
6
|
6
|
|
Iн , А
|
1067.88
|
1600
|
1067.88
|
1600
|
|
Iотк , кА
|
13.37
|
20
|
13.37
|
20
|
Выбор выключателей отходящих линий
Магистраль ГПП - (ТП1):
Выбираем
выключатель типа ВВ/TEL-6-20/1000У2
Таблица 20
Проверка выключателя
|
Паспортные данные
|
Расчетные данные
|
|
Uн= 6 кВ Iн = 1000 A Iоткл= 20 кА Iскв= 51 кА I2∙t =(Iоткл)2∙3=1200кА2
×с
|
U= 6 кВ Iав= 246.9 А Iкз= 13.37 кА iуд= 33.93 кА B=(Iкз)2∙0,12=
21.45кА2×с
|
|
Привод электромагнитный, с магнитной защелкой
|
Магистраль ГПП - (ТП2-ТП3):
.
Выбираем
выключатель типа ВВ/TEL-6-20/1000У2
Таблица 21
Проверка выключателя
|
Паспортные данные
|
Расчетные данные
|
|
Uн= 6 кВ Iн =1000 A Iоткл= 20 кА Iскв= 51кА I2∙t =(Iоткл)2∙3=1200кА2
×с
|
U= 6 кВ Iав= 454.94 А Iкз= 13.37 кА iуд= 33.93 кА B=(Iкз)2∙0,12=
21.45кА2×с
|
|
Привод электромагнитный, с магнитной защелкой
|
Магистраль ГПП-(ТП4):
Выбираем
выключатель типа ВВ/TEL-6-20/1000У2
Таблица 22
Проверка выключателя
|
Паспортные данные
|
Расчетные данные
|
|
Uн= 6 кВ Iн =1000 A Iоткл= 20 кА Iскв= 51 кА I2∙t =(Iоткл)2∙3=1200кА2
×с
|
U= 6 кВ Iав= 230А Iкз= 13.37 кА iуд= 33.93 кА B=(Iкз)2∙0,12=
21.45кА2×с
|
|
Привод электромагнитный, с магнитной защелкой
|
Линия ГПП-СД
Выбираем
выключатель типа ВВ/TEL-6-20/1000У2
Таблица 23
Проверка выключателя
|
Паспортные данные
|
Расчетные данные
|
|
Uн= 6 кВ Iн =1000 A Iоткл= 20 кА Iскв= 51кА I2∙t =(Iоткл)2∙3=1200кА2
×с
|
U= 6 кВ IрСД= 54.6 А Iкз= 13.37 кА iуд= 33.93 кА B=(Iкз)2∙0,12=
21.45 кА2×с
|
|
Привод электромагнитный, с магнитной защелкой
|
Линия ГПП-ВБК
Выбираем
выключатель типа ВВ/TEL-6-20/1000У2
Таблица 24
Проверка выключателя
|
Паспортные данные
|
Расчетные данные
|
|
Uн= 6 кВ Iн =1000 A Iоткл= 20 кА Iскв= 51кА I2∙t
=(Iоткл)2∙3=1200кА2 ×с
|
U= 6 кВ IрВБК= 41.32 А Iкз= 13.37 кА iуд= 33.93 кА B=(Iкз)2∙0,12=
21.45кА2×с
|
|
Привод электромагнитный, с магнитной защелкой
|
.2.2 Выбор
трансформаторов тока
Трансформаторы
тока выбираются по следующим условиям:
по
напряжению установки: Uном тт
Uном уст-ки;
по
току: Iном тт
Iрасч;
1. по электродинамической стойкости:
;
по
вторичной нагрузки: Sн2
Sнагр расч;
5. по термической стойкости:
;
1. по конструкции и классу точности.
а) Выбор трансформаторов тока на вводе и секционном выключателе.
Таблица 25
|
Прибор
|
Тип
|
А, ВА
|
В, ВА
|
С, ВА
|
|
A
|
Э-350
|
0,5
|
0,5
|
0,5
|
|
Wh
|
САЗ-И681
|
2,5
|
2,5
|
2,5
|
|
Varh
|
СР4-И689
|
2,5
|
2,5
|
2,5
|
|
W
|
Д-355
|
0,5
|
-
|
0,5
|
|
Var
|
Д-345
|
0,5
|
-
|
0,5
|
|
Итого
|
|
6,5
|
5,5
|
6,5
|
Примем трансформатор тока ТОЛ-6/У3: Iн= 1500 А; Uн= 6 кВ; Sн =20 ВА.
Трансформаторы предназначены для передачи сигнала измерительной
информации приборам измерения, защиты, автоматики, сигнализации и управления,
для изолирования цепей вторичных соединений от высокого напряжения в
электрических установках переменного тока частоты 50 Гц
Трансформаторы устанавливаются в комплектные распределительные устройства
внутренней установки класса напряжения 10 кВ.
Трансформаторы изготавливается в исполнении «У» и «Т» категории
размещения 3 по ГОСТ 15150 и предназначены для эксплуатации в следующих
условиях:
высота установки - не более 1000м;
окружающая среда невзрывоопасная, не содержащая пыли, агрессивных газов и
паров в концентрациях, разрушающих покрытия, металлы и изоляцию ( атмосфера
типа II ГОСТ 15150);
рабочее положение трансформаторов в пространстве - любое.
Таблица 26
|
Расчетные величины
|
По каталогу
|
|
Uн= 6кВ
|
Uн= 6 кВ
|
|
Iав= 1009.26 А
|
Iн= 1500 А
|
|
iуд= 33.93кА
|
Iдин= 81 кА
|
|
S2 р= 10,5ВА
|
S2 н= 20 ВА
|
Рассчитаем вторичную нагрузку трансформаторов тока.
Сопротивление вторичной нагрузки состоит из сопротивления
приборов, соединительных проводов и переходного сопротивления контактов
Сопротивление приборов определяется по формуле
где
. -
мощность, потребляемая приборами;
-
вторичный номинальный ток прибора.
Допустимое
сопротивление проводов

Принимаем
провод АКР ТВ; F=2,5мм2
Где
Выбираем
трансформатор тока на секционном выключателе шин ГПП: ТОЛ-6/У3: Iн
= 1500 А; Uн= 6 кВ; Sн =10 ВА.
Таблица 27
|
Прибор
|
Тип
|
А, ВА
|
В, ВА
|
С, ВА
|
|
Aмперметр
|
Э-350
|
0,5
|
0,5
|
0,5
|
|
Итого
|
|
0,5
|
0,5
|
0,5
|
Таблица 28
|
Расчетные величины
|
По каталогу
|
|
Uн= 6 кВ
|
Uн= 6кВ
|
|
Iав= 1009.26 А
|
Iн= 1500А
|
|
iуд= 33.93 кА
|
Iдин= 81 кА
|
|
S2 р= 4,4 ВА
|
S2 н= 10 ВА
|
принимаем
провод АКР ТВ; F=2,5 мм2;
б)
Выбираем трансформатор тока на линии ГПП - (ТП1); ГПП-(ТП2,3) ГПП -(ТП4);
ГПП-СД; ГПП-ВБК.
Таблица 29
|
Прибор
|
Тип
|
А, ВА
|
В, ВА
|
С, ВА
|
|
Амперметр
|
Э-350
|
0,5
|
0,5
|
0,5
|
|
Wh
|
САЗ-И681
|
2,5
|
2,5
|
2,5
|
|
Varh
|
СР4-И689
|
2,5
|
2,5
|
2,5
|
|
Итого
|
|
5,5
|
5,5
|
5,5
|
принимаем
кабель АКРТВ; F=2,5мм2;
Трансформатор
тока на линии ГПП - (ТП1): Iав=246.9.А; примем трансформатор тока ТОЛ-6/У3: Iн= 400 А; Uн= 6 кВ; Sн = 10ВА.
Таблица 30
|
Расчетные величины
|
По каталогу
|
|
Uн = 6 кВ
|
Uн = 9 кВ
|
|
Iав= 246.9А
|
Iн= 400 А
|
|
iуд= 33.93 кА
|
Iдин= 52 кА
|
|
S2 р=9,4 ВА
|
S2 н= 10 ВА
|
Трансформатор тока на линии ГПП - (ТП2-ТП3): Iав=454.94 А; примем трансформатор тока ТОЛ-6/У3: Iн = 630 А; Uн= 6 кВ; Sн = 10 ВА.
Таблица 31
|
Расчетные величины
|
По каталогу
|
|
Uн = 6 кВ
|
Uн = 6 кВ
|
|
Iав = 454.94А
|
Iн = 630 А
|
|
iуд = 33.93 кА
|
Iдин = 52 кА
|
|
S2 р = 9,4 ВА
|
S2 н = 10 ВА
|
Трансформатор тока на линии ГПП - ТП4: Iaв=230 А; примем трансформатор тока ТОЛ-6/У3: Iн = 400 А; Uн= 6 кВ; Sн = 10 ВА.
Таблица 32
|
Расчетные величины
|
По каталогу
|
|
Uн = 6 кВ
|
Uн = 6 кВ
|
|
Iав = 230 А
|
Iн = 400 А
|
|
iуд = 33.93кА
|
Iдин = 52 кА
|
|
S2 р=9,4 ВА
|
S2 н = 10 ВА
|
Трансформатор тока на линии ГПП-СД: Iр.СД=54.6 А; примем трансформатор тока ТОЛ-6/У3: Iн = 100 А; Uн= 6 кВ; Sн = 10 ВА.
Таблица 33
|
Расчетные величиныПо каталогу
|
|
|
Uн = 6 кВ
|
Uн = 6 кВ
|
|
Iр.СД = 54.6 А
|
Iн = 100 А
|
|
iуд = 33.93 кА
|
Iдин = 52 кА
|
|
S2 р=9,4 ВА
|
S2 н = 10 ВА
|
Трансформатор тока на линии ГПП-ВБК: Iр.ВБК=41.32 А; примем трансформатор тока ТОЛ-6/У3: Iн = 100 А; Uн= 6кВ; Sн = 10 ВА.
Таблица 34
|
Расчетные величины
|
По каталогу
|
|
Uн = 6 кВ
|
Uн = 6 кВ
|
|
Iр.ВБК = 41.32 А
|
Iн = 100 А
|
|
iуд = 33.93 кА
|
Iдин = 52 кА
|
|
S2 р=9,4 ВА
|
S2 н = 10 ВА
|
4.2.3
Выбор трансформаторов напряжения
Трансформаторы напряжения выбираются по следующим условиям:
1.
по напряжению установки: Uном
Uуст;
.
по вторичной нагрузки: Sном2
S2расч;
.
по классу точности
.
по конструкции и схеме соединения
Таблица 35
|
Прибор
|
Тип
|
Sоб-ки, ВА
|
Число об-к
|
cos
|
sin
|
Число приборов
|
Робщ, Вт
|
Q , вар
|
|
V
|
Э-335
|
2
|
2
|
1
|
0
|
2
|
8
|
-
|
|
W
|
Д-335
|
1,5
|
2
|
1
|
0
|
1
|
3
|
-
|
|
Var
|
И-335
|
1,5
|
2
|
1
|
0
|
1
|
3
|
-
|
|
Wh
|
СА3-И681
|
3 Вт
|
2
|
0,38
|
0,925
|
7
|
42
|
102.2
|
|
Varh
|
СР4-И689
|
3 вар
|
2
|
0,38
|
0,925
|
7
|
42
|
102.2
|
|
Итого
|
|
|
|
|
|
|
98
|
204.4
|
Расчетная вторичная нагрузка
Принимаем ТН типа НАМИ - 6-У3
Трехфазные трансформаторы напряжения масляные типа НАМИ
являются масштабными преобразователями и предназначены для выработки сигнала
измерительной информации для электрических измерительных приборов, цепей защиты
и сигнализации в сетях переменного тока с изолированной или с заземленной через
дугогасящий реактор нейтралью частотой 50 Гц.
Трансформаторы могут эксплуатироваться при внутренней
установке в районах с умеренным климатом, при этом: высота над уровнем моря не
более 1000м; режим работы- длительный; температура окружающего воздуха от - 450С
до +400С. Трансформаторы не предназначены для работы в условиях
тряски, вибраций, ударов, во взрывоопасной и агрессивной среде.
Структура условного обозначения трансформатора НАМИ-ХХХ
Н- напряжения;
А- антирезонансный;
М- масляный;
И- с дополнительной обмоткой для контроля изоляции;
Х- класс напряжения первичной обмотки, кВ;
Х- климатическое исполнение (У);
Х- категория размещения(2,3) по ГОСТ15150.
Таблица36
|
Uн т= 6кВ
|
Uн т= 6кВ
|
|
Sн 2= 300 кВА
|
Sр 2= 226.67ВА
|
|
Схема соединения обмоток
|
4.2.4
Выбор выключателей нагрузки
ТП1, Iр=123.45 А; ТП2.3,Iр= 227.47 А.ТП4 Ip=115A
Для всех трансформаторов принимаем выключатель нагрузки типа
ВНПу-6/400-10зпУ3
Таблица 37
|
Расчетные
|
Паспортные
|
|
Uн= 6 кВ
|
Uн= 6 кВ
|
|
Iав=123.45-227.47-115 А
|
Iн= 400 А
|
|
Iк= 13.37 кА
|
Iотк= 10 кА
|
4.2.5 Выбор
силовых кабелей отходящих линий
Выбор кабелей производится по следующим условиям:
по
экономической плотности тока:
1. по минимальному сечению Fmin =a´Iкз´Ötп;
по
условию нагрева рабочим током Iдоп каб
Iр;
по
аварийному режиму Iдоп ав
Iав;
по
потере напряжения DUдоп
DUрас.
Выбираем кабель ГПП-ТП1-ТП2:
а)
по экономической плотности тока
Где
Принимаем
кабель марки ААШв-6-(3х95) Iдоп= 205 А;
б)
проверим выбранный кабель по термической стойкости к Iкз, найдем
минимальное сечение кабеля по Iкз
принимаем
кабель ААШв-6-(3х120) , Iдоп= 265А.
Принимаем
окончательно кабель ААШв-6-(3х120) , Iдоп= 265А.
в)
проверка по аварийному току
Iдоп ав≥ Iав
;(320.97 А 246.9А).
г)
проверка по рабочему режиму с учетом поправочного коэффициента Кпопр,
зависящего от количества кабелей проложенных в одной траншее Кпопр=
0,9 (2 кабеля в траншее):
Iдоп ≥ Iр/Кпопр;( 265А 154.62 А).
Условия
выполняются, тогда окончательно принимаем кабель марки ААШв-6-(3х120), с Iдоп=265 А.
Все
расчетные данные выбора остальных кабелей занесены в таблицу 38 - Кабельный
журнал.
4.2.6 Выбор
шин ГПП
Сечение шин выбирают по длительно допустимому току и экономической
целесообразности. Проверку шин производят на электродинамическую и термическую
стойкость к токам КЗ.
Выбираем твердотянутые медные шины прямоугольного сечения марки МГТ-80х6;
Iдоп = 1480А (одна полоса на фазу), Iав = 1009.26 А; iуд = 33.93кА
а) Iдоп Iав; (1480АА)
б) проверка по термической стойкости к Iкз
в) проверка по динамической стойкости кiуд кз доп=1583 кгс/см2:
где
- расстояние между изоляторами;
-
расстояние между фазами;
-
толщина одной полосы;
- ширина
(высота) шины.
Из
условия видно, что шины динамически устойчивы.
4.2.7 Выбор
изоляторов
Жесткие шины крепятся на опорных изоляторах, выбор которых
производится по следующим условиям:
по номинальному напряжению: Uном ³ Uуст;
- по допустимой нагрузке: Fдоп Fрасч.
где
. - сила,
действующая на изолятор;
-
допустимая нагрузка на головку изолятора,
-
разрушающая нагрузка на изгиб.
Выбираем изолятор типа ОНШ-6-2000 У3, Fразруш =2000 кгс.
Таблица 38
Кабельный журнал
|
Наименование участка
|
Sр, кВА
|
Кол-во кабелей в траншее
|
Нагрузка
|
По экономической плотности тока, мм2
|
По допустимой нагрузке, мм2
|
По току короткого замыкания, мм2
|
Выбранный кабель
|
Iдоп, A
|
|
|
|
Iр, A
|
Iав, A
|
jэ
|
Fэ
|
Кп
|
Fдоп
|
Iкз, A
|
S
|
|
|
|
ГПП - (ТП1)
|
2690
|
4
|
123.45
|
246.9
|
1,4
|
88.2
|
0,8
|
70
|
13.37
|
120
|
ААШв-6-(3х120)
|
265
|
|
ГПП - (ТП2-ТП3)
|
4956.6
|
4
|
227.47
|
454.9
|
1,4
|
162.4
|
0,8
|
70
|
13.37
|
185
|
ААШв-6-(3х185)
|
310
|
|
ГПП -ТП4
|
2506.4
|
4
|
115
|
230
|
1,4
|
82.14
|
0,8
|
70
|
13.37
|
120
|
ААШв-6-(3х120)
|
265
|
|
ГПП -СД
|
700
|
4
|
54.6
|
-
|
1,4
|
39
|
0,8
|
70
|
13.37
|
120
|
265
|
|
ТП2-ТП3
|
2478.3
|
2
|
113.7
|
227.4
|
1,4
|
81.2
|
0,9
|
70
|
13.37
|
120
|
ААШв-6-(3х120)
|
265
|
|
ГПП-ВБК
|
450
|
1
|
41.32
|
-
|
1,4
|
29.5
|
1
|
70
|
13.37
|
120
|
ААШв-6-(3х120)
|
265
|
Заключение
В данной курсовой работе мы спроектировали Электроснабжение завода по
переработке нефти.
Во втором разделе мы рассчитали электрические нагрузки для
завода по методу коэффициентов использования и максимума.
В третьем разделе мы провели технико-экономический расчет
вариантов электроснабжения машиностроительного завода. Так как отклонение
приведенных суммарных затрат между тремя вариантами электроснабжения не
превышало 12% то мы выбрали I
вариант с U=110кВ, взамен другим схемам по
условию дешевизны и надежности.
В четвертом разделе мы провели расчет токов короткого замыкания и выбрали
защитную и измерительную аппаратуру на напряжение выше 1кВ.
Список
использованной литературы
1.
Технический каталог Alageum
electric , Кентауский трансформаторный
завод/2012.
. Ополева Г.Н. Схемы и подстанции
электроснабжения: Справочник: Учебное пособие. - М.: ФОРУМ ИНФРА-м, 2006.-480с.
. Ю.Г.
Барыбин, Л.Е. Федоров. Справочник по проектированию электрических сетей и
электрооборудования. - М.: Энергоатомиздат, 1991. - 465с.
4. Кудрин Б.И. Электроснабжение
промышленных предприятий: Учебник для студентов высших учебных заведений/ Б.И.
Кудрин.-М.: Интермет Инжиниринг, 2005.-672 с.
. Киреева Э.А. Справочные
материалы по электрооборудованию (цеховые электрические сети, электрические сети жилых и общественных
зданий), 2004.