Определение группы соединения трехфазного трансформатора
Министерство
образования и науки Российской Федерации
Югорский
государственный университет
Институт
природопользования
Кафедра
энергетики
Отчет
по лабораторной работе №3
на
тему: «Определение группы
соединения трёхфазного трансформатора»
г.
Ханты-Мансийск
2013 г.
Цель работы:
Выполнить соединение выводов первичной и
вторичной обмоток трёхфазного трансформатора в соответствие с заданной группой
соединения
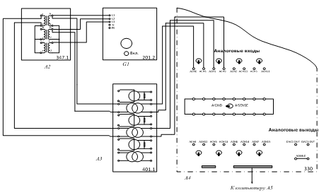
Оборудование: Используемое оборудование и его
характеристики
|
Обозначение
|
Наименование
|
Тип
|
Параметры
|
|
G1
|
Трёхфазный
источник питания.
|
201.2
|
~
400В/
16А
|
|
А2
|
347.1
|
3×80В∙А;
230В/242; 235; 230; 226; 220; 133; 127В.
|
|
А3
|
Блок
измерительных трансформаторов тока и напряжения
|
401.1
|
3
трансформатора напряжения: 600 В / 3 В 3 трансформатора напряжения: 0,3 А
/ 3 В
|
|
А4
|
Коннектор
|
330
|
8
аналог.диф. входов; 2 аналог. выходов. 8 цифр входов / выходов
|
|
А5
|
Персональный
компьютер
|
550
|
IBM совместимый с Windows 98,
монитор, мышь, клавиатура, плата сбора информации PCI-6023E, (PCI-6024E)
|
обмотка
трехфазный трансформатор
Ход работы:
|
№
|
Схема
|
Векторная
диаграмма.
|
Осцилограмма.
|
 
|
|
|
|
4
|
 
|
|
|
|
6
|
 
|
|
|
|
7
|
 
|
|
|
|
8
|
 
|
|
|
|
11
|
 
|
|
|
Собираем схемусоединение
выводов первичной и вторичной обмоток трёхфазного трансформатора для группы
соединения 0.
Вывод: Выполнил соединение выводов первичной и
вторичной обмоток трехфазного трансформатора в соответствие с заданной группой
соединений. При сравнении экспериментальных и расчетных данных, все данные
сошлись.