Расчёт и конструирование силового трёхфазного трансформатора

  • Вид работы:
    Курсовая работа (т)
  • Предмет:
    Физика
  • Язык:
    Русский
    ,
    Формат файла:
    MS Word
    1,1 Мб
  • Опубликовано:
    2014-06-02
Вы можете узнать стоимость помощи в написании студенческой работы.
Помощь в написании работы, которую точно примут!

Расчёт и конструирование силового трёхфазного трансформатора

ФГБОУВПО "Норильский индустриальный институт"

Факультет электроэнергетики, экономики и управления.

Кафедра теоретической электротехники и электроснабжения предприятий









Курсовой проект

по дисциплине "Электрические машины" на тему:

Расчёт и конструирование силового трёхфазного трансформатора


Группа: ЭП-11

Студент: Маруева К.С.

Преподаватель: Иванов Г. В.




Норильск 2013г.

Содержание курсовой работы

1. Введение

. Расчет главных размеров трансформатора

Главные размеры

Расчет основных электрических величин

Определение исходных данных для нахождения оптимального значения b

. Выбор и расчет обмоток

Выбор конструкции обмоток

Расчет обмоток НН

Расчет цилиндрических 2-слойных обмоток из прямоугольного провода

Расчет обмоток ВН

Расчет многослойной цилиндрической обмотки из круглого провода

. Расчет параметров короткого замыкания

Определение потерь короткого замыкания

Напряжение короткого замыкания

Сопротивление короткого замыкания

Основные потери в обмотках трансформатора

. Расчет механических усилий при коротком замыкании

Определение механических сил и напряжений между обмотками и частей

Определение температуры обмоток, при коротком замыкании

. Расчет параметров холостого хода

Уточнение геометрических размеров магнитной системы

Определение потерь холостого хода трансформатора

Определение тока холостого хода

. Тепловой расчет трансформатора

Поверочный тепловой расчет обмоток

Тепловой расчет бака и охладительной системы

Окончательный расчет превышения температуры обмоток и масла

Определение массы масла и конструктивных материалов трансформатора

. Расчет экономических показателей трансформатора

. Список используемой литературы

трансформатор провод замыкание обмотка

1. Введение


Проектируемый трансформатор предназначен для использования в системе электроснабжения в качестве силового трансформатора.

Курсовой проект состоит из двух основных частей: пояснительной записки и конструкторско- графической части.

В пояснительной записке приводятся расчет основных электрических величин, определение исходных данных для нахождения оптимальных главных размеров трансформатора с использованием ЭВМ и введением программы "Raschet".

На основе выбранных оптимальных главных размеров производится выбор и расчет обмоток трансформатора с учетом современных изоляционных материалов. В качестве обмоточного провода использован медный провод. По результатам расчета обмоток выполнен расчет параметров короткого замыкания и расчет механических усилий, воздействующих на обмотки трансформатора при возникновении короткого замыкания.

Далее выполнен расчет параметров холостого хода и выбран магнитопровод трансформатора. Выполнен тепловой расчет трансформатора и произведен расчет охладительной системы.

На основании всех выполненных расчетов выполнен расчет экономических показателей трансформатора.

Конструктивная разработка трансформатора произведена на двух чертежах: общий вид трансформатора в трех проекциях на листе А-1 и остов трансформатора в трех проекциях на листе А-2.

2. Расчет главных размеров трансформатора

 

Главные размеры


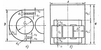
Главными размерами трансформатора являются: диаметр d окружности, в которую вписано ступенчатое сечение стержня, высота его обмоток и средний диаметр витка двух обмоток или диаметр осевого канала между обмотками d12, связывающий диаметр стержня с различными размерами обмоток a1 и а2 и осевого канала между ними а12.

Рис. 1 Главные размеры трансформатора

Два основных размера, относящихся к обмоткам d12, и l могут быть связаны отношением средней длины окружности канала между обмотками  высоте обмотки l:


Величина b определяет соотношение между диаметром и высотой обмотки.

Расчет основных электрических величин

Расчет трансформатора начинается с определения основных электрических величин: мощности на одну фазу и стержень, номинальных токов на стороне высокого напряжения (ВН) и низкого напряжения (НН), фазных токов и напряжений.

Мощность одной фазы:

Мощность на один стержень:


где m - число фаз; с - число активных (несущих обмоток) стержней трансформатора. Для нормальных силовых трехфазных трансформаторов .

Номинальный (линейный) ток высокого напряжения:

Номинальный ток низкого напряжения:

Номинальный фазный ток ВН:

для соединения обмоток в звезду:

Номинальный фазный ток НН:

для соединения обмоток в звезду:

Фазное напряжение ВН:

для соединения обмоток в звезду:

Фазное напряжение НН:

для соединения в звезду:

По полученным значениям напряжений ВН и НН и по табл.1 выбираем значения испытательных напряжений обмоток.

Для обмотки ВН выбираем значение испытательного напряжения 18 кВ, а для НН выбираем значение испытательного напряжения 5 кВ.

Чтобы получить испытательные напряжения, по табл.2 находим изоляционные расстояния a12, l0, a11, а по табл.3 - а02 .

a12 = 9мм = 0,009 м0 = 30 мм = 0,03 м11 = 10 мм = 0,01 м

а02 = 4 мм = 0,004 м

Определение исходных данных для нахождения оптимального значения b

Для определения главных и оптимальных размеров трансформатора по данным задания к расчету необходимо исследовать связи между величиной b и параметрами трансформатора.

Для этого задают значения b в широких пределах, а затем по нижеизложенной методике выбирают его значения.

Для расчета параметров трансформатора при различных значениях b необходимо определить следующие исходные данные по данным задания на курсовой проект:

Активная составляющая напряжения короткого замыкания:

 (%)

где S - в киловольт-амперах, а Pk в ваттах.

Реактивная составляющая напряжения короткого замыкания:

 (%)

Ширина приведенного канала рассеяния:


где а12 - изоляционный промежуток между обмотками ВН и НН определяется величиной испытательного напряжения по табл.2; - приведенная ширина двух обмоток может быть определена приближенно по формуле:


Значения коэффициента в этой формуле определяется по табл.4.

Коэффициент приведения идеального поля рассеяния к реальному Кp (коэффициент Роговского) для широкого диапазона мощностей может быть принят постоянным, Кp= 0,95

Согласно указаниям разд.2.3. [2] выбираем планарную конструкцию трехфазной магнитной системы. По конструкции и заданному материалу магнитной системы выбирают значение магнитной индукции.

Рекомендуемые значения расчетной индукции в стержнях современных масляных и сухих трансформаторов при использовании современных марок хлоднокатной стали приведены в табл.5.

Для определения величины индукции в ярмах пользуются формулой:


где КЯ - коэффициент усиления ярма лежит в пределах 1,015 - 1,025, причем большая величина относится к трансформаторам мощностью менее 630 кВ А.

Индукцию в зазорах при косом стыке принимают:

А при прямом стыке: ВЗ¢¢ = ВС = 1,6. По этим значениям индукции определяют значения удельных потерь в стали стержня РС и ярма РЯ по табл.6 или 7, а удельные намагничивающие мощности qС и qЯ, qЗ¢ и q3¢¢ соответственно для стержней, ярм и зазоров определяют по табл.8 или табл.9.

РС = 1,23 (Вт/кг)

РЯ = 1,15 (Вт/м)С = 1,688 (В*А/кг)Я = 1,511 (В*А/кг)З¢ = 4000 (В*А/м2)3¢¢ = 23500 (В*А/м2)

Для заданной мощности трансформатора по табл.10 выбираем ориентировочное число ступеней равное S0=7 и определяем значение коэффициента заполнения площади круга ККР = 0,918 , а по табл.11 - значение коэффициента заполнения сечения стержня КЗ = 0,955 (Марка стали 3404 нагревостойкая изоляция + однократная лакировка).

Определяем общий коэффициент заполнения сталью площади круга:


Коэффициент потерь Кд, учитывающий добавочные потери в обмотках, потери в отводах, стенках бака и других металлических конструкциях от гистерезиса и вихревых токов, от воздействия поля рассеяния, принимают по табл.12.

КД = 0,95

Ориентировочные значения постоянных коэффициентов а и в для медных обмоток определяют по табл.13 и 14.

PК.СПР= PК.ЗАД по ГОСТ - PК

Вт = 3900 Вт;

Тогда ориентировочные значения:

Ориентировочные значения для масляных двух обмоточных:


Коэффициент Кос, зависящий от цен на материалы обмоток и магнитной системы, изменяется с изменением марки стали и металла обмоток. Ориентировочные значения коэффициента Кос = 1,84.

По определенным выше справочным и расчетным величинам находят основные коэффициенты для расчета параметров трансформатора по следующим формулам:


где f - частота сети, Гц;


l =0,411 - для ярма многоступенчатой формы;

Расчёт трансформатора

Исходные данные:

А

=

0.135

B1

118.93

a

=

1.36

PK

=

3900

KС

=

0.877

B2

7.514

BC

=

1.6

q’’З

=

4000

KД

=

0.95

PC

1.23

Ua

=

1.56

q’’’З

=

23500

B

=

0.45

PУ

1.15

KOC

=

1.84

a12

=

0.009

M

=

8.581

KЯ

1.025

UK

=

4.7

a11

=

0.01

A1

=

166.758

qC

1.688

UP

=

4.434




A2

=

17.385

qЯ

1.511

S

=

250




Результаты расчёта


Приведенные графики позволяют заметить, что с ростом  масса металла обмоток  и масса стали в стержнях  уменьшаются, а масса стали в ярмах  и общая масса стали  трансформатора возрастают.

Общая стоимость активной части  с ростом  сначала падает, а затем, пройдя через минимальное значение, снова возрастает. Поскольку с увеличением  при сохранении индукции  общая масса стали возрастает, должны возрастать также потери ( и ) и ток холостого хода, что подтверждается графиками

По условиям проектирования трансформатор должен иметь потери холостого хода , этому значению по графику соответствует значение .

Величина тока холостого хода проектируемого трансформатора не должна превышать значения , следовательно, на основании кривой графика значение  не должно превышать величину .

Диапазон значений , обеспечивающий отклонение стоимости активной части трансформатора не более чем на 1% от минимального значения определяется выражением .

Данному значению  соответствуют два участка с β < 2.535 и .

Согласно графика изменения относительной стоимости, приведенного в приложении b=1,97 является оптимальным значением Сач,

Предварительно рассчитанные параметры


3. Выбор и расчет обмоток

 

Выбор конструкции обмоток


По таблице 5,8 [2] для обмотки НН выберем цилиндрическую обмотку из прямоугольного провода. Для обмотки ВН выберем цилиндрическую обмотку многослойную из круглого провода

Активное сечение стержня:


Средняя плотность тока в обмотках

;

Ориентировочное сечение витка

;

Расчет обмоток НН

Число витков на одну фазу обмотки НН

;

ЭДС одного витка

;

Уточним значение индукции в стержне трансформатора

;

Расчет цилиндрических 2-слойных обмоток из прямоугольного провода

Число витков в одном слое для двухслойной обмотки

;

Ориентировочная высота витка:

;

Толщину изоляции примем 0,5 мм ;

Выберем из таб.5.2 [2] провод ПБ а=5 мм; b=12,5 мм с П=61,6 мм2 ;

Подробные размеры провода: ;


Полное сечение витка из 3 параллельных проводов

;

Фактическая плотность тока в обмотке НН


Осевой размер витка (высота):

;

Окончательная высота (осевой размер) обмотки НН

;

Толщина слоя: ;

Радиальный размер двухслойной обмотки:

;

Внутренний диаметр обмотки Н0Н:

;

Наружный диаметр обмотки НН:

;

Полная охлаждаемая поверхность обмотки НН

;

Средний диаметр обмотки НН

;

Расчет обмоток ВН


Р2асчет обмоток ВН начнем с определения числа витков, необходимых для получения номинального напряжения

;

Число витков для регулирования напряжения при четырех ответвлениях

;

Число витков четырех ступенчатой обмотки на ответвлениях равно:


Предварительная плотность тока в обмотке ВН

;

Предварительное сечение витка обмотки ВН

 

Расчет многослойной цилиндрической обмотки из круглого провода


Для обмотки ВН по ранее полученным данным выберем из таб. 5.1 провод ПБ диаметром 2.24 мм и сечением 3.94 мм2. ,толщина изоляции 0,3мм ;

Полное сечение витка ;

Фактическая плотность тока обмотки ВН

;

Число витков в слое

;

Число слоев в обмотке


Рабочее напряжение между первыми витками двух соседних слоев

;

По этому напряжению из таб. 4.7 [2] выберем толщину межслойной изоляции 3х0,12мм и выступ на торцах обмотки на одну сторону 16мм.

По испытательному напряжению обмотки ВН и мощности трансформатора по таб. 2 [1] выберем:

минимальную ширину масленого канала обмотки НН и ВН ;

толщина цилиндра между обмотками ;

величину выступа цилиндра за высоту обмотки ;

минимальное расстояние между обмотками ВН соседних стержней ;

расстояние обмотки ВН от ярма ;

Радиальный размер обмотки

;

Внутренний диаметр обмотки ВН

;

Наружный диаметр обмотки

;

Расстояние между осями стержней

;

Поверхность охлаждения обмотки, намотанной на рейки на цилиндре

;

Средний диаметр обмотки ВН

.

 

4. Расчет параметров короткого замыкания

 

Определение потерь короткого замыкания


Потери короткого замыкания в трансформаторе состоят из электрических потерь в обмотках, из добавочных потерь в обмотках и отводах, а также из потерь в стенках бака и других металлических элементах конструкции, вызванных потоком рассеяния обмоток и отводов.

Согласно ГОСТ 11077-85 за расчетную (условную) температуру, к которой должны быть приведены потери и напряжение короткого замыкания, принимают: +75 оС для всех масляных и сухих трансформаторов с изоляцией классов нагревостойкости А, Е, В; +115 оС для трансформаторов с изоляцией классов нагревостойкости F, Н, С.

Полные потери короткого замыкания готового трансформатора не должны отклоняться более чем на 5% от гарантийного значения, заданного ГОСТом или заданием на проект.

Электрические потери в обмотках НН



здесь К=2,4 коэффициент, учитывающий плотность металла.

Электрические потери в обмотках ВН



Добавочные потери в обмотках

Для обмоток НН


Для обмоток ВН

 

Электрические потери в отводах

Примем сечение отвода равным сечению витка обмотки и общую длину проводов для соединения в звезду 7,5l, в треугольник 14l, массу металла проводов отводов можно найти по формуле,

а) для обмоток НН

;

в) для обмоток ВН

;

Электрические потери в отводах определим по формуле:

для отводов НН ;

для отводов ВН 

Потери в стенках бака:

Потери в стенках бака и других стальных деталях трансформатора

Определим следующие минимальные расстояния и размеры1=15 мм - изоляционное расстояние от ВН до стенки бака по табл. 4.11 [2];2=20 мм - расстояние от отвода ВН до прессующей балки ярма по табл. 4.11 [2];3=10 мм - расстояние от отвода НН до отвода до стенки бака по табл. 4.12 [2];4=20 мм - расстояние от отвода НН до прессующей балки ярма по табл. 4.11 [2];1= 4 мм; d2=15,35 мм;


 

К определению основных размеров бака

Минимальная ширина бака


Минимальная длина бака

;

Средний радиус бака

;

;

Периметр гладкого бака

;

Реактивная составляющая напряжения КЗ

;

Средний радиус канала рассеивания

;

Потери в ферромагнитных деталях


Полные потери короткого замыкания

Напряжение короткого замыкания


Активная составляющая напряжения короткого замыкания

;

Напряжение короткого замыкания        

.

 

Сопротивление короткого замыкания


Активное сопротивление короткого замыкания

;

Реактивное сопротивление короткого замыкания

 

Основные потери в обмотках трансформатора


 

5. Расчет механических усилий при коротком замыкании


Определение максимального установившегося тока короткого замыкания


Мгновенное максимальное значение тока короткого замыкания


Определение механических сил и напряжений между обмотками и частей


Радиальная сила, действующая на обмотки HH и ВН

;

где ;

Растягивающее напряжение на разрыв провода в обмотке ВН


Растягивающее напряжение в обмотке НН

;

Осевая сила


Расстояние между крайними витками с током при работе трансформатора на низшей ступени обмотки ВН


Осевая сила

;

Максимальное значение сжимающей силы в обмотке

;

         

Напряжение сжатия на опорных поверхностях обмоток (НН)

.

 

Определение температуры обмоток, при коротком замыкании


Для обмотки НН:


Для обмотки ВН:

 

6. Расчет параметров холостого хода


Уточнение геометрических размеров магнитной системы


из табл. 8.3 [2] для d=0,16;

;

Полное сечение ступенчатой фигуры стержня (без прессующей пластины) из табл.8.6 [2]

;

Активное сечение стержня (без прессующей пластины) ;

Полное сечение ступенчатой фигуры ярма (без прессующей пластины) из табл.8.6 [2] ;

Активное сечение ярма         ;

Масса стали одного угла

;

Массы частей ярм, заключенных между осями крайних стержней

;

Массы стали в частях ярм

;

Полная масса двух ярм

;

Длина стержня

;

где - расстояние ВН от ярма.

Масса стали стержней в пределах окна магнитной системы

;

Масса стали в местах стыка пакетов стержня и ярм

;

Полная масса трех стержней

;

Полная масса стали плоской магнитной системы

.

 

Определение потерь холостого хода трансформатора


Фактическое значение индукции в стержнях

;

Фактическое значение индукции в ярмах

;

Фактическое значение индукции в косых стыках

;

По этим значениям индукции определим удельные потери

потери в стержне;  

потери в ярме    ;  

потери в зоне шихтованного стыка ;

Потери холостого хода в стали


Полная намагничивающая мощность трансформатора


Определение тока холостого хода

Активная составляющая тока холостого хода


Относительное значение активной составляющей тока холостого хода

;

Абсолютное фазное значение реактивной составляющей тока

 ;

Относительное значение реактивной составляющей тока холостого хода в процентах

 ;

Полный ток холостого хода


7. Тепловой расчет трансформатора

 

Поверочный тепловой расчет обмоток


Внутренний перепад температуры обмотки НН

 ;

Среднее значение внутреннего перепада обмотки НН


Удельные потери, выделяющиеся в 1 м3 общего объема обмотки


Средняя условная теплопроводность обмотки


Коэффициент

;

Внутренний перепад

;

Внутренний перепад температуры обмотки ВН

;

Средне значение внутреннего перепада обмотки ВН


Перепад температуры между поверхностью обмотки и масла

Для обмотки НН

 ;

Для обмотки ВН

 ;

Среднее превышение температуры обмотки над температурой масла


Тепловой расчет бака и охладительной системы


Высота активной части

;

где -толщина прокладок под нижнее ярмо

 - высота ярма прямоугольного сечения

Расстояние от верхнего ярма до крышки бака из табл. 9.5 [2]

;

Общая глубина бака

;

Среднее превышение температуры стенки бака над воздухом ;

Среднее превышение температуры масла

;

Температура в верхних слоях масла

;

Перепад температур между маслом и внутренней стенкой бака

;

Предварительное среднее значение превышения температуры наружной стенки бака над температурой воздуха

;

Согласно табл. 9.4 [2] выбираем конструкцию бака с навесными радиаторами с прямыми трубами с масляным охлаждением.

Поверхность крышки


Поверхность конвекции гладкого бака

;

Поверхность излучения гладкого бака

;

Ориентировочная поверхность конвекции

;

Необходимая поверхность конвекции радиаторов

;

 

Окончательный расчет превышения температуры обмоток и масла


Среднее превышение температуры стенки бака над окружающим воздухом

;

Среднее превышение температуры масла в близи стенки над температурой стенки бака

;

Превышение температуры масла в верхних слоях над окружающим воздухом

;

Превышение температуры обмоток над окружающим воздухом

для обмоток ВН

;

для обмоток НН

;

Определение массы масла и конструктивных материалов трансформатора


Масса активной части

;

Объем бака

;

Объем активной части

;

Ориентировочная общая масса масла

;

8. Расчет экономических показателей трансформатора


Стоимость активной части


Стоимость трансформатора

;

Произведенные годовые затраты на трансформаторную установку


где реактивная мощность

;

Фактическая величина коэффициента полезного действия трансформатора


9. Список используемой литературы


1. Иванов Г. В. Методические указания №501 "Электрические машины. Расчет и конструирование силовых трехфазных трансформаторов",1991г.

2. Тихомиров П. М. "Расчет трансформаторов",1986г.

3. Брускин Д. Э. "Электрические машины",1979 г.

4. Дымков А. М. "Расчет и конструирование трансформаторов",1970г.

5. Сапожников А.В. "Конструирование трансформаторов",1959г.

Похожие работы на - Расчёт и конструирование силового трёхфазного трансформатора

 

Не нашли материал для своей работы?
Поможем написать уникальную работу
Без плагиата!
Без нейросетей!