Расчет трехфазного двухобмоточного масляного трансформатора
МИНИСТЕРСТВО
ОБРАЗОВАНИЯ И НАУКИ РОССИЙСКОЙ ФЕДЕРАЦИИ
ФЕДЕРАЛЬНОЕ
ГОСУДАРСТВЕННОЕ БЮДЖЕТНОЕ ОБРАЗОВАТЕЛЬНОЕ УЧРЕЖДЕНИЕ
ВЫСШЕГО
ПРОФЕССИОНАЛЬНОГО ОБРАЗОВАНИЯ
«ТЮМЕНСКИЙ
ГОСУДАРСТВЕННЫЙ НЕФТЕГАЗОВЫЙ УНИВЕРСИТЕТ»
ФИЛИАЛ
«ТОБОЛЬСКИЙ ИНДУСТРИАЛЬНЫЙ ИНСТИТУТ»
Кафедра Электроэнергетики
КУРСОВОЙ ПРОЕКТ (КУРСОВАЯ РАБОТА)
по дисциплине «Электронная
измерительная техника и электроника»
Выполнил студент группы ЭС-10
Слинкин И.В.
Тобольск 2013
Задание на курсовой проект (курсовую работу)
Рассчитать трехфазный двухобмоточный масляный трансформатор со следующими
данными:
1) назначение - силовой общего применения;
2) полная
мощность
, кВ×А 1000;
) номинальное
напряжение обмоток
, кВ 6;
) номинальное
напряжение обмоток
, кВ 0,69;
) частота
питающей сети
, Гц 50;
) потери
холостого хода
при
номинальном напряжении питания
, Вт
2100;
) потери
короткого замыкания
, Вт 12200;
) номинальное
напряжение короткого замыкания
, % 5,5;
) ток
при номинальном напряжении холостого хода
, % 1,4;
10) схемы и группа соединений обмоток - Д/Ун-11;
11) тип регулятора напряжения - ПБВ;
) глубина регулирования ±2,5%; ±5%;
) режим нагрузки - продолжительный;
) способ охлаждения - естественное масляное;
) магнитная система - плоская трёхстержневая;
) климатическое исполнение и категория размещения -
У1.
Введение
Трансформаторы - весьма распространенные электромагнитные аппараты для
преобразования электрической энергии переменного тока с одними параметрами в
электрическую энергию переменного тока с другими параметрами без изменения
частоты.
Силовые трансформаторы являются важнейшими элементами электрической сети,
где производятся многократные преобразования параметров электрической энергии,
и в стоимости электрических сетей большую долю составляют стоимости
трансформаторов. Примерно 40% от суммарных потерь электроэнергии в
электрической сети составляют потери в трансформаторах. Поэтому при проектировании
большое внимание следует уделять вопросам снижения потерь в трансформаторах и
стоимости трансформаторов.
Выполнение условий задания на проектирование возможно лишь с
использованием новых электротехнических и изоляционных материалов, современных
технологий проектирования, изложенных в рекомендуемой литературе.
Расчет трансформатора производится в 2 этапа: предварительный и
окончательный. На этапе предварительного расчета определение некоторых размеров
и параметров осуществляется по упрощенным выражениям с использованием
коэффициентов, полученных из практики проектирования. При окончательном
расчете, который производится после выбора конструкции и определения размеров
элементов трансформатора, проверки и подгонки к заданной норме параметров короткого
замыкания, уточняются основные размеры и параметры трансформатора.
1. Определение основных электрических величин
Мощность одной фазы трансформатора
,
где
- номинальная мощность трансформатора, кВ·А;
-
число фаз.
Мощность на одном стержне
,
где
- число активных (несущих обмотки) стержней
магнитопровода трансформатора.
Для
трехфазного
трехстержневого
трансформатора

Номинальные
линейные токи обмоток
,
,
где
и
-
линейные напряжения соответственно обмоток ВН и НН при использовании нулевых
ответвлений обмотки ВН, В.
Фазный ток (ток фазной обмотки) трехфазного трансформатора зависит от
схем соединений его обмоток:
при соединении обмоток в звезду или зигзаг (обмотки НН задания)
,
при
соединении обмоток в треугольник (обмотки ВН задания)
,
где
- номинальный линейный ток обмотки:
обмотки ВН,
обмотки
НН.
Фазное напряжение (напряжение фазной обмотки) трёхфазного трансформатора
также зависит от схем соединений обмоток:
при соединении обмоток в звезду или зигзаг (обмотки НН задания)
=
при
соединении обмоток фаз в треугольник (обмотки ВН задания)
=6∙103
В
где
- номинальное линейное напряжение соответствующей
обмотки:
обмотки ВН,
обмотки
НН.
В
зависимости от классов напряжений по таблице 1 определяются испытательные
напряжения обмоток НН и ВН (испытательное напряжение - это напряжение для
проверки электрической прочности изоляции элементов трансформатора). По ним
выбираются в дальнейших расчетах изоляционные промежутки между обмотками и
другими токоведущими частями и заземленными элементами трансформатора.
Таблица
1 - Испытательные напряжения промышленной частоты (50 Гц) для масляных силовых
трансформаторов
|
Класс напряжения, кВ
|
До 1кВ
|
6
|
|
Испытательное напряжение, , кВ525
|
|
|
Активная составляющая номинального напряжения короткого замыкания, %
,
где
- мощность потерь короткого замыкания, Вт; дана в
задании.
%.
Реактивная составляющая номинального напряжения короткого замыкания, %
,
где
- номинальное напряжение короткого замыкания (из
задания).
%.
2.
Расчёт основных размеров трансформатора
Основой конструкции трансформатора является магнитная система, так как её
основные размеры вместе с основными размерами обмоток определяют главные
размеры активной части и всего трансформатора.
Материалами для магнитных систем силовых трансформаторов служат
электротехнические холоднокатаные тонколистовые стали марок 3404, 3405, 3406,
3407 и 3408 толщиной 0,35, 0,30 и 0,27мм, поставляемые в рулонах.
Мощность данного трансформатора 1000 кВ·А поэтому используется, в
основном, сталь марки 3404 с толщиной пластин 0,30мм.
В таблице 2 приведены рекомендуемые значения индукции в стержнях трансформаторов.
Таблица 2 - Рекомендуемая индукция в стержнях масляных трансформаторов
|
Марка стали
|
Номинальная мощность
трансформаторов, кВ·А
|
|
160 и более
|
|
3404, 3405, 3406
|
1,55-1,65
|
Таблица 3 - Число ступеней в сечениях стержней трёхфазных масляных
трансформаторов мощностью 1000-1600 кВ·А
|
Показатель
|
Прессовка стержня
бандажами, сечение стержня диаметром 0,63м и выше имеет продольные каналы
|
|
Мощность трансформатора,
кВ·А
|
1000-1600
|
|
Ориентировочный диаметр
стержня d, м
|
0,23-0,26
|
0,27-0,30
|
|
Без прессующей пластины
|
Число ступеней
|
8
|
8
|
|
Коэффициент kkp
|
0,925
|
0,928
|
Отношение
активного сечения ярма
к активному сечению стержня
называется коэффициентом усиления ярма:
=1,015.
Для
нормализованных размеров пакетов пластин
; точные
значения
приведены
в таблице 5
В
предварительном расчёте, когда размеры пакетов пластин ещё не установлены,
активное сечение стержня определяется по выражению:
,
где
- коэффициент заполнения сталью;
,
где
- коэффициент заполнения площади ступенчатой фигуры
сечения стержня чистой сталью; значения
зависят
от вида стали (рулонная или листовая), типа изоляционного покрытия, технологии
сборки магнитной системы и определяются из таблицы 4.
;
Таблица
4 - Значения коэффициента
для рулонной холоднокатаной стали
|
Марка стали
|
Толщина, мм
|
Вид изоляционного покрытия
|
|
|
3404, 3405, 3406
|
0,30
|
Нагревостойкое
|
0,96
|
Предварительное значение активного сечения ярма
=
.
Таблица
5 - Способы прессовки стержней и ярм, формы сечения и коэффициенты усиления
ярма
|
Мощность трансформатора,
кВ·А
|
Прессовка стержней
|
Прессовка ярм
|
Форма сечения ярма
|
|
|
25-100
|
Расклинивание с обмоткой
|
Швеллерными балками,
стянутыми шпильками, расположенными вне ярма
|
3-5 ступеней
|
1,025
|
|
160, 250
|
|
|
С числом ступеней на 1-2
меньше числа ступеней стержня
|
1,015-1,025
|
|
400, 630, 1000-6300
|
Бандажами из стеклоленты
|
|
|
|
Таблица 6 - Главная изоляция. Минимальные изоляционные
расстояния обмоток НН
|
Мощность трансформатора,
кВ·А
|
Uисп для обмоток НН, кВ
|
Обм. НН от ярма l01,
мм
|
Обм. НН от стержня, мм
|
|
|
|
δ01
|
ац1
|
а01
|
lц1
|
|
1000 - 2500
|
5
|
принимается равным найденному
по испытательному напряжению обмотки ВН
|
картон 2х0,5
|
6
|
15
|
18
|
Таблица 7 - Главная изоляция. Минимальные изоляционные расстояния обмоток
ВН
|
Мощность трансформатора
кВ·А
|
для обмоток ВН, кВВН от ярма, ммМежду ВН и НН,
ммВыступ цилиндра , ммМежду ВН и ВН, мм
|
|
|
|
|
|
|
δша12δ12а22δ22
|
|
|
|
|
|
|
|
1000 - 6300
|
18,25 и 35
|
50
|
-
|
20
|
4
|
20
|
18
|
-
|
Расчет основных размеров активной части трансформатора следует начинать с
определения диаметра стержня магнитопровода
=
,
где
- ширина
приведенного канала рассеяния трансформатора.
=
значение
выбирается по таблице 7; на этом этапе расчета
размеры а1 и а2 неизвестны; поэтому
рассчитывается по приближенной формуле:
,
где
- коэффициент, зависящий от мощности трансформатора,
металла обмоток, класса напряжения обмоток ВН и мощности потерь короткого
замыкания; значения
выбираются из таблицы 8.
Таблица
8 - Значение коэффициента
для масляных трёхфазных двухобмоточных
трансформаторов с ПБВ с медными обмотками и потерями короткого замыкания по
ГОСТ 12022-76 и ГОСТ 11920-85
|
Мощность трансформатора,
кВ·А
|
Класс напряжений, 10 кВ
|
|
1000 - 6300
|
0,51
|
Для обмоток из алюминиевого провода к=0,6375.
-
коэффициент приведения идеального поля рассеяния к реальному (коэффициент
Роговского); значение
при концентрическом расположении обмоток и
равномерном расположении витков по их высоте колеблется от 0,93 до 0,98; при
определении основных размеров можно принять
;
-
частота питающей сети (по заданию),
=50;
- индукция в стержне магнитной системы; для выбранной
марки стали для трансформатора заданной мощности предварительное значение
принимается из таблицы 2;
-
коэффициент заполнения сталью;
значения
выбираются из таблицы 3 , а
- из таблицы 4.
Полученный
диаметр
=0,2306 отличается от нормализованного значения, то
следует принять ближайший диаметр по нормативной шкале -
=0,23 и пересчитать значение
на это значение по формуле:
=
.
Средний
диаметр канала между обмотками (предварительное значение)
,
где
- коэффициент, значения которого зависят от мощности,
класса напряжений и принятого уровня потерь короткого замыкания;
ориентировочные значения
для трансформаторов с магнитопроводами из
холоднокатаной стали приведены в таблице 9.
Таблица
9 - Ориентировочные значения коэффициента
для
медных обмоток
|
Мощность трансформатора,
кВ·А
|
Уровень потерь короткого
замыкания
|
Значения при классе напряжения обмотки ВН, кВ
|
|
|
6,10
|
|
От 1000 до 6300
|
1,2 Рк по ГОСТ Рк по ГОСТ
0,8 Рк по ГОСТ
|
1,35 1,38 1,42
|
Так
как обмотки выполнены из алюминиевых проводов, то
=1,431.
Высота
обмоток трансформатора:
=
Значения
других размеров и параметров, необходимых для полного расчета обмоток и
окончательного расчета магнитной системы:
Радиальный
размер обмоток НН
,
где
-
коэффициент, значения которого могут быть приняты для трансформаторов с плоской
магнитной системой мощностью 1000 - 6300 кВ·А класса напряжения 6 и 10кВ равным
1,1.
Активное
сечение стержня (предварительное)

Активное
сечение ярма (предварительное)
=
Высота
стержня
=
Расстояние между осями соседних стержней (предварительное)
=
где
- удвоенный радиальный размер обмотки ВН.

-
коэффициент, зависящий от мощности, класса напряжения трансформатора, материала
обмотки и типа переключателя; в таблице 10 приведены ориентировочные значения
коэффициента
.
Таблица
10 - Ориентировочные значения коэффициента
для
масляных двухобмоточных трансформаторов с ПБВ с медными обмотками и потерями
короткого замыкания по ГОСТ
|
Мощность трансформатора,
кВ·А
|
Класс напряжений, 6,10кВ
|
|
1000 - 6300
|
0,26 - 0,24
|
Так
как обмотки выполнены из алюминиевых проводов, то
=0,325.
Напряжение одного витка (предварительно)
=
Следовательно,
на этом этапе расчета основных размеров трансформатора нужно определить:
)
диаметр стержня магнитопровода -
=0,2306(0,23)м;
)
средний диаметр канала между обмотками -
=0,329м;
)
высоту обмоток трансформатора -
=0,642м;
)
радиальный размер обмотки
=0,318м;
)
активное сечение стержня -
=0,037м;
)
активное сечение ярма -
0,0376м;
)
высоту стержня -
=0,0642м;
)
расстояние между осями соседних стержней -
=0,3485м;
)
напряжение одного витка -
=13,14 В;
Величины, отмеченные штрихом, будут иметь предварительные значения.
масляный трансформатор замыкание магнитный
3
Расчёт обмоток НН
Расчёт
обмоток начинается с обмотки НН, располагаемой у большинства трансформаторов
между стержнем и обмоткой ВН. Поэтому эту обмотку считают первой и все
параметры и размеры обмотки НН и её элементов обозначают индексом «1»:
,
и т. д.
Порядок
расчёта.
Число
витков фазной обмотки
=
.
Полученное
округляется до ближайшего целого числа чётного или
нечётного. Это значение считается требуемым числом витков фазной обмотки 
Определяются
уточнённые (изменённые в результате округления
)
значения напряжения одного витка и индукции в стержне
=
=
Средняя плотность тока в обмотках, обеспечивающая получение заданных
потерь короткого замыкания, определяется по выражениям:
для алюминиевых обмоток
,
где
-
коэффициент отношения основных потерь к полным потерям в трансформаторе:
значения
можно принять из таблицы 11.
Таблица
11 - Значения
для трехфазных трансформаторов
|
Номинальная мощность
трансформатора, кВ×А
|
1000 - 6300
|
|
0,85
|
|
Сверить
рассчитанное значение
(с целью
исключить ошибки в расчете) можно по данным таблицы 12.
Таблица
12 - Средняя плотность тока в обмотках
(МА/м2)
для масляных трансформаторов с потерями короткого замыкания по ГОСТ
|
Номинальная мощность
трансформатора, кВ×А
|
1000 - 6300
|
|
Алюминий
|
1,5 - 2,6
|
Ориентировочное сечение витка, м2 (мм2)
=
Дальнейший ход расчёта зависит от типа выбранной обмотки.
.1 Расчёт цилиндрической обмотки из прямоугольного провода
В цилиндрической обмотке витки (по высоте обмотки) плотно прилегают друг
к другу. При этом в зависимости от величины тока витки могут выполняться одним
или несколькими параллельными проводами. При мощностях задания все витки можно
расположить в нескольких слоях. Укладка провода может быть осуществлена плашмя
или на ребро.
Во всех случаях для обеспечения нормального охлаждения каждый слой
обмотки хотя бы с одной стороны должен омываться маслом.
Применяемые прямоугольные провода для масляных трансформаторов имеют
изоляцию класса нагревостойкости А, выполняемую лентами кабельной бумаги, и
маркируются - медные ПБ, алюминиевые АПБ. Электрическая прочность изоляции
достаточна для межвитковой изоляции, а изоляция между слоями, кроме того,
обеспечивается либо масляным охлаждающим каналом, либо двумя слоями
электроизоляционного картона толщиной 0,5 мм.
Допустимый радиальный размер металла обмотки НН между охлаждаемыми маслом
поверхностями, м
,
где
- допустимая плотность теплового потока; для
цилиндрических обмоток НН из прямоугольного алюминиевого провода
Вт/м2;
-
коэффициент, учитывающий закрытие охлаждающего канала рейками и изоляционными
материалами; для цилиндрических обмоток
.
По
полученным значениям
и
по
сортаменту обмоточного провода для трансформаторов подбираются подходящие
провода, число параллельных проводов
.
Учитывая
все правила, выбираем a=4,75 мм, b=16мм, число параллельных
проводов
=6.
Подобранные
размеры провода витка записываются по форме:
Полное
сечение витка из
параллельных
проводов, м2
,
где
- сечение одного провода, мм2 ; значение
=75,1 мм2.
Полученная
плотность тока, МА/м2
=
Осевой
размер витка, м
где
- осевой размер провода с изоляцией;
=16,5мм.
Число
витков обмотки в одном слое
,
где
- расчетная высота обмотки НН;
=0,642м;
м -
увеличение осевого размера из-за неплотности намотки.
Необходимое
число слоев обмотки
=
Полученное значение округляется до ближайшего бόльшего.
Радиальный размер металла обмотки, м
,
где
- радиальный размер провода без изоляции.
Обмотку
нужно разделить на три катушки, с радиальными размерами каждой
,а между катушками выполнить осевой охлаждающий
масляный канал
.
Радиальный
размер
осевого охлаждающего канала выбирается по условиям
изоляции и проверяется по условиям отвода тепла по таблице 13; принимается
наибольшее значение, определённое по этим условиям.
Изоляция между слоями обмотки при неплотной намотке выполняется - двумя
слоями электроизоляционного картона толщиной по 0,5мм.
Таблица 13 - Минимальная ширина охлаждающих каналов в обмотках масляных
трансформаторов
|
Вертикальные каналы
|
Горизонтальные каналы
|
|
Длина канала, мм
|
Обмотка - обмотка, мм
|
Обмотка - цилиндр, мм
|
Обмотка - стержень, мм
|
Длина канала, мм
|
Обмотка - обмотка, мм
|
|
1000-1500
|
8-10
|
6-8
|
8-10
|
70-80
|
7
|
Радиальный размер обмотки:
выполненной с двумя охлаждающими каналами
где
- толщина межслойной изоляции.
Внутренний
диаметр обмотки
,
где
- ширина канала между обмоткой НН и стержнем;
значение
=15мм.
Наружный
диаметр обмотки
=
Полная
охлаждаемая поверхность обмоток НН всего трансформатора:
обмотки
выполнены с двумя охлаждающими каналами
.
Масса
металла обмотки
3.2 Расчёт цилиндрической многослойной обмотки из алюминиевой ленты
Эта обмотка выполняется из неизолированной отожженной ленты из алюминия
А5 или А6 шириной, равной высоте обмотки. Каждый слой обмотки состоит из одного
витка. Изоляция между витками создается одним или лучше двумя слоями кабельной
бумаги, ширина полосы которой на 16-24 мм больше ширины ленты. Для создания
жёсткой торцевой изоляции на краях полосы бумаги приклеивается буртик - полоска
электроизоляционного картона толщиной, равной толщине ленты, и шириной 8-12 мм.
Отводы от обмотки выполняются шинами, надёжно привариваемые к концам ленты.
Толщина ленты от 0,2 до 3 мм, ширина от 40 до 1000 мм.
Обмотки
этого типа обладают высокой теплопроводностью в осевом и радиальном
направлениях, имеют более равномерное распределение температуры по высоте и
ширине по сравнению с обмотками из изолированного провода. Поэтому значения
для них выше и составляет
Вт/м2.
После
определения
,
и
, уточнения значений
,
(п. 3.1) расчёт обмотки выполняется в следующем
порядке:
Определяется
ориентировочно ширина ленты
округляется
с точностью до 10 мм; получим стандартную ширину ленты
Определяется
ориентировочно толщина ленты
=
округляется
с точностью до 0,1 мм; получим стандартную толщину ленты
Рассчитывается
сечение витка (площадь сечения ленты), м2
=
Плотность
тока в ленте, МА/м2
=
Определяется
допустимый радиальный размер металла обмотки, м
=
Рассчитывается
предельное число витков, помещаемое в этот размер
Чаще
, тогда обмотку необходимо делить на две катушки, а
между катушками выполнять осевой охлаждающий канал а11 . Если w1 - число не чётное, то в первую катушку следует
поместить число витков, меньше половины, так как она имеет несколько худшие
условия охлаждения.
,
,
где
- толщина межвитковой изоляции; при выполнении
изоляции двумя слоями кабельной бумаги К-120 -
мм;
и
- числа витков в катушках.
Радиальный
размер
осевого охлаждающего канала определяется по п. 3.1.
Радиальный
размер обмотки НН с одним охлаждающим каналом
.
Диаметры
обмотки, м
внутренний
внешний
Масса
металла обмотки
Полная охлаждающая поверхность обмотки НН всего трансформатора:
обмотки выполнены с одним охлаждающим каналом
На основе сравнения результатов расчета вариантов обмоток НН по
массогабаритным показателям (размеры и масса металла) с учетом преимуществ и
недостатков выбирается лучший вариант, который и будет рассматриваться в
дальнейших расчетах.
Наилучшим вариантом является цилиндрическая обмотка из прямоугольного
провода.
4. Расчёт обмоток ВН
При выборе типа обмотки ВН необходимо обязательно учитывать удобство
выполнения ответвлений для регулирования напряжения. В диапазоне мощностей
задания при многослойных цилиндрических обмотках используются схемы рисунка 1.
Рисунок 1. Схемы выполнения ответвлений в обмотках ВН
Намотка регулировочных витков производится тем же проводом и с тем же
направлением намотки, что и основных витков обмотки. В цилиндрических обмотках
регулировочные витки располагаются в наружном слое обмоток. С целью снижения
механических сил, возникающих в обмотках при коротком замыкании, отключаемые
витки должны располагаться симметрично относительно середины высоты обмотки.
Схема рисунка 1 а не обеспечивает этого требования, и поэтому её использование
ограничивается трансформаторами мощностью до 160 кВ∙А. Схема рисунка 1 б
применима для трансформаторов мощностью от 250 кВ∙А. При схемах
соединений обмоток в треугольник использование схем рисунков 1 а и 1 б
усложняется из-за необходимости использовать сложный переключатель ответвлений.
Поэтому предпочтительной является схема рисунка 1 в с расположением
регулировочных витков в середине обмоток ВН.
Обмотка
ВН располагается по отношению к стержню после обмотки НН. Поэтому обмотку ВН
считают второй и все параметры этой обмотки и её элементов обозначают индексом
«2»:
;
и т.д.
Порядок
расчёта:
Определяется
число витков, необходимое для получения номинального напряжения
Рассчитывается
число витков на одной ступени регулирования напряжения: при соединении фазных
обмоток ВН в треугольник
,
где
- напряжение на одной ступени регулирования (разность
напряжений двух соседних ответвлений). Если ступень регулирования составляет
2,5%, то
=
Определяются числа витков обмотки на ответвлениях:
на верхних ступенях регулирования
=
;
|
= ;
|
|
|
на основной ступени
напряжения
|
 ;
|
на нижних ступенях регулирования
=
;
|
= .
|
Ориентировочная плотность тока, МА/м2

Ориентировочное
сечение витка, м2 (мм2)
=
4.1 Расчёт цилиндрической многослойной обмотки из прямоугольного провода
Продолжается в следующем порядке:
По
выбирается из приложения Б провод марки АПБ сечением
с толщиной изоляции на обе стороны
мм и записывается его обозначение по форме,
приведённой в п. 3.1.
Плотность тока (уточнённое значение), МА/м2
Осевой размер обмотки, м
=0,642м..
Осевой
размер витка
, число витков в слое
определяются
по формулам:
Необходимое
число слоёв в обмотке
,
где
- число витков обмотки на верхней ступени
регулирования:
;
округляется
до ближайшего большего числа.

Рабочее
напряжение двух слоёв
=
По
из таблицы 14 выбирается число слоёв и общая толщина
кабельной бумаги в изоляции между двумя слоями обмотки.
Таблица
14 - Нормальная междуслойная изоляция в многослойных цилиндрических обмотках
|
Суммарное рабочее
напряжение двух слоёв обмотки, В
|
Число слоёв кабельной
бумаги на толщину листов, ммВыступ межслойной изоляции на
торцах обмотки (на одну сторону), мм
|
|
До
1000 от 1001 до 2000 от 2001 до 3000 от 3001 до 4000 2
0,12
0,12
0,12
0,1210
При
мощности от 1000 кВ∙А межслойную изоляцию принимать по таблице 14, но не
менее
мм, а выступ изоляции не менее 20 мм.
Общий
радиальный размер металла в обмотке ВН, м
где
- радиальный размер провода без изоляции.
Допустимый по плотности теплового потока радиальный размер металла
обмотки, м
,
где
- допустимое значение плотности теплового потока на
поверхности; для цилиндрической обмотки из алюминиевого провода
Вт/м2.
Обмотку
необходимо разделить на концентрические катушки так, чтобы радиальный размер
каждой из катушек был меньше или равным
. Между
катушками устраиваются охлаждающие осевые масляные каналы, ширина которых
по условиям охлаждения выбирается по таблице 7. Этот
размер нужно проверить по уровню изоляции: при суммарном напряжении двух слоёв
кВ достаточную межслойную изоляцию обеспечит канал
шириной не менее 4 мм, при
кВ -
масляный канал шириной 6-8 мм и два слоя из картона толщиной 1 мм.
Число
слоёв обмотки в каждой катушке четыре и пять, большее число слоёв имеет
наружная катушка.
Радиальный
размер обмотки, м
,
где
- толщина междуслойной изоляции по таблице 14;
- принятая ширина охлаждающего канала;
- число охлаждающих каналов в обмотке.
Внутренний диаметр обмотки, м
,
где
- размер осевого канала между обмотками НН и ВН и
толщина изоляционного цилиндра; выбирается по
обмотки
ВН по таблице 7.
Наружный
диаметр обмотки
=
Полная
поверхность охлаждения обмоток ВН всего трансформатора
,
где
- число охлаждаемых поверхностей обмотки ВН:
при
одном охлаждающем канале.
Масса металла обмотки
4.2 Расчёт многослойной цилиндрической обмотки из круглого провода
По
ориентировочному сечению витка
и
сортаменту обмоточного провода для трансформаторов (приложение А) подбирается провод
подходящего сечения или в редких случаях два параллельных одинаковых провода.
Выбранные
размеры провода записываются так:
марка
провода
,
где
- число параллельных проводов;
- диаметр провода без изоляции;
- диаметр изолированного провода:
;
- размер двухсторонней изоляции; для провода круглого
сечения при
кВ
мм.
Полное сечение витка, м2
,
где
- сечение одного провода (из приложения Б).
Плотность
тока
=
Осевой
размер витка, м
=
Число
витков в слое
=
Число
слоёв в обмотке
=
.
округляется
до ближайшего большего числа.
Рабочее
напряжение двух слоёв
=
По
из таблицы 14 выбирается число слоёв и общая толщина
изоляции кабельной бумаги в изоляции между слоями обмотки.
Общий
радиальный размер металла обмотки, м
=
Допустимый по плотности теплового потока радиальный размер металла
обмотки, м
=
При
обмотку ВН необходимо разделить на две
концентрические катушки с осевым масляным каналом между ними.
Минимальная
ширина масляного канала
определяется по таблице 7 и проверяется по уровню
изоляции.
Радиальный
размер обмотки:
двухкатушечной
=

Минимальный
радиальный размер
осевого канала между обмотками НН и ВН равен 0,02м.
Внутренний
диаметр обмотки
=
Наружный
диаметр обмотки
=
Поверхность
охлаждения
.
значения
=2.
Масса
металла обмотки
По результатам сравнения вариантов принимается обмотка ВН из
прямоугольного провода.
5. Определение
параметров короткого замыкания
Для
определения параметров трансформатора искусственно создаётся режим короткого
замыкания - режим, когда обмотка НН замкнута накоротко, а к обмотке ВН
подводится такое пониженное напряжение
, при
котором токи в обмотках имеют номинальные значения.
.1
Определение потерь короткого замыкания
Потери
в режиме искусственного короткого замыкания
имеют
следующие составляющие:
)
и
-
основные потери соответственно в обмотках НН и ВН, вызванные номинальным рабочим
током в этих обмотках;
)
и
-
добавочные потери в обмотках НН и ВН, т.е. потери от вихревых токов, наведённых
полем рассеяния обмоток;
)
и
-
основные потери в отводах от обмоток;
)
и
-
добавочные потери в отводах, вызванные полями рассеяния отводов;
)
б - потери
в стенках бака и других металлических элементах трансформатора, вызванные
полями рассеянии обмоток и отводов;
б.
Обычно
добавочные потери учитывают увеличением основных потерь путём умножения
последних на коэффициент учёта добавочных потерь
, т.е.
, тогда
б.
Основные
потери рассчитываются по формулам:
в
обмотке из алюминиевого провода
,
где
- плотность тока в проводах обмотки;
- масса
металла обмотки.
Средний
коэффициент учета добавочных потерь при частоте 50Гц для обмоток:
из
алюминиевого прямоугольного провода
,
где
- размер металла прямоугольного проводника в направлении,
перпендикулярном линиям магнитной индукции поля рассеяния (в направлении
радиуса обмотки);
- число
проводников обмотки в том же направлении;
- для
прямоугольного провода;
- размер
металла проводника в направлении, параллельном линиям магнитной индукции поля
рассеяния (по оси обмотки);
- число
проводников обмотки в том же направлении;
- общий
размер в направлении, параллельном линиям магнитной индукции поля рассеяния
(высота обмотки).
Размеры
,
, и
в вышеприведенных формулах должны быть выражены в
метрах.
Расчёт
основных потерь в отводах сводится к определению длины отводов и массы металла
в них.
Обычно
сечение отвода принимается равным сечению витка обмотки, и поэтому плотность
тока в проводниках отвода равна плотности тока в проводах обмотки.
Основные
потери в отводах, выполненных алюминиевым проводом
,
где
- масса металла проводов отводов соответствующей
обмотки.
,
где
- общая длина проводов отводов обмотки:
при
соединении фазных обмоток в звезду
, в
треугольник -
;
-
сечение отвода, м2;
-
плотность металла отвода (для алюминия
кг/м3);
В
силовых трансформаторах общего назначения
, а
. Поэтому, как правило, добавочные потери в отводах не
учитываются.
При
рациональной конструкции трансформатора потери в его ферромагнитных
конструктивных элементах составляют незначительную долю
, и их можно определить по приближенной формуле
, Вт,
где
- коэффициент, значение которого принимается по
таблице 14.
Таблица
14 - Значение коэффициента
|
Мощность трансформатора,
кВ·А
|
До 1000
|
|
0,015
|
|
.1.5 Полные потери короткого замыкания
б =
Отношением
сравниваются фактические расчетные потери короткого
замыкания с заданными: расчётные потери короткого замыкания не должны
отличаться более, чем на ±5%. Расчётные потери отличаются от заданных на 0,38%.
Расчёт произведён верно.
.2
Расчёт номинального напряжения короткого замыкания
Расчетная
активная составляющая номинального напряжения короткого замыкания в процентах
номинального напряжения определяется по выражению
=
.
Расчетная
реактивная составляющая номинального напряжения короткого замыкания в процентах
номинального напряжения
,
где
- уточнённые значения ширины приведенного канала
рассеяния
,
где
,
,
- реальные размеры рассчитанных обмоток
трансформатора;
,
где
=
Расчётное
номинальное напряжение короткого замыкания в процентах от номинального
напряжения
=
.
Определяется
отношение
.
Отклонение
расчетного значения
от заданного не должно быть бóльшим ±5%. Отклонение расчётного значения от заданного
на 0,18%. Расчёт выполнен верно.
.3
Определение механических сил в обмотках и нагрева обмоток при коротком
замыкании
Короткое
замыкание трансформатора при рабочих напряжениях является аварийным режимом,
так как сопровождается многократным увеличением токов в обмотках по сравнению с
их номинальными значениями, повышенным нагревом обмоток и ударными
механическими силами, действующими на обмотки и их части.
Действующее
значение установившегося тока короткого замыкания с учётом сопротивления
питающей сети для основного ответвления обмотки определяется по выражению
(согласно ГОСТ 11677-85)
,
где
- номинальный фазный ток соответствующей обмотки;
-
номинальная мощность трансформатора, МВ·А (1МВ·А=103кВ·А);
-
мощность короткого замыкания электрической сети, МВ·А;
принимается из таблицы 15.
Таблица
15 - Мощности короткого замыкания электрической сети
|
Класс напряжения обмотки
ВН, кВ
|
6-10
|
|
Мощность короткого
замыкания электрической сети ( ),
МВ·А500
|
|
Действующее
значение наибольшего установившегося тока короткого замыкания для
трансформаторов мощностью менее 1МВ·А можно определить также по упрощенной формуле:
.
В
начальный момент вследствие наличия апериодической составляющей ток короткого
замыкания может значительно превысить установившийся ток. Это наибольшее
мгновенное значение тока короткого замыкания - ударный ток короткого замыкания:
,
где
- коэффициент, учитывающий максимально возможную
апериодическую составляющую тока короткого замыкания.
=
При
расчёте и конструировании трансформаторов необходимо учитывать электромагнитные
силы, возникающие между обмотками и их частями при коротком замыкании
трансформатора. Эти силы могут вызвать разрушение обмотки, деформацию или обрыв
витков, разрушение опорных конструкций.
Продольное
поле рассеяния обмоток (линии его индукции направлены параллельно оси обмоток)
вызывает радиальные силы.
Суммарная
радиальная сила, действующая на наружную обмотку и стремящая растянуть её
,
где
- ударный ток короткого замыкания в обмотке ВН;
- число
витков обмотки ВН на основной ступени.
Такая
же сила, но противоположно направленная, действует на обмотку НН, стремясь
сжать её. Обе силы равномерно распределены по окружности обеих обмоток.
Для
оценки механической прочности обмотки определяются напряжения сжатия во
внутренней обмотке (обмотке НН) и напряжения растяжения в наружной обмотке
(обмотке ВН), возникающие под воздействием радиальных сил.
Среднее
сжимающее напряжение в проводе обмотки НН
=
.
Среднее
растягивающее напряжение в проводе обмотки ВН
=
Для
обеспечения стойкости обмоток необходимо:
МПа,
МПа в алюминиевых обмотках.
Поперечное
поле рассеяния (линии его индукции расходятся радиально) вызывают осевые силы,
сжимающие обмотки в осевом направлении. Для обмоток с плотным прилеганием
витков (многослойные цилиндрические или из алюминиевой ленты) осевая сила может
быть рассчитана по формуле:
,
где
- коэффициент осевой силы.
;
;
;
определяется
из таблицы 16.
Таблица
16 - Значения
|
Мощность трансформатора,
кВ·А
|
Тип обмотки НН
|
, %
|
|
160-1000
|
двуслойная и многослойная цилиндрическая
|
|
;

Для
обмоток с регулировочными витками, симметрично расположенными относительно
середины высоты обмоток на каждой ступени,
.
Осевые
силы действуют на обе обмотки: в верхней половине обмотки они направлены вниз,
а в нижней - вверх. Наибольшее значение осевой силы в середине высоты обмотки
НН.
Сжимающее
напряжение
,
где
- суммарный радиальный размер металла обмотки НН;
при
намотке плашмя
=
=
Для
трансформаторов мощностью до 6300 кВ·А необходимо
МПа.
Расчёт
температуры обмоток при коротком замыкании проводится для установившегося тока
короткого замыкания предполагая, что вследствие быстротечности процесса всё
выделяющееся тепло идёт на нагрев обмоток.
Температура
обмоток через время
после возникновения короткого замыкания:
для
алюминиевых обмоток
,
где
- наибольшая продолжительность короткого замыкания на
выводах масляного трансформатора; при коротком замыкании на сторонах с
номинальным напряжением 35 кВ и ниже принимается
;
-
начальная температура обмотки; принимается
0C.
ºс;
ºс.
Предельно
допустимые температуры при коротком замыкании приведены в таблице 17.
Таблица
17 - Предельно допустимые температуры обмоток при коротком замыкании масляных
трансформаторов
|
Металл обмоток
|
Алюминий
|
|
Класс изоляции
|
A
|
|
Допустимая температура, °C
|
200
|
6. Окончательный расчёт магнитной системы
.1 Определение размеров магнитной системы
Выбор числа и размеров пакетов в сечении стержня плоской магнитной
системы должен быть сделан так, чтобы площадь ступенчатой фигуры его
поперечного сечения, вписанного в окружность, была максимально возможной. В
таблице 18 приведены рациональные числа ступеней и размеры пакетов для
нормализованных диаметров стержня, рекомендуемые по опыту проектирования
магнитных систем трансформаторов.
Таблица 18 - Размеры пакетов для магнитных систем без прессующих пластин
с прессовкой стержней бандажами из стеклоленты
|
Диаметр стержня , мСтержень
|
Ярмо
|
Размеры пакетов , мм, в стержне
|
|
|
  
|
|
|
|
|
|
0,23
|
8
|
0,933
|
6
|
130
|
220´34
|
205´19
|
185´16
|
165´12
|
145´9
|
130´5
|
115´5
|
90´6
|
- ширина
пластин;
-
толщина пакетов;
,
- число ступеней в сечении стержня и ярма.
Полные
площади ступенчатых фигур поперечных сечений стержня
и ярма
для
плоских шихтованных магнитных систем и объемы одного угла магнитной системы
приведены в таблице 19.
Таблица
19 - Площади сечений стержня
и ярма
объемы угла
плоской
шихтованной магнитной системы при размерах пакетов по таблице 18.
|
, м , см2 , см2 , см3
|
|
|
|
|
0,23
|
387,7
|
394,0
|
7482
|
Активное сечение стержня
Активное сечение ярма
=
Объем стали угла магнитной системы
=
Длина
стержня

Расстояние
между осями соседних стержней
Размер
=18мм.
Масса
стали в стержнях и ярмах плоской шихтованной магнитной системы определяется
суммированием масс прямых участков и углов. Плотность холоднокатаной стали
кг/м3.
Масса
стали угла при многоступенчатой форме сечения
Масса
стали ярм
,
где
=
Масса
стали стержней
,
где
где
- ширина пластин среднего пакета ярма.
Полная
масса стали магнитной системы
.2
Определение потерь холостого хода
Для
плоской трёхфазной шихтованной магнитной системы с взаимным расположением
стержней и ярм, собранной из пластин холоднокатаной анизотропной стали, с
прессовкой стержней расклиниванием с внутренней обмоткой или бандажами, а
ярм-ярмовыми балками потери холостого хода при номинальном напряжении питания
могут быть рассчитаны по формуле:
где
- коэффициент увеличения удельных потерь в результате
осуществления резки ленты стали на пластины; для отожженной стали марок 3404 и
3405 можно принять
;
-
коэффициент увеличения удельных потерь из-за наличия заусенцев; если заусенцы
удалялись при помощи ножа, то для отожженных пластин
;
,
,
-
удельные потери для стали стержней, ярм и стыков (зазоров), определяемые из
таблицы 20 по индукциям соответственно в стержне, ярме и на косом стыке
-
коэффициент, учитывающий увеличение потерь в углах магнитной системы; при
четырёх углах с косыми стыками и двух углах с прямыми стыками для стали 3404 с
толщиной листов 0,35 мм при
Тл
среднее значение
;
Таблица
20 - Удельные потери в стали сердечника и ярма
и в зоне
шихтованного стыка
|
 
|
|
|
|
сталь 3404 0,35 мм
|
одна пластина
|
две пластины
|
|
1,00
|
0,475
|
265
|
345
|
|
1,58
|
1,251
|
630
|
962
|
|
1,56
|
1,207
|
615
|
934
|
- число
стыков разного вида;
- площадь
стыков:
прямого
;
;
косого
-
коэффициент увеличения потерь, зависящий от формы ярма; если число ступеней
ярма отличается на одну две ступени от числа ступеней в сечении стержня, то
;
-
коэффициент, учитывающий влияние прессовки на потери холостого хода; при
прессовке стержней расклиниванием с обмоткой и бандажами из стеклоленты, ярма -
ярмовыми балками без бандажей для отожженной стали
;
-
коэффициент, учитывающий увеличения потерь из-за перешихтовки верхнего ярма
остова при установке обмоток; при мощности трансформаторов 1000-6300 кВ∙А
.
Расчётные
потери холостого хода могут отличаться от заданных не более, чем на +7,5%.
Расчёт выполнен верно.
.3 Расчет тока холостого хода
Намагничивающая мощность холостого хода трансформатора с плоской
шихтованной трех стержневой магнитной системой по, собранной из пластин
холоднокатаной анизотропной стали, с прессовкой стержней расклиниванием с
внутренней обмоткой или бандажами, а ярм - ярмовыми балками без сквозных шпилек
в стержнях и ярмах, рассчитывается по формуле
где
- коэффициент, учитывающий влияние резки полосы
рулона на пластины; для отожженной стали марки 3404
;
- коэффициент,
учитывающий влияние заусенцев; если заусенцы сняты , то для отожженных пластин
;
,
,
-
удельные намагничивающие мощности для стали стержней, ярм и зазоров (стыков);
определяются по индукциям
,
и
для прямых и косых стыков из таблицы 21;
-
коэффициент, учитывающий увеличение намагничивающей мощности в углах магнитной
системы: его значение для трёхстержневой магнитной системы из стали марки 3404
толщиной 0,35 мм для разных индукций приведены в таблице 22.
Таблица
22 - Значение коэффициента
для
углов с косыми и прямыми стыками пластин из стали марки 3404 с толщиной 0,35 мм
при
Гц
|
Число углов со стыками
|
Магнитная индукция B,
Тл
|
|
косыми
|
прямыми
|
1,5
|
|
4
|
2
|
41,7
|
Таблица
21 - Полные удельные намагничивающие мощности в стали сердечника и ярма
и в зоне шихтованного стыка
для стали марки 3404 0,35 мм
|
  
|
|
|
|
1,20
|
0,752
|
4000
|
|
1,56
|
1,575
|
20700
|
|
1,58
|
1,675
|
22100
|
-
коэффициент, учитывающий увеличение намагничивающей мощности в углах магнитной
системы в зависимости от ширины пластины второго пакета; значения
для холоднокатаной стали приведены в таблице 23; для
промежуточных значений
, коэффициент
определяется
интерполяцией.
Таблица
23 - Значения
для холоднокатанной стали
|
B, Тл
|
Ширина пластин второго
пакета , м
|
|
0,05
|
0,10
|
0,20
|
0,30
|
0,40
|
0,50
|
0,60
|
0,70
|
|
0,8-1,0 1,10 и 1,90 1,20 и
1,80 1,30 и 1,70 1,40 и 1,60 1,50
|
1,30 1,40 1,50 1,70 2,00
3,00
|
1,25 1,27 1,30 1,38 1,50
2,00
|
1,20 1,21 1,22 1,25 1,35
1,50
|
1,17 1,18 1,19 1,21 1,25
1,35
|
1,15 1,16 1,17 1,18 1,20
1,30
|
1,14 1,15 1,16 1,17 1,19
1,25
|
1,13 1,14 1,15 1,16 1,18
1,20
|
1,12 1,13 1,14 1,15 1,16
1,18
|
-
коэффициент, учитывающий форму сечения ярма; для ярма многоступенчатого сечения
;
-
коэффициент, учитывающий прессовку магнитной системы; при прессовке стержней
бандажами из стеклоленты, ярм-ярмовыми балками без бандажей для отожженной
стали
;
-
коэффициент, учитывающий перешихтовку верхнего ярма для установки обмоток;
.
Полный фазный ток холостого хода при номинальном напряжении питания
=
Относительное
значение тока холостого хода (в процентах номинального тока)
=
Активная
составляющая фазного тока холостого хода
=
.
или
в процентах номинального тока
=
Реактивная
составляющая фазного тока холостого хода
=
или
в процентах номинального тока
=
Отклонение
расчётного тока холостого хода от заданного должно быть не более
+15%.Отклонение расчётного тока холостого хода от заданного составляет
12,9%,что удовлетворяет условие.
Коэффициент
мощности при работе трансформатора в режиме холостого хода при номинальном
напряжении
=
7. Тепловой расчёт и расчёт систем охлаждения
Вследствие потерь в обмотках и в стали магнитной системы эти элементы
нагреваются и передают тепло через трансформаторное масло стенкам бака и
радиаторов, с наружных поверхностей которых через излучение и конвекцию идёт
отдача тепла окружающему воздуху. В установленном режиме всё выделяющееся тепло
передаётся в окружающую среду.
Тепловой расчёт трансформатора проводится после завершения электромагнитного
и механического расчётов его обмоток и магнитной системы. При правильном выборе
электромагнитных нагрузок, распределении и выборе размеров охлаждающих масляных
каналов внутренние температуры обмоток и магнитной системы оказываются не выше допустимых
значений. Поэтому тепловой расчёт сводится к определению перепадов температур
внутри обмоток и на их поверхностях.
Конструкция бака трансформатора зависит от того теплового потока, который
должен быть отведён с поверхности бака в окружающий воздух, а также
определяется требованиями механической прочности. При тепловом расчёте бака
сначала рассчитывается допустимое среднее превышение температуры стенки бака
над окружающим воздухом, затем по требуемой теплоотдаче определяется его
охлаждающая поверхность, подбираются конструктивные элементы (их размеры и
число), образующие эти поверхности. Далее проводится поверочный расчёт
превышения температуры стенок бака и масла над окружающим воздухом. Если при
этом получаются превышения температуры, отличающиеся от допустимых, то
производится корректировка охлаждающей поверхности путём увеличения или
уменьшения числа или размеров конструктивных элементов.
Поверочный тепловой расчёт обмоток
Потери, выделяющиеся в 1м3 объема обмотки НН из алюминия
где
и
-
размеры провода без изоляции и с изоляцией в направлении движения тепла (м);
и
- то же, но в направлении перпендикулярном движению
тепла (м).
Средняя
теплопроводность обмотки НН
где
Вт/(
) -
теплопроводность междуслойной изоляции (кабельная бумага в масле) определяется
по таблице 24.
Таблица
24 - Удельные теплопроводности изоляционных и других материалов
|
Материалы
|
λ,
Вт/(м·°С)
|
|
Бумага кабельная сухая
Бумага кабельная в масле Электроизоляционный картон Лакоткани
электроизоляционные Гетинакс Текстолит Стеклотекстолит Масло при отсутствии
ковекции Медь Алюминий
|
0,12 0,17 0,17 0,25
0,17-0,175 0,146-0,162 0,178-0,182 0,1 390 226
|
Полный внутренний перепад температуры в катушках обмотки НН
Средний
внутренний перепад температуры в катушках обмотки НН
Потери,
выделяющиеся 1 м3 объема обмотки ВН из прямоугольного алюминиевого
провода
=
Средняя
теплопроводность обмотки ВН
Полный
внутренний перепад температуры в катушках обмотки ВН
Средний
внутренний перепад температуры в катушках обмотки ВН
Перепад
температуры на поверхности обмоток НН
;
;
м2;
Вт/м2;
°С.
Перепад
температуры на поверхности обмоток ВН
;
;
м2;
Вт/м2;
°С.
Среднее
превышение температуры обмоток НН над температурой масла
°С.
Среднее
превышение температуры обмоток ВН над температурой масла
°С.
Тепловой
расчёт бака
Бак
трансформатора должен иметь хорошую теплоотдачу, быть механически прочным, простым
в изготовлении, иметь малые габариты. Тип бака выбирается по мощности
трансформатора из таблицы 25.
Таблица
25 - Типы баков силовых масляных трансформаторов
|
Тип бака
|
Вид охлаждения
|
Пределы применения по
мощности, кВ∙А
|
|
Бак с навесными радиаторами
с прямыми трубами
|
м
|
от 100 до 6300
|
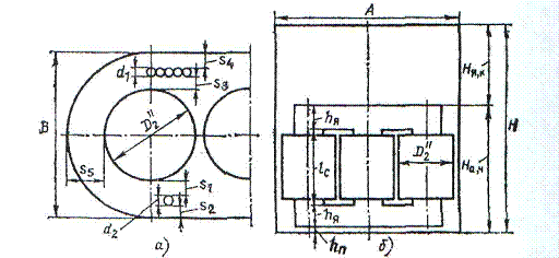
Для расчета размеров бака необходимо определить следующие изоляционные
расстояния и размеры (рисунок 2):
Рисунок 2. К определению основных размеров бака
-
изоляционное расстояние от изолированного отвода обмотки ВН до собственной
обмотки; определяется по таблице 26;
-
изоляционное расстояние от изолированного отвода обмотки ВН до стенки бака;
определяется по таблице 25;
- диаметр изолированного отвода обмотки ВН: при
классах напряжения 10 и 35 кВ при мощности трансформатора до 10000 кВ∙А
мм, а при больших мощностях
мм;
-
изоляционное расстояние от отвода обмотки НН до обмотки ВН; определяется по
таблице 26;
-
изоляционное расстояние от отвода обмотки НН до стенки бака; определяется по
таблице 25;
- диаметр изолированного отвода от обмотки НН, равный d1, или размер неизолированного отвода НН (шины), равный
10-15 мм.
Таблица
25 - Минимально допустимые расстояния от отводов до заземлённых частей
|
Испытательное напряжение
отвода, кВ
|
Толщина изоляции на одну
сторону, мм
|
Диаметр отвода, мм
|
Расстояние от гладкой
стенки бака или собственной обмотки, мм
|
|
До 25
|
0 0 2
|
<6 >6 -
|
25 22 20
|
Таблица 26 - Минимально допустимые изоляционные расстояния от отводов до
обмотки
|
Испытательное напряжение,
кВ
|
Толщина изоляции на одну
сторону, мм
|
Минимальное расчётное
расстояние до основных катушек, мм
|
|
обмотки
|
отвода
|
|
|
|
До 25
|
До 25
|
0 2
|
25 20
|
Минимальная ширина бака
Принимаем
В=0,64м.
Минимальная
длина бака трехфазных трансформаторов классов напряжений 6, 10 и 35 кВ
,
где
- расстояние от обмотки ВН до стенки бака; при
испытательных напряжениях до 85 кВ
может
быть принят таким же, как и расстояние от неизолированного отвода обмотки до
обмотки ВН (таблица 26), т. е.
; чаще
принимают
=
принимаем
Глубина
бака определяется высотой активной части и минимальным расстоянием от верхнего
ярма до крышки бака, необходимым для размещения внутренних частей проходных
изоляторов, отводов и переключателей
,
где
- высота активной части.
,
где
- толщина подкладки под нижнее ярмо;
мм.
-
расстояние от верхнего ярма магнитопровода до крышки бака; выбирается из
таблицы 27.
Таблица
27 - Минимальное расстояние от ярма до крышки бака
|
Класс напряжения
трансформатора, кВ
|
Минимальное расстояние, м
|
|
35
|
0,40
|
Необходимая глубина бака
,
где
-
расстояние между осями патрубков радиатора (таблица 28);
и
-
расстояние осей фланцев радиатора от нижнего и верхнего срезов стенки бака
(таблица 28).
Должно
быть
значит
Навесные
радиаторы с прямыми трубами круглого или овального сечения выпускаются с одним
рядом труб - 7 труб в ряду или двумя рядами - 10 труб в ряду.
Для
радиаторов с двумя рядами труб
мм,
мм. Данные трубчатых радиаторов с прямыми трубами
приведены в таблице 28.
Превышение
средней температуры масла над температурой окружающей среды для наиболее
нагретой обмотки или катушки
,
где
-
длительное допустимое среднее превышение температуры обмоток над воздухом при
номинальной нагрузке; для обмоток масляных трансформаторов по ГОСТ 11677-85
.
Максимальное
превышение температуры стенки бака над температурой окружающей среды
(пренебрегая перепадом температуры между маслом и стенкой бака)
,
где
γ
- коэффициент, равный отношению
максимального и среднего превышений температуры масла; можно применять γ=1,2;
-
среднее превышение температуры стенки бака над воздухом

Превышение
температуры верхних слоёв масла над воздухом для трансформаторов герметических
или с расширителем.
Таблица
28 - Основные данные трубчатых радиаторов с прямыми трубами
|
Размер Aр,
мм
|
Поверхность Пк.тр, м2
|
Масса, кг
|
Размер Aр,
мм
|
Поверхность Пк.тр, м2
|
Масса, кг
|
|
|
Стали
|
масла
|
|
|
стали
|
масла
|
|
С одним рядом труб
|
1400 1615 1800 2000 2200
2400
|
4,333 4,961 5,613 6,253
6,893 7,533
|
53,94 67,14 73,94 81,98
89,18 95,68
|
46 53 57 64 72 78
|
|
710 900
|
0,746 0,958
|
12,9 15,35
|
8,5 10,9
|
|
|
|
|
|
С двумя рядами труб
|
|
|
|
|
|
710 900 1150
|
2,135 2,733 3,533
|
34,14 41,14 50,14
|
24 30 38
|
|
|
|
|
|
|
|
|
|
|
|
|
|
Поверхность гладких стенок бака при овальном его сечении в плане
Поверхность
излучения бака с навесными радиаторами (ориентировочно)
,
где
- коэффициент, учитывающий отношение поверхности
излучения к поверхности гладкой части бака; для бака с навесными радиаторами
.
Необходимая
поверхность конвекции для получения найденного выше значения среднего
превышения температуры наружных стенок бака над температурой воздуха
(ориентировочно)
=
Эта
поверхность должна быть обеспечена элементами системы охлаждения масляного
трансформатора (стенками бака, крышкой и навесными радиаторами), т. е. должно
быть выполнено условие
,
где
- поверхность конвекции крышки бака.
,
0,5
- коэффициент, учитывающий закрытие поверхности крышки вводами и арматурой;
,16
- удвоенная ширина верхней рамы бака;
- число
навесных радиаторов;
-
приведенная поверхность конвекции радиатора
,
где
- коэффициент, учитывающий улучшение теплоотдачи
конвекцией навесного радиатора по сравнению с гладкой стенкой (коэффициент приведения
поверхности конвекции радиатора к поверхности конвекции гладкой стенки); для
радиаторов с прямыми трубами
.
Необходимое
число радиаторов (предварительно)
.
Значение
округляется до ближайшего целого числа с учётом схемы
расположения радиаторов на баке. В результате округления получаем
=7.
Уточнённое
значение поверхности конвекции бака (изменённое в результате округления
)
.
Уточнённое среднее превышение температуры стенки бака над температурой
окружающего воздуха
,
где
.
.2.12
Среднее превышение температуры масла вблизи стенки над температурой стенки бака
для трансформатора с естественным масляным охлаждением
,
где
Превышение
температуры масла в верхних слоях над температурой окружающего воздуха

Превышение
температуры обмоток над температурой окружающего воздуха рассчитывается для
обмоток ВН и НН отдельно по формуле

Превышение
температуры обмоток и температуры масла в верхних слоях над температурой
окружающего воздуха не должны быть больше допустимых ГОСТ для масляных
трансформаторов (65°С и 60°С соответственно).
8.
Определение массы основных материалов
Масса
металла проводов обмоток НН и ВН (
и
) определена при расчете обмоток.
Расчет
массы провода с изоляцией
;
,
где
,
- масса
провода обмоток НН и ВН с учётом изоляции;
-
коэффициент увеличения массы изолированного провода по сравнению с
неизолированным. Значение
выбирается из таблиц 29 и 30.
Таблица
29 - Коэффициенты увеличения массы круглых обмоточных проводов марок ПБ и АПБ с
толщиной изоляции на две стороны 2∙δ = 0,30 (0,40) мм
|
Диаметр провода, мм
|
1,18
|
1,25
|
1,32-1,40
|
1,50
|
1,60-1,70
|
1,80-1,90
|
2,00-2,24
|
2,36-3,00
|
3,15-3,55
|
3,75-5,30
|
8,00
|
|
ky для ПБ
|
1,06
|
1,055
|
1,05
|
1,045
|
1,04
|
1,035
|
1,03
|
1,025
|
1,015
|
1,01
|
|
ky для АПБ
|
1,2
|
1,18
|
1,65
|
1,15
|
1,13
|
1,12
|
1,10
|
1,08
|
1,07
|
1,05
|
1,033
|
Таблица 30 - Коэффициенты увеличения массы прямоугольных обмоточных
проводов марок ПБ и АПБ с толщиной изоляции на две стороны 2δ
= 0,45 (0,50) мм
|
Марка провода
|
a, мм b,
мм
|
1,40-1,80
|
1,90-2,65
|
2,80-3,75
|
4,00-5,60
|
|
ПБ
|
3,75 - 7,50 8,0 - 18,0
|
1,035 1,025
|
1,03 1,02
|
1,025 1,02
|
1,02 1,015
|
|
АПБ
|
3,75 - 7,50 8,0 - 18,0
|
1,12 1,08
|
1,10 1,07
|
1,08 1,07
|
1,07 1,05
|
Масса
стали магнитной системы
=2298,51 кг.
Масса
конструктивной стали остова (прессующие балки, шпильки и др.)
.
Масса
картона в изоляции обмоток при классах напряжения трансформаторов 6,10 и 35 кВ
с алюминиевыми обмотками
Масса
активной части - остова с обмотками и отводами
Масса
бака
,
где
1,1 - коэффициент, учитывающий массу усиливающих элементов;
- толщина стенки бака, м, (таблица 31);
- толщина крышки, м, (таблица 31);
- поверхность дна;
- толщина дна, м, (таблица 31);
- масса
стали радиатора (таблица 28).
Таблица
31 - Толщины стенки, крышки и дна трансформаторов
|
Мощность трансформатора, кВ∙А
|
1000÷1600
|
|
Толщина стенки, мм
|
4
|
|
Толщина крышки, мм
|
8÷10
|
|
Толщина дна, мм
|
6÷8
|
Объем масла в баке
,
где
- объем бака.

- объем,
занимаемый активной частью
-
средняя плотность активной части; для трансформаторов с алюминиевыми обмотками
-
кг/м3.
Масса
масла в баке
,
где
кг/м3 плотность трансформаторного масла.
Масса
масла в радиаторах
,
где
- масса масла в одном радиаторе (таблица 28).
Общая масса масла в трансформаторе
,
где
1,05 - коэффициент, учитывающий массу масла в расширителе.
Полная
масса трансформатора, залитого маслом,

Список
литературы
1.
Копылов И.П.
Электрические машины: Учеб. для вузов/ И.П. Копылов. - 3-е изд., испр. - М.:
Высш. шк., 2002. - 607с.
2.
Тихомиров П.М.
Расчет трансформаторов: Учеб. пособие для вузов /П.М. Тихомиров. - 5-е изд.,
перераб. и доп. - М.: Энергоатомиздат, 1986. - 528с.
3.
Гончарук А.И.
Расчет и конструирование трансформаторов: Учеб. пособие для техникумов/ А.И.
Гончарук. - М.: Энергоатомиздат, 1990.-256с.
4.
Кузьмина Т.А.
Трансформаторы силовые общего назначения класса напряжения до 35 кВ:
Справочник./Т.А. Кузьмина. - М.: Информэлектро, 1995.
5.
Бузинов О.А.
Методические указания к курсовому проекту (курсовой работе) по дисциплине
«Электромеханика» для студентов специальности 140211 (100400)
«Электроснабжение» всех форм обучения Расчет трехфазных масляных
трансформаторов. В 3-х частях. Часть 1. Общие вопросы. Предварительные расчеты
элементов трансформаторов./ О.А. Бузинов. - Тюмень: ТюмГНГУ, 2007. - 27 с.
6.
Бузинов О.А.
Методические указания к курсовому проекту (курсовой работе) по дисциплине
«Электромеханика» для студентов специальности 140211 (100400)
«Электроснабжение» всех форм обучения Расчет трехфазных масляных
трансформаторов. В 3-х частях. Часть 2. Расчеты обмоток и магнитных систем
трансформаторов./ О.А. Бузинов. - Тюмень: ТюмГНГУ, 2007.- 36 с.