Электрооборудование станций и подстанций

  • Вид работы:
    Курсовая работа (т)
  • Предмет:
    Физика
  • Язык:
    Русский
    ,
    Формат файла:
    MS Word
    769,63 Кб
  • Опубликовано:
    2013-11-11
Вы можете узнать стоимость помощи в написании студенческой работы.
Помощь в написании работы, которую точно примут!

Электрооборудование станций и подстанций

Содержание

Введение

1. Задание на проектирование

2. Разработка электрической схемы ТЭЦ

3. Расчет токов короткого замыкания, выбор аппаратов и токоведущих частей схемы ТЭЦ

. Описание схем распределительных устройств тэц (открытое распределительное устройство)

. Расчет защитного заземления

Заключение

Список использованной литературы

Введение

Электростанциями называются предприятия или установки, предназначенные для производства электроэнергии. Важную роль выполняют электрические подстанции - электроустановки, предназначенные для преобразования и распределения электроэнергии.

Правила устройства электроустановок подразделяют все электроустановки на две категории: электроустановки напряжением до 1 кВ и выше 1 кВ. Это разделение вызвано различием в типах и конструкциях аппаратов, а также различием в мерах безопасности, в требованиях, предъявляемых при сооружении и эксплуатации электроустановок различного напряжения.

ТЭЦ предназначены для централизованного снабжения промышленных предприятий и городов электроэнергией и теплом. На данных электростанциях используется тепло "отработавшего" в турбинах пара для нужд промышленного производства, а также для отопления, кондиционирования воздуха и горячего водоснабжения. При такой комбинированной выработке электроэнергии и тепла достигается значительная экономия топлива по сравнению с раздельным энергоснабжением, т.е. выработкой электроэнергии на КЭС и получением тепла от местных котельных. Поэтому, ТЭЦ получили широкое распространение в районах с большим потреблением тепла и электроэнергии.

Специфика электрической части ТЭЦ определяется расположением электростанции вблизи центров электрических нагрузок. В этих условиях часть мощности может передаваться в местную сеть непосредственно на генераторном напряжении. С этой целью на электростанции обычно создается генераторное распределительное устройство. Избыток мощности выдается в энергосистему на повышенном напряжении.

1. Задание на проектирование


Таблица 1.1 Исходные данные к проектированию




2. Разработка электрической схемы ТЭЦ

Определение расчетной мощности для выбора трансформаторов связи с системой

На основании приведенных исходных данных определяем расчетное значение мощности, отдаваемой в систему и передаваемой к удаленному потребителю. По исходным данным определяем структурную схему ТЭЦ, чтобы представлять какие исходные данные занести в табл. 1 для подсчета нагрузок трансформаторов связи.

Структурная схема на рис. 2.1. соответствует ТЭЦ, где с шин генераторного напряжения производится отбор мощности на удовлетворение потребности в электрической энергии промышленных потребителей Р1 и Р2, осветительной нагрузки РОСВ, бытовой нагрузки РБЫТ, а также потребителями технологических нужд самой станции РСН.

Рис. 2.1. Структурная схема ТЭЦ.

Предполагается, что все перечисленные потребители находятся в пределах оптимальных расстояний от станции и уровень напряжения на шинах генераторного напряжения 10 кВ является достаточным для рациональной передачи мощности к перечисленным потребителям. Тогда при заполнении табл. 1 колонки 5, 6, 7 заполняются с учетом изменения мощности потребителей в течение суток.

Потребление мощности на технологические нужды станции РСН для ТЭЦ составляет приблизительно 10% от установленной мощности генераторов и предполагает работу ТЭЦ на твердом топливе (уголь, торф, горючие сланцы). В аварийном режиме предполагаем останов одного генератора станции в зимний период. Потребление на собственные нужды в этом случае уменьшается и это отражается в колонке 9 табл. 1. В течение суток потребление на собственные нужды считаем неизменным.

В колонку 2 табл. 1 заносится полная установленная мощность генераторов, работающих на шины, с которых отбирается мощность потребителей. Значение полной мощности генераторов находится через коэффициенты мощности cosj заданных генераторов.

Установленная мощность генераторов:

МВА,

где n - количество генераторов;

РГЕН - номинальная мощность генераторов, МВА;

cosφ - коэффициент мощности генераторов.

При аварийном режиме считаем, что станция всю свободную мощность отдает в систему, обеспечив энергией с шин генераторного напряжения всех потребителей, и работает, таким образом, при полной нагрузке. ТЭЦ при этом расходует полностью мощность собственных нужд.

Установленная мощность генераторов в аварийном режиме:

МВА,

Мощность собственных нужд станции в нормальном режиме:

МВт,

Мощность собственных нужд станции в аварийном режиме:

МВт,

Суммарная нагрузка зимнего периода РЗИМ (колонка 10):


Полная суммарная нагрузка зимнего периода SЗ (колонка 11):


Нагрузка трансформатора связи с системой в зимний период SЗИМ (колонка 16):


Суммарная нагрузка летнего периода РЛ (колонка 14):


Полная суммарная нагрузка летнего периода SЛ (колонка 15):

,

Нагрузка трансформатора связи с системой в летний период SЛЕТН (17 колонке):

,

Аварийный режим нагрузки трансформаторов связи характеризуется меньшим потоком мощности в систему за счет остановки одного из генераторов и должен учитывать меньшее потребление мощности на технологические нужды самой станции.

Полная аварийная мощность SАВ. (колонка 18):

,

где .

Все расчеты представлены в таблице 1.1.


Графики нагрузки трансформаторов

Заполнив в табл. 1.3 колонки 16, 17, 18 по значениям имеющейся в течение суток полной мощности в этих колонках строим графики нагрузки трансформаторов связи за зимние и летние сутки, а также за зимние сутки в аварийном режиме. Для этого определяем максимумы нагрузки трансформаторов, соответствующие режиму работы в зимний, летний и аварийный (зимний) периоды. Из трех максимумов за расчетный принимаем наибольший: SРАСЧ=125,5 МВА в летний период. На основании SРАСЧ определяем уровень напряжения распределительного устройства высокого напряжения, связывающего ТЭЦ с системой по табл. 3 [1]: UНОМ = 220 кВ.

Определяем коэффициент заполнения графика КЗ.Г.:


Рис. 3. Суточные графики нагрузки трансформаторов связи.

Имея графики нагрузки за летние и зимние сутки, можем построить для трансформаторов связи годовой график по продолжительности. Для нашего климатического района - Восточная Сибирь - продолжительность работы по зимнему графику 210 суток и по летнему графику 155 суток в год.

Из годового графика по продолжительности определяем условное время максимальных потерь:

ч.

Данный параметр необходим для дальнейшего расчета потерь мощности в трансформаторах на стадии технико-экономического сравнения вариантов электрических схем ТЭЦ.

Рис. 4. Годовой график по продолжительности.

Определение коэффициента нагрузки и выбор трансформаторов связи

Выбирая трансформаторы связи с системой, необходимо учитывать требования надежности станции с системой электроснабжения потребителей. Трансформаторы связи должны обеспечивать надежную работу станции, как в нормальном режиме, так и в режимах отключения одного из трансформаторов для планово-предупредительного ремонта или в аварийном. На первом этапе мощность каждого трансформатора связи следует выбирать с учетом возможной аварийной перегрузки на 40%. При коэффициенте заполнения графика расчетного режима КЗ>0,75 коэффициент аварийной перегрузки определится как:

.

Данная формула не учитывает предшествующий режим работы трансформаторов связи и время работы с перегрузкой.

Расчетная мощность трансформаторов определится по формуле:

;

где: n - намечаемое к установке число трансформаторов связи с системой;

КДП - допустимая перегрузка трансформаторов в аварийном режиме.

К рассмотрению принимаем два варианта:

Общее для двух вариантов: питание генератора №1

тр> Sген

Sтр> 165/0,8=206,25 МВА

 

Выбираем трансформатор ТДЦ-250/242/13,8- двухобмоточный.

Первый вариант.

Четыре трехобмоточных трансформатора n=4

МВА.

Выбираем трансформатор ТДТН-40/230/38,5/11 - трехобмоточный.

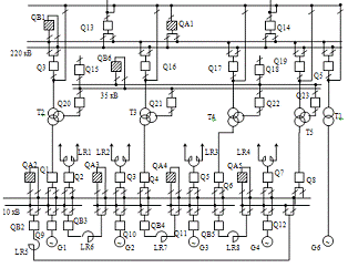
Рис. 5. Вариант схемы ТЭЦ.

Второй вариант.

Два двухобмоточных трансформатора для связи с системой с SРАС=125,5-50/0,8=63 МВА и два двухобмоточных трансформатора для связи с удаленным потребителем с SРАС=50/0,8=62,5 МВА.

Для связи с системой:

МВА.

Выбираем трансформатор типа ТДЦ-125000/242.

Для связи с удаленным потребителем:

МВА.

Выбираем трансформатор типа ТДЦ-80000/38,5.

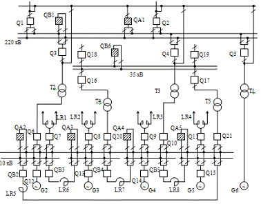
Рис. 6. Вариант схемы ТЭЦ.

Выбор генераторов, реакторов, трансформаторов собственных нужд, их типов

Выбор генераторов ТЭЦ

Выбор генераторов станции сводится к определению их марок по каталогу, в соответствии с необходимой мощностью и уровнем напряжения с учетом заданного количества.

Генератор выбираем из [1] табл.8.: ТВФ-60-2Т и ТВВ-165-2.

Тип генератора

Номин. Напряжен. кВ

Номинал. Ток, кА

cosφ

Рн, МВт

Xd, отн.ед.

ТВФ-55-2Т

11,5

3,462

0,8

55

0,123

ТВВ-200-2

18

8,625

0,85

200

0,1906


Выбор реакторов

Для ограничения токов короткого замыкания в схеме ТЭЦ предусматриваются секционные и групповые реакторы. Секционные реакторы на рабочей системе сборных шин генераторного напряжения выбираются на токи, равные 60 - 70% тока генератора наибольшей мощности, работающего в распределительном устройстве данного уровня напряжения.

,

.

 кА,

 кА.

По рассчитанному значению IP по табл.6 [1] выбираем секционные реакторы РБ-10-2500-0,14.

В качестве группового реактора на отходящих линиях генераторного напряжения рекомендуется применять сдвоенные реакторы с сопротивлением 4-6%. Токовая нагрузка плеча реактора зависит от того, сколько линий, и какую нагрузку планируется передавать через плечо реактора. Загрузка плеч должна быть одинаковой. Распределение групповых реакторов и отходящих линий между секциями сборных шин должно быть таким, чтобы по возможности перетоки мощности были наименьшими. С целью уменьшения числа секций шин генераторного напряжения при большом количестве генераторов малой мощности (3-6МВт) иногда сдвоенные реакторы используются для подключения генераторов. Генераторы одного типа и мощности подключаются на плечи реактора, а средняя точка подключается к секции шин.

Для выбора сдвоенных реакторов необходимо сначала по максимальной нагрузке в летний период Рmax.летн и потреблению на СН РСН определить расчетную мощность:

Ррасч=Pmax.летн СН.

РРАСЧ=125,5-22=103,5 МВт.

Вычисляем предварительное число кабельных линий:

'=PРАСЧ/Р,

где N' - число кабельных линий, [шт];

Р - передаваемая мощность по одной линии в зависимости от напряжения, табл.3. [1].

N'=103,5/5=20,7 шт, принимаем 20 линий.

Распределим линии равномерно, т.е. по 5 линий на каждую секцию (т.к. в данной схеме 4 секции ГН)

 кА.

Ток плеча реактора

ПЛ= IЛ . к;

где к- количество линий на одно плечо реактора.

IПЛ=431*3=1294 А. Выбираем сдвоенный реактор типа РБ-10-4000-0,14.

Выбор трансформаторов собственных нужд

Расход мощности на собственные нужды станции зависит от типа и мощности станции, рода топлива и способа его сжигания, параметров пара и ряда других условий. В курсовом проекте потребление на собственные нужды в объеме 10% от установленной мощности генераторов. Потребления летнего и зимнего режимов работы станции будем считать одинаковыми.

Напряжениями собственных нужд являются: при генераторном напряжении 10,5кВ (1 ступень) и 0,4/0,63кВ - 2 ступени.

Число секций СН первой ступени равно числу генераторов станции. В курсовом проекте предусматриваем две секции СН первой ступени при генераторах 100МВт.

Для питания собственных нужд (СН) первой ступени выбираем трансформаторы типа ТМ-6,3-10/6,3 (10% от мощности генератора, [1, стр. 45]), второй ступени - ТМ-630-6,3/0,4 (1-2% от мощности генераторов [1], стр. 45), в качестве резервного трансформатора СН выбираем - ТРДН-25-10,5/6,3.

Технико-экономическое сравнение вариантов

Рассматриваем два варианта схем.

Экономическую целесообразность схемы определяют минимальными затратами:

;

где К - капиталовложения на сооружение схемы станции, тыс. руб.

Ен - нормативный коэффициент экономической эффективности, равный 0,12.

И - годовые эксплуатационные издержки. Они включают амортизационные расходы и стоимость годовых потерь энергии в трансформаторах;

У - ущерб от недоотпуска электроэнергии, для упрощения принимается равный нулю.

Годовые эксплуатационные издержки по отличающимся параметрам в вариантах элементах схем определяются по выражению:

;

где a - отчисления на амортизацию и обслуживанию, % (принимаем равным 8%);

b - средняя себестоимость энергии, руб/кВт·ч (принимается равным 0,02);

ГОД - годовые потери энергии в электроустановке, кВтч.

Потери энергии в электроустановке считаем равными только потерям в трансформаторах. Годовая потеря при параллельно работающих трансформаторах одинаковой мощности с одинаковым числом дней работы в году при двухобмоточных трансформаторах:

;

где РМ и РСТ - номинальные потери мощности в меди и стали трансформатора в кВт, берутся из паспортных данных;

t - условное время максимальных потерь, час;

ТГО = 8760 час;

SСР.СУТ - среднее значение мощности за расчетные сутки, кВА;

SН - номинальная мощность принятого в варианте трансформатора, кВА;

n - число трансформаторов.

Расчет капиталовложений Таблица 2

№ п/п

наименование сравниваемой схемы

Расчетная стоимость единицы тыс. руб.

1-й вариант

2-й вариант




кол-во един.

сумма, тыс. руб.

кол-во един.

сумма, тыс.руб.

1

Трехобм. трансформатор

107

4

428



2

Трансформатор двухобм.

129



2

258

3

Трансформатор двухобм.

57



2

114

4

Ячейка напряжения 220 кВ

102

9

918

6

612

5

Ячейка напряжения 35 кВ

11,5

7

80,5

5

6

Ячейка напряжения 11 кВ

14

18

252

20

280

Итого



К1=1678,5


К2=1321,5



 

,

.

Выбор вариантов по величине затрат Таблица 3

№ п/п

Составляющие приведенных затрат

1-й вариант, руб

2-й вариант, руб

1.

Отчисления на амортизацию, ремонт и обслуживание

121642,8

154617,36

2.

Стоимость потерь электроэнергии

3790000

7520000

3.

Капитальные вложения

1770500

1321500

4.

Приведенные затраты ЗПРН·К+И

157052,8

181047,36


Т.к. ЗПР1 < ЗПР2 то к дальнейшему рассмотрению принимаем первый вариант.

3. Расчет токов короткого замыкания, выбор аппаратов и токоведущих частей схемы ТЭЦ

теплоэлектроцентраль трансформатор генератор замыкание

Расчет токов короткого замыкания

Расчетная схема

Расчет токов короткого замыкания является важнейшим этапом проектирования электротехнического сооружения, т.к. на основании его результатов производятся проверка выбранного оборудования, токоведущих частей электроустановки и расчет уставок защит.

Токи КЗ в высоковольтных цепях переменного тока рассчитываются по относительным сопротивлениям элементов цепи до точки КЗ Хi, которые определяют при единой базисной мощности SБ, базисном напряжении UБ, равном среднему напряжению ступени, и базисном токе IБ.

Схема замещения

Составляем схему замещения для расчета тока в начальный момент трехфазного к.з. в расчетном узле.

В схему замещения входят:

Источники питания.

Все элементы связи, по которым протекает ток от источников питания к месту повреждения. К ним относятся трансформаторы.

Электрические нагрузки, которые содержат высоковольтные электродвигатели, подключенные вблизи места повреждения.

Рис. 7. Схема замещения для расчета токов КЗ.

Определение начального периодического и ударного тока короткого замыкания

Выбираем базовую мощность SБ=100 МВА. Рассчитываем сопротивления в относительных единицах линий, генераторов, трансформаторов и секционных реакторов. Расчет сведен в таблицу 4.

ЭДС системы и генераторов принимается равное 1,. а нагрузки 0,85

Таблица 4


Произведем расчет:


Сопротивление средней обмотки имеет знак "-", т.е сопротивление данной обмотки не будем учитывать при расчете.

В результате упрощений получили схему замещения, представленную на рис.8.

Рис.8. Упрощенная схема замещения


Сопротивления генераторов соединены между собой параллельно, а так же сопротивления генераторов 2-5 одинаковые, то можно взять одно деленное на 4,


Рис.9. Упрощенная схема замещения


Рис.10. Упрощенная схема замещения


Рис.11. Итоговая схема замещения


Базисной ток для точки КЗ:

кА,

Действующее значение периодической составляющей тока в месте повреждения для начального момента КЗ определяют по выражению:

кА,

Ударный ток:

кА,

Выбор аппаратов и токоведущих частей электроустановок

Выбор высоковольтных выключателей

В данном курсовом проекте требуется детально разработать ОРУ СН.

В соответствии с ГОСТ 687-70 для выбора выключателей необходимо иметь следующие расчетные токи короткого замыкания: начальный периодический ток I'', ударный ток iУД, периодический IП и апериодический IА, отключаемые к моменту размыкания дугогасительных контактов выключателя (момент t).

IР.ФОР.ТР.=1,4IНОМ.ТР.

А.

Апериодический ток к моменту отключения при удаленном к.з. будет равен:

,

где Iå'' - суммарный сверхпереходный ток в момент к.з.

Расчетное время t выключателя можно принять равным 0,1 с. Значение постоянной времени Та равно 0,06 с.

кА.

Величину теплового импульса можно определить

кА2·с.

Выбираем выключатели из следующих условий, приведенных ниже в таблице 5.

 
Условия выбора выключателей Таблица 5.

Расчетные величины

Каталожные данные выключателя типа ВВУ-35

Условия выбора

UУСТ=35 кВ

UН.=35 кВ

UУСТ£UН 35кВ35кВ

IР.ФОР.ТР.=1,8475 кА

IДЛ.Д=2 кА

IР.ФОР.£ IДЛ.Д 1,8475 кА £ 2 кА

I''=5,57 кА

IПР.СКВ=40 кА

I"£ IПР.СКВ 5,57<40

iУД=14,2 кА

iПР.СКВ=100 кА

iУД£ iПР.СКВ 14,2<100

20,5IП+ia=9,365 кА

b=1

20,5IП+ia£20,5IОТК(1+b) (9,365<169,7)

ВК=4,96 кА2с

I2ТНtТН=120 кА2с

ВК£ I2ТНtТН 4,96А2с<120кА2с


В соответствии с вышеперечисленными условиями выбора выбираем выключатели типа ВВУ-35-2000У1.

Выбор разъединителей

Разъединители выбирают по длительному номинальному току и номинальному напряжению, проверяют на термическую и динамическую устойчивость. Условия выбора приведены в таблице 6.

Условия выбора разъединителей Таблица 6.

Расчетные величины

Каталожные данные разъединителя типа РНД-35-2000

Условия выбора

UУСТ=35 кВ

UН=35 кВ

UУСТ£UН 35кВ35кВ

IР.ФОР.ТР.=1,8475 кА

IДЛ.Д=2 кА

IР.ФОР.£ IДЛ.Д 1,8475 кА £ 2 кА

I''=5,57 кА

I"£ IПР.СКВ 5,57<31,5

iУД=14,2 кА

iПР.СКВ=84 кА

iУД£ iПР.СКВ 14,2<84

ВК=4,96 кА2с

I2ТНtТН=126 кА2с

ВК£ I2ТНtТН 4,96А2с<126кА2с


Выбор воздушных линий

Воздушные линии выбирают по условиям нормального режима и проверяют на термическую устойчивость токам к.з.

По условиям нормального режима линии выбирают по номинальному напряжению, по экономической плотности тока и нагреву длительным током в случае рабочего форсированного режима.

Сечение ВЛ по экономической плотности тока выбирается по формуле:

,

где jЭК - экономическая плотность тока (принимаем равной 1,3 А/мм2,[1], табл. 17, стр. 72).

Пример расчета:

кА,

Fмм2.

По условию проверки на корону для напряжения 220 кВ необходимо использовать провод сечением не менее 240 мм2 в результате выбираем провод АС-300/39.

В качестве гибкой ошиновки для соединения оборудования на ОРУ применяется тот же провод что и для ВЛ - АС-300/39.

Выбор трансформаторов тока

Условия выбора трансформаторов тока приведены в таблице 7.

Таблица 7

Расчетные величины

Каталожные данные ТТ типа ТВ35-IУ2

Условия выбора

UУСТ=35 кВ

UH=35 кВ

UУСТ£UН 35<35

IР.ФОР=1,8475 кА

IДЛ.Н.=2 кА

IР.ФОР.£ IДЛ.Д 1,8475<2

S2=20 ВА

S2H=30 ВА

S2£ S2H 20<30

iУД=14,2 кА

iдин=60 кА

IУД£Iдин 14,2кА£60кА

ВК=4,96кА2с

К1с.Iном=1·60=60 кА2с

ВК£(К1с.Iном) 4,96кА2с£60 кА2с


Нагрузка S2 подсчитывается из табл.21 [1].

В соответствии с вышеперечисленными условиями выбираем ТТ типа ТВ35-IУ2.

Выбираем также соединительные провода для подключения электроизмерительных приборов. Их сечение по условию механической прочности не должно быть меньше 2,5 мм2 и не больше 6мм2 для алюминиевых жил. В соответствии с этим условием в качестве соединительных проводов выбираем алюминиевые провода сечением 4мм2 в ПХВ изоляции.

Выбор трансформаторов напряжения

Условия для выбора трансформаторов напряжения приведены в таблице 8.

Таблица 8

Расчетные величины

Каталожные данные ТН типа ЗНОМ-35

Условия выбора

UУСТ=35 кВ

UH=35 кВ

UУСТ£UН 35кВ<35кВ

S2=40,89 ВА

S2H=400 ВА

S2£ S2H 40,89ВА<400ВА


Нагрузка S2 подсчитывается из табл.23 [1].

В соответствии с вышеперечисленными условиями выбираем трансформатор напряжения типа ЗНОМ-35.

Сечение проводов к ТН-1,5 мм2 по меди или 2,5 мм2 по алюминию.

4. Описание схем распределительных устройств тэц (открытое распределительное устройство)

Требования к конструкциям открытых РУ

Расстояние в свету для ОРУ 35 кВ в мм должно быть:

.         От токоведущих частей до заземленных конструкций и частей здания - 400,

.         Между проводниками разных фаз - 440,

.         От токоведущих частей до сплошных ограждений - 1550,

.         От токоведущих частей до сетчатых ограждений - 1550,

.         От неогражденных токоведущих частей до пола - 3100,

.         От неогражденных выводов из ЗРУ до земли при выходе их не на территорию ОРУ и при отсутствии проезда под выводами - 2400,

.         От контакта и ножа разъединителя в отключенном положении до ошиновки, присоединенной ко второму контакту - 485.

Скорость ветра принимается равной 60% от учтенной при расчете строительных конструкций. При токах трехфазного короткого замыкания 20 кА и более гибкие шины следует проверять на возможность схлестывания или опасного в отношении пробоя сближения в результате динамического воздействия токов КЗ.

Соединение гибких проводников в пролетах должно выполняться опрессовкой, а соединение в петлях у опор, присоединений в пролете (без разрезания провода) и присоединение к аппаратным зажимам - сваркой или опрессовкой. Пайка и скрутка проводов не допускается. Болтовые соединения допускаются только на аппаратных зажимах и на ответвлениях к разрядникам, конденсаторам связи и трансформаторам напряжения, а также на временных установках, когда применение неразъемных соединений требует большого объема работ по перемонтажу шин.

Гирлянды изоляторов для подвески шин в ОРУ напряжением до 220 кВ включительно должны быть, как правило, одинарными, а свыше 220кВ - двухцепными с раздельным креплением цепей к конструкциям.


5. Расчет защитного заземления

Защитные заземления являются составной частью большинства электроустановок и служат для обеспечения необходимого уровня электробезопасности в зоне обслуживания электроустановки и за ее пределами, для отвода в землю импульсных токов с молниеотводов и разрядников, для создания цепи при работе защиты от замыканий на землю и для стабилизации напряжения фаз электрических сетей относительно земли.

Расчет заземления проводим в следующей последовательности:

1. Определяется сопротивление RЗ.


где I -расчетный ток замыкания на землю.


где U - напряжение сети, кВ;

l - суммарная длина всех сетей данного напряжения, [км].

А,

Ом.

. Определяются сопротивления естественных заземлителей.

Сопротивление трос - опоры, можно принять равным 3 Ом (Re'=3 Oм)

Сопротивление оболочек кабелей, можно принять равным 3 Ом (Re''=3 Oм)

Сопротивление неизолированного металлического трубопровода, можно принять равным 4 Ом (RЕ''=4 Oм)

Зная все естественные заземлители, определяем сопротивление Re:

Ом.

е>Rз, то необходимо сооружение искусственных заземлителей с сопротивлением:

Ом.

.Определяется расчетное удельное сопротивление грунта.

В качестве грунта применяем суглинок(r=150 Ом·м)

,

где КС - коэффициент сезонности, учитывающий промерзание и просыхание грунта, для горизонтальных электродов равен 1,4.

Ом·м

.Определяется сопротивление горизонтальных заземлителей:


где l - длина полосы, м

В - ширина полосы, м

. Сопротивление горизонтальной полосы с учетом коэффициента использования

,

где x - коэффициент использования.

Ом,

Ом.

6. Rгор>Rиск, то необходимы вертикальные заземлители с сопротивлением:


Пример расчета:

Ом.

7. Сопротивление одного вертикального стержня:


где l - длина стержня, [м],

d - диаметр стержня или ширина полки для угловой стали,[м],

t -глубина заложения стержней, равная расстоянию от поверхности земли до середины заземлителя,[м].

Ом.

8. Число вертикальных заземлителей определяется:

nв=,

где - коэффициент использования вертикальных заземлителей, см.[1] табл.25, стр.93.

, округляем до 60 штук.

Эскиз заземления приведен на рис. 12

Рис. 12. Эскиз установки заземлителей.

Заключение

В данном курсовом проекте была разработана электрическая схема ТЭЦ для электроснабжения предприятий: черной металлургии и транспортного машиностроениея, а также выработки энергии в систему.

В ходе курсового проекта были произведены следующие расчеты:

1. Определение расчетной мощности для выбора трансформаторов и представлено в виде таблицы;

2. Построены графики нагрузки трансформаторов для зимнего, летнего периода и аварийного режима, а также годовой график по продолжительности;

3. Определен коэффициент загрузки трансформатора - 1,4;

4. Произведен выбор схемы распределительных устройств ТЭЦ;

Проведено технико-экономическое сравнение двух вариантов и выбран вариант с четырьмя трансформаторами ТДТН-40/230/38,5/11 и трансформатором ТДЦ-250/242/10,5- для питания первого генератора.

5. Произведен расчет токов короткого замыкания, iуд=14,2кА;

6. Произведен выбор оборудования по результатам расчета токов КЗ;

8. Произведен расчет заземления открытого распределительного устройства.

Список литературы

1. Электрическая часть станций и подстанций. Проектирование электрической части ТЭЦ: Учебное пособие/ А. Н. Емцев. - Братск, ГОУ ВПО "БрГУ", 2005.

2. Рожкова Л. Д., Козулин В. С. Электрооборудование станций и подстанций: учебник для техникумов. - М.: Энергия, 1980.

Похожие работы на - Электрооборудование станций и подстанций

 

Не нашли материал для своей работы?
Поможем написать уникальную работу
Без плагиата!
Без нейросетей!