Техническая эксплуатация электрооборудования и сетей насосной станции

  • Вид работы:
    Курсовая работа (т)
  • Предмет:
    Физика
  • Язык:
    Русский
    ,
    Формат файла:
    MS Word
    97,66 Кб
  • Опубликовано:
    2013-12-06
Вы можете узнать стоимость помощи в написании студенческой работы.
Помощь в написании работы, которую точно примут!

Техническая эксплуатация электрооборудования и сетей насосной станции

Содержание

Введение

1.    Характеристика насосной станции

.1    Назначение насосной станции, устройство, классификация помещения

1.2    Электрооборудование насосной станции

.3      Особенности электропитания электрооборудования  насосной станции

2.    Техническая эксплуатация электрооборудования и сетей

.1    Виды техобслуживания и ремонта электрооборудования

2.2    Основные неисправности электрооборудования и их причины

.3      Технологическая карта ремонта двигателя

.4      Технологическая карта ремонта обмоток асинхронного двигателя

.5      Техническая эксплуатация электрических сетей

.6      Обслуживание осветительной электроустановки

.7      Техническое обслуживание кабельных линий и их ремонт

3.    Испытание двигателей насосной установки после ремонта

4.      Измерение сопротивления изоляции

.        Неисправности асинхронных двигателей и их влияние на расход электроэнергии

Заключение

Список литературы

Введение

Насосные установки широко применяются на электромашиностроительных предприятиях для перекачивания жидких сред, а также технологической и охлаждающей воды. Сюда относятся насосы для перекачки охлаждающей эмульсии в металлообработке, насосы в системе водоснабжения и канализации, специальные насосы для химических сред в гальванических цехах, насосы для пропиточных составов, лакокрасочных материалов и т.п.

Наиболее широкое распространение получили установки с центробежными насосами. В спиральном корпусе насоса помещается рабочее колесо с лопатками. При вращении колеса двигателем жидкость, поступающая к центру колеса из заборного резервуара через всасывающий трубопровод и открытую задвижку, центробежной силой выбрасывается по лопаткам на периферию корпуса. В результате в центре рабочего колеса создается разряжение, жидкость засасывается в насос, снова выбрасывается и далее подается в напорный трубопровод. Таким образом, в системе при открытой задвижке создается непрерывное течение, и центробежный насос имеет равномерный ход.

В настоящее время строительство крупных насосных станций как промышленного, так и сельскохозяйственного назначения приобретает особенно важное значение и благодаря открывшимся возможностям будет проходить ускоренными темпами. Народнохозяйственное значение этих сооружений настолько возросло, что нет области промышленности, транспорта, сельского хозяйства, где бы они не применялись. Жизнь современного большого города также невозможна без использования мощных насосных станций, обеспечивающих водоснабжение жилых и промышленных объектов, канализацию.

Современная мощная насосная станция представляет собой сложное техническое сооружение. В качестве основных двигателей насосов используются электрические, мощность которых исчисляется в тысячах киловатт. В наши дни работают насосные станции с электродвигателями насосных агрегатов мощностью 10 000 кВт и выше. Для электроснабжения таких станций используются напряжения 6, 10, 35 кВ и более. Основными двигателями служат синхронный и асинхронные двигатели высокого напряжения. Для работы и пуска их применяется различное электротехническое оборудование: мощные высоковольтные выключатели, разъединители, реакторы, автотрансформаторы, средства релейной защиты и сигнализации, контрольно- измерительные приборы; широко внедряется автоматика. Для электроснабжения подобных станций часто строят линии электропередач, трансформаторные подстанции и т.д.

Поэтому современную насосную станцию должны обслуживать работники, имеющие достаточно высокую электротехническую подготовку.

При проектировании курсового проекта необходимо выполнить следующие работы:

)        Охарактеризовать и выявить особенности насосной станции;

)        описать техническую эксплуатацию оборудования и сетей насосной станции;

)        разработать технологические карты ремонта двигателей, обмоток асинхронных двигателей;

)        описать процесс испытания асинхронных двигателей после ремонта;

)        выявить неисправности асинхронных двигателей, влияющих на потребление электроэнергии.

1. Характеристика насосной станции

1.1    Назначение насосной станции, классификация помещений по надёжности электроснабжения

Насосная станция предназначена для мелиорации. Она содержит машинный зал, ремонтный участок, агрегатную, сварочный пост, служебные и бытовые помещения.

Насосная станция получает электроснабжение от государственной районной электростанции (ГРЭС) по воздушной линии ЛЭП-35. Расстояние от ГРЭС до собственной ТП- 5 км. Трансформаторная подстанция (ТП) находится вне помещения насосной станции на расстоянии 10 км.

Потребители электроэнергии по надёжности относятся ко 2 и 3 категории.

Количество рабочих смен - 3.

Основными потребителями являются мощные автоматизированные насосные агрегаты.

Перечень и классификация помещений выполнены в соответствии с ССБТ.

1.2   Электрооборудование насосной станции, его назначение

На насосной станции установлено следующее оборудование:

)         Вентиляторы - предназначены для охлаждения двигателей насосов и вентиляции помещений;

2)      Сверлильный станок - предназначен для сверления отверстий в деталях при ремонте оборудования;

)        Заточной станок - предназначен для заточки и шлифовки деталей и инструмента;

)        Токарно-револьверный станок - предназначен для обработки деталей;

)        Фрезерный станок - предназначен для обработки деталей;

)        Кругло шлифовальный станок - предназначен для шлифования круглых деталей;

)        Резьбонарезной станок - предназначен для нарезания резьбы на деталях и крепеже;

)        Электронагреватели отопительные - предназначены для обогрева помещения станции в холодное время года;

)        Кран мостовой - предназначен для переноса оборудования при его монтаже и демонтаже, а также для подъёма затворов решёток в водоприёмном и водовыпускном сооружениях;

)        Электродвигатели вакуумных насосов - предназначены для обеспечения работы вакуумных насосов, которые служат для заливки основных насосов, имеющих положительную высоту всасывания.

)        Электродвигатели задвижек - предназначены для автоматического открывания и закрывания задвижек перекрывающих воду;

)        Насосные агрегаты - предназначены для перекачки воды на орошаемые поля;

)        Щит сигнализации - предназначен для контроля за работой оборудования и подачи сигнала.

)        Дренажные насосы - предназначены для откачки фильтрационных вод, протекающих в помещение насосной станции через стены её здания, гидротехнические швы;

)        Сварочные агрегаты - предназначены для проведения сварочных работ при ремонте трубопроводов и оборудования.

Число вспомогательных наосов зависит от числа основных насосов станции, их мощности, объёма здания и других условий. Кроме основных, предусмотрены и резервные насосы того же назначения.

Основные двигатели приводов дренажных и вакуумных насосов - асинхронные короткозамкнутые. Как правило, они работают при напряжении 380 В. Это напряжение является достаточным, так как мощности электродвигателей и расстояние между местом их установки и трансформатором собственных нужд невелико. Некоторые двигатели (двигатели внутреннего сгорания) ДВС применяются только на резервных насосах при изолированной работе станции, когда предъявляются высокие требования к их надёжности.

Электродвигатели и насосы поставляются комплектно. Таким образом соответствие параметров двигателя и наосов обеспечивается заводом-поставщиком.

Электропривод для задвижек (электродвигательный или соленоидный) наиболее распространен, он позволяет осуществлять дистанционное или автоматическое управление ими. При определении создаваемой им нагрузки необходимо исходить из одновременно потребляемой мощности, которая зависит от технологического режима работы станции.

Освещение насосной станции, как и обычных помещений, осуществляется с помощью светильников с лампами накаливания при напряжении 220 В. Качество освещения должно обеспечивать возможность правильного и безопасного обслуживания агрегатов. Переносное освещение допускается только при напряжении 12 В. Для наружного освещения применяются светильники с лампами накаливания, ртутными лампами высокого давления или прожекторами заливающего света. Мощность, необходимая для внутреннего освещения, применяется равной 8-10 ВТ/м2, а для наружного- 0,12 Вт/м2.

Отопление и вентиляция насосной станции предназначены для создания нормальных условий эксплуатации насосной станции и сохранности её оборудования. В её помещениях должны поддерживаться соответствующие температура и влажность воздуха. Перепад температур между внутренним и наружным воздухом в машинном зале станции с постоянно присутствующим персоналом не должен превышать 5о С, а на автоматизированных станциях, периодически обслуживаемых персоналом - 10о С. По рекомендации Гидроводхоза при охлаждении воздуха в машинном зале станции за расчётную надо принимать среднюю температуру самого жаркого месяца в районе сооружения станции измеряемую в 13 ч. Источниками тепла на насосной станции являются работающие двигатели, токоведущие части (провода, шины, кабели), нагретые стены здания и т.д. Источниками дополнительного тепла служат электронагреватели отопительные.

1.3     Особенности электропитания электрооборудования насосной станции

Насосная станция использует электрическую энергию для питания приводов главных насосов и потребителей собственных нужд. К потребителям собственных нужд относятся двигателя грязевых, дренажных и пожарных насосов, маслонапорных установок, щитов затворов, устройств освещения станции и прилегающей территории, механические мастерские, потребители пристанционного посёлка и т.д.

В зависимости от установленной мощности различают четыре вида насосных станций: малой мощности (до 200 кВт); средней мощности (201-1000 кВт); большой мощности (1001-10000 кВт); крупной мощности (более 10000 кВт).

Как потребители электроэнергии в соответствии с «Правилами устройства электроустановок» насосные станции по требовании к бесперебойности электроснабжения могут быть разделены на три категории.

Сельскохозяйственные мелиоративные насосные станции могут быть отнесены к третьей категории. Только особые обстоятельства могут послужить причиной занесения их во вторую или первую категорию. Следует иметь ввиду, что недостаточно обоснованное занесение станции к первым двум категориям ведёт к значительном увеличению материальных затрат на сооружение системы их электроснабжения.

2.      
Техническая эксплуатация электрооборудования и сетей

2.1   Виды техобслуживания и ремонта электрооборудования

Таблица 1- Объём и виды работ при текущем и капитальном ремонтах электрооборудования

Объём работы

Ремонтные нормативы

Текущий

Выполнение всех операций технического обслуживания. Очистка машины от грязи и масла. Оценка состояния и промывка. Замена подшипников качения, если радиальный зазор превышает предельно допустимый.  Проверка работы смазочных колец подшипников скольжения. Осмотр и очистка вентиляционных устройств, проверка состояния и при необходимости ремонт крепления вентилятора. Проверка надежности крепления лобовых частей обмоток и устранение дефектных мест на изоляции. Подтяжка всех крепёжных соединений. Зачистка и шлифовка коллектора или контактных колец. Продороживание коллектора (при необходимости) Проверка маркировки выводов обмоток, выполнение необходимого ремонта. Сборка машины, проверка защитного заземления, обкатка на холостом ходу.

Допустимые радиальные зазоры в подшипниках качения см. справочник Начало выводов трехфазных асинхронных двигателей С1-С6

Капитальный

Выполнение операций текущего ремонта. Внешний осмотр машин. Оценка состояния целостности обмоток. Измерение осевого разбега ротора (якоря) машин с подшипниками скольжения. Измерение зазора между шейкой вала и вкладышами подшипника, перезаливка вкладышей (при увеличении радиального зазора). Замена подшипников качения не зависимо от их состояния. Полная разборка машины, промывка всех механических деталей, продувка и очистка сохраняемых обмоток, дефектация деталей. Заварка трещин, приварка лап, зачистка заточек корпуса под подшипниковые шиты. Ремонт активной стали статора и ротора, удаление замыканий между листами. Ремонт посадочных мест, вала, вентилятора, коллектора, при необходимости заливка стержней ротора, замыкающих колец. Ремонт обмоток, пропитка их лаком, сушка, испытание, сборка машин и их окраска. Проведение приёмодостаочных испытаний машин и сдача их в работу.  Измерение зазора между сталью ротора и статора (если позволяет конструкция)

Допустимые радиальные зазоры в подшипниках скольжения см. справочник При диаметре коллектора и контактных колец до 100 мм допустимый износ для коллектора 2.5 мм, для колец 3 мм, а при диаметре до 150 мм соответственно 3 и 4 мм Воздушный зазор в диаметрально противоположных точках не должен отличаться более чем на ± 10% от среднего размера для двигателей до 100 кВт

Текущий и капитальный

Измерение сопротивления изоляции обмотки статора Измерение общего сопротивления постоянному току реостатов и пускорегулирующих сопротивлений, проверка целостности отпаек

Производится у двигателей напряжением до 660 В мегомметром Сопротивление не должно отличаться от паспортных данных более чем на ± 10%

2.2     Основные неисправности электрооборудования и их причины

Таблица 2 - Основные неисправности электродвигателей и способы их устранения

Неисправность

Причина

Способ устранения

Электродвигатель при пуске не разворачивается, гудит

Отсутствие напряжения в одной фазе

Прозвонить цепи двигателя, найти место разрыва цепи и устранить его

При вращении электродвигатель гудит и перегревается

Межвитковое замыкание. Короткое замыкание между двумя фазами

Заменить секцию обмотки

Пониженное сопротивление изоляции

Загрязнение или отсыревание обмотки

Разобрать электродвигатель, прочистить продуть и просушить обмотку

Повышенный нагрев подшипников

Неправильная центровка электродвигателя с приводным механизмом Слишком много или слишком мало смазки в подшипниках

Проверить и при необходимости произвести центровку валов Проверить количество смазки. Заполнить подшипник необходимым количеством смазки

Стук в подшипнике

Повреждение подшипника

Заменить подшипник

Повышенная вибрация электродвигателя

Недостаточная жесткость фундамента Грубая сшивка ремня Несоосность вала электродвигателя с валом приводного механизма Повышенный люфт из-за износа зубьев шестерни зубчатой передачи (редуктора)

Усилить фундамент Заменить ремень Отцентрировать валы  Заменить шестерни редуктора

Пуск электродвигателя сопровождается сильным механическим шумом

Под кожух вентилятора попали посторонние предметы, погнут кожух

Удалить посторонние предметы, выправить кожух

Остановка работающего электродвигателя

Прекращение подачи питания. Перегрузка или заклинивание электродвигателя исполнительным механизмом

Восстановить питание электродвигателя, прокрутить исполнительный механизм вручную

Перегрев электродвигателя

Электродвигатель перегружен, повышено или понижено напряжения сети  Отверстия кожуха вентилятора забиты, большой слой грязи не наружной поверхности электродвигателя

Разгрузить электродвигатель, проверить напряжение сети Удалить посторонние предметы с поверхности вентилятора, почистить электродвигатель

Повышенное искрение под щётками

Перекос щёток. Заедание щётки в обойме. Недостаточное нажатие на щетки  Повреждение контактной поверхности колец  Плохая притирка щёток   

Установить щётки по инструкции, отрегулировать их движение в обойме и нажатие  Пришлифовать или поточить контактную поверхность Притереть щётки, протягивая полоски стеклянной шкурки по направлению вращения между кольцами и щётками

Замыкание контактных колец

Загрязнение контактных колец и щёточного устройства медно-угольной пылью Отсыревание изоляции контактных колец

Снять кожух контактных колец, прочистить и продуть их и щёточное устройство. Просушить изоляцию


Осветительные электроустановки предназначены для искусственного освещения объектов. На электрическое освещение объектов в России расходуется 13-14% всей электроэнергии, из них половина приходится на долю промышленных предприятий.

В состав осветительной электроустановки входят источники света, осветительные арматуры, пускорегулиющие устройства, электропроводки и распределительные щитки с аппаратами защиты и управления.

Люминесцентные ртутные лампы низкого давления представляют собой стеклянную цилиндрическую трубку-колбу, внутренняя поверхность которой покрыта люминофором. По обеим её сторонам впаиваются ножки с катодами.

Основным источником оптического излучения в этой группе ламп является слой люминесцирующего вещества (люминофора), возбуждаемого ультрафиолетовым излучением электрического разряда в парах ртути. Лампы имеют в 4-6 раз большую световую отдачу, чем лампы накаливания.

При обслуживании осветительных электроустановок нужно знать, что в нормальном режиме в сетях электрического освещения напряжение не должно снижаться более чем на 2,5 % и повышаться более чем на 5%. В аварийном режиме допускается снижения напряжения на 12% для ламп накаливания и на 10% для люминесцентных ламп. Частота колебания напряжения в осветительных сетях: при отклонении от номинального на 1,5% не ограничивается; от 1,5 до 4%- не должна повторяться более чем 10 раз в час, от 4%- допускается 1 раз в час. Эти требования не распространяются на лампы местного освещения.

Все работы по обслуживанию светильников производятся при снятом напряжении.

Таблица 3 - Операции технического обслуживания и периодичность осмотра осветительных установок

Операции

Периодичность

Пояснение

Проверка уровня освещённости в контрольных точках помещений при осмотрах осветительных установок

Не реже 1 раза в год

Очистка светильников перед проверкой уровня освещённости

Проверка исправности автоматов освещения

1 раз в 3 мес. (в дневное время)

Обслуживание светильников производят с помощью напольных устройств и приспособлений, обеспечивающих безопасность работы лестниц- при высоте подвеса светильников до 5 м, стационарных и прицепных мостиков, буксируемых грузоподъёмными кранами

Проверка исправности стационарного оборудования и электропроводок рабочего и аварийного освещения на соответствие токов расцепителей и плавких вставок расчетным значениям

Не реже 1 раза в квартал 1 раз в год.

-

Испытание и измерение сопротивления изоляции проводов, кабелей и заземляющих устройств

1 раз в 3 года

Измерение нагрузок и напряжений в отдельных точках осветительной сети

1 раз в год

-

Испытание изоляции стационарных трансформаторов с вторичным напряжением 12-36 В

Не реже 1 раза в год

-


При обслуживании контакторов, пускателей необходимо следить за состоянием контактов. Контакты аппаратов защиты зачищают бархатным напильником и протирают чистой тряпкой или замшей. Нельзя зачищать контакты наждачной бумагой из-за того, что кристаллы наждака врезаются в поверхность и, так как они не проводят ток, контакт ухудшается. Смазка контактных поверхностей продуктами сгорания смазки, что увеличивает нагрев контактов. Полировка контактов нежелательна.

Таблица 4 - Некоторые неисправности электрооборудования и способы их устранения

Неисправность

Возможные причины

Способы устранения

Повреждение трубок, полей и спиралей резисторов, нарушение контакта между элементами

Обрыв электрической цепи

Повреждённые резисторы отремонтировать или заменить

Контактор, пускатель и реле не включается при присоединении сети

Обрыв или межвитковое замыкание в катушке

Осмотреть выводы катушки, проверить контрольной лампой, ликвидировать обрыв, заменить катушку

Повышенный нагрев, обгорание контактных поверхностей

Не отрегулировано нажатие контактов

Проверить динамометром и установить нажатие пружин и провал по техническим данным


Повышенное переходное сопротивление; контакты нуждаются в чистке

Зачистить контактные поверхности: снять нагар бархатным напильником, протереть бензином или спиртом

Чрезмерный нагрев катушки аппарата

Напряжение выше номинального Межвитковое замыкание

Снизить напряжение на катушки Сменить катушку

Контактор или пускатель сильно гудит

Отсутствие короткозамкнутого витка или его обрыв Ослабленное крепление магнитной системы Неплотное прилегание якоря; зазор между якорем и сердечником

Установить или заменить короткозамкнутый виток  Подтянуть гайки на шпильках и креплении магнитной системы  Отрегулировать положение якоря, устранить зазор или перекос

Якорь реле остаётся притянутым и н отпадает после отключения его источника питания

Отсутствует или расклеилась немагнитная прокладка Сломалась главная пружина Нет провала Повреждён или загрязнён блок- контакт

Поставить новую немагнитную прокладку  Заменить пружину  Отрегулировать блок-контакт Заменить или почистить контакты бензином или спиртом

Нарушилась последовательность срабатывания аппаратуры станции

Обрыв провода или другое нарушение в монтажной схеме станции; неправильное соединение в схеме после ремонта

Проверить контрольной лампой, прозваниванием цепей и устранить нарушение; в сложных схемах проверку делать по узлам


2.3   
Технологическая карта ремонта электродвигателя

Таблица 5 - Технология ремонта электродвигателей

Содержание работ

Ремонтные операции

Пояснение

1. Изолирование катушки

Изолирование витков кабельной бумаги или тафтяной лентой в два слоя с перекрытием

Под прессом катушке придают нужный размер, пропитывают лаком ГФ-95 и запекают при 100о С в течении 10 ч. в печи

2. Изготовление новых катушек

Намотка катушки на шаблон с помощью стаканов с ручным или двигательным приводом

На шаблон предварительно наматывают слой электротехнического картона толщиной 0,5 мм

3. Снятие изоляции с использованием провода повреждённой катушки

Разрыхление изоляции обжигом в печи при 450-500о С.

Провод очищается от следов изоляции

4. Изолирование многослойной внешней обмотки из круглого провода

Покрытие каждого нового слоя кабельной бумагой, которая изолирует витки и пояски, уложенные в торцах шаблона

Поясок изготавливают из электротехнического картона в виде полоски толщиной, равной диаметру провода. Поясок закрепляют лентой шириной 25 мм и помещают в торце шаблона

5. Соединение обмоток

Соединение проводов сечением до 40 мм2 пайкой, большого сечения - специальными клещами

Для пайки применяют припой- Фосфоритную бронзу или серебряный припой ПСр45, ПСр70, порошкообразную буру, канифоль

6. Изготовление цилиндрической внутренней обмотки из провода прямоугольной формы

При изготовлении однослойной катушки витки закрепляют киперной лентой, образующей восьмеричный переплёт. При многослойных катушках этого не делают

В местах перехода из одного слоя в другой для защиты изоляции прокладывают полоску прессшпана, ширина которой на 4-5 мм больше ширины витка

7. Изготовление дисковой (селекционной) обмотки

Изготовление обмотки намоткой отдельного каждого диска и соединением дисков пайкой либо намоткой обмотки в один приём

В первом случае используют провод круглого или квадратного сечения, во втором - прямоугольного

8. Пропитка и просушка изготовленных обмоток

Погружение обмотки в глифталевый лак до полного выхода всех воздушных пузырьков. Подъём обмотки над ванной на 20 мин и после стекания лака помещение её в сушильную печь на 4 ч при 100о С

Если лак образует твёрдую глянцевую и эластичную плёнку, сушка считается законченной


2.4    Технологическая карта ремонта обмоток асинхронного двигателя

Перед ремонтом обмоток необходимо точно определить характер неисправности. Часто в ремонт направляют исправные электродвигатели, нормально работающие в результате повреждения питающей сети, приводного механизма или неправильной маркировки приводов.

Основой якорной обмотки машин постоянного тока служит секция, т.е. часть обмотки, заключённая между двумя коллекторными пластинами. Несколько секций обмотки обычно объединяют в катушку, которую укладывают в пазы сердечника.

Назначая ремонт, следует помнить, что у электродвигателей мощностью до 5кВт с двухслойной обмоткой при необходимости замены хотя бы у одной катушки выгоднее перемотать статор полностью. У электродвигателей мощностью 10…1000 кВт с обмоткой из круглого провода одну-две катушки можно заменить методом протяжки без подъёма неповреждённых катушек.

Основной фазой обмотки машин переменного тока служит катушка, т.е. комплект проводов, которому придают форму, удобную для укладки в пазы сердечника, отстоящие друг от друга на величину шага обмотки. Одна или несколько рядом лежащих катушек, принадлежащих одной фазе и расположенных под одним полюсом, образуют катушечные группу. Катушечную группу в случае мягких обмоток наматывают целиком одними или несколькими параллельными проводами. В некоторых случаях наматывают целиком фазу обмотки.

Таблица 6 - Технологическая карта ремонта обмоток асинхронного двигателя

Операции

Применяемые оборудование, инструмент

1. Демонтаж обмотки статора

Освобождают от крепления лобовые части катушек и соединительные провода после отжига статора, разрезают соединения между катушками и фазами, осаживают клинья вниз и выбивают их из пазов статора. Удаляют обмотку их пазов, пазы очищают, продувают и протирают

Приспособления для монтажа статорных обмоток и очистки пазов

2. Заготовка изоляции и гильзовка пазов статора электродвигателя

Устанавливают статор на кантователь, замеряют длину паза. Изготавливают шаблон, нарезают их прессшпана гильзы, пояски и другой изоляционный материал. Устанавливают гильзы и укладывают пояски

Канователь статоров

3. Намотка катушек статора на намоточном станке

Распаковывают бухту, измеряют диаметр провода, устанавливают бухту на вертушку, закрепляют провода в проводке, определяют размеры витка катушки. Устанавливают шаблон, наматывают катушечную группу, отрезают провод, перевязывают намотанную катушку в двух местах и снимают её с шаблона

Микрометр, универсальный шаблон, намоточный станок

4. Укладка катушек в статор

Укладывают катушки в пазы статора. Устанавливают прокладки между катушками в пазах и лобовых частях. Уплотняют провода в пазах и оправляют лобовые части. Закрепляют катушки в пазах клиньями, изолируют пазы катушек лакотканью и киперной лентой


5. Сборка схемы обмотки статора

Зачищают концы катушек и соединяют их по заданной схеме. Сваривают электросваркой (паяют) места соединений. Заготовляют и присоединяют выводные концы, изолируют места соединений, бандажируют обмотку и выправляют лобовые вылеты. Проверяют правильность соединения и изоляцию

Напильник, нож, плоскогубцы, молоток, электродуговой паяльник, мегометр, контрольная лампа

6. Сушка и пропитка обмотки статора (ротора, якоря) лаком

Загружают статор в сушильную камеру с помощью подъёмного механизма. Выгружают из камеры после просушки обмотки. Пропитывают обмотку статора в ванне, дают стечь лаку после пропитки, снова загружают статор в камеру и сушат. Вынимают статор из камеры и растворителем удаляют подтёки лака с активной части магнитопровода

Сушильная камера

7. Покрытие лобовых частей обмотки элетроэмалью

Покрывают лобовые части обмотки статора электроэмалью

Кисть или пульвезатор


2.5    Технологическая эксплуатация электрических сетей

Техническая эксплуатация и обслуживание электрических сетей включает в себя их осмотр и устранение выявленных дефектов. Периодичность осмотров зависит от условий их эксплуатации. В любом случае осмотры должны проводиться не реже одного раза в три месяца. Измерение токовых нагрузок, температуры электрических сетей, испытание изоляции обычно совмещают с межремонтными испытаниями распределительных устройств, к которым подключены электросети.

При осмотре цеховых сетей особое внимание обращают на обрывы, увеличенный провес проводов или троса, подтёки мастики на кабельных воронках. Волосяной щёткой очищают от пыли и грязи провода и кабели, а также наружные поверхности труб с электропроводкой и ответвительной коробки.

Убеждаются в наличии хорошего контакта заземляющего проводника с контуром заземления или заземляющей конструкцией. Разъёмные соединения разбирают, зачищают до металлического блеска, собирают и затягивают. Повреждённые неразъёмные соединения приваривают или припаивают.

Осматривают провода и кабели, повреждённые участки изоляции восстанавливают обмоткой хлопчатобумажной лентой или лентой ПВХ. Измеряют мегомметром на напряжение 1000 В сопротивление изоляции. Если оно оказывается меньше 0,5 Мом, участки электропроводки заменяют новыми.

Осматривают изоляторы, повреждённые заменяют новыми. Пошатыванием проверяют крепление изоляторов. Слабо установленные изоляторы снимают, предварительно освободив провод от крепления, подматывают на крюки (штыри) паклю, пропитанную суриком, затем наворачивают изоляторы и закрепляют на них провод.

Осматривают анкерные устройства концевого крепления тросовой проводки к строительным элементам здания, натяжные устройства и трос. Участки со следами коррозии зачищают стальной щёткой или шлифовальной шкуркой и покрывают эмалью.

Открывают крышки осветительных коробок и осматривают находящиеся внутри зажимы и провода. При наличии в коробке влаги или пыли проверяют состояние уплотнений её крышки и на вводах в коробку. Уплотнения, потерявшие упругость и не обеспечивающие герметичность коробки, заменяют. Соединения проводов с зажимами, имеющие следы окисления или оплавления, разбирают, зачищают, смазывают техническим вазелином и вновь собирают.

Проверяю стрелу провеса тросовых и струнных проводок, которая при длине пролёта 12 м- не более 250 мм. При необходимости участки с большой стрелой провеса перетягивают. Стальные тросы натягивают до получения минимально возможной стрелы провеса. При этом сила натяжения не должна превышать 75% разрывного усилия, допускаемого для данного сечения троса.

Поскольку от способа прокладки проводов зависит условие их охлаждения, необходим дифференцированный подход к определению допустимых токовых нагрузок. Длительно допустимые токовые нагрузки на провода с резиновой изоляцией или поливинилхлоридной изоляцией определяют из условия нагрева жил до температуры 65о С при температуре окружающего воздуха 25о С. Нагрузки на провода, проложенные в коробках или лотках, принимают как для проводников, проложенных в трубах.

2.6   
Обслуживание осветительной электроустановки цеха

При обслуживании осветительных электроустановок нужно помнить, что в нормальном режиме в сетях электрического освещения напряжение не должно снижаться более чем на 2,5% и повышаться более чем на 5% номинального напряжения ламп. Для отдельных наиболее удалённых ламп аварийного и наружного освещения допускается снижение напряжения на 5%. В аварийном режиме допускается снижение напряжения на 12% для ламп накаливания и на 10% для люминесцентных ламп.

К колебаниям напряжения в осветительных сетях предъявляются следующие требования:

)        Число случаев отклонения напряжения от номинального не более чем на 1,5% не ограничивается;

)        Случаи отклонения на 1,5…4% не должны повторяться более 10 раз в 1 ч;

)        Отклонение более чем на 4% допускается 1 раз в 1 час.

Эти требования не распространяются на лампы местного освещения.

Все работы по обслуживанию светильников выполняют при снятом напряжении. Проверку уровня освещённости в контрольных точках помещений при осмотрах осветительных установок проводят не реже 1 раза в год. Исправность автоматических выключателей электроосветительных установок контролируют 1 раз в 3 месяца (в дневное время).

Проверку исправности аварийного освещения проводят не реже 1 раза в квартал.

Проверку стационарного оборудования и электропроводок рабочего и аварийного освещения на соответствие токов расцепителей и плавких вставок расчётным значениям выполняют 1 раз в год.

Измерение нагрузок и напряжения в отдельных точках электрической сети и испытание изоляции стационарных трансформаторов с вторичным напряжением 12…40 В проводят не реже 1 раза в год.

При обслуживании светильников используют напольные устройства и приспособления, обеспечивающие безопасность работающих. К таким устройствам относятся лестница (при высоте подвешивании светильников до 5 м), а также стационарные и прицепные мостики, буксируемые грузоподъёмными кранами.

Замена ламп может быть индивидуальной (от одной лампы до 10% от их общего числа) или групповой (все лампы в установке через определённый интервал времени одновременно заменяют новыми). В механических, сборочных, инструментальных цехах при использовании в качестве светильников люминесцентных ламп ЛБ-40 групповую замену производят через 7000 часов (через ряд). Исправные лампы, снятые при групповой замене, можно использовать во вспомогательных помещениях.

В случае достаточного естественного освещения суммарное время использовании в течение года осветительных установок при двухсменной работе принимают равным 2100 часов, при трёх сменной 4600 часов, а при трёхсменной непрерывной работе - 5600 часов. При недостаточном естественном освещении эти значения принимаются равными естественно 4100, 6000 и 8000 часов.

Чистку светильников в инструментальных, сборочных и механических производят 1 раз в 6 месяцев.

Техническое обслуживание сетей электрического освещения должен выполнять специально обученный персонал. Как правило чистку арматуры и замену перегоревших ламп производят в дневное время со снятие напряжения с участка. Если в электроустановках напряжением до 500 В по условиям технологического процесса отключить напряжение нельзя, допускается производство работ под напряжением. В этом случае соседние токоведущие части ограждают изолирующими накладками, работают инструментом с изолированными рукоятками, в защитных очках, головном уборе с застёгнутыми рукавами, стоя на изолирующей подставке или в диэлектрических галошах.

В цехах промышленных предприятий обслуживание высоко расположенной осветительной арматуры производит бригада в составе не менее двух электромонтёров, при этом производитель должен иметь 3 квалификационную группу. Оба исполнителя должны быть допущены к верхолазным работам. При работе необходимо соблюдать меры предосторожности от попадания под напряжение, падения с высоты, случайного пуска крана.

В сетях наружного освещения под напряжением разрешается чистить арматуру и менять перегоревшие лампы с телескопических вышек и изолирующих устройств, а также находясь на деревянных опорах без заземляющих спусков, на которых светильники расположены ниже фазы проводов. Старший из двух лиц должен иметь третью квалификационную группу. Во всех остальных случаях работу выполняют по наряду с отключением и заземлением на месте работ всех проводов линий, расположенных на опоре.

Дефектные ртутные и люминесцентные лампы, так как в них содержится ртуть, пары которой ядовиты, сдают на завод - изготовитель или уничтожают в специально отведённых для этого местах.

2.7    Техническое обслуживание кабельных линий и их ремонт

Техническое обслуживание кабельных линий

Осмотры оборудования кабельных линий напряжением до 10 кВ производят с такой периодичностью:

трассы кабелей, проложенных в земле, - в соответствии с местными инструкциями, не реже 1 раза в три месяца;

концевые муфты на линиях напряжением выше 1000 В - 1 раз в 6 месяцев, на линиях 1000 В и ниже - 1 раз в год;

кабельные колодцы - 2 раза в год.

Кабельные муфты, расположенные в трансформаторных помещениях, распределительных пунктах и на подстанциях, осматривают одновременно с другим оборудованием.

Осмотр туннелей, шахт и каналов на подстанциях производят в соответствии с местными инструкциями. Обнаруженные при осмотрах неисправности указывают в журнале дефектов оборудования для последующего устранения. В периоды паводков и после ливней производят внеочередные обходы туннелей, шахт и каналов.

Кабельные линии напряжением 3…10 кВ, проложенные по воздуху в процессе эксплуатации, не реже 1 раза в год подвергают профилактическим испытаниям повышением напряжения постоянного тока. После ремонтных работ на линиях производят внеочередные испытания.

Периодичность испытаний кабельных линий, проложенных в земле и работающих после электрических пробоев в течении пяти лет и более с момента прокладки, устанавливает лицо, ответственное за электрохозяйство. В любом случае испытания должны проводиться не реже 1 раза в 3 года.

Каждая кабельная линия имеет свой номер или наименование. Если линия состоит из нескольких параллельных кабелей, то каждый из них имеет один и тот же номер с добавлением букв А, Б, В, и т.д.

На территории предприятия кабельные трассы обозначают пикетами, устанавливаемыми через каждые 100 метров, а также на поворотах трассы, над кабельными муфтами, в местах пересечения с железнодорожными путями, дорогами и т.п.

Для кабельной линии при вводе в эксплуатацию устанавливают максимальные токовые нагрузки в соответствии с требованиями ПУЭ. Эти нагрузки определяют по участку трассы с наилучшими тепловыми условиями.

Температуру нагрева кабели проверяют преимущественно на участке с наилучшим внешним охлаждением в сроки, установленные местными инструкциями.

Температура воздуха внутри тоннелей, шахт и каналов в летнее время не должна превышать температуру наружного воздуха более чем на 10о С.

Кабельные линии напряжением 6 и 10 кВ, имеющие нагрузки меньше номинальных, можно кратковременно перегружать в соответствии с (табл.7).

Таблица 7 - Допустимая кратковременная перегрузка кабельных линий напряжением 6 и 10 кВ

Коэффициент предварительной нагрузки

Вид прокладки

Коэффициент допустимой перегрузки в течение времени, ч.

2

3

0,6

В земле  По воздуху  В трубах (в земле)

1,35 1,25  1,2 1,1  1,0

1,3 1,15

1,15 1,1

0,8

В земле  По воздуху  В трубах (в земле)

1,2 1,15 1,1

1,1 1,1 1,05

1,05 1,05 1,0

 

Наиболее характерными причинами повреждения изоляции являются:

трещины или сквозные отверстия в свинцовой оболочке или в нескольких бумажных лентах, заусенцы на проволоках токоведущих жил в результате заводских дефектов;

надломы жил при разводке, плохая припайка соединительных нажимов, неполная заливкам муфт мастикой, не пропаянные шейки муфт в результате дефектов монтажа;

Крутые изгибы на углах, изломы вмятины, перекрутка кабеля в результате дефектов прокладки;

Пробоины и вмятины в результате не аккуратных раскопок на кабельных трассах;

коррозия свинцовой оболочки, вызванная действием блуждающих токов или химическим составом грунта;

перегрев или старение изоляции.

Короткое замыкание, перегрев жил, смещение и осадка грунта могут привести к обрыву токоведущих жил кабеля.

При повреждении кабеля выявляют прежде всего вид повреждения и в зависимости от этого выбирают соответствующий метод определения места повреждения. ЫВ кабельных линиях низкого напряжения вид повреждения выявляют с помощью мегомметра, которым замеряют сопротивление изоляции каждой токоведущей жилы кабельной линии по отношению к земле и между каждой парой жил. При определении целостности токоведущих жил мегомметром предварительно устанавливают закоротку с одного конца кабеля.

В кабельных линия высокого напряжения вид повреждения определяют путём поочерёдного испытания каждой жилы (с заземлением и без заземления остальных) постоянным током, от установки типа АИИ - 70 при медленном подъёме напряжения, до значения испытательного.

При двойном разрыве кабеля или повреждении изоляции жил в разных местах для выявления характера повреждения применяют измерители кабельных линий типов ИКЛ - 5 и ИКЛ - 4.

Все методы определения места повреждения кабельных линий можно разделить на относительные и абсолютные. Относительные методы позволяют ориентировочно определить расстояние от места повреждения непосредственно на трассе. Для уточнения места раскопок нужно использовать абсолютные методы.

Ремонт кабельных линий

В процессе эксплуатации кабельных линий могут возникать повреждения (механические или электрические пробои) в кабелях, соединительных муфтах или заделках.

При текущем ремонте кабельной линии выполняют следующие работы:

осмотр и очистка кабельных каналов, туннелей, трасс открыто проложенных кабелей, концевых воронок, соединительных муфт;

рихтовка кабелей, восстановление утраченной маркировки; определение температуры нагрева кабеля и контроль за коррозией кабельных оболочек;

проверка заземления и устранение обнаруженных дефектов;

проверка доступа к кабельным колодцам и исправности крышек колодцев и запоров на них;

перекладка отдельных участков кабельной сети, испытание повышенным напряжением (для кабелей напряжением до 100 В);

доливка кабельной мастики в воронку и соединительные муфты, ремонт кабельных каналов;

При капитальном ремонте кабельных линий выполняют частичную или полную замену (по мере необходимости) участков кабельной сети, окраску кабельных конструкций, пере разделку отдельных концевых воронок, кабельных соединительных муфт, заменяют опознавательные знаки, устраивают дополнительную механическую защиту в местах возможных повреждений кабеля.

Замена кабелей в производственных помещениях. В кабельных помещениях допускается прокладывать только кабели без наружного сгораемого покрова, например кабели, имеющие поверх брони несгораемый волокнистый покров либо несгораемых шланг из поливинилхлорида или других равноценных по несгораемости материалов, а также кабели с несгораемой оболочкой.

Если при замене применяется кабель со сгораемым наружным покровом, то этот покров удаляют на участке всей трассы внутри кабельного сооружения до самого места выхода из него. Небронированные кабели с полиэтиленовой оболочкой по условиям пожарной безопасности прокладывать в помещения запрещается.

Внутри производственных помещений можно прокладывать только бронированные кабели без сгораемого наружного покрова и небронированные кабели с несгораемой оболочкой. В помещениях с агрессивной средой применят кабели с оболочками, стойкими к воздействию агрессивной среды.

Подъём и укладку новых кабелей на лотки и в короба на коротких участках трассы выполняют с передвижных вышек, платформ, подмостей, стремянок и т.п. Кабели на лотках укладывают в один ряд. Можно прокладывать кабели без зазора между ними, а также пучками вплотную друг к другу в два - три слоя в пучке. Наружный диаметр пучка должен быть не более 100 мм.

В коробках кабели и провода прокладывают многослойно с произвольным взаимным расположением, высота слоёв в одном коробе не должна превышать 150 мм.

насосный электроэнергия асинхронный двигатель

3.     
Испытание двигателей насосных установок после ремонта

Приемо-сдаточным испытаниям двигателей насосных установок подвергаются все электродвигатели, отремонтированные без изменения мощности или частоты вращения, т. е. машины, у которых при ремонте сохранены электрические и магнитные нагрузки; машины, отремонтированные с изменением мощности или частоты вращения, подвергаются типовым испытаниям. Очевидно, типовым испытаниям должны также подвергаться машины, поступившие в ремонт без заводских щитков и выпущенные из ремонта с номинальными данными, определенными расчетом, выполненным ремонтной организацией.

В объем приемо-сдаточных испытаний асинхронных двигателей после ремонта входит:

измерение сопротивления изоляции обмоток относительно корпуса электродвигателя и между обмотками (фазами);

измерение сопротивлений обмоток при постоянном токе в практически холодном состоянии;

обкатка электродвигателей на холостом ходу; определение тока и потерь холостого хода; определение тока и потерь короткого замыкания; испытание междувитковой изоляции обмоток на электрическую прочность;

испытание изоляции обмоток относительно корпуса электродвигателя и между обмотками (фазами) на электрическую прочность;

определение коэффициента трансформации (для электродвигателей с фазным ротором).

Если ремонт крупных электродвигателей (мощностью 100 кВт и выше) производится на месте установки, то при приемо-сдаточных испытаниях кроме обкатки на холостом ходу должно производиться опробование под нагрузкой в течение 24 ч.

В объем типовых испытаний асинхронного двигателя после ремонта входят кроме всех указанных выше контрольных испытаний также испытания на нагревание, на кратковременную перегрузку по току и испытание при повышенной скорости вращения (только при замене обмотки ротора или бандажей).

Кроме того, при типовых испытаниях по методике, указанной в ГОСТ 7217-66, определяют значения КПД, коэффициента мощности, скольжения, максимального вращающего момента, а для двигателей с короткозамкнутым ротором определяют также минимальный вращающий момент в процессе пуска, начальный пусковой вращающий момент и начальный пусковой ток.

4. Измерение сопротивления изоляции

Материалы, применяемые для изоляции обмоток, не являются идеальными диэлектриками и в зависимости от своих физико-химических свойств являются в большей или меньшей степени токопроводящими. Сопротивление изоляции обмоток помимо конструкции самой изоляции и применяемых материалов в значительной степени зависит также от влажности изоляции, механических повреждений и загрязнения поверхностей.

Провода, соединяющие мегомметр с испытуемой обмоткой, а также с корпусом электродвигателя, должны иметь усиленную и надёжную изоляцию. Нормы предписывают произвести измерение сопротивления изоляции обмоток от корпуса и относительно друг друга: а) в холодном состоянии до начала испытаний электродвигателя; б) в нагретом состоянии при температуре, равной температуре номинального режима работы.

Измерение сопротивления изоляции обычно производится по средствам мегомметра с ручным или электрическим приводом. Зажим мегомметра, имеющий обозначение «сеть», соединяется с обмоткой или частью машины, сопротивление которой нужно измерить, а другой зажим с обозначением «земля» с корпусом испытуемой машины, после чего включают прибор.

Рисунок 1- Принципиальная схема мегомметра

Г- генератор; 1- последовательная обмотка мегомметра; 2 - параллельная обмотка мегомметра; Л - линейных режим; З - зажим присоединения заземления; К - кнопка включения; Э - корпус электродвигателя; О- обмотка электродвигателя.

Рисунок 2 - Схема сетевого мегомметра с полупроводниковыми диодами

Для двигателей на номинальное напряжение до 500 В включительно применяют для измерения изоляции мегомметры на 500 В; для двигателей на номинальное напряжение 300 В и выше применяют мегомметры не менее чем на 100 В. В крупных машинах высокого напряжения наблюдается значительное изменение сопротивления изоляции в первый период измерения, что объясняется большой ёмкостью обмоток по отношению к корпусу. В этом случае необходимо вращать ручку мегомметра, по возможности равномерно со скоростью не ниже номинальной и производить измерение, когда стрелка прибора практически установиться в определённом положении.

Для измерения низких сопротивлений изоляции применяют омметры, мосты и др.

Измерение сопротивления обмоток двигателя при постоянном токе

При измерении сопротивления обмоток при постоянном токе имеют значение не только абсолютная величина сопротивления и соответствие её расчётной, но и симметричность сопротивления отдельных фаз. Одинаковое, но и значительно различающееся от расчётного значения сопротивление каждой фазы может быть вызвано ошибкой в числе витков кашки, применением провода, отличающегося от расчётного, либо отличием средней длинны витка от расчетной. Разные значения сопротивления отдельных фаз могут быть следствием многих причин - ошибок в схеме соединения катушек и катушечных групп, витковых замыканий и плохого качества паек. Допустимое отклонение фактического значения сопротивления от расчётного можно принять равным ±2, а допустимого значения расхождения сопротивления отдельных фаз - не более 2% среднего значения сопротивления фаз.

Измерение сопротивления обмоток при постоянном токе производят по методу амперметра - вольтметра. Измеряют обмотки при их практически холодном состоянии (температура любой части электродвигателя отличается от температуры окружающей среды не более чем на 3о С). Схема подключения измеряемого сопротивления, источника питания и приборов приводнена на рисунках 3 - 4.

Рисунок 3 - Измерение сопротивления обмотки при соединении фаз в звезду

Рисунок 4 - Измерение сопротивления изоляции обмотки при соединении фаз в треугольник

при соединении фаз в звезду

R1=R2=R3=0.5R1-2=0,5R2-3=0,5R3-1;

при соединении фаз в треугольник

R1=R2=R3=1,5R1-2=1,5R2-3=1,5R3-1.

Замеры сопротивления обмоток производят при значениях тока 10, 15 и 20% номинального. За расчётное принимают среднее из трёх значений. Измеренные сопротивления разных фаз обмоток статора и ротора не должны отличаться друг от друга более чем на ±2% среднего значения, а от ранее измеренных или заводских данных - более чем на 2%.

Испытание двигателей насосных установок в режиме холостого хода

При испытании асинхронного двигателя в режиме холостого хода снимаются характеристики холостого хода, которые представляют собой зависимости Iо, Ро и cosφо= f(U1). Характеристики холостого хода позволяют определить:

.        номинальное значение тока и мощности холостого хода;

.        потери механические и потери в стали путём разделения потерь холостого хода;

.        степень насыщения в стали двигателя;

Кроме того, при испытании двигателей с фазным ротором определяют коэффициент трансформации напряжений при разомкнутом и неподвижном роторе.

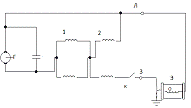
На рисунке 5 показана схема испытания трёхфазного асинхронного двигателя с фазным ротором. При сборке схемы нужно иметь ввиду следующее.

Испытуемый двигатель включается в сеть через индукционный регулятор ИР, регулировочный трансформатор или двигатель - генератор, которые должны быть выбраны так, чтобы подводимое к испытуемому двигателю напряжение U1 можно было изменять в достаточно широких пределах. При этом подводимое напряжение должно быть практически симметричным и синусоидальным по форме. При отступлении от этих условий получаются преувеличенные значения тока и потерь холостого хода. Потребляемая при холостом ходе мощность Ро измеряется по схеме двух ваттметров или трёхфазным ваттметром.

 

Рисунок 5 - Схема испытания трёхфазного асинхронного двигателя с фазным ротором

После пуска двигателя в ход нужно, не производя расчётов, выждать некоторое время, чтобы дать установиться температуре частей машины, в частности подшипников. Режим холостого хода является установившемся, когда, следя за показаниями ваттметров, мы убедимся, что мощность холостого хода Р=const.Согласно рекомендациям ГОСТ - 7217 - 54, перед опытом холостого хода двигатель должен проработать без нагрузки 75 - 120 минут.

Испытания двигателя насосной установки по методу непосредственной нагрузки

Испытания асинхронного двигателя по методу непосредственной нагрузки предполагают: а) сборку схемы; б) пуск двигателя в ход с помощью того или иного приспособления; в) собственно испытания двигателя; г) последующую обработку данных испытания и оценку полученных результатов.

В задачу испытания по методу непосредственной нагрузки входит снятие рабочих и механических характеристик двигателя. Под рабочими характеристиками двигателя понимают зависимости: n или s, М, I1, ƞ и отсутствии добавочного сопротивления в цепи ротора в двигателях с фазным ротором.

Принципиальная схема трёхфазного асинхронного двигателя с фазным ротором, показана на рисунке 6, пригодна и для снятия рабочих характеристик.

При испытании рекомендуется вести контроль температуры обмотки статора, предварительно, по указанию руководителя, собрав схему для измерения сопротивления r1 этой обмотки.

Нагрузка асинхронного двигателя осуществляется различно, главным образом, от мощности двигателя.

Для улучшения пусковых характеристик двигателя с фазным ротором, т.е. уменьшения пускового тока и увеличения пускового момента, в фазы ротора включают регулируемые внешние добавочные активные сопротивления в виде специального пускового реостата, как это показано на рисунке 6.

 

Рисунок 6 - Схема асинхронного двигателя с пусковым активным сопротивлением и реактором в роторе

Требования к отремонтированным двигателям насосных установок

Технические требования к отремонтированным электродвигателям в отношении значений испытательных: напряжений, сопротивления изоляции, предельных допускаемых температур, КПД, коэффициента мощности, начального максимального и минимального моментов, начального пускового тока и т. п. должны соответствовать ГОСТ 183-74, ГОСТ 13859-68 и другим стандартам, на соответствующие типы асинхронных электродвигателей, а методика испытаний определяется ГОСТ 11828-75 и ГОСТ 7217-66.

Последовательность проведения испытаний, указанная выше, не является обязательной, однако в требованиях стандартов указывается, что испытанию изоляции обмоток на электрическую прочность относительно корпуса машины, между обмотками и между витками - должны предшествовать при приемо-сдаточных испытаниях. Измерение сопротивления изоляции, определение тока и потерь короткого замыкания и испытание при повышенной скорости вращения (если оно производится), а при типовых испытаниях - также испытание при кратковременной перегрузке по току; при типовых испытаниях, кроме того, испытания при повышенной частоте вращения должны производиться непосредственно после испытания на нагревание.

При всех испытаниях для измерения электрических величин должны применяться измерительные приборы необходимого класса точности; в частности, применяемые электроизмерительные приборы (с шунтами и добавочными резисторами), мосты, измерительные трансформаторы тока и напряжения при типовых испытаниях должны быть класса точности не ниже 0,5. Исключение допускается для измерения сопротивления изоляции, когда применяются обычные мегаомметры, а также для измерения мощности в трехфазной сети одним трехфазным ваттметром (допускается применять трехфазный ваттметр класса точности не ниже 1,0).

Обычно при испытаниях крупных асинхронных электродвигателей, отремонтированных на месте установки, собирают в каждом отдельном случае временные испытательные схемы. На стационарных электроремонтных предприятиях и в электроремонтных цехах, как правило, оборудуются испытательные отделения и участки с постоянными испытательными схемами.

В настоящее время организован промышленный выпуск нескольких типов комплектных испытательных установок, предусматривающих возможность проведения всех испытаний при ремонте различного электрического оборудования. Комплектные установки для операционного контроля и приемо-сдаточных испытаний отремонтированных асинхронных электродвигателей разработаны институтом по ремонту и эксплуатации тракторов и сельскохозяйственных машин (ГОСНИТИ) совместно с Рязанским опытным ремонтным заводом и выпускаются этим заводом.

5. Неисправности асинхронных двигателей и их влияние на расход электроэнергии

Работа электрооборудования на насосных станциях связанна не только с его износом, но и с повреждениями, которые возникают чаще всего из-за недопустимо длительного функционирования без ремонта, плохого эксплуатационного обслуживания, нарушения расчётных режимов работы, разнообразных внешних воздействий.

Повреждения электрических машин, их влияние на энергетические характеристики и прежде всего на величину электропотребления, рассмотрим на примере наиболее широко использующихся на насосных станциях трёхфазных асинхронных двигателей.

Эти повреждения электрических машин делят на механические и электрические.

К механическим повреждениям, например, относят: деформацию или поломку ротора, ослабление крепления сердечника статора к станине, образования глубоких выработок («дорожек») на поверхности контактных колец, ослабление опрессовки сердечника ротора, выплавку баббита в подшипниках скольжения, разрушение сепаратора, кольца или шарика в подшипниках качения и др.

Электрическими повреждениями являются: обрыв проводников в обмотках статора или ротора, замыкания между витками обмоток, нарушение контактов и разрушение соединений, выполненных пайкой или сваркой, снижение сопротивления изоляции вследствие её старения, разрушения или увлажнения и др.

Неисправности и повреждения не всегда приводят к повышению электропотребления: они могут вызывать срабатывание защиты и отключение двигателя или практически сразу вывода его из строя.

Другие неисправности обуславливают увеличение тока, потребляемого машиной из сети. Некоторые из них достаточно быстро обнаружить и, отключив двигатель, сократить непроизводительный расход электроэнергии или предотвратить более серьёзную поломку. Однако значительная часть неисправностей, приводящая к большому расходу электрической энергии, потребляемой из сети, носит скрытый характер и выявляется только после соответствующих испытаний или разборки двигателей.

Рассмотрим некоторые неисправности.

Обрыв фазы обмотки статора внутри двигателя.

При соединении трёхфазной обмотки статора звездой, если обрыв фазы произошёл во время работы двигателя при нагрузке, не превышающей половины от номинальной, двигатель будет продолжать работать, но с несколько большим потреблением электроэнергии (примерно 15-20%) из сети. Частота вращения при этом понижается незначительно. В случае больших нагрузок двигатель останавливается и, если не срабатывает защита, обмотка выходит из строя.

При подозрении нам обрыв фазы двигатель необходимо остановить и запустить вновь. Если фаза оборвана, двигатель гудит и не разворачивается даже на холостом ходу, так как вместо вращающегося в нём появляется пульсирующее магнитное поле.

Обрыв одного линейного провода трёхфазной сети, питающей асинхронный двигатель.

Этот режим, а также работа с одном перегоревшим предохранителем, аналогичны описанному выше режиму внутреннего обрыва одной фазы обмотки статора при её соединении звездой, и может привести к увеличению потребления электроэнергии из сети, или к выходу обмотки статора из строя. Обнаружить повреждение в таком режиме можно, как в предыдущем случае, остановив и запустив двигатель, который при этом не развернётся. Другой способ - измерение напряжения на фазах двигателя.

Межвитковое замыкание в фазе обмотки статора.

В это случае и, например, при соединении обмоток статора звездой возрастает ток в линейном проводе, подходящем к повреждённой фазе. Двигатель начинает необычно гудеть, а если он работает под нагрузкой, ротор вращается с пониженной скоростью. Через некоторое время после возникновения замыкания двигатель начинает дымиться, появляется характерный запах горящей изоляции.

Повреждение стержней короткозамкнутой обмотки. При работе двигателя с повреждёнными стержнями обмотки ротора частота его вращения будет меньше, чем в аналогичном двигателе, но с исправным ротором. В ряде случаев двигатель с такой неисправностью может вообще не развернуться до рабочей частоты вращения ротора даже при малой нагрузке. При значительном количестве повреждённых стержней ротор двигателя, работающего под нагрузкой, останавливается.

Во всех случаях двигатель с повреждёнными роторными стержнями, работающий под нагрузкой, потребляет их сети увеличенный ток и перегревается больше исправного. У него возрастает время разгона, скольжения и добавочные потери, уменьшается коэффициент мощности. Внешними признаками наличия обрыва стержней короткозамкнутых обмоток является повышенная вибрация и шум при работе, увеличивается приросте нагрузки электродвигателя.

Обрыв фазы трёхфазной обмотки асинхронного двигателя с контактными кольцами (фазным ротором). При обрыве одной фазы роторной цепи возникает так называемый эффект Гергеса, заключающийся в том, что при работе двигателя частота вращения ротора снижается примерно в два таза, а ток в обмотках статора резко возрастает. Этот эффект возникает независимо от места, где произошёл обрыв: в обмотке ротора, щёточном аппрете или реостате.

Для выявления неисправностей нужно отсоединить реостат от роторной цепи и поочерёдно проверить целостность цепей ротора, щёточного аппарата и реостата с помощью тестера или контрольной лампой.

Вначале проверяют неисправность обмотки ротора, касаясь концами контрольной лампы поочерёдно первого и второго, второго и третьего, первого и третьего колец. Также проверяют и надёжность контактов щёток с кольцами, и целостность проводников, соединяющих щётки с клемником ротора, и реостат. Каждая из трёх проверок делается при всех положения переключателя реостата. Если проверяемая цепь исправно, лампам горит.

Межвитковое и междуфазное замыкание в обмотке ротора двигателя с контактными кольцами. При межвитковом замыкании перегреваются обе обмотки: роторная, и статорная. Если замкнутых витков много, двигатель под нагрузкой долго разворачивается и сильно нагревается. При межфазном замыкании двигатель разворачивается даже при разомкнутых кольцах, чаще всего до половинной частоты вращения, а по обмотке статора проходит изменяющийся ток, который может быть больше номинального.

Неправильное соединение фаз обмотки статора. У двигателей, и имеющих шесть выводов обмотки статора, это случается довольно часто из - за того, что в процессе эксплуатации, ремонта, при небрежной транспортировке или хранении может быть перепутана, неверно сделана или вовсе утеряна маркировка выводных концов.

Один из возможных вариантов ошибочного переключения фаз обмотки статора - «перевёрнутая» фаза. Двигатель, включенный таким образом, вращается с ненормальным гулом, плохо разгоняется, сила тока во всех трёх фазах различна и даже при холостом ходе превышает номинальную, частота вращения ротора часто оказывается наполовину ниже номинальной.

Как уже отмечалось выше, некоторая часть неисправностей и повреждений электродвигателей (особенно механических) не оказывает непосредственного влияния на величину расхода электроэнергии, потребляемой из сети, но они могут в процессе работы воздействовать на энергетические параметры двигателей или привести к другим неисправностям.

Так например, неравномерный воздушный зазор между сердечником статора и ротором может возникнуть вследствие чрезмерного износа или повреждения подшипников, прогиба вала и т.д. По мере износа подшипников возрастает неисправность воздушного зазора, что вызывает увеличение вибрации, скольжения, температуры в зоне наименьшего зазора. При задевании ротора за статор нарушается межвитковая изоляция сердечников магнитопроводов. А это приводит к недопустимому повышения температуры отдельных участков и всего магнитопровода, сильному нагреву обмоток, выгоранию магнитопровода (пожар в стали). В отдельных случаях выходят из строя обмотки, так как зубы сердечника статора могут сдвинуться, из-за чего возникает межвитковое или междуфазное замыкание в обмотке статора.

Заключение

Курсовой проект разработан на эксплуатацию электрооборудования и сетей насосной станции. В данной пояснительной записки описаны характеристики и выявлены особенности насосной станции, разработана техническая эксплуатация электрооборудования и сетей насосной станции. Описаны основные неисправности электрооборудования, указаны причины их возникновения и способы устранения.

Разработаны технологические карты по ремонту: двигателей и обмоток асинхронных двигателей.

Описаны способы испытания двигателей насосных установок после ремонта и неисправности двигателей влияющие на расход электроэнергии.

Курсовой проект выполнен полностью в соответствии с заданием.

Список литературы

1.   Шаповалов Б.Т. «Электрооборудование насосных станций»

2.      Сибикин Ю.Д., Сибикина М.Ю. «Справочник по эксплуатации электроустановок».

.        Сибикин Ю.Д. «Техническое обслуживание и ремонт электрооборудования и сетей», книга 2.

Похожие работы на - Техническая эксплуатация электрооборудования и сетей насосной станции

 

Не нашли материал для своей работы?
Поможем написать уникальную работу
Без плагиата!
Без нейросетей!