Электроснабжение и электрооборудование насосной станции
ВВЕДЕНИЕ
В данный момент времени происходит повышение эффективности производства,
ускоряется научно-технический прогресс. При решении вопросов технического
совершенствования производства предусматривается повышение уровня
электрификации производства и эффективности использования электроэнергии, более
широкое внедрение электротехнических и электротехнологических процессов.
Основные задачи, которые на данный момент являются актуальными для
народного хозяйства и промышленности и их решение, будут отражены в данном
проекте. Это экономичность и надёжность рационально выполненной современной
системы электроснабжения, это безопасность и удобство её эксплуатации.
Необходимо учитывать гибкость системы - это обеспечение возможности расширения
при развитии предприятия без существенного усложнения и удорожания
первоначального варианта. При этом должны по возможности применяться решения,
требующие минимальных расходов цветных металлов и электроэнергии.
Целью данного проекта является электроснабжение насосной станции. Для
достижения данной цели следует выполнить следующие задачи:
· Выбрать напряжение для силовой и осветительной сети;
· Произвести расчёт освещения цеха;
· Определить электрические нагрузки силовых электроприёмников;
· Произвести выбор мощности и числа цеховых трансформаторных
подстанций;
· Определить мощность компенсирующих устройств;
· Расчёт токов короткого замыкания;
· Выбор и проверка коммутационных аппаратов;
· Расчёт заземления и молниезащиты.
1.
ИСХОДНЫЕ ДАННЫЕ
Насосная станция (НС) предназначена для мелиорации. Она содержит машинный
зал, ремонтный участок, агрегатную, сварочный пост, служебные, бытовые и
вспомогательные помещения.
НС получает электроснабжение от государственной районной электростанции
(ГРЭС) по воздушной ЛЭП-35. Расстояние от ГРЭС до собственной ТП - 5 км.
Трансформаторная подстанция (ТП) находиться вне помещения насосной станции на
расстоянии 10 км.
Потребители ЭЭ по надежности ЭСН относятся к 2 и 3 категории. Количество
рабочих смен - 3.
Основными потребителями являются 5 мощных автоматизированных насосных
агрегата.
Грунт в районе здания - глина с температурой +10 ⁰С. Каркас здания и ТП сооружен из
блоков-секций длиной 6 м каждый.
Размеры здания НС А х В х Н = 42 х 30 х 7
Все помещения, кроме машинного зала двухэтажные высотой 2,8 м.
Перечень ЭО насосной станции представлен в таблице 1.
Мощность электропотребления (РЭП) указана для одного
электроприёмника.
Расположение основного ЭО НС показано на плане.
Электрооборудование
НС
Таблица 1
|
№ на плане
|
Наименование ЭО
|
Вариант
|
Примечание
|
|
|
1
|
|
|
|
|
|
|
1, 2
|
Вентиляторы
|
5
|
|
|
3
|
Сверлильный станок
|
3,4
|
1-фазный
|
|
4
|
Заточной станок
|
2,2
|
1-фазный
|
|
5
|
Токарно-револьверный станок
|
22
|
|
|
6
|
Фрезерный станок
|
10
|
|
|
7
|
Круглошлифовальный станок
|
5,5
|
|
|
8
|
Резьбонарезной станок
|
8
|
|
|
9…11
|
Электронагреватели
отопительные
|
15,5
|
|
|
12
|
Кран мостовой
|
30,8 кВА
|
ПВ=25%
|
|
13…17
|
ЭД вакуумных насосов
|
8
|
|
|
18…22
|
Электродвигатели задвижек
|
1,2
|
1-фазный
|
|
23…27
|
Насосные агрегаты
|
630
|
|
|
28
|
Щит сигнализации
|
1,1
|
1-фазный
|
|
29, 30
|
Дренажные насосы
|
9,5
|
|
|
31, 32
|
Сварочные агрегаты
|
15 кВА
|
ПВ=40%
|
2.
ХАРАКТЕРИСТИКА ПОТРЕБИТЕЛЕЙ ЦЕХА
Все потребители условно делят на потребители первой, второй и третьей
категории. Потребители третьей категории допускают перерыв электроснабжения на
время доставки складского резерва, для их питания достаточно одного источника.
Потребители второй категории допускают непродолжительные перерывы
электроснабжения на время автоматического включения резерва или на время
включения резервного питания оперативным персоналом, их рекомендуется обеспечить
электроэнергией от двух независимых источников питания. У потребителей первой
категории перерыв в их электроснабжении допустим на время автоматического
включения резерва, их питание обеспечивается от двух взаимно резервирующих
источников питания. Среди потребителей первой категории выделена особая
группа: перерыв в электроснабжении, который недопустим вовсе. Потребители этой
группы должны иметь третий автономный источник питания (например - больницы,
шахты).
Вентилятор
- машина для перемещения газа со степенью сжатия менее 1,15 (или разностью
давлений на выходе не более
).
Сварочный
агрегат - устройство, дающее ток для электросварки.
Круглошлифовальный
станок - на этих станках заготовку устанавливают на центрах или патроне и
приводят во вращение навстречу шлифовальному кругу; вместе со столом станка она
может совершать возвратно-поступательное движение. Шлифовальный круг в конце
каждого (или двойного) хода стола получает поперечное перемещение на глубину
резания. Круглошлифовальные станки предназначены для продольного и врезного
шлифования наружных цилиндрических, пологих конических и торцевых поверхностей
заготовок.
Фрезерный
станок - предназначен для обработки с помощью фрезы плоских и фасонных
поверхностей, тел вращения, зубчатых колес и т.п. металлических и других
заготовок. При этом фреза вместе со шпинделем фрезерного станка совершает
вращательное (главное) движение, а заготовка, закрепленная на столе, совершает
движение подачи прямолинейное или криволинейное.
Сверлильный
станок - предназначен для точного сверления отверстий в металле, дереве и
других материалах. Сверлильный станок состоит из электропривода с патроном для
сверления, закрепленного на станине и рабочего стола для фиксации тисков. Стол
может регулироваться по высоте, относительно головы сверлильного станка.
Некоторые тиски имеют возможность регулировки под разными углами. Скорость
вращения, как правило, регулируется с помощью многоуровневой ременной передачи
(от привода к валу с патроном), посредствам перемещения ремня.
Кран
мостовой - представляет собой ферму (мост), которая при помощи специального
электродвигателя может передвигаться по подкрановому пути. На мосту расположена
тележка, оборудованная подъёмной лебёдкой и двумя двигателями: один для привода
лебёдки, а другой для передвижения самой тележки по мосту. К мосту подвешена
кабина крановщика с аппаратурой управления электродвигателями. Для привода
крановых механизмов используют краново-металлургические электродвигатели
повторно-кратковременного режима работы.
Заточной
станок служат для затачивания металлорежущего инструмента.
Токарно-револьверный
станок применяется для обработки штучных заготовок или деталей из
калиброванного прутка. На станке производятся следующие виды токарной
обработки: обточка
<#"585061.files/image003.gif">
Мощность
приведенная к длительному режиму работы:
где
продолжительность включения,
;
номинальная
активная мощность одного электроприемника,
Суммарная мощность всех приемников:
где
количество однотипных электроприемников,
Сменная активная мощность
электроприемников:
где
коэффициент использования;
Реактивная
сменная мощность:
Полная сменная мощность:
Максимальная активная нагрузка:
где
коэффициент максимума активной нагрузки.
Коэффициент
максимума нагрузки:
Максимальная реактивная нагрузка:
где
коэффициент максимума реактивной нагрузки.
Максимальная полная нагрузка:
Максимальный ток нагрузки:
Средневзвешенный расчетный
коэффициент использования:
Эффективное число электроприемников:
Показатель силовой сборки в группе:
Аналогично рассчитываем остальные электроприемники, результаты расчета
сводим в таблицу 2.
Таблица 2
|
Наименование РУ и
электроприемников
|
Нагрузка установленная
|
Нагрузка средняя за смену
|
Нагрузка максимальная
|
|
               
|
|
|
|
|
|
|
|
|
|
|
|
|
|
|
|
|
|
РП1 Кран мостовой ПВ=25%
23,2246,40,050,51,73 2,334,02 2,334,024,646,71
|
|
|
|
|
|
|
|
|
|
|
|
|
|
|
|
|
|
|
РП2 Сварочный агрегат
ПВ=40% , 8,85326,560,20,42,29 5,3112,17
5,3112,1713,2819,18
|
|
|
|
|
|
|
|
|
|
|
|
|
|
|
|
|
|
|
ШМА1
|
|
|
Вентилятор
|
55
|
1
|
55
|
0,7
|
0,8
|
0,75
|
|
38,5
|
28,9
|
|
|
|
|
|
|
|
|
|
Зубофрезерный станок
|
20
|
2
|
40
|
0,17
|
0,65
|
1,17
|
|
6,8
|
7,96
|
|
|
|
|
|
|
|
|
|
Плоскошлифовальный станок
|
17,2
|
1
|
17,2
|
0,14
|
0,5
|
1,73
|
|
2,41
|
4,17
|
|
|
|
|
|
|
|
|
|
Итого по ШР1
|
31,5
|
1
|
60
|
0,15
|
|
|
|
8,7
|
14,1
|
16,6
|
|
|
|
20,7
|
14,5
|
25,3
|
36,5
|
|
Итого по ШР2
|
16,4
|
1
|
25,4
|
0,14
|
|
|
|
3,56
|
6,15
|
7,11
|
|
|
|
8,9
|
6,3
|
10,9
|
15,8
|
|
Всего по ШМА1
|
140,1
|
6
|
197,6
|
0,43
|
|
|
>3
|
60
|
61,2
|
85,7
|
6
|
1,71
|
1
|
102,4
|
61,2
|
119,3
|
172
|
|
ШМА2
|
|
|
Вентилятор
|
55
|
1
|
55
|
0,7
|
0,8
|
0,75
|
|
38,5
|
28,88
|
|
|
|
|
|
|
|
|
|
Зубофрезерный станок
|
20
|
1
|
20
|
0,17
|
0,65
|
1,17
|
|
3,4
|
3,98
|
|
|
|
|
|
|
|
|
|
Плоскошлифовальный станок
|
17,2
|
1
|
17,2
|
0,14
|
0,5
|
1,73
|
|
2,41
|
4,17
|
|
|
|
|
|
|
|
|
|
Итого по ШР3
|
31,5
|
1
|
70,5
|
0,15
|
|
|
|
10,5
|
16,2
|
19,3
|
|
|
|
23,8
|
16,7
|
29
|
42
|
|
Итого по ШР4
|
16,4
|
1
|
27,9
|
0,14
|
|
|
|
3,91
|
6,73
|
7,81
|
|
|
|
9,83
|
6,96
|
12
|
17,4
|
|
Всего по ШМА2
|
140,1
|
5
|
190,6
|
0,42
|
|
|
>3
|
59
|
60
|
83,9
|
5
|
1,79
|
1
|
105,1
|
60
|
121
|
175
|
|
Всего на НН без освещения
|
|
39
|
|
|
|
|
|
|
|
|
|
|
|
215,1
|
137,4
|
255,3
|
369
|
|
Освещение
|
|
|
ДРЛ
|
|
|
|
|
|
1,33
|
|
22,4
|
29,8
|
|
|
|
|
22,4
|
|
|
|
ЛБ
|
|
|
|
|
|
0,32
|
|
1,8
|
0,58
|
|
|
|
|
1,8
|
0,58
|
|
|
|
Всего на НН с освещением
|
|
|
|
|
|
|
|
151
|
167,8
|
|
|
|
|
239,3
|
167,8
|
292,3
|
422
|
Таблица 3
Расчет
нагрузок шкафа ШР
|
Наименование РУ и
электроприемников
|
Нагрузка установленная
|
Нагрузка средняя за смену
|
Нагрузка максимальная
|
|
               
|
|
|
|
|
|
|
|
|
|
|
|
|
|
|
|
|
|
ШР1
|
|
|
Токарный автомат
|
10
|
1
|
10
|
0,17
|
0,65
|
1,17
|
|
1,7
|
1,99
|
|
|
|
|
|
|
|
|
|
Круглошлифовальный станок
|
5
|
1
|
5
|
0,14
|
0,5
|
1,73
|
|
0,7
|
1,21
|
|
|
|
|
|
|
|
|
|
Токарный станок
|
12
|
3
|
36
|
0,14
|
0,5
|
1,73
|
|
5,04
|
8,72
|
|
|
|
|
|
|
|
|
|
Строгальный станок
|
4,5
|
2
|
9
|
0,14
|
0,5
|
1,73
|
|
1,26
|
2,18
|
|
|
|
|
|
|
|
|
|
Всего по ШР1
|
31,5
|
7
|
60
|
0,15
|
|
|
>3
|
8,7
|
14,1
|
16,57
|
7
|
2,38
|
1,03
|
20,68
|
14,52
|
25,27
|
36,51
|
|
ШР2
|
|
|
Фрезерный станок
|
7,5
|
2
|
15
|
0,14
|
0,5
|
1,73
|
|
2,1
|
3,63
|
|
|
|
|
|
|
|
|
|
Расточной станок
|
4
|
1
|
4
|
0,14
|
0,5
|
1,73
|
|
0,56
|
0,97
|
|
|
|
|
|
|
|
|
|
Заточной станок
|
1,5
|
2
|
3
|
0,14
|
0,5
|
1,73
|
|
0,42
|
0,73
|
|
|
|
|
|
|
|
|
|
Сверлильный станок
|
3,4
|
1
|
3,4
|
0,14
|
0,5
|
1,73
|
|
0,48
|
0,82
|
|
|
|
|
|
|
|
|
|
Всего по ШР2
|
16,4
|
6
|
25,4
|
0,14
|
|
|
>3
|
3,56
|
6,15
|
7,11
|
6
|
2,52
|
1,03
|
8,95
|
6,34
|
10,97
|
15,85
|
|
ШР3
|
|
|
Токарный автомат
|
10
|
2
|
20
|
0,17
|
0,65
|
1,17
|
|
3,4
|
3,98
|
|
|
|
|
|
|
|
|
|
Круглошлифовальный станок
|
5
|
2
|
10
|
0,14
|
0,5
|
1,73
|
|
1,4
|
2,42
|
|
|
|
|
|
|
|
|
|
Токарный станок
|
12
|
3
|
36
|
0,14
|
0,5
|
1,73
|
|
5,04
|
8,72
|
|
|
|
|
|
|
|
|
|
Строгальный станок
|
4,5
|
1
|
4,5
|
0,14
|
0,5
|
1,73
|
|
0,63
|
1,09
|
|
|
|
|
|
|
|
|
|
Всего по ШР3
|
31,5
|
8
|
70,5
|
0,15
|
|
|
>3
|
10,47
|
16,21
|
19,3
|
8
|
2,27
|
1,03
|
23,77
|
16,70
|
29,04
|
41,97
|
|
ШР4
|
|
|
Фрезерный станок
|
7,5
|
2
|
15
|
0,14
|
0,5
|
1,73
|
|
2,1
|
3,63
|
|
|
|
|
|
|
|
|
|
Расточной станок
|
4
|
2
|
8
|
0,14
|
0,5
|
1,73
|
|
1,12
|
1,94
|
|
|
|
|
|
|
|
|
|
Заточной станок
|
1,5
|
1
|
1,5
|
0,14
|
0,5
|
1,73
|
|
0,21
|
|
|
|
|
|
|
|
|
|
Сверлильный станок
|
3,4
|
1
|
3,4
|
0,14
|
0,5
|
1,73
|
|
0,48
|
0,82
|
|
|
|
|
|
|
|
|
|
Всего по ШР4
|
16,4
|
6
|
27,9
|
0,14
|
|
|
>3
|
3,91
|
6,76
|
7,81
|
6
|
2,52
|
1,03
|
9,83
|
6,96
|
12,05
|
17,41
|
5.
СВЕТОТЕХНИЧЕСКИЙ РАСЧЕТ
Расчет производственных помещений ведем по методу коэффициента
использования светового потока. Пример расчета приведем для
кузнечно-термического отделения. Для системы общего освещения примем
светильники типа РСП с лампами ДРЛ.
Расчет произведем на примере станочного отделения 2.
Размеры
помещения: 
Рис. 1
Расположение светильников по высоте помещения
Найдем
рабочую высоту:
где
высота помещения;
высота
свеса светильника,
высота
рабочей поверхности над полом,
Определим
индекс помещения:
Находим
коэффициент использования светового потока
в
зависимости от индекса помещения, типа светильника и отражающих способностей
потолка
, стен
, рабочей
поверхности
.
Находим
площадь помещения:
В
соответствии с разрядом зрительных работ принимается минимальная освещенность
Принимаем
число рядов 3, и число светильников в ряду 3.
Найдем
мощность одной лампы:
где
коэффициент запаса,
коэффициент,
зависящий от типа источника света, для ДРЛ
количество
светильников.
Принимаю
лампу ДРЛ400 с номинальным световым потоком
Определяем
мощность рабочего освещения:
где
коэффициент спроса;
коэффициент
пускорегулирующей аппаратуры (ПРА);
сумма
мощностей ламп рабочего освещения,
Для
аварийного освещения выбираем светильники РН-200 с лампами НБ-100. Мощность
аварийного освещения в процентах от рабочего:
· для продолжения работы - 20%;
· для эвакуации - 5%.
Число
светильников 2.
Проводка
аварийного освещения выполняется проводом АПВ сечением жилы
на одном тросе с прокладкой рабочего освещения.
Расчет
всех остальных производственных помещений сведем в таблицу 4.
Таблица 4
|
Тип помещения
|
Длина,
|
Ширина,
|
Площадь, Индекс помещения  Тип
светильника Кол-во
светильников Тип лампыРабочее освещение
|
|
|
|
|
|
|
|
|
|
|
|
|
Станочное отделение
|
24
|
16
|
384
|
1,28
|
50
|
30
|
10
|
РСП
|
0,48
|
200
|
16
|
20700
|
ДРЛ 400
|
7040
|
|
Станочное отделение 1
|
24
|
16
|
384
|
1,28
|
50
|
30
|
10
|
РСП
|
0,48
|
200
|
20
|
16560
|
ДРЛ 400
|
8800
|
|
Станочное отделение 2
|
18
|
12
|
216
|
0,96
|
50
|
30
|
10
|
РСП
|
0,43
|
200
|
9
|
23107
|
ДРЛ 400
|
3960
|
|
Сварочное отделение
|
8
|
8
|
64
|
0,53
|
50
|
30
|
10
|
РСП
|
0,31
|
200
|
4
|
21368
|
ДРЛ 400
|
1760
|
|
Вентиляционная
|
8
|
4
|
32
|
0,36
|
50
|
30
|
10
|
РСП
|
0,31
|
200
|
2
|
21368
|
ДРЛ 400
|
880
|
Расчет непроизводственных помещений ведется по методу удельной мощности
светового потока.
На примере помещения для администрации.
Размеры
помещения: 
Площадь
-
Принимаем
значение удельной мощности
При
и количестве светильников
рассчитаем мощность одной лампы:
Принимаю
лампу ЛБ2*30
.
Расчет
всех остальных непроизводственных помещений сведем в таблицу 5.
Таблица 5
|
Тип помещения
|
Длина, Ширина, Площадь,
   Тип
лампы
|
|
|
|
|
|
|
|
Бытовка 1
|
8
|
4
|
32
|
7,5
|
4
|
60
|
ЛБ2*30
|
|
РУ
|
6
|
4
|
24
|
7,5
|
3
|
60
|
ЛБ2*30
|
|
Склад
|
8
|
8
|
64
|
7,5
|
8
|
60
|
ЛБ2*30
|
|
Инструмент.
|
6
|
4
|
24
|
7,5
|
3
|
60
|
ЛБ2*30
|
|
Админ. пом
|
8
|
6
|
48
|
7,5
|
6
|
60
|
ЛБ2*30
|
|
ТП
|
8
|
6
|
48
|
7,5
|
6
|
60
|
ЛБ2*30
|
6.
ЭЛЕКТРИЧЕСКИЙ РАСЧЕТ ОСВЕЩЕНИЯ
Для питания осветительной установки принимаем радиально-магистральную
схему, т.к. она наиболее рациональна для нашего цеха. Расчетная схема
осветительной установки представлена на рисунке 2.
Рис.
2 Расчетная схема осветительной установки
Выбор трассы осветительной сети и мест установки магистральных и
групповых щитков.
При выборе трассы учитывается:
· удобство эксплуатации (доступность);
· исключение возможности повреждения при производстве работ;
· эстетические требования;
· уменьшение длины трассы.
Выбор марки проводов и способов их прокладки.
При выполнении сетей освещения учитывают:
· надежность;
· долговечность;
· пожарную безопасность;
· экономичность;
· индустриальность.
Принимаем:
- провод марки АПРВ в металлической трубе;
- провод марки АПРВ на стальном тросу;
- провод марки АПП, прокладываемый под штукатуткой.
Выбор сечений проводов по механической прочности.
В
соответствии с ПУЭ минимальное сечение изолированных проводников с алюминиевыми
жилами должно быть не менее 2,5
.
Расчет
электрических осветительных сетей по минимуму проводникового материала.
Если
к линии вдоль ее длины подключить ряд электроприемников, то токовая нагрузка по
мере удаления от источника будет уменьшаться. Поэтому электрические
осветительные сети, исходя из экономической целесообразности, строятся с
убывающей величиной сечения проводов в направлении от источника питания к
электроприемникам.
Для
расчетов сечений осветительных сетей при условии наименьшего расхода
проводникового материала пользуемся упрощенной методикой.
где
сечение провода данного участка,
приведенный
момент мощности,
коэффициент,
зависящий от схемы питания, и марки материала проводника;
допустимая
потеря напряжения в осветительной сети от источника питания до наиболее
удаленной лампы (2,5%).
где
сумма моментов данного и всех последующих по
направлению передачи энергии участков с тем же числом проводов в линии, как и
на данном участке;
сумма
моментов всех ответвлений, питаемых данным и имеющих иное число проводов в
линии, чем на данном участке;
коэффициент
приведения моментов, зависящий от числа проводов на участке и в ответвлении.
Расчетный
ток определяется по формулам:
для
однофазной (двухпроводной) сети освещения:
для
трехфазной (четырехпроводной) сети:
где
расчетная мощность,
.
Значения
коэффициента мощности для различных видов ламп следующие:
·
для сетей
с ЛН;
·
для сетей
с ЛЛ и компенсированными ПРА;
·
для
сетей с лампами ДРЛ.
Пример расчета приведем для участка 1-2:
Щиток
установлен на
над уровнем пола, от щитка до потолка
. Расстояние между первой лампой и стеной
Выбираю
кабель сечением
Определяю
фактическое падение напряжения:
Для
остальных участков расчет сведем в таблицу 6.
Таблица 6
|
Участок
|
     
|
|
|
|
|
|
|
|
Участок 1-2
|
135,6
|
1,2
|
2,5
|
10,6
|
19
|
2,5
|
0,26
|
|
Участок 1-3
|
132,2
|
1,1
|
2,5
|
7,9
|
19
|
2,5
|
0,59
|
|
Участок 1-4
|
307,9
|
2,5
|
2,5
|
17,5
|
19
|
2,5
|
0,90
|
|
Участок 1-5
|
565,2
|
4,9
|
6
|
30,4
|
45,6
|
10
|
0,61
|
|
Участок 0-1
|
60
|
0,5
|
2,5
|
50,7
|
55
|
16
|
0,08
|
7.
ПРЕДВАРИТЕЛЬНЫЙ ВЫБОР ЧИСЛА И МОЩНОСТИ ТРАНСФОРМАТОРОВ
Определим мощность цеховых трансформаторов:
где
коэффициент загрузки трансформатора,
количество
трансформаторов, исходя из категории потребителей,
.
Выбираю
трансформатор ТМ 250/10
Определяю
фактический коэффициент загрузки:
8.
КОМПЕНСАЦИЯ РЕАКТИВНОЙ МОЩНОСТИ
Определяю
наибольшую реактивную мощность, которая может быть передана из сети
в сеть с напряжением
, без
увеличения числа используемых трансформаторов и их коэффициента загрузки:
Определяю
мощность компенсаторной установки:
где
реактивная мощность, которую необходимо
скомпенсировать,
Так
как
, то
где
реактивная мощность, которую необходимо
скомпенсировать с целью снижения потерь в трансформаторе,
расчётный
коэффициент, зависящий от региона расположения, количества смен, схемы
электроснабжения, мощности трансформаторов и длины ЛЭП.
Так
как
, то
Так
как
и
равны 0
,то компенсация реактивной мощности не требуется.
9.
ОКОНЧАТЕЛЬНЫЙ ВЫБОР МОЩНОСТИ ТРАНСФОРМАТОРА
Так как компенсация реактивной мощности не потребовалась, проверяем
трансформатор на перегрузочную способность:
Рис. 3
Суточный график нагрузок
Определяем мощности ступеней графика нагрузок:
где
относительная мощность активной и реактивной нагрузки.
Остальной
расчет мощности ступеней нагрузок сведем в таблицу 7.
Таблица
7
Мощности
ступеней графика нагрузок
|
    
|
|
|
|
|
|
|
1
|
0,34
|
0,58
|
239,3
|
167,8
|
126,9
|
|
2
|
0,34
|
0,58
|
239,3
|
167,8
|
126,9
|
|
3
|
0,34
|
0,58
|
239,3
|
167,8
|
126,9
|
|
4
|
0,34
|
0,58
|
239,3
|
167,8
|
126,9
|
|
5
|
0,34
|
0,58
|
239,3
|
167,8
|
126,9
|
|
6
|
0,34
|
0,58
|
239,3
|
167,8
|
126,9
|
|
7
|
0,8
|
0,82
|
239,3
|
167,8
|
235,8
|
|
8
|
1
|
1
|
239,3
|
167,8
|
292,3
|
|
9
|
1
|
1
|
239,3
|
167,8
|
292,3
|
|
10
|
0,95
|
0,95
|
239,3
|
167,8
|
277,7
|
|
11
|
0,8
|
0,8
|
239,3
|
167,8
|
233,9
|
|
12
|
0,5
|
0,7
|
239,3
|
167,8
|
167,7
|
|
13
|
0,7
|
0,82
|
239,3
|
167,8
|
216,8
|
|
14
|
0,9
|
0,92
|
239,3
|
167,8
|
265,0
|
|
15
|
0,82
|
0,9
|
239,3
|
167,8
|
247,7
|
|
16
|
0,7
|
0,85
|
239,3
|
167,8
|
220,1
|
|
17
|
0,8
|
0,9
|
239,3
|
167,8
|
243,9
|
|
18
|
0,9
|
0,95
|
239,3
|
167,8
|
268,0
|
|
19
|
0,82
|
0,9
|
239,3
|
167,8
|
247,7
|
|
20
|
1
|
1
|
239,3
|
167,8
|
292,3
|
|
21
|
0,92
|
0,92
|
239,3
|
167,8
|
268,9
|
|
22
|
0,65
|
0,8
|
239,3
|
167,8
|
205,5
|
|
23
|
0,5
|
0,7
|
239,3
|
167,8
|
167,7
|
|
24
|
0,5
|
0,7
|
239,3
|
167,8
|
167,7
|
Рис.
4 График полной нагрузки за наиболее загруженную смену
По графику определяем продолжительность перегрузки Н-7часов.
Определим коэффициент начальной загрузки:
Определим
коэффициент перегрузки:
Коэффициент
использования по мощности:
Так
как 
, то
коэффициент перегрузки трансформатора
.
Проверяем
условие:
Окончательно
выбираю трансформатор типа ТМ-250/10/0,4.
10.
КОНСТРУКЦИЯ И ИСПОЛНЕНИЕ ЦЕНТРАЛЬНОЙ ТРАНСФОРМАТОРНОЙ ПОДСТАНЦИИ И ЕЕ
ПРИСОЕДИНЕНИЯ
Исходя из мощности и типа трансформаторов, а также из условий установки
(внутри цеха), принимается комплектная трансформаторная подстанция КТП-250
внутренней установки.
Таблица 8
Основные
технические данные КТП
|
Параметры
|
КТП-250
|
|
Номинальная мощность трансформатора,
250
|
|
|
Тип силового трансформатора
|
ТМ
|
|
Тип шкафа на стороне КСО-272
|
|
|
Тип шкафа на стороне :
|
|
|
· для ввода
|
ШВН
|
|
· линейный
|
ШЛН
|
|
· секционный
|
ШСН
|
|
Тип коммутационного
аппарата:
|
|
|
· на стороне ВН-11
|
|
|
· на вводах и секционный АВМ10СВ
|
|
|
· на отходящих линиях А3710Б
|
|
11.
РАСЧЕТ И ВЫБОР ЭЛЕКТРИЧЕСКИХ СЕТЕЙ ДО 1 кВ
Выбираю автомат ввода для ШР1:
где
ток расцепителя автомата,
Выбираю
автомат по условию:
где
номинальный ток расцепителя автомата,
Автомат
типа ВА51Г-31
Проверяю
автомат по пиковому току:
где
пиковый ток,
пусковой
ток максимального по мощности приемника,
номинальный
ток максимального по мощности приемника,
коэффициент
использования.
где
коэффициент пуска.
Проверяю
автомат на действие тока кз:
где
ток отсечки,
.
Выбираю
кабель по условию:
Кабель
РВГ (4х10),
Аналогично
выбираю остальные автоматы ввода для ШР. Результаты расчета свожу в таблицу 9.
Таблица
9
Выбор
автоматов ввода для ШР
Тип
ШР
Тип
|
автомата   Тип
кабеля
|
|
|
|
|
|
|
|
|
|
ШР1
|
40,2
|
ВА51Г-31
|
50
|
279
|
309,4
|
500
|
РВГ(4х10)
|
50
|
|
ШР2
|
17,4
|
ВА51Г-31
|
25
|
188
|
199,8
|
250
|
РВГ(4х4)
|
27
|
|
ШР3
|
46,2
|
ВА51Г-31
|
50
|
279
|
314,8
|
500
|
РВГ(4х10)
|
50
|
|
ШР4
|
19,2
|
ВА51Г-31
|
31,5
|
188
|
201,3
|
315
|
РВГ(4х6)
|
34
|
Аналогично выбираю автоматы для ШМА, РП и ЩО. Результаты свожу в таблицу
10 и 11.
Таблица 10
Выбор автоматов для ШМА
Тип
ШМА
Тип
|
автомата   Тип
кабеля
|
|
|
|
|
|
|
|
|
|
ШМА1
|
212,3
|
ВА51-35
|
250
|
860
|
946,6
|
1750
|
РВГ(4х120)
|
250
|
|
ШМА2
|
213,7
|
ВА51-35
|
250
|
860
|
949
|
1750
|
РВГ(4х120)
|
250
|
Таблица 11
Выбор
автоматов для РП и ЩО
Тип
|
автомата Тип
кабеля
|
|
|
|
|
|
|
|
РП1
|
43,5
|
ВА51Г-31
|
50
|
350
|
РВГ(4х10)
|
50
|
|
РП2
|
91,4
|
ВА51Г-31
|
100
|
1000
|
РВГ(4х35)
|
100
|
|
ЩО
|
40,5
|
ВА51Г-31
|
50
|
350
|
РВГ(4х10)
|
50
|
Выбираю
автомат к линии
Таблица12
Автоматы
к линии



Тип
|
автомата Тип
кабеля
|
|
|
|
|
|
|
|
|
|
|
ШНН1
|
250
|
0,4
|
360,8
|
425,8
|
ВА51-39
|
500
|
451
|
АВРГ 3х(3х95)
|
170
|
|
ШНН2
|
250
|
0,4
|
360,8
|
425,8
|
ВА51-39
|
500
|
451
|
АВРГ 3х(3х95)
|
170
|
Выбираю автоматы от ШМА до электрооборудования. Результаты свожу в
таблицу 13.
Таблица 13
Автоматы от
ШМА до электрооборудования
ШМА1-ШМА2
Тип
|
автомата Тип
кабеля
|
|
|
|
|
|
|
|
Вентилятор
|
135,2
|
ВА51Г-33
|
160
|
1120
|
РВГ(4х70)
|
175
|
|
Зубофрезерный станок
|
ВА51Г-31
|
63
|
630
|
РВГ(4х16)
|
70
|
|
Плоскошлифовальный станок
|
67,6
|
ВА51Г-31
|
80
|
560
|
РВГ(4х25)
|
85
|
Выбираю плавкий предохранитель от ШР до токарного автомата:
где
коэффициент зависящий от условий пуска,
при тяжелом пуске,
при
легком пуске.
Выбираю
предохранитель по условию:
Предохранитель
типа ПР2-100
Выбираю
кабель от предохранителя до токарного автомата:
Кабель
РВГ (4х4),
Аналогично
выбираю остальные предохранители. Результаты расчета свожу в таблицу 14.
Таблица
14
Выбор
предохранителей
|
  Тип
предохранителя Тип кабеля
|
|
|
|
|
|
|
|
ШР1-ШР3
|
|
|
|
|
|
|
|
|
Токарный автомат
|
27,5
|
178,7
|
71,5
|
ПР2-100
|
80
|
РВГ(4х4)
|
27
|
|
Круглошлифовальный станок
|
17,9
|
116,2
|
46,5
|
ПР2-100
|
60
|
РВГ(4х2,5)
|
21
|
|
Токарный станок
|
42,9
|
278,8
|
111,5
|
ПР2-200
|
125
|
РВГ(4х8)
|
43
|
|
Строгальный станок
|
16,1
|
104,6
|
41,8
|
ПР2-100
|
60
|
РВГ(4х2,5)
|
21
|
|
ШР2-ШР4
|
|
|
|
|
|
|
|
|
Фрезерный станок
|
26,8
|
174,3
|
69,7
|
ПР2-100
|
80
|
РВГ(4х4)
|
27
|
|
Расточной станок
|
14,3
|
92,9
|
37,2
|
ПР2-60
|
45
|
РВГ(4х1,5)
|
15
|
|
Заточной станок
|
5,4
|
34,9
|
13,9
|
ПР2-15
|
15
|
РВГ(4х0,5)
|
5
|
|
Сверлильный станок
|
12,2
|
79,0
|
31,6
|
ПР2-60
|
35
|
РВГ(4х1)
|
14
|
Выбираю шину по условию:
Шина
Al(40x5)
Выбираю
шинопровод ШРА-400-74:
12.
РАСЧЕТ ПИТАЮЩЕЙ СЕТИ
Для питающей линии берутся 2 кабеля. При повреждении одного, другой
должен обеспечить, по крайней мере, потребителей 2 категории.
Потери в трансформаторе:
Расчетный
ток:
Для
кабелей с ПВХ изоляцией
Экономически
целесообразное сечение:
где
нормированное значение экономической плотности тока,
Предварительно
выбираю кабель типа АВРБ(3х10) 
Ток
короткого замыкания перед трансформатором:
где
полное сопротивление кабельной линии,
Ударный
ток:
Проверка
по длительно допустимому току в аварийном режиме. Аварийным режимом является
отключение одного кабеля:
где
коэффициент допустимой кратковременной перегрузки, для
прокладки в траншее (в земле), 1,2;
коэффициент
снижение токовой нагрузки при групповой однослойной или многослойной прокладке
кабеля и при их прокладке в трубе, 0,9 для двух кабелей с расстоянием между
ними в свету 100мм;
коэффициент,
учитывающий температуру среды.
Проверка
на термическую стойкость при кз.
Минимально
допустимое сечение кабеля:
где
температурный коэффициент,
;
тепловой
импульс тока кз.
Тепловой
импульс:
,
где
периодическая составляющая тока кз в начальный момент
времени;
;
Окончательно
выбираю кабель марки АВРБ(3х70)

13.
ВЫБОР ВЫСОКОВОЛЬТНОГО ВЫКЛЮЧАТЕЛЯ
Таблица 15
Выбор
высоковольтного выключателя
|
Условия выбора
|
От РУ до тр-ра - 0,4 кВ
|
|
каталог
|
расчет
|
|
Uн ³ Uр,
кВ
|
10
|
10
|
|
Iн ³ Iр,
А
|
630
|
14,4
|
|
Iоткл ³
Iкз,
кА
|
20
|
10,1
|
|
iдин ³ iуд,
кА
|
52
|
14,3
|
|
Iоткл2 tту ³ Iкз2 tпр,кА
|
202*3
|
10,12*0,615
|
Выбираю
высоковольтный выключатель марки
14.
РАСЧЕТ ТОКОВ КЗ
1. Вычисляем сопротивления элементов:
· Для системы:
Сопротивления
приводятся к НН:
· Для трансформатора:
· Для автоматов:
· Для кабельных линий:
· Для шинопровода ШРА400:
· Для ступеней распределения:
2. По упрощенной схеме замещения вычисляем эквивалентные
сопротивления на участках между точками кз:
3. Вычисляем сопротивления для каждой точки кз, результаты заносим
в сводную ведомость:
. Определяем
коэффициенты
и
5. Определяю 3-х фазные и 2-ух фазные токи кз, результаты заносим в
сводную ведомость:
6. Составляю схему замещения для расчета 1-фазных токов кз:
Для
кабельных линий:
Таблица 16
Сводная
ведомость токов кз
|
Точка кз
|
          
|
|
|
|
|
|
|
|
|
|
|
|
|
25,427,537,40,9116,28,76,25,4151,9
|
|
|
|
|
|
|
|
|
|
|
|
|
|
47,929561,7113,95,53,93,438,21,5
|
|
|
|
|
|
|
|
|
|
|
|
|
|
63,234,371,91,8113,14,33,12,665,31,3
|
|
|
|
|
|
|
|
|
|
|
|
|
Проверяю шину на действие токов кз:
Принимается
шина
Проверяю
шину на механическую стойкость:
Максимальное
усилие на шину:
где
длина пролета между соседними опорами;
расстояние
между осями шин
Сила
создает изгибающий момент:
Напряжение
в материале шины:
Момент
сопротивления шины относительно оси:
Используем
расположение шины - плашмя.
По
справочнику допустимое механическое напряжение в материале шины для
Выбираю
изолятор типа
Проверка
по термической стойкости:
Минимальное
сечение, отвечающее термической стойкости:
15.
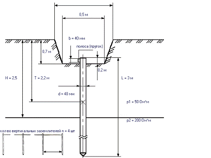
РАСЧЕТ ЗАЗЕМЛЯЮЩЕГО УСТРОЙСТВА
Грунт
- чернозем
Климатическая
зона
;
Вид
заземляющего устройства - контурное;
Вид
заземлителя - стальные стержни
и длиной
Сезонный
климатический коэффициент - вертикальный заземлитель
Сезонный
климатический коэффициент - горизонтальный заземлитель
Коэффициент
использования заземлителя 0,78.
Результаты
расчета
· эквивалентное
удельное сопротивление -
· сопротивление
вертикального заземлителя -
· сопротивление
контура -
· предварительное
количество вертикальных заземлителей 3,56;
· сопротивление
горизонтального заземлителя
· суммарное
сопротивление вертикального и горизонтального заземлителя
· расстояние
между вертикальными заземлителями
· расстояние от
центра вертикального заземлителя до поверхности земли
· количество
вертикальных заземлителей 4.
16.
МОЛНИЕЗАЩИТА ЗДАНИЯ
Согласно Федоров А.А., «Справочник по электроснабжению промышленных
предприятий» ремонтно-механический цех относится к III категории по устройству
молниезащиты. Грозозащита осуществляется молниеприемной сеткой, накладываемой
на неметаллическую кровлю под слой утеплителя и заземленной в 2-х местах.
Сетки
выполнены размерами
, токопроводы прокладываются по колоннам цеха по
периметру.
17.
ВЫБОР КОНТРОЛЬНО-ИЗМЕРИТЕЛЬНЫХ ПРИБОРОВ И ПРИБОРОВ УЧЕТА РАСХОДА
ЭЛЕКТРОЭНЕРГИИ, ВЫБОР ТРАНСФОРМАТОРОВ ТОКА
Таблица 17
Выбор
трансформатора тока
|
Условие выбора
|
От РУ до тр-ра 10/0,4
|
|
каталог
|
расчет
|
|
1010
|
|
|
|
10014,4
|
|
|
|
25061,5
|
|
|
|
9028
|
|
|
|
0,80,59
|
|
|
Таблица 18
Расчет
нагрузки вторичной обмотки трансформатора тока
|
Наименование прибора
|
Тип прибора
|
Нагрузка, ВА
|
|
|
Фаза А
|
Фаза С
|
|
Амперметр
|
Э762
|
3
|
-
|
|
Ваттметр
|
Д772
|
5
|
5
|
|
Счетчик
|
САЗУ
|
0,525
|
0,525
|
|
Итого
|
|
8,525
|
5,525
|
Сопротивление прибора:
Сопротивление
проводов:
Выбираю
трансформатор тока типа ТПЛ-10
Для
контроля трансформаторов используется масловакууометр, термосигнализация.
осветительный электрический трансформаторный ток
18.
РАСЧЕТ РАСХОДА ЭЛЕКТРОЭНЕРГИИ
Расход электроэнергии на технологию:

где
годовое число часов использования максимума силовой
нагрузки,
активная
мощность расходуемая на технологию,
реактивная
мощность расходуемая на технологию,
годовой
расход активной энергии,
годовой
расход реактивной энергии,
расчетная
активная мощность на стороне НН,
расчетная
активная мощность на стороне ВН,
расчетная
реактивная мощность на стороне НН,
расчетная
реактивная мощность на стороне ВН,
мощность
компенсирующего устройства,
Расход
электроэнергии на освещение:
где
годовое число часов использования максимума
осветительной нагрузки,
годовой
расход активной энергии на освещение,
годовой
расход реактивной энергии на освещение,
Расход
электроэнергии в трансформаторе:
где
годовое время максимальных потерь,
время
включения трансформаторов под нагрузку,
Общий
расход активной и реактивной энергии:
Средневзвешенный
коэффициент мощности:
ЗАКЛЮЧЕНИЕ
В ходе курсового проектирования получен вариант электроснабжения
ремонтно-механического цеха, в котором дана характеристика потребителей цеха,
определена компоновка технологического оборудования с выбором схемы
электроснабжения.
Произведен выбор силовой и осветительной сетей, расчет электрических
нагрузок, выбор трансформаторов, выбор питающей и цеховой сетей и расчет токов
короткого замыкания, а также проверка выбранных защитных устройств и
токоведущих частей по токам короткого замыкания. Предусмотрено искусственное
заземление и молниезащита.
СПИСОК
ИСПОЛЬЗУЕМОЙ ЛИТЕРАТУРЫ
1. Федоров
А.А., С Г.В. Справочник по электроснабжению промышленных предприятий. - М.:
Энергия, 1974. - 528 с.
2. Шеховцов
В.П., Расчет и проектирование схем электроснабжения. - М.: ФОРУМ-ИНФРА 2005. -
214с.
. Алиев
И.И., Справочник по электротехнике и электрооборудованию. 5-е издание. -
Ростов, Феникс, 2004. - 480с.
. Правила
устройства электроустановок, 6-е издание, Госэнергонадзор Москва 2000.
. Неклепаев
Б.Н., Крючков И.П. Электрическая часть станций и подстанций. - М.:
Энергоатомиздат, 1989. - 608 с.
. Епанешников
М.М. Электрическое освещение. М:. Энергия, 1973. - 352с.
. Справочник
по проектированию электроэнергетических систем.