Модернизация силовой электрической части плавучей перекачивающей насосной станции

  • Вид работы:
    Дипломная (ВКР)
  • Предмет:
    Другое
  • Язык:
    Русский
    ,
    Формат файла:
    MS Word
    1,45 Mb
  • Опубликовано:
    2011-09-17
Вы можете узнать стоимость помощи в написании студенческой работы.
Помощь в написании работы, которую точно примут!

Модернизация силовой электрической части плавучей перекачивающей насосной станции

Аннотация У.Д.К. 627.356(204.2).001.7

При развитии территорий крайнего севера Енисейского бассейна остро стал вопрос по доставке топлива в эти районы. Речной транспорт - наиболее экономичный и доступный способ доставки топлива на север.

Для доставки нефтепродукта используются различные типы самоходных и несамоходных судов Енисейского речного пароходства. В соответствии с этим стоит вопрос по перегрузке топлива из судов в нефтехранилища. Вследствие чего была установлена нефтеперекачивающая плавучая насосная станция, для перекачки нефтепродуктов из судов в нефтехранилища.

Органы охраны окружающей среды обратились к руководству пароходства, с целью принять меры по лицензированию всего вспомогательного флота работающего на нефтеналиве.

В связи с вышесказанным было принято решение о разработке проекта насосной перекачивающей станции, отвечающего всем требованиям экологии и пожарной безопасности, а так же Правилам Речного Регистра.

Нефтеперекачивающая насосная плавучая станция спроектирована на базе баржи проекта 81212. Установлена палубная надстройка из листовой стали.

Прямой запуск ЭП основных грузовых насосов вызывает большие пусковые токи, что приводит к критическому режиму работы электрооборудования силовой цепи. Исходя, из этого целесообразно установить устройство плавного пуска, типа ДМС-100Н, тем самым обеспечив ограничение пусковых токов, плавный запуск и защиту от перегрузок электропривода насоса.

В дипломном проектировании представлен выбор УПП, его основные технические параметры. Произведён расчёт статических характеристик работы ЭП и насоса без УПП и после его установки, определён динамический момент.

Составлена схема электрическая принципиальная управления ЭП насоса с помощью УПП, обеспечивающая работу электропривода в обход софт-стартера после его запуска. Так же разработана схема размещения постов управления насосными агрегатами, щитов и прокладки кабелей.

В программе МатЛаб составлена блочная структурная схема управления ЭП насоса, представлен график переходного процесса угловой частоты и тока при запуске, из которого видно, что пусковой ток ограничен в пределах 300% от номинального.

Определив затраты на модернизацию были рассчитаны расходы по содержанию в эксплуатации насосной станции за год до и после модернизации и определён срок окупаемости порядка 3 лет

Содержание

модернизация насосная станция

Введение

. Назначение, описание, технологические режимы работы перекачивающей насосной станции

.1 Технология работы насосной станции

. Описание существующей электрической схемы насосной станции, причины и пути её модернизации

. Разработка схемы управления, автоматики и сигнализации с использованием устройства плавного пуска

.1 Выбор устройства плавного пуска, технические характеристики

.2 Установка и подключение УПП

.3 Программирование УПП

.3.1 Пульт управления

.3.2 Последовательность операций при работе с пультом управления

.3.3 Настройка УПП

.3.4 Специальные функции

. Разработка схемы управления, автоматики и сигнализации насосными агрегатами

. Разработка монтажной схемы электрической щитовой и пультов управления насосами

. Расчёт характеристик насосной установки и её электропривода

. Моделирование переходных процессов в MatLab

. Экономическая часть проекта

.1 Расчёт затрат на модернизацию и определение стоимости объекта после модернизации

.2 Определение объёма выработки продукции до и после модернизации

.3 Расчёт расходов по содержанию объекта в эксплуатации до и после модернизации

.3.1 Расходы на заработную плату обслуживающего персонала насосной станции

.3.2 Отчисление на социальное страхование

.3.3 Расходы на материалы и износ малоценных предметов и быстроизнашивающегося инвентаря

.3.4 Амортизационные отчисления

.3.5 Расходы на текущий ремонт плавучей перекачивающей насосной станции

.3.6 Прочие прямые расходы

.4 Определение срока окупаемости перекачивающей насосной станции

. Техника безопасности. Вопросы взрывобезопасности насосной станции

.1 Общие положения техники безопасности при грузовых работах

.2 Обеспечение пожарной безопасности

.3 Предотвращение образования и накопления зарядов статического электричества

.4 Техническая эксплуатация электрооборудования перекачивающей станции

Заключение

Список использованной литературы

Введение

На внутренних водных путях широко используют плавучие перекачивающие станции для перегрузки нефтепродуктов из морских судов в речные, из речных на нефтебазы или специальные плавучие нефтехранилища. Зачастую они являются единственным средством перекачки нефтепродуктов из судов в небольшие ёмкости для мелких потребителей, удалённых от магистральных путей сообщения. За последние годы с появлением речных танкеров оборудованных грузовой насосной установкой, необходимость в плавучих станциях стала меньше.

Плавучие перекачивающие станции оборудованы 2-4 насосами общей подачей до 1500т/ч.

На перекачивающих станциях устанавливают насосы трёх видов: объёмные, лопастные и комбинированные, предназначенные для перегрузки нефтепродуктов соответствующих классов. Кроме того есть и универсальные станции, перекачивающие любые виды нефтегруза.

Плавучие перекачивающие станции с насосами объёмного типа (как правило, поршневыми) оборудованы паровыми котлами с поверхностью нагрева до 400 квадратных метров, пар которых используют для привода механизмов станции и подогрева вязких нефтепродуктов в баржах. Служебно-бытовые и жилые помещения на станциях обычно размещают в надстройке.

На станциях, предназначенных для перекачки нефтепродуктов первого класса (бензостанциях), котлы не устанавливают. На них, по условиям пожарной безопасности, отсутствуют жилые помещения; для приведения паровых прямодействующих насосов используют пар с береговой или другой плавучей станции. На станциях имеются зачистные насосы меньшей производительности.

На нефтестанциях устанавливают грузовые стрелы грузоподъёмностью 3т с вылетом стрелы до 9м для поддержания труб и шлангов, предназначенных для соединения с береговыми объектами или трубопроводами других судов.

Реальные условия работы насосов на перекачивающих станциях, как правило, существенно отличаются от стендовых условий испытаний, которым они подвергаются на заводах изготовителях.

Полученные от завода изготовителя паспортные характеристики при необходимости пересчитывают на новые условия. Практика эксплуатации перекачивающих установок в системе Министерства речного флота показала, что не редко фактические режимы их работы не совпадают с расчётными. Это бывает, чаще всего, при выгрузке нефтепродуктов с высоким давлением насыщенных паров, высоковязких нефтепродуктов и нефтепродуктов всех классов в ситуации, когда уровень жидкости резко снижается относительно оси насоса.

Себестоимость разгрузки судов является одним из основных показателей экономичной работы перекачивающей установки. Она определяется по соответствующей методике и обычно представляется в нескольких вариантах в зависимости от состава оборудования и эффективности его использования.

Масса и габаритные размеры перекачивающей установки влияют на размеры и водоизмещение судна, планировку помещений и должны быть минимальными. Большим успехом в этой области является использование больших бесштанговых насосов в качестве грузовых и зачистных, они не требуют специального помещения и являются наиболее экономичными в работе. Опыт эксплуатации таких насосов, накопленный за последние годы в нашей стране и за рубежом, подтверждает это.

Настоящий дипломный проект «Модернизация силовой электрической части плавучей перекачивающей насосной станции» посвящён созданию надёжного, эффективно работающего, экологически чистого перекачивающего комплекса в морском порту «Игарка»

На базе проекта предполагается в дальнейшем модернизировать более десятка подобных комплексов, что является важным фактором в развитии территорий крайнего севера в бассейне реки Енисей.

1. Назначение, описание, технологические режимы работы перекачивающей насосной станции

Перекачивающая плавучая насосная станция предназначена для перекачки светлых и тёмных нефтепродуктов. Назначение причала - обеспечение безопасной стоянки речных судов при погрузочно-разгрузочных работах. Вариант перекачки нефтепродукта - с судна на берег. Сроки эксплуатации плавучей насосной станции:

·        Начало - июнь;

·        Конец - октябрь.

Судно было переоборудовано в плавучую перекачивающую насосную станцию 1987 году в Минусинской РЭБ флота. Перекачивающая станция выполнена на базе баржи проекта №81212, размерами 19900×8070. Место расположения насосной станции - Красноярский край, река Енисей, устье протоки «Игарской».

На рисунке 1.1 представлен общий вид перекачивающей плавучей насосной станции.

Всё технологическое оборудование НПС расположено в отсеках палубной надстройки, защищающих его от воздействия атмосферных факторов.

Технологическое оборудование - коллекторы диаметром 100мм, шланги диаметром 100мм. Технологические схемы эксплуатации оборудования в соответствии с нормативными требованиями.

Грузовой объём перекачки 5000 тонн, производительность перекачки 70-90м³/час.

Насосная станция питается от береговой энергосберегающей подстанции через трансформатор ТП-250кВА, линию электропередачи протяженностью 1300м. Сечение и марка провода ЛЭП от ТП до опоры с рубильником (ЯБ 1-2У3 1 Р 54) - А90мм³.

Рубильник ЯБ 1-2У3, 1Р 54, 380В, 200А, Cos φ 0,95.

Таблица 1.1 - Насосные агрегаты

Тип двигателя

Частота вращения; Об/мин

Мощность агрегата; кВт

Марка насоса

Количество; шт


1

2

3

4

5

1

ВАО 82 2У

2950

55

ЦСП 57

2

2

МО 32-14

1450

32

МВН-10

1

3

2В 132 М4 У25

1445

11

ВВН-1-6 УХЛ

1

4

МА144

1470

21,5

СЦЛ 20-24

1

5

4АМ 132 М293

2900

11

К-45/55

1


Таблица 1.2 - Электрооборудование насосной станции

№ п/п

Оборудование

Тип

Параметры

Количество; шт

1

Автоматы

ВА52-39-340010-20УХЛ 3

Im-530A

1




Uн-550в f=50Гц


2


А3726 ФУЗ

Im-250A

4




Uн-380в f=50Гц


3


АЕ2066-400-00УЗУХЛ4-А

Im-125A

1




Uн-660в f=50Гц


4


АЕ2043-100-00УЗ-А

Im-125A

2




Uн-660в f=50,60Гц


5


АЕ1031-2УХЛ4

Im-25A

6




Uн-380в f=50Гц


1

Контакторы

КТ 6023 Б УЗ

Im-160A

3




Uн-380в


1

Магнитные пускатели

ПМА-5 202 ПУХЛ4

Im-100A

2




Uн-380в


1

Пусковые кнопки

КУ-93

Im-10A

6




Uн-380в


1

Светильники

ВЗГ-200

Р-200W

15




Uн-200в


1

Фонарь топовый белый

559 МВОм5451


1

1

Фонарь

ФСК ЛК-90


1

1

Разъединители

РПС 160

Im-160A

2




Uн-660в



Марка и характеристики кабелей:

·        Питающий кабель от рубильника до НПС КРМТ 3×75+1×50 L=120м;

·        Кабель на электродвигатели насосной станции КРМТ 3×50+1×35;

·        Кабель на освещение КГ3×4+1×2,5;

·        Кабель на кнопки КГ 3×2,5+1×1.

Степень защищённости и виды защиты электрического оборудования должны соответствовать утвержденным стандартам на взрывозащищённое оборудование и иметь соответствующую маркировку.

Насосное и другие помещения перекачивающей плавучей станции относятся к взрывоопасным помещениям второй категории, в которых допускается установка электрического оборудования во взрывозащищённом исполнении не ниже IP44, осветительная аппаратура - в исполнении не ниже IP54. Насосное отделение может освещаться только через герметичные простеночные иллюминаторы из взрывобезопасного помещения. Стёкла иллюминаторов должны иметь толщину не менее 12мм и быть защищены с обеих сторон сеткой от механических повреждений. Светильники должны устанавливаться, таким образом, чтоб вокруг них оставалось свободное пространство не менее 100мм.

Насосное отделение должно иметь не менее двух групп освещения питаемых по отдельным фидерам.

Прокладка кабелей допускается только в стальных трубах. Соединение труб с электрооборудованием и между собой должно обеспечивать газонепроницаемость.

Во взрывоопасных помещениях 2 категории не допускается установка штепсельных розеток. Допускается использование ручных фонарей взрывозащищённого исполнения с индивидуальным встроенным источником питания.

Каждый электрический двигатель грузовых насосов должен быть снабжён устройством дистанционного отключения, расположенным вблизи входа в насосное отделение.

При проведении грузовых работ на нефтеперекачивающих станциях руководители пароходств, работники эксплуатационных служб и подразделений, капитаны, шкиперы и экипаж обязаны руководствоваться Правилами Речного Регистра по эксплуатации судов работающих с нефтепродуктами и их противопожарному оборудованию. Они должны систематически, в процессе выполнения грузовых операций, контролировать состояние технических средств, механизмов, технологических приёмов и условий работ.

.1 Технология работы насосной станции

Перед запуском сетевых насосов марки ЦСП-57 напорная задвижка находиться в закрытом положении, задвижки всасывающей магистрали открыты. Золотник насоса ЦСП-57 устанавливается на параллельный режим подачи топлива , что обеспечивает его максимальную производительность 70-90 м³/час при рабочем давлении в напорной магистрали от 4кгс/см³ при подаче нефтепродукта в порожние резервуары нижнего уровня до, 6кг/см³ при подаче нефтепродукта в резервуары верхнего уровня с остатками нефтепродукта.

Трубопроводы системы перекачки нефтепродукта заполняются с помощью насоса СЦЛ-20-24.

При достижении давления в напорной магистрали 2кгс/см³, постепенно открывая напорную задвижку , поднять давление в напорной магистрали до 4-5кгс/см³. В таком режиме осуществляется перекачка нефтепродукта из танков нефтеналивного судна в приёмные резервуары нефтебазы.

Всё технологическое оборудование НПС расположено в отсеках палубной надстройки, защищающих его от воздействия атмосферных факторов.

2. Описание существующей электрической схемы насосной станции, причины и пути её модернизации

Схема электрическая принципиальная для всех 6 насосных агрегатов аналогична рис 2.1. Пуск и остановка электропривода осуществляется с двух постов управления: местного(кнопки SB1,SB2) и дистанционного(контроллер СУ1), вынесенного на соответствующий пост управления агрегатами.

Для защиты электропривода от короткого замыкания и перегрузок в силовой цепи питания установлен автоматический выключатель QF и блок теплового реле KK. Защита цепи управления от короткого замыкания осуществляется плавкими вставками FU.

При нажатии на кнопку SB1 получает питание катушка контактора КМ1. Его блок- контакт КМ1.2 шунтирует кнопку SB1, обеспечивая питание катушки по цепи:

«А»;

FU1;

SB2;

блок- контакт KM1.2;

контроллер СУ1;

контакт теплового реле КК;

катушка контактора КМ1;

«N».

В силовой цепи питания электродвигателя замкнётся силовой контакт КМ1-1, обеспечат подключение электродвигателя к сети.

Остановка насосного агрегата осуществляется нажатием кнопки SB2 «СТОП», которая разрывает питание катушки контактора КМ1. Контакты КМ1.1 отключают двигатель от сети. См. «Схема управления насосами».



При прямом пуске основных грузовых насосов марки ЦСП-57 мощностью 55кВт наблюдается недопустимая просадка напряжения.

С целью исключения просадки напряжения принято решение установить устройство плавного пуска электродвигателя, обеспечив, тем самым, ограничение высоких пусковых токов.

3. Разработка схемы управления, автоматики и сигнализации с использованием устройства плавного пуска

Модернизация силовой части электрической сети насосного агрегата предполагает установку устройства плавного пуска электропривода.

Устройства плавного пуска (УПП, устройства мягкого пуска, плавные пускатели, софт-стартеры) предназначены для плавного пуска и остановки асинхронных электродвигателей.

Применение устройств плавного пуска позволяет уменьшить пусковые токи снизить вероятность перегрева двигателя, повысить срок службы двигателя, устранить механические удары в электроприводе и гидравлические удары в трубах в момент пуска и остановки двигателей. Кроме того, УПП обеспечивают оборудование встроенной защитой от короткого замыкания и нарушения чередования фаз.

Так же имеет место улучшение экологичности производства:

снижение шума,

нагрева,

вибрации.

Осуществление плавного пуска любого оборудования, в том числе имеющего тяжёлые пусковые режимы, «номинал в номинал» с существенным ограничением пусковых токов, а, следовательно, снижение механического и электрического износа оборудования, ведёт к сокращению затрат на ремонт и обслуживание оборудования, к сокращению времени простоя и устранение «провалов» в питающей сети.

Поскольку момент, развиваемый электродвигателем пропорционален квадрату приложенного к нему напряжения, то повышая напряжение от минимального до максимального значения, можно плавно запустить и разогнать электродвигатель до номинальных оборотов. Традиционные устройства плавного пуска используют амплитудные методы управления и поэтому справляются с запуском электрооборудования в холостом или слабонагруженном режиме. В отличие от них устройства «ЭнерджиСейвер» используют фазовые методы управления и поэтому способны запускать электроприводы, характеризующиеся тяжёлыми пусковыми режимами «номинал в номинал».

Устройства «ЭнерджиСейвер» позволяют производить запуски чаще, чем традиционные УПП и имеют встроенный режим энергосбережения и коррекции коэффициента мощности.

В базовом исполнении степень защиты устройств IP20, климатическое исполнение У4. Возможно исполнение защиты IP54, климатическое исполнение до тропиков.

.1 Выбор устройства плавного пуска, технические характеристики

Выбор устройства плавного пуска осуществляется по номинальной мощности электропривода (55кВт), из приведенной таблицы 3.1.


Софт-стартер ДМС-100Н 75кВт 104А

Регулировки:

Стартовое напряжение:

Время старта 0-40с;

Время разгона 10-40с;

Максимальное время разгона 0-150с;

Время торможения 0-30с;

Конечное напряжение 0-70% Uвх;

Перегрузка 70-150% Iном;

Ограничение тока при пуске 100-450% Iном;

Защитные характеристики:

• Перегрузка;

• Короткое замыкание;

• Обрыв и дисбаланс фаз;

• Пониженное и повышенное напряжение сети;

• Неправильная последовательность фаз;

• Защита от затянувшегося пуска;

• Перегрев софт-стартера;

Технические характеристики:

Напряжение от 380…415В до 1000В (по спецзаказу)

Частота 50 Гц (±5%)

Выходное напряжение после старта Uвх минус 1В

Мощность потерь P(Вт) = 3 I фазн 1В

Мощность потребления управляющей цепи 20В·А

Управляющее напряжение 220В (+10%-15%)

Изоляция между шасси, силовой цепью и управляющей цепью 2,5кВ

Степень защиты оболочки по ГОСТ 14254-96 IP00

Количество стартов в час при:

максимальной нагрузке от 4 стартов в час;

при различной нагрузке до 60 стартов в час.

Охлаждение:

до 22 (включительно) естественное,

свыше 30кВт принудительное, встроенным вентилятором.

Максимальный ток 10×Iном в течение 0,5с;

4 ×I ном в течение 20с;

3 ×I ном в течение 60с;

1×I ном длительно.

Параллельное подключение нескольких двигателей:

Один софт-стартер способен работать с двумя или большим количеством двигателей, если общий ток не превышает номинальный ток стартера, и каждый двигатель защищен отдельно.

Бай-пасс возможен обход стартера после запуска.

Дополнительные контакты:

. Вращение;

. Окончание разгона;

. Авария.

Окружающая температура 0-50°C.

Все параметры вводятся, клавиатуры все установки отображаются на 32-символьном жидкокристаллическом дисплее.

Состояние работы и неисправности индицируются на четырех светодиодных индикаторах.

Основные технические характеристики ДМС-100Н

Мощность двигателя 55,0кВт

Номинальный ток 104,0А

Напряжение от 380-415В, до 1000В (по спец заказу)

Частота 50Гц (+5%)

Выходное напряжение после старта Uвх-1 В

Мощность потерь P(Bт)=3 x I фазн x 1В

Мощность потребления управляющей цепи около 20Вт

Управляющее напряжение 220 В (+10%-15%)

Стартовое напряжение 0...50% Uвх

Время старта 0...40с

Время разгона 10...40с

Время разгона 20...40с

Максимальное время разгона 0...150с

Энергосбережение 15-100% Uвх

Напряжение торможения уступом 0-100% Uвх

Время торможения уступом 0-20с

Время торможения 0-30с

Конечное напряжение 0-70с Uвх

Перегрузка 70-150% Iном

Ограничение тока при пуске          100-500% I ном/с

Напряжение торможения постоянным током 0-100% Uвх

Время торможения постоянным током 0-20с

Изоляция 2,5кВ между шасси, силовой цепью и управляющей цепью

Степень защиты оболочек IP 00

Количество стартов в час от 4 стартов в час при максимальной нагрузке до 60 стартов в час в зависимости от нагрузки

Охлаждение принудительное встроенным вентилятором

Максимальный ток 10 x Iном в течении 0,5с 4 х Iном в течении 20с 3 х Iном в течении 60с 1 х Iном длительно

Габариты

Длина / Ширина / Высота

мм / 310мм / 285мм

3.2 Установка и подключение УПП


Для проверки работоспособности и начала программирования необходимо подать управляющее напряжение ~220В 50 Гц на клеммы CONTR. VOLTAGE, как показано на рис. 3.1


Загорится индикатор «ВКЛ.» и на дисплее высветится:


3.3 Программирование


.3.1 Пульт управления

Ввод установок софт-стартера допускается производить только при остановленном двигателе.

Все установки констант вводятся с клавиатуры и отображаются на 32-символьном жидкокристаллическом дисплее.

Состояние работы и неисправности индицируются на дисплее и четырех светодиодных индикаторах (рис. 3.2).


.3.2 Последовательность операций при работе с пультом управления

Выход в меню из любого состояния софт-стартера осуществляется нажатием клавиши “РЕЖИМ”.

Переключение между пунктами меню осуществляется нажатием клавиши “+” или “-”.

Чтобы войти в любой пункт меню необходимо нажать клавишу “ВВОД”.

Для того чтобы изменить более чем один параметр, после установки значения параметра нажмите кнопку “ПАРАМЕТР” и затем кнопкой “+” или “-“ выберите следующий параметр. После установки всех необходимых параметров войдите в режим “Сохранение параметров” и сохраните измененные установки.

Перечень режимов пульта управления.

Основное меню софт-стартера содержит следующие пункты (режимы пульта управления):


Режим “Просмотр настроек” - Просмотр параметров настройки.

В этом режиме, возможно, только просматривать параметры режима “Настройка” без изменения их значений.

Режим “Резерв”. Этот режим в данной модели софт-стартера не используется.

Режим “Настройка”. Этот режим является основным при подготовке софт-стартера к эксплуатации. Список параметров этого режима, их значение, диапазон и заводские установки представлены в табл.3.2, а диаграмма выходного напряжения на рис 8.

Таблица 3.2 - Диапазон параметров

Название параметра

Назначение

Диапазон значений

Заводская Установка

 

1

2

3

4

 

Нanp. сmapm-1

Стартовое напряжение

0 - 50% Uвх

10% Uвх

 

Bpeм сmapm нanp

Время стартового напряжения

0 - 40 с

0 с

 

Bpeмя nycкa-1

0 - 40 с

5 с

 

Maкc. вpeмя nycкa

Максимальное время разгона

0 - 150 с

20 с

 

Вpeм. останова

Время торможения

0 - 30 с

5 с

 

Напр. при ост

Напряжение при останове

0 - 70% Uвх

40% Uвх

 

Ток пер. -стоп

Перегрузка

70-150% номинального тока

120% номинального тока

 

 

Ток пуск.-1

Ограничение стартового тока

100-450% номинального тока

300% номинального тока



3.3.3 Настройка УПП

Для большинства случаев применения необходимо устанавливать только два параметра режима «Настройка»: Время пуска-1 и Ток пуск.-1

В табл. 3.3 приведен пример установки параметра Ток пуск.-1 равным значению 320% от I ном.

Таблица 3.3 - Настройка параметров

№ п/п

Действие

Дисплей

1

Подайте напряжение источника управления


2

Нажмите клавишу «РЕЖИМ»


3

Нажимайте клавишу «+» или «-» до появления на дисплее:

Hacmpойка

4

Нажмите «ВВОД»

Hacmpойка napaмemp: + /

5

Нажимайте клавишу «+» или «-» до появления на дисплее желаемого параметра

Ток пуск.-1=300%_I Hoм.

6

Нажмите «ВВОД»

Ток пуск.-1= 300% I Hoм.

7

Нажимайте клавишу «+» до появления значения 320%

Ток пуск.-1= 320% I Hoм.

8

Нажмите клавишу «РЕЖИМ»


9

Нажимайте клавишу «+» или «-» до появления на дисплее:

Для сoxpaн нажми “Bвoд”

10

Нажмите «Ввод»

Coxpaнeнue парам


Выбор значений параметров Время пуска-1 и Ток пуск.-1 осуществляется экспериментально, в зависимости от нагрузки и условий работы электропривода по следующей методике:

Установить значение параметра Время пуска-1 такое, которое приемлемо по тех. процессу (Диапазон изменения параметра - 0¸20 сек.). При дальнейшей настройке возможна корректировка значения.

Установить значение параметра Ток пуск.-1 начиная с минимального значения, при котором происходит гарантированный запуск двигателя, в том числе при пониженном напряжении питающей сети (380В - 15%). (Диапазон изменения параметра - 100¸450% I ном.).

Когда электродвигатель наберет полную скорость, софт-стартер будет осуществлять вращение с полным напряжением.

Примечания:

·        Если в процессе запуска появляется сообщение «Прод старт» (Затянувшийся пуск) - увеличивайте значение параметров Ток пуск.-1 или Maкc. вpeмя пycкa.

·        Необходимо устанавливать значение параметра Maкc. вpeмя пycкa на 40-60% больше, чем реальное время пуска.

3.3.4 Специальные функции

В режиме “Спец. функции” существует возможность изменять 7 параметров режима «Специальные функции».

Все параметры режима «Специальные функции» установлены оптимальными и, изменять их для большинства случаев нет необходимости.

Список всех параметров этого режима и их значения представлены в табл. 3.4.

Таблица 3.4 - Параметры режима «Специальные функции»

Параметр на дисплее

Значение

Pulse-Cmapm (бросок момента)

Omк (выключено) /Bк (включено)

Чередование фаз. (последовательность фаз)

L1-L2-L3 / L2-L1-L3

3aдep защ от nep(задержка защиты от перегрузки)

< 5 Muн (медленная) < 2 Muн (быстрая)

Bpeм. множитель(временной множитель)

Omк (выключено) /Bк (включено)

Задер проп напр(задержка пропадания напряжения)

2 сек.-Авар. (Стоп через 2 сек.) /перезапуск (автом. перезапуск)

Огран роста тока(ограничение нарастания тока)

Omк (выключено) /Bк (включено)


Пояснения к таблице 3.4:Cmapm: При включении этой функции на двигатель кратковременно подается небольшое напряжение для создания момента трогания.

Чередование фаз: Последовательность фаз, устанавливается такой же порядок фаз, как у питающей сети. (Прямой порядок - L1-L2-L3 , обратный порядок - L2-L1-L3).

адержка защиты от перегрузки: Происходит отключение двигателя через установленное время (5 минут или 2 минуты), при нагрузке двигателя, превышающей значение, установленное в режиме «Настройка» параметром Ток пер. - стоп. Рис. 3.4


Bpeменной множитель. При включении этой функции все временные уставки режима «Настройка» увеличиваются в 2 раза.

Задержка пропадания напряжения: Работа Софт-стартера при пропадании силового напряжения ~380В 3Ф и вращающемся двигателе иллюстрируется таблицей 3.5. Подача напряжение управления ~220В 1 Ф не прерывается.

Таблица 3.5 - Аварийная работа Софт- стартера

Установка функции Задержка пропадания напряжения

Пропадание силового напряжения ~380 В и восстановление в течение времени £ 2 с

Пропадание силового напряжения ~380 В и восстановление в течение времени ³ 2 с

2-х проводное управление

Перезапуск

Силовое напряжение на выходе Софт-стартера восстанавливается скачком до номинального уровня

Производится автоматический перезапуск (плавный старт двигателя)


2 с Авария

Силовое напряжение на выходе Софт-стартера восстанавливается скачком до номинального уровня

Перезапуск не производится. Загорается индикатор «Ошибка», на дисплее - «Нет входного напряжения».

3-х проводное управление

Перезапуск

Силовое напряжение на выходе Софт-стартера восстанавливается скачком до номинального уровня

Перезапуск двигателя можно произвести вручную повторной командой ПУСК


2 с Авария

Силовое напряжение на выходе Софт-стартера восстанавливается скачком до номинального уровня

Перезапуск не производится. Загорается индикатор «Ошибка», на дисплее - «Нет входного напряжения».


Обратная связь по напряжению. Эта функция используется для повышения устойчивости в работе софт-стартера.

Ограничение нарастания тока. Эта функция используется для ограничения нарастания тока в двигателе при питании софт-стартера от генератора.

Пример изменения параметров в режиме “Спец. функции”. Требуется изменить параметр “ Чередование фаз”:


Режим «Сохранение парам» - Сохранение параметров.

При изменении значения любой константы при заходе в этот режим на дисплее появляется надпись:

Нажмите клавишу “ВВОД” и все новые значения констант будут автоматически сохранены.

Режим “Индикация аварии”. В этом режиме автоматически индицируются аварийные ситуации, возникшие при эксплуатации софт-стартера. Если аварии нет, на дисплее появится:


При нажатии клавиши «-» произойдет перезапуск контроллера, при нажатии клавиши «РЕЖИМ» выход в основное меню.

 

4. Разработка схемы управления, автоматики и сигнализации насосными агрегатами

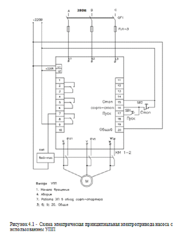
На рисунке 4.1 представлена схема электрическая принципиальная управления электродвигателем грузового насоса с применением устройства плавного пуска электродвигателя.

Питание УПП осуществляется от сети напряжением 220В подаваемого на клеммы питания L1 и L2.

Пуск электропривода осуществляется нажатием кнопки SB1. УПП по заданной программе произведёт пуск электропривода с ограничением пускового тока. По окончании разгона сработает контакт реле УПП (выходы 7,8,9), получит питание катушка контактора КМ1 (бай-пас), обеспечив работу электропривода в обход УПП замыканием группы силовых контактов КМ1-2, исключая его внутреннее сопротивление тиристоров.

Остановка электродвигателя производится нажатием кнопки SB2 «стоп».

Выходы реле 1,2,3 обеспечивают сигнализацию вращения ротора;

,5,6 - авария работы УПП.

В схеме предусмотрена защита от коротких замыканий плавкой вставкой FU, и от перегрузок автоматическим воздушным выключателем QF1.


5. Разработка монтажной схемы электрической щитовой и пультов управления насосами

На рисунке 5.1 представлена схема размещения постов управления, щитов и прокладки кабелей.

·        ПУ-1 -кнопочный пост управления основными насосными агрегатами ЦСП-57, мощностью 55кВт и насосом заполнения нефтепровода СЦЛ20-24, мощностью 21,5кВт.

·        ПУ-2 - кнопочный пост управления насосом для перекачки вязких нефтепродуктов МВН-10, вакуумным насосом ВВН 1-6 и пожарным насосом К45-50.

·        1Щ - щит управления и контроля за работой электрооборудования насосной станции.

Электроснабжение насосной станции осуществляется от береговой трансформаторной подстанции через ЛЭП, протяженностью 1,5км. На вводе предусмотрен рубильник, для снятия напряжения с автомата ввода, размещённого на щите 1Щ.

Для контроля напряжения и тока на щите 1Щ установлены приборы.

Прокладка кабелей к электродвигателям выполнена по кабельным конструкциям и в трубах по полу.



. Расчёт характеристик насосной установки и её электропривода

Расчет характеристик производиться наиболее мощного электропривода, так как его пуск вызывает недопустимые провалы напряжения в цепи.

Построение характеристик производиться графическим методом. По параметрам электродвигателя и насоса строятся зависимости моментов от угловой частоты вращения:

M=f(n),

Mc=f(n).

Электродвигатель: ВАО - 82 2 У 2

Мощность: 55кВт;

Частота вращения: 308 рад/сек;

Ток номинальный: 104А;

Насос центробежный: СЦП 57;

Производительность, Q:90м³/час;

Напор, Н: 70м.в.с.





Формулы для расчета характеристик электропривода:

.         Определение критического скольжения:

;

2.       Угловая частота вращения:

, рад/сек;

3.       Зависимость скольжения от частоты:

;

4.       Формула Клосса:

, Н м;

5.       Критический момент:

, Н м;

Для расчёта статической характеристики насоса:

Номинальная мощность насоса:

, кВт;

7. Моделирование переходных процессов в MatLab

Построение переходных процессов осуществлялось в программе MatLab, приложение SimPowerSystems и Simmulink. В качестве асинхронного электропривода взят блок Asynchronous Machine, с короткозамкнутым ротором.

Блок Asynchronous Machine моделирует асинхронную электрическую машину в двигательном режиме. Порты модели А, В и С являются выводами статорной обмотки машины. Порт Тm Предназначен для подачи для подачи момента сопротивления движению. На выходном порту m формируется векторный сигнал, состоящий из 21 элемента: токов, потоков и напряжений ротора и статора в неподвижной и вращающейся системах координат, электромагнитного момента, угловой частоты вращения вала, а так же его углового положения. Для удобства извлечения переменных машины из вектора в библиотеке SimPowerSystems предусмотрен блок Machines Measurement Demux. Модель асинхронной машины включает в себя модель электрической части, представленной моделью пространства состояний четвёртого порядка, и модель механической части в виде системы второго порядка. Все параметры асинхронной машины устанавливаются в окне задания параметров (рис 7.1).

Для получения плавного запуска электродвигателя с помощью блока Signal Builder - конструктор сигналов, задаем требуемую интенсивность нарастания напряжения питания асинхронной машины.

Промоделировав модель (рис 7.2), получаем графики переходного процесса изменения частоты и тока статора во времени (рис 7.3)

Следует отметить, что время разгона и величина пускового тока задается искусственно, и для получения требуемых величин необходимо перепрограммирование модуля устройства плавного пуска.





. Экономическая часть проекта

.1 Расчёт затрат на модернизацию и определение стоимости объекта после модернизации

Модернизация электрической части насосной станции предусматривает проведение небольшого объема реконструктивных работ, направленных на совершенствование электрической силовой части и схемы управления основных грузовых насосов.

Стоимость объекта после модернизации определяется:


где балансовая стоимость до модернизации, руб.;

затраты на модернизацию, руб.;


где  измеритель расходов на единицу трудоёмкости, равный 2,0 - 2,5руб./чел;

 трудоёмкость работ по модернизации, чел. - час;

 стоимость вновь устанавливаемого оборудования, получаемого по контрагентским поставкам, руб.;

стоимость основных материалов и полуфабрикатов, требующихся для изготовления отдельных узлов, руб.;

 коэффициент, учитывающий затраты на подготовительные и сдаточные работы, вспомогательные материалы, транспортно - заготовительные, специальные, внепроизводственные расходы и накопления;

 коэффициент, учитывающий районные условия проведения модернизации для конкретного бассейна, принимается равным 1.6-1.8;

 выручка от реализации снимаемого оборудования и металлолома, руб.;

Стоимость контрагентских поставок и основных материалов устанавливается прейскурантом оптовых цен с учетом конкретных потребностей, и сводиться в таблицу 8.1.

Таблица 8.1 - Стоимость оборудования и услуг

Наименование устанавливаемого оборудования и основных материалов

Марка

Количество, ед

Стоимость с НДС, руб.

1

Устройство плавного пуска

ДМС-100Н

1

41085

2

Щит электромонтажный

ЩПМ-4

1

3060

6

Прочее оборудование



20000

Итого, стоимость всего оборудования

64145


.2 Определение объёма выработки продукции до и после модернизации

Объем выработки продукции нефтеперекачивающей плавучей насосной станции напрямую зависит от вместимости резервуаров для хранения нефтепродукта, необходимого для обеспечения топливом Игарского порта. Объем резервуаров позволяет хранить 5000 тонн нефтепродукта. До и после проведения работ по модернизации объём выработки не изменяется.

До модернизации за время работы перекачивающей насосной станции наблюдаются систематические отказы оборудования, вследствие тяжелых пусковых режимов насосных агрегатов. Затраты на ремонт оборудования составляют значительную часть расходов на обеспечение работоспособности оборудования плавучей станции.

.3 Расчёт расходов по содержанию объекта в эксплуатации до и после модернизации

По данному объекту до и после модернизации, действующему в одинаковых условиях эксплуатации, рассчитываются годовые текущие расходы по содержанию его в работе. Под одинаковыми условиями работы предполагается функционирование объекта в «старом» и «новом» - модернизированном виде в том же водном бассейне, на том же участке движения, в подчинении и составе того же производственного предприятия.

Расчет выполняется с учетом всех особенностей для данного объекта.

Эксплуатационные расходы складываются из следующих статей:

 заработная плата экипажа основная и дополнительная за эксплуатационный период и период технического вооружения и разоружения судна;

 отчисления за социальное страхование;

 район коллективного питания;

 зимний отстой;

 топливо и смазочные материалы;

 материалы и износ малоценных предметов и быстроизнашивающегося инвентаря;

 амортизация;

 текущий ремонт;

 прочие прямые расходы;


.3.1 Расходы на заработную плату обслуживающего персонала насосной станции


где  коэффициент, учитывающий дополнительную заработную плату; 1,15;

 коэффициент учета доплат за классность и временных надбавок и выплат, 1,26;

 коэффициент для учета доплаты за выслугу лет, 1,2;

 районный коэффициент по заработной плате, 1,82;

 коэффициент учета доплат за ночные вахты, 1,5;

 сумма месячных должностных окладов судового экипажа с постоянными надбавками и доплатами. Расчет представлен в виде таблицы 8.2.

Таблица 8.2 - Расчет месячных должностных окладов

должность

Штат Чел.

Месячный должностной оклад по первому тарифному поясу, руб.

Постоянные надбавки

Месячный должностной оклад с учетом постоянных надбавок, руб.

Сумма месячных должностных окладов команды с учетом постоянных надбавок, руб.




%

Руб.



1

2

3

4

5

6

7

Старший шкипер

1

10200

240

24400

34600

34600

Пом. Ст. шкипера

1

9300

200

18600

27900

27900

Матрос

1

8800

180

15840

24600

49200

Итого






111700


Надбавки и доплаты к должностному окладу устанавливаются:

а) командному составу за выполнение особо важной работы за время её выполнения - до 50%;

б) наиболее квалифицированным работникам рядового состава за высокое профессиональное мастерство - до 10%;

в) электротехникам и помощникам механика по электрооборудованию - до 20%;

г) за выполнение обязанностей по обслуживанию средств связи одним из членов экипажа - до 30% должностного оклада радиооператора третьего класса.

Все перечисленные надбавки и доплаты не являются постоянными, и выплачиваются за фактическое время работы в соответствующих условиях.

продолжительность эксплуатационного периода, 121сут.;

норма времени на техническое вооружение и разоружение, 15сут.;

количество оплачиваемых дней отгула за работу сверхустановленной продолжительности рабочей недели, 25сут.;

,6 - среднее число календарных дней в одном месяце эксплуатационного периода;

,4 - среднее число рабочих дней в одном месяце.


8.3.2 Отчисление на социальное страхование

Установлены для речного транспорта в размере 10% от заработной платы и премий из фондов экономического стимулирования (ФЭС):


где коэффициент, учитывающий увеличение фонда заработной платы за счет премий из ФМП, 1,268.

.3.3 Расходы на материалы и износ малоценных предметов и быстроизнашивающегося инвентаря

Определяется по нормативам пароходства или ориентировочно в размере 0,2% от строительной стоимости судна:

,

где стоимость перекачивающей станции, руб.

;

.

.3.4 Амортизационные отчисления

Рассчитываются по нормам амортизации:


где  - общая норма амортизационных отчислений по рассматриваемому типу судна в процентах от его стоимости;

 - коэффициент, учитывающий амортизацию ценного судового инвентаря, = 1,03.

,

.

.3.5 Расходы на текущий ремонт плавучей перекачивающей насосной станции

Определяется по укрупнённому нормативу в процентах от его строительной стоимости:

,

где  средний, укрепленный норматив на текущий ремонт рассматриваемого объекта в процентах от его стоимости:

,

.

.3.6 Прочие прямые расходы

Составляют 1,5% от суммы затрат по предыдущим статьям:


где расходы по предыдущим статьям.

Результаты расчета эксплуатационных расходов по содержанию перекачивающей насосной станции сводиться в таблицу 8.3.

Таблица 8.3 - Расходы по содержанию объекта

Статья расходов

Расходы по содержанию объекта в эксплуатации, руб.


Объект до модернизации

Объект после модернизации

1

2

3

Заработная плата

2801874

2801874

Социальное страхование

355277

355277

Износ малоценного имущества и инвентаря

4860

3740

Амортизационные отчисления

121500

99733

Текущий ремонт

363000

22400

Прочие расходы

610562

48872

Итого:

4131462

3307003


После модернизации электрической части объекта уменьшаются расходы на запасные части и особенно на текущий ремонт электрооборудования, так как повышается надёжность, долговечность узлов электрической системы и увеличен её срок безремонтной службы.

.4 Определение срока окупаемости перекачивающей насосной станции

Срок окупаемости можно определить из следующего выражения:

;

 - затраты на содержание объекта до модернизации, руб.;

 - затраты на содержание объекта после модернизации, руб.

При принятии решения о целесообразности установки устройства плавного пуска следует учитывать дополнительные и положительные факторы:

·        При прямом пуске насосов, а также при остановке, часто возникают ударные волны в трубопроводах. Тиристорное пусковое устройство предотвращает подобные явления, плавно запуская и плавно останавливая двигатель.

·        Устройство плавного пуска облегчает режимы работы насосов и линии питания объекта, благодаря чему увеличивается срок службы механического и электрического оборудования.

Несмотря на немалую стоимость современных УПП, окупаемость вложенных средств за счёт экономии ресурсов не превышает пяти лет. Это вполне реальные сроки, учитывая многолетний жизненный ресурс подобной техники.

Таблица 8.4 - технико-экономические показатели

Показатели

Единицы измерения

варианты



до модернизации

после модернизации

1

2

3

4

Стоимость объекта

тыс. руб.

2430

2493,4

Затраты на модернизацию

тыс. руб.

-

89,754

Расходы на заработную плату персонала

тыс. руб.

2801,87

2801,87

Отчисление на социальное страхование

тыс. руб.

355,277

355,277

Расходы на материалы и инвентарь

тыс. руб.

4,86

3,74

Амортизационные отчисления

тыс. руб.

121,5

99,73

Расходы на текущий ремонт

тыс. руб.

363,0

22,44

Прочие расходы

тыс. руб.

61,06

48,8

Общие затраты по содержанию объекта в эксплуатации за год

тыс. руб.

4131,5

3307,01

Срок окупаемости затрат на модернизацию

лет


3,02


9. Техника безопасности. Вопросы взрывобезопасности насосной станции

.1 Общие положения техники безопасности при грузовых работах

Правила по технике безопасности при выполнении грузовых операций на нефтеперекачивающих станциях предусматривают следующее:

Изучение всеми поступающими на работу на флот, работающий с нефтью Правил по технике безопасности и проведение инструктажа при приёме на работу с последующей проверкой знаний.

Обязательное медицинское освидетельствование по погрузке-выгрузке: Этиловых нефтегрузов и нефтегрузов I и II классов - через 6 месяцев; всех других нефтепродуктов - ежегодно перед открытием навигации.

Исправное действие устройств для подъема и спуска приёмных и зачистных шлангов и труб.

Надёжную вентиляцию насосных отделений, обеспечивающую разницу температуры по сравнению с наружной не более 8 градусов при краткости обмена воздуха не менее 35-40 (при перекачки этилированных нефтепродуктов - не менее 50).

Наличие в насосном отделении необходимого количества дегазирующего материала (хлорной извести, керосина) при перекачке этилированного бензина.

Устройства настила в насосном отделении, обеспечивающего сток продуктов дегазации (керосина, воды, хлорной извести).

Освещенность насосного помещения не менее 30лк.

Покрытие стен и потолков насосных отделений материалами, не допускающими впитывания паров нефтепродукта и тетраэтилсвинца.

Похожие работы на - Модернизация силовой электрической части плавучей перекачивающей насосной станции

 

Не нашли материал для своей работы?
Поможем написать уникальную работу
Без плагиата!
Без нейросетей!