Электроснабжение электрооборудования ТП-82 13 микрорайона г. Братска

  • Вид работы:
    Дипломная (ВКР)
  • Предмет:
    Физика
  • Язык:
    Русский
    ,
    Формат файла:
    MS Word
    139,15 Кб
  • Опубликовано:
    2015-08-01
Вы можете узнать стоимость помощи в написании студенческой работы.
Помощь в написании работы, которую точно примут!

Электроснабжение электрооборудования ТП-82 13 микрорайона г. Братска

Государственное бюджетное профессиональное образовательное учреждение Иркутской области

«Братский политехнический колледж»

(ГБПОУ ИО БрПК)









Специальность: 270843 Монтаж, наладка и эксплуатация электрооборудования промышленных и гражданских зданий

ДИПЛОМНАЯ РАБОТА

Электроснабжение электрооборудования ТП-82 13 микрорайона г. Братска

Пояснительная записка








Братск 2015

Содержание

Введение

. Общая характеристика предприятия

.1 Описание предприятия ЗАО «Братская электросетевая компания»

.2 Структура энергоснабжаемого микрорайона

.3 Охрана труда и техника безопасности при производстве работ

. Расчёт нагрузок и электрооборудования микрорайона

.1 Расчёт максимальных нагрузок микрорайона №13 ТП-82

.2 Построение графика нагрузок микрорайона №13

.3 Выбор числа и мощности силовых трансформаторов

.4 Расчёт токов короткого замыкания

.5 Выбор токоведущих частей и коммутационно-защитной аппаратуры

.6 Расчёт калькуляции на ремонт электрооборудования

Заключение

Список использованных источников

Приложение А Графики нагрузок

Введение

В данной дипломной работе разрабатывается система электроснабжения и электрооборудование ТП-82 13 микрорайона г. Братска.

Электрическая сеть - это совокупность устройств, которые служат для передачи и распределения электроэнергии от ее источников к электроприемникам. Источниками электроэнергии в энергосистеме являются тепловые, гидравлические, атомные и другие электростанции, независимо от места их размещения.

Электрическая подстанция - это электроустановка или совокупность устройств для преобразования напряжения (трансформаторная подстанция), а также для распределения электрической энергии между потребителями.

Электроснабжение - это совокупность мероприятий по обеспечению электроэнергией различных ее потребителей.

Система электроснабжения - это совокупность электроустановок, электрических станций, электрических сетей (включая подстанции и линии электропередачи различных типов и напряжений) и приемников электроэнергии, соединенных между собой и связанных общностью режима в непрерывном процессе производства, преобразования, распределения и потребления электрической энергии.

Цель дипломной работы: рассчитать систему электроснабжения и электрооборудование ТП-82 13 микрорайона г. Братска.

Задачи:

описать предприятие ЗАО «Братская электросетевая компания»;

выполнить структуру энергоснабжаемого микрорайона;

рассказать об охране труда и технике безопасности при производ-

стве работ;

рассчитать максимальные нагрузки микрорайона №13;

построить графики нагрузок микрорайона №13;

выбрать число и мощность силовых трансформаторов;

рассчитать токи короткого замыкания;

выбрать токоведущие части и коммутационно-защитную аппаратуру;

рассчитать калькуляцию на ремонт электрооборудования.

К основным составляющим системы энергообеспечения современного города относятся источники питания, электрические подстанции, питающие и распределительные электрические сети.

Необходимость в создании такой системы диктуется новыми требованиями к ней по надёжности с учетом электробезопасности и способности обеспечивать потребителей необходимым количеством электроэнергии. Надежность питания в основном зависит от принятой схемы электроснабжения, степени резервирования отдельных групп электроприемников, а также от надежной работы элементов системы электроснабжения.

В настоящее время в результате развития прогрессивных технологий и инфраструктуры города увеличивается плотность строительства многоквартирных домов, общественных зданий, государственных учреждений, растут удельные мощности электроприемников. Все эти изменения приводят к необходимости использования нового оборудования на подстанциях и в распределительных сетях.

При проектировании электроснабжения данного микрорайона выделяются основные задачи, для решения которых требуется комплексный подход к выбору схемы электроснабжения, технико-экономическое обоснование решений, определение внутренних и внешних сетей микрорайона.

Обзор списка литературных источников:

ПУЭ - правила устройства электроустановок. Нормативный документ, описывающий устройство, принцип построения, особые требования к отдельным системам, их элементам, узлам и коммуникациям электроустановок.

Липкин Б.Ю. Электроснабжение промышленных предприятий и установок. Учебник для техникумов, третье издание, 2010 г. - 37с. В данном учебнике даны сведения об электрических станциях и энергетических системах; описано основное электрооборудование станций и подстанций; рассмотрены электрические нагрузки промышленных предприятий, режимы работы и вопросы компенсации реактивной мощности электроустановок.

Сибикин Ю.Д. Электроснабжение промышленных предприятий и гражданских зданий, учебник для студентов среднего профессионального образования М. Академия 2010 г. - 368с. В этом учебнике приведены сведения о системах электроснабжения, даны методические рекомендации по выбору их параметров. Описано электрооборудование электростанций и подстанций, промышленных предприятий и гражданских зданий. Рассмотрена конструкция распределительных устройств, релейной защиты и автоматики.

Идельчик В.И. «Электрические системы и сети», - М. Энергоатомиздат, 2010 г. Здесь описаны элементы электрических сетей и инженерные методы расчёта их режимов. Даны сведения о рабочих режимах электроэнергетических систем и мероприятиях по повышению качества электроэнергии. Рассмотрены технико-экономические основы проектирования электрических сетей, режимы ЛЭП сверхвысоких напряжений и расчёты линий на механическую прочность.

Воздушные линии электропередачи. Монтаж и эксплуатация кабелей

[Электронный ресурс] #"872256.files/image001.gif">, (12)

Kз.авар = , (13)

где:

Kз. норм, Kз.авар - коэффициент загрузки трансформатора в нормальном и аварийном режиме;

Sр.тп - потребляемая расчетная полная мощность ТП, 999,8 кВА;

Sтр.ном - номинальная мощность трансформатора, 1000 кВА.

nтр - количество трансформаторов, шт.

Kз. норм =  = 0,5;

Kз.авар =  = 1.

Оптимальный коэффициент загрузки трансформатора в нормальном режиме составляет 0,7 (70%) ,в данном расчете подабрали трансформатор ТСЗ 1000/10, который будет потдерживать загрузку на 0,5 (50%) в нормальных условиях. В аварийном режиме Кз не должен превышать 1,4 (140%). Для выбранного трансформатора Кз аварийное равен 1. То есть трансформатор подобран верно.

Рассчитываем потребляемую расчетную нагрузку ТП-82.

Паспортные данные трансформаторов ТП-82 находятся в таблице 8

Таблица 8 - Паспортные данные трансформатора ТП-82

Марка трансформатора

Uкз %

Напряже- ние, кВ

Потери, кВт

Ixx %



ВН

НН

∆Pкз кВт

∆Pxx кВт


ТМ-1000/10/0,4

5,5

10

0,4

11,2

3,0

1,5


.4 Расчёт токов короткого замыкания

Расчетным видом КЗ для выбора и проверки параметров электрооборудования обычно считают трехфазное КЗ.

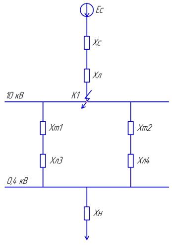
Для расчетов токов КЗ составим расчетную схему электроснабжения микрорайона и на её основе изобразим схему замещения.

Расчет токов КЗ производим в именованных единицах. При расчете в именованных единицах все величины сравниваются с базисными, в качестве которых принимаются базисная мощность Sб и базисное напряжение Uб.

Принимаем Sб = 100 мВА. В качестве базисного напряжения принимаем среднее значение напряжения той ступени, на которой имеет место короткое замыкание. Для точки К1 - Uб = 10,5 кВ, а для точки К2 - Uб = 0,4 кВ.

Рассчитываем базисный ток в точках К1 и К2

б = , (20)

где:

Sб - полная базисная мощность, мВА;

Uб - базисное напряжение, кВ.

Iб =  =  = 5,5 кА;

Iб =  =  = 144 кА.

Расчет токов короткого замыкания на высокой стороне для точки К1

Определяем сопротивления элементов схемы замещения в именованных единицах.

Для определения точки К1, сопротивления элементов цепи сворачиваем к точке К1 для определения Xрасч принимаем что сопротивление системы равно нулю.

Определяем индуктивное сопротивление кабельной линии

л = X0 * L *  , (21)

где:

L - длина кабельной линии 2 км, от подстанции, км;

X0 - индуктивное сопротивление кабеля на ААБ - 3Х95, Ом/м; (принимаем равным 0,08 по таблице 3.1 из учебника Рожкова «Электрооборудование электрических станций и подстанций»).

Xл = 0,08 * 0,2 *  = 0,152 Ом.

Рассчитываем базисный ток от системы

б = , (22)

где:

Uб - базисное напряжение, кВ;

Sс - номинальная полная мощность системы, (принимаем 100 мВА).

Iб =  = = 5,5 кА.

Рассчитываем сверхпереходный ток КЗ

= I = , (23)

где: - сверхпереходный ток КЗ, кА;

I - установившийся ток короткого замыкания, кА.

I =  = 3,618 кА.

Рассчитываем ударное значение тока КЗ

iуд = Kуд *  * I, (24)

где:

Kуд - ударный коэффициент, зависящий от апериодической составляющей Ta (принимаем по табл. 4.5 [Рубашов], Куд = 1,369).

iуд = 1,369 * 1,41 * 3,618 = 6,983 кА.

Определяем результирующее индуктивное сопротивление

рез = Xс + Xл, (25)

где:

Xс - индуктивное сопротивление системы;

Xл - индуктивное сопротивление кабельной линии.

Xрез = 0 + 0,152 = 0,152 Ом.

Расчет токов короткого замыкания на низкой стороне для точки К2

При расчетах токов короткого замыкания в схему замещения включают сопротивление активное и индуктивное трансформатора, сопротивление шинопроводов, обмоток трансформатора тока, разъединителя, автоматических выключателей, переходных сопротивлений контактов. Сопротивления складывают к точке К2.

Рассчитываем индуктивное сопротивление трансформаторов

т =  *  , (26)

где:

Uкз - напряжение короткого замыкания, %;

Sтр.ном - номинальная полная мощность трансформатора, мBА.

 =  *  = 0,105 * 976,56 = 102,53 Ом.

Определяем индуктивное сопротивление кабельной линии

л = X0 * L * , (27)

где:

L - длина кабельной линии 2 км от подстанции, км;

X0 - индуктивное сопротивление кабеля на ААБ - 3 Х 95 Ом/м; (принимаем равным 0,08 по таблице 3.1 из учебника Рожкова «Электрооборудование электрических станций и подстанций»).

 = 0,08 * 0,2 *  = 0,016 * 250 = 4 Ом.

Рассчитываем индуктивное сопротивление нагрузки

 =  *  , (28)

где:

X0 - индуктивное сопротивление кабеля на ААБ - 3 Х 95, Ом/м; (принимаем равным 0,08 по таблице 3.1 из учебника Рожкова «Электрооборудование электрических станций и подстанций»).

 - полная расчетная максимальная нагрузка ТП, кВА.

 = 0,08 *  = 0,019 Ом.

Сопротивления трансформатора считается по формуле:

 =  , (29)

 =  =  = 9,68 мОм.

 =  , (30)

 =  =  = 52,5 мОм.

 =  , (31)

 =  = 51,59 мОм.

Находим ток номинальный всей нагрузки по формуле:

 = , (32)

где:

 - номинальная полная мощность трансформатора, кВА.

 =  = 462,42 А.

Выбираем трансформатор тока коэффициент трансформации 200, ТК 20-600/5 три трансформатора тока по фазам.

 - активное сопротивление трансформатора тока (справочная данная);

 - индуктивное сопротивление трансформатора тока (справочная данная).

Выбираем шинопровод по  и проверяем на динамическую стойкость и на ударный коэффициент.

Шины Ш алюминиевые сечением 80Х8, L = 8 м, выбираем по справочнику.

Сопротивление шин принимаем равным: r0 = 0,055 мОм/м; Х0 = 0,145 мОм/м.

 = r0 * L, (33)

 = 0,055 * 8 = 0,44 мОм;

 = Х0 * L, (34)

 = 0,145 * 8 = 1,16 мОм.

Активное сопротивление считается по формуле:

 =  +  +  +  +  +  , (35)

где:

 - активное сопротивление, мОм.

 = 9,68 + 0,44 + 0,3 + 0,11 + 0,23 + 0,02 = 10,78 мОм.

Индуктивное сопротивление считается по формуле:

 =  +  +  + +  , (36)

где:

 - индуктивное сопротивление, мОм.

 = 51,59 + 1,16 + 4 + 0,093 + 0,02 = 56,83 мОм.

Полные сопротивления активное и индуктивное считаем по формуле:

 = , (37)

где:

,  - активное и индуктивное сопротивление, мОм.

 =  = 8,22 мОм.

Складываем трансформаторы с нагрузкой, для удобного расчета короткого замыкания в точке К2 со стороны нагрузки по формуле:

=  + , (38)

где:

 ,  - индуктивное сопротивление трансформатора и нагрузки, Ом;

= 51,59 + 19 = 70,59 мОм.

Рассчитываем токи короткого замыкания со стороны нагрузки

Рассчитываем сверхпереходный ток КЗ

I = I = , (39)

где:

I - сверхпереходный ток КЗ, кА;

I - установившийся ток короткого замыкания, кА.

I = I =  = 2,03 кА.

Рассчитываем ударное значение тока КЗ

 =  *  * , (40)

где:

Kуд - ударный коэффициент, зависящий от апериодической составляющей Ta, (принимаем по табл. 4.5 [Рубашов], Куд = 1,369).

 = 1,369 * 1,41 * 2,03 = 3,91 кА.

Схемы замещения для точек К1 и К2 (смотреть в приложении А).

Таблица 10 - Результаты расчетов токов короткого замыкания

Точка КЗ

Полное сопротивление, Z

Сверхпереходный ток КЗ, I

Ударное значение тока КЗ, Iуд

К1

__

3,618

6,983

К2

8,22

2,03

3,91


.5 Выбор токоведущих частей и коммутационно-защитной аппаратуры

Проверка сечения кабельных линий

Кабели от ТП-20 к ВРУ, с целью бесперебойности питания, проложены как две параллельные кабельные линии, с расстоянием между ними 100 мм. По экономической плотности тока кабели к одиночным потребителям не выбираются.

Кабели необходимо проверять по допустимому току нагрева в нормальном и аварийном режимах.

Расчетное напряжение кабельной линии по формуле «Стилла»

Uрасч = 4, 34 *, (41)

где:

Uрасч - расчётное напряжение линии, кВ;

L - длина кабельных линий, (принимаем L = 2,070 км);

Рmax - максимальная нагрузка жилых и общественных зданий, мВт;

n - количество цепей в линии, (принимаем n = 2).

Uрасч = 4, 34 * = 9,65 кВ.

Приводим расчетное напряжение Uрасч = 9,65 кВ к ближайшему стандартному номинальному Uном = 10 кВ.

Выбранное сечение необходимо проверить по согласованию с действием защиты

Iдоп ≥ Kзащ * Iзащ, (42)

где:

Kзащ - коэффициент защиты, определяется характером помещения, видом защит и типом проводника (принимаем Kзащ = 1);

Iзащ - номинальный ток защитного аппарата, А;

Iном. пр - номинальнй ток предохранителя, А.

Iзащ = Iном. пр = 250 А - для жилых зданий; Iзащ = Iном.пр = 100 А - для общественных зданий.

Проверка выбранного сечения по потере напряжения не производится, так как длина кабельных линий менее 400 м.

Рассчитываем ток кабельных линий в нормальном режиме

р = , (43)

где:р - номинальный ток кабельных линий в нормальном режиме, А;

Uном - номинальное напряжение кабельных линий, кВ.

Кирова 11А: Iр = = 104,85 А;

Кирова 13: Iр = = 83,55 А;

Мира 37А: Iр = = 83,55 А;

Школа №31: Iр = = 18,09 А;

Детский сад №57: Iр = = 18,09 А.

Проверяем по допустимому току нагрева в нормальном режиме

Кирова 11А: Iр ≤ Iдоп,

,85 А ≤ 290 А

Условие выполняется.

Кирова 13: Iр ≤ Iдоп,

,55 А ≤ 290 А

Условие выполняется.

Мира 37А: Iр ≤ Iдоп,

,55 А ≤ 290 А

Условие выполняется.

Школа №31: Iр ≤ Iдоп,

,09 А ≤ 255 А

Условие выполняется.

Детский сад №57: Iр ≤ Iдоп,

,09 А ≤ 205 А

Условие выполняется.

Рассчитываем ток кабельных линий в аварийном режиме

Iав =, (44)

где:

Iав - ток в аварийном режиме, А.

Кирова 11А: Iав =  = 209,71 А;

Кирова 13: Iав =  = 167,10 А;

Мира 37А: Iав =  = 167,10 А;

Школа №31: Iав =  = 36,19 А;

Детский сад №57: Iав =  = 36,19 А.

Проверяем по допустимому току нагрева в аварийном режиме

Кирова 11А: Iав Iдоп,

,71 А  290 А

Условие выполняется.

Кирова 13: Iав Iдоп,

,10 А  290 А

Условие выполняется.

Мира 37А: Iав Iдоп,

,10 А  290 А

Условие выполняется.

Школа №31: Iав Iдоп,

,19 А  255 А

Условие выполняется.

Детский сад №57: Iав Iдоп,

,19 А  205 А

Условие выполняется.

Таблица 11 - Проверка кабельных линий по допустимому току нагрева

Место присоединения кабеля

Марка и сечение кабеля

Расчетная мощность зданий, Sр, кВА

L, м

Iдоп, А

Pмах, мВт

Кирова 11А

АПВБ - 2 (3 Х 50 + 1 Х 25)

145,12

100

290

     0,35982 

Кирова 13

АПВБ - 2 (3 Х 50 + 1 Х 25)

115,64

80

290


Мира 37А

ААБ - 2 (3 Х 95 + 1 Х 50)

115,64

160

290


Школа №31

ААБ - 2 (3 Х 95)

25,05

140

255


Детский сад №57

ААБ - 2 (3 Х 25 + 1 Х 16)

25,05

142

205


Выбор коммутационно-защитной аппаратуры

Выбор и проверка предохранителей на высокой стороне

По справочнику Крючков И.П. «Электрическая часть станций и подстанций» - выбираем предохранитель «ПК-10/40» по таблице 5-1 [6].

) По номинальному напряжению:

ном ≥ Uном. сети, (45)

где:

Uном.пр - номинальное напряжение, кВ;

Uном. сети - номинальное напряжение сети, кВ.

) По номинальному максимальному току:

ном ≥ Iном max, (46)

где:

Iном.пр - номинальный ток, А;

Iном. max - номинальный максимальный ток, А.

ном max =  , (47)

где:

 - полная расчетная максимальная нагрузка жилых и общественных зданий, кВА.

3) По номинальному отключающему току:

ном ≥ Iдлит. max, (48)

где:

Iдлит. max - длительный максимальный ток, А.

Iдлит. max =  , (49)

где:

 - полная расчетная максимальная нагрузка жилых и общественных зданий, кВА.

4) Проверка на динамическую стойкость:

уд < iном дин ст, (50)

где:

iуд - ударное значение тока КЗ, кА.

) Проверка на термическую стойкость:

т.с > I* √( tп / tном. т.с ), (51)

где:

tном. т.с - время термической стойкости, сек.

Таблица 12 - Проверка предохранителя марки «ПК-10/40»

Проверяемая величина

Условия выбора

По номинальному напряжению

Uном. пр ≥ Uном. сети

10 кВ ≥ 10 кВ

По номинальному максимальному току

Iном.пр ≥ Iном max

40 А ≥ 11,60 А

По номинальному отключающему току

Iном.пр ≥ Iдлит. max

40 А ≥ 23,20 А

Динамическая стойкость

iуд < iном дин ст

6,983 кА < 15,5 кА

Термическая стойкость

Iт.с > I* √( tп / tном. т.с )

20 кА ≥ 1,732 кА


Вывод: Поскольку все условия выполняются, окончательно выбираем предохранитель марки «ПК-10/40» на высокую сторону для ТП-20.

Выбор и проверка предохранителей на низкой стороне

По справочнику Крючков И.П. «Электрическая часть станций и подстанций» - выбираем предохранитель «ПН-0,4/600» по таблице 5-1 [6].

Таблица 13 - Проверка предохранителя марки «ПН-0,4/600»

Проверяемая величина

Условия выбора

Проверка условий

По номинальному напряжению

Uном. пр ≥ Uном. сети

0,4 кВ ≥ 0,4 кВ

По номинальному максимальному току

Iном.пр ≥ Iном max

600 А ≥ 290,06 А

По номинальному отключающему току

Iном.пр ≥ Iдлит. max

600 А ≥ 580,13 А

Динамическая стойкость

iуд < iном дин ст

3,91 кА < 75,5 кА

Термическая стойкость

Iт.с > I* √( tп / tном. т.с )

20 кА ≥ 1,732 кА


Поскольку все условия выполняются, окончательно выбираем предохранитель марки «ПН-0,4/600» на низкую сторону для ТП-20.

Выбор и проверка разъединителей по высокой стороне

По справочнику Крючков И.П. «Электрическая часть станций и подстанций» - выбираем разъединитель «РВ-10/400» по таблице 5-5 [6].

Таблица 14 - Проверка разъединителя марки «РВ-10/400»

Проверяемая величина

Условия выбора

Проверка условий

По номинальному напряжению

Uном. р ≥ Uном. сети

10 кВ ≥ 10 кВ

По номинальному максимальному току

Iном.р ≥ Iном max

400 А ≥ 11,60 А

По аварийному току

Iном.р ≥ Iдлит. max

400 А ≥ 23,20 А

Динамическая стойкость

iуд < iном дин ст

6,983 кА < 40 кА

Термическая стойкость

Iт.с > I* √( tп / tном. т.с )

20 кА ≥ 1,732 кА


Поскольку все условия выполняются, окончательно выбираем разъединитель марки «РВ-10/400» на высокую сторону для ТП-20.

Выбор и проверка разъединителей по низкой стороне

По справочнику Крючков И.П. «Электрическая часть станций и подстанций» - выбираем разъединитель «РП-0,4/600» по таблице 5-5 [6].

Таблица 15 - Проверка разъединителя марки «РП-0,4/600»

Проверяемая величина

Условия выбора

Проверка условий

По номинальному напряжению

Uном. р ≥ Uном. сети

0,4 кВ ≥ 0,4 кВ

По номинальному максимальному току

Iном.р ≥ Iном max

600 А ≥ 290,06 А

По аварийному току

Iном.р ≥ Iдлит. max

600 А ≥ 580,13 А

Динамическая стойкость

iуд < iном дин ст

3,91 кА < 37,2 кА

Термическая стойкость

Iт.с > I* √( tп / tном. т.с )

20 кА ≥ 1,732 кА


Поскольку все условия выполняются, окончательно выбираем разъединитель марки «РП-0,4/600» на низкую сторону для ТП-20.

2.6 Расчёт калькуляции на ремонт электрооборудования

Расчёт калькуляции на капитальный ремонт трансформатора марки ТМ-400/10/0,4

Тарифная ставка - это размер денежной выплаты в составе заработной платы, который выплачивается работнику за выполнение трудовых обязанностей определённой сложности за установленное время без учёта компенсационных, стимулирующих и других социальных выплат.

Заработная плата - это материальное вознаграждение за труд в зависимости от квалификации работника, сложности, количества, качества и условий выполняемой работы, а также компенсационные выплаты и стимулирующие выплаты.

Таблица 1 - Расход запчастей на капитальный ремонт трансформатора марки ТМ-400/10/0,4

№ п/п

Наименование запчастей

Единица измерения

Цена за единицу, руб.

Норма расхода

Сумма, руб.

1

2

3

4

5

6=4*5

1

Изоляторы (вводы)

шт.

1250

7

8750

2

Обмотка

шт.

26219

3

78657

3

Корпус

шт.

25420

1

25420

4

Зажим контактный

шт.

1255

15

18825

5

Радиатор охлаждения

шт.

5460

4

21840

6

Бак расширительный

шт.

4650

1

4650

7

Уплотнитель под изоляторы

шт.

1350

7

9450

8

Уплотнительное кольцо под расширительный бак

шт.

1855

1

1855

9

Маслоуказатель

шт.

1240

1

1240

10

Термодатчик

шт.

4200

1

4200

11

Крышка от бака

шт.

7855

1

7855

12

Гайка и шайба латунная

шт.

75

80

6000

Итого:





188742


Таблица 2 - Расход материалов на капитальный ремонт трансформатора марки ТМ-400/10/0,4

№ п/п

Наименование материалов

Единица измерения

Цена за единицу, руб.

Норма расхода

Сумма, руб.

1

2

3

4

5

6=4*5

1

Масло трансформаторное

л

800

85

68000

2

Изоляционные материалы

кг

650

15,5

10075

3

Лакокрасочные материалы

л

2320

7,2

16704

4

Ветошь

кг

1500

10

15000

5

Бумага наждачная

кг

2550

5

12750

6

Электрокартон

кг

1500

5

7500

7

Ацетон технический

л

750

10

7500

8

Силикагель

кг

680

30

20400

9

Спирт этиловый

л

550

5

2750

10

Клей резиновый

кг

1200

1,1

1320

11

Смазка

кг

1450

7

10150

12

Лакоткань

м

2250

2

4500

Итого:





176649


Расчёт технико-экономических показателей

Расчёт фонда оплаты труда (ФОТ)

Основная заработная плата электромонтеров исчисляется по часовой тарифной ставке, соответствующей разряду работ. Продолжительность рабочего времени электромонтера за месяц 42 часа (5 дней).

Рассчитываем заработную плату электромонтера 6-ого разряда, на работах с нормальными условиями труда и берем по таблице сдельную оплату труда.

Таблица 3 - Тарифная ставка, в зависимости от разряда электромонтера

На работах с нормальными условиями труда

Разряды


2

3

4

5

6

Сдельная оплата, руб

4.71

5.12

5.66

6.37

7.42

Повременная оплата, руб

4.40

4.79

5.30

5.96

6.93


1) Расчёт заработной платы электромонтёра 6-ого разряда

Тарифная ставка: 42 * 7,42 = 311,64 руб;

Премия (70%): 311,64 * 0,7 = 218,148 руб;

Итого: 311,64 + 218,148 = 529,788 руб;

Северная надбавка (50%): 529,788 * 0,5 = 264,894 руб;

Районный коэффициент (40%): 529,788 * 0,4 = 211,9152 руб;

Всего: 529,788 + 264,894 + 211,9152 = 1006,6 руб.

) Отчисления от ФОТ.

Страховые взносы от ФОТ - 30%: 1006,6 * 0,3 = 301,9 руб.

3) Материальные затраты материалов и запчастей

+ 14420 = 35060 руб.

) Амортизация

150500 * 0,1 / 12 / 165,08 * 42 = 319,08 руб.

) Цеховые расходы 123% от ФОТ

,6 * 1,23 = 1238,118 руб.

) Общехозяйственные расходы 108% от ФОТ

,6 * 1,08 = 1087,128 руб.

) Себестоимость капитального ремонта

301,9 + 35060 + 319,08 + 1238,118 + 1087,128 = 38006,226 руб.

Вывод: Себестоимость капитального ремонта трансформатора марки ТМ-400/10/0,4 составила - 38006,226 руб. Рентабельно для производственного предприятия купить новый трансформатор, так как ремонт трансформатора выйдет дороже стоимости трансформатора марки ТМ-400/10/0,4. Стоимость трансформатора ТМ-400/10/0,4 составляет 150500 руб и поэтому капитальный ремонт данного типа трансформатора производить невыгодно для производственного предприятия.

Заключение

В данной дипломной работе было спроектировано электроснабжение электрооборудования ТП-82 13 микрорайона г. Братска.

По удельным нагрузкам определены расчетные нагрузки жилых и общественных зданий данного микрорайона. Построили графики нагрузок 13 микрорайона (суточный и годовой). Выбрали число и мощность силовых трансформаторов ТП-82, а также рассчитали коэффициент загрузки трансформаторов. В нормальном режиме Кз = 0,62, в аварийном режиме Кз = 1,25.

Для выбора и проверки уставок релейной защиты и автоматики, а также проверки параметров электрооборудования ТП-82 рассчитали токи короткого замыкания.

Выбрана схема сети: на 10 кВ - кольцевая, на 0,4 кВ - радиальная схема для потребителей I и II категории. Сеть 10 кВ выполнена кабелем ААБ 3*95, а сеть 0,4 кВ - кабелями ААБ.

Выбрана коммутационно-защитная аппаратура на стороне высокого напряжения, а также был выбран автономный источник питания (дизель-генераторная установка с автоматическим запуском при пропадании напряжения у потребителя) для потребителя первой категории.

В расчете калькуляции на ремонт электрооборудования определена стоимость затрат на капитальный ремонт трансформатора запчастей и материалов, определена себестоимость капитального ремонта трансформатора ТМ-400/10.

Также в дипломной работе была рассмотрена охрана труда и техника безопасности при производстве работ. Рассмотрена техника безопасности в электроустановках напряжением до и выше 1000 В, а также организационные мероприятия при работе в электроустановках.

Список использованных источников

1. Идельчик В.И. «Электрические системы и сети», - М. Энергоатомиздат, 2010 г.

. Крючков И.П., Неклепаев Б.Н. «Электрическая часть станций и подстанций» (Справочный материал для курсового и дипломного проектирования)., учебное пособие третье издание, М. Энергия, 2011 г.

. Липкин Б.Ю. Электроснабжение промышленных предприятий и установок. Учебник для техникумов, третье издание, 2010 г. - 37с.

. Межотраслевые правила по охране труда (правила безопасности) при эксплуатации электроустановок потребителей - Харьков: Издательство «Форт», 2012 г. - 404с.

. Москаленко В.В. Справочник электромонтёра 2010 г.

. Постников Н.П., Рубашов Г.М. Электроснабжение промышленных предприятий: Учебник для техникумов - Л. Стройиздат, 2010 г. - 352с.

. Рожкова Л.Д., Козулин В.С. «Электрооборудование станций и подстанций», Энергоатомиздат, 2010 г.

. Рыжков Л.Д., Козулин B.C. Электроснабжение станций и подстанций - М. Энергоатомиздат, 2010 г.

. Сибикин Ю.Д. Электроснабжение промышленных предприятий и гражданских зданий, учебник для студентов среднего профессионального образования М. Академия 2010 г. - 368с.

. Фёдоров А.А. Основы электроснабжения станций и подстанций - М. Энергоатомиздат, 2011 г.

11. Воздушные линии электропередачи. Монтаж и эксплуатация кабелей [Электронный ресурс] <#"872256.files/image085.gif">

Рисунок 1 - График нагрузок суточный

Рисунок 2 - График нагрузок годовой

Рисунок 3 - Схема замещения для точки К1

Рисунок 4 - Схема замещения для точки К1

Рисунок 5 - Схема замещения для точки К2

Рисунок 6 - Схема замещения для точки К2

Похожие работы на - Электроснабжение электрооборудования ТП-82 13 микрорайона г. Братска

 

Не нашли материал для своей работы?
Поможем написать уникальную работу
Без плагиата!
Без нейросетей!