Оценочный расчет системы электроснабжения подстанции ГПП-4 ОАО 'НЛМК'

  • Вид работы:
    Дипломная (ВКР)
  • Предмет:
    Физика
  • Язык:
    Русский
    ,
    Формат файла:
    MS Word
    112,1 Кб
  • Опубликовано:
    2012-11-12
Вы можете узнать стоимость помощи в написании студенческой работы.
Помощь в написании работы, которую точно примут!

Оценочный расчет системы электроснабжения подстанции ГПП-4 ОАО 'НЛМК'















Оценочный расчет системы электроснабжения

подстанции гпп-4 оао "нлмк"

ОГЛАВЛЕНИЕ

ВВЕДЕНИЕ

. ХАРАКТЕРИСТИКА ПОДСТАНЦИИ ГПП-4 ОАО "НЛМК"

.1 Структурная схема и характеристика производственных помещений

подстанции ГПП-4

.2 Общие сведения об электрической схеме подстанции

.3 Основное электрооборудование подстанции

.4 Требования к электрооборудованию подстанции и окружающая среда

. ОЦЕНОЧНЫЙ РАСЧЕТ СИСТЕМЫ ЭЛЕКТРОСНАБЖЕНИЯ

ПОДСТАНЦИИ ГПП-4 ОАО "НЛМК"

.1 Анализ электрических нагрузок

.2 Выбор силовых трансформаторов

.3 Оценка оптимальности места расположения подстанции ГПП-4

.4 Составление схемы распределительных сетей

.5 Расчет токов короткого замыкания

.6 Выбор кабелей и шин

.7 Выбор коммутационной аппаратуры

.8 Расчет и выбор элементов реле защиты трансформаторов

.9 Анализ системы контроля и учета распределения электроэнергии и

основных электрических параметров

3. ЭЛЕКТРИЧЕСКОЕ ОСВЕЩЕНИЕ ПОДСТАНЦИИ ГПП-4

.1 Расчет искусственного освещения помещений подстанции

.2 Расчет наружного освещения

.3 Аварийное и охранное освещение

4. МОЛНИЕЗАЩИТА И ЗАЗЕМЛЕНИЕ ОБОРУДОВАНИЯ ПОДСТАНЦИИ ГПП-4 ОАО "НЛМК"

.1 Молниезащита подстанции

.2 Расчет заземляющего устройства

. ИССЛЕДОВАНИЕ РАСПРЕДЕЛЕНИЯ АКТИВНОЙ И РЕАКТИВНОЙ

МОЩНОСТЕЙ

.1 Основные положения по составлению электробаланса

.2 Методика определения потерь электроэнергии

.3 Составление электробаланса шлаковых печей

.4 Определение электробаланса прочих потребителей электроэнергии

.5 Результаты электробаланса конвертерного цеха за сутки

. ОЦЕНКА УРОВНЯ НАДЕЖНОСТИ РАБОТЫ ПОДСТАНЦИИ ГПП-4

ОАО "НЛМК"

. ЭКОНОМИКА И ОРГАНИЗАЦИЯ ПРОИЗВОДСТВА

.1 Экономический выбор электрооборудования

.2 Организация и планирование работы ремонтного персонала

подстанции ГПП-4

.3 Обоснование работы системы контроля и учета распределения

электроэнергии и основных электрических параметров

. ТЕХНИКА БЕЗОПАСНОСТИ И ОХРАНА ТРУДА

.1 Особенности действия тока на живую ткань

.2 Электрический удар и его характеристики

.3 Расчет влияния электростатических потенциалов на человека

ЗАКЛЮЧЕНИЕ

БИБЛИОГРАФИЧЕСКИЙ СПИСОК ИСПОЛЬЗОВАННЫХ

ИСТОЧНИКОВ

подстанция электробаланс электрическая

ВВЕДЕНИЕ

Любую развитую страну мира немыслимо представить без мощной электроэнергетики - одной из важнейших сторон отраслей промышленности и сельского хозяйства, охватывающей производство электроэнергии, ее передачу, распределение и потребление. При этом важным звеном в любой системе электроснабжения являются электрические подстанции. Они служат для преобразования электрической энергии в целях ее использования потребителями или дальнейшего перераспределения. Кроме того, они определяют структуру и свойства электрических сетей. Поэтому анализ работы электрических подстанций, с целью выявления оптимального режима их эксплуатации, важен для всей энергетической системы.

В качестве объекта анализа выбрана действительно существующая главная понижающая подстанция напряжением 110/10/6 кВ коксохимического производства ОАО «НЛМК» (далее КХП). Эта подстанция служит для питания потребителей КХП, а также городских потребителей.

При этом необходимо отметить, что с момента пуска подстанции в 1964 году существенно изменились нагрузки потребителей и ее электрооборудование, а полного проверочного расчета режимов работы подстанции в новых условиях не проводилось.

Целью данного проекта является проведение проверочного расчета электрооборудования подстанции ГПП-4. Анализ включает в себя: определение расчетных электрических нагрузок подстанции, построение картограмм; выбор силовых трансформаторов; расчет токов короткого замыкания; выбор коммутационной аппаратуры; проверка надежности работы электрооборудования подстанции. Исследовательская часть работы посвящена анализу работы релейной защиты трансформаторов подстанции.

При проектировании систем электроснабжения нельзя следовать по какому-то примеру, так как каждая подстанция индивидуальна, поскольку индивидуальны исходные условия, и следовательно, технические решения, используемые при построении. При проектировании стараются использовать однородные элементы, что облегчает эксплуатацию данной подстанции. Актуальность проектирования вызвана постоянным ростом мощности потребителей.

Система электроснабжения промышленного предприятия включает в себя сети высоких напряжений, распределительные сети, а иногда сети промышленных ТЭЦ. В настоящее время созданы методы расчета и проектирования электрических систем. Однако главной проблемой является создание рациональных систем, обеспечивающих экономию электрической энергии. Для того, чтобы в правильном направлении развивались системы электроснабжения, необходимо осуществлять правильное проектирование этих систем, которое заключается в наиболее экономичном и рациональном выборе аппаратов высокого напряжения, выборе места расположения станции, подстанции, распределительных пунктов, на которых находятся аппараты высокого напряжения. Важным также является правильный расчет ЛЭП: воздушных или кабельных. Спроектированная система электроснабжения должна обязательно удовлетворять требования учета перспективы развития промышленного предприятия, то есть, проектируя подстанцию, необходимо предусмотреть замену любого электрического оборудования.

Рассматриваемая подстанция ГПП-4 является современной в техническом оснащении по сравнению с другими подстанциями завода, так как постоянно совершенствуется. Она была спроектирована на перспективу глубокой модернизации и развития коксохимического производства, но в сложившихся экономических условиях требуется перерасчет электрооборудования подстанции и проверка его надежности.

1. ХАРАКТЕРИСТИКА ПОДСТАНЦИИ ГПП-4 ОАО "НЛМК"

.1 Структурная схема и характеристика производственных помещений подстанции ГПП-4

Рассмотрим структурную схему и характеристики основных производственных помещений главной понизительной подстанции ГПП-4 напряжением 110/10 кВ коксохимического производства ОАО "НЛМК".

Подстанция построена для обеспечения электроэнергией потребителей коксохимического и ранее остановленного азотно-тукового производств.. Она представляет собой двухэтажное блочное здание, не включая кабельный подвал, расположенное на отметке 0,00 м согласно проекту постройки. Подстанция состоит из следующих помещений (см. рис. 1.1): открытое распределительное устройство 110 кВ (ОРУ-110 кВ), на котором установлены два силовых трансформатора, два линейных разъединителя 110 кВ, два шинных разъединителя 110 кВ, два секционных разъединителя 110 кВ, два комплекта разрядников 10 кВ и 110 кВ, два комплекта трансформаторов тока, два высоковольтных масляных выключателя; закрытое распределительное устройство 6 кВ (ЗРУ-6 кВ), с двумя секциями шин, с масляными выключателями, разъединителями, трансформаторами тока и напряжения;; КРУ-6 кВ, которое включает в себя выключатели вводов и нагрузок, камеры реакторов, трансформаторы тока и напряжения; помещения с резервным трансформатором 3200 кВ×А и трансформатором собственных нужд ТСН 100 кВ×А; помещение аккумуляторной батареи, которое включает в себя помещение кислотной комнаты и помещение вентиляционной установки; помещение мотор-генераторной; КРУ-0,4 кВ; служебное помещение для ремонтного персонала; помещение для дежурных электромонтеров; главный щит управления. В любое помещение имеется минимум два рабочих доступа - изнутри подстанции и снаружи.

В помещении КРУ-6 кВ установлены выключатели вводов №1 и 2, через которые запитана вся подстанция. От выключателей вводов получают питание две секции шин ЗРУ-6кВ, посредством которых происходит распределение электроэнергии на подстанции.

На главном щите управления (ГЩУ) находятся панели управления, релейной защиты и автоматики, сигнализации, установлены аппараты контроля и учета распределения электроэнергии.

По кабельным каналам, расположенным на отметке -1,20 м силовые кабели приходят в помещение кабельного подвала (см. рис. 1.2). Далее, из них силовые кабели отходят непосредственно к своим нагрузкам.

На подстанции установлен резервный трансформатор 3200 кВ×А, который имеет независимый источник питания, что обеспечивает заданную надежность работы электрооборудования и потребителей внутри подстанции.

В служебном помещении для ремонтного персонала установлено оборудование, позволяющее производить текущий и средний ремонт на подстанции.

В помещении для дежурных электромонтеров установлены приборы контроля и учета распределения электроэнергии. Здесь ведется контроль за потребляемой мощностью, а также ведется учет с записью в оперативном журнале всех оперативных переключений на подстанции. Доступ в это помещение имеет только дежурный электромонтер и начальник участка, т. к. здесь хранятся ключи от всех помещений, жетон-бирки разобранных силовых цепей и схем.

Рис. 1.1 Основные помещения подстанции ГПП-4, этаж №1,2

Рис. 1.2 Основные помещения подстанции ГПП-4, кабельный подвал

.2 Общие сведения об электрической схеме подстанции

Подстанция ГПП-4 получает питание с подстанции «Бугор» с помощью воздушных линий напряжением 110 кВ. Для обеспечения собственных нужд подстанции установлен трансформатор типа ТМ-100/6 мощностью 100 кВ×А который запитывается от КРУ-6 кВ. Закрытое распределительное устройство 6 кВ подстанции ГПП-4 выполнено двухсекционным, обе секции работают раздельно с устройством АВР на секционном выключателе. В нормальном режиме работы обе секции шин ЗРУ питают электроприемники от своих трансформаторов. При выходе из строя одного трансформатора или потере питания на его вводе, он отключается от ЗРУ-6 кВ вводным выключателем, после этого включается система автоматического ввода резерва АВР, включается секционный выключатель - питание потребителей выведенного из строя одной из секций шин ЗРУ-6 кВ будет производиться через второй трансформатор (ЩСУ). Система АВР не включит резерв питания в случае, если вводной выключатель сработал в результате короткого замыкания на шинах ЗРУ или магистральном шинопроводе. Такое резервирование связано с технологическими процессами и особенностями производства продукции.

Потребители, получающие питание от выключателей КРУ-6 кВ, объединены в группы с помощью индивидуальных или групповых реакторов. Такая компоновка КРУ-6 кВ выполнена с целью ограничения токов короткого замыкания на шинах ЗРУ-6 кВ. Практически на каждой секции шин с групповым реактором предусмотрены выключатели для резерва. После всех выключателей установлены защита от замыканий на землю с действием на сигнал и трансформаторы тока для средств релейной защиты и автоматики, а также для учета потребления электроэнергии. От этого распределительного устройства запитаны цеховые подстанции, предназначенные для питания внутрицеховых потребителей. На этих подстанциях предусматривается автоматическое включение резерва на секционном выключателе 6 кВ. Также с подстанции ГПП-4 также получает питание нагрузка напряжением 10 кВ.

В зависимости от схемы электроснабжения и местных условий окружающей среды цеховые электрические сети выполнены шинопроводами, кабельными линиями и проводами. От рассматриваемой подстанции энергией снабжаются:

высоковольтные подстанции КХП;

КТП ЦЭлС;

городские потребители и др.

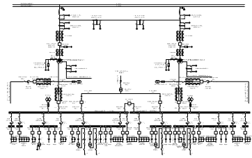
Электрическая схема подстанции приведена на рис. 1.4. До выключателей вводов установлены трансформаторы тока для учета потребления электроэнергии и для релейной защиты вводов. По одному выключателю ввода на каждом из вводов служат для отключения своей секции шин в случае аварии или для вывода одной из секций шин в ремонт. Компенсирующие устройства на ГПП-4 не установлены.

Передача электроэнергии внутри подстанции ГПП-4 выполняется с помощью шинопроводов и силовых кабелей, а передача электроэнергии потребителям, расположенным в КХП осуществляется только с помощью силовых кабелей по кабельным каналам, шахтам и галереям.

Рис.1.3 Однолинейная схема подстанции ГПП-4 ОАО "НЛМК"

.3 Основное электрооборудование подстанции

К основному оборудованию подстанции ГПП-4 относятся: силовые трансформаторы, резервный трансформатор и трансформатор собственных нужд; масляные и вакуумные выключатели; трансформаторы тока и напряжения; разъединители с заземляющими контактами.

На подстанции ГПП-4 установлены два трехфазных трансформатора типа ТДТН-63/110/11/6,6 предназначенных для преобразования электроэнергии напряжением 110 кВ на напряжение 6 и 10 кВ. Основные технические данные трансформаторов представлены в табл. 1.1.

Таблица 1.1Технические данные трансформатора ТДТН-63/110

Наименование параметров

Значение параметров

Мощность, кВ×А

63000

Номинальное напряжение

Uвн , кВ

115


Uсн , кВ

11


Uнн , кВ

6,6

Потери DРкз , кВт

290

Потери DРхх , кВт

56

Ток Iхх , %

0,55

Напряжение к. з.

uкз. вн-сн, %

10,5


uкз. вн-нн ,%

17,5


uкз. сн-нн ,%

7

Система охлаждения

с принудительной циркуляцией воздуха и естественной циркуляцией масла

Цена, млн.руб.

10,4


Трансформатор собственных нужд типа ТМ-100/6 установлен для обеспечения подстанции напряжением 0,4 кВ. От этого трансформатора запитаны сеть освещения подстанции и электрические розетки 220/380 В. Основные технические данные трансформатора представлены в табл. 1.2.

Таблица 1.2 Технические данные трансформатора ТМ-100/6

Наименование параметров

Значение параметров

Мощность, кВ×А

100

Номинальное напряжение

Uвн , кВ

6


Uнн , кВ

0,4

Напряжение к. з.

uкз, %

4,5

Потери DРкз , кВт

1,97

Потери DРхх , кВт

0,33

Ток Iхх , %

2,6

Система охлаждения

естественное масляное


Для обеспечения питания потребителей аварийного минимума предус-

мотрен кабельный ввод 10кВ с подстанции ПС-1, яч.34, на трансформатор типа ТМ-3200/10 10/6кВ, подключенный к сборным шинам 6кВ развилкой на I и II секцию через масляные выключатели типа ВМП-10К, 600А (шкафы №1 и 34). К потребителям аварийного минимума относятся: насосная пожарнопитьевой воды; собственные нужды ГПП-4 и подстанций (п/ст 406, п/ст ВОЦ, п/ст «Синтеза», аварийное освещение. Основные технические данные трансформатора представлены в табл. 1.3.

Наименование параметров

Значение параметров

Мощность, кВ×А

3200

Номинальное напряжение

Uвн , кВ

10


Uнн , кВ

6,3

Напряжение к. з.

uкз, %

5,5

Потери DРкз , кВт

37

Потери DРхх , кВт

11

Ток Iхх , %

4

Система охлаждения

естественное масляное


Для обеспечения потребителей 0,4кВ на ГПП-4 установлены два трансформатора сухого исполнения типа ATS- 792/6-А, которые получают питание от КРУ-6кВ. Каждый трансформатор работает раздельно на свою секцию шин 0,4 кВ щитов RM-1 и RM-2. Между щитами RM-1 и RM-2 предусмотрен секционный автомат и выполнено «АВР» на аварийный случай и при необходимости оперативных переключений. Основные технические данные трансформатора представлены в табл. 1.4.

Таблица 1.4 Технические данные трансформатора ATS-792/6-А

Наименование параметров

Значение параметров

Мощность, кВ×А

1000

Номинальное напряжение

Uвн , кВ

6


Uнн , кВ

0,4

Напряжение к. з.

uкз, %

5,79

Номинальные токи

96,3/1444

Система охлаждения

естественное воздушное


В качестве выключателей на стороне 110 кВ используются масляные колонковые выключатели с электромеханическим приводом наружной установки типа ВМТ-110Б. Для отключения и защиты силовых трансформаторов и в качестве секционного выключателя на стороне 10 кВ используются колонковые маломасляные выключатели с усиленным исполнением внешней изоляции типа МГ-20-6000/3000 и один выключатель, для коммутации всех остальных потребителей используются масляные выключатели типа ВМП-10К.

Таблица 1.5 Наименование выключателей

Наименование выключателей

Количество

ВМП-10К-1500

8

ВМП-10К-1000

2

ВМП-10К-600

22


Нагрузку на стороне 10 кВ коммутируют 2 вакуумных выключателя типа ВБЭК-10-40/3150, установленные на подстанции ПС-5. Основные технические данные выключателей представлены в табл. 1.6.

Таблица 1.6 Технические данные выключателей

Тип выключателя

Номинальное напряжение, кВ

Номинальной ток, А

Ток отключения, кА

Номинальная мощность отключения, МВ·А

Ток динамической устойчивости, кА

Ток термической устойчивости, кА2с

ВМП -10К -600

10

1500

31,5

200

52

30

ВМП -10К -1000

10

1000

29

300

52

ВМП -10К -1500

10

1500

29

350

52

30

МГ-20-6000/3000

20

6000

87

3000

300

70

ВМТ-110Б

110

1250

25

5500

52

25

ВБЭК-10-40/3150

10

3150

40

750

128

40


Для понижения высоких напряжений до стандартной величины 100 и 100/3 с целью безопасного измерения напряжения, а также для отделения цепей измерения и релейной защиты от цепей высокого напряжения, используются два трансформатора напряжения типа НТМИ-6 с дополнительной вторичной обмоткой для контроля изоляции сети, установленные на I и II секциях шин ЗРУ-6 кВ и два трансформатора напряжения типа НОМ-6, установленные в КРУ-6 кВ. Основные технические данные трансформаторов напряжения представлены в табл. 1.7.

Таблица 1.7Технические данные трансформатора напряжения НТМИ-10

Тип трансформатора

Номинальное напряжение

Ном. мощность, В×А, в классе точности

Максимальная мощность, В×А


ВН

НН






0,5

1

3


НТМИ-6

6000

100/100:3

75

150

300

640

НОМ-6

6000

100

50

75

200

400


В качестве трансформаторов тока на подстанции используются трансформаторы типа ТПОЛ-10(Т) и ТПЛ-10, установленные на всех нагрузках, ТШЛ-10 и ТФЗМ-110Б, установленные перед силовыми трансформаторами и на вводах 6-10 кВ. Они предназначены для уменьшения первичного тока, а также для отделения цепей измерения и защиты от первичных цепей высокого напряжения. Основные технические данные трансформаторов тока представлены в табл. 1.8.

Таблица 1.8Технические данные трансформаторов тока

Тип

Ном. напряжение, кВ

Ном. первичный ток, А

Нагрузка втор. цепи

Кратность термической стойкости

Кратность электродинамической стойкости

Количество, шт




Ом

В×А




ТФЗМ-110Б

110

600

-

30

20

6

ТПОЛ-10

10

1500

0,4

10

36

90

44

ТПОЛ-10

10

1000

0,4

10

55

140

4

ТПЛ-10

10

300

-

-

90

175

42

ТШЛ-10

10

5000

-

-

35

-

12

ТШЛ-10

10

3000

-

-

35

-

6


Для вывода высоковольтного оборудования в ремонт на подстанции используются разъединители типа РДЗ-1-110Б (6 шт) с заземляющимим контактами, РАВ III-10/2000 с приводом ПР-3 (14 шт), РВК-10/3000 с приводом ПР-3 (4 шт), РВК-20/6000 с приводом ПН-50 (6 шт), РВ-10/1000 с приводом ПР-3 (4 шт), РВРЗ-2-10/4000 (2 шт) с заземляющими контактами. Основные технические данные разъединителей представлены в табл. 1.6.

Таблица 1.6Технические данные разъединителей

Тип

Предельный сквозной ток к. з., кА

Десятисекундный ток термической устойчивости, кА


Амплитуда

Действующее значение






РДЗ-1-110Б

80

-

31,5

РАВ III-10/2000

85

50

28

РВК-10/3000

200

120

60

РВК-20/6000

250

145

75

РВ-10/1000

120

71

40

РВРЗ-2-10/4000

125

45


.4 Требования к электрооборудованию подстанции и окружающая среда

Согласно ПУЭ [1] к основному электрооборудованию подстанции ГПП-4 применяются следующие требования: из-за агрессивной воздушной среды, содержащей вещества, которые могут ухудшить работу изоляции или разрушающе воздействовать на оборудование и шины, должна быть применена усиленная изоляция оборудования, а шины должны быть покрашены защитной краской. Кроме того, подстанция должна быть закрытого исполнения для защиты от проникновения пыли, вредных газов или паров в помещение.

Выключатели и разъединители должны быть оборудованы оперативной блокировкой, исключающей возможность их включения на заземляющие ножи, т. к. класс напряжения на подстанции более 3 кВ. Их приводы должны иметь видимые и надежно работающие указатели положения «включено-отключено».

Похожие работы на - Оценочный расчет системы электроснабжения подстанции ГПП-4 ОАО 'НЛМК'

 

Не нашли материал для своей работы?
Поможем написать уникальную работу
Без плагиата!
Без нейросетей!