Расчет блока питания постоянного тока
ФГБОУ
ВПО «Донской государственный технический университет»
Заочная форма обучения
Курсовая
работа
по
Электротехнике и электронике _
Расчет
блока питания постоянного тока.
Вариант
79.
Содержание
задания
Для питания нагрузки постоянным напряжением от
сети переменного синусоидального тока с напряжением Uс=220В и частотой fс=50Гц
используется стабилизированный блок питания постоянного тока, содержащий
трансформатор, неуправляемый выпрямитель, сглаживающий фильтр и стабилизатор
напряжения:
. Выберите микросхему стабилизатора напряжения
по данным табл. 2 и схемам включения, приведенным на рис. 2. По результатам
выбора определите входное напряжение стабилизатора: UВХ.СТ=UВЫХ.Ф.=U0, и
коэффициент пульсаций на входе стабилизатора, равный коэффициенту пульсаций на
выходе фильтра: рВХ.СТ=рФ.
.Рассчитайте фильтр, сглаживающий пульсации
выпрямленного напряжения, и выберите конденсатор по табл. 3 для фильтра,
обеспечивающего коэффициент пульсаций рФ=рВХ.СТ.
. Выберите схему, обеспечивающую требуемое
значение выпрямленного напряжения UВ и коэффициент пульсаций рВЫП=рВЫХ.Ф., и
рассчитайте параметры неуправляемого выпрямителя. Подбор выпрямительных диодов
произведите по табл.4.
. Рассчитайте однофазный трансформатор
напряжения и параметры его схемы замещения. Выбор размеров магнитопровода
произведите по данным табл.5 или табл.6, а обмоточных проводов - по табл.7.
. Выберите предохранитель для включения в цепь
первичной обмотки трансформатора по табл.8.
. Изобразите принципиальную электрическую схему
блока питания, соответствующую заданному варианту.
Исходные данные:
Напряжение нагрузки Un = 30 В
Ток нагрузки In = 0,5 A
Коэффециент пульсации, рn = 0,01
Полярность схемы относительно земли: «
- ».
Расчёт
параметров интегрального стабилизатора напряжения
Выбираем интегральную схему стабилизатора
напряжения по табл. 2[1].
Тип микросхемы: КР142ЕH11
Расчёт входного напряжения для выбранной схемы
стабилизатора Uin.
Определяем допустимые значения входного
напряжения на входе микросхемы.
Минимально допустимое напряжение на входе
микросхемы:

B
Выбираем входное напряжение стабилизатора как
среднее арифметическое его допустимых значений, т.е.
B
Проверка по мощности, рассеиваемой микросхемой:
<
Условие выполняется.
Коэффициент пульсации на входе:
Проверяем достаточность условия:
<=
<=
Т.к. условие не выполняется, находим новое
значение рf:
ток на входе стабилизатора:
A
определяем значения резисторов R1 и R2:
+ R2 =
кОм/R2 =
=
9.583 кОм, R2 = 0.417 кОм
Выбираем ближайшие значения сопротивлений резисторов
из ряда Е24:
= 10 кОм, R2 = 430 Ом.
Расчет
параметров неуправляемого выпрямителя и сглаживающего фильтра
Выходные параметры выпрямителя:
о = 39,25 B;о = 0,52 A;
рf = 0,029;
Из табл.2[3] выбираем ориентировочные значения
Bl и Dl:
= 1,1; Dl = 2,2
Из выражений табл.1[3] определяем данные
выпрямительных диодов:
B
A
A
ВА
По таблице 4 [1] выбираем диодный мост КЦ412Б с
параметрами:
A
B
B
A
Определяем параметры диода и обмоток
трансформатора.
Сопротивление диода:
Ом
Выбираем трансформатор броневой конструкции,
т.к. большая мощность не требуется Str < 200 ВТ и, кроме того, не требуется
низкий коэффициент пульсации в нагрузке рn < 0,001.
Из рис. 2[4] и 3[4] определим ориентировочные
значения B и j.
= 1.28 Тл; j = 3,2 А/мм2 = 3,2*106
А/м2
Определим активное сопротивление и индуктивность
рассеяния обмоток транс-форматора, выбирая большие значения:
Ом
Найдем R:
Ом
Найдем φ:
рад
Найдем Al:
Определим значения коэффициентов:
= 1.1; Dl = 2,1;
Fl = 5,6; H = 550.
Рассчитаем параметры диодов и трансформатора по
табл.1[3].
B
B
A
A
A
BA
A
По заданному значению коэффициента пульсации рf
на выходе фильтра и параметру H определяем требуемую емкость конденсатора
фильтра: трансформатор стабилизатор
напряжение выпрямитель
Выбираем из табл.3[1] конденсатор из условия:
С >= Ссalс
>=
Условию удовлетворяет конденсатор со следующими
параметрами:
B
мкФ
Вычислим новое значение рf:
Вычислим амплитудное значение переменной
составляющей U’:

Т.к. U’ превышает максимально допустимое
значение, необходимо подобрать конденсатор большей емкости:
мкФ

В результате выполненных расчетов определены
численные значения величин, необходимых для расчета трансформатора:



Расчет
трансформатора
1. Определить конфигурацию и параметры
магнитопровода.
. Определить количество витков обмоток, а также
диаметр и марку их проводов.
. Определить параметры схемы замещения и КПД трансформатора.
. Определить ток плавления плавкого
предохранителя, включенного в цепь первичной обмотки.
Исходные данные:



B
Выбираем ориентировочные значения параметров из
рис.2, 3[4]:
Определяем величину QсQо:
мм2
Из табл. 6[1] выбираем магнитопровод ШЛ 16x32 с
параметрами:









Определяем потери в стали по рис.4 [4].
Bт/кг
Baр/кг
Активная мощность:
Втр
Реактивная мощность:
Найдем активную и реактивную составляющую тока
холостого хода:
A
A
По результатам расчета выпрямителя определим
величину I2`:
Вт

Определим ток первичной обмотки:
A
Площадь поперечного сечения провода 1-й обмотки:
мм2
Площадь поперечного сечения провода 2-й обмотки:
мм2
Выберем сечение проводов обмоток (табл.7 [1]):
. ПЭВ-1 q1 = 0.08553 мм2
мм
мм
. ПЭВ-1 q2 = 0.3019 мм2
мм
мм
Амплитуда магнитного потока в стали:
Вб
Число витков 1-й обмотки:
Число витков 2-й обмотки:
Толщина каркаса:
мм
Межслойная изоляция:
мм
мм
Толщина межобмоточной изоляции с учетом
экранирующей обмотки:
Число витков в 1-ом слое:
Число витков во 2-ом слое:
Число слоев 1-ой обмотки:
Число слоев 2-ой обмотки:
Толщина 1-ой обмотки:
мм
Толщина 2-ой обмотки:
мм
Остающееся свободное место в окне сердечника:
мм
мм
Т.к. обмотки не помещаются на сердечнике выберем
сердечник большего размера и повторим расчет.
Для нового расчета выбираем магнитопровод ШЛ
25x25 с параметрами:









Новый расчет дает:
мм
Это приемлемое значение.
Определим среднюю длину провода каждой обмотки:
мм
мм
мм
мм
Найдем активные сопротивления обмоток:
Ом
Ом
Найдем суммарные потери в меди:
Вт
Вычислим номинальный КПД трансформатора, пологая,
что нагрузка активная:
Общая поверхность охлаждения:
м2
м2
м2
оС
Прибавив к ней температуру окружающей среды,
получим рабочую температуру проводов обмотки.
оС
Эта температура не превышает максимально
допустимую (для ПЭВ-1 120оС).
Вычислим параметры схемы замещения.
Средняя длина витка обмотки:
м
Расчетный зазор для потоков рассеяния:
мм
Высота обмотки для броневого сердечника:
мм
Активное сопротивление:
Ом
Реактивное сопротивление:
Ом
где
По табл. 8[1] выберем предохранитель, включаемый
в цепь первичной обмотки трансформатора, с током плавления Iпл = 1 А, т.к. I1 =
0.778 A.
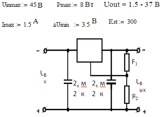
Принципиальная
электрическая схема блока питания
Литература
1. Ананченко Л.Н., Рогов И.Е.
Расчет блока питания постоянного тока. Индивидуальные задания на выполнение
расчетно-графической работы по дисциплине «Электротехника, электроника,
электропривод». Ростов-на-Дону.: Издательский центр ДГТУ, 1999 г.
2. Расчёт параметров
интегрального стабилизатора напряжения. Методические указания к
расчетно-графической работе «Расчет блока питания постоянного тока» (часть 1)
по дисциплине «Электротехника, электроника и электропривод». Ростов-на -Дону.:
Издательский центр ДГТУ, 2000 г.
. Расчет параметров
неуправляемого выпрямителя и сглаживающего фильтра. Методические указания к
расчетно-графической работе «Расчет блока питания постоянного тока» (часть 2)
по дисциплине «Электротехника, электроника и электропривод». Ростов-на -Дону.:
Издательский центр ДГТУ, 2000 г.
. Расчет параметров
тороидальных и броневых трансформаторов. Методические указания к
расчетно-графической работе «Расчет блока питания постоянного тока» (часть 3)
по дисциплине «Электротехника, электроника и электропривод». Ростов-на -Дону.:
Издательский центр ДГТУ, 2000 г.
5. Герасимов В.Г. Основы
промышленной электроники. М.: Высшая школа, 1996.
6. Китаев В.Е., Бокуняев А.А.
Расчет источников электропитания устройств связи. М.: Связь, 1979.
. httр://ru.wiкiреdia.оrg/
Размещено на Allbеst.ru