Усилитель постоянного тока
Министерство
образования и науки РФ
Пензенский
государственный университет
Кафедра
автоматики и телемеханики
Пояснительная
записка к
курсовой
работе
Усилитель постоянного тока
по курсу: "Электроника"
Выполнил:
ст. гр. 08ЗАА41 Карпасов Е.А.
Проверил: к.т.н., доцент
Пащенко В.В.
Нормоконтролер:
Саул Е.Н.
Пенза 2010
Оглавление
Введение
. Разработка структурной схемы устройства
. Расчет источника питания
.1 Расчёт стабилизатора напряжения
.2 Расчет выпрямителя
. Расчет усилителя постоянного тока
.1 Расчет коэффициента передачи усилителя и выбор
структурной
.2 Расчет предварительного усилителя
.3 Расчет фильтра низких частот
.4 Расчет усилителя с токовым выходом
. Расчет погрешностей
.1 Расчет температурной погрешности
.2 Расчет погрешности от нестабильности питающего
напряжения
Заключение
Список использованных источников
Введение
Электроника является универсальным и исключительно эффективным средством
при решении самых различных проблем в области сбора и преобразования
информации, автоматического и автоматизированного управления, выработки и
преобразования энергии.
Широкое распространение при построении электронных устройств получили
операционные усилители.
Операционный усилитель - качественный усилитель, необходимый для усиления
как постоянных, так и переменных сигналов. В настоящее время широко
используются ОУ в виде полупроводниковых интегральных схем.
Одним из основных преимуществ применения интегральных микросхем является
экономия времени, которое могла бы уйти на осуществление многочисленных
соединений элементов.
Усилители постоянного тока на операционных усилителях широко применяются
в промышленности, в частности в системах автоматического управления для
усиления маломощных сигналов с датчиков. Такие усилители имеют высокую
точность, чувствительность, стабильность, надежность и малую стоимость. Кроме
того, усилители постоянного тока обладают высоким коэффициентом усиления,
широким диапазоном рабочих частот, малыми габаритами, также они обладают малой
температурной погрешностью и погрешностью от нестабильности питающего
напряжения.
1.
Разработка структурной
схемы устройства
Структурная схема определяет основные функциональные части изделия, их
назначение и взаимосвязи. Схема отображает правило преобразования входных
сигналов в выходные. На структурной схеме изображают все основные
функциональные части электронного устройства. Структурная схема приведена на
рисунке 1.
Рисунок 1 - Структурная схема усилителя постоянного тока
ПТ - понижающий трансформатор
В - выпрямитель
СФ - сглаживающий фильтр
СН - стабилизатор напряжения
ПУ - предварительный усилитель
ФНЧ - фильтр нижних частот
УТВ - усилитель с токовым выходом
Для изменения напряжения переменного тока используется понижающий
трансформатор. В нашем случае мы используем его для уменьшения входного
напряжения 220 В и частоты 50 Гц.
Выпрямитель собран на диодах, образующих мостовую схему которая
подключатся к вторичной обмотке трансформатора
После выпрямителя всегда ставится сглаживающий фильтр, который предназначен
для снижения уровня пульсаций выпрямленного напряжения.
Для уменьшения влияния изменения питающего напряжения на выходной сигнал
усилителя, при проектировании источника питания для устройства необходимо
принять меры к стабилизации питающего напряжения. Для этого служит блок
стабилизации (СН). На выходе данного блока должно быть максимально стабильное
напряжение постоянного тока ±15 В.
Так как входной сигнал очень маленький , порядка десятка милливольт, его
необходимо усилить . Для этого мы ставим предварительный усилитель.
Фильтр нижних частот ставится для выделения рабочей частоты.
Сигнал поступающий непосредственно на нагрузку задан в виде тока, поэтому
используем преобразователь напряжения в ток.
2.
Расчет источника питания
Поскольку усилитель постоянного тока разрабатывается на Операционных
Усилителях (ОУ) , напряжение питания которых составляет порядка ±15 В , то на выходе источника питания
необходимо получить двухполярное напряжение , которое в дальнейшем нужно
стабилизировать для более устойчивой работы ОУ
2.1
Расчёт стабилизатора
напряжения
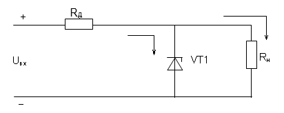
Параметрические стабилизаторы являются простейшими устройствами, в
которых малые изменения выходного напряжения достигаются за счет применения
электронных приборов с двумя выводами, характеризующихся ярко выраженной
нелинейностью вольт-амперной характеристики. Схема параметрического
стабилизатора на основе стабилитрона представлена на рисунке 2.
Рисунок 2 - Параметрический стабилизатор
Тип стабилитрона зависит от величины стабилизируемого тока, протекающего
через нагрузку. В данном случае через нагрузку течет ток, равный :
н.ст. =
Iн + n* In ,
где Iн - заданный или рассчитанный по ТЗ ток
нагрузки усилителя,
In - ток потребления выбранного ОУ (5 мА),
n -
число использованных операционных усилителей.
н.ст =4*3мА+20мА=32(мА)
В соответствие с напряжением в нагрузке, которое равно 15 В, выбираем
стабилитрон КС515А.
Основные характеристики стабилитрона приведены в таблице 1 :
Таблица 1
|
Тип
|
Uст, В
|
dUcт, В
|
Iст, мА
|
Imin,
мА
|
Imax,
мА
|
rст ,Ом
|
aUст %/°С
|
|
КС515А
|
15
|
±0,75
|
5
|
1
|
53
|
30
|
0,1
|
Выбор тока рабочей точки стабилитрона осуществляется внутри рабочей
области по следующему условию :
ст.мин < Iст
< Iст.макс
Примем ток стабилитрона равным 25 мА.
1 мА < 27 мА <
53 мА
Расчёт тока, потребляемого схемой
R1=
Iст + Iн.ст
IR1 = 27 мА + 32 мА = 59 мА
Напряжение на входе стабилизатора должно превышать выходное напряжение на
2..7 В
Uвх
= Uст. +(2..7) В
Uвх
= 15 В + 6 В = 21В
Рассчитываем сопротивление резистора R1 при напряжении на нём 6 В и токе 59 мА
1 = (Uвх - Uст.) / IR1
R1
=(21 - 15) / 0,059
= 100 Ом
По заданному значению нестабильности питающего напряжения, определим
абсолютное изменение входного напряжения стабилизатора ∆ Uвх
∆ Uвх = 0,15 * Uвх
∆ Uвх = 0,15 * 21 В = 3,15 В
Оценим изменение тока через R1
∆ IR1 = ∆ Uвх / (R1
+ rст )
∆ IR1 = 3,15 /(100 + 30) = 24,2 мА
Исходя из того, что дифференциальное сопротивление стабилитрона rст<< RH, определяется ∆ Iст = ∆IR1 и проверим правильность выбора
рабочей точки
ст.мин < Iст
+ ∆ Iст < Iст.макс
Iст
+ ∆ Iст = 27 + 24,2 = 51,2 мА
мА < 51,2 мА < 53 мА
Определим изменение выходного напряжения схемы
∆ Uн = ∆ Iст * rст
∆ Uн = 0,0242 * 30 = 0,726 В
Вычислим коэффициент стабилизации стабилизатора
Кст. = (∆ Uвх
/ Uвх) / (∆ Uн / Uн)
Кст. =(3.15 / 21) / (0,726 / 15) = 3,1
Т.к. коэффициент стабилизации стабилизатора получился меньше 10, заменим
стабилизатор на полупроводниковом приборе стабилизатором на микросхеме.
Выбираем микросхему К142ЕН6
Основные характеристики микросхемы представлены в таблице 2:
Таблица 2
|
Тип
|
Кст, %/В
|
TKUст, %/К
|
Uвх - Uвых
,В
|
Uвх , В
|
Uвых, В
|
Iпотр ,
мА
|
|
К142ЕН6
|
0,0015
|
0,02
|
2,2
|
±20
|
±15±0,3
|
7,5
|
Схема включения микросхемы представлена на рисунке 3
Рисунок 3 - Стабилизатор в интегральном исполнении
Выводы:
- вход;
- выключение;
, 11 - коррекция;
- общий;
- выход;
- обратная связь.
Проверка Кст стабилизатора на основе интегральной микросхемы
К142ЕН6
Зная коэффициент нестабильности по напряжению микросхемы :
кнU =
0,0015 %
В и абсолютное изменение входного напряжения стабилизатора ∆ Uвх = 3,15 В, можно определить изменения
напряжения на выходе микросхемы :
dUвых = кнU * ∆ Uвх = 0,0015 %/В * 3,15 В=0,00473 %
Изменение напряжение на выходе стабилизатора на основе интегральной
микросхемы :
∆ Uвых.ст = 0,00473 % * 0,15% =
0,0007%
Также можно найти коэффициент стабилизации при использовании микросхемы :
Кст.мк. =(3.15В / 21В )/(0,0007%/15В) = 3218
Коэффициент получился > 10. Ёмкость
выходных (С3 = С4) конденсаторов должна быть не менее 10 мкФ. Ёмкость конденсаторов цепи коррекции (С1 = С2) должна
находиться в пределе (0,001..0,2) мкФ. Основные
характеристики конденсаторов приведены в таблице 3 :
Таблица 3
|
Обозначение конденсатора
|
Тип
|
С , мкФ
|
U , В
|
Допуск , %
|
|
С1
|
К73-24
|
0,2
|
100
|
5
|
|
С2
|
К73-24
|
0,2
|
100
|
5
|
|
С3
|
К73-26
|
100
|
100
|
5
|
|
С4
|
К73-26
|
100
|
100
|
5
|
Конденсаторы
выбираются из условия, что напряжение должно быть больше , чем
.
.2
Расчет выпрямителя
Однофазный однополупериодный выпрямитель является простейшим. В таком
выпрямителе ток через нагрузку протекает лишь в течение полупериода сетевого
напряжения.
Рисунок 4 - Мостовая схема двухполупериодного выпрямителя
Определим ток на выходе выпрямителя, он же будет являться входным для
стабилизатора.
ток напряжение усилитель выпрямитель
Iд
= Iпотр. + Iн.ст.
Iд
= 7,5мА + 32мА=39,5
мА
Из соотношения для двухполупериодного выпрямителя Iд»2Uвх/pRн найдём
амплитудное значение входного напряжения выпрямителя
Для этого рассчитаем сопротивление Rн :
н=Uвх/Iвх ст
Где , Uвх - входное напряжение схемы
Iвх
ст - входной ток
стабилитрона
н=
21/39,5*10-3=531 Ом
Uвх» (Iдp Rн) / 2»32,9 В
Далее выбираем выпрямительный диод Д229И из учёта что , Uобр > Uвх
Основные характеристики диода приведены в таблице 4 :
Таблица 4
|
Тип диода
|
Uобр , В
|
Iпр , А
|
|
Д229И
|
200
|
0,7
|
Проверяем правильность выбора диода :
обр max > Uвх > 34 В
Следовательно диод выбран правильно.
Рассчитаем коэффициент трансформации понижающего трансформатора от 220 В
:
= Uвх /Ö2* 220 = 34
/Ö2* 220=0,109
Конденсаторы выбираются с соблюдением условия, что :
н*С>>1/f
=100 Гц, потому что выбран двухполупериодный выпрямитель.
Выражаем ёмкость :
С>>1/f*Rн
Подставив в выражение рассчитанные ранее значения, получаем
С>>18,8 мкФ.
Характеристики конденсатора приведены в таблице 5 :
Таблица 5.
|
Тип конденсатора
|
Ёмкость , мкФ
|
Напряжение , В
|
|
Расчётная
|
Номинальная
|
Расчётное
|
Номинальное
|
|
К73-26
|
18,8
|
100
|
34
|
100
|
3.
Расчет усилителя
постоянного тока
Усилитель - устройство , предназначенное для усиления входного сигнала по
напряжению за счёт преобразования энергии источника питания в энергию входного
сигнала.
Он нужен для обеспечении условий при которых маломощный сигнал управляет
изменением существенно большего выходного напряжения обусловленного наличием в
выходной цепи источника питания.
3.1
Расчет коэффициента
передачи усилителя и выбор структурной схемы
Структурная схема усилителя представлена на рисунке 5
Рисунок 5 - Структурная схема усилителя постоянного тока
ПУ - предварительный усилитель
ФНЧ - фильтр нижних частот
УТВ - усилитель с токовым выходом
Рассчитаем проводимость схемы
ус = Iвых / Uвх=20 мА / 20 мВ = 1 (А/В),
где Iвых - выходной сигнал усилителя
Uвх - входной сигнал усилителя
К=1 В/ 20 мВ = 50
Распределим коэффициент передачи усилителя между отдельными каскадами :
К= Кпу * Кфнч
Кпун - коэффициент усиления предварительного усилителя
Кфнч - коэффициент усиления фильтра низких частот
Примем
Кпун = 25
Кфнч = 2
3.2
Расчет предварительного
усилителя
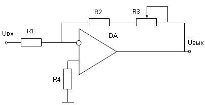
Схема предварительного усилителя представлена на рисунке 6
Рисунок 6 - Предварительный усилитель
Коэффициент усиления каскада рассчитывается как :
Кун=(R2 + R3)/R1
Примем R1=10 кОм, R2=250 кОм
Выберем подстроечный резистор R3 для коррекции коэффициента передачи
3=300 Ом
Кун=(250+0,3)/10=25,03 » 25
Резистор R4 необходим для
выставления 0. Его сопротивление рассчитывается из соотношения :
4= R1(R2+R3) / R1 + R2 + R3
R4=10(250+0,3)
/ 10 + 250 + 0,3 =9,7 кОм
Параметры резисторов приведены в таблице 6 :
Таблица 6.
|
Обозна- чение
|
Тип резистора
|
Сопротивление , кОм
|
Номинальная мощность , Вт
|
Допуск , %
|
|
|
Расчётное
|
Номинальное
|
|
|
|
R1
|
C2-14
|
10
|
11
|
0,125
|
±0,1
|
|
R2
|
C2-14
|
250
|
270
|
0,125
|
±0,1
|
|
R3
|
СПЗ-39
|
0,3
|
0,3
|
0,125
|
±0,1
|
|
R4
|
C2-14
|
9,7
|
10
|
0,125
|
±0,1
|
Для усилителя напряжения выбираем микросхему К140УД17
Основные характеристики микросхемы приведены в таблице 7 :
Таблица 7.
|
Тип
|
K
|
Iп , мА
|
TКесм, мкВ / К
|
Uп , В
|
|
К140УД17
|
150000
|
5
|
1,3
|
±15
|
3.3
Расчет фильтра низких
частот
В качестве фильтра будем использовать активный фильтр 2 - го порядка на ОУ.
Выбираем фильтр Баттерворта (схема Рауха)
Общий вид фильтра Баттерворта 2 - го порядка представлен на рисунке 7.
Рисунок 7 - Фильтр нижних частот 2 - го порядка
Конденсатор С1 выбирается из соотношения
С1»10/fс мкФ,
где fс - частота среза, заданная в
техническом задании (300 Гц)
С1=10/300=0,03 мкФ
Значение ёмкости С2 должно удовлетворять условию
С2£ (В2 * С1/
4С(К+1))
В,С - безразмерные коэффициенты
В=1,4142
С=1
К- коэффициент усиления ФНЧ
С2 £ 5 нФ
Выбираем значения резисторов

R2=72
кОм
Сопротивление R1 определяется из
соотношения :
= R2 / K= 36 кОм
Сопротивление R3 определяется по
формуле :
где
, wc=2*Pi*fc*C
R3 = 26 кОм
Параметры
конденсаторов приведены в таблице 8 :
Таблица
8
|
Обозначение конденсатора
|
Расчетные параметры
|
Тип
|
Номинальные параметры
|
|
Емкость, мкФ
|
|
Емкость, мкФ
|
Отклонение, %
|
Напряжение, В
|
|
С1
|
0,03
|
К10-36
|
5
|
50
|
|
С2
|
0,005
|
К10-36
|
0,005
|
5
|
50
|
Параметры резисторов приведены в таблице 9 :
|
Обозна- чение
|
Тип резистора
|
Сопротивление , кОм
|
Номинальная мощность , Вт
|
Допуск , %
|
|
|
Расчётное
|
Номинальное
|
|
|
|
R1
|
C2-14
|
36
|
36
|
0,125
|
±0,1
|
|
R2
|
C2-14
|
72
|
75
|
0,125
|
±0,1
|
|
R3
|
С2-14
|
26
|
27
|
0,125
|
±0,1
|
Для ФНЧ возьмём микросхему К140УД17
Характеристики микросхемы приведены в таблице 10 :
Таблица 10
|
Тип
|
K
|
Iп , мА
|
TКесм, мкВ / К
|
Uп , В
|
|
К140УД17
|
150000
|
5
|
1,3
|
±15
|
3.4
Расчет усилителя с
токовым выходом
Так как выходной сигнал задан виде тока, нам необходимо преобразовать
входное напряжение , на выходе , в ток.
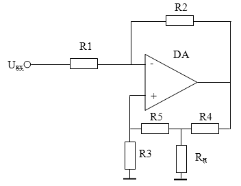
Функциональная схема усилителя с токовым выходом представлена на рисунке
8
Рисунок 8 - Усилитель с токовым выходом.
Для постоянства тока в нагрузке введём равенство :
1*(R4+R5)=R2*R3
Примем :
1=R3
R5+R4=R2
R1 = R3 = 50 кОм , тогда :
R2 = K*R1
R2 =
6*50 = 300 кОм.
R4 = Uвх*R2 / R1 * Iн
R4 =
1В * 300 кОм / 50 кОм * 20 мА
R4 =
300 Ом
R5 = R2 - R4
R5 =
300 кОм - 300 Ом
R5 =
299,7 кОм
Выберем резисторы R1,
R2, R3, R4, R5 типа С2-14, с номинальной мощностью 0,125 Вт.
Параметры резисторов приведены в таблице 11 :
|
Обозна- чение
|
Тип резистора
|
Сопротивление , кОм
|
Номинальная мощность , Вт
|
Допуск , %
|
|
|
Расчётное
|
Номинальное
|
|
|
|
R1
|
C2-14
|
50
|
51
|
0,125
|
±0,1
|
|
R2
|
C2-14
|
300
|
300
|
0,125
|
±0,1
|
|
R3
|
С2-14
|
50
|
51
|
0,125
|
±0,1
|
|
R4
|
C2-14
|
0,3
|
0,3
|
0,125
|
±0,1
|
|
R5
|
C2-14
|
299,7
|
300
|
0,125
|
±0,1
|
Проверим ток Iн :
н
= (U1 -
U2)*R2 / R1*R4н = 1 В * 300 кОм / 50 кОм * 0,3 кОм
Iн
= 0,02 А
Для данного усилителя выберем микросхему К140УД17
Характеристики данной микросхемы были приведены выше.
4. Расчет погрешностей
Расчет погрешностей выполняется для того чтобы оценить правильности
выбора схемы преобразователя и его корректировки , если это необходимо.
.1
Расчет температурной
погрешности
Определение погрешностей делается на основании анализа функции
преобразования, которая связывает входной и выходной сигналы усилителя.
вых = f(Uвх)
Iвых = Кпу* Кфнч* Gутв*Uвх +j(F)
Кпу - коэффициент усиления предварительного усилителя
напряжения, Кфнч - коэффициент
усиления фильтра низких частот, Gутв -
проводимость усилителя с токовым выходом, j(F) - функция
влияния фактора F, вызывающего
погрешность. В случае определения температурной погрешности F - температура. При определении
погрешности от нестабильности напряжения F - относительное изменение напряжения питания. Для того, чтобы записать коэффициент передачи усилителя в
условиях действия влияющего фактора каждый из входящих в функцию преобразования
коэффициентов записывается с учётом его зависимости от фактора.
dТ = ( Iвых(T) - Iвых.
ном. ) / Iвых. ном.
Iвых(T) = Gус(Т)*Uвх + Dесм*Gус(Т)
Δесм
= Δесм1
+ Δесм2,
Температурный дрейф ОУ равен:
Δесм1 = Ткесм
* ΔТ,
ΔТ = Т2 - Т1 =
50 - (-30) = 80 град
Δесм1 = 1,3 * 10-6
* 80 = 104 * 10-6 В
Температурная нестабильность источника питания равна:
Δесм2 = Кп
* ΔUст
Кп = 200 мкВ/В
ΔUст = δUст * Uвых.ст / 100 %
δUст = ТКUст
*
ΔТ
δUст = 0,015 * 80 = 1,2%
ΔUст = δUст * Uвых.ст / 100 % = 0,18 В
Δесм2 = 200*10-6
* 0,18 = 36 * 10-6 В
Δесм = 104 * 10-6
+ 36* 10-6 = 140* 10-6 В
Возьмём номинальные коэффициенты усиления и коэффициенты передачи , т.к
резисторы выбрана одинаковой партии , их температурная погрешность тоже
одинакова и при вычислении она сократится :
Кпу = 36,03, Кфнч
= 4
Gутв = 0,02089, Gус.ном= 2,9818
Iвых(T) = Gус.номUвх + Gус.ном *Dесм
Iвых(T) = 2,9818*0,007+2,9818*0,000140
Iвых(T) = 0,02109 А
dТ = ( Iвых(T)-Iвых. ном.)/ Iвых. ном.
dТ = (0,02109
А - 0,02089 А) / 0,02089 А
dТ = 0,9573
Полученная погрешность 0,9573% < 1%, следовательно удовлетворяет
техническому заданию.
.2
Расчет погрешности от
нестабильности питающего напряжения
Фактором, вызывающим погрешность, в этом случае является нестабильность
напряжения питания, заданная в ТЗ.
DUвх.
стаб = 21*0,15 =
3,15 В
dUст = Кстаб*DUвх. стаб = 0,0015*3,15 = 0,0063
DUстаб =dUст*15 =
0,0009 В
Dесм(U)=
200*10-6*0,0009 = 0,18*10-6 В
I(DU) = Dесм(U)*2,9818 = 0,536*10-6 А
dТ =I(DU)/ Iвых. ном.
dТ = 0,536*10-6 / 20,89 * 10-3
dТ =
0,0000256 %
Полученная погрешность 0,0000256 % < 0,2 %, следовательно
удовлетворяет техническому заданию.
Заключение
В данной курсовой работе был разработан усилитель постоянного тока на
микросхеме К140УД17.
В ФНЧ был использован фильтр Баттерворта (Схема Рауха) второго порядка ,
характеристика которого является наиболее приемлемой.
Соблюдая все необходимые условия, получили достаточно качественный
усилитель постоянного тока, удовлетворяющий всем поставленным условиям.
Параметры усилителя:
·
питание - 220 В,
50 Гц;
·
выходной сигнал -
20 мА;
·
частотный
диапазон - 0…300 Гц;
·
температурный
диапазон - -30…+50 град;
·
нестабильность
выходного сигнала усилителя - 0,0000256 %;
·
температурная
погрешность - 0,9573 %.
Список
использованных источников
1. Гутников В. С. Интегральная электроника в
измерительных устройствах. - Ленинград, 1988.
2. Хоровиц П. Искусство схемотехники / П. Хоровиц, У.
Хилл. В 3-х т. Т1:Пер. с англ. - М.: Мир, 1993.
. Цифровые и аналоговые интегральные микросхемы:
Справочное пособие / Якубовский С. В., Кулешова В. И. и др. / Под ред. С. В.
Якубовского. - 2-е изд. - М.: Радио и связь, 1990.
. Дж. Б. Данс. Операционные усилители : принцип работы
и применение / Под ред. Е.А. Богатырева. - Москва, 1982.