Проектирование стабилизированных источников питания электронной аппаратуры различного назначения

  • Вид работы:
    Курсовая работа (т)
  • Предмет:
    Информатика, ВТ, телекоммуникации
  • Язык:
    Русский
    ,
    Формат файла:
    MS Word
    157,72 Кб
  • Опубликовано:
    2012-12-09
Вы можете узнать стоимость помощи в написании студенческой работы.
Помощь в написании работы, которую точно примут!

Проектирование стабилизированных источников питания электронной аппаратуры различного назначения















Проектирование стабилизированных источников питания электронной аппаратуры различного назначения

Введение

Для работы электронных устройств (ЭУ) ответственного назначения необходимы стабилизированные источники питания, которые используются для питания анодных цепей электронных ламп, транзисторных и интегральных схем, различных цепей смещения и т.п.

Структурная схема стабилизированного источника питания ЭУ

Основными частями стабилизированного источника питания являются выпрямитель и стабилизатор постоянного напряжения (СПН)

Выпрямитель состоит из следующих элементов

-       силового трансформатора;

-       схемы выпрямления;

-       сглаживающего фильтра.

Силовой трансформатор служит для повышения или понижения напряжения сети до необходимой величины. Схема выпрямления состоит из одного или нескольких вентилей, обладающих односторонней проводимостью тока и выполняющих основную функцию выпрямителя - преобразование переменного тока в постоянный (пульсирующий). Сглаживающий фильтр предназначен для уменьшения пульсаций выпрямленного тока. Стабилизатор постоянного напряжения предназначен для автоматического поддержания с требуемой точностью постоянного напряжения на нагрузке при изменении дестабилизирующих факторов в обусловленных пределах.

Целью работы является синтезирование блока питания с компенсационным стабилизатором напряжения (КСН). В компенсационных стабилизаторах производится сравнение фактической величины входного напряжения с его заданной величиной и в зависимости от величины и знака рассогласования между ними автоматически осуществляется корректирующее воздействие на элементы стабилизатора, направленное на уменьшение этого рассогласования.

Принимаем КСН последовательного типа, со следующей функциональной схемой.


КСН состоит из следующих функциональных блоков: регулирующего элемента (РЭ); схемы сравнения (СС), включающей в себя источник опорного напряжения и сравнивающий делитель, вырабатывающий сигнал рассогласования между выходным и опорным напряжениями; усилителя постоянного тока (У), усиливающего сигнал рассогласования между выходным и опорным напряжениями и управляющего работой регулирующего элемента.

Основными параметрами, характеризирующими стабилизатор, являются:

. Коэффициент стабилизации, представляющий собой отношение относительного изменения напряжения на входе к относительному изменению напряжения на выходе стабилизатора.


где:вх и Uвых - номинальное напряжение на входе и выходе стабилизатора.

ΔUвх и ΔUвых - изменение напряжений на входе и выходе стабилизатора.

Коэффициенты стабилизации служат основными критериями для выбора рациональной схемы стабилизации и оценки ее параметров.

. Выходное сопротивление, характеризующее изменение выходного напряжения при изменении тока нагрузки и неизменном входном напряжении.


. Коэффициент полезного действия, равный отношению мощности в нагрузке к номинальной входной мощности.



4. Дрейф (допустимая нестабильность) выходного напряжения. Временной и температурный дрейф характеризуется величиной относительного и абсолютного изменения выходного напряжения за определенный промежуток времени или в определенном интервале температур.

1.      Исходные данные для расчета


Номинальное напряжение питающей сети Uс = 220 В

Частота питающей сети ƒс = 50 Гц

Отклонения напряжения сети от номинального а = ±3%

Номинальное выходное напряжение стабилизатора Uвых = 30 В

Минимальное выходное напряжение стабилизатора Uвых.min = 15 В

Максимальное выходное напряжение стабилизатора Uвых.max = 40 В

Максимальный ток нагрузки Iн.max = 4 А

Минимальный ток нагрузки Iн.min = 0

Коэффициент стабилизации Кст = 1000

Выходное сопротивление ri = 0,01 Ом

Допустимая амплитуда пульсаций выходного напряжения Uвх~ = 3 мВ

Изменение выходного напряжения при работе в заданном диапазоне температур ΔUвых(t) = 0,3 мВ/°С.

Температурный диапазон: tокр = -20..+ 40°C.

2.      Расчет силовой части стабилизатора


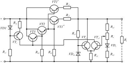
Так как требуется высокий коэффициент стабилизации и маленькое температурное отклонение напряжения, применяем следующую принципиальную схему КСН


Регулирующим элементом служит составной транзистор. В качестве усилительного элемента обратной связи применяем дифференциальный усилитель постоянного тока, в котором происходит компенсация температурного дрейфа.

Источником питания усилителя служит источник тока на транзисторе.

Определяем максимальный коллекторный ток регулирующего транзистора

Iкр1.max = Iн.max + Iвн = 4 + 0,02 = 4,02 А

где Iвн = 20..30 мА - ток, потребляемый схемой стабилизатора.

Так как усилитель постоянного тока питается от входа стабилизатора через стабилизатор тока принимаем в качестве VD1 2 диода Д223Б с параметрами:

Допустимое обратное напряжение Uобр = 150 В

Среднее значение выпрямленного тока IVD1ср = 0,05 А

Падение напряжения в прямом направлении UVD1.max = 1 В

Зададимся минимальным напряжением регулирующего транзистора.

Uкэ1.min = UVD1 + (2..3) = n×UVD1.max + (2..3) = 2×1 + 2 = 2 + 2 = 4 B,

где UVD1 = n×UVD1.max - падение напряжения в диодном плече VD1 стабилизатора тока;

n = 2 - количество диодов в плече;

Амплитуда пульсаций напряжения на входе КСН:

U~ = (0,05.. 0,1)×(Uвых.max + Uкэ1.min) = 0,05×(40 + 4) = 3,85 B

Напряжения на входе стабилизатора минимальное

Uвх.min = Uвых.max + Uкэ1.min + Uвх~ = 40 + 4 + 3,85 = 47,85 B

номинальное

Uвх =

Uвх.min

=

47,85

= 49,33 В


1 - а


1 - 0,03



максимальное

Uвх.max = Uвх(1 + а) = 49,33 (1 + 0,03) = 50,81 В

Максимальное напряжение на входе КСН при минимальной силе тока нагрузки

49,33

= 53,28 В

4

где ro = (0,05.. 0,15)×Uвх/Iн.max - ориентировочное внутреннее сопротивление выпрямителя с фильтром

Максимальное напряжение между коллектором и эмиттером регулирующего транзистора

Uкэ1.max = Uвх.м.max - Uвых.min = 53,28 - 15 = 38,28 В

Максимальная мощность, рассеиваемая регулирующим транзистором

Ркр1.max = (Uвх.max - Uвых.min)× Iкр1.max = (50,81 - 15)× 4,02 = 143,96 Вт

В качестве VT1 принимаем nпар = 4 параллельных транзистора 2Т825 Б (n-p-n) с параметрами Uкэ.max = 60 B, Iк.max = 20 A

Pк.max = 160 Вт (с теплоотводом)

Коэффициент передачи по току

h21э = β = 750..18000

Максимальный обратный ток коллектора

Iк0.max = 20 мА

Максимальная температура перехода

tп.max = 175°C

Тепловое сопротивление «переход-корпус»

Rt п-к = 1,2°С / Вт

Мощность рассеиваемая каждым транзистором

Р'кр1.max = Ркр1.max/nпар = 143,96/4 = 35,99 Вт

Площадь теплоотвода:

S'VT1 =

Р'кр1.max

=


kt[tп.max - tокр.max - Р'кр1.max ×(Rt п-к + Rt к-m)]



=

35,99

= 1307 см2 < 1500 см2


0,0003 [175 - 40 - 35,99×1,2]



Для выравнивания силы токов парараллельно включенных транзисторов в цепи эмиттеров вводим симметрирующие резисторы

Для транзистора 2Т825 Б падение напряжения «коллектор-эмиттер» при токе Iкр1.max = 4А

Uкэ = 2 B.

Сопротивление симметрирующего резистора

Rс = nпар×Uкэ/Iкр1.max = 4×2/4 = 2,000 Ом

Мощность, выделяемая резистором

PRc = [Iкр1.max/ nпар]2 × Rc = [4,02/ 4]2 × 2 = 2,02 Вт

Уточняем значения напряжений с учетом симметрирующих сопротивлений

URc = [Iкр1.max/ nпар]×Rc = [4,02/ 4]×2 = 2,68 В

Uвх.min = Uвых.max + Uкэ1.min + Uвх~ + URc = 40 + 4 + 3,85 + 2,68 = 50,53 B

Uвх =

Uвх.min

=

50,53

= 52,09 В


1 - а


1 - 0,03



Uвх.max = Uвх(1 + а) = 52,09 (1 + 0,03) = 53,66 В

Uвх.м.max = Uвх.max + (Iн.max - Iн.min)×ro = 53,66 + (4 - 0)×0,07×

52,09

= 56,26 В


4



Uкэ1.max = Uвх.м.max - Uвых.min = 56,26 - 15 = 41,26 В

Определяем количество каскадно включенных транзисторов, входящих в составной регулирующий транзистор.

Базовый ток составного регулирующего транзистора должен быть на порядок меньше коллекторного тока усилителя ПТ обратной связи. Так как в качестве VTy могут быть использованы маломощные транзисторы, то значение Iкy принимаем равным 2..5 мА.

Тогда ток базы составного регулирующего транзистора не должен превышать 0,2.. 0,5 мА.

Определяем суммарный максимальный и минимальный базовые токи параллельно включенных транзисторов VT1:

Iб1.max = Σ I'б1.max =

Iкр1.max

=

4,02

= 5,36×10-3 А


β1min


750




Iб1.min = Σ I'б1.min =

Iкр1.min

=

0,02

= 0,001×10-3 А


β1max


18000


IRб1 = (1..15)×nпар ×(Iк0.1.max - Iб1.min) = 1,5×4× (20 - 0,001)×10-3 = 120,0×10-3 А

Сопротивление резистора Rб1:

Rб1 =

Uвых.min

=

15

= 125,01 Ом


IRб1


120,0×10-3



Принимаем по Е24 Rб1 = 120 Ом

Мощность резистора Rб1:

РRб1 =

(Uвых.max)2

=

402

= 13,33 Вт


Rб1


120



Находим условия работы транзистора VT2:

Iк2.max ≈ Iэ2.max = Iб1.max+IRб1.max=Iб1.max+

Uвых.max

=5,36×10-3+

40

= 0,339 А


Rб1


120


кэ2.max ≈ Uкэ1.max = 41,26 В

Ркр2.max = (Uвх.max - Uвых.min)× Iк2.max = (53,66 - 15)× 0,339 = 13,09 Вт

В качестве VT2 принимаем транзистор КТ805Б (n-p-n) с параметрами

Uкэ.max = 135 Bк.max = 8 Aк.max = 30 Вт (с теплоотводом)

Коэффициент передачи по току

h21э = β = 15..35

Максимальный обратный ток коллектора

Iк0.max = 5 мА

Максимальная температура перехода

tп.max = 150°C

Тепловое сопротивление перехода

Rt = 35°С / Вт

Тепловое сопротивление «переход-корпус»

Rt п-к = 3,3°С / Вт

Тепловое сопротивление «корпус-среда»

Rt к-m = 0,4°С / Вт

Рассчитываем предельную мощность, которую может рассеивать транзистор без теплоотвода при максимальной температуре среды

Рпред =

tп.max - tокр.max

=

150 - 40

= 3,14 Вт


Rt


35



Поскольку Ркр2.max > Рпред рассчитываем теплоотвод

Площадь теплоотвода:

SVT2 =

Ркр2.max

=


kt[tп.max - tокр.max - Ркр2.max ×(Rt п-к + Rt к-m)]



=

13,09

= 532 см2


0,0004 [150 - 40 - 13,09×(3,3 + 0,4)]



Определяем максимальный и минимальный базовые токи транзистора VT2:

Iб2.max =

Iк2.max

=

0,339

= 22,6×10-3 А


β2min


15





Iб2.min =

Iкр1.min

IRб1

=

0,02

+

120,0×10-3

= 3,43×10-3 А


β1min β2max


β2max


750×35


35



Ток через резистор Rб2:

IRб2 = (1..15)× (Iк0.2.max - Iб2.min) = 1,5× (5 - 3,43)×10-3 = 2,36×10-3 А

Сопротивление резистора Rб2:

Rб2 =

Uвых.min

=

15

= 6366,0 Ом


IRб2


2,36×10-3



Принимаем по Е24 Rб2 = 6800 Ом = 6,8 кОм

Мощность резистора Rб2:

РRб2 =

(Uвых.max)2

=

402

= 0,24 Вт


Rб2


6800



Находим условия работы транзистора VT3:

Iк3.max =

Iк2.max

+

Uвых.max

=

0,339

+

40

= 15,56×10-3 А


β2max


Rб2


35


6800


кэ3.max = Uкэ2.max ≈ Uкэ1.max = 41,26 В

Ркр3.max = (Uвх.max - Uвых.min)× Iк3.max = (53,66 - 15)× 15,56×10-3 = 0,601 Вт

В качестве VT3 принимаем транзистор КТ807Б (n-p-n) с параметрами

Uкэ.max = 100 Bк.max = 0,5 Aк.max = 10 Вт (без теплоотвода)

Коэффициент передачи по току

h21э = β = 60..200

Максимальный обратный ток коллектора

Iк0.max = 0,03 мА

Максимальная температура перехода

tп.max = 150°C

Тепловое сопротивление перехода

Rt = 120°С / Вт

Рассчитываем предельную мощность, которую может рассеивать транзистор без теплоотвода при максимальной температуре среды

Поскольку Ркр3.max < Pк.max тепловой расчет не требуется

Максимальный входной ток базы составного регулирующего транзистора

Iб3.max =

Iк3.max

=

15,56

= 0,26 мА


β3min


60



Входной ток базы соответствует ранее выбранным пределам (0,2.. 0,5 мА). Принимаем три каскадно включенных транзистора в составном регулирующем транзисторе.

3.      Расчет измерительного и усилительного элементов


Стабилитрон VDоп, используемый в качестве источника опорного напряжения выбираем из условия максимального напряжения:

Uоп.max ≤ Uвых.min - (2..3B) = 15 - 3 = 12 B

Выбираем стабилитрон Д818Б с параметрами:

Среднее напряжение стабилизации

Uст.min = 7,65 В

Uст.max = 9 В

Iст.min = 3 Aст.max = 32 A

Температурный коэффициент

νст.max = -0,02%/°C

Гасящее сопротивление опорного стабилитрона усилителя ПТ:

RГ2 =

Uвых.min - Uст.max

=

15 - 9

= 2000 Ом


Icт.min


3×10-3



Принимаем по Е24 RГ2 = 2000 Ом = 2 кОм

Мощность резистора RГ2:

РRГ2 =

(Uвых.max - Uст.min)2

=

(40 - 7,65)2

= 0,523 Вт


RГ2


2000



Задаемся максимальным током коллектора транзисторов VTy1, VTy2 усилителя ПТ обратной связи в пределах 2..5 мА

Iку1.max = Iку2.max = Iку.max = 2 мА

Максимальное напряжение между коллектором и эмиттером

Uкэу1.max = Uкэу2.max = Uкэу.max = Uвх.max - Uст.min = 53,66 - 7,65 = 46,01 B

Мощность, рассеваемая коллектором

Pку1.max = Pку2.max = Pку.max = Uкэу.max Iку.max = 46,01×2×10-3 = 0,092 Вт = 92 мВт

В качестве VTу1 и VTу2 принимаем транзисторы КТ301A (n-p-n) с параметрами

Uкэ.max = 20 B

Iк.max = 10 мA

Pк.max = 150 мВт (при 75°С)

Коэффициент передачи по току

h21э = β = 40..120

Максимальный обратный ток коллектора

Iк0.max = 10 мкА

Максимальная температура перехода

tп.max = 120°C

Поскольку Pку.max < Pк.max тепловой расчет не ведем.

Эмиттерное сопротивление усилителя ПТ

Rэу =

Uст.min

=

7,65

= 1912,50 Ом


2Iку.max


2×2×10-3



Принимаем по Е24 Rэу = 2000 Ом

Мощность резистора Rэу:

РRэу =

(Uст.max)2

=

92

= 0,0405 Вт


Rэу


2000



Рассчитываем стабилизатор тока, являющийся нагрузкой усилителя ПТ обратной связи.

Минимальный ток выпрямления через диод VD1 соответствующий на вольтамперной характеристике Д223Б минимальному току линейного участка равен: IVD1.min = 5 мА.

Гасящее сопротивление стабилизатора тока:

RГ1 =

Uвых.min - UVD1

=

15 - 2

= 2600,00 Ом


IVD1.min


5×10-3



Принимаем по Е24 RГ1 = 2700 Ом

Мощность резистора RГ1:

РRГ1 =

(Uст.max)2

92

= 0,988 Вт


RГ1


2700



Так как транзистор VTc маломощный принимаем среднее напряжение «база-эмиттер»

Uбэ.с = 0,7 В

Эмиттерное сопротивление стабилизатора тока:

Rэ1 =

UVD1 - Uбэ.с

=

2 - 0,7

= 746,8 Ом


Iку.max + Iб3.max


2×10-3 + 0,26×10-3



Принимаем по Е24 Rэ1 = 820 Ом

Мощность резистора Rэ1:

РRэ1 =

(UVD1 - Uбэ.)2

=

(2 - 0,7)2

= 0,002 Вт


Rэ1


820



Находим условия работы транзистора VTс:

Iкс.max = Iку.max + Iб3.max = 2×10-3 + 0,26×10-3 = 10,25932×10-3 А

Uкэ.с.max = Uкэ1.max - UVD1 = 41,26 - 2 = 36,28 В

Ркс.max = Uкэ.с.max× Iкс.max = 36,28× 10,25932×10-3 = 0,372 Вт = 372 мВт

В качестве VTс принимаем транзистор КТ203Б (n-p-n) с параметрами

Uкэ.max = 30 B

Iк.max = 10 мA

Pк.max = 150 мВт (при 75°С)

Коэффициент передачи по току

h21э = β = 30..100

Максимальный обратный ток коллектора

Iк0.max = 15 мкА

Максимальная температура перехода

tп.max = 150°C

Поскольку Pкс.max < Pк.max тепловой расчет не ведем.

Рассчитываем максимальную силу тока стабилитрона VDоп:

IVDоп.max =

Uвых.max - Uст.min

+ Iку.max =

40 - 7,65

+ 2×10-3 = 16,18×10-3 А = 16,18мА< Iст.max


RГ2


2000



Принимаем ток измерительного делителя напряжения равным Iдел = 2 мА

Находим коэффициенты

αmin =

Uст.min

=

7,65

= 0,201


Uвых.max


40



αmax =

Uст.max

=

9

= 0,600


Uвых.min


15



Ориентировочное сопротивление делителя

Rдел =

Uвых.min

=

15

= 7500 Ом


Iдел


2×10-3

Принимаем по Е24 Rд2 = 1500 Ом

PRд2 = Rд2× Iдел2 = 1500×(2×10-3)2 = 0,0060 Вт

Rд1 = (1 - αmax) Rдел = (1 - 0,600)×7500 = 3000 Ом

Принимаем по Е24 Rд1 = 3000 Ом

PRд1 = Rд1× Iдел2 = 3000×(2×10-3)2 = 0,012 Втп ≥ Rдел - Rд1 - Rд2 = 7500 - 1500 - 3000 = 3000 Ом

Принимаем по Е24 Rп = 3000 Ом

Пересчитаем сопротивление делителя

Rдел = Rд1 + Rд2 + Rп = 1500 + 3000 + 3000 = 7500 Ом.

4.      Расчет температурной компенсации

стабилизированный питание транзистор ток

Температурную компенсацию выполняем включением в плечо делителя компенсационного диода VDk, если расчетное значение температурного коэффициента стабилизатора больше заданного. Если ТКС положителен включаем компенсирующий диод в верхнее плечо, если отрицателен, то в нижнее.

Максимальный ТКН опорного стабилитрона:

γоп.max = νст.max×Uст.ср = -0,02×8,3 = -1,66 мВ/°С

Для маломощных транзисторов VTy1, VTy2 усилителя ПT максимальный и минимальный температурные коэффициенты перехода «база-эмиттер» принимаем равными:

γбэ.у.min = -1,9 мВ/°С

γбэ.у.max = -2,5 мВ/°С

Вычисляем максимальный ТКС при отсутствии термокомпенсирующих диодов

γmax =

Uвыхоп.max - γбэ.у.min + γбэ.у.max)

=

30 [-1,66 - (-1,9) +(-2,5)]

= -7,33 мВ/°С


Uст.max


9



Уточняем силу тока делителя

Iдел =

Uвых

=

30

= 4,00 мА


Rдел


7500



Выбираем в качестве компенсирующего диод Д814Б и по графику рис. 2.1 [1] при токе 4,00 мА находим температурный коэффициент диода γk = -1,85 мВ/°С

Рассчитываем количество компенсирующих диодов

Nk =

Uвых×γоп.max

=

-1,66×30

= 3,2


Uст.max×γk


-1,85×9



Принимаем в нижнем плече 4 диода Д814Б.

Принимая, что термокомпенсирующие диоды имеют разброс температурного коэффициента Δγ = ±0,1 мВ/°С, находим минимальный температурный коэффициент термокомпенсирующего диода

γk.min = γk + Δγ = -1,85 + 0,1 = -1,75 мВ/°С

Наибольший температурный коэффициент стабилизатора при наличии термокомпенсации:

γk.max = γmax - Nk× γk.min = -7,33 - 4×(-1,75) = -0,33 мВ/°С

Расчетное значение приблизительно равняется заданному 0,3 мВ/°С.

Выводы


В результате выполнения курсовой работы был получен стабилизированный источник питания с высоким коэффициентом стабилизации. Конструкция источника питания получилась громоздкой. Но благодаря развитию импульсной техники большинство маломощных источников питания обладает импульсным принципом работы. При этом снижаются габариты, и повышается КПД источников питания.

Список литературы


1.     Электротехника и основы электроники: Учебное пособие по курсовому проектированию для студентов специальностей 2102 всех форм обучения / Норильский индустр. ин-т./ М.А. Авербух, А.Г. Карпов - Норильск, 2008.

2.       Полупроводниковые стабилизаторы постоянного напряжения и тока. - М. Сов. Радио. 1980.

.        Справочник по полупроводниковым диодам транзисторам и интегральным схемам/ Под ред. Н.Н. Горюнова - М. Энергия, 1977.

.        Полупроводниковые приборы: Диоды, тиристоры, оптоэлектронные приборы: Справочник/ Под ред. Н.Н. Горюнова - М. Энергоиздат, 1982.

.        Источники электропитания на полупроводниковых приборах. Проектирование и расчет/ Под ред. С.Д. Додика и Е.И. Гальперина - М. Сов. Радио. 1968.

Похожие работы на - Проектирование стабилизированных источников питания электронной аппаратуры различного назначения

 

Не нашли материал для своей работы?
Поможем написать уникальную работу
Без плагиата!
Без нейросетей!