Расчет схемы двухканального блока питания управляющего устройства
ВВЕДЕНИЕ
Блок питания (БП) - устройство, предназначенное для формирования
напряжения, необходимого системе, из напряжения электрической сети. Чаще всего
блоки питания преобразуют переменное напряжение сети 220 В частотой 50 Гц (для
России, в других странах используют иные уровни и частоты) в заданное
постоянное напряжение.
Классическим блоком питания является трансформаторный БП. В общем случае
он состоит из понижающего трансформатора, у которого первичная обмотка
рассчитана на сетевое напряжение. Затем устанавливается выпрямитель,
преобразующий переменное напряжение в постоянное. В большинстве случаев
выпрямитель состоит из одного диода (однополупериодный выпрямитель) или четырёх
диодов, образующих диодный мост (двухполупериодный выпрямитель). Иногда используются
и другие схемы, например, в выпрямителях с удвоением напряжения. После
выпрямителя устанавливается фильтр, сглаживающий колебания. Обычно он
представляет собой просто конденсатор большой ёмкости.
Основными элементами, на которых построен блок питания в данном курсовом
проекте, являются:
трансформатор;
диодный мост;
интегральный стабилизатор напряжения;
усилительный каскад.
1. Техническое задание
Напряжение на выходе первого канала электронного блока питания (ЭБП):
В.
Напряжение на выходе второго канала ЭБП:
В.
Номинальный ток нагрузки первого канала ЭБП:
А.
Номинальный ток нагрузки второго канала ЭБП:
А.
Нестабильность входного напряжения первого канала ЭБП:
Нестабильность входного напряжения второго канала ЭБП:
Нестабильность выходного напряжения первого канала ЭБП:
Нестабильность выходного напряжения второго канала ЭБП:
Уровень пульсации на выходе первого канала ЭБП:
В.
Уровень пульсации на выходе второго канала ЭБП:
В.
Максимальная температура окружающей среды:
С.
Минимальная температура окружающей среды:
С.
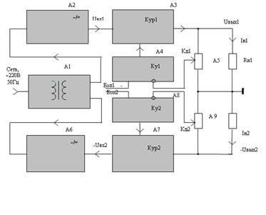
1.1 Электрическая функциональная схема блока питания
2. Оценка КПД компенсационных стабилизаторов и габаритной
мощности силового трансформатора
.1 КПД компенсационных стабилизаторов
Рассчитывается минимальное значение входного напряжения схемы:
где Uрэ min -минимальная разность потенциалов между коллектором и
эмиттером регулирующего транзистора, обеспечивающая его работу в нормальном
активном режиме, Uд - падение напряжения на диоде выпрямителя.
Для кремниевых транзисторов величина Uрэ min не превышает 4В, а в
кремниевых выпрямительных диодах малой и средней мощности прямое падение
напряжения не превышает 1В.
В,
В,
В,
;
,
В;
В.
Рассчитывается номинальное значение входного напряжения схемы:
,
В;
,
В.
Первоначально оценивается КПД схем компенсационных стабилизаторов
последовательного типа. Расчет КПД проводим с учетом потерь на диодах
выпрямителя:
,
;
,
.
2.2 Габаритная мощность
Рассчитывается габаритная мощность силового трансформатора.
Задаемся КПД трансформатора порядка 85%:
;
,
Вт;
Вт;
,
Вт.
.3 Расчет мощности, рассеиваемой регулирующими транзисторами
Рассчитывается максимальное входное напряжение подаваемое на вход
стабилизатора:
В;
В.
Рассчитывается максимальное падение напряжения на регулирующих элементах:

В;

В.
Рассчитывается максимальная мощность рассеиваемая на регулирующих
элементах:

Вт;

Вт.
2.4 Расчет абсолютного коэффициента стабилизации схем
Определяется величина входного напряжения:
,
В;
,
В.
;
,
,
.
Абсолютный коэффициент стабилизации:
,
;
,
.
2.5 Расчет необходимого коэффициента усиления схем усилителей
Поскольку датчики А5, А9 используются для коррекции выходного напряжения
стабилизаторов, то их коэффициенты передачи могут изменяться в пределах:
Задаётся минимальное значение этого коэффициента:
.
Простейшие схемы компенсационных стабилизаторов имеют Kпвх, незначительно
отличающийся от единицы. Принимается:
.
Коэффициент усиления регулирующего элемента, который в большинстве
случаев включается по схеме ОК, также близок к единице. Принимается:
.
Таким образом:
,
;
,
.
При расчете зададимся:
,
.
Расчет необходимого коэффициента усиления схем усилителей проводится по
формуле для определения коэффициента стабилизации:
,
;
,
;
где Kу - искомый коэффициент усиления УПТ;д -коэффициент передачи датчика
выходного напряжения, совмещающего функции корректора Uвых;ур -коэффициент
усиления по напряжению регулирующего элемента;п вх -коэффициент передачи
входного напряжения напрямую через регулирующий элемент.
Итак, получены все данные для выбора и расчета элементов электрической
принципиальной схемы стабилизаторов. Целесообразно начать расчет схемы с
большим значением Kу.
3. Выбор и расчет элементов электрической принципиальной
схемы
.1 Регулирующий элемент
Рассчитывается необходимый коэффициент передачи тока регулирующих
транзисторов. Для этого задаемся базовым током транзистора
в диапазоне 50...150 мА. Тогда:
А;
А;
,
;
,
Так как
< 100, то регулирующий элемент целесообразно выполнить по
схеме эмиттерного повторителя.
Максимально - допустимый ток коллектора выбранных транзисторов должен
превышать ток нагрузки в 1,5...2 раза. Предельно - допустимое напряжение на
коллекторе также должно быть выше максимального входного напряжения
регулирующего элемента как минимум в 1,5 раза.

: VT2:
КТ819Г КТ819АМ
N-P-N N-P-N
Ikmax=10
А Ikmax=10 А
β=12-225 β=15-225
Ukmax=90 В Ukmax=40 Вп=1.67 С/Вт Rп=1 C/Вт
3.2 Усилитель постоянного тока
Основные требования к УПТ - обеспечение заданного коэффициента усиления
по напряжению, а также высокой температурной стабильности этого коэффициента и
положения исходной рабочей точки.
Расчет резисторов R2,R3,R4.
Рассчитаем резистор R3.
, 
, 
Рассчитаем резистор R2.
Резистор R2 рассчитывается из следующего условия :
, 
,
Рассчитаем резистор R4.





3.2.1 Расчет резисторов R5,R6,R7.




Ом,
Ом,
Ом.
транзистор интегральный стабилизатор охладитель
Найдем ток, протекающий через делитель первого и второго каналов:
,
,
А.
Рассчитаем мощность, рассеиваемую каждым резистором делителя (для обоих
каналов):
,
Вт;
,
Вт;
,
Вт;
,
Вт;
,
Вт;
,
Вт.
3.3 Расчёт выходного сопротивления






, 
, 
,

,

, 
,

,

,

,

3.4 Расчет и выбор элементов схемы защиты от перегрузок по
току
Рассчитаем мощность, рассеиваемую резисторами R2-R4:
, 
, 
, 
, 
, 
, 
, 
, 
В соответствии с полученными данными выбираем следующие сопротивления::
С2-23-2Вт 300Ом(Δ5%)
R22: С1-4-0,5Вт 68Ом(Δ5%)
R31: С2-29В-0,125Вт 5,62кОм(Δ1%)
R32: С2-33Н-0,125Вт 1,27кОм (Δ5%)
R41: С2-23-2Вт 1,5Ом(Δ5%)
R42: KNP-100-1Вт 0,1Ом(Δ5%)
Для двух каналов выбираем R51=R52, R61=R62, R71=R72.: С2-29В-0,125Вт 15кОм(Δ0,1%)
R6: С2-23В-0,125Вт 30,1кОм(Δ0,5%)
R7: С2-29В-0,125Вт 118кОм(Δ0,25%)
4. Расчет и выбор конденсаторов сглаживающего фильтра

,

,

Для обеспечения рассчитанной ёмкости установим следующие конденсаторы:
канал: К50-35 4×С11=33000 мкФ 63 В.
канал: К50-35 С12=47000 мкФ 25 В + К50-35 2×С12=22000 мкФ 63 В.
Также в схеме используются следующие конденсаторы:
С2=0.1 мкФ К10-17Б H90
С3=10 мкФ К10-!9
5. Выбор силового трансформатора
В качестве силового трансформатора берётся специально разработанный для
применения в сетевых источниках питания полупроводниковой аппаратуры ТПП.
Напряжения на обмотках равны:
U11-12=19.8 В
U13-14=19.8 В
U15-16=4 В
U17-18=19.8 В
U19-20=19.8 В
U21-22=4 В
Для получения необходимого напряжения соединяем следующие обмотки:
канал: последовательно U11-12 , U13-14 , U15-16
.
канал: параллельно U17-18 , U19-20 .
Выбор диодов в схеме.
Диодные мосты:
канал-VD1 Д214Б Uобр=100 В.
Iср.пр=5
А.
канал-VD2 Д214А Uобр=100 В.
Iср.пр=10
А.
Диоды над регулирующими транзисторами:
VD
Д219С Uобр=70 В.
Iср.пр=50
мА.
6. Расчет
и оптимизация конструкции охладителей для силовых транзисторов
канал:
ИСХОДНЫЕ ДАННЫЕ,C= 125.000
Tcp,C= 50.000,C/Вт= 1.670,C/Вт= 1.110,Вт= 15.000
РЕЗУЛЬТАТЫ РАСЧЕТА,мм=
19.784,мм= 99.065,мм= 144.000,мм= 2.500,шт= 10.000,мм= 13.222,мм= 5.000,Вт=
26.978,C/Вт= 1.998,C/Вт= 1.830
Pohl,Вт=
16.377,C= 77.451,мм2= 71148.520
V,мм3=120324.400,г=
330.892min,мм= 90.000
L1max,мм=
200.000,мм= 15.000
Homax,мм= 35.000
ОПТИМАЛЬНЫЕ ПАРАМЕТРЫ ОХЛАДИТЕЛЯ,мм3=
95295.290
L1opt,мм= 92.000
Hopt,мм= 30.000
bopt,mm= 12.417,шт=
7.,г= 262.062
2 канал:
ИСХОДНЫЕ ДАННЫЕ
Tpn,C= 125.000,C=
50.000,C/Вт= 1.000,C/Вт= .446,Вт= 25.000
РЕЗУЛЬТАТЫ РАСЧЕТА,мм=
27.000,мм= 122.172,мм= 139.000,мм= 2.500,шт= 19.000,мм= 5.083,мм= 5.000,Вт=
51.867,C/Вт= 1.399
Roc,C/Вт= 1.279
Pohl,Вт=
27.335,C= 81.978,мм2=164488.300,мм3=241594.200
G,г= 664.384min,мм= 120.000
L1max,мм= 200.000
Homin,мм= 20.000
Homax,мм= 40.000
ОПТИМАЛЬНЫЕ ПАРАМЕТРЫ
ОХЛАДИТЕЛЯ,мм3= 226259.200
L1opt,мм=
121.000,мм= 30.000,mm= 4.906,шт= 17.,г= 622.213
Выводы и заключения
В результате выполнения курсового проекта было решено несколько задач:
во-первых, был выбран по требуемой мощности понижающий трансформатор. Он
был выбран по методическим указаниям: выбран стержневой трансформатор
ТПП305-127/220-50,с током первичной обмотки 0.790 А и током вторичной обмотки
1.53 А.
во-вторых, были выбраны диоды, на которых строятся диодные мосты. Для
канала с положительным напряжением выбираем выпрямительный диод Д214А, а для
канала с отрицательным напряжением - Д214Б.
в-третьих, были выбраны схемы интегральных стабилизаторов напряжения,
которые обеспечивают необходимую стабилизацию входного напряжения. Для канала с
положительным напряжением выбираем КРЕН1В, а для канала с отрицательным
напряжением - КРЕН2В.
в-четвёртых, были выбраны силовые регулирующие элементы (силовые
транзисторы) обеспечивающие рассчитанный коэффициент усиления. Для канала с
положительным напряжением выбираем КТ819АМ, а для другого канала выбираем
КТ819Г. Также был произведен расчёт и оптимизация конструкции охладителей
силовых транзисторов.
Итогом этого курсового проекта можно считать рассчитанную и полученную
схему двух канального блока питания управляющего устройства, вырабатывающего
следующие напряжения:+6.3 В и -27 В.
Литература
1. Полупроводниковые
приборы. Транзисторы средней и большой мощности: Справочник -2-е изд.,
стереотип.- А.А. Зайцев, А.И. Миркин, В.В. Мокряков и др.: Под ред. А.В.
Голомедова. - М.: Радио и связь, КУбК-а 1994. -640 с.: ил.
2. Полупроводниковые
приборы: Диоды, тиристоры. - Справочник.-/ В.И. Галкин, А.Л. Булычев, П.М.
Лямин.- Мн.: Беларусь, 1994.-347 с.
. Резисторы:
(справочник) / Ю.Н. Андреев, А.И. Антонян, Д.М. Иванов и др.; Под ред. И.И.
Четверткова.- М.: Энергоиздат, 1981.-352 с., ил.
. Электрические
конденсаторы и конденсаторные установки: Справочник / В.П. Берзан, Б.Ю.
Геликман, М.Н. Гураевский и др.; Под ред. Г.С. Кучинского.- М.
:Энергоатомиздат, 1987.-656с.: ил.