|
Тип электродвигателя:
|
1GG7451-5NA20-2XV1
|
|
Uн,
В:
|
720
|
|
Рн, кВт:
|
375
|
|
Мн, Н*м:
|
7720
|
|
n,
об/мин:
|
464
|
|
nmax,
об/мин:
|
1370
|
|
Ia,
A:
|
565
|
|
Ra120, мОм:
|
93,1
|
|
La,
мГн:
|
1,53
|
|
Uf, B:
|
220
|
|
Rf, Oм:
|
16,69
|
|
Еff, %:
|
91
|
|
J, Н*м2:
|
39
|
|
Lm (5s):
|
2
|
|
Li (5s):
|
2,1
|
|
Lm (15s):
|
1,8
|
|
Li (15s):
|
1,85
|
2. Расчет
параметров регулятора тока якоря. Критерий оптимизации - технический оптимум.
Построение переходных процессов в контуре тока в отсутствии ограничений и при
ограничениях выходного напряжения тиристорного преобразователя
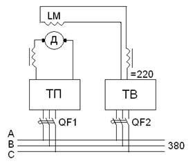
Будем регулировать наш двигатель с
помощью напряжения тиристорного преобразователя (ТП). Для этого рассмотрим
простейшую схему:
Структурная схема
регулятора тока якоря:
В итоге можем изобразить
следующее:
I
- блок управляющего воздействия: (К=10, t=0.5
с.)
II
- блок тиристорного преобразователя:
III
- блок тока якоря:
Далее получаем
следующее:
ПИ - регулятор:
Передаточная функция
замкнутого контура:
, где
,
,
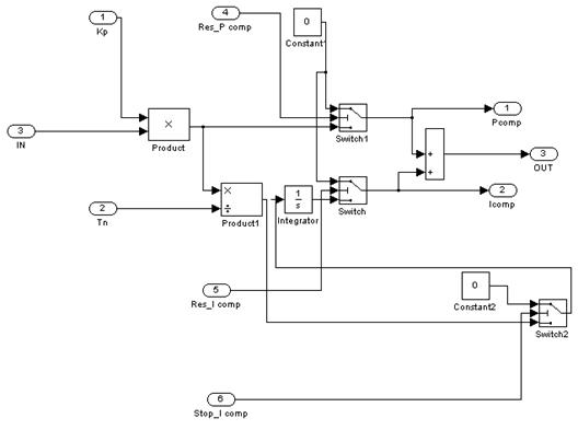
Структура ПИ -
регулятора
Структура звена
ограничения
Действие ПИ - регулятора
без ограничений
Действие ПИ - регулятора
с ограничением

Контур регулирования
тока якоря
При номинальных
параметрах
При Крт=4Крт.н.
При Крт=1/4Крт.н.
3. Расчет
параметров регулятора скорости. Критерий оптимизации - технический оптимум.
Построение переходных процессов в контуре скорости
Структурная схема регулятора
скорости:
Обратная связь:
Механический контур:
, где
Контур скорости:
П - регулятор:
Контур регулирования
скорости
Без ограничения
С ограничением
4. Расчет
параметров регулятора тока возбуждения. Критерий оптимизации - технический
оптимум. Построение переходных процессов в контуре тока в отсутствии
ограничений и при ограничениях выходного напряжения тиристорного
преобразователя
якорь ток напряжение тиристорный
Структурная схема регулятора тока
возбуждения такая же как и структурная схема регулятора тока якоря, различие
только в параметрах схемы, следовательно пересчитаем параметры для схемы
регулятора тока возбуждения: