Синтез системы автоматизированного управления электроприводом ленточного конвейера дозатора
ВВЕДЕНИЕ
Одним из наиболее прогрессивных видов
транспорта, обеспечивающих высокую производительность при больших грузопотоках,
является конвейерный транспорт. В современном производстве конвейеры являются
неотъемлемой частью технологического процесса, они регулируют темп
производства, обеспечивают его ритмичность, способствуют повышению
производительности труда, позволяют решать вопросы комплексной механизации
транспортно-технологических процессов. Непосредственная связь конвейерных машин
с общим технологическим процессом производства предъявляет к ним особые
требования в отношении прочности и способности работать в автоматических
режимах.
Конвейерный транспорт имеет значительные
преимущества перед традиционным автомобильным и железнодорожным: работник не участвует
в собственно транспортном процессе, а занят только обслуживанием механизмов,
что обеспечивает более высокую производительность труда и его безопасность;
требуется использование только электрической энергии, тогда как колесный
транспорт потребляет в основном более дорогое натуральное органическое топливо.
Целью данного курсового проекта является синтез
системы автоматизированного управления электроприводом ленточного конвейера
дозатора.
1. ТЕХНИЧЕСКИЕ ХАРАКТЕРИСТИКИ МЕХАНИЗМА.
ТРЕБОВАНИЕ К САУ ЭЛЕКТРОПРИВОДА
конвейерный транспорт автоматический
управление
Машины для ленточных конвейеров изготавливается,
для различных условий использования по степени загрузи, времени работы,
интенсивности ведения операций, степени ответственности операций на конвейере и
климатического фактора эксплуатации.
Точность остановки характеризуется наибольшим
возможным отклонением скорости от заданной координаты. При заданной точности
остановки и известной номинальной скорости движения можно найти требуемый
диапазон регулирования скорости и избежать излишних дополнительных доводочных
включений механизмов.
Регулирование скорости в данной САУ происходит
ниже номинальной.
Любое движение механизма происходит в условиях
разгона, установившейся скорости перемещения и торможения до остановки.
Динамические показатели контролируются
ограничением ускорения в пределах б=0.05 м/c2
.
Рассчитаем угловую скорость двигателя:
Где n=2300 об/мин - рабочая частота
вращения двигателя. Данная рабочая скорость должна быть меньшей или равной
номинальной угловой скорости выбираемого электродвигателя.
Определим требуемую мощность
двигателя, Вт:
где
- требуемый момент электродвигателя.
2. ВЫБОР СИСТЕМЫ ЭЛЕКТРОПРИВОДА И
ТИПОРАЗМЕРА ЭЛЕКТРОДВИГАТЕЛЯ
Выбор системы электропривода
осуществляется на основе анализа сравнительных технических данных, а именно:
диапазона регулирования, способа управления, ресурса (уровня износостойкости),
диапазона возможных мощностей электроприводов, показатели энергетики и
динамики, а также дополнительных данных, определяющих условия эксплуатации
электроприводов. Экономическая оценка систем управления должна базироваться на
принципе минимальных расходов, связанных с первоначальными затратами,
эксплуатационными затратами на ремонт, а также затратами на ремонт, а также
затратами энергии. Выбирается система, обладающая наилучшими экономическими
показателями. Если экономические показатели сравниваемых систем близки, то производится
дополнительная оценка по массогабаритным показателям и условиям размещения
электрооборудования. Выбранная система электропривода должна оптимально
подходить для условий работы ленточного конвейера, необходимо рационально
использовать ее ресурсы. В настоящее время наибольшее распространение получили
системы электроприводов переменного тока, т.к. они надежнее электроприводов
постоянного тока.
Рассмотрим несколько систем
электроприводов, пригодных для данной рабочей машины.
Рассмотрим приводы, в которых
применяются двигатели постоянного тока.
Система ТП-Д привлекает высоким КПД,
лучшими массогабаритными показателями, лучшей технологичностью и меньшей
потребностью дефицита меди и электротехнической стали. Однако вызывает
беспокойство качества энергопотребления. Необходимо отметить, что ТП потребляет
из сети несинусоидальный ток, который кроме основной гармоники содержит ряд
гармоник с номерами. 5-я гармоника тока составляет 20% основной, т.е. весьма
значительна.
Если ТП имеет мощность, соизмеримую
с мощностью питающей сети, вентильный преобразователь вызовет недопустимое
искажение питающей сети, поэтому, в схему придётся ввести фильтро -
компенсирующее устройство (ФКУ).
Если остановить выбор на системе
ТП-Д можно предпринять усилия для улучшения её технико-экономической
эффективности за счёт уменьшения требуемой мощности регулирования ФКУ. В
двухмостовом ТП с естественной коммутацией снижение потребления реактивной
мощности сдвига можно обеспечить поочерёдным управлением мостами.
Применив аналогичный ТП с
искусственной коммутацией вентилей , можно практически полностью исключить
реактивную мощность сдвига и ограничиться установкой нерегулируемого фильтра
наиболее существенных гармоник.
Приводы постоянного тока содержат
дорогостоящие электродвигатели по сравнению с двигателями переменного тока, что
определяет в целом высокую стоимость электропривода. Кроме того, двигатель
постоянного тока нуждается в квалифицированной эксплуатации, а его применение в
тяжелых условиях окружающей среды связано с серьёзными конструктивными
затруднениями.
Наиболее распространенным видом
двигателя вследствие своей простоты и наименьших капитальных вложений является
короткозамкнутый асинхронный электродвигатель. Этот вид двигателя применяется
от самых малых мощностей до нескольких тысяч киловатт.
Электропривод с двигателями
переменного тока с частотным управлением по стоимости значительно дороже
приводов постоянного тока, однако он обладает преимуществами, определяемыми
конструктивными достоинствами асинхронного короткозамкнутого двигателя.
Рассмотрим несколько вариантов
систем с асинхронными двигателями.
Система НПЧ-АД применяется для
электроприводов средней и большой мощности в основном в подъемно-транспортных
машинах для регулирования на низких скоростях.
Система ПЧ(АИТ)-АД применяется в
электроприводах, где повышенные требования к динамическим показателям. В
системах с обратной связью по скорости могут обеспечить достаточно хорошие
статические показатели. Области применения прокатные станы, насосы. При
амплитудном регулировании тока с помощи управляемого выпрямителя диапазон
регулирования скорости не превышает 10.
Система ПЧ(АИН)-АД применяется как
для одиночных так и для групповых приводов как правило когда не требуется
высоких динамических показателей. При широтно-импульсной модуляции выходного
напряжения стартовая частота в лучших моделях достигает 0.2 Гц.
Так же необходимо отметить и
частотно-токовый способ управления. При частотно-токовом способе управления
асинхронными двигателями сигнал на входе электропривода формирует момент на
валу электродвигателя. Механические характеристики привода являются мягкими.
Так как функциональная зависимость момента электродвигателя переменного тока от
величины тока является более прочной, чем от величины напряжения, входной
сигнал формирует ток. Мгновенные значения токов в фазах обмотки определяются
входными сигналами (требуемым моментом) и положением ротора.
Они должны соответствовать
требованиям к мгновенным значениям токов многофазной симметричной системы.
Отличительной чертой приводов с частотно-токовым
управления является применение в них преобразователей энергии на основе
усилителей тока, представляющих собой усилители напряжения, охваченные глубокой
отрицательной связью по мгновенным значениям токов фаз электродвигателя. В этом
случае напряжение на фазах электродвигателя автоматически формируется
преобразователем энергии для заданного режима.
Преимущества частотно-токового
управления:
высокие статические и динамические
показатели электропривода, момент на валу является линейной функцией входного
сигнала для всех скоростей привода;
исключается возможность выпадения из
синхронизма, опрокидывание и качание электродвигателей переменного тока;
при достаточно простых технических
средствах возможно оптимальное использование электродвигателей для получения
как максимального момента на валу при заданном токе, так и высоких
энергетических показателей;
высокая надежность работы
преобразователя энергии, так как осуществляется контроль за мгновенными
значениями токов фаз двигателя.
Перед выбором необходимой нам
системы необходимо указать, что модернизируемая нами рабочая машина требует
неглубокого диапазона
регулирования скорости, также
предъявляются высокие требования к динамическим и статическим показателям. Так
как модернизируемый агрегат имеет большой момент инерции, то соответственно,
предъявляются высокие требования на счет ограничения пускового тока.
Проанализировав
технико-экономические показатели можно выделить одну систему электропривода:
система ПЧ-АД с ориентацией координатной системы по направлению вектора
потокосцепления ротора (векторное управление) наиболее лучше подходящей для
реализации данного проекта.
Согласно проведенному расчету по
предварительно рассчитанной мощности и номинальной частоты вращения выбираем
асинхронный двигатель с короткозамкнутым ротором серии 4А: 4А71В2УЗ [3].
Параметры электродвигателя приведены
в таблице 2.1.
Таблица.2.1.Параметры
электродвигателя
|
н
|
R'l
|
R"2
|
Х' Х'1Х"2cos РнUнSкрSнJдв
|
|
|
|
|
|
|
|
|
|
%
|
о.е.
|
о.е.
|
о.е.
|
о.е.
|
о.е.
|
%
|
кВт
|
В
|
%
|
%
|
кг
м2
|
|
0.775
|
0.13
|
0.069
|
2.8
|
0.054
|
0.084
|
0.87
|
1.1
|
220
|
0.063
|
0.0011
|
3. ВЫБОР СИЛОВОГО ЭЛЕКТРООБОРУДОВАНИЯ И РАСЧЕТ
ЕГО ПАРАМЕТРОВ
Так как в справочнике параметры схемы замещения
электродвигателя приведены в относительных единицах, то приводим их к
абсолютным.
где
- номинальный ток (6.10) [6]:
- номинальное фазное напряжение (В),
- номинальный КПД - КПД при нагрузке
100 % (о.е.),
- номинальный коэффициент мощности
- при нагрузке 100 % (о.е.).
Активные сопротивления схемы
замещения соответствуют активным сопротивлениям обмотки фазы, а индуктивности
статора и ротора рассчитываем по соотношениям, [6]:
где:
,
- индуктивности рассеяния статора и
ротора, соответственно
где
- частота напряжения сети (50 Гц);12
- взаимоиндуктивность между обмотками статора и ротора.
- угловая скорость вращения
напряжения сети
Индуктивность рассеяния двигателя
[6]:
Коэффициенты электромагнитной связи
ротора [6]:
Номинальные параметры двигателя
определяются следующим образом:
- номинальная угловая скорость вращения
(
)
где:
- номинальное скольжение (о.е.),
- синхронная
скорость при номинальной частоте напряжения (
):
где число пар полюсов
;
-номинальная
синхронная скорость поля статора (
).
номинальный момент:
номинальное потокосцепление статора
[6]:
номинальное потокосцепление ротора
[6]:
Учтем, что номинальные параметры:
напряжение, ток, потокосцепление, следует привести от трехфазной к двухфазной
модели, используя коэффициент согласования.
Выбор преобразователя частоты
Mitsubishi по [4] осуществим из серии FR-A 500 разработанных для механизмов с
высокими требованиями к диапазону регулирования, перегрузочной способности и
точности поддержания скорости вращения двигателя, что в сочетании с широчайшим
функциональным набором обеспечивает практически неограниченную область
применения в общепромышленных механизмах.
Электромагнитная совместимость
Для выполнения требований по
соответствию европейским стандартам электромагнитной совместимости для
инверторов FR-A 540 ЕС разработаны компактные фильтры, устанавливаемые на
заднюю поверхность инвертора или непосредственно под ним. Для ограничения
пиковых токов и снижения уровня помех низкочастотной части спектра
предусмотрены сетевые реакторы. Для ограничения токов включения и уменьшения
воздействия этих токов на сеть питания возможно применение в входной цепи
сетевых дросселей либо их комбинирование с включением дросселей для
промежуточных цепей. Дроссели промежуточных цепей для преобразователей серии
FR-A540 ЕС поставляются с завода в стандартной комплектации, и должны быть
всегда включены.
Соответствие стандартам
Серия FR-A 540 ЕС сертифицирована по
всем основным мировым стандартам и не требует проведении я дополнительных
сертификационных процедур.
Соответствие мировым стандартам СЕ,
UL, cLIL Возможность использования положительной и отрицательной логики для
цепей управления (общий плюс или общий минус) обеспечивает возможность
использования по всему миру. Расширенный диапазон входного напряжения 3~
380-480V; 50/60 Hz Допустимые колебания: -15%;+10 % Опциональный восьми
языковой
пульт управления. Поддержка основных
мировых коммуникационных стандартов. Многоязыковое программное обеспечение под
MS-Windows для программирования и управления.
Серия FR-A 500 ЕС разработана с
идеей глобальной мировой совместимости и возможностью адаптации к требованиям
каждой страны.
Сетевые возможности
Интерфейс RS485 входит в стандартную
комплектацию и допускает подключение до 32 инверторов в общую сеть. Кроме того,
предусмотрены опциональные коммуникационные модули, позволяющие интегрировать
инвертор в стандартную промышленную сеть типа Profibus/DP (Европа), DeviceNet
(США), и CC-Link (Азия).
Таблица. 3.2.Технические
характеристики частотного преобразователя
|
Мощность
двигателя M=const
(kW)
|
1,5
|
|
Номинальный
ток M=const
(А)
|
4
|
|
Полная
мощность двигателя М~п2 (kVA)*
|
2,5
|
|
Номинальный
ток, М~п2 (А)
|
4,9
|
|
Полная
мощность M=const
(kVA)
|
3
|
3,7
|
|
Перегрузочная
способность M=const
|
200%
от номинальной мощности двигателя в течении 0,5 s;
150% в течении 1 мин
|
|
выход
|
Перегрузочная
способность М~п2
|
150%
от номинальной мощности двигателя в течении 0,5 s;
120% в течении 1 мин
|
|
Напряжение
|
3-фазное,
от 0 V до напряжения питания
|
|
Диапазон
выходной частоты (Hz)
|
0,2-400
|
|
Момент
торможения
|
Max. 100%/5s.
Предусмотрено подключение внешнего модуля торможения
|
|
Способ
управления
|
Векторное
управление с online-
автонастройкой параметров электродвигателя и V/F
- управление
|
|
Способ
модуляции
|
Синусоидальная
ШИМ, мягкая ШИМ
|
|
Частота
несущей ШИМ (kHz)
|
0,7-14,5
(регулируется пользователем)
|
|
Напряжение
питания
|
3-фазное,
380-480 V, -15%/+10%
|
|
вход
|
Частота
питающей сети
|
50/60
Hz, ±5%
|
|
Номинальная
мощность (kVA)
|
4,5
|
Характеристики справедливы при следующих
условиях: напряжение двигателя 400 V АС, макс, температура окружающей среды
40°С, частота несущей ШИМ=1 kHz.
Трехфазный сетевой дроссель FR-BAL-B-4.0k для
преобразователей FR-A 540- 0.4 к-3.7 к обеспечивают приемлемый коэффициент
нелинейных искажений напряжения и улучшают КПД привода.
При правильном выборе дросселя общий КПД
достигает 90 % при номинальной нагрузке. Использование сетевых дросселей
особенно рекомендуется при питании от сети, к которой подключены другие
нелинейные элементы, создающие существенные искажения.
Табл.3.3.Параметры трехфазного дроселя
|
Дроссель
|
L
[мГн]
|
Ток
[А]
|
Потери
[Вт]
|
Класс
изоляции
|
Вес
[кг]
|
|
FR-BAL-B-4.0
к
|
2.340
|
12
|
31
|
T40/E
|
3
|
Фильтры для FR-A
540
Для выполнения требований стандарта
электромагнитной совместимости, описанных в европейских директивах ЕМС, для
инвертеров FR-A 500 разработаны специальные фильтры. Однако для полного
удовлетворения требований ЕМС установка данных фильтров должна сопровождаться
соответствующим правильным монтажом и подключением инвертера. Данные фильтра
разработаны таким образом, чтобы понизить помехи в питающую сеть до уровня
классов А и Б согласно европейских директив ЕМС. Для обеспечения правильного и
надежного функционирования, необходимо предусмотреть следующее:
при выборе защитной арматуры необходимо
учитывать токи утечки. Также необходимо обеспечить надежное заземление фильтра,
если соответствующие устройства защитного отключения (УЗО) не предусмотрены.
Таблица.3.4.Параметры фильтра
|
Фильтр
|
Потери
[Вт]
|
Ток [А]
|
Ток утечки [мА]
|
Вес
[кг]
|
|
FFR-A540-8A-SF100
|
5
|
8
|
30
|
1,5
|
4. РАЗРАБОТКА СТРУКТУРЫ САУ
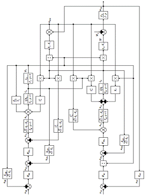
Функциональная схема системы (рис.4.1.),
составлена с учетом необходимости координатных преобразований. Она содержит ПЧ,
от которого питается двигатель М. Для формирования контуров тока служат
регуляторы тока РТ1 и РТ2, а так же датчик тока, измеряющий мгновенные значения
фазных токов ia,
iB в фазах А и В. Эти
сигналы преобразуются функциональным преобразователем ПК1 в ортогональную
неподвижную систему координат б, в. Сформированные в БФП2 сигналы i1б
и i1в
поступают в координатный преобразователь БПК2, где преобразуются в величины
токов i1x,
i1y
во вращающейся со скоростью щк ортогональной системе координат х, у.
В координатный преобразователь БПК2 поступает также сигнал, пропорциональный
углу и0. Этот угол, полученный интегрированием скорости щк,
представляет собой угол между вектором потокосцепления и осью б неподвижной
системы координат б, в. По значению угла и0 осуществляется
координатное преобразование из координат б, в в систему координат х, у путем
векторного поворота:
Сигнал обратной связи по скорости ротора со
получается на выходе датчика скорости BR..
Для формирования сигнала обратной связи по потокосцеплению ш2
используется косвенный метод его оценки на основании величины i1x.
На выходе регуляторов тока РТ1 и РТ2 формируются сигналы управления инвертором Ux,
Uy. В устройстве
векторного поворота БПКЗ они преобразуются в неподвижную систему координат:
Полученные сигналы управления Uб,
Uв
преобразуются устройством БФПЗ в трехфазную систему сигналов управления
инвертором.
Используемые координатные преобразования
позволяют выделить в системе два независимых канала регулирования:
потокосцепления и скорости.
5. СИНТЕЗ СИСТЕМ
АВТОМАТИЧЕСКОГО РЕГУЛИРОВАНИЯ И ВЫБОР КОНТУРОВ РЕГУЛИРОВАНИЯ
.1 Расчет параметров модели системы векторного
управления
Структурная схема упрощенной модели системы
векторного управления асинхронным двигателем представлена на рис. 5.1. Ниже
рассчитаем недостающие параметры модели двигателя.
Эквивалентное сопротивление [6]:
.
Эквивалентная постоянная времени [6]:
Эквивалентная постоянная времени статора [6]:
Постоянная времени ротора [6]:
.
Электромеханическая постоянная времени [6],
определяемая внутренней обратной связью двигателя по ЭДС в канале управления
скоростью:
;
где
- номинальное потокосцепление ротора
по оси x [6]:
-суммарный момент инерции привода
Постоянная времени инвертора определяется
частотой модуляции. Принимаем равной ТП=1..2 мс.
После выбора номинальных значений сигналов
задания потокосцепления UЗПН=5В,
скорости UЗПРН=5В,
токов U3TH=5В
и сигнала управления напряжением UУН=5В
определим коэффициенты передачи:
-коэффициент передачи обратной связи по
потокосцеплению (В/Вб):
коэффициент передачи обратной связи
по скорости (B∙с/рад):
где
;
коэффициент передачи обратной связи
по току (В/А):
коэффициент передачи инвертора по
напряжению (о.е.):
конвейерный транспорт автоматическое
управление
5.2 Синтез системы векторного управления
При рассмотрении контура тока ilx
пренебрегаем положительной обратной связью по потокосцеплению. Также в контур
вводится отрицательная обратная связь для компенсации
Тогда
структурная схема контура тока i1x будет иметь
вид, представленный на рис. 5.2.1.
Рис. 5.2.1. Структурная схема
контура регулирования тока i1x
Объектом регулирования контура тока i1x является
апериодическое звено:
Для настройки на технический оптимум
необходим ПИ-регулятор:
Выбрав в качестве малой постоянной
времени контура постоянную времени инвертора
, определим параметры регулятора:
;
Для синтеза внешнего контура
регулирования потокосцепления представим передаточную функцию замкнутого
контура регулирования тока i1x в виде:
Тогда структурная схема контура
потокосцепления ротора примет вид, представленный на рис. 5.2.2.
Рис. 5.2.2. Структурная схема
контура регулирования потокосцепления
Объектом регулирования контура
потокосцепления является апериодическое звено:
При таком объекте регулирования для
настройки на технический оптимум необходим ПИ-регулятор:
При выборе малой постоянной времени
контура
параметры
регулятора:
В контуре регулирования тока
вводится
компенсирующая положительная обратная связь по
. С учетом этого структурная схема
контура имеет вид, показанный на рис. 4.2.3. Структура контура аналогична
структуре контура тока якоря электропривода постоянного тока. После
преобразования получим передаточную функцию объекта регулирования:
Рассчитаем параметры объекта
регулирования в зависимости от соотношения постоянных времени
и
по
формулам:
За малую постоянную времени контура
берем постоянную времени инвертора
. По аналогии с контуром тока якоря
электропривода постоянного тока, при
(
) обратной связью по ЭДС нельзя
пренебречь.
Рис.5.2.3.Структурная схема контура
регулирования тока i1y
Для настройки на технический оптимум
необходим ПИД-И-регулятор
c параметрами
;
Заменив контур регулирования тока
эквивалентным
апериодическим звеном:
получим структурную схему контура
регулирования скорости, показанную на рис. 5.2.4. На ней учтено, что для
компенсации изменения потока на выходе регулятора скорости стоит делитель.
Объект регулирования контура - интегрирующий.
Для настройки на технический оптимум
необходим П-регулятор:
где малая постоянная времени контура
скорости определяется эквивалентной постоянной времени контура тока
Рис. 5.2.4. Структурная схема
контура регулирования скорости.
Для получения значения статической
ошибки контура по моменту сопротивления запишем передаточную функцию замкнутого
контура скорости по возмущению:
Тогда величина ошибки составит:

где
- малая постоянная времени контура
скорости определяется эквивалентной постоянной времени контура тока.
Рис.5.2.4. Структурная схема контура
регулирования скорости
Для получения значения статической ошибки
контура по моменту сопротивления, запишем передаточную функцию замкнутого
контура скорости по возмущению
Тогда величина ошибки составит
6. АНАЛИЗ СТАТИЧЕСКИХ ПОКАЗАТЕЛЕЙ
Замкнутая система управления по
каналу Мс - щэл
Получим преобразованную
электрическую схемы рис. 6.3.
Рис. 6.3. Преобразованная
структурная схема контура скорости по возмущению
Преобразуем полученную схему по
правилам структурных преобразований и приведем ее к виду:
Положим p=0:
Тогда получим структурную схему:
Учитывая что
, то
получим: