Разработка системы управления электроприводом нажимного устройства реверсивного четырехвалкового стана '5000' горячей прокатки
Оглавление
Реферат
Введение
. ОСНОВНАЯ ЧАСТЬ
.1 Краткая характеристика цеха, сортамент выпускаемой
продукции
.2 Технологический процесс цеха ЛПЦ № 9
.3 Характеристика и кинематическая схема проектируемого
механизма
.3.1 Механический нажимной механизм
.3.2 Разжимное устройство
.3.3 Установка межвалкового зазора
.3.4 Измерение положения
.3.5 Техника безопасности
.3.6 Система регулировки межвалкового зазора
.3.6.1 Электромеханическая система установки раствора валков
(EMP)
.3.6.2 Гидравлическая система установки раствора валков (AGC)
.4 Требования к электроприводу
.4.1 Выбор рода тока и типа электропривода
.5 Расчет мощности электродвигателя
.5.1 Расчёт статических моментов
.6 Расчёт нагрузочной диаграммы двигателя
.7 Выбор основного силового электрооборудования
.7.1 Состав силовой части преобразователя частоты
.8 Выбор преобразователя частоты
.8.1 Выбор инвертора
.8.2 Выбор блока выпрямления
.9 Выбор питающего трансформатора
.10 Расчет и выбор фильтров в звене постоянного и
переменного тока
.11 Снижение уровня индустриальных радиопомех
.12 Защиты электропривода, расчет уставок защитных
устройств
.12.1 Защита от коротких замыканий и перегрузок
.12.2 Защита от перенапряжений
.12.3 Виды защиты определяемые программно в блоке управления
.13 Выбор датчиков положения и скорости
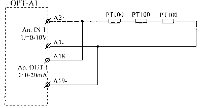
.14 Плата управления базовой платы I/O OPT-A1
.15 Выбор и разработка функциональной схемы САР
электропривода проектируемого механизма
.15.1 Функциональная схема САР положения
.15.2 Расчет структурной схемы САР и выбор параметров
регуляторов
.15.3 Расчет параметров объекта регулирования
.15.4 Моделирование системы управления
.16 Реализация системы автоматического регулирования
электропривода
.16.1 Общий принцип управления системы автоматического
регулирования
.16.2 Параметрирование системы автоматического регуирования
.16.3 Функциональная схема системы автоматического
регулирования
. АНАЛИЗ ТЕХНИКО-ЭКОНОМИЧЕСКИХ ПОКАЗАТЕЛЕЙ ЦЕХА
.1 Юридический статус и правовое положение ОАО ММК.
Уставный капитал общества
.2 Анализ рынков сбыта продукции ОАО ММК
.3 Анализ технико-экономических показателей цеха
.4 Расчёт производственной программы ЛПЦ №9
.4.1 Расчёт фактического годового фонда рабочего времени
.4.2 Расчёт производительности реверсивного стана
.5 Расчёт сметы капитальных затрат
.5.1 Расчёт стоимости приобретённого оборудования
.5.2 Расчёт затрат на монтаж оборудования
.5.3 Расчёт величин транспортных,
заготовительно-складских, затрат на запчасти, расходов на комплектацию
оборудования и затрат на проектирование
.6 Расчёт затрат на эксплуатацию системы электропривода
.6.1 Расчет потерь электроэнергии
.6.2 Расчет амортизационных отчислений
.6.3 Расчет затрат на ремонты и обслуживание
электрооборудования
.7 Расчёт себестоимости продукции
.8 Расчёт показателей прибыли
.9 Планирование и организация ремонтов электрооборудования
.9.1 Расчёт среднегодовой трудоёмкости
.9.2 Расчёт численности ремонтного и дежурного персонала
.9.3 Расчет годового фонда заработной платы
.10 Сводная экономическая характеристика проектируемой
системы электропривода
. БЕЗОПАСНОСТЬ И ЭКОЛОГИЧНОСТЬ
.1 Анализ опасных и вредных производственных факторов
на проектируемом объекте
.2 Обеспечение безопасности труда. Выполнение работ по
наряду-допуску
.3 Охрана окружающей среды
.4 Предупреждение и ликвидация чрезвычайных ситуаций
Заключение
Список литературы
Реферат
В настоящем дипломном проекте разрабатывается система автоматизированного
управления электропривода нажимного устройства реверсивного четырехвалкового
стана «5000» горячей прокатки, производится выбор электродвигателя, проверка его
по условиям нагревания.
В проекте осуществляется также выбор основного силового оборудования. В
пояснительной записке приводятся таблицы с техническими характеристиками
механизма и двигателя, сводные таблицы, содержащие результаты расчётов,
иллюстрации в виде принципиальных электрических схем, структурных и
функциональных схем спроектированной системы управления электроприводом, а
также примера реализации данной системы управления в специализированной
программе MATLAB.
Привод нажимных винтов осуществляется от двух асинхронных
электродвигателей с короткозамкнутым ротором, питание электродвигателей
осуществляется от преобразователя частоты с одним общим выпрямителем и
индивидуальными выпрямителями для каждого двигателя, т.е. электропривод
нажимных винтов (НВ) выполнен индивидуальным.
Разработанная система электропривода нажимного устройства позволяет
обеспечивать большую частоту включений электродвигателей, широкий диапазон
регулирования скорости, высокую точность отработки положения, минимальное время
протекания переходных процессов, что в целом определяет производительность
системы.
В проекте разрабатывается позиционная система, основным требованием к
которой является точность отработки заданных перемещений.
Требуемая точность обеспечивается применением цифрового контура положения
и цифрового канала синхронизации работы нажимных винтов. Цифровая часть системы
управления выполняется на базе контроллера фирмы Converteam.
Дополнительно введенный контур положения исключает явление отжима
верхнего валка при прокатке. В результате этого существенно уменьшается
количество брака.
В разделе « Экологичность и безопасность проекта » рассматриваются
условия работы оператора пульта управления и персонала, обслуживающего
электрооборудование цеха. Вырабатываются меры по созданию комфортных условий
труда и обеспечению безопасности персонала.
В экономической части проекта определяются затраты на разработку, монтаж
и наладку нового оборудования, а также определяется экономическая эффективность
от внедрения этого оборудования.
Введение
Целью проекта является разработка системы управления электроприводом
нажимного устройства реверсивного четырехвалкового стана «5000» горячей
прокатки.
По мере развития и совершенствования технологии увеличивается число
параметров, которые необходимо контролировать с целью оптимизации протекания
технологических процессов. При этом непрерывно повышаются требования к системам
автоматизации и в первую очередь к системам автоматизации электропривода.
Наиболее эффективным является централизованное управление
технологическими объектами с использованием управляющей техники. Автоматизация
системы управления технологическими процессами все шире применяется на
металлургических предприятиях, что является характерной чертой современного
технического прогресса.
Современное развитие автоматизации металлургических приводов основывается
на автоматизации отдельных узлов и всего оборудования в целом.
Задачей данного дипломного проекта является расчет системы управления
электроприводом нажимного устройства и автоматизация стана.
Для страны имеющей многочисленные магистрали нефте- и газопроводов,
гигантские заводы, многочисленные мосты, большой флот, свою атомную
промышленность в большом объеме требуется широкоформатный листовой прокат. Но
на протяжении долгого времени в России был лишь один широкоформатный стан
(Ижорский в Колпино), который достался от СССР. Таким образом, в России, на
сегодняшний день, есть два действующих Стана «5000» - в Колпино, в
Магнитогорске, и ещё один строится в г. Выкса (планируемая дата запуска июль
2011).
Продукция стана 5000 Магнитогорского металлургического комбината
востребована на строительстве газопроводов в Сибири и на Дальнем Востоке.
Особую значимость имеет развития сотрудничества регионов УрФО (Уральского
федерального округа) и «Газпром» в сфере газификации. Причем это взаимодействие
охватывает не только вопросы газификации, но и поставки металлургической
промышленности области для нужд крупнейшей мировой газовой компании. Регион
будет выпускать трубы большого диаметра. Сотрудничество Челябинской области и
«Газпром» будет продолжаться в различных сферах, ведь регион является
крупнейшим в России производителем и поставщиком труб для строительства
газопровода и газовых сетей.
.
1. ОСНОВНАЯ
ЧАСТЬ
1.1 Краткая характеристика цеха, сортамент выпускаемой продукции
Стан «5000» - прокатный стан для получения листового проката шириной до 5
метров и длиной до 25 метров. Такой листовой прокат может использоваться в
различных областях, где важен размер. Продукция стана-5000 используется:
ü в трубной промышленности для изготовления труб сверхбольшого
диаметра 1220-1420 мм;
ü в судостроительной промышленности;
ü в мостостроении;
ü в энергетике (большие котлы высокого давления) ;
ü в атомной промышленности;
ü в химическом машиностроении (резервуарные емкости).
Использование широкоформатного листового проката позволяет сделать
одношовную трубу. Помимо одношовности для нефтяников и газовиков важна длина
трубы. Большая длина проката соответствует и большей длине трубы, что позволяет
уменьшить число швов, что в свою очередь удешевит прокладку трубопровода и
повысит его надёжность.
На магнитогорском стане производится высокорентабельный толстолистовой
прокат шириной до 4850 мм из марок стали с категорией прочности до X120 для
нефтегазовой отрасли, судо-, мосто- и машиностроения. Особенностью агрегата
является его уникальность с точки зрения качественных характеристик выпускаемой
продукции. Производительность стана «5000» составит около 1,5 млн. тонн в год.
Стан 5000 ОАО «ММК» построен по самым передовым технологиям мирового
машиностроения. На стане освоены технологии высокотемпературной и
низкотемпературной прокатки, а также прокатки листов различной толщины и
ширины, исходя из максимальных требований потребителей к трубам большого
диаметра.
В декабре 2009 года в кислородно-конверторном цехе Магнитогорского
металлургического комбината состоялся запуск машины непрерывного литья
заготовки (МНЛЗ) №6. Это событие стало очередным этапом реализации проекта по
строительству комплекса по производству толстолистового проката, который
включает в себя стан 5000, комплекс внепечной обработки и МНЛЗ № 6. Данный
проект предполагает возможность выпуска практически любого вида толстолистовой
стали, исходя из максимальных требований к трубам большого диаметра, которые
выдвигают нефтегазовые компании: толщина стенки до 50 мм, с прочностными
характеристиками до Х120.
Прокат под трубную промышленность поставляется на ЧТПЗ (Челябинский
трубопрокатный завод), а также Выксунский металлургический завод.
Стан производит следующую продукцию: НП г/к толстолистовая сталь
(нержавеющая горячекатаная сталь), ПЗ г/к толстолистовая сталь
(высокомарганцовистая сталь ПЗ (аустенитного класса) обладает особой
износостойкостью, которая содержит 1,0-1,3% С и 13-14% Мn. Сталь ПЗ широко
применяется для деталей, подвергающихся сильному износу, например, для тралов
гусеничных тракторов, ковшей экскаватора и драг, крестовин и стрелок трамваев.
Её применение целесообразно в том случае, когда износ происходит при высоком
удельном давлении).
Примечание: Толстолистовая сталь - изделия, толщина которых более 4 мм.
На поверхности листов не должно быть раскатанных корочек и пригара, сквозных
разрывов, рванин, гармошек, трещин, пузырей-вздутий, пленок, вкатанной окалины
и загрязнений. Однако допускаются дефекты, которые не выводят изделие за
предельные размеры: рябизна, риски и др.
1.2 Технологический процесс цеха ЛПЦ № 9
Листопрокатный цех № 9 горячей прокатки позволяет получать горячекатаный
лист со следующими параметрами:
ü Толщина
листа: 
;
ü Ширина
листа: 
;
ü Длина
листа: 
;
ü Вес
загружаемого материала
т;
ü Усилие
прокатки 108 МН;
Весь комплекс стана состоит из следующего оборудования и агрегатов:
ü Две печи с шагающими балками;
ü Печь с выдвижным подом;
ü Группа клетей с реверсивной прокатной клетью кварта и обжимной
клетью;
ü Участок охлаждения с распылительным и ламинарным охлаждением;
ü Машина горячей правки листа;
ü Холодильник и инспекционные стеллажи;
ü Сдвоенные кромкообрезные ножницы и ножницы продольной резки;
ü Ножницы поперечной резки;
ü Машина холодной правки листа;
ü Линия термообработки и линия нанесения лакокрасочных
покрытий;
ü Контрольно-измерительное и маркировочное оборудование;
ü Общая протяжённость технологической линии составляет 1100
метров;
Две
нагревательные печи обеспечивают точную настройку температуры сляба, т.е.
используются для нагрева сляба до нужной температуры прокатки, поступающего на
рольганги с помощью передвижных шагающих балок. После чего сляб поступает на
первичное устройство для гидросбива окалины (под давлением 210 бар) для очистки
верхней и нижней сторон. Подача специальных размеров и марок обеспечивается с
помощью печи с выдвижным подом. И в заключении группа клетей с системой лёгкого
охлаждения. Благодаря специальной конструкции поверхности рольгангов
обеспечивается поворот на
.
Далее
происходит точная выверка слябов с помощью группы двух прокатных клетей:
обжимная клеть с двумя вертикальными валками и горизонтальная кварто с двумя
рабочими и двумя опорными валками.
Горизонтальная
клеть располагает всеми новыми технологиями и особенностями:
ü Система противоизгиба рабочих валков;
ü Гидравлическое нажимное устройство;
ü Сегментное охлаждение рабочих валков;
ü Термомеханический способ прокатки;
ü Настройка прямоугольности;
Для обслуживания прокатной клети необходим всего 1 человек (высокая
степень автоматизации). Вальцетокарный цех находится рядом с клетями. Также
имеется оборудование комбинированной шлифовальной машиной для шлифовки рабочих
и опорных валков.
Обжимная клеть с шарнирными вертикальными валками включает:
ü Систему для регулирования ширины;
ü Система для регулирования ширины головной и хвостовой части;
ü Бесперебойное управление за процессом, при помощи
оборудования для измерения толщины профиля на рольганги при помощи датчиков и
камеры.
После выхода с группы клетей лист проходит участок охлаждения,
представляющий собой комбинированную систему охлаждения, состоящую из нового
распылительного охлаждения на 5 Бар водяного давления и 24-метрового участка
ламинарного охлаждения. При этом с помощью охлаждения можно регулировать
вязкость и прочность материала. Всё это даёт возможность сокращение легирования
веществ, т.е. повышения улучшенной сварочной способности стали.
После охлаждения лист попадает в машину горячей правки листа. Машина
горячей правки листа с 9 роликами рассчитана для листов толщиной до 100 мм.
Верхняя рама с гидравлическим поворотом и изгибом превосходно юстируется (легко
регулируется).
После первой правки листа изделие попадает на холодильники. Холодильники
с шагающими балками подразделяют на холодильники для тонких и толстых листов.
Лист предназначенный, в особенности, для трубных марок сталей и сталей
для судостроения, попадает на участок концевых ножниц. Отделение головной части
листа или предварительной резки. Машинный комплекс представляет собой
кромкообрезные ножницы и ножницы продольной резки. Кромкообрезные ножницы
оснащены устройством магнитного регулирования, т.е. линия реза указывается
лазером и осуществляют ротационную резку (последовательную). Для эффективного выполнения
центрального процесса реза используются ножницы продольной резки и
обеспечивается высокая производительность при меньших потерях от обрези.
Листы, прошедшие продольную резку поступают на участок ножниц поперечной
резки, т.е. достигается значительная экономия времени и повышенная
производительность.
После того, как листы прошли маркировочную и клеймовочную машины, они
попадают на инспекционные и ремонтные стеллажи, оснащённые кантователем.
Инспекционные стеллажи с цепным конвейером и кантованием (выравниванием) листов
предназначены для визуальной проверки после ультразвуковой станции. А
инспекционная станция оборудована приборами для измерения толщины и длины
листа.
Листы
с высокими требованиями к планшетности проходят через машину холодной правки
листов, которая может работать с применением 9 или 5 роликов в зависимости от
материала и располагает специальным комплектом роликов для листов с
температурой до
.
Непосредственно
на выходе установки - устройство для остывания окалины для достижения
безупречного качества поверхности. Все процессы выполняются бесперебойно.
Всю
технологическую линию можно разделить четыре участка, а именно:
1. Участок склада слябов и нагревательных печей;
2. Участок прокатного стана;
3. Участок холодильников;
4. Участок
линии резки.
Гидравлический окалиноломатель располагается над
рольгангом окалиноломателя, за печью. Окалиноломатель сбивает первичную окалину
с верхней и нижней поверхностей слябов, нагретых водой под высоким давлением.
Окалиноломатель выполнен из сварных стальных листов, снабжен двумя парами
верхних и нижних коллекторов. Верхние коллекторы регулируются гидравликой
одновременно согласно толщине сляба. Угол наклона сопел остается неизменным
независимо от толщины сляба. Для достижения неизменности угла наклона сопел
распыления используются расположенные в виде параллелограмма рычаги. Нижние
коллекторы неподвижны. Корпус окалиноломателя монтируется на секции рольганга с
10 роликами. Подшипники этих роликов расположены снаружи корпуса для защиты от
воды. Коллекторы могут сниматься по отдельности с помощью крана. Сетевые экраны
(в виде щитов) на входе и выходе предотвращают выброс воды из корпуса
гидросбива окалины. Их конструкция надежна и безопасна, и учитывает изменения
толщины сляба. Корпус снабжен сменными боковыми направляющими. Подшипники
смазываются вручную.
Вертикальный эджер установлен на чистовой клети со
стороны выхода. Вертикальный эджер служит для прокатки краев раската для
улучшения допусков по ширине, компенсации уширения при горизонтальных пропусках
и для небольшого уменьшения ширины.
В сочетании с соответствующей системой автоматики ГНУ
валков эджера может работать в режиме автоматической регулировки ширины (AWC)
или короткого хода (SSC), обеспечивая почти параллельные края и прямоугольность
головного и хвостового концов раската.
Эджер состоит, в основном из горизонтальной составной
станины, подушек со встроенными валками, прямозубой передачей наверху, ГНУ и
системой балансировки валков.
Валки эджера имеют вертикальный привод через
прямозубую передачу и вертикальные шпиндели крестового (cross-pin) типа двумя
двигателями переменного тока с вертикальным расположением. Каждый шпиндель
главного привода балансируется гидроцилиндром. Главные двигатели установлены
под главными редукторами.
Система регулировки валков эджера - комбинация
электромеханического и гидравлического нажима. Каждый валок эджера регулируется
двумя гидроцилиндрами, способными противодействовать силе прокатки.
Гидроцилиндры регулировки установлены в станинах эджера. Настройка диапазона -
механическим нажимным устройством. Каждый комплект валка эджера балансируется
одним гидроцилиндром через траверсу (yoke), прижимающую комплект валка к
системе регулировки. Цилиндр балансировки валка применяется также для перемещения
комплекта валка к центру станины эджера при замене.
Реверсивная четырёхвалковая чистовая клеть
располагается между рольгангами с боковыми направляющими. Эта клеть
предназначена для прокатки листов в несколько проходов в соответствии с
требованиями по сортаменту.
Для управления геометрией и планшетностью листа клеть
оборудуется сдвижными валками CVCplus и механизмом противоизгиба рабочего
валка. Настройка прокатной линии осуществляется системой дистанционного
управления с помощью смещаемых ступенчатых прокладок, установленных под
подушками нижних опорных валков.
Обе составные станины имеют прочную конструкцию. В
верхней части находится коробка прижимного механизма. Станины устанавливаются
на плитах основания, крепящихся к фундаменту.
Рабочие валки установлены на специальных роликовых
подшипниках, опорные валки - на подшипниках Моргойл, смазываемых с помощью
специальной системы масляной смазки.
Устройства блокировки рабочего и опорного валков
располагаются со стороны оператора. При замене валков они отводятся
гидроприводом.
Верхний опорный валок уравновешивается одним
гидроцилиндром.
Раствор валков регулируется двумя двигателями
переменного тока через червячную передачу, прижимные винты и гайки.
Механическая прижимная система работает между
проходами без нагрузки.
Для регулировки нижних рабочих и опорных валков ниже
подушки каждого нижнего опорного валка устанавливается один гидроцилиндр AGC.
Для точной калибровки уровня нижнего комплекта валков в станине, установки
раствора валков и защиты от перегрузок предусмотрена гидравлическая система
установки раствора валков.
Верхний рабочий валок балансируется прижатием к
опорному валку с помощью гидроцилиндров. Нижний рабочий валок прижимается к
нижнему опорному валку. Эти системы также будут применяться для противоизгиба
рабочих валков.
Входная и выходная направляющие установлены на входной
и выходной стороне верхних рабочих валков. Эти направляющие размещаются между
станинами клети и могут подниматься в соответствии с раствором валков.
Кроме того, установлены спрейеры подавления пыли,
создающие водяную завесу, не пропускающую образующуюся при прокатке пыль.
Верхний и нижний коллекторы сбива окалины водой под
высоким давлением располагаются на входной и выходной сторонах клети.
Коллекторы гидросбива окалины разделены на две зоны с разной шириной,
внутренняя зона до 3.500 мм, внешняя до 5.000 мм.
Дополнительно на входе и выходе клети устанавливаются
контрфорсунки с давлением 200 бар.
Коллекторы охлаждения верхнего рабочего валка
установлены с каждой стороны клети в стрипперных ящиках. Коллекторы охлаждения
нижнего рабочего валка установлены с каждой стороны клети стана под задающими
роликами на входной и выходной стороне. Рабочие валки охлаждаются водой из
системы охлаждения валков. Для улучшения управления профилем листа с каждой
стороны верхнего и нижнего рабочего валка коллектор разделен на три зоны
охлаждения. Ширина зон: внутренняя зона: 2800 мм, средняя зона 2800 - 3800 мм и
внешняя зона 3800-5000 мм.
На входной и выходной стороне клети устанавливаются
форсунки боковой отсечки с мин. давлением 16 бар.
Задающие ролики установлены с обеих сторон нижнего
рабочего валка.
Рабочая платформа в верхней части клети стана
обеспечивает доступ к нажимным механизмам и двигателям.
Рабочие валки приводятся спаренными двигателями переменного
тока через два шпинделя выдвижного типа для верхнего и нижнего привода. Эти
шпиндели уравновешиваются гидроцилиндрами.
Чистовая клеть оборудована системой противоизгиба и
сдвига рабочих валков CVC Plus.
Машина горячей правки оборудована системой автоматики.
Эффективная компьютерная модель в комбинации с быстродействующей аппаратурой
является необходимым условием эффективной работы системы управления и настройки
машины. Эта модель работает в реальном времени как функция соответствующих
рабочих параметров, т.е. величин для настройки отдельных элементов.
Системы управления и настройки машины обеспечивают
выполнение
следующих функций:
Ø управляемая правка с обеспечением
равномерности;
Ø правка с автоматической системой
входа (заправка);
Ø правка в реверсивном режиме с
обратной настройкой валков.
Система спрейерного охлаждения (SCS) - устройство
охлаждения расположено в районе выходного рольганга стана и используется для
ускоренного охлаждения и закалки листа. Ускоренное охлаждение в сочетании с
термомеханической прокаткой обеспечивает повышенные механические качества
(особенно в отношении прочности на растяжение и предела текучести) с тем же или
более простым химсоставом (что означает более низкий углеродный эквивалент и
лучшую свариваемость) при тех же механических свойствах.
В связи с большим диапазоном применения система
охлаждения разделена на две секции. Первая секция (SCS) - это система сопел под
высоким давлением, а вторая - ламинарное охлаждение с U-образными трубками.
Комбинация двух систем обеспечивает широкий диапазон интенсивности охлаждения.
Для ускоренного охлаждения и некоторых типов закалки применяется система
U-образных трубок. Для некоторых специальных марок стали (дальнейшие
разработки) с высокой скоростью охлаждения активируются обе секции. Перед и
позади устройства охлаждения (между спрейерным охлаждением и ламинарной
системой) расположена боковая отсечка, обеспечивающая воспроизводимость эффекта
охлаждения. Вода подается из установки водоподготовки.
Ламинарная система охлаждения (LCS) - охлаждающее
устройство располагается на участке отводящего рольганга стана. Это устройство
применяется для ускоренного охлаждения листов. Ускоренное охлаждение в
сочетании с контролируемой прокаткой обеспечивает повышенные механические
свойства (особенно в отношении прочности на растяжение и предела текучести) при
том же или упрощенном химсоставе (этоозначает более низкий углеродный
эквивалент и лучшую свариваемость) при тех же механический свойствах.
Охлаждающее устройство может работать в режиме одного прохода или
возвратно-поступательного движения. Последний режим будет применяться для особо
толстых листов. Перед, внутри и за охлаждающим устройством располагаются
поперечные сопла боковой отсечки, обеспечивающие воспроизводимый эффект
охлаждения. Вода в сопла подается с установки водоподготовки (УВП). Устройство
охлаждения листа управляется полностью автоматически, а математическая модель
рассчитывает все параметры на основе данных по листу.
Машина маркировки листов располагается за правильной
машиной. Применяется для маркировки листов в продольном направлении во время
транспортировки в горячем состоянии. Четыре строки по 10 знаков наносятся на
головном, и четыре строки по 10 знаков - на хвостовом конце; ориентация
маркировки для чтения - первая линия слева, а вторая линия справа, обе на
верхней и на нижней стороне листа. Оператор может выбрать иную ориентацию
каждой маркировки. Возможны и другие варианты: маркировка на обеих сторонах;
только на верхней или только на нижней; одна или две маркировки снизу или одна
или двемаркировки сверху. Машина маркировки верхней части листа устанавливается
перед маркировщиком нижней стороны; маркировочная головка верхнего маркировщика
размещается прибл. на полролика впереди головки нижнего маркировщика.
1.3 Характеристика и кинематическая схема проектируемого
механизма
Современный прокатный стан представляет собой сложный комплекс различных
механизмов, связанных между собой единым технологическим процессом. Кроме
основной операции на прокатном стане производится целый ряд вспомогательных
операций, без которых невозможна прокатка. К вспомогательным операциям
относятся подача металла к валкам, установка рабочих валков, кантовка металла,
направление его в определённый калибр, транспортировка, резка, правка и др. Все
эти операции выполняются с помощью механизмов стана. Значение этих механизмов в
прокатном стане весьма велико, так как они оказывают существенное влияние на
производительность стана и качество продукции. Производительность мощного
прокатного стана может оказаться невысокой, если хотя бы один из механизмов не
в состоянии выполнить соответствующее количество операций в заданное время.
Нажимные винты являются механизмам относящимися к установочным
механизмам, работающим в повторно-кратковременном режиме и требующие регулирования
скорости.
Тихоходные нажимные механизмы с приводом от электродвигателя через
червячные передачи применяют на среднелистовых, тонколистовых и полосовых
станах кварто горячей и холодной прокатки, где скорость перемещения валков
невелика (ввиду необходимости точной регулировки толщины листов и полос).
Передаточное число червячной пары доходит до 1:110, поэтому, червячная
передача имеет гораздо больший потенциал повышения крутящего момента и снижения
частоты вращения, чем редукторы с иными типами передач.
Глобоидная червячная пара характеризуется большой длиной линии зацепления
и большой грузоподъемностью. Глобоидный червячный редуктор отличается от прочих
червячных передач тем, что его винт имеет не цилиндрическую, а выпуклую к
середине форму. Благодаря такой форме червячная пара способна передавать
больший момент. Однако площадь поверхности скольжения витка червяка по зубу
колеса у такого устройства больше, чем у цилиндрического, а, соответственно,
его коэффициент полезного действия ниже, причиной этого является увеличение
передаточного отношения.
Несмотря на низкий к.п.д., глобоидный червячный редуктор используется в
тех случаях, когда должны быть обеспечена высокая надежность, предотвращено
обратное проскальзывание, не должны иметь место толчки на выходном валу. Одно
из самых распространенных применений глобоидного червячного редуктора - это
механизмы привода барабана троса пассажирских лифтов. Глобоидная червячная пара
прекрасно выдерживает переменную нагрузку при разгоне и торможении лифта, а также
обеспечивает реверсивность работы.
Особое внимание нужно уделить надежной жесткой фиксации глобоидного
червячного редуктора по отношению к сопрягаемым механизмам. Фиксация должна
обеспечивать устойчивое взаимное положение редуктора, привода и оконечного
механизма.
1.3.1 Механический нажимной механизм
Механический нажимной механизм (MSD) использует два поворотных шпинделя 2
(рисунок 1, б). Каждый шпиндель приводится в движение трёхфазным индукционным
двигателем с частотным регулированием, который, в свою очередь, использует
червячную передачу 2 (рисунок 1, а). Между двумя двигателями нет механического
соединения. MSD используется для:
ü установки межвалкового зазора без нагрузки
ü калибровки межвалкового зазора после замены валков (сведение
до контактного усилияe)
ü сведения до конкретных положений во время замены валков
ü выравнивания межвалкового зазора без нагрузки
Данные функции поддерживаются системой гидравлического контроля
межвалкового зазора (HGC) и производятся совместно с этой системой. Настройка
по усилию прокатки может производиться только с системой HGC.
Каждый двигатель может работать независимо в толчковом режиме.
Разница между фактическим положением не должна превышать + 2мм в динамике
(разница между стороной оператора и стороной привода) и + 200 мм в статике
(разница между заданным и фактическим значениями).
Приводимый в движение гидравлическим способом дисковый тормоз
распределяет своё усилие на каждый привод. Он используется для удержания
тормоза. Отключение питания соответствующих электромагнитных средств делает
тормоз неактивным. Это означает, что после каждого движения настройки на
соленоид необходимо подавать питание. В случае ОТКЛЮЧЕНИЯ или АВАРИЙНОГО
ОСТАНОВА тормоз является неактивным (открытым).
В случае чрезмерного кантования во время позиционирования электрическим
контролем межвалкового зазора (EGC) (разница между стороной привода и стороной
оператора или наоборот > 4мм, настраиваемая) в отличие от остановки приводов
EGC через систему управления, тормоза должны быть незамедлительно закрыты.
Функция тормозов должна отслеживаться во время прокатки. В случае
нежелательных движений (отсутствие сигнала уставки скорости, а фактическая
скорость > 0,2% максимальной скорости, настраиваемая) одного или обоих
приводов EGC во время прокатки (в особенности во время входа материала в
межвалковый зазор), должен быть подан предупреждающий сигнал, а сигнал
“Конечный раскат” должен быть сгенерирован. В этом случае функция тормозов
должна быть проинспектирована.
1.3.2 Разжимное устройство
Каждый нажимной механизм в аварийной ситуации может независимо
поворачиваться при использовании механического разжимного устройства,
приводимого в движение гидравлическим цилиндром, работающим от ручного клапана.
Данная операция возможна только в режиме обслуживания / ручном режиме, а
приводной двигатель должен быть остановлен. Перед тем, как двигать нажимной
механизм с помощью разжимного устройства, тормоз двигателя нажимного механизма
должен быть отпущен. Исходные положения разжимного устройства отслеживаются
концевыми выключателями.
1.3.3 Установка межвалкового зазора
Контрольные значения положения генерируются системой автоматизации 1
уровня (смотрите определение интерфейса). После завершения каждого прохода
положение для следующего прохода настраивается автоматически, чтобы удерживать
HGC в его рабочей точке. Необходимо предупреждать возникновение ситуаций
движения механической системы нажимного механизма далее, чем значение заданной
окончательной уставки. После позиционирования механической системы нажимного механизма
система гидравлического контроля толщины производит точную настройку.
Вмешательства в ручном режиме также предусмотрены.
Все уставки должны рассчитываться и высылаться до выведения заднего конца
раската, чтобы минимизировать время на реверс. Необходимо проводить
предварительный контроль противоизгиба рабочих валков с целью улучшения
последующих быстрых движений нажимного механизма. Все процедуры
позиционирования производятся путём движений в направлении «закрытия
межвалкового зазора», чтобы устранить все механические зазоры в системе
нажимного механизма. Опускание механического винта должно ограничиваться таким
образом, чтобы нижняя поверхность верхнего рабочего валка не могла
позиционироваться ниже верхнего края рольганга. Это не используется в режиме
обслуживания.
1.3.4 Измерение положения
Положение приводных шпинделей отслеживается с использованием линейного
датчика положения 1 (рисунок 1, б и рисунок 2). Головка и шток датчика
положения соединены с клетью стана прочным соединением. Приводной магнит
соединён прочным соединением со шпинделем нажимного механизма таким образом,
чтобы фактическое положение шпинделя (положение нажимного механизма) измерялось
как абсолютное значение. Межвалковый зазор получается из положения шпинделя
нажимного механизма, положения системы гидравлического контроля межвалкового
зазора, а также положения клина ступенчатой настройки линии прокатки (с учётом
диаметров рабочего и опорного валков).
Во время пусконаладочных работ или во время замены датчика система
измерения положения должна быть откалибрована в соответствии с кинематической
схемой. Таким образом, определяется положение нажимного механизма над
теоретической линией прокатки.
1.3.5 Техника безопасности
Контрольное значение в направлении «вниз» (закрытие) должно ограничиваться
нижним рабочим положением (фактическая линия прокатки и фактический диаметр
валка); в направлении «вверх» (открытие) - максимальным значением межвалкового
зазора (x=2910мм). В данных положениях (предел рабочего использования) приводы
должны останавливаться датчиками положения.
Приблизительно за 25 мм до вышеуказанных положений скорость приводов
должна быть снижена до низкой скорости (5-15% от номинальной скорости)
датчиками положения.
Приблизительно за 20 мм до макс./мин. (минимум линии прокатки в
зависимости от минимального диаметра валка) рабочих положений скорость приводов
должна быть снижена до 5-15% номинальной скорости поворотными концевыми
выключателями PD01 SK1 (2), контактом 2(3), в каждом из случаев работающих
независимо от датчиков положения.
Поворотные концевые выключатели PD01 SK1(2) и контакт 1(4) должны
незамедлительно отключить двигатели и тормоза приблизительно через 2 мм после
максимума и 1 мм после минимума рабочего положения (Быстрое разъединение цепи,
если возможно, а затем аварийное отключение). Повторный пуск разрешается только
в противоположном направлении.
Движение на раскрытие механического нажимного устройства блокируется
концевым выключателем PB01 SBE балансировки шпинделя (шпиндели на максимальной
высоте). Если в клети нет рабочих валков (например, во время режима замены
опорных валков), механический нажимной механизм может двигаться вовнутрь по
всему пределу движения.
1.3.6 Система регулировки межвалкового зазора
Эта клеть предназначена для прокатки листов в
несколько проходов в соответствии с требованиями по сортаменту. Для управления
геометрией и планшетностью листа клеть оборудуется сдвижными валками CVCplus и
механизмом противоизгиба рабочего валка.
Привод рабочих валков - двигателями переменного тока
через шпиндели 2 (рис. 1, б) выдвижного типа . Настройка прокатной линии
осуществляется системой дистанционного управления с помощью смещаемых
ступенчатых прокладок, установленных под подушками нижних опорных валков.
Замена рабочих и опорных валков производится с помощью устройства быстрой
замены, оснащенного ретрактором. Обе составные станины имеют прочную
конструкцию. В верхней части находится коробка прижимного механизма. Станины
устанавливаются на плита) основания, крепящихся к фундаменту.
Рабочие валки установлены на специальных роликовых
подшипниках, опорные валки - на подшипниках Моргойл, смазываемых с помощью
специальной системы масляной смазки.
Устройства блокировки рабочего и опорного валков
располагаются со стороны оператора. При замене валков они отводятся гидроприводом.
Верхний опорный валок уравновешивается одним гидроцилиндром.
Раствор валков регулируется двумя двигателями
переменного тока через червячную передачу 2 (рисунок 1, а), прижимные винты
(рисунок 2) и гайки 3 (рисунок 1, б и рисунок 2). Механическая прижимная
система работает между проходами без нагрузки.
Для регулировки нижних рабочих и опорных валков ниже
подушки каждого нижнего опорного валка устанавливается один гидроцилиндр AGC.
Для точной калибровки уровня нижнего комплекта валков в станине, установки
раствора валков и защиты от перегрузок предусмотрена гидравлическая система
установки раствора валков.
Верхний рабочий валок балансируется прижатием к
опорному валку с помощью гидроцилиндров. Нижний рабочий валок прижимается к
нижнему опорному валку. Эти системы также будут применяться для противоизгиба
рабочих валков. Входная и выходная направляющие установлены на входной и
выходной стороне верхних рабочих валков. Эти направляющие размещаются между
станинами клети и могут подниматься в соответствии с раствором валков.
1.3.6.1 Электромеханическая система установки раствора
валков (EMP)
Электромеханическая система установки раствора валков
располагается в верхней части клети.
Электромеханическая система установки раствора валков
применяется для регулировки зазора между валками в промежутках между
проходками. Регулировка на усилие прокатки не предусмотрена. Усилитель нажима
механического типа с электрическим приводом вращает шпиндели 2 (рисунок 1, б)
через червячные редукторы 3 (рисунок 1, а). Двигатели установлены на платформе,
на станине клети. Обе стороны, оператора и привода имеют электрическую
синхронизацию. Гидравлический дисковый тормоз установлен на валках привода.
Гидравлические устройства разжима предназначены для открытия клети в случае
аварии. На винтах нажима установлены упорные блоки. Упорные блоки снабжены
датчиками нагрузки. Ниже в таблице 1.3.6.1 приводятся технические данные
механизма.
Таблица 1.3.6.1 - Технические данные механической части нажимного
устройства
|
№
|
Наименование
|
Обозначение
|
Значение
|
|
1
|
Наружный диаметр НВ
|
Dв, мм
|
950
|
|
2
|
Шаг НВ
|
H, мм
|
60
|
|
3
|
Диаметр опорной части пяты НВ
|
Dп, мм
|
790
|
|
4
|
Максимальный рабочий ход НВ
|
Sр, мм
|
200
|
|
5
|
Максимальный ход НВ
|
Sm, мм
|
225
|
|
6
|
Масса НВ
|
Mв, кг
|
13400
|
|
7
|
Масса верхнего оперного валка с подушками
|
Mвов, кг
|
340000
|
|
8
|
Масса верхнего рабочего валка с подушками
|
Mврв, кг
|
109000
|
|
9
|
Передаточное число редуктора
|
i
|
16
|
|
10
|
КПД передачи
|
h
|
0,9
|
|
11
|
Скорость перемещения НВ вниз
|
Vп, мм/с
|
46
|
|
12
|
Угол трения в нарезке винта
|
j, град
|
5,4
|
|
13
|
Коэффициент трения
|
mп
|
0,15
|
|
14
|
Точность установки НВ
|
DS, мм
|
0,2
|
|
15
|
Угол подъема винтовой линии
|
a, град
|
3,6
|
|
16
|
Тензодатчик (максимально измеряемое усилие на каждый НВ)
|
FНВ, кН
|
70 000
|
Система нажима механического типа, приводится двумя
электродвигателями переменного тока с прямым соединением с червячными
редукторами 3 (рисунок 1, б) корпуса редукторов и кожухи из сварной стали
станины двигателей из сварной стали подшипники редукторов антифрикционного типа
муфты зубчатого типа 6 (рисунок 1, б) каждая сторона оснащена гидравлическим тормозом
электрическая синхронизация нажимных винтов для регулировки раствора валков
нажимные винты из кованой легированной стали со шлицом в верхней части гайки
нажимного винта 3 (рисунок 1, б и рисунок 2) из специальной бронзы, закреплены
в верхних траверсах 4 (рисунок 1, б) станин клетей. Разжимное устройство каждая
сторона оборудована гидравлическим разжимным устройством. Упорные блоки из
стали, включая сферический упорный подшипник скольжения 5 (рисунок 1, б) из
специальной бронзы, предусмотрено место для датчиков нагрузки. Датчики нагрузки
конструкцией блока предусмотрено два места. Указатель раствора валков через
измерение раствора с помощью датчиков продольной позиции 1 (рисунок 1, б и
рисунок 2), установленных в верхней части нажимных винтов. Датчики позиции
связаны с датчиками позиции AGC-регулировки нижних валков и соответственной
позицией ступенчатой плиты.
Рисунок 1 - Кинематическая схема нажимного устройства
(а) и расположение его основных конструктивных элементов (б)
а): 1 - Исполнительный механизм; 2 - глобоидная
червячная передача; 3 - цилиндрическая зубчатая передача.
б): 1 - датчик положения; 2 - шпиндель выдвижного
типа; 3 - прижимная гайка; 4 - верхняя траверса станины; 5 - сферический
упорный подшипник скольжения; 6 - муфта зубчатого типа с трапецеидальной или
упорной резьбой.
Механическая система регулировки раствора валков работает исключительно
между проходами.
Смазка система нажима подключена к центральной системе
масляной смазки смазка сферического упорного подшипника осуществляется сверху
(через отверстие внутри нажимного винта) смазка резьбы нажимного винта и гайки
осуществляется снаружи, соединена со станиной клети на уровне средней части
винта.
Для точной калибровки уровня нижнего комплекта валков в станине,
установки раствора валков и защиты от перегрузок предусмотрена гидросистема
установки раствора валков.
1.3.6.2 Гидравлическая система установки
раствора валков (AGC)
Цилиндры для установки давления валков расположены в нижней части клети станины.
Установка давления валков и контроль толщины осуществляется гидроцилиндрами в
сочетании с системой управления положениями. Кроме того, эта система защищает
клеть от перегрузок. Максимальное давление валков ограничивается установлением
давления сброса в цилиндре. Гидравлическая система AGC состоит из больших
цилиндров, установленных под подшипниками нижнего опорного валка, расположенных
на хомутах станины клети. Гидроцилиндры установки раствора валков служат для
точного позиционирования и установки раствора валков. Они работают совместно с
системой управления позицией, кроме этого они активируют систему автоматической
калибровки и защищают клеть от перегрузки. Корпус цилиндра, шток и крышка
сделаны из термообработанной кованой стали, включая специальные уплотнения и
соединительные части. Клапанный стенд со специальной защитой для размещения
сервоклапанов гидравлики системы настройки раствора, расположены в подвале.
Сервоклапаны устанавливаются как можно ближе к цилиндрам AGS. Каждый цилиндр
оснащён двумя датчиками позиционирования, установленными на наружной стороне
корпуса цилиндра.
1.4 Требования к электроприводу
Металлургические предприятия являются одним из наиболее мощных
потребителей электроэнергии. Около 70% потребляемой на них электроэнергии идет
на нужды электропривода, являющегося основным источником двигательной энергии.
Важное место, занимаемое металлургическим приводом в современном научно -
техническом прогрессе металлургического производства, определяет необходимость
правильного выбора типа электропривода и приводного двигателя на конкретных
рабочих машинах.
На основании этого к электроприводу нажимных винтов предъявляются
следующие требования:
1) Большая частота включений;
2) (Повышенный КПД) Передача большого момента привода благодаря применению
глобоидных червячных передач;
) Минимальное время протекания переходных процессов, что
определяет производительность;
4) электропривод
должен обеспечивать широкий диапазон регулирования скорости
, где 150
- это
минимальная рабочая скорость, на которой двигатель работает при достижении
полосой толщины
,;
5) Для нажимных устройств реверсивных станов горячей прокатки характерно
большое число включений в час, в данном случае порядка 200-220 включений в час,
кроме того независимо от того включены нажимные винты или нет они постоянно
находятся под намагничиванием;
6) Необходим, возможно, меньший момент инерции;
) Пуск должен быть сравнительно плавный, без резких бросков тока.
В противном случае возникают удары, разрушающие конструкцию (в особенности
редуктор);
) Электропривод должен быть позиционным, так как основная функция
нажимного устройства - это изменение положения рабочего валка;
9) Электропривод
должен обеспечивать высокие быстродействие и точность отработки задания, т.к.
привод позиционный, то точность позиционирования составляет
0,2 мм;
1.4.1 Выбор рода тока и типа электропривода
Механизмы, работающие в длительном или повторно-кратковременном режиме и
требующие регулирования скорости, обычно имеют двигатели постоянного тока.
Однако в тех случаях, когда в одно и то же время производится согласованное
регулирование скорости целого ряда двигателей, например индивидуальных
двигателей левого и правого нажимных винтов, применяют асинхронные двигатели
при питании их от общего преобразователя частоты.
1.5 Расчет мощности электродвигателя
Надежная и экономичная работа электропривода возможна только при
правильном выборе мощности электродвигателя. Разнообразные условия работы и
требования, предъявляемые к рабочим машинам, осложняют выбор мощности
электродвигателя. Установка двигателей завышенной мощности нецелесообразна, так
как неоправданно возрастают габариты машины, вес, первоначальная стоимость,
ухудшаются энергетические показатели (КПД, cos j). Снижение установленной мощности приводит к нагреву
электрического двигателя сверх нормы, а, следовательно, к преждевременному
выходу его из строя.
При эксплуатации даже правильно выбранного по мощности двигателя, всегда
могут быть кратковременные толчки нагрузки, значительно превосходящие
номинальную мощность двигателя. В силу кратковременности эти нагрузки не могут
вызвать заметного нагрева, однако для каждого типа двигателя существуют факторы
электрического происхождения, которые даже при кратковременной нагрузке
превосходят определенный предел, вызывая резкое нарушение нормальной работы.
При выборе мощности двигателя необходимо исходить из двух основных факторов:
мгновенная нагрузка и нагрев.
Для расчета мощности двигателя необходимо знать нагрузочную диаграмму. В
свою очередь, чтобы построить нагрузочную диаграмму, необходимо выбрать
двигатель. Поэтому существует следующий определённый порядок действий.
При выборе мощности двигателя того или иного механизма, работающего в
повторно-кратковременном режиме, придерживаются следующего порядка:
ü Рассчитываются статические усилия и моменты;
ü На основании результатов расчёта статической нагрузки или же
по данным подобных установок выбираются предварительно мощность и тип
двигателя;
ü По данным механизма и двигателя рассчитывается оптимальное
передаточное отношение редуктора;
ü По заданным условиям технологического процесса строится
тахограмма механизма;
ü Определяются моменты ускорений и замедлений;
ü Строится нагрузочная диаграмма и по ней вычисляется
эквивалентное значение тока или момента.
1.5.1 Расчёт статических моментов
При отсутствии металл в валках под влиянием массы валка между концом
винта и пятой в резьбе гайки нажимного винта образуются зазоры. В этом случае
при захвате металла валками будут возникать сильные удары, которые вызовут
повышенный износ и быстрое разрушение механизма. Для предохранения нажимного
устройства от ударов при захвате металла необходимо устранить зазоры, что
выполняется с помощью уравновешивающих устройств, в нашем случае использовано
гидравлическое уравновешивающее устройство.
Механизм балансировки верхнего опорного валка применяется для подъёма
верхнего валка и устранения люфтов в механической нажимной системе.
Гидравлический цилиндр расположен верхней поперечине станины клети.
Балансировка применяется для настройки комплекта верхнего валка и для раствора
валков в соответствии с системой механического нажима. В комплект входит один
гидроцилиндр по центру. Усилие цилиндра составляет 990 т, а общий вес
составляет 530 т. Балансировка осуществляется плунжерным цилиндром через тяги
крепления и подъёмные траверсы, а также траверсы с вкладышами внутри окна
станины. Цилиндр установлен на верхней поперечине станины клети. Для фиксации
системы балансировки во время замены рабочих и опорных валков, а также для
технического обслуживания над цилиндром балансировки установлена трёхпазовая
гильза.
При вращении нажимного винта, момент статического сопротивления определяется
силой трения в нарезке и пяте винта, в опорных подшипниках и направляющих, по
которым скользят подушки нажимных винтов.
Момент статического сопротивления на валу механизма в режиме опускания
верхнего валка:
(1.5.1.1)
где
1,1 - коэффициент, учитывающий трение подушек о направляющие, трение в опорных
подшипниках;
усилие со
стороны уравновешивающего устройства, Н;
сила
тяжести верхнего валка с подушками, опорными стаканами и другими деталями, Н;
сила
тяжести НВ, Н;
средний
диаметр нарезки НВ, м;
угол
подъёма винтовой линии НВ, 0;
угол
трения в нарезке НВ, 0;
диаметр
пяты НВ, м;
коэффициент
трения в пяте (при трении стали по чугуну
);-
передаточное число редуктора;
h - КПД передачи
(редуктора);
(1.5.1.2)
(1.5.1.3)
Средний статический момент при этом составит:
;
(1.5.1.4)
Для установочных механизмов, работающих в повторно - кратковременном
режиме, мощность и момент двигателя необходимо определить из условия нагрева
двигателя по среднеквадратичному току, а также из условия обеспечения
достаточно быстрого разгона двигателя, чтобы время установки валков было
минимально. В этом случае при определении момента двигателя надо учитывать
динамическую нагрузку, возникающую при ускорении вращения деталей в приводе, от
двигателя к нажимному винту.
Момент инерции механизма:
(1.5.1.5)
(1.5.1.6)
(1.5.1.7)
Динамический момент:
(1.5.1.8)
где
Vm - максимальная скорость перемещения винтов, м/с;- среднее перемещение
верхнего валка, м;- шаг нажимного винта, м.
Необходимая
мощность двигателя:
(1.5.1.10)
Желаемая
скорость вращения двигателя:
(1.5.1.11)
(1.5.1.12)
Зная
и
выбираем
двигатель со следующими техническими характеристиками:
Выбираем
асинхронный двигатель с короткозамкнутым ротором типа DSF450S 120-6,
рассчитанный для повторно-кратковременного режима работы с ПВ = 30%, со
степенью защиты IP55, с изоляцией класса F. Технические данные двигателя
представлены в таблице 1.5.1.1.
Таблица
1.5.1.1 - Технические данные двигателя DSF450S 120-6
|
Наименование параметра
|
Обозначение
|
Величина
|
|
Номинальная мощность, кВт
|
Рн
|
560
|
|
Номинальное линейное напряжение статора, В
|
U1
|
660
|
|
Номинальная частота вращения, об/мин
|
nн
|
740
|
|
Минимальная частота вращения, об/мин
|
nmin
|
150
|
|
Число пар полюсов
|
2р
|
8
|
|
Перегрузочная способность по моменту (Кратность пускового
момента kп)
|
l
|
2,5
|
|
Кратность критического момента kкр
|
Kкр
|
2,6
|
|
cosj
|
-
|
0,85
|
|
Номинальный ток статора, А
|
I1н
|
600
|
|
Кратность пускового тока
|
KI
|
6,6
|
|
Ток намагничивания, А
|
Im
|
260
|
|
Активное сопротивление фазы статора, Ом
|
R1
|
0,0076
|
|
Индуктивное сопротивление рассеяния фазы статора, Ом
|
x1
|
0,055
|
|
Приведенное активное сопротивление фазы ротора, Ом
|
R’2
|
0,0093
|
|
Приведенное индуктивное сопротивление рассеяния фазы
ротора, Ом
|
x’2
|
0,0764
|
|
Сопротивление взаимоиндуктивности, Ом
|
xm
|
1,612
|
|
Взаимоиндуктивность статора и ротора, Гн
|
Lm
|
0,0051
|
|
Коэффициент рассеяния машины
|
-
|
0,077
|
|
КПД двигателя
|
hдв
|
0,95
|
|
Момент инерции ротора, кг×м2
|
Jдв
|
39
|
|
Минимальная частота выходного напряжения
|
fmin
|
10
|
Параметры R1 , x1 , R’2 , x’2 , xm , Lm были рассчитаны по Т-образной
схеме замещения (рисунок 1.5.1.1) АД с использованием имеющихся каталожных
данных:
Рисунок 1.5.1.1
Используя каталожные данные, представленные в таблице 1.5.1.1, рассчитаем
некоторые дополнительные технические данные двигателя.
Номинальная угловая скорость двигателя
(1.5.1.13)
где
- номинальная частота вращения двигателя, об/мин,
-
синхронная частота (холостого хода) вращения двигателя, об/мин
Номинальный момент двигателя
кНм,
(1.5.1.14)
где
- номинальная мощность двигателя, Вт.
Т.о.
полученный номинальный момент двигателя превышает статический, т о необходимо
исследовать более тяжёлый случай работы привода, поэтому произведём перерасчёт
статического момента в сторону его увеличения, путём принятия усилия
равного
.
Соответственно,
(1.5.1.15)
Максимальный
момент, развиваемый двигателем, составит:
кНм,
(1.5.1.16)
где
l - перегрузочная способность двигателя.
Номинальное
скольжение двигателя
,
(1.5.1.17)
где
- частота вращения идеального холостого хода
двигателя.
Фазное
индуктивное сопротивление рассеяния короткого замыкания двигателя
Ом,
(1.5.1.18)
где
x1 - индуктивное сопротивление рассеяния фазы статора, Ом;’ - приведенное
индуктивное сопротивление рассеяния фазы ротора, Ом.
Критическое
скольжение двигателя
,
(1.5.1.19)
где
- приведенное активное сопротивление фазы ротора, Ом;
-
активное сопротивление фазы статора, Ом;
знак
«+» относится к двигательному режиму;
знак
«-» относится к режиму рекуперативного торможения.
1.6 Расчёт нагрузочной диаграммы двигателя
Существует два режима прокатки, а именно чистовая и черновая прокатки.
Черновая прокатка служит для разбивки ширины сляба для дальнейшего
проката (после черновой прокатки вполне определённой толщины 120-150 мм (но
которая естественно изменится в процессе изменение ширины полосы не
происходит), т.е. достигается так называемый раскат, т.е. получение конечной
ширины и порядка чистовой прокатки).
Число проходов приблизительно 7-10, обжатие достигается в районе 18%. Во
время первых, обычно трёх, проходов осуществляется разворот сляба на поворотном
столе (пока позволяют размеры сляба), т.е. получаем таким образом определённую
ширину полосы Длина штуки после черновой прокатки составляет 4,5-5,5 м.
Сляб поступает с МНЛЗ с определёнными параметрами:
ü Масса сляба 10-30 т;
ü Длина 3 м;
ü Ширина 2,6 м;
ü Толщина 0,3 м;
Перед чистовой группой клетей металл должен находиться в определённом
температурном режиме, поэтому проходит процесс осцилляции на рольгангах (т.е.
процесс остывания) перед проходами чистовой прокатки. Причём в процессе
осцилляции может находиться до 6 штук. Время нахождения на осцилляции может
достигать 3-5 минут. Но расстоянии между штуками, находящимися на осцилляции
должно составлять 2,5 м.
Чем меньше температура металла, тем больше возможность раскатать металл
тоньше.
Число чистовых проходов составляет 10-15 (общее число при этом 20-25).
Обжатие уже чуть меньше, чем при черновой прокатки и составляет 15 %.
Всю прокатку может разделить на две фазы: 1 фаза включает в себя выход из
печи, подход к клети, а также весь черновой прокат, 2-я фаза начинается с
осцилляции и заканчивается завершённым чистовым прокатом. Время осцилляции
зависит главным образом от температуры второй фазы и может длиться, как уже
было сказано около 5 минут. Соответственно время между проходами, как чистовой
и черновой прокатки определяется временем отработки перемещения нажимными
винтами и системы сдвижки валко CVC это занимает около 2-3 с.
На пульт управления с МНЛЗ поступают все геометрические размеры сляба,
температура выхода из печи (примерно 1250 градусов). А оператор в свою очередь,
задаёт выходные параметры листа (после чистовой): длину, толщину, ширину и
температуру, на основании полученных данных остальные расё производятся на
основе вычислений математической модели.
Скорость прокатки зависит от температуры катаемого металла: для
высокотемпературного металла она составляет 7-7,5 м/c, а для
низкотемпературного 2-2,5 м/c.
Температура металла зависит от сортамента, к примеру самый популярный
сортамент - это трубный лист толщиной 18-26 мм, марка стали К60-X70.
При толщине 10 мм и ниже электромеханическое устройство не перемещает
валки, - они сводятся в забой до полного соприкосновения, при этом
экспериментальным путём определяется, при каком усилии валков клеть разожмётся
при входе металла в валки, и на какое расстояние соответственно.
В последних трёх проходах, когда перемещение становится меньшим 2 мм, то
электромеханическое нажимное устройство уже не перемещает валки, а регулировка
раствора валков осуществляется нижнего комплектом валков при помощи ГНУ
(гидронажимного устройства).
Расчет ведется для каждого перемещения в цикле, причем перемещения могут
быть как большими, так и малыми, то есть диаграмма скорости может быть
трапецеидальной или треугольной.
Предположим, что перемещение достаточно велико и соответственно получаем
трапецеидальную тахограмму. Пуск двигателя будет выполняться от задатчика
интенсивности (ЗИ), поэтому время разгона и торможения при опускании НВ будет
одинаковым и равно:
(1.6.1)
где
А
время разгона и торможения при подъёме НВ соответственно:
(1.6.2)
Перемещение
НВ за время разгона и торможения при его опускании будет равно:
(1.6.3)
А
перемещение НВ за время разгона и торможения при его подъёме соответственно:
(1.6.4)
Теперь
можно определить величину критического перемещения для оценки вида тахограммы
(1.6.5)
После
этого сравнивается критическое перемещение и перемещение верхнего валка для
каждого пропуска. Если Sкр > Sзад , т.о. диаграмма
скорости будет треугольной, то есть скорость двигателя не достигнет номинального
значения и необходимо провести расчет треугольной диаграммы. В этом случае
рассчитывается эквивалентное ускорение
(1.6.6)
Линейное
ускорение во время разгона и торможения при опускании НВ:
(1.6.7)
Линейное
ускорение во время разгона и торможения при подъёме НВ:
(1.6.7)
Теперь
можно будет определить эквивалентное ускорение
(1.6.8)
Максимальная
скорость будет равна
(1.6.9)
Время пуска
(1.6.10)
После расчета всех перемещений согласно программе прокатки строится
нагрузочная диаграмма. Далее производится проверка двигателя по условиям
нагрева и мгновенной нагрузки.
В расчетах будем опираться на программу работыпрокатки нажимного
механизма при прокатке сляба марки стали К 60 cо следующими параметрами:
толщиной 250 мм, шириной 1640 мм, длиной 3810 мм и массой 11,94 т (см. таблицу
1.6.1).
Таблица 1.6.1 - Программа прокатки нажимных винтов (исходные данные)
|
Фаза
|
Номер проката
|
Сечение слитка
|
|
|
Толщина, мм
|
Ширина, мм
|
Длина, мм
|
Обжатие ∆h, мм
|
|
|
|
|
|
|
|
0
|
1
|
2
|
3
|
4
|
5
|
|
1
|
1
|
217,45
|
1660
|
3093
|
31,55
|
|
пов.1
|
2
|
188,05
|
3098
|
1919
|
29,40
|
|
1
|
3
|
159,71
|
3101
|
2257
|
28,34
|
|
1
|
4
|
132,88
|
3104
|
2709
|
26,83
|
|
1
|
5
|
107,65
|
3108
|
3340
|
25,23
|
|
пов.1
|
6
|
90,98
|
3341
|
3671
|
16,67
|
|
1
|
7
|
77,07
|
3343
|
4329
|
13,91
|
|
1
|
8
|
66,01
|
3344
|
5050
|
11,06
|
|
2
|
9
|
54,18
|
3332
|
6097
|
11,83
|
|
2
|
10
|
45,18
|
3333
|
7302
|
9,00
|
|
2
|
11
|
37,07
|
3335
|
8899
|
8,11
|
|
2
|
12
|
29,89
|
3337
|
11022
|
7,18
|
|
2
|
13
|
24,13
|
3340
|
13653
|
5,76
|
|
2
|
14
|
19,79
|
3342
|
16643
|
4,34
|
|
2
|
15
|
16,45
|
3345
|
20051
|
3,34
|
|
2
|
16
|
14,03
|
3348
|
23527
|
2,42
|
|
2
|
17
|
12,35
|
3347
|
26701
|
1,68
|
Полная программа прокатки для механизма нажимных винтов будет рассчитана
исходя из имеющейся тахограммы в пределах одного технологического цикла. Она
необходима для определения времени работы электромеханической системы установки
раствора валков, а также времени пауз (рисунок 1.6.1). Тахограмма и нагрузочная
диаграмма работы буду иметь следующий вид:
По результатам выше приведённых программы прокатки и тахограммы работы
рабочих валков клети была составлена следующая программа прокатки для НВ:
Таблица 1.7.1
|
Номер фазы проктки
|
Номер прохода
|
Толщина, мм
|
Обжатие (Sзад), мм
|
Обжатие, %
|
Время работы, с
|
Время пазы, с
|
Примечаниие
|
Скорость, об/мин
|
Время разгона/торможения, с
|
Время утановившееся, с
|
Вид тахограммы
|
|
|
250
|
0
|
0
|
|
|
|
|
|
|
|
|
1
|
1
|
217,45
|
32,55
|
14,969
|
3,6
|
9,1
|
Опускание НВ
|
740
|
0,543
|
2,514
|
Трапеция
|
|
2
|
188,05
|
29,4
|
15,6341
|
3,45
|
4,98
|
|
740
|
0,543
|
2,364
|
|
|
3
|
159,71
|
28,34
|
17,7447
|
3,4
|
5,75
|
|
740
|
0,543
|
2,314
|
|
|
4
|
132,88
|
26,83
|
20,1911
|
3,3
|
4,6
|
|
740
|
0,543
|
2,214
|
|
|
5
|
107,65
|
25,23
|
23,4371
|
3,25
|
5,75
|
|
740
|
0,543
|
2,164
|
|
|
6
|
90,98
|
16,67
|
18,3227
|
3,16
|
5,75
|
|
601,037
|
1,58
|
0
|
Треугольник
|
|
7
|
77,07
|
13,91
|
18,0485
|
3,1
|
8,43
|
|
549,031
|
1,55
|
0
|
|
|
8
|
66,01
|
11,06
|
3
|
25
|
|
489,566
|
1,5
|
0
|
|
|
2
|
9
|
54,18
|
11,83
|
21,8346
|
3,06
|
8,86
|
|
506,321
|
1,53
|
0
|
|
|
10
|
45,18
|
9
|
19,9203
|
2,9
|
8,86
|
|
441,626
|
1,45
|
0
|
|
|
11
|
37,07
|
8,11
|
21,8775
|
2,8
|
6
|
|
419,222
|
1,4
|
0
|
|
|
12
|
29,89
|
7,18
|
24,0214
|
2,7
|
6
|
|
394,453
|
1,35
|
0
|
|
|
13
|
24,13
|
5,76
|
23,8707
|
2,56
|
7,7
|
|
353,301
|
1,28
|
0
|
|
|
14
|
19,79
|
4,34
|
21,9303
|
2,43
|
7,93
|
|
306,675
|
1,215
|
0
|
|
|
15
|
16,45
|
3,34
|
20,304
|
2,3
|
8,4
|
|
269,034
|
1,15
|
0
|
|
|
16
|
14,03
|
2,42
|
17,2488
|
2,15
|
9,3
|
|
229,003
|
1,075
|
0
|
|
|
17
|
12,35
|
1,68
|
13,6032
|
2,05
|
9,3
|
|
190,804
|
1,025
|
0
|
|
|
Подъём НВ
|
223,55
|
100
|
15,33
|
-
|
|
740
|
0,35
|
14,244
|
|
Т.о.
при построении тахограммы работы будем учитывать следующее: в первых пяти
проходах двигатель разгоняется до номинальной скорости и работает по
трапецеидальной тахограмме, в остальных проходах двигатель не достигает установившейся
(номинальной) скорости и работает по треугольной тахограмме. Однако следует
учитывать, что при величине обжатие менее 3 мм электромеханическая система
раствора валков не участвует в регулировке толщины, при этом отработку
заданного перемещения обеспечивает ГНУ. Поэтому работой НВ в 16 и 17 проходах
можно пренебречь. При построении нагрузочной диаграммы учитываем, что при
опускании и подъёме НВ действует постоянный статический момент (соответственно
свой момент при опускании и подъёме валка), рассчитанный выше и не меняющийся в
зависимости от задания по перемещению, а вот динамический момент в каждом
проходе различен и связан с перемещением, что отражено в расчёте времени
разгона и торможения. Для каждого прохода рассчитывается свой
, одинаковый для разгона и торможения в каждом
проходе. По результатам таблицы можно найти динамический момент для каждого
прохода при разгоне или торможении двигателя, т.к. мы знаем до какой скорости и
за какое время двигатель ускоряется/замедляется.
Результаты
расчёта динамического момента приведены ниже:
Таблица
1.6.2 - Результаты расчёта статического и динамического моментов
|
Динамический момент
|
Статический момент
|
Суммарный момент
|
Номер прохода
|
|
6,38494
|
7,94
|
14,3249
|
1
|
|
6,38494
|
7,94
|
14,3249
|
2
|
|
6,38494
|
7,94
|
14,3249
|
3
|
|
6,38494
|
7,94
|
14,3249
|
4
|
|
6,38494
|
7,94
|
14,3249
|
5
|
|
1,78225
|
0
|
1,78225
|
6
|
|
1,65955
|
0
|
1,65955
|
7
|
|
1,52913
|
0
|
1,52913
|
8
|
|
1,55045
|
0
|
1,55045
|
9
|
|
1,42696
|
0
|
1,42696
|
10
|
|
1,40294
|
0
|
1,40294
|
11
|
|
1,36895
|
0
|
1,36895
|
12
|
|
1,29318
|
0
|
1,29318
|
13
|
|
1,18257
|
0
|
1,18257
|
14
|
|
1,09606
|
0
|
1,09606
|
15
|
|
0
|
0
|
0
|
16
|
|
0
|
0
|
0
|
17
|
|
9,90577
|
4,13
|
14,0358
|
18
|
Теперь мы обладаем всеми данными, чтобы построить тахограмму и
соответствующую ей нагрузочную диаграмму:
Проверка предварительно выбранного электродвигателя по условию нагрева и
перегрузки
Метод определения потерь по эквивалентному моменту уступает в погрешности
тому же методу, но по эквивалентному току. Поэтому воспользуемся методом
определения потерь по эквивалентному току, чтобы произвести проверку производим
для выбранного двигателя по условию нагрева за весь цикл работы. Эффективный
ток статора за время работы двигателя определяется по формуле
(1.6.11)
где
- значение тока статора при пуске на каждом отдельном
участке, А;
- время
пуска двигателя на каждом участке, с;
-
значение тока статора при установившемся движении на каждом участке, А;
- время
установившегося движения на каждом участке, с;
-
значение тока статора при торможении на каждом участке, А;
- время
торможения двигателя на каждом участке, с;
-
количество участков пуска/торможения;
-
количество участков установившегося движения;
a - коэффициент,
учитывающий ухудшение охлаждения двигателя при работе со скоростями ниже
номинальной, принимается равным 1, так как принудительное охлаждение.
Значение
тока статора в зависимости от момента и скольжения двигателя определяется по
формуле:
(1.6.12)
где
ток намагничивания двигателя, А;
-
номинальный ток статора, А;
- момент
двигателя, Нм, соответствующий искомому току статора;
-
скольжение двигателя, соответствующее данному режиму работы;
- номинальный
момент двигателя, Нм;
-
номинальное скольжение.
Чтобы
найти ток статора, необходимо определить скольжение двигателя для каждого
участка нагрузочной диаграммы (рисунок 1.3). Поскольку разгон, установившееся
движение и торможение двигателя происходят при постоянных моментах, то
скольжение и ток статора будут постоянными в пределах каждого участка
нагрузочной диаграммы. Скольжение определим, воспользовавшись формулой Клосса:
(1.6.13)
где
.
Выразив
из формулы скольжение S, получим
,
(1.6.14)
Т.о.
(1.6.15)
где М
- значение момента двигателя, Нм, соответствующее искомому скольжению.
Результаты расчета приведены в таблице 1.6.2
Таблица
1.6.2 - Расчет тока статора и скольжения
|
Проход
|
Примечание
|
Момент, кНм
|
S
|
Ток, А
|
Проход
|
Примечание
|
S
|
Ток, А
|
Момент, кНм
|
|
1-5
|
Мр
|
14,325
|
0,0214
|
1012,55
|
12
|
Мр=Мт
|
0,006942
|
311,911
|
1,369
|
|
Муст
|
7,94
|
0,0122
|
557,624
|
13
|
Мр=Мт
|
0,006836
|
308,565
|
1,293
|
|
Мт
|
6,385
|
0,0133
|
612,42
|
14
|
Мр=Мт
|
0,00672
|
303,927
|
1,18
|
|
6
|
Мр=Мт
|
1,78
|
0,0073
|
329,18
|
15
|
Мр=Мт
|
0,006625
|
300,264
|
1,09
|
|
7
|
Мр=Мт
|
1,66
|
0,0072
|
324,1
|
16
|
Мр=Мт
|
0
|
0
|
0
|
|
8
|
Мр=Мт
|
1,53
|
0,00708
|
318,496
|
17
|
Мр=Мт
|
0
|
0
|
0
|
|
9
|
Мр=Мт
|
1,55
|
0,0071
|
319,341
|
18
|
Мр
|
0,02102
|
994,6228128
|
14,036
|
|
10
|
Мр=Мт
|
1,42
|
0,006965
|
313,842
|
|
Муст
|
0,0098
|
440,5
|
4,13
|
|
11
|
Мр=Мт
|
1,4
|
0,00695
|
313,043
|
|
Мт
|
0,0161
|
752,013
|
9,9
|
Определяем эффективный ток за время работы (без учета паузы).
Чтобы
учесть время пауз необходимо определить фактическую относительную
продолжительность включения двигателя.
(1.6.16)
где
- время работы двигателя в течение цикла, с.
-время с
учетом пауз, то есть
Т.к.
фактическая продолжительность включения отличается от каталожной, то необходимо
пересчитать значения эффективного тока
,
(1.6.17)
где
- эквивалентный ток, т.е. эффективный ток,
пересчитанный на каталожное значение продолжительности включения, А;
-
пересчетный коэффициент
Значение
определяется по формуле
,
(1.6.18)
где
- каталожное значение продолжительности включения;
Далее
находим эквивалентный ток
А,
Сравниваем
полученное значение с номинальным током двигателя.
.
Следовательно,
выбранный двигатель подходит по условию нагрева.
1.7
Выбор основного силового
электрооборудования
1.7.1 Состав силовой части преобразователя частоты
Электропривод Converteam LV 7000 представляет собой низковольтный
преобразователь частоты с промежуточным звеном постоянного тока с полностью
цифровым управлением на основе IGBT транзисторов.
В состав силовой части электропривода входят следующие основные элементы:
главный выключатель Q2 на стороне питания для защиты кабелей и
полупроводниковых приборов;
линейный контактор К1;
сетевой фильтр L1;
выпрямительный блок, представляющий собой трехфазный мостовой полностью
управляемый выпрямитель AFE (Active Front End) на IGBT транзисторах,
обеспечивающий передачу энергии от питающей сети к сети постоянного тока, а
также режим рекуперации энергии в сеть;
емкостный фильтр C0 звена постоянного тока с блоком предварительной
зарядки конденсаторов;
узел сброса энергии торможения, состоящий из балластного резистора и
ключевого элемента на IGBT-транзисторе с быстродействующим обратным диодом;
трехфазный мостовой инвертор напряжения, выполненный на базе IGBT-модуля,
управляемого по методу широтно-импульсной модуляции (ШИМ);
Для осуществления обмена реактивной энергией между двигателем и звеном
постоянного тока на входе АИН имеется конденсатор С0 , а также обратные диоды
VD, включенные параллельно силовым транзисторам. Через эти диоды протекает ток
в момент возврата реактивной энергии от двигателя в емкость С0 .
Фильтр C0 обеспечивает сглаживание пульсаций напряжения с выхода
выпрямителя.
Питание преобразователя осуществляется от сети переменного тока
напряжением 690 В.
Силовая схема всего описанного выше оборудования
построена по общему принципу. Несколько инверторов питаются от общих
выпрямителей и силового трансформатора. Трансформатор "сухой",
номинальные данные трансформатора приведены в протоколах наладки.
Каждая секция запитана от своего силового
трансформатора. Силовое напряжение с трансформатора подается на группу выпрямителей
(от трех до четырех в секции, в зависимости от нагрузки) включенных параллельно
на общую шину постоянного тока и питающих группу инверторов напряжения,
построенных по принципу широтно-импульсной модуляции. На вводе каждого
инвертора установлены предохранители, выход каждого инвертора через LC фильтр
подключен к асинхронному двигателю или группе двигателей через шкаф защиты
двигателей (за исключением приводов нажимных устройств клети, нажимных
устройств эджера и тянущих роликов, которые подключены к двигателям без LC
фильтров).
Выпрямители Converteam LV7000, установленные в секциях
R01 - R08 управляемые с рекуперацией энергии в сеть и работают на свои шины
постоянного тока (номинальные данные выпрямителей приведены в протоколах
наладки).
Преобразователи частоты типа Converteam LV7000
представляют собой инверторы напряжения, построенные по принципу
широтно-импульсной модуляции, выдают симметричное трехфазное напряжение
переменного тока для питания двигателей. Конструктивно состоят из двух модулей:
силового и модуля управления. Силовой модуль выполнен на базе IGBT
транзисторов, модуль управления (это плата ASIC) формирует управляющие сигналы,
которые через плату усиления подаются на IGBT транзисторы. В состав модуля
управления также входят платы входов/выходов и коммуникационные платы. Ниже на
рисунке представлена упрощенная блок-схема инвертора Converteam LV7000.
1.8 Выбор преобразователя частоты
1.8.1 Выбор инвертора
Инвертор выбирается из следующих условий:
Мощность инвертора
;
(1.8.1.1)
Выходной
номинальный ток инвертора
инв.ном
≥ Iном.дв , (1.8.1.2)
где
Iном.дв = 600 А - номинальный ток двигателя.
Максимальный
выходной ток инвертора
инв.мах
≥ Iмакс.дин, (1.8.1.3)
где
Iмакс.дин =1,68 ∙ Iном.дв = 1012,55 А - максимальный ток возникающий при
ускорении до основной рабочей скорости при подъёме НВ (возвращению в исходное
положение).
Выходное
номинальное напряжение инвертора
инв.ном
≥ Uном.дв, (1.8.1.4)
где
Uном.дв= 660 В - номинальное напряжение питания двигателя.
На
основании этих условий выбираем 2 инвертора LV7000 фирмы Converteam из
источника на IGBT транзисторах, технические данные которого приведены в таблице
1.8.1.1
Таблица
1.8.1.1 - Технические данные инвертора Inverter LV7000-5-1180 6G
|
Тип
|
Напряжение, В
|
Охлаждение
|
Примечание
|
|
Inverter LV7000-5-1180 6G
|
Uвх=640-1100VDC, Uвых=0-700VAC.
|
Iвых ном =1180
|
Принудительное
|
Нажимные винты клети (DS), левый двигатель (АЕ51)
|
|
Inverter LV7000-5-1180 6G
|
Uвх=640-1100VDC, Uвых=0-700VAC.
|
Iвых ном =1180
|
Принудительное
|
Нажимные винты клети (OS), правый двигатель (АЕ71)
|
1.8.2 Выбор блока выпрямления
Рассчитываются параметры неуправляемого выпрямителя питающего два
инвертора как наиболее выгодного варианта. При этом снижается количество
питающих кабелей, выключателей, силовых контакторов, датчиков напряжения и
тока, установленных между силовым трансформатором и выпрямителем в два раза,
что увеличивает надежность и снижает время на обслуживание.
Необходимое напряжение на входе инвертора
(1.8.2.1)
где
Uфн - номинальное фазное напряжение двигателя, В.
Максимальное
выпрямленное напряжение на выходе выпрямителя
(1.8.2.2)
где
Uс - линейное напряжение питающей сети, В.
Средний
ток, потребляемый инвертором определится
(1.8.2.3)
где
I1 - модуль первой гармоники фазного тока двигателя, А;н - номинальный ток
двигателя, А;
cosφ - коэффициент мощности двигателя.
Средний
ток через ключ АИН равен
;
(1.8.2.4)
Средний
ток через обратный диод автономного инвертора равен
;
(1.8.2.5)
Активная
мощность на входе инвертора равна
,
(1.8.2.6)
где
ηи - КПД инвертора;
ηдв - КПД двигателя.
Выпрямленный
ток источника напряжения определится из выражения
(1.8.2.7)
По
каталогу фирмы Converteam выбирается 3 необходимых блок выпрямления марки
6-1030 6G FI13 с характеристиками, приведенными в таблице 1.8.2.1
Таблица
1.8.2.1 - Технические данные управляемый выпрямитель
|
Тип
|
Входное напряжение, В
|
Выходное напряжение,В
|
Ток, А
|
Выходной ток, А
|
Примечание
|
|
AFE LV7000-6-1030 6G FI13
|
690
|
915-1025
|
1250
|
1600
|
Принудительное охлаждение, MASTER
|
|
AFE LV7000-6-1030 6G FI13
|
690
|
915-1025
|
1250
|
1600
|
Принудительное охлаждение, SLAVE 1
|
|
AFE LV7000-6-1030 6G FI13
|
690
|
915-1025
|
1250
|
1600
|
Принудительное охлаждение, SLAVE 2
|
Однако кроме
функций выпрямителя , AFЕ выполняет функцию блока торможения. Торможения
осуществляется с отдачей электрической энергии обратно в сеть.
Активный шинный преобразователь - это преобразователь, рекуперирующий
мощность, для передней части общей шины постоянного тока производственной
линии. Активный шинный преобразователь используется при применении стандартного
инвертера аппаратного обеспечения со специальным программным обеспечением.
Требуется внешний сетевой фильтр и зарядный контур. Данное устройство
выбирается в том случае, если необходимы низкие гармоники.
Приложение активного шинного преобразователя управляет главным
контактором системы с релейным выходом RO2. Если зарядка от шины постоянного
тока готова, то главный контактор замыкается. Статус главного контактора
контролируется через цифровой вход (заданный по умолчанию по DIN4).
Используемый для мониторинга цифровой вход выбирается с параметром P2.2.1.4.
Активные и реактивные токи рассчитываются с замеров входного тока в трех
фазах Iu, Iv, Iw, как указано на блок-схеме (рисунок 1.8.2.1). Контроллером
постоянного напряжения является типовой регулятор PI. Источник постоянного
опорного напряжения настраивает величину необходимой вставки постоянного
напряжения. Измеренное постоянное напряжение сравнивается для получения
погрешности постоянного напряжения в виде входа для контроллера постоянного
напряжения. Реакция контроллера настраивается заменой его коэффициента передачи
и существенных значений времени. Обычно стандартные значения соответствуют
стандартному сетевому фильтру и не требуют замены. Выходом контроллера
постоянного напряжения является опорный сигнал активного тока, который
сравнивается с измеренным активным током, а ошибка между ними является входом
контроллера активного тока. Выход контроллера активного тока изменяет индекс
модуляции и управляет инвертером напряжения.
Опорный сигнал реактивного тока может использоваться для компенсации
реактивной мощности. Положительный опорный сигнал реактивного тока указывает на
индуктивную, а негативный опорный сигнал реактивного тока на емкостную
компенсацию реактивной мощности. Стандартное значение параметра опорного
сигнала реактивного тока равно нулю. Заданное значение опорного сигнала
реактивного тока сравнивается с его измеренным значением, а ошибка подается на
типовой стабилизатор PI. В интерфейсе он также именуется “контроллером
синхронизации”, так как его действие заключается в том, чтобы поддерживать
синхронизацию инвертера с сетевым питанием. Опорная частота для активного
шинного преобразователя достигается при ответвлении выхода.
Рекуперативное торможение, т.е. генераторное торможение с передачей
энергии через автономный инвертор и обратимый выпрямитель (зависимый инвертор)
в питающую сеть трехфазного переменного тока позволяет осуществлять через
преобразователь плавное регулирование в определенных пределах тормозного
момента двигателя.
1.9 Выбор питающего трансформатора
Для питания выпрямителя выбираем трансформатор из следующих условий.
Полная мощность трансформатора
, (1.9.1)
где
ηдв - КПД двигателя;
ηи - КПД инвертора;
ηв - КПД выпрямителя;
cosφ - коэффициент мощности двигателя.
Номинальный
ток вторичной обмотки трансформатора
н.вых.ТР
≥ Iн.вх.ПЧ, (1.9.2)
где
Iн.вх.ПЧ = 1250 А - номинальный входной ток выпрямителя.
Номинальное
напряжение вторичной обмотки трансформатора
ном.дв=
660 В ≤ Uн.вых.ТР. (1.9.3)
Выбираем
трансформатор со следующими техническими данными, представленными в таблице
1.9.1
Таблица 1.9.1 - Питающий трансформатор
|
Тип
|
Мощность, кВА
|
Напряжение обмотки, В
|
Вентильный ток, А
|
Схема и группа соедини- тельной обмотки
|
|
|
сетевой
|
вентильной
|
|
|
|
ZBSCR-2500/10
|
2500
|
10000
|
690
|
1250
|
Δ/Υ
|
1.10 Расчет и выбор фильтров в звене постоянного и переменного
тока
Силовой фильтр L0-C0 является неотъемлемой частью ПЧ. Сглаживающий
дроссель L0 устанавливают в звене постоянного тока низковольтных агрегатов,
служит для снижения переменной составляющей тока через конденсатор С0 фильтра и
уменьшает зону прерывистых токов при малых нагрузках.
Емкость конденсатора на входе инвертора, при учете только первой
гармоники тока нагрузки АИН определяется по формуле
,
(1.10.1)
где
I1 max - амплитуда фазного тока нагрузки ПЧ, А;вых - максимальная частота на
выходе инвертора, Гц;- коэффициент пульсации в звене постоянного тока;
sinφmin - минимальный коэффициент мощности нагрузки. Принимают
обычно φmin=60°
.
В
соответствии с (1.135)
Сетевые
коммутационные и выходные дроссели согласуются с расчетным входным и выходным
током и напряжением ПЧ. Основное назначение сетевых дросселей заключается в
уменьшении больших бросков тока и, таким образом, гармоник сетевого тока.
Дроссели ограничивают влияние искажений напряжения в виде высших гармонических
составляющих источника питания на устройство. Они также снижают переменные токи
с частотами, определяемыми коммутацией управляемого выпрямителя на входе
конденсаторов звена постоянного тока.
1.11
Снижение уровня индустриальных радиопомех
Основным источником индустриальных радиопомех при работе преобразователя
частоты являются переключающиеся с высокой скоростью IGBT-транзисторы.
Генерируемые ими радиопомехи характеризуются высоким уровнем - в отдельных
случаях до 140 дБ - и широким спектром частот - от единиц килогерц до десятков
мегагерц. Без использования дополнительных узлов или устройств уровень
радиопомех значительно превосходит допустимый. К таким устройствам, в первую
очередь, могут быть отнесены сетевые помехоподавляющие фильтры, включаемые
между сетью и преобразователем (сетевой фильтр Z1 на рисунке 1.10). Поскольку
они должны пропускать ток относительно низкой промышленной частоты и не
пропускать высокочастотные токи помех, они обычно представляют собой
заградительный фильтр высоких частот. Таким образом, помехоподавляющие фильтры,
совместно с коммутационными сетевыми дросселями, уменьшают напряжение помехи
преобразователей до уровня 0,15…30 МГц. В комплект ПЧ входит сетевой
помехоподавляющий фильтр серии сетевой фильтр фирмы Converteam, технические
данные которого представлены в таблице 1.11.1
Таблица 1.11.1 - Сетевой фильтр
|
Тип
|
Напряжение, В
|
Ток, А
|
Индуктивность, Гн
|
Охлаждение
|
|
LV7000-6-1030 6А LCL
|
690
|
1250
|
0,054
|
Принудительное
|
Фильтры du/dt состоят из цепей ограничителя и дросселя или только
дросселя. Фильтры устанавливаются на выходе преобразователей частоты, и ток
двигателя протекает через дроссель. Подключение фильтра к трехфазной системе на
выходе преобразователя частоты приводит к уменьшению пиков коммутационных
перенапряжений и градиент напряжения на обмотке двигателя уменьшается до
допустимых значений - менее чем 500 В/мс. При использовании длинных кабельных
линий к двигателю фильтры du/dt также снижают пики емкостных токов нагрузки,
возникающих из-за наличия емкости в кабельных линиях. Такие фильтры, как уже
было сказано устанавливаются на выходе инвертора в случае НВ Edgera и не
устанавливаются в случае главного привода клети.
1.12 Защиты электропривода, расчет уставок защитных устройств
Преобразователи фирмы Converteam комплектуются стандартными средствами
защиты и коммутации, такими как автоматический выключатель, фильтры и так
далее.
Также в самом преобразователе частоты предусмотрены такие виды защит как:
защита от перегрузки, защита от короткого замыкания. Ниже приведено краткое
описание электрооборудования защиты и основные характеристик.
1.12.1 Защита от коротких замыканий и перегрузок
Автоматические выключатели являются защитными аппаратами многократного
действия и предназначены для защиты преобразователей от внешних коротких
замыканий, опрокидывания инвертора и перегрузок по току. Выключатели
устанавливаются на стороне переменного и выпрямленного тока.
Уставка максимальной токовой защиты
Imax.ycт=lI Iн.вх= 2
1250 =2500 А, (1.13.1.1)
где
lI - перегрузочная способность выпрямителя и инвертора
по току в течении 10 с;н.вх - номинальный входной ток выпрямителя.
Защиту
звена постоянного тока от возможных перегрузок, опрокидывания инвертора и КЗ
осуществляют предохранители FU3 и FU4 серии Protistor рассчитанный на ток
уставки равный
.ycт=lI Id = 2
1600 = 3200 А, (1.13.1.2)
где
lI - перегрузочная способность выпрямителя и инвертора
по току в течении 10 с;- номинальный выпрямленный ток преобразователя, А.
1.12.2 Защита от перенапряжений
Переходные процессы в цепях статических преобразователей часто
сопровождаются перенапряжениями, основными из которых являются: перенапряжения,
обусловленные внутренними процессами в полупроводниковых приборах в моменты
коммутации тока:
коммутационные перенапряжения, возникающие в моменты отключения внешних
цепей с индуктивностями;
перенапряжения, вызванные резонансными явлениями в преобразователе;
внешние перенапряжения, поступающие из сети.
Для ограничения перенапряжений на трансформаторе широко применяются
накопители энергии - конденсаторы, входящие в состав RC - цепочек. В целях
защиты от коммутационных перенапряжений, поступающих из питающей сети, при
коммутациях трансформатора и цепей нагрузки RC - цепочки включают на вторичной
стороне. В данном случае в качестве RC - цепочек выступает сетевой фильтр
(рисунок 1.13.2.1).
Рисунок 1.13.2.1 - Схема сетевого фильтра
Так как IGBT коммутируются с высокой частотой, то напряжение
коллектор-эмиттер на транзисторах быстро возрастает, особенно при запирании
транзистора, и может достигнуть критического значения, способного вызвать
пробой коллектора либо затвора транзистора (последнее возможно, если
индуктивность цепей управления IGBT велика). Чтобы минимизировать превышение
напряжения (перенапряжение) и предотвратить аварию IGBT, требуется установка
снаббера (демпфирующей цепи). Каждая схема снаббера имеет свои достоинства и
недостатки, например, при увеличении эффективности ограничения напряжения на
IGBT заметно увеличивается число элементов входящих в состав схемы снаббера.
Для преобразователей частоты малой и средней мощности используется схема
снаббера представленная на рисунке 1.13.2.2
Рисунок 1.13.2.2 - Типичная схема снаббера
Особенности данной схемы:
а) малое число элементов;
б) малые пульсации тока через конденсатор.
1.12.3 Виды защиты определяемые
программно в блоке управления
- электронная тепловая защита двигателя от перегрузки вычислением I2t с
помощью преобразователя (не является точным на 100% если отсутствует датчик
температуры);
мониторинг температуры радиатора обеспечивает то, что преобразователь
частоты отключается, если температура достигает 90°С для IP 00 и IP 20. Для IP
54 температура отключения составляет 80°С. Перегрев может быть сброшен только,
если температура радиатора падает ниже 60°С;
преобразователь частоты защищен от короткого замыкания на клеммах
двигателя U, V, W;
защищен от неисправности заземления на клеммах двигателя U, V, W;
мониторинг напряжения промежуточной цепи обеспечивает отключение
преобразователя частоты в случае, если напряжение в промежуточной цепи слишком
высокое или слишком низкое;
если фаза двигателя потеряна, преобразователь частоты отключается;
если имеет место неисправность сети питания, преобразователь частоты
может выполнить контролируемый останов;
если фаза двигателя потеряна, преобразователь частоты будет отключаться
при подачи нагрузки на двигатель.
максимальная токовая защита;
снижение/превышение питающего напряжения;
изменение частоты питающего напряжения;
превышение скорости электродвигателя.
1.13
Выбор датчиков положения и скорости
В системе разработанного электропривода установлено три энкодера, один по
скорости и два - по положению, последние два дублируют друг друга, поэтому один
служит датчиком положения ротора, а второй энкодер по положению используется
системой управления для векторного регулирования.
Принцип управления приводами нажимных винтов клети и эджера - векторный
(Р 2.7.4=3/Closed Loop Speed), структура управления - подчиненное регулирование
координат с внешним контуром скорости и энкодером в качестве датчика скорости.
На нажимных винтах клети и эджера установлены сдвоенные энкодеры типа Leine
& Linde 861 (2048 импульсов на оборот).
Технические данные энкодера приведены в таблице 1.14.1
Таблица 1.14.1 - Технические данные Leine & Linde 861
|
Параметр
|
Значение
|
|
Потребляемый ток нагрузки (max), мА
|
60 (80)
|
|
Число импульсов на оборот, имп./об.
|
2048
|
|
Максимальная нагрузка, мА
|
|
|
Частота, кГц
|
0-100
|
|
Макс. Напряжение, В
|
35
|
|
Момент инерции, 
|
|
|
Максимальная скорость вращения, об/мин
|
4000
|
|
Класс защит
|
IP65
|
Помимо датчика скорости в электроприводе имеются два датчика положения:
датчик реального положения ротора типа MTS-Temposonics-R-Series и абсолютный
энкодер с дискретными выходами типа CE 100 M NSW.
В таблице 1.14.2 приведены основные технические данные абсолютного
энкодера CE-100-M CAM.
Таблица 1.14.2 - Технические данные CE-100-M CAM
|
Параметр
|
Значение
|
|
Ёмкость энкодера (max), бит
|
25
|
|
Число импульсов на оборот, имп./об.
|
8192
|
|
Напряжение питания, В
|
11-24
|
|
Мощность рассеивания, Вт
|
< 4
|
|
Количество дискретных выходов
|
32
|
|
Максимальный потребляемый ток, мА
|
100
|
|
Рабочее число оборотов, об.
|
3000
|
|
Допустимое число оборотов, об.
|
6000
|
|
Рабочая температура, 0С
|
60
|
|
Момент инерции, 
|
|
|
Относительная влажность воздуха, %
|
98
|
|
Класс защиты
|
IP50
|
В таблице 1.14.3 приведены основные технические данные
MTS-Temposonics-R-Series.
Таблица 1.14.3 - Технические данные MTS-Temposonics-R-Series
|
Параметр
|
Значение
|
|
Ёмкость энкодера (max), бит
|
25
|
|
Формат данных
|
Двоичный код Грэя
|
|
Напряжение питания, В
|
24
|
|
Ток утечки, мА
|
70
|
|
Разрешение (m), мкм
|
2
|
|
Рабочая температура, 0С
|
-40 +750C
|
|
Класс защиты
|
IP65
|
Данный
энкодер обладает весьма высокой точностью измерения линейного перемещения.
Принцип его действия основан на магнитострикционном явлении (т.е. на изменении
формы и размеров тела при его намагничивании).
1.14
Плата управления базовой платы I/O OPT-A1
В преобразователях частоты секций R01 - R08
установлены следующие платы: платы входов/выходов ОРТ - А1, ОРТ - AF,
коммуникационная плата PROFIBUS ОРТ - СЗ, коммуникационная плата CANBUS ОРТ -
D2, дополнительно к перечисленным платам в инверторах тянущих роликов и машинах
горячей и предварительной правки установлены платы датчиков скорости ОРТ - А5.
Блок управления инвертором состоит из модуля управления и свободных
модулей, присоединяемых на пять разъемов (A...E) на модуле управления. Модуль
управления присоединяется к силовому блоку посредством D-соединителя.
В состав модуля управления также входят платы
входов/выходов и коммуникационные платы. Ниже на рисунке представлена упрощенная
блок-схема инвертора Converteam LV7000 (рисунок 1.15.3).
Рисунок 1.15.4 - Блок-схема инвертора Converteam
LV7000
В преобразователях частоты секций R01 - R08
установлены следующие платы: платы входов/выходов ОРТ - А1, ОРТ - AF,
коммуникационная плата PROFIBUS ОРТ - СЗ, коммуникационная плата CANBUS ОРТ -
D2, дополнительно к перечисленным платам в инверторах тянущих роликов и машинах
горячей и предварительной правки установлены платы датчиков скорости ОРТ - А5.
Когда инвертор поставляется с завода, в блок управления обычно входят два
основных модуля (модуль входов/выходов и релейный модуль), которые, как
правило, устанавливаются в разъемы А и В. На следующих страницах показано
расположение клемм управляющих входов/выходов и релейные клеммы двух основных
модулей и общая схема соединений и описание управляющих сигналов. Модули
входов/выходов, устанавливаемые на заводе, маркируются в типовом коде. Более
подробную информацию по опционным (свободным) модулям. Модуль управления можно
питать от внешнего источника (+24В), присоединив его на инверсную клемму #6.
Этого напряжения достаточно для параметризации и поддерживания полевой шины
(fieldbus) в активном состоянии.
Инверторы оснащены платами A1 и A2 в качестве стандартных (рисунок
1.15.5). На базовом модуле A1 имеются четыре блока перемычек (X1, X2, X3 и X6)
в каждом из которых имеется по восемь штифтов и две перемычки (рисунок 1.15.2).
Рисунок 1.15.5 -Общий вид схемы соединений базовой платы I/O (OPT-A1)
Контрольные соединения изолированы от потенциала сети, а клеммы GND
постоянно соединены с землей. Цифровые входы гальванически изолированы от земли
входов/выходов. Дополнительно релейные выходы на напряжении 300 В переменного
тока изолированы друг от друга (двойная изоляция) EN-50178.
Управляющие сигналы входов/выходов представлены в таблице 1.15.1
Таблица 1.15.1 - Управляющие сигналы входов/выходов на базовом модуле
OPT-A1
Пользователь может создавать функции инвертора, наиболее соответствующие
его требованиям по своему выбору, изменяя положения перемычек на модуле OPT-A1.
Положения перемычек определяют тип сигнала аналоговых и цифровых входов.
1.15 Выбор и разработка функциональной схемы САР электропривода
проектируемого механизма
1.15.1 Функциональная схема САР положения
Система векторного управления асинхронным электроприводом в наиболее
общем случае должна решать задачи регулирования и стабилизации момента и
скорости двигателя. Формирование момента АД возможно за счет воздействий на
абсолютные значения векторов потокосцеплений Y1, Ym , Y2, токов I1, I2
и фазовых сдвигов между ними. От того, какие векторы выбраны в качестве
регулируемых, зависит принцип построения и техническая реализация системы
управления электроприводом.
При стабилизации потокосцепления ротора (при Y2 =const) механические характеристики
АД подобны характеристикам ДПТ независимого возбуждения. Поскольку теория и
технические решения замкнутых систем управления электроприводом с ДПТ
независимого возбуждения достаточно апробированы, то понятна привлекательность
применения систем векторного управления с управлением по потоку ротора.
Установка датчиков магнитного поля в воздушном зазоре АД в системах
прямого управления векторами его потокосцеплений требует дополнительных
изменений в конструктивных решениях серийно выпускаемых АД и сопровождается
снижением надежности электропривода. Поэтому в современных и наиболее
совершенных частотно-регулируемых электроприводах, где системы программного
управления реализованы на основе микропроцессорной техники, информация о
векторах потокосцеплений электрической машины получается косвенным путем на
основе ее математических моделей. На рисунке 1.16.1.1 представлена
функциональная схема системы автоматического регулирования положения
электропривода с косвенной ориентацией по вектору потокосцепления ротора.
Система
имеет два основных канала управления - положением нажимного винта S и модулем
потокосцепления ротора çY2 ç АД. Канал регулирования
положения в свою очередь имеет внутренний контур регулирования угловой скорости
АД с подчиненным ему контуром регулирования тока
. Канал
регулирования модуля потокосцепления имеет внутренний подчиненный контур
регулирования тока
. Токи
и
являются составляющими тока статора в осях х и у
ортогональной системы координат, вращающейся с синхронной скоростью w0эл магнитного поля двигателя.
Сигнал
задания положения
поступает на сумматор å1, где
он сравнивается с сигналом отрицательной обратной связи по положению
. Сигнал обратной связи по положению получен с выхода
цифрового интегратора А13, где с учетом передаточного числа механизма (отношения
линейной скорости НВ к угловой скорости двигателя) происходит преобразование
последовательности импульсов с выхода импульсного датчика BV в сигнал,
пропорциональный перемещению НВ.
Сигнал
рассогласования
с выхода å1 поступает на
вход регулятора перемещения РП, имеющего нелинейную характеристику вследствие
того, что НВ работает с различными перемещениями (малыми, средними, большими).
Для ограничения максимальной скорости необходимо ограничивать задание на
скорость, т.е. выход регулятора положения. С этой целью установлен блок
ограничения БО1 на выходе РП, ограничивающий задание на скорость на уровне
номинальной.
Сигнал
задания скорости АД
предварительно поступает на вход задатчика интенсивности
ЗИС, формирующего на выходе сигнал задания скорости с темпом, обеспечивающим
ограничение ускорений в соответствии с технологическими требованиями к
электроприводу и максимально допустимыми динамическими перегрузками по току и
электромагнитному моменту АД.
Сигнал
рассогласования
на выходе сумматора å2
сигнала управления
и сигнала w реальной скорости
АД с выхода импульсного датчика BV, пропорциональный абсолютному скольжению АД,
поступает на вход пропорционально-интегрального регулятора скорости РС. Его
выходной сигнал uрс формирует сигнал задания Мз электромагнитного момента,
необходимого для полной компенсации скольжения АД.
Сигнал
задания электромагнитного момента Мз ограничивается блоком БО2 на уровне
задания, соответствующего выбранному максимальному значению электромагнитного
момента АД. Задание этого значения определяется внешними сигналами управления
Мmax1 и Мmax2. В зависимости от энергетических режимов работы электропривода
предусмотрена коррекция по ограничению максимально допустимых моментов АД
(блоки MIN и MAX). Так, при отсутствии дополнительного блока рекуперативного
торможения в силовой цепи выпрямителя на входе автономного инвертора напряжения
UZF для ограничения максимально допустимой рекуперируемой активной мощности
Ра.m и, соответственно, ограничения перенапряжения на емкостном фильтре
выпрямителя, в режиме рекуперативного торможения АД в блоке А2 в функции от
скорости АД или частоты его питания f1 формируются сигналы Мо1 и Мо2 ,
уменьшающие уровень задания электромагнитного момента АД. Функциональная связь
между Ра.m , частотой f1 с учетом ее максимального значения f1max , качественно
отраженная в блоке А2, которая определена их математической моделью и корректируется
при автоматической идентификации параметров электропривода.
Ограничение
электромагнитного момента АД связано и с выбором максимально допустимого тока
статора I1max. С этой целью в блоке А3 с учетом максимального значения
напряжения питания АД U1max и реального значения составляющей тока статора I1x
по оси x определяется вектор максимально допустимой составляющей тока статора
I1у.max. Выходной сигнал блока произведения I1у.max на потокосцепление ротора Y2 , пропорциональный реальному максимально допустимому
электромагнитному моменту АД и контролирует ограничение выходного сигнала Мз*.
Для
постоянства задания электромагнитного момента при изменении потокосцепления
ротора в соответствии с уравнениями определения момента используется блок
деления БД сигнала Мз* на выходе БО2 на сигнал, пропорциональный Y2. Выход БД формирует сигнал задания I1уз составляющей тока статора по
оси у.
Для
коррекции по динамической составляющей момента на валу АД в структуре
управления электроприводом предусмотрена возможность подключения на вход
сумматора å3 сигнала отрицательной обратной связи,
пропорционального производной по скорости АД (устройство А1).
Входом
РID является выходной сигнал сумматора å4 , где
сравниваются сигналы, пропорциональные текущему Ud.ist и установленному
максимально допустимому Ud.max напряжениям на выходе выпрямителя UZF.
Рассматриваемый узел способствует управлению моментом АД во время
кратковременных отключений или возможных уменьшений напряжения питающей сети
преобразователя частоты. При кратковременных отключениях сети управление может
быть продолжено за счет рекуперации кинетической энергии вращающегося вала АД в
цепь выпрямителя UZF.
Сигнал
задания потокосцепления ротора y2з формируется в блоке А5.
Функциональная связь между реальной частотой f1 выходного напряжения
преобразователя и потокосцеплением ротора АД определяет постоянство y2з на уровне задания номинального потокосцепления ротора y2ном при f1 £ f1max @ f1.ном.
Сигнал
f1max , корректирующий допустимую максимальную частоту выходного напряжения
преобразователя UZF, формируется расчетным путем по модели АД в блоке А4 в
зависимости от заданного максимально допустимого напряжения питания статора
U1max . Значение U1max определяется напряжением Udc на выходе силового фильтра
выпрямителя UZF с коррекцией по сигналу
,
пропорционального максимально возможной глубине модуляции выходного напряжения
UZF.
Сигнал
y2з задания потокосцепления ротора с выхода блока А5 в
результате перемножения на выходной сигнал блока А7 преобразуется в сигнал y*2з , изменяющийся во времени с темпом, определяющим время возбуждения
АД. Лишь по истечению этого времени, когда возбуждение АД достигнет
установившегося значения, в системе управления преобразователем частоты
появляется логический сигнал на разрешение управления преобразователем со
стороны сигнала uзс управления электроприводом. Значение времени возбуждения АД
может быть задано как внешним сигналом tв блока А7, так и определено при
автоматической идентификации параметров АД.
В
структуре управления предусмотрена возможность адаптации потока ротора к
нагрузке АД, способствующая снижению суммарных магнитных потерь в машине при
уменьшении нагрузки. С этой целью сигнал I1уз задания составляющей тока статора
по оси у поступает на блок А8, где при заданном минимально допустимом значении
потока ротора y2min и заданном коэффициенте адаптации ка формируется
сигнал, определяющий поток ротора в зависимости от нагрузки АД. При включенном
контуре адаптации потока ротора блок А9 выделяет минимальное значение сигнала
задания y*2з.
В
соответствии с уравнением
;
(1.16.1.1)
и
заданием потокосцепления ротора в блоке А6 по математической модели АД
определяется сигнал задания составляющей тока статора I1x . Каждая из
составляющих I1у и I1x тока статора сравнивается на å6 и å7 со своими текущими
значениями I1у.ist и I1x.ist , которые выделяются в блоке UVF векторного
преобразования токов I1А и I1С в цепи обмоток фаз А и С статора АД. Угол j0.эл поворота осей координат х и у, вращающихся со скоростью
электромагнитного поля АД, формируется в блоке А11 согласно частоте f1.
Сигналы
рассогласования задающих и реальных значений составляющих тока статора
поступают на входы их соответствующих регуляторов РТх и РТу. Выходные сигналы
регуляторов после суммирования на å8 и å9 с сигналами компенсации составляющих и учета
внутренней обратной связи по ЭДС двигателя, сформированными в блоке А12,
поступают на координатный преобразователь К/Р. В зависимости от его входных
сигналов, пропорциональных заданию составляющих выходного напряжения
преобразователя в осях х , у на выходе К/Р формируются сигналы u1з и j, определяющие соответственно амплитуду и фазу вектора напряжения в
двухфазной системе координат a, b, неподвижной
относительно статора АД. Регулятор напряжения РН, на входе которого
сравниваются сигналы задания u1з и реального значения напряжения u1ist на
выходе выпрямителя UZF, обеспечивает стабилизацию его выходных напряжений.
Сигналы задания выходного напряжения преобразователя u1 и j совместно с сигналом f1, определяющим частоту выходного напряжения
преобразователя частоты, трансформируются в преобразователе координат ПК в
эквивалентные сигналы u1А , u1В , u1С трехфазной системы координат,
определяющие выходные напряжения UZF.
Формирование
сигнала f1 задания частоты выходных напряжений UZF обеспечивается суммированием
на å10 и å11 сигнала w реального значения скорости АД, поступающего с импульсного датчика BV,
и сигналов fsI , fsЭ, определяющих частоту скольжения АД соответственно в
функции тока и ЭДС двигателя. Вычисление fsI осуществляется в блоке IM
математической модели двигателя по току, на вход которого совместно с текущими
значениями I1у.ist и I1x.ist составляющих тока статора в осях х, у подается
сигнал R2 , пропорциональный сопротивлению ротора АД.
В
блоке ЭМФ математической модели АД, на вход которого кроме текущих значений I
1у ist и I 1x ist составляющих тока статора поступает сигнал R1 ,
пропорциональный результирующему сопротивлению цепи статора, формируются два
выходных сигнала: y2 - определяющий потокосцепление ротора, и Е1 -
пропорциональный ЭДС двигателя.
В
схеме реализована логика управления, обеспечивающая раздельное подключение
сигналов fsI и fsЭ на вход å10 и å11 в зависимости от заданной частоты выходного напряжения
UZF. При малых частотах действует контур коррекции по току, обеспечивая
компенсацию падения напряжения на сопротивлении статора; при больших частотах -
по ЭДС двигателя, обеспечивая коррекцию скорости АД. Выбор частоты, при которой
переключаются контуры коррекции, определяется экспериментально. Максимально
допустимая частота выходного напряжения UZF ограничивается сигналом fогр блока
БО3.
Значения
сигналов R1 и R2 формируются в блоке А10 тепловой модели АД, куда поступает
совокупность сигналов рå , включающих в себя информацию о сопротивлениях цепи
статора и ротора, определенных при автоматической идентификации параметров
двигателя, степени влияния на них температуры собственно двигателя и окружающей
среды, условий охлаждения двигателя, о наличии выходных фильтров
преобразователя.
1.15.2 Расчет структурной схемы САР и выбор параметров
регуляторов
Принцип векторного управления асинхронным двигателем основан на
преобразовании измеренных в неподвижной системе a, b координат двигателя (напряжений, токов, потокосцеплений и т.п.) к
вращающейся системе координат x, y. В результате такого преобразования
выделяются составляющие соответствующих обобщенных векторов во вращающейся
системе координат, которые будут иметь постоянные, в установившемся режиме,
значения. Регулирование их позволяет осуществить раздельное управление
скоростью и потокосцеплением АД [8].
В структурной схеме АД имеются перекрестные обратные связи, которые
необходимо компенсировать системой управления. Использование в системе
управления связей, компенсирующих основные нелинейности АД, как элемента САР,
позволяет получить математическое описание динамических режимов АД с системой
векторного управления, которое аналогично математическому описанию подобных
режимов для двигателя постоянного тока при двухзонном регулировании скорости.
Указанное позволяет применить для асинхронного электропривода разработанные для
приводов постоянного тока принципы подчиненного регулирования.
В системе координат x, y, связанной с вектором потокосцепления ротора,
электромагнитный момент АД определяется
,
(1.16.2.2)
где
- число пар полюсов АД;
-
коэффициент электромагнитной связи ротора;
- вектор
потокосцепления ротора, Вб;
-
составляющая тока статора по оси y, А.
Таким
образом, из выражения (1.16.1.3) следует, что, осуществив стабилизацию
потокосцепления ротора
, управление электромагнитным моментом можно свести к
управлению составляющей тока
,
аналогично управлению двигателем постоянного тока с неизменным током
возбуждения.
Вектор
обобщенного потокосцепления ротора определяется
,
(1.16.2.3)
где
- взаимная индуктивность обмоток статора и ротора,
Гн;
-
постоянная времени контура ротора, с.
Из
выражения (1.16.1.3) следует, что стабилизацию или регулирование
потокосцепления ротора можно осуществить посредством стабилизации или
управления проекцией тока
.
Опираясь
на систему дифференциальных уравнений, описывающих электромагнитные процессы в
АД, и на структурную схему АД, как объекта регулирования, и руководствуясь
принципами построения систем подчиненного регулирования, можно представить
структурную схему системы векторного управления АД (рисунок 1.16.2.2),
позволяющую осуществить регулирование перемещения НВ и потокосцепления ротора.
Регулятор положения выполнен нелинейным (НРП) и имеет
параболическую структуру, состоящую из трёх участков. Кроме того в регуляторе
положения предусмотрена электрическая синхронизация правого (ПНВ) и левого
(ЛНВ) нажимных винтов. Этого достигается введением дополнительного регулятора
перекоса нажимных винтов. Каждый винт обладает своим индивидуальным НРП, а
регулятор перекоса является общим. Задание на положение на каждый НВ берётся
как полу-сумма заданий на положения ЛНВ и ПНВ, для того чтобы поддержать
постоянство, т.е. неизменность сигнала задания (за счёт его
среднеарифметического значения). Такая полу-сумма подаётся на вход каждого РНВ
(РПНВ и РЛВН). Если в системе отсутствует реальный перекос, т.е. разность между
фактическими значениями положения обоих винтов, то при необходимости (различные
технологические задачи) можно создать искусственный перекос - подав на 2-ой
сумматор регулятора перекоса сигнал «дополнительного задания на перекос».
Сигнал с выхода регулятора перекоса подаётся на соответствующие сумматоры РПНВ
и РЛНВ (т.е. одно и то же значение), но разной полярности. Т.е. уменьшая или
увеличивая сигнал задания на перемещение того или иного НВ, т.о. обеспечивается
синхронизация НВ. С выходов НРП сигнал поступает на РС, выступая заданием на
скорость. И внешний, и внутренний регуляторы скорости и тока соответственно
выполнены на базе функциональных блоков с помощью ряда программируемых
параметров. Структурная схема таких блоков приведена на рисунке 1.17.3.1, а
основные параметры приводятся дальше в таблице 1.17.3.1-5. Особенностью РС
является тот факт, что ослабление поля возможно лишь при скалярном управлении в
разомкнутой системе управления.
На предложенной же структурной схеме имеется большое количество
перекрёстных связей, которые с одной стороны довольно сильно усложняют схему за
счёт увеличения дополнительных математических вычислений и увеличения
вероятности появления неточностей и погрешностей в вычислениях, к тому же
усложняет процесс программное моделирования системы управления. С другой
стороны, внутренние связи образуют так называемый контур формирования ЭДС,
наводимой в статоре:
(1.16.2.4)
где
ЭДС самоиндукции цепи статора (или падения напряжения
на индуктивном сопротивлении статора), а
ЭДС
вращения, наводимая в статоре потокосцеплением ротора. С учётом этого
напряжение на статоре будет описываться следующими выражениями:
(1.16.2.5)
Поэтому стремятся исключить влияние контура ЭДС, с тем, чтобы приблизить
выше приведённые уравнения к приводам постоянного тока. Что облегчает структуру
построения системы управления.
1.15.3 Расчет параметров объекта регулирования
На рисунке 1.16.3.1 представлена упрощенная структурная схема объекта
регулирования, далее приведен расчет основных его параметров.
Рисунок 1.16.3.1 - Структурная схема объекта регулирования
Индуктивность рассеяния статорной обмотки двигателя
мГн,
(1.16.3.1)
где
- индуктивное сопротивление рассеяния фазы статора,
Ом;
с-1 -
угловая скорость холостого хода;
-
номинальная частота напряжения питания двигателя, Гц;
- число
пар полюсов АД.
Полная
индуктивность обмотки статора
мГн;
(1.16.3.2)
Индуктивность
рассеяния роторной обмотки двигателя
мГн;
(1.16.3.3)
где
- индуктивное сопротивление рассеяния фазы ротора,
Ом.
Полная
индуктивность обмотки ротора
мГн;
(1.16.3.4)
Коэффициент
электромагнитной связи ротора
;
(1.16.3.5)
Электромагнитная
постоянная времени статорной цепи
с;
(1.16.3.6)
где
мГн.
Электромагнитная
постоянная времени роторной цепи
с;
(1.16.3.7)
Динамические
свойства преобразователя частоты с блоками измерения и преобразования координат
могут быть упрощенно представлены передаточной функцией инерционного звена.
,
(1.16.3.8)
где
- коэффициент усиления ПЧ;
-
постоянная времени ПЧ, с.
Примем
максимальное напряжение управления 10В. Поскольку максимальное фазное
напряжение на выходе ПЧ составляет 220В, то коэффициент усиления ПЧ
;
(1.16.3.9)
Некомпенсируемую
постоянную времени
примем равной
с;
(1.16.3.10)
где
- несущая частота ШИМ, Гц.
1.15.4 Расчет параметров регуляторов
Канал
регулирования потокосцепления содержит два апериодических звена с передаточными
функциями
и
. Поэтому
система регулирования канала потокосцепления строится как двухконтурная система
подчиненного регулирования с внутренним контуром управления по току статора
и с внешним - по модулю потокосцепления ротора.
Канал
управления перемещением штанги содержит три контура регулирования: внутренний -
по току статора
, средний - по угловой скорости ротора и внешний - по
перемещению штанги.
Следовательно,
в структурной схеме системы управления образованы два независимых канала
регулирования, в которых параметры регуляторов рассчитываются известными
методами.
В
соответствии с методикой расчета систем подчиненного регулирования, каждый из
контуров канала потокосцепления настраивается на модульный оптимум с
применением ПИ-регуляторов, компенсирующих соответствующие апериодические
звенья.
Внутренний
контур регулирования составляющей тока
содержит
ПИ-регулятор тока с передаточной функцией
,
(1.16.3.11)
где
;
-
постоянная времени интегрирования контура регулирования составляющей тока
;
с;
(1.16.3.12)
-
коэффициент обратной связи по току статора двигателя;

В/А;
(1.16.3.13)
Внешний
контур регулирования потокосцепления содержит ПИ-регулятор потока с
передаточной функцией
,
(1.16.3.14)
где
;
-
постоянная времени интегрирования контура регулирования потокосцепления ротора;
с;
(1.16.3.15)
-
коэффициент обратной связи по потокосцеплению ротора;
В/Вб;
(1.16.3.16)
-
номинальное значение потокосцепления;
Вб;
(1.16.3.17)
Контур
регулирования тока
по каналу регулирования перемещения содержит одно
апериодическое звено
и настраивается на модульный оптимум. Следовательно,
внутренний контур регулирования составляющей тока
имеет ПИ-регулятор тока с той же передаточной
функцией, что и в контуре регулирования тока
.
,
(1.16.3.18)
где
;
.
При
составлении передаточной функции регулятора скорости необходимо учитывать то,
что регулятор скорости должен обеспечивать компенсацию влияния узла
произведения при формировании электромагнитного момента АД. Для этой цели по
аналогии с системами двухзонного регулирования скорости двигателей постоянного
тока на выходе РС должен быть включен блок деления. В этом случае передаточная
функция регулятора скорости будет иметь следующий вид:
,
(1.16.2.19)
где
- суммарный момент инерции электропривода, кг×м2;
-
коэффициент обратной связи по скорости, В×с;
В×с; (1.16.3.20)
Для
сведения к нулю ошибки регулирования перемещения необходимо осуществить
настройку контура регулирования скорости на симметричный оптимум, т.е.
применить ПИ-регулятор скорости со следующей передаточной функцией
;
(1.16.3.21)
Для
снижения перерегулирования по заданию в контуре тока необходимо на вход
регулятора скорости установить фильтр с передаточной функцией
;
(1.16.3.22)
Кроме
того, наличие фильтра позволит обеспечить требуемую S-образность скорости,
обеспечивая ограничение скорости нарастания активной составляющей тока.
Регулятор
перемещения в позиционной системе регулирования имеет нелинейную характеристику
и обеспечивает качественные переходные процессы.
Основные
требования, предъявляемые к регулятору перемещения:
1) обеспечение качественных переходных процессов при малых
перемещениях, отсутствие перерегулирования по перемещению в режиме дотягивания;
2) оптимальный режим при торможении;
) ограничение скорости на уровне номинальной при больших
перемещениях.
Вышеуказанным требованиям удовлетворяет нелинейный регулятор перемещения,
с так называемой, параболической характеристикой, расчет которого приводится
ниже.
Регулятор перемещения представлен нелинейным звеном и состоит из трех
участков.
В системе предусматриваются ограничения выходов регуляторов положения и
скорости, и, в зависимости от величины заданного перемещения, могут проявляться
существенные нелинейности. Различают режимы больших, средних и малых
перемещений. Если ЭП отрабатывает сигнал задания с выходом на установившуюся
допустимую скорость при максимально допустимом динамическом токе якоря, то в
системе участвуют две нелинейности - ограничения выхода РП и РС. Такой режим
соответствует режиму больших перемещений. Если при отработке перемещений ЭП не выходит
на установившуюся скорость, а ток при этом ограничивается, то такой режим
соответствует режиму средних перемещений. Если скорость и ток не достигают
установившихся значений, то имеет место режим малых перемещений.
Режим малых перемещений при постоянном коэффициенте усиления
характеризуется тем, что регуляторы положения и скорости работают вне зоны
ограничения. При этом ток и скорость не достигают максимальных значений. С тем,
чтобы малые перемещения отрабатывались с постоянным допустимым ускорением, необходимо
увеличивать коэффициент усиления регулятора положения.
,
(1.16.3.23)
где
- коэффициент обратной связи по перемещению, В/м;
В/м;
(1.16.3.24)
-
максимальный ход НВ, м;
-
коэффициент приведения, м;
м;
(1.16.3.25)
Увеличение
или уменьшение коэффициента
по
сравнению с расчетным приведет либо к перерегулированию, либо к режиму
дотягивания, то есть увеличению времени отработки заданного перемещения.
При
отработке средних перемещений скорость вращения двигателя не выходит на
установившуюся. Это происходит потому, что заданный путь меньше пути разгона до
установившейся скорости, поэтому двигатель разгоняется до какой-то скорости
, меньше
, а затем
тормозится до нуля.
Из
сказанного ранее, возникает необходимость изменять коэффициент усиления
, с тем, чтобы система отрабатывала их с минимальным
временем, то есть с заданным допустимым ускорением. Для реализации этого
необходимо выполнить регулятор положения с нелинейной характеристикой.
Представляется
целесообразным установить взаимосвязь между величиной задания на скорость
(выход регулятора положения) при средних перемещениях в функции напряжения
рассогласования:
(1.16.3.26)
Зависимость
выходного напряжения от входного регулятора положения представляет собой
параболу. Из уравнения найдем зависимость коэффициента усиления регулятора
положения от величины рассогласования
,
(1.16.3.27)
Зависимость
коэффициента усиления нелинейного регулятора положения в функции
в зоне средних перемещений представляет собой
гиперболическую зависимость.
Второй участок имеет нелинейную передаточную функцию следующего вида:
,
(1.16.3.28)
где
- требуемое угловое ускорение, с-2;
-
напряжение на входе регулятора перемещения, В.
требуемое
ускорение электропривода определится следующим образом
(1.16.3.29)
Тогда
постоянная времени задатчика интенсивности скорости определится по формуле
;
(1.16.2.30)
Структурная
схема задатчика интенсивности скорости приведена на рисунке 1.16.3.2
Рисунок
1.16.3.2 - Структурная схема задатчика интенсивности скорости
В
режиме больших перемещений в системе регулирования имеют место два ограничения:
выход регулятора положения и выход регулятора скорости. Поскольку выход
регулятора скорости является заданием на ток, то, ограничивая эту величину, тем
самым ограничиваем ток якоря при отработке больших перемещений. Ограничение
выхода регулятора положения ограничивает заданную установившуюся скорость при
отработке больших перемещений. Следовательно, в этом режиме двигатель будет
разгоняться, и тормозиться при постоянном заданном ускорении
, а его скорость не превышает
.
Регулятор
положения находится в режиме ограничения на уровне
;
(1.16.3.31)
Коэффициент
усиления регулятора положения при больших перемещениях рассчитывается по
формуле
;
(1.16.3.32)
Рассчитанное
соответствует оптимальному торможению, при котором
система отрабатывает заданное перемещение с
за
минимальное время с постоянным ускорением.
Третий
участок ограничивает выход регулятора перемещения на уровне, соответствующем
максимальному заданию на скорость.
Учитывая
возможный диапазон изменения коэффициентов регулятора положения, задаются
начальные значения
с возможностью последующей их корректировки в
процессе настройки системы регулирования
;
;
.
Определим
напряжение рассогласования, при котором линейный участок характеристики
переходит в параболическую её часть:
;
(1.16.3.33)
(1.16.3.34)
Определим
напряжение рассогласования, при котором регулятор положения заходит в
насыщение:
,
(1.16.3.35)
Результаты
расчета характеристики регулятора положения приведены в таблице 1.16.3.1 (в
силу симметричности характеристики расчет проведен только для положительных
значениях
). На рисунке 1.16.3.3 приведена зависимость
; (1.16.3.36)
(1.16.3.37)
Таблица 1.16.3.1 - Характеристики регулятора положения
|
Uзс, В
|
0
|
0,031
|
0,07
|
0,2
|
0,35
|
0,56
|
1
|
|
ΔUп, В
|
0
|
2,36
|
3,55
|
6
|
7,94
|
10
|
10
|
На рисунке 1.16.3.3 представлена нелинейная характеристика регулятора
положения, соответствующая таблице 1.16.3.1.
Рисунок 1.16.3.3 - Характеристики регулятора положения
1.15.4 Моделирование системы управления
Моделирование спроектированной и разработанной системы управления в среде
MATLAB и приложения Simulink. Используя структурную схему системы управления
приводом (СУЭП) на рисунке 1.16.4.2, а также расчёты в пункте 1.16.3 составим
модель СУЭП в пакете приложения MATLAB Simulink. По этой же модели
рассчитываются переходные процессы на ЭВМ с помощью программы структурного
моделирования Simulink. Все коэффициенты, используемые при моделировании, были
рассчитаны ранее, поэтому в данном разделе они приводиться не будут.
Структурная схема СПРК также как и приведённая раньше структурная схема
включает в себя два канала управления: канал управления положением ротора и
канал управления потокосцеплением ротора.
После моделирования произведем снятие необходимых осциллограмм.
Другими словами, перемещения достаточно для достижения скоростью и
моментом установившегося значения. Поэтому полученная осциллограмма имеет
трапецеидальный характер.
Если говорить о разгоне, то благодаря ЗИ мы имеем равноускоренное и
равнозамедленное перемещение НВ, которое задаётся и определяется угловым
ускорением привода. Ускорение определяет темп нарастания сигнала, т.е.
«крутизну» характеристики, который можно регулировать путём изменения либо
постоянной времени интегрирования, либо изменением ограничения релейного
элемента. Применяя ПИ-регуляторы (как тока, так и скорости, а также потока) мы
выигрываем по быстродействию, но при этом жертвуем весьма значительным
перерегулированием. Перед сигналом задания на скорость стоит фильтр, поэтому
сигнал по скорости получился практически без перерегулирования, а вот на входе
задания тока, такого фильтра нет, соответственно заметно довольно большое
перерегулирование по току. Так как система настроена на симметричный оптимум,
то величина перерегулирования лежит в пределах 47 %. Но благодаря фильтру на
входе ПИ-РС оно не настолько велико и равно
;
(1.15.4.1)
Перемещение слишком мало, чтобы момент и скорость достигли
установившегося режима. В связи с этим происходит уменьшения величины
перерегулирования, т.е. на весьма малых перемещениях, перерегулированием в
контуре тока можно пренебречь.
1.16 Реализация системы автоматического регулирования
электропривода
1.16.1 Общий принцип управления системы автоматического
регулирования
Связь между выпрямителями одной секции осуществляется
по системной шине (коммуникационная плата ОРТ - D2), один из выпрямителей
является ведущим остальные - ведомые. В зависимости от установки перемычки Х5
платы OPT-D2 осуществляется выбор типа выпрямителя ведущий или ведомый. Обычно
первое устройство в системной шине является мастером, остальные устройства -
ведомые. На рисунке 1.17.1.1 представлена схема связи трех параллельно
включенных выпрямителей. Скорость обмена данными между выпрямителями по
системной шине зависит от количества устройств в кольце. При включении в
параллель трех выпрямителей скорость обмена не должна превышать 12Мбит/сек, а
для четырех не более 6 Мбит/сек.
Рисунок 1.17.1.1 - Схема связи трёх выпрямителей
Выпрямители позволяют использовать один из режимов управления: местный (с
панели управления) или дистанционный (по шине PROFIBUS), выбор режима выполняют
только на ведущем выпрямителе.
В рабочем режиме управление выпрямителями
осуществляется по шине PROFIBUS (коммуникационная плата ОРТ - СЗ, установлена
только в ведущих выпрямителях).
Последовательность включения выпрямителей в местном
или дистанционном режиме управления одна и та же. До включения выпрямителей они
должны находиться в состоянии «Готовности к включению». При подаче команды на
включение выпрямителей сначала производится заряд звена постоянного тока через
схему предварительного заряда, состоящую из диодного моста и токоограничивающих
резисторов. Команду на включение предварительного заряда формирует ведущий
выпрямитель. При достижении напряжения в DC звене заданного уровня (равного
более 80% от номинального напряжения DC звена, примерно 10 секунд) ведущий
выпрямитель дает команду на включение ведомых выпрямителей (выпрямители
управляют вводными автоматами по релейным выходам R03, плата ОРТ - А2), и
силовое напряжение подается на выпрямители. Далее происходит синхронизация
выпрямителей (для уменьшения уравнительных токов между параллельно включенными
выпрямителями) и на панелях управления, расположенных на дверях шкафов,
загораются зеленые светодиоды Running, означающие, что выпрямители в работе.
При неудачной попытке синхронизации ведомых выпрямителей с ведущим генерируется
аварийное сообщение "Fault 10 Line Sync Fault55 (загорается красный
светодиод Fault). Ниже представлена блок схема последовательности запуска
выпрямителей (рисунок 1.17.1.2).
Рисунок 1.17.1.2 - Алгоритм ввода AFE в работу
При возникновении какой-либо аварийной ситуации, в
процессе работы выпрямителей, управляющие импульсы, подаваемые на транзисторы,
снимаются, и в зависимости от установки параметров раздела "G 2.7
Protections" (реакция привода на аварию Fault либо Fault, DC Off) вводной
автоматический выключатель размыкается, либо остается замкнутым. Не зависимо от
установки параметров раздела "G 2.7 Protections", квитирование
аварийного сообщения, переводит выпрямители в "неуправляемый режим"
(управляющие импульсы на транзисторы не подаются), при этом напряжение в звено
постоянного тока подается через обратные диоды (напряжение в DC звене снижается
cl 10%*1,35ивход до 1,35Шход). Для вывода выпрямителей из "неуправляемого
режима" необходимо перезапустить их (дать команду на отключение, затем
снова включить). Ниже на рисунке 1.17.1.3 представлена блок-схема работы
выпрямителя при аварии.
Рисунок 1.17.1.3 - Алгоритм работы выпрямителя при
возникновении аварии
При повышении напряжения в DC звене выше номинального
(например, при резком торможении двигателей) происходит рекуперация энергии в
сеть. Для фильтрации низких гармоник со стороны выпрямителя в сеть на вводе каждого
выпрямителя установлен LCL фильтр. Выпрямители контролируют состояние LCL
фильтров с помощью платы входов/выходов ОРТ - А1 (в выпрямитель заводится
контакт превышения температуры фильтра и состояние вентилятора фильтра).
В рабочем режиме управление приводами осуществляется
по шине PROFIBUS. Телеграмма обмена состоит из 10-ти слов (первые два слова
нельзя изменить). Контроль связи по PROFIBUS осуществляется при помощи
контрольного бита (Watchdog). Из ТСS в инвертор в главном слове управления
передается 15 бит, который инвертор должен отправить обратно в TCS в течение 2
сек. Если в течение этого времени инвертор не отправляет контрольный бит в
главном слове состояния, то двигатели, запитанные от него, останавливаются по
"аварийному" задатчику интенсивности, после чего на панели управления
появляется сообщение "А63 Emergency Stop", но ошибки по связи не
выдается. В случае если из TCS в инвертор не приходит контрольный бит, то
привод так же останавливается по "аварийному" задатчику интенсивности
и на панели управления преобразователя генерируется ошибка "F53 Field bus
Fault" и предупреждение "А63 Emergency Stop".
Преобразователи частоты контролируют температуру
двигателей с помощью датчиков РТ100 либо РТС. При достижении двигателем
температуры 110°С генерируется предупредительное сообщение РТ100 Alarm, в
случае если температура двигателя будет возрастать и достигнет 120° С привод
"разберется" по аварии РТ100 Fault либо Thermistor Fault.
Схемы подключения датчиков температуры для тянущих
роликов и машин правки (нажимных винтов клети и эджера) отличаются друг от
друга. На тянущих роликах используются платы OPT-AF, а на машинах правки
(нажимных винтов клети и эджера) платы ОРТ-А1. Ниже на рисунке 1.17.1.4
переведена схема подключения датчиков температуры для тянущих роликов и машин
правки (нажимных винтов клети и эджера).
Рисунок 1.17.1.4 - Схема подключения датчиков
температуры на машинах правки и нажимных винтах клети и эджера
На машинах правки и нажимных винтах клети и эджера для
обработки сигнала с датчика температуры используется плата ОРТ-А1, она не имеет
стандартного входа для датчика температуры. Принцип работы ее следующий:
токовый сигнал пропускается через датчики температуры двигателя и на аналоговом
входе смотрят падение напряжения на нем. Это напряжение пропорционально
температуре двигателя.
Система аварийного останова (Emergency Stop),
предназначена для предотвращения аварийных ситуаций либо предупреждения
ситуаций опасных для жизни человека. Аварийные кнопки, установленные на местных
постах управления, воздействуют на отключение реле аварийного останова, которые
в свою очередь раздают сигналы на отключение того или иного
электрооборудования. Алгоритм работы электрических схем приводов одинаков. При
поступлении команды на аварийный останов все привода останавливаются по
аварийному задатчику с темпом 2 секунды, после чего с выдержкой времени 6
секунд снимаются управляющие импульсы с преобразователей. При этом на всех
инверторах сначала появляется предупредительный сигнал «Emergency Stop», а
затем «Safe Disable». После устранения аварийной ситуации и сброса аварийного
реле преобразователи переходят в режим готовности к управлению (на панели
управления преобразователя загорается светодиод “Ready”.
1.16.2 Параметрирование системы автоматического
регуирования
Так как в рассматриваемом приводе система управления реализована
программно, то необходимо выполнить программную настройку параметров всей
системы и привода в частности. В этом пункте рассматривается так называемое параметрирование
системы привода.
Оператор может задавать параметры через встроенную управляющую клавишную
панель. Управляющая клавишная панель является звеном связи между инвертором
Converteam и пользователем. Клавишная панель Converteam LV7000 имеет буквенно-цифровой
дисплей с 7-ю индикаторами для рабочих состояний (RUN, , READY, STOP, ALARM,
FAULT) и три индикатора, указывающие на место управления (I/O term/
Keypad/BusComm). Управляющая информация, то есть номер меню, описание меню или
отображаемые значения и числовая информация представлены на трех текстовых
строках.
1.16.3 Функциональная схема системы автоматического
регулирования
В зависимости от требований, предъявляемых к точности
поддержания скорости, в приводах применено либо скалярное, либо векторное
управление. Принцип управления приводами нажимных винтов клети и эджера -
векторный (Р 2.7.4=3/Closed Loop Speed), структура управления - подчиненное
регулирование координат с внешним контуром скорости и энкодером в качестве
датчика скорости. На машинах горячей и предварительной правки (нажимных винтов
клети и эджера) установлены сдвоенные энкодеры типа Leine & Linde 865 (2048
импульсов на оборот).
Величины максимально-токовых и времятоковых защит для
инверторов устанавливаются автоматически исходя из типоразмеров инверторов, а
пороги и времена времятоковых защит двигателей определяются номинальными токами
двигателей и их температурными постоянными.
На рисунке 1.17.3.1 приведена реализация первого
канала управления электроприводом, а именно канал управления положением.
Регулятор положения выполнен нелинейным (НРП) и имеет параболическую структуру,
состоящую из трёх участков. Кроме того в регуляторе положения предусмотрена
электрическая синхронизация правого (OS) и левого (DS) нажимных винтов. Этого
достигается введением дополнительного регулятора перекоса нажимных винтов.
Каждый винт обладает своим индивидуальным НРП, а регулятор перекоса является
общим. Если имеет место перекос кого-то из валков, то на регулятор перекоса
приходят фактические значения перекоса обоих валков, на основании которых
осуществляется воздействие на задание каждого НРП. Сигнал задания
предварительно делится пополам между двумя НВ, и подаётся положительным или
отрицательным. Т.е. уменьшая или увеличивая сигнал задания на перемещение того
или иного НВ, т.о. обеспечивается синхронизация НВ. С выходов НРП сигнал
поступает на РС, выступая заданием на скорость. И внешний, и внутренний
регуляторы скорости и тока соответственно выполнены на базе функциональных
блоков с помощью ряда программируемых параметров. Структурная схема таких
блоков, а основные параметры приводятся дальше в таблице 1.17.3.1-5.
Особенностью РС является тот факт, что ослабление поля возможно лишь при
скалярном управлении в разомкнутой системе управления.
2.
АНАЛИЗ ТЕХНИКО-ЭКОНОМИЧЕСКИХ ПОКАЗАТЕЛЕЙ ЦЕХА
2.1 Юридический статус и правовое положение ОАО ММК
Магнитогорский Металлургический Комбинат является открытым акционерным
обществом. Акционерное общество является юридическим лицом и имеет в
собственности обособленное имущество, учитываемое на его самостоятельном
балансе, может от своего имени приобретать и осуществлять имущественные и
личные неимущественные права, нести обязанности, быть истцом и ответчиком в
суде. Общество имеет право открывать банковские счета на территории Российской
Федерации и за ее пределами. Общество имеет круглую печать, содержащую полное
фирменное наименование на руссом языке и указание на место его нахождения.
Общество имеет штампы и бланки со своим наименованием, собственную эмблему, а
также зарегистрированный в установленном порядке товарный знак и другие
средства визуальной идентификации. Учредителем Общества на момент образования
являлся Государственный комитет Российской Федерации по управлению
государственным имуществом. Общество несет ответственность по своим
обязательствам всем принадлежащим ему имуществом.
Акционеры не отвечают по обязательствам Общества и несут риск убытков,
связанных с его деятельностью, в пределах стоимости принадлежащих им акций.
Общество не отвечает по обязательствам своих акционеров. ОАО ММК является
правопреемником государственного предприятия «Магнитогорский металлургический
комбинат им. В.И. Ленина».
Уставный капитал общества
Уставный капитал ОАО ММК составляет 10 630 221 600(десять миллиардов
шестьсот тридцать миллионов двести двадцать одна тысяча шестьсот) рублей.
Уставный капитал ОАО "ММК" разделен на 8 858 518 акций и состоит из:
·
привилегированных
акций (типа А) в количестве - 2 214 630 штук, номинальной стоимостью 1 (один)
рубль;
·
обыкновенных
акций в количестве - 6 643 888 штук, номинальной стоимостью 1 (один) рубль.
Общество вправе проводить размещение акций и иных ценных бумаг,
конвертируемых в акции, посредством открытой или закрытой подписки,
распределения среди акционеров, конвертации. Конкретный способ размещения
указывается в решении о размещении ценных бумаг Общества.