|
i
|
1
|
2
|
3
|
4
|
5
|
6
|
|
ωдв, рад/с
|
104,72
|
2,65
|
0
|
104,72
|
2,65
|
0
|
|
Мс,
Н·м
|
3,28
|
3,28
|
3,28
|
3,28
|
3,28
|
3,28
|
Будем считать,
что для формирования необходимых нам статических характеристик система
управления электроприводом реализует закон управления
,
При этом можно
записать:
В установившемся
режиме двигатель работает при скоростях
и
.
Рассчитаем механические характеристики на участках:
1) при w01=104,72 с-1
Напряжение на
выходе преобразователя:
Частота тока на
выходе преобразователя:
2) при w02=2,65 с-1
Напряжение на выходе преобразователя:
Частота тока на выходе преобразователя:
Пункты 3 и 4
будут аналогичны соответственно пунктам 1 и 2
Расчёт переходных
процессов в электроприводе.
Произведем
линеаризацию характеристик на рабочем участке.
Так как при малом
ускорении динамический момент мал, можно рассматривать переходный процесс как
для двигателя постоянного тока с независимым возбуждением (с линейной
характеристикой).
Ускорение
обеспечивается при помощи задатчика интенсивности.
Рассчитаем данные
для построения переходных процессов:
Проверка
выбранного двигателя по нагреву
Тепловые процессы в двигателях в нормальных условиях,
благодаря, большой тепловой инерции протекают замедленно, поэтому быстрые
изменения нагрузки и, соответственно, тепловыделения фильтруются и зависимость
превышения температуры τ(t) сглаживается тем в
большей степени, чем меньше время цикла, в сравнении с постоянной времени
нагрева Тн двигателя.
Для нашего электропривода условие tц =125,87с<<Tн=45
мин и, как выше было отмечено, через некоторое время после начала работы
наступает установившийся тепловой режим, при котором превышение температуры
колеблется относительно среднего значения τср в узких пределах.
Произведём проверку выбранного двигателя по нагреву, с
использованием метода средних потерь, суть которого заключается в вычислении
средних потерь двигателя за рабочий цикл и сравнения их с потерями двигателя
при работе в номинальном режиме:
(23)
Суммарные потери
в асинхронном двигателе:
; (24)
Постоянные потери
в номинальном режиме:
(25)
Номинальные
потери двигателя определяются как:
(26)
Переменные потери
в номинальном режиме, с учетом намагничивающих потерь:
(27)
где
При частотном
способе регулирования скорости асинхронного двигателя постоянные потери
определяются следующим выражением:
(28)
Считая, что:
, определим постоянные потери в двигателе
для каждого интервала рабочего цикла:
Переменные
потери:
Ток статора
определяется по формуле:
(1)
Приведенный ток
ротора определяем по формуле:
(2)
Определим токи
ротора для каждого интервала рабочего цикла
Подставим
уравнение (1) в (2), получим расчетную формулу для определения переменных потерь
для каждого интервала рабочего цикла:
(3)





Суммарные потери
в асинхронном двигателе для каждого интервала рабочего цикла:

Средние потери
двигателя за рабочий цикл равны:
(4)

коэффициент, учитывающий ухудшение вентиляции.
=0,5 - коэффициент ухудшения вентиляции
при неподвижном роторе.
ti-время i-го
интервала.
Сравним средние
потери двигателя за рабочий цикл с потерями двигателя при работе в номинальном
режиме:
(33)
Таким образом,
перегрузка двигателя составляет менее 10%. Следовательно, двигатель
удовлетворяет требованиям по перегрузке.
2. Выбор
системы управления
2.1
Технико-экономическое обоснование
По кривым на рис.
1.3 [2] (с. 12) определяем, что для скорости передвижения тележки V=0.68 м/с и точности остановки v=20 мм требуется обеспечить диапазон регулирования D=1:10.
Данному диапазону
и установленной мощности электродвигателя удовлетворяют следующие системы
управления [2] (табл. 15.2, с. 254):
- ТП-ДПТ: система тиристорный преобразователь -
электродвигатель постоянного тока;
- КИ-АДФ: силовой контроллер с импульсно-ключевым
регулированием скорости - асинхронный двигатель с фазным ротором;
- ПЧИ - АД: система преобразователь частоты
инверторного типа - асинхронный двигатель с короткозамкнутым ротором;
С точки зрения удельной стоимости (для мощности 2…5кВт) все
системы занимают равные положения, но сравнивая массогабаритные показатели и
степень сложности исполнения системы, предпочтение получает система КИ - АДФ.
Выбор вида электропривода подтверждается на основе анализа
экономических и массогабаритных показателей. Проанализируем две системы управления:
КИ-АДФ и ТП-Д по методике, изложенной в [1] (т. 1, п.II.1., с.
231).Экономическая оценка производится по формуле:
А=
,
Где
А - показатель
затрат, руб.;
P=2,7кВт - номинальная мощность
электродвигателя;
Sk=
- число включений за год работы [1] (табл.II.1.3.);
SДОП=
- для КИ-АДФ и SДОП=
- для ТП-Д - износостойкость
электропривода [1] (табл.II.1.2.);
T=150 часов - в год [1] (табл.II.1.3.);
NВК=120 - число включений в час [1] (табл.II.1.3.);
g=2,5 -
коэффициент, характеризующий приведенные моменты инерции механизмов.
b=1 для КИ - АДФ и b=0,4 для ТП-Д - коэффициент, определяющий
потери при пуске, торможении и регулировании скорости.
СДВ - удельная стоимость 1 кВт мощности
электродвигателя, руб./кВт
[1] (табл.II.1.4.);
СДВ
КИ-АДФ=50 руб./кВт;
СДВ ТП-Д=120 руб./кВт;
СУ
- удельная стоимость
управляющего устройства на 1кВт мощности двигателя, руб./кВт. [1] (табл.II.1.4.);
СУ КИ-АДФ=10 руб./кВт и СУ ТП-Д=250
руб./кВт.
АКИ-АДФ=
=162+108+16=286 руб.
АТП-Д=
=999+10+6,4=1015,4 руб.
Так как
экономические показатели этих двух систем значительно различаются друг от
друга, то массогабаритные показатели можно не сравнивать.
Затраты на
систему КИ-АДФ меньше, поэтому ей и отдаем предпочтение.
2.2 Расчет
параметром двигателя
Критическое
скольжение:
, где
-номинальное скольжение.
- синхронная частота вращения;
- номинальная частота вращения;
Тогда:
MH-номинальный момент двигателя;
MH=
Таким образом:
Отношения
сопротивлений:
a=
0.264
Сопротивление
статора:

Приведенное сопротивление
ротора:
.
Индуктивное
сопротивление короткого замыкания:

Проверка
двигателя по пусковому моменту:
Для того чтобы
двигатель разогнался, необходимо выполнение следующего условия:
Mп
Mп=
49,5>(1,5…2)*18,9
- условие выполняется.
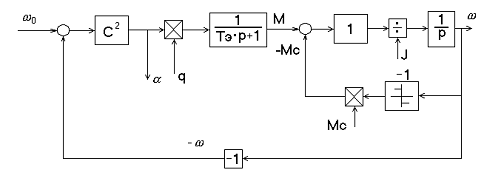
3. Расчет переходных процессов в электроприводе
Система уравнений для электропривода с линеаризованной
механической
Характеристикой будет выглядеть следующим образом:
,
;
g - проводимость машины;
с2 -
постоянная машины;
;
- электромагнитная постоянная;
Регулятор
проводимости ротора пропорционально - интегральный (ПИ), то есть:
При настройке
контура скорости на симметричный оптимум, имеем:
Для
ограничения момента и поддержания постоянным ускорения необходим задатчик
интенсивности.
Ниже представлена модель для расчета переходного процесса и
результаты моделирования. Моделирование выполнено на программном комплексе
МИК-АЛ.
$ВВОД
КОНСТ Wz=8.8, J1=1.109, J2=0.502, Te=0.0055,
Mc1=15.9, Mc2=5.2, R2=6.21,
Jmin=0.502, W0=104.7, Em=27, C2=11.5
*****************************************************************
КОНСТ Krg=(Jmin/2/Te), Trg=(40*Te*Te/Jmin),
gm=(1/R2), dJ=(J1-J2), dMc=(Mc1-Mc2)
*****************************************************************
1V V=Wz
2V V=-Wz T=29
3V V=-Wz T=120
4V V=Wz T=149
5U W=1 ВХ=1+2+3+4
6V V=J1
7V V=-dJ T=120
8U W=1 ВХ=6+7
9V V=Mc1
10V V=-dMc T=120
11U W=1 ВХ=9+10
*********************РЕГУЛЯТОРЫ***********************************
12U W=1 ВХ=21+31
13N ДЕЛ ВХ=12+14
14N МОДУЛЬ ВХ=23
15U W=Krg ВХ=13
16C ИНТ_ОГР ПАР=1, Trg, gm, 0 ВХ=13
17N ОГРАН ПАР=gm ВХ=15+16
18N МОДУЛЬ ВХ=17
19N РЕЛЕ ПАР=W0 ВХ=17
32D Z_H ВХ=19
*********************ЗАДАТЧИК
ИНТЕНСИВНОСТИ***********************
20N РЕЛЕ ПАР=Em ВХ=5+22
21L W=1/P ВХ=20
22U W=-1 ВХ=21
**********************ОБЬЕКТ
УПРАВЛЕНИЯ***************************
23U W=C2 ВХ=32+31
24N УМН ВХ=23+18
25L W=1/Te*P+1 ВХ=24
38N УМН ВХ=25+37
26U W=1 ВХ=38+30
27N ДЕЛ ВХ=26+8
28L W=1/P ВХ=27
29N РЕЛЕ ПАР=-1 ВХ=28
30N УМН ВХ=29+11
31U W=-1 ВХ=28
*********************ПРОСТОЙ ДВИГАТЕЛЯ*****************************
33V V=1
34V V=-1 T=32.4
35V V=1 T=120
36V V=-1 T=152.4
37U W=1 ВХ=33+34+35+36
70N УМН ВХ=37+30
71U W=-1 ВХ=70
********************ПАРАМЕТРЫ ЭКСПЕРИМЕНТА
************************
ИНТ RKT4
ШАГ ИНТ=0.008
ШАГ ВЫВ=0.1
КОН ВР=200
ВЫХОДЫ 28=W, 38=M, 71=Mc, 26=Mdin
$КОН
$СТОП
Результаты моделирования.
Рис.
9
Пуск электропривода на номинальную скорость (w=88 рад/с)
Пуск
электропривода на номинальную скорость (w=88 рад/с) при пониженном моменте инерции.
Рис. 10
Пуск
электропривода на минимальную скорость (wmin=0.1*wnom= 8.8 рад/с)
Пуск электропривода на минимальную скорость пониженном
моменте инерции.
Рис. 11
При пуске двигателя на минимальную скорость, время пуска tп
существенно меньше, чем на номинальную скорость. Из-за этого пусковой момент не
успевает выйти на устанавившееся значение и сразу же изменяется до значения
Mст1.
И при максимальном и при минимальном заданиях двигатель
развивает необходимую скорость (88 рад/с и 8.8 рад/с).
На графиках для опытов с пониженными моментами инерции видно,
что пусковой момент снижается (М’п1<Мп1).Следовательно, снижается и
потребляемая из сети энергия, пропорциональная моменту и угловой скорости.
Снизить моменты инерции механизма можно, уменьшив массу тележки или диаметр
ходового колеса. Но для этого надо внедрять новые материалы, обеспечивающие те
же конструкционные характеристики при меньшей массе и диаметр В этом курсовом
проекие рассмотрены групповой электропривод, то есть от одного электродвигателя
управление осуществляется двумя исполнительными органами (колеса тележки).
Структурная схема системы управления составлена для индивидуального
однодвигательного привода, так как диаметры валов, передающих врашение колесам,
не превышают 8000 мм и считаем муфты на них жесткими.
Заключение
В данном курсовом проекте была проведена следующая работа:
- выбор основных технических параметром тележки по прототипу.
- расчет нагрузочных характеристик и выбор двигателя.
- Проверка выбранного двигателя по нагреву.
- Технико-экономический анализ систем управления.
- Выбор системы управления.
- Моделирование переходных процессов в электроприводе.
Комплексный анализ всех вышеперечисленных пунктов
свидетельствует о правильности решения задачи в целом: выбранный двигатель
работает на всю свою мощность, а импульсно - ключевая система управления
отрабатывает задание с минимальной ошибкой регулирования даже на малых
скоростях.
Торможение привода осуществляется противовключением до
некоторой скорости, при которой оно уже неэффективно. Вторым этапом является
механическое торможение. Причем механический тормоз включается заранее (с
учетом его времени срабатывания 0,2с), так чтобы останов завершился к концу
интервала tT.
Список литературы
1.
Справочник
по кранам: В 2 томах. Том 1. Под общей редакцией М.М. Гохберга. - М.: «Машиностроение»,
1988.
2.
Справочник
по кранам: В 2 томах. Том 2. Под общей редакцией М.М. Гохберга. - М.:
«Машиностроение», 1988.
3.
Чиликин
М.Г. Общий курс электропривода. М., «Энергия».
4.
Москаленко
В.В. Автоматизированный электропривод. - Москва: «Энергоатомиздат»; 1986.
5.
Ключев В.И. Теория электропривода. - М.: Энергоатомиздат, 1985.
6.
Справочник по автоматизированному электроприводу/ Под ред.
Елисеева
В.А. и Шинянского А.В. - М.: Энергоатомиздат, 1983.
7.
Шенфельд Р., Хабигер Э. Автоматизированные электроприводы. Пер. с нем./ Под
ред. Борцова Ю.А. - Л.: Энергоатомиздат, 1985.
8.
Справочник по проектированию автоматизированного электропривода и систем
управления технологическими процессами/ Под ред.
Круповича
В.И. и др. - М.: Энергоатомиздат, 1982.
9.
Справочник по электрическим машинам. В 2-х т. М.: Энергоатомиздат, 1988.