Схема электропривода механизма подъёма с панелью управления

  • Вид работы:
    Контрольная работа
  • Предмет:
    Другое
  • Язык:
    Русский
    ,
    Формат файла:
    MS Word
    1,83 Мб
  • Опубликовано:
    2012-04-25
Вы можете узнать стоимость помощи в написании студенческой работы.
Помощь в написании работы, которую точно примут!

Схема электропривода механизма подъёма с панелью управления

1.      Технологическая часть


Перемещение грузов осуществляется с использованием грузоподъёмных машин различного назначения.

Грузоподъёмные машины изготавливаются для различных условий использования по степени загрузки, времени работы, интенсивности ведения операций, степени ответственности грузоподъёмных операций и климатических факторов эксплуатации.

Любой грузоподъёмный кран, в соответствии с технологическими требованиями, может иметь для каждого рабочего движения в трёх плоскостях следующие самостоятельные механизмы: механизм подъёма-опускания груза, механизм перемещения крана в горизонтальной плоскости и механизмы обслуживания зоны работы крана (передвижение тележки, поворот тележки или всего крана, механизм изменения вылета для стреловых кранов, механизм поворота крюка или захвата и т.п.).

Подавляющее большинство грузоподъёмных машин, изготавливаемых отечественной промышленностью, имеет электрический привод механизмов поэтому эффективность действия и производительность этих машин в значительной степени зависят от качественных показателей используемого кранового электрооборудования.

Электроприводы с регулированием сопротивления в цепи ротора благодаря простоте реализации применяемого метода регулирования скорости нашли наиболее широкое применение в крановых системах и сейчас составляют большую часть находящихся в эксплуатации электроприводов. Комплектные электроприводы включают в себя системы с силовыми кулачковыми контроллерами и магнитными контроллерами с цепями управления на переменном и постоянном токе. Такое построение рядов электроприводов позволяет в каждом конкретном случае осуществить выбор наиболее приемлемой системы с учетом условий эксплуатации, предъявляемых требований по автоматизации управления, масс, габаритов и стоимости. Ряды электроприводов включают в себя все типы крановых двигателей с фазным ротором серии MTF и МТН для диапазона мощностей от 1,2 до 200 кВт и строятся отдельно для механизмов подъема и передвижения крановых устройств.

Для получения более мягких механических характеристик и более широкого диапазона регулирования скорости применяются электроприводы с импульсно-ключевыми коммутаторами (ИКК) в цепи ротора фазных двигателей.

Принцип импульсно-ключевого управления заключается в коммутации силовой цепи ротора асинхронного двигателя тиристорным коммутатором, собранным по мостовой или треугольной схеме. При этом включение тиристоров коммутатора осуществляется по сигналу, пропорциональному ЭДС ротора, при превышении скольжением двигателя заданного уровня, а отключение - в момент их естественной коммутации на частоте скольжения ротора. Формирование пуско-тормозных характеристик не осуществляется, и управление электроприводом во всех режимах, кроме пуска и торможения, не отличается от обычных систем.

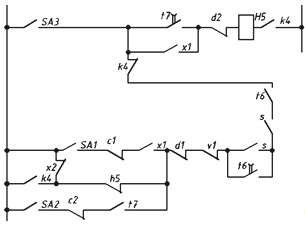
Для механизмов подъёма на основе электропривода с ИКК выпускаются панели типа КСДБ. На рис.1.1 приведена схема электропривода с панелью КСДБ, в которой применение тиристорного коммутатора в цепи ротора и контакторов с бездуговой коммутацией в цепи статора при совмещении традиционных методов регулирования с импульсно-ключевым управлением позволило создать высокоэффективную систему.

 

2.      Условия работы установки: датчики, режимы, требования к защите и сигнализации, виды управления установкой


Механические характеристики электропривода приведены на рис. 2.1. Импульсно-ключевой коммутатор в этой схеме используется для получения характеристики 1П и обеспечения бестоковой коммутации контакторов ускорения KM1V - KM4V и динамического торможения КМ1 в цепи ротора.

Рис. 2.1. Механические характеристики электропривода.

Характеристики 2П - 4П и 4С - обычные реостатные характеристики двигателя, а на характеристиках 1С - ЗС двигатель работает в режиме динамического торможения самовозбуждением. Бездуговая коммутация цепей статора достигается применением линейного контактора КММ с тиристорными блоками. При этом контакторы направления КМ1В и КМ2В отключаются с задержкой по отношению к контактору КММ, а при отключении контактов КММ ток переходит на шунтирующие их тиристоры, которые закрываются при переходе тока через нуль. Управление тиристорами осуществляется реле КН1. Управление тиристорами моста ИКК UZ1 в режиме бестоковой коммутации контакторов роторной цепи производится по цепи, состоящей из размыкающих контактов контакторов роторной цепи и контролирующих их реле КТ1, КТ2 и КТ5. При этом отключение этих контакторов происходит после отключения тиристоров моста.

Питание цепи управления ИКК производится от трансформатора Т2 и выпрямителя UZ4. Реле КТ6 осуществляет контроль этой цепи. Для облегчения коммутации контактора КМ1 мост ИКК шунтируется силовым диодом. Для обеспечения характеристики управление ИКК осуществляется от ЭДС ротора двигателя по цепи: выпрямитель UZ3, резисторы R2 и R3, стабилитрон VD, выполняющий роль ключевого элемента, резисторы R7 - R9, управляющие электроды тиристоров. Наличие цепи обратной связи по ЭДС позволяет также исключить аварийный режим разрыва роторной цепи, вероятность создания которого возможна из-за большого числа контактов в цепи управления тиристорами. При этом в случае несрабатывания какого-либо контакта увеличение скорости двигателя выше допустимой приводит к включению стабилитрона и открытию моста ИКК.

Подпитка двигателя в режиме динамического торможения выполнена от трансформатора Т1 и моста UZ2. Эта цепь контролируется реле КНЗ.

Вся защита вынесена непосредственно на панель управления. Защита является типовой и включает в себя: нулевую защиту - контакторы КМ1В, КМ2В, максимальную - реле КА1и КА2, конечную - выключатели SQ1 и SQ2.

Помимо обычных видов защиты в схеме имеется защита от превышения скорости, выполненная с помощью центробежного реле KV.

 

3.      Анализ исходной РКС и разделение её на функциональные узлы


Релейно-контактные принципиальные электрические схемы управления содержат контакты и катушки электрических аппаратов, обмотки электрических машин, магнитных усилителей и т. п. На схемах можно выделить входные элементы, выходные исполнительные элементы и промежуточные элементы. Через входные элементы в функциональную часть схемы управления подаются входные сигналы. Выходные сигналы поступают в исполнительные элементы непосредственно от выходных элементов или через промежуточные аппараты. Входные, промежуточные и выходные сигналы обозначаются так же, как контакты соответствующих элементов.

Произведём группировку и обозначение сигналов исходя из исходной схемы (рис. 1.1):

         Входные сигналы:

a0 - a4, b1 - b4 - сигналы управления командоконтроллером.

с1, с2 - сигналы от конечных выключателей SQ1 и SQ2.

d1, d2 - сигналы от реле максимального тока KA1 и реле минимального тока КА2.

f1 - сигнал от реле контроля цепи подпитки двигателя КН3.

v1 - сигнал от реле контроля скорости KV.

s - сигнал от переключателя S.

t6t, t6 - сигналы от реле времени КТ6.

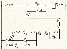
         Выходные сигналы:- Y5 - сигналы управления контакторами ускорения KM1V - KM5V. H1, H2, Н4, Н5 - сигналы управления контакторами торможения в цепи ротора КМ1 и КМ2, контактором КМ4, контактором отключения тормоза КМ5.

М1 - контактор КММ.

Х1, Х2 - сигналы управления контакторами реверса КМ1В и КМ2В.

W6 - сигнал управления тиристорами ротора.- сигнал управления реле управления тиристорами КН1.

T1t, T5t, Т2 - сигналы от реле времени КТ1, КТ5, КТ2.

         Промежуточные сигналы:

Т3, Т4, Т7 - сигналы управления реле времени КТ3, КТ4, КТ7.

К4 - сигнал управления реле КН4.

SA1 -SA12 - выходные сигналы командоконтроллера.

Во всех промежуточных сигналах, кроме выходных сигналов командоконтроллера, присутствуют обратные связи.

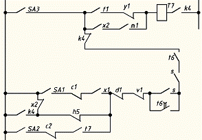
Преобразуем исходную схему управления (рис.1.1) в соответствии с принятыми обозначениями:

Рис. 3.1. Преобразованная схема управления.

4.      Синтез структурных формул


Запишем алгебраические выражения, соответствующие цепям выходных и промежуточных переменных релейно-контактной схемы. Сигналы от реле времени с выдержкой времени обозначим индексом. Пример:

Цепи выходных переменных:

Рис. 4.1. Цепь переменной Y1.

Алгебраическое выражение, соответствующее данному фрагменту, имеет вид:

;

Рис. 4.2. Цепь переменной Y2.

Алгебраическое выражение, соответствующее данному фрагменту, имеет вид:

Рис. 4.3. Цепь переменной Y3.

Алгебраическое выражение, соответствующее данному фрагменту, имеет вид:

Рис. 4.4. Цепь переменной Y4.

Алгебраическое выражение, соответствующее данному фрагменту, имеет вид:

Рис. 4.5. Цепь переменной Y5.

Алгебраическое выражение, соответствующее данному фрагменту, имеет вид:

Рис. 4.6. Цепь переменной Н1.

Алгебраическое выражение, соответствующее данному фрагменту, имеет вид:

Рис. 4.7. Цепь переменной Н2.

Алгебраическое выражение, соответствующее данному фрагменту, имеет вид:

Рис. 4.8. Цепь переменной Н4.

При составлении алгебраического выражения нужно учесть, что при k4=0 Н4=0, а при k4=1 нормально замкнутый контакт k4 разомкнётся, и переключения в нижеследующих ветвях не повлияют на состояние переменной Н4. Исходя из данных рассуждений, запишем алгебраическое выражение для данного фрагмента:

Рис. 4.9. Цепь переменной Н5.

При составлении алгебраического выражения нужно учесть, что при k4=0 Н4=0, а при k4=1 нормально замкнутый контакт k4 разомкнётся, и переключения в нижеследующих ветвях не повлияют на состояние переменной Н5. Исходя из данных рассуждений, запишем алгебраическое выражение для данного фрагмента:

Рис. 4.10. Цепь переменной М1.

Алгебраическое выражение, соответствующее данному фрагменту, имеет вид:

Рис. 4.11. Цепь переменной Х1.

Алгебраическое выражение, соответствующее данному фрагменту, имеет вид:


Рис. 4.12. Цепь переменной Х2.

Алгебраическое выражение, соответствующее данному фрагменту, имеет вид:

Рис. 4.13. Цепь переменной W6.

Алгебраическое выражение, соответствующее данному фрагменту, имеет вид:

Рис. 4.14. Цепь переменной Z1.

Алгебраическое выражение, соответствующее данному фрагменту, имеет вид:

Рис. 4.15. Цепь переменной Т1.

Алгебраическое выражение, соответствующее данному фрагменту, имеет вид:

Рис. 4.16. Цепь переменной Т2.

Алгебраическое выражение, соответствующее данному фрагменту, имеет вид:

Рис. 4.19. Цепь переменной Т5.

Алгебраическое выражение, соответствующее данному фрагменту, имеет вид:


Цепи промежуточных переменных:

Рис. 4.17. Цепь переменной Т3.

Алгебраическое выражение, соответствующее данному фрагменту, имеет вид:

Рис. 4.18. Цепь переменной Т4.

Алгебраическое выражение, соответствующее данному фрагменту, имеет вид:


Рис. 4.21. Цепь переменной Т7.

При составлении алгебраического выражения нужно учесть, что при k4=0 Н4=0, а при k4=1 нормально замкнутый контакт k4 разомкнётся, и переключения в нижеследующих ветвях не повлияют на состояние переменной Т7. Исходя из данных рассуждений, запишем алгебраическое выражение для данного фрагмента:

Рис. 4.22. Цепь переменной К4.

Алгебраическое выражение, соответствующее данному фрагменту, имеет вид:


5.      Синтез промежуточной функциональной схемы


По полученным в предыдущем разделе выражениям можно построить промежуточную функциональную схему на бесконтактных логических элементах. Составим логические схемы для выходных переменных:

Схема, соответствующая данному выражению, имеет вид:

Рис. 5.1. Логическая схема для переменной Y1.


Схема, соответствующая данному выражению, имеет вид:

Рис. 5.2. Логическая схема для переменной Y2.


Схема, соответствующая данному выражению, имеет вид:

Рис. 5.3. Логическая схема для переменной Y3.


Схема, соответствующая данному выражению, имеет вид:

Рис. 5.4. Логическая схема для переменной Y4.


Схема, соответствующая данному выражению, имеет вид:

Рис. 5.5. Логическая схема для переменной Y5.


Схема, соответствующая данному выражению, имеет вид:


Рис. 5.6. Логическая схема для переменной Н1.


Схема, соответствующая данному выражению, имеет вид:

Рис. 5.7. Логическая схема для переменной Н2.


Схема, соответствующая данному выражению, имеет вид:

Рис. 5.8. Логическая схема для переменной Н4.


Схема, соответствующая данному выражению, имеет вид:

Рис. 5.9. Логическая схема для переменной Н5.


Схема, соответствующая данному выражению, имеет вид:

Рис. 5.10. Логическая схема для переменной М1.


Схема, соответствующая данному выражению, имеет вид:


Рис. 5.11. Логическая схема для переменной Х1.


Схема, соответствующая данному выражению, имеет вид:

Рис. 5.12. Логическая схема для переменной Х2.




Схема, соответствующая данному выражению, имеет вид:

Рис. 5.13. Логическая схема для переменной W6.


Схема, соответствующая данному выражению, имеет вид:

Рис. 5.14. Логическая схема для переменной Z1.


Схема, соответствующая данному выражению, имеет вид:


Рис. 5.15. Логическая схема для переменной Т1.


Схема, соответствующая данному выражению, имеет вид:

Рис. 5.16. Логическая схема для переменной Т2.


Схема, соответствующая данному выражению, имеет вид:


Рис. 5.19. Логическая схема для переменной Т5.

Составим логические схемы для промежуточных переменных:


Схема, соответствующая данному выражению, имеет вид:

Рис. 5.17. Логическая схема для переменной Т3.


Схема, соответствующая данному выражению, имеет вид:

Рис. 5.18. Логическая схема для переменной Т4.



Схема, соответствующая данному выражению, имеет вид:

Рис. 5.21. Логическая схема для переменной Т7.


Схема, соответствующая данному выражению, имеет вид:

Рис. 5.22. Логическая схема для переменной К4.

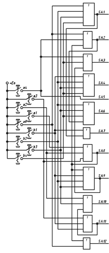
Выходные сигналы командоконтроллера сформируем исходя из диаграммы включения (рис. 1.1).


Данные формулы можно упростить, уменьшив тем самым число входов логических элементов.



Схема, соответствующая данным формулам, имеет вид:

Рис. 5.23. Логическая схема командоконтроллера.

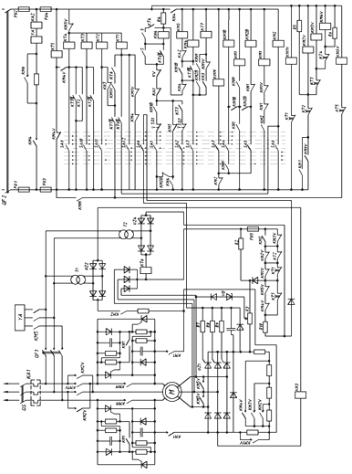
Теперь, объединив все полученные выше логические схемы, можно составить промежуточную функциональную схему на бесконтактных логических элементах. Данная схема представлена в приложении П1.

 

6.      Обоснование выбора элементной базы


Выделим основные критерии, на которые будем ориентироваться при выборе технологии изготовления микросхем для данной схемы управления.

1.      Помехоустойчивость. Для увеличения статического отношения "сигнал-шум" нужно использовать микросхемы с наибольшим напряжением питания.

2.      Потребляемая мощность. Необходимо выбрать серию микросхем с возможно меньшей потребляемой мощностью при прочих равных показателях.

3.      Число типономиналов. Большое количество различных функциональных элементов (в нашем случае - элементов базовой логики) в серии упрощает построение принципиальной схемы и уменьшает количество микросхем в готовом изделии.

4.      Коэффициент разветвления по выходу. Определяет максимальное число входов, которыми можно нагружать выходы микросхемы.

5.      Задержка распространения сигнала. Необходимо выбрать серию микросхем с возможно меньшей задержкой при прочих равных показателях.

6.      Стоимость. Необходимо выбрать серию микросхем с возможно меньшей стоимостью при прочих равных показателях.

Составим таблицу, в которой отразим средние значения, либо диапазон значений для каждого из вышеупомянутых критериев рассматриваемых серий микросхем.

Таблица 6.1. Параметры серий микросхем.

Параметр Серия

Uпит., В

Рпот., мВт

N, шт

kраз

tзд.р.ср., нс

К555 (ТТЛШ)

5±10%

4…42

12

20

25

К561 (КМОП)

3…15

6…14

9

20

125


В сериях ИС невысокой степени интеграции логика И2Л не эффективна из-за низкого логического перепада, равного 0,65 В, и поэтому, низкой помехоустойчивости. Кроме того, по быстродействию, вследствие глубокого насыщения транзисторов инвертора, И2Л-элементы уступают ТТЛШ-элементам.

Схемы ЭСЛ также отличаются невысоким логическим перепадом и наиболее высокой потребляемой мощностью. Также элементы ЭСЛ могут выполнять только одну логическую функцию: ИЛИ-НЕ.

Таким образом, на основании вышеизложенных рассуждений, выбираем микросхемы серии К561, выполненные по технологии КМОП. Ниже приведём цоколёвку и основные параметры микросхем.

Рис. 6.1. Цоколёвка микросхем серии К561 а) К561ЛА7; б) К561ЛА9; в) К561ЛА8; г) К561ЛН2; д) К561ЛЕ5; е) К561ЛЕ10; ж) К561ЛЕ6

Основные параметры данных микросхем представим в виде таблицы.

Таблица 6.2. Параметры микросхем серии К561.

Тип ИМС

Uпит., В

Iвых0, мА

Iвых1, мА

tзд.р.ср., нс

Uвых0, B

Uвых1, B

kраз

К561ЛА7

3…15

≥ 1,3

≥ 1,3

≤ 80

≤ 2,9

≥ 7,2

20

К561ЛА9


≥ 0,25

≥ |-0,3|

≤ 125




К561ЛА8


≥ 1,3

≥ 1,3

≤ 100




К561ЛН2


≥ 8

≥ 1,25

≤ 90




К561ЛЕ5


≥ 0,6

≥ 0,3

≤ 125




К561ЛЕ10


≥ 0,6

≥ |-0,25|

≤ 135




К561ЛЕ6


≥ 0,6

≥ 0,3

≤ 125






7.      Разработка принципиальной схемы на логических элементах


Алгебраические выражения, полученные в разделе 4, необходимо привести к базисам И-НЕ, либо ИЛИ-НЕ. Причём нужно учитывать максимальный коэффициент объединения по входу микросхем 561-й серии. В данном случае .

Преобразуем алгебраические выражения для выходных переменных:


Преобразуем алгебраические выражения для промежуточных переменных:



Выполним приведение логических выражений для сигналов контроллера к определённым базисам:


При построении принципиальной схемы нужно учитывать особенности технологии КМОП. В частности, при наличии неиспользуемых входов, на них необходимо подать логический уровень, не нарушающий работу логического элемента. В противном случае, из-за высокого входного сопротивления, на разомкнутые входы легко наводятся паразитные потенциалы. Для микросхем КМОП уровни напряжений U0 и U1 совпадают с уровнями напряжения питания и "земли", к которым и подключают неиспользованные входы.

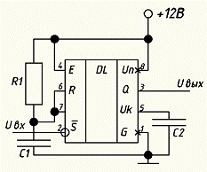
Реле времени, используемые в РКС, заменим на интегральный таймер КР1006ВИ1. Основная схема включения таймера и его цоколёвка показана на рисунке 7.1. Схема соответствует режиму одновибратора [1].

Рис. 7.1. Схема включения таймера КР1006ВИ1.

Для снижения влияния помех на длительность формируемых импульсов к выводу 5 подключаем конденсатор емкостью С2=0,01 мкФ.

Т.к. одновибратор запускается задним фронтом сигнала Uвх, то для правильной работы схемы переменные Т1 - Т7 необходимо проинвертировать.

Принимаем выдержки времени всех реле одинаковыми и равными 0,5 с. Тогда, задавшись значением ёмкости С1 = 1,5 мкФ, можно рассчитать значения резистора R1:


Из ряда значений сопротивлений по ГОСТ выбираем резистор R1 =300 кОм.

Принимаем резисторы R1: МЛТ-0,125-300 кОм ±5%,

конденсаторы: С2: K56-20-100B-0,01 мкФ±10%

С1: К73-9-100В-1,5 мкФ±10%.

Для гальванической развязки цепей управления от силовых цепе        й контакторов и реле используем симисторную оптопару S11MD5V со следующими основными параметрами [5]:

         Максимальный входной ток: 50 мА;

         Максимальное входное обратное напряжение: 6 В;

         Максимальный выходной ток: 100 мА;

         Максимальное выходное напряжение в закрытом состоянии: 400 В;

         Номинальное падение напряжение в открытом состоянии: 1,3 В;

Схема включения входной цепи оптопары показана на рис. 7.2.

Рис. 7.2. Схема включения входной цепи симисторной оптопары S11MD5V.

Т.к. выходного тока микросхем КМОП недостаточно для включения светодиода, то для управления оптопарой необходимо выбрать транзистор с током коллектора не менее 50 мА. Выбираем транзистор КТ316Б.

Для ограничения входного тока светодиода рассчитаем сопротивление резистора R1 (рис. 7.2.)


Мощность указанного резистора:



Принимаем резистор R1: МЛТ-0,5-120 Ом ±5%

Рис. 7.3. Схема включения выходной цепи симисторной оптопары S11MD5V.

Симистор оптопары VU1 (рис. 7.3) управляет более мощным симистором VS1, который включает катушку соответствующего контактора. Резистор R1 и конденсатор С1 защищают силовой симистор от перенапряжений, возникающих при коммутации.

Принимаем резистор: R1 МЛТ-2-39 Ом ±5%;

Данная схема включения применяется для контакторов КМ1V - KM5V, KM1, KM2, KM4, KM5, KMM, KM1B, KM2B.

Для управления тиристорами статора выбираем реле G2R-2-SN12DC фирмы Omron, а для замены контакта SA6 контроллера - реле G2R-1-SN12DC фирмы Omron [6]. Потребляемая мощность катушки данных реле составляет 0,53 Вт. Рассчитаем ток, проходящий через катушку:



Для управления реле выбираем транзистор КТ316Б.

Рис. 7.4. Схема включения реле.

На основании вышеизложенного строим принципиальную схему системы управления на бесконтактных элементах. Данная схема представлена в приложении П2.

 

8.      Таблица перечня элементов разработанной схемы


Таблица 8.1. Перечень элементов.

Поз. обознач.

Наименование

Кол

Примечание


Микросхемы



DD1, DD3, DD4, DD7, DD9, DD10, DD12, DD15, DD18, DD20, DD21, DD24, DD30, DD31, DD35, DD38

К561ЛЕ5

16


DD5, DD11, DD23

К561ЛЕ10

3


DD33

К561ЛЕ6

1


DD6, DD8, DD14,DD22, DD27, DD29, DD37

К561ЛH2

7


DD2, DD13, DD16,DD19,DD25,DD32,DD34, DD36

К561ЛA7

8


DD26, DD28

К561ЛA9

2


DD8

К561ЛA8

1


DA1 … DA6

KP1006ВИ1

6



Резисторы



R1 … R7

МЛТ-0,125-300 кОм ±5%

7


R8 … R19

МЛТ-0,5-120 Ом ±5%

12


R1, R3, R5, R7, R9, R11, R13, R15, R17, R19, R21, R23

МЛТ-2-39 Ом ±5%

12

Резисторы силовой




цепи


Конденсаторы



С1, С3, С5, С7, С9, С11, С13

К73-9-100В-1,5 мкФ±10%

7


С2, С4, С6, С8, С10, С12, С14

K56-20-100B-0,01 мкФ±10%

7


С1…С12

К40У9-0,1 мкФ-400 В ±20%

12

Конденсаторы силовой цепи


Оптроны



VU1…VU12

S11MD5V

12



Транзисторы



VT1…VT14

КТ316Б

14



Реле



КН1, KV1…KV3

G2R-2-SN12DC

4


KН6

G2R-1-SN12DC

1



Переключатели и выключатели



s

ПТ8-1

1


SB1

ПКн23

1


SQ1, SQ2

ВКП 1221

2


 

9.      Разработка программы для программируемого микроконтроллера на языке РКС

электропривод коммутатор релейный микроконтроллер

Реализуем заданную релейно-контактную схему на программируемом микроконтроллере КА1.

Программируемый контроллер КА1 предназначен для управления различным технологическим оборудованием: автоматическими линиями, роботизированными комплексами, автоматами и др.

Технические характеристики контроллера:

Максимальное число входов-выходов    1024

Максимальное число промежуточных реле      1024

Максимальный объем памяти программы, слов        15360

Максимальное число счетчиков/таймеров       64/64

Максимальный интервал времени, отрабатываемый одним таймером с дискретностью 0.1 с  999.9

Максимальное число импульсов, отсчитываемых одним счетчиком 9999

Арифметические операции: сложение, вычитание, умножение, деление, сравнение;

Язык программирования: символы релейных схем, арифметические операции.

Конструктивно программируемый контроллер КА1 выполнен в виде блоков, встраиваемых в унифицированные шкафы, а пульт программирования и диагностики - в виде переносного пульта.

В шкаф может быть установлено четыре блока ввода-вывода и общий источник питания для них. В один из шкафов установлен также блок управления.

В каждом блоке ввода-вывода расположен стабилизатор напряжения, восемь модулей ввода-вывода и модуль адаптера. К одному блоку управления можно подключить до 16 блоков ввода-вывода.

В блоке управления расположены модуль процессора, модуль оперативного запоминающего устройства, модуль пульта управления. Модуль адаптера, блок питания. При необходимости устанавливается второй модуль ОЗУ.

Для программирования контроллера определим модули ввода-вывода.

Программу составим на основе функциональной релейно-контактной схемы.

Недостатком данного контроллера является сложность реализации с помощью таймера некоторых контактов реле времени: замыкающего с задержкой на размыкание и размыкающего с задержкой на замыкание. Кроме того, в схеме управления используются контакты реле времени, которые срабатывают без задержек. Для реализации описанных выше типов контактов можно использовать схему, представленную на рис. 9.1.

Рис. 9.1. Схема реализации контактов реле времени.

Здесь SB имитирует работу логической цепи. При нажатии кнопки SB сработают контакты промежуточного реле KV1, контакты другого промежуточного реле KV2 также сработают, а реле КТ начнёт отсчёт выдержки времени. По её окончанию нормально замкнутый контакт КТ разомкнётся, и контакты реле KV2 вернутся в исходное положение. Следовательно, для каждого из реле времени необходимо зарезервировать по два промежуточных реле. Резервируемые переменные обозначим буквами N (для KV1) и Р (для KV2).

Для ввода сигналов используем модуль 5 с входным напряжением 24 В постоянного тока.

Для вывода сигналов используем модуль 1 с выходным напряжением 220 В переменного тока.

Для промежуточных сигналов используем адреса модулей 0, 2 и 3 блоков 0 и 1[4].

Составим таблицы адресов переменных.

Таблица 9.1. Входные и выходные сигналы

Входные сигналы

Адреса

Выходные сигналы

Адреса

а0

00050

Y1

10010

а1

00051

Y2

10011

а2

00052

Y3

10012

а3

00053

Y4

10013

а4

00054

Y5

10014

b1

00055

H1

10015

b2

00056

H2

10016

b3

00057

H4

10017

b4

00150

H5

10110

c1

00151

M1

10111

c2

00152

X1

10112

d1

00153

X2

10113

d2

00114

W6

10114

f1

00155

Z1

10115

v1

00156

P1

10116

s

00157

P5

10117

t6t

00250

N2

10210

t6

00251




Таблица 9.2. Промежуточные сигналы и зарезервированные адреса.

Промежуточные сигналы

Адреса

Промежуточные сигналы

Адреса

Т1

10000

SA3

10022

Т2

10001

SA4

10023

Т3

10002

SA5

10024

Т4

10003

SA6

10025

Т5

10004

SA7

10026

Т6

10005

SA8

10027

Т7

10006

SA9

10100

К4

10007

SA10

10101

SA1

10020

SA11

10102

SA2

10021

SA12

10103

N1

10123

N5

10127

N3

10125

N6

10130

N4

10126

N7

10131

Р2

10105

Р6

10121

Р3

10106

Р7

10122

Р4

10107




Программу для контроллера КА1 составим, используя схемы и формулы разделов 4 и 5. Для удобства программирования преобразуем формулу переменной К4 (раздел 4):


Составляем программу:

Описание выходных сигналов:




Описание сигналов реле времени Т3, Т4, Т7 и сигнала К4:


Описание выходных сигналов командоконтроллера SA1 - SA12:



Список использованных источников


1.     Интегральные микросхемы и их зарубежные аналоги. Справочник Т1, Т6/ Нефёдов А.В. - КубК-а 1996.

2.       Резисторы. Конденсаторы. Трансформаторы. Коммутационные устройства. РЭА. Справочник/ Н. Н. Акимов и др. - Мн.: Беларусь, 1994.

.        Методическое пособие к курсовому проектированию по дисциплине "Автоматизация типовых технологических установок и комплексов" для студентов специальности 1-53 01 05 - "Автоматизированные электроприводы"/ С.В. Васильев. - Мн.: БНТУ, 2009.

.        Г.И. Гульков, Ю.Н. Петренко, и др. Системы автоматизированного управления электроприводами. Учебное пособие. - Мн.: "Белорусский Дом печати", 2004.

.        Материалы сайта tec.org.ru.

.        Материалы сайта http://www.belseven.by

Похожие работы на - Схема электропривода механизма подъёма с панелью управления

 

Не нашли материал для своей работы?
Поможем написать уникальную работу
Без плагиата!
Без нейросетей!