Моделювання режимів роботи двигуна постійного струму з незалежним збудженням
Міністерство
освіти і науки, молоді та спорту України
Національний
університет "Львівська політехніка"
Кафедра
ЕАП
Розрахункова
робота
Тема:
Моделювання режимів роботи ДПС НЗ
з
навчальної дисципліни:
«Моделювання
комплексів та систем транспортних засобів»
Виконав:
Чайковський Т. П.
ст. гр. ЕКТ-41
Прийняв:
Паранчук Я. С.
Львів
2013 р.
Технічні дані ДПС НЗ:
1.
Режим прямого пуску ДПС НЗ
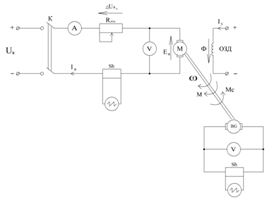
Схема експериментальної установки
Принцип роботи експериментальної
установки. Безреостатний
(прямий) пуск Режим прямого пуску ДПС НЗ є найважливішим режимом роботи
двигунів постійного струму. Він являє собою складний електромеханічний процес,
що супроводжується великими сплесками струму в обмотці якоря, різкою зміною
швидкості і, як наслідок цього, виникненням високих механічних навантажень,
погіршенням комутації та теплового стану машини Зазначені обставини обмежують
застосування прямого пуску в машинах потужністю до 30 кВт. Найбільш сприятливі
умови виникають у разі подачі напруги на обмотку якоря після того, як струм
збудження досягне сталого значення, при цьому спрощується і процес
математичного рішення перехідного процесу. Іншою обставиною,є те що я олень,
визначальним важливість вивчення прямого пуску, є його безпосередній зв'язок із
забезпеченням електромеханічного швидкодії, електричної машини як елемента
електромеханічної системи. Електромеханічне швидкодія визначається
електромагнітної і електромеханічної постійними часу, пусковим моментом,
пусковим струмом і енергетичними можливостями джерела живлення.
Спочатку подається напруга на
обмотку збудження, після досягнення струмом збудження усталеного значення до
джерела напруги підключається обмотка якоря.
) щітки встановлені на геометричній
нейтралі, поперечна і комутаційна реакції якоря відсутні протягом всього
перехідного процесу, величина магнітного потоку залишається незмінною;
) індуктивність і опір якірного кола
постійні;
) струм збудження набагато менший
струму якоря
Робоча характеристика
Структурна модель ДПС НЗ
Математична модель ДПС НЗ
Цифрова модель ДПС НЗ:
2. Прямий пуск ДПС НЗ зі ступінчастою
зміною напруги якоря:
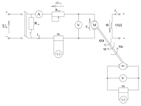
Схема експерементальної установки
Принцип роботи експериментальної
установки
Даний спосіб є основний, найбільш
економічний і перспективний.
Реалізація даного способу передбачає
живлення якоря ДПС НЗ від перетворювача. Враховуючи, олень що основним джерелом
живлення є трифазна мережа змінного струму, то таким перетворювачем є керований
тиристорний перетворювач (ТП). На виході ТП напруга регулюється по величині і
при необхідності по полярності.
Подаємо напругу збудження,
замикаємо ключ К, після чого подаємо напругу завдання на тиристорний
перетворювач який у функції часу подає такі значення напруги ( 
; 
), в результаті цього отримаємо
сімейство пускових характеристик.
З графіка бачимо, що штучні
характеристики розміщуються паралельно, нижче від природної характеристики,
тому що при зменшенні напруги пропорційно зменшується швидкість холостого хода ω0
і
момент короткого замикання Мкз.
Структурна модель ДПС НЗ
Математична модель ДПС НЗ
Цифрова модель ДПС НЗ
3. Режим прямого пуску
ДПС
НЗ з динамічним гальмуванням
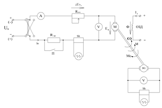
Схема експерементальної установки
Принцип роботи експериментальної
установки. Режим динамічного
гальмування ДПС НЗ створюється, якщо якір двигуна, що обертається, вимкнути з
мережі живлення і замкнути на зовнішній опір. Обмотка збудження залишається
під'єднаною до мережі - незалежне збудження або паралельно якорю двигуна
-самозбудження. Двигун працює як генератор, перетворюючи механічну енергію, що
надходить від вала робочої машини (за рахунок кінетичної енергії двигуна і
механізму або потенційної енергії вантажу, що опускається),нічого не читав в
електричну енергію, яка потім витрачається на нагрівання якоря двигуна і
гальмівного опору. Оскільки якір двигуна вимикається з мережі, то механічні
характеристики є прямими лініями які, незалежно від величини опору, проходять
через початок координат ω = 0, М=0.
Жорсткість характеристик при сталому потоці збудження цілком залежить від
гальмівного опору Rд.г. При гальмуванні двигуна на валу якого діє реактивний
момент, двигун гальмується до зупинки.
Структурна модель ДПС НЗ
Математична модель ДПС НЗ
Цифрова модель ДПС НЗ:
.
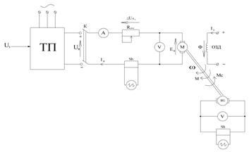
Прямий пуск з проти вмиканням зміною напруги
Схема експерементальної установки
Принцип роботи експериментальної
установки. Запуск установки
відбувається таким чином. На обмотку збудження подається постійна напруга, тоді
двопозиційним перемикачем подаємо напругу на якір двигуна. Після виходу двигуна
на природню характеристику ми здійснюємо противмиканя зміною полярності якірної
обмотки вище згаданим перемикачем. В результаті перекомутації якірного кола
двигун почне зменшувати швидкість до повної зупинки після чого відбудеться
зміна напрямку обертання (реверс). Це зумовлено зміною струму в двигуні та тією
електромагнітного моменту. Електромагнітний момент двигуна діє в протилежному відносно
обертанню напрямку, тобто гальмує привод. і в цьому випадку напруга живильної
мережі і е.р.с діють узгоджено.
Структурна модель ДПС НЗ
Математична модель ДПС НЗ
Цифрова модель ДПС НЗ:
5. Прямий пуск ДПС НЗ з
противмиканням і введенням опору противмикання:
двигун постійний струм напруга
Схема експерементальної установки
Принцип роботи експериментальної
установки. Режим гальмування
проти вмиканням здійснюється в тих випадках, коли напрямок дії обертального
моменту електродвигуна протилежний напрямку обертання його якоря. Гальмування
проти вмиканням характерний для електроприводів машин з реактивним моментом
статичних опорів і здійснюється шляхом зміни полярності напруги, підведеної до
якоря двигуна, що працює в режимі двигуна. Це призведе до зміни напрямків
струму у двигуні і дії електромагнітного моменту. Поки напрямок обертання не
змінився (якір під дією кінетичної енергії системи продовжує обертатися в
попередньому напрямку), електромагнітний момент двигуна діє в протилежному
відносно обертанню напрямку, тобто гальмує привід і в цьому випадку напруга
мережі і е.р.с діють узгоджено. Позитивними якостями гальмуванням проти
вмиканням ДПС НЗ є: значна інтенсивність гальмування до повної зупинки: висока
надійність гальмування при будь-якій кутовій швидкості обертання якоря двигуна;
наявність гальмівною моменту при нерухомому двигуні
Основним недоліком цього способу гальмування є значні зусилля на передавальний
пристрій і вал двигуна.
Структурна модель ДПС НЗ
Математична модель ДПС НЗ
Цифрова модель ДПС НЗ: