Застосування пакету Simulink для моделювання електричних мереж і систем

  • Вид работы:
    Практическое задание
  • Предмет:
    Физика
  • Язык:
    Украинский
    ,
    Формат файла:
    MS Word
    577,89 Кб
  • Опубликовано:
    2014-10-15
Вы можете узнать стоимость помощи в написании студенческой работы.
Помощь в написании работы, которую точно примут!

Застосування пакету Simulink для моделювання електричних мереж і систем













Лабораторна робота

Застосування пакету Simulink для моделювання електричних мереж і систем

Мета роботи: ознайомитися з пакетом схемотехнічного моделювання Simulink, навчитися складати схеми та використовувати основні вимірювальні прилади.

1. Теоретичні відомості

схемотехнічний моделювання електричний напруга

Після запуску програми створення моделі можливе двома способами:

а) вибрати меню File/New/Model, після чого з’явиться робоче поле для створення моделі. Піктограма бібліотеки блоків знаходиться на панелі інструментів даного вікна;

б) відкрити бібліотеку блоків (піктограма Simulink на панелі інструментів), а потім створити нову модель (Create a new model);

Для створення моделі електричного кола необхідно розташувати всі необхідні блоки на робочому полі, задати їх параметри, після чого з’єднати їх та задати параметри розрахунку моделі в цілому.

З’єднувати блоки можна за допомогою мишки наступним чином: навести курсор на вхід (вихід) з одного з блоків, натиснути ліву кнопку мишки та не відпускаючи її, пересунути курсор на вхід (вихід) іншого блоку і відпустити кнопку мишки. Інший спосіб: одиночним натисканням лівої кнопки мишки виділяємо один із блоків, натискаємо клавішу CTRL та не відпускаючи виділяємо інший з’єднувальний блок. При використанні даного способу може утворитися некоректне з’єднання у випадку, коли входів декілька. Для утворення вузлі використовують спеціальні блоки - з’єднуючі елементи.

Блок Powergui є інструментом графічного інтерфейсу користувача та забезпечує вирішення наступних задач:

розрахунок моделі комплексним методом (Phasor Simulation);

розрахунок усталеного режиму (Steady State Voltages and Currents);

дискретизація моделі (Discretize electrical model);

введення початкових умов (Initial states Setting);

ініціалізація моделей трифазних систем, які мітять електричні машини, з метою розрахунку лише усталеного режиму (Load flow and Machine Initialization);

аналіз моделі за допомогою інструменту LTI-Viever (Use LTI-Viever);

визначення повного опору кола (Impedance vs Frequency Measurement);

виконання гармонічного аналізу (FFT Analysis);

створення звіту (Generate Report);

створення файлу характеристик намагнічування для моделі нелінійного трансформатора (Hysteresis Design Tool).

На рисунку 1.1 представлений зовнішній вигляд блоку Powergui

Рисунок (a)- Зовнішній вигляд блоку Powergui

2. Порядок виконання роботи

.Зібрати модель простого електричного кола відповідно до вказівок викладача.

.Послідовно провести вимірювання миттєвого, діючого та амплітудного значень струмів та напруг на елементах.

.Ознайомитися з основними режимами блоку Powergui.

.Зняти осцилограми виміряних величин та порівняти їх з отриманими у пункті 2.

.Перевірити, як впливає зміна параметрів процесу моделювання режиму на осцилограми та показання приладів.

.Зробити висновки по роботі.

3. Хід роботи

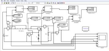
Зібрав модель простого електричного кола відповідно до вказівок викладача. Модель простого електричного кола представлена на рисунку 1.2

Рисунок (b)- Схема електричного кола

Результати вимірювання діючих значень з використанням блоку Powergui представлені на рисунку 1.3

Рисунок (c)- Результати діючих значень напруг та струмів

Результати вимірювання миттєвих значень з використанням блоку Powergui представлені на рисунку 1.4

Рисунок (d)- Результати миттєвих значень напруг та струмів

На рисунку 1.5 представлені результати вимірів активної і реактивної потужності.

Рисунок (e)- Результати активної і реактивної потужності

На рисунку 1.6 представлені осцилограми струмів і напруг. Перша (U1), третя (U2), п'ята (U3) осцилограма це напруга, а друга (I1), четверта (I2), шоста (I3) - струм.

Рисунок (f) - Осцилограма значень напруг та струмів

Зняті данні з осцилографів сходяться з розрахунками.

Далі проводимо експеримент зі зміною режиму моделювання;

На рисунках 1.7 -1.9 в зображено результати моделювання з ode 45.

Рисунок (g) - Результати моделювання з ode 45 діючих значень

Рисунок (h) - Результати моделювання з ode 45 миттєвих значень

Рисунок (i) - Результати моделювання з ode 45 осцилограм

На рисунках 1.10 - 1.12 зображено результати моделювання з ode 23.

Рисунок (j) - Результати моделювання з ode 23 діючих значень

Рисунок (k) - Результати моделювання з ode 23 миттєвих значень

Рисунок (l) - Результати моделювання з ode 23 осцилограм

На рисунках 1.13 - 1.15 зображено результати моделювання з ode 113.

Рисунок (m) - Результати моделювання з ode 113 діючих значень

Рисунок (n) - Результати моделювання з ode 113 миттєвих значень

Рисунок (o) - Результати моделювання з ode 113 осцилограм


Рисунок (p) - Результати моделювання з ode 15s діючих значень

Рисунок (q) - Результати моделювання з ode 15s миттєвих значень

Рисунок (r) - Результати моделювання з ode 15s осцилограм

На рисунках 1.19 - 1.21 зображено результати моделювання з ode 23s.

Рисунок (s) - Результати моделювання з ode 23s діючих значень

Рисунок (t) - Результати моделювання з ode 23s миттєвих значень

Рисунок (u) - Результати моделювання з ode 23s осцилограм

На рисунках 1.22 - 1.24.в зображено результати моделювання з ode 23t.

Рисунок (v) - Результати моделювання з ode 23t діючих значень

Рисунок (w) - Результати моделювання з ode 23t миттєвих значень

Рисунок (x) - Результати моделювання з ode 23t осцилограм

На рисунках 1.25 - 1.27 зображено результати моделювання з ode 23tb.

Рисунок (y) - Результати моделювання з ode 23 tb діючих значень

Рисунок (z) - Результати моделювання з ode 23 tb миттєвих значень

Рисунок (aa) - Результати моделювання з ode 23 tb осцилограм

Провівши всі досліди і порівнявши данні, можна сказати, що дані не сильно відрізняються, але все-таки мають відмінності, це пов’язано с тим, що для розрахунку використовувалися різні методи і формули.

Висновок

В ході виконання лабораторної роботи ознайомились з пакетом схемо- технічного моделювання Simulink, навчилися складати схеми та використовувати основні вимірювальні прилади. Зібрали однофазне просте електричне коло відповідно до вказівок викладача, провели вимірювання миттєвого, діючого значень струмів та напруг на елементах, а також зняли осцилограми.

Виміри миттєвого, діючого значень напруг та струмів на елементах однофазної моделі кола збігаються зі значеннями на осцилограмі.

Використали блок Powergui в режимах Phasor simulation, Сontinuous та Steady State Voltages для вимірювання різних значень сигналів.- пакет прикладних програм для числового аналізу, а також є зручним засобом для роботи з моделюванням електричних кіл та їх розрахунків. Пакет схемотехнічного моделювання Simulink дозволяє використовувати декілька математичних методів для розрахунків моделей: ode45 - однокроковий явний метод Рунге-Кутта 4-го та 5-го порядку;- однокроковий явний метод Рунге-Кутта 2-го та 3-го порядку;- багатокроковий метод Адамса-Башворта-Мултона змінного порядку;s - багатокроковий метод змінного порядку (від 1 до 5), що використовує формули чисельного диференціювання;s - однокроковий метод, який використовує модифіковану формулу Розенброка другого порядку;t - метод трапецій з інтерполяцією;tb - використання неявного методу Рунге-Кутта на початку розв'язку та зворотне диференціювання другого порядку потім.

Методи ode15s, ode23t, ode23tb використовуються для розв'язку систем диференційних рівнянь з жорсткими обмеженнями (при наявності в моделях нелінійних елементів, наприклад, ключів, діодів, транзисторів тощо). Було проаналізовано вплив математичного методу на результат разрахунку.

Таким чином, проаналізувавши виміряні значення та осцилограми, можемо зробити висновок, що методи розрахунку не впливають на осцилограми напруг та струмів, але впливають на миттєві значення з невеликою різницею.

Похожие работы на - Застосування пакету Simulink для моделювання електричних мереж і систем

 

Не нашли материал для своей работы?
Поможем написать уникальную работу
Без плагиата!
Без нейросетей!